Контрольная работа: Основные вопросы связанные с расчетом электродвигателя привода и редуктора
|
Название: Основные вопросы связанные с расчетом электродвигателя привода и редуктора Раздел: Промышленность, производство Тип: контрольная работа | ||||||||||||||||||||||||||||||||||||||||||||||||||||||||||||||||||||||||||||||||||||||||||||||||||||||||||||||||||||||||||||||||||||||||||||||||||||||||||||||||||||||||||||||||||||||||||||||||||||||||||||||||||||||||||||||||||||||||||||||||||||||||||||||||||||||||||||||||||||||||||||||||||||||||||||||||||||||||||||||||||||||||||||||||||||||||||||||||||||||||||||||||||||||||||||||||||||||||||||||||||||||||||||||||||||||||||||||||||||||||||||||||||||||||||||||||||||||||||||||||||||||||||||
| Севастопольский Национальный Технический Университет Курсовой проект по дисциплине: Детали приборов Выполнил: ст. гр П-31д Майстренко К. В Проверил: Васютенко А. П Севастополь 2010 Расчёт и выбор электродвигателя При выборе типа электродвигателя следует руководствоваться следующими критериями: ─ тип привода, для которого подбирается электродвигатель, и режим его работы; ─ тип источника питания; ─ характеристика нагрузки (максимальная величина нагрузки, уровень колебания нагрузки, максимальная угловая скорость); ─ эксплуатационные условия (температура, давление, влажность окружающего воздуха, воздействие вибрационных нагрузок, необходимый ресурс работы, максимально допускаемые габариты и масса). В приводах измерительных приборов, роботизированных измерительных модулей, измерительных устройств, встроенных в ГПС в зависимости от характера решаемых задач применяются как синхронные, так и асинхронные электродвигатели длительного действия. В измерительных автоматах привод с помощью кулачковых, кулачково-рычажных, винтовых и других передаточных механизмов осуществляет установку деталей на измерительные позиции, арретирование измерительных наконечников, транспортирование деталей, их сортировку и ряд других операций. В приводах измерительных автоматов наиболее часто используются асинхронные электродвигатели общего назначения питаемые электрическим током напряжением 220 В,380 В, частотой 50 Гц. Отечественная промышленность выпускает электрические двигатели мощностью 0,06…400 кВт, с частотой вращения 750, 1500, 3000 мин-1 . Чем ниже частота вращения вала электродвигателя, тем больше его габариты и масса, но с увеличением частоты вращения растет общее передаточное отношение привода, а, следовательно, и его стоимость. Чаще всего в приводах с непрерывным вращением применяют двигатели с угловой скоростью n эд = 1500 об/мин. Примечание. Для волновой передачи целесообразно применять высокоскоростные электродвигатели n эд = 3000 … 9000 об/мин. Определение общего передаточного отношения привода, i общ.
Где, wэд ─ угловая скорость вала электродвигателя, с-1 ; wрв ─ угловая скорость кулачкового распределительного вала, с-1 . При известной скорости вращения вала электродвигателя, которая предварительно была принята равной, nэд = 1500 об/мин, wэд определяется по формуле: wэд =(П nэд)/30, wэд=(3,14*1500)/30 wэд=157, Где, n – угловая скорость вала электродвигателя, мин-1 . Угловая скорость распределительного вала или выходного вала редуктора (если она не задана) может быть рассчитана по формуле: wрв = (2П )/tц wрв = (6,28)/0,35; wрв=17,94; Где, tц ─ период цикла работы автомата, прибора, модуля, с. Определение КПД привода Общий КПД привода определяется как произведение КПД отдельных передач привода. Например, для привода с двухступенчатым червячно-цилиндрическим редуктором общий КПД определяется по формуле hобщ = hрп hзп hчп h4 п hм hобщ=0,96*0,96*(0,96)*0,96; hобщ=0,8497; где hрп = 0,96 ─ КПД ременной передачи; hзп = 0,98 ─ КПД цилиндрической зубчатой передачи; hчп = 0,8 ─ КПД червячной передачи; hвп = 0,85 – КПД волновой передачи; hк = 0,96 ─ КПД конической передачи; hм = 0,96 ─ КПД муфты; hп = 0,99 ─ КПД пары подшипников. Определение требуемой мощности двигателя, P эд. Требуемая мощность двигателя, Pэд определяется по формуле
где, Тн ─ момент нагрузки на распределительном кулачковом валу или на выходном валу привода, Нм, задано в ТЗ; Рэд ─ мощность электродвигателя, Вт. x - коэффициент запаса, учитывающий динамические нагрузки в момент разгона. x=1,05…1,1. По расчетному значению Рэд производится выбор электродвигателя, по табл.2.1. Техническую характеристику выбранного электродвигателя занести в таблицу 2.2.
Таблица 2.1 – Типоразмеры и техническая характеристика электродвигателей типа АОЛ. Таблица 2.2. – Техническая характеристика выбранного электродвигателя
Кинематический и силовой расчет привода Привод прибора или измерительного автомата, как правило, содержит два передаточных механизма: редуктор и передачу гибкой связью ─ ременную или цепную. Общее передаточное отношение привода определяется произведением iобщ = iрп iр , где iрп ─ передаточное отношение ременной передачи или передаточное отношение цепной передачи; iр ─ передаточное отношение редуктора. Согласно рекомендаций принимаем передаточное отношение клиноременной передачи iрп =2,тогда передаточное отношение редуктора равно:
Внимание! Для одноступенчатого редуктора полученное значение округляют до ближайшего стандартного, и это значение будет соответствовать передаточному отношению передачи редуктора. Определение погрешности передаточного отношения редуктора
где Di – погрешность передаточного отношения i р – расчетное передаточное отношение редуктора. i 'р – передаточное отношение редуктора, при округлении расчетных значений каждой ступени по стандартному ряду. Определение угловых скоростей вращения валов привода Введем последовательное обозначение валов двухступенчатого редуктора, присвоив входному валу номер 1, промежуточному – 2, выходному – 3. Угловые скорости валов будут определяться по формулам:
w2 = w3 iт ,[c-1 ] w1 = w2 iб ,[c-1 ] Примечание. Для одноступенчатого редуктора вводим обозначения: для входного вала- 1, выходного- 2.Угловые скорости определяются по формулам:
w1 = w2 iр=17,94*4,375=78,48 ,[c-1 ] Силовой расчет привода Величина крутящих моментов на валах привода находится, исходя из величин крутящего момента на кулачковом валу Тн (выходном валу привода) и КПД соответствующих передач.
Найденные значения w и Т заносятся в таблицу 3.1. Примечание. Для одноступенчатого редуктора крутящий момент определяется по формуле
Расчет клиноременной передачи Расчет клиноременной передачи проводим исходя из ранее рассчитанной мощности электродвигателя, Рэд и принятого передаточного отношения клиноременной передачи iр.п. =2. Определение сечения ремня Сечение ремня выбирается в зависимости от передаваемой мощности и предполагаемой окружной скорости ремня по таблице 4.1. Таблица 4.1 . – Выбор сечения ремня
Рисунок 4.1. Сечение ремня 0, А Выбор диаметра меньшего шкива Согласно рекомендациям по ГОСТ 1284.3-80 принимаем d1 =71 мм Определение диаметра ведомого шкива d2 = iрп d1 = 2 · 71 = 142мм, где iрп ─ передаточное отношение клиноременной передачи. Согласно ГОСТ 1284.3─80 принимаем диаметр ведомого шкива равным d2 = 140мм. Определение уточненного значения передаточного числа
где e = 0,002 ─ коэффициент скольжения ремня. Определение окружной скорости на ведущем шкиве V 1
где Определение длины ремня из условия долговечности Условие долговечности
где L - длина ремня; [n] = 10c-1 ─ допустимая частота циклонагружения клинового ремня. Из условия долговечности определим длину ремня по формуле:
Полученное значение длины ремня округляем по таблице 4.2. Таблица 4.2. Расчетная длина клиновых ремней, мм.
Определение межосевого расстояния а
Расчет ремня по тяговой способности Определим число ремней Z по формуле
где Кд ─ коэффициент динамической нагрузки, Кд =(1,0…1,1); Кa ─ коэффициент, учитывающий влияние угла обхвата (см. таблицу 4.4.); КL ─ коэффициент, учитывающий длину ремня, КL = (0,9…1,3); КZ ─ коэффициент, учитывающий неравномерность распределения нагрузки между ремнями (см. таблицу 4.5.); Р0 ─ мощность передаваемая одним ремнём определяется по таблице 4.3. Таблица 4.3. Мощность Р0 передаваемая одним ремнем
Значение коэффициента Кa принимаются в зависимости от угла обхвата методом интерполяции по таблице 4.4. Таблица 4.4. Значение коэффициента Кa .
Значение коэффициента КZ принимается в зависимости от величины тяговой способности Z по таблице 4.5. Определение усилия предварительного натяжения ремня Q
где F0 = d0 А, - сила предварительного натяжения; d0 = 1,2…1,5Н/мм2 ─ напряжение предварительного натяжения; А ─ площадь поперечного сечения ремня, для ремня 0 сечения А=47мм2 . Расчет конической зубчатой передачи. Перед началом расчёта передачи необходимо систематизировать исходные данные для расчёта, подставив численные значения для каждого буквенного обозначения. Примечание. Передаточное число i и передаточное число u конической передачи должно быть выбрано по таблице 5.7. Выбор материала и термической обработки конических зубчатых колес Выбор материала и термической обработки конических зубчатых передач производится в зависимости от окружной скорости и степени точности [σн ] 2 смотри пункт 5.1.2. Таблица 5.8.Материалы шестерни и колеса в зависимости от окружной скорости
Определение допускаемого контактного напряжения для колеса
где
[SH ] – допускаемое напряжение коэффициента запаса прочности. Для термообработки, нормализации или улучшение при НВ < 350, [SH ] = 1.1. ZR – коэффициент, учитывающий шероховатость рабочих поверхностей зубьев. При Ra = 1,25, … , 0,63 принимаем ZR = 1 При Ra = 2,5, … , 1,25 принимаем ZR = 0,95 Для 7 и 8 степени точности изготовления колёс шероховатость поверхности Ra = 2,5, … , 1,25 ZV –коэффициент, учитывающий влияние окружной скорости. При v≤5 м/с принимаем ZV = 1. KHL – коэффициент долговечности, определяется по формуле:
где NHO – базовое число циклов перемены напряжений; если NHO > 12 · 107 , то следует принять NHO = 12 · 107 NNE – действительное число циклов перемены напряжений, определяется по формуле: NNE = 60 · n2 · с · tn , где n2 – число оборотов вала колеса, мин –1 с – число колес, находящихся в зацеплении с рассчитываемым, в нашем случае с = 1. tn – срок службы передачи, час. tn = 36000 час. В случае, если NNE > NHO , KHL = 1. Определение внешней делительной окружности колеса, dе2
T2 – крутящий момент на колесе, Н · м u – передаточное число KH b – коэффициент концентрации нагрузки. Определяется по графикам или по таблице 5.9, в зависимости от коэффициента ширины колеса по диаметру Yb , который определяется по формуле и округляется по ряду чисел, приведенному после формулы
0,1; 0,15; 0,2; 0,25; 0,315; 0,4; 0,5; 0,63; 0,71; 0,8; 0,9; 1; 1,2 Таблица 5.9. - Значение коэффициента Yb в зависимости от положения колеса относительно опор
Полученное значение внешнего делительного диаметра, dе2 округляют в большую сторону по ряду чисел из таблицы 5.10. Таблица 5.10. Нормализованные значения внешнего делительного диаметра, dе2
Определение углов делительных конусов шестерни δ1 и колеса δ2 δ2 = arctg u δ2 = arctg 5 δ2 = 0,99 δ1 = 90° – δ2 , δ1 = 90° – 0,99, δ1 = 89,01°; где u – передаточное число. Определение внешнего конусного расстояния Re
Определение ширины колеса b 2 . b2 = b 1 b2 = 0,285 · Re b2 = 0,285 · 0,4488 b2 = 0,127 Полученное значение округлить до ближайшего целого числа по нормальному ряду чисел Определение внешнего торцевого модуля передачи me
где, [σF ]2 -допускаемое напряжение изгиба , предварительно [σF ]2 определяется по формуле: [σF ]2 ≈ 1,03HB2 Полеченное значение модуля me округлить по стандартному ряду чисел из таблицы 5.11. Таблица 5.11. Стандартный ряд чисел модуля me .
Определение числа зубьев колеса Z 2
Полученное значение округлить до ближайшего целого числа. Определение числа зубьев шестерни Z 1
Z1 > Z1 min Z1 min = 17 Определение фактического передаточного числа и иго погрешности uф = Z2 / Z1 uф = 85 / 17
Примечание. Смотри пункт 5.1.9 Определение геометрических параметров шестерни и колеса конической передачи. Делительные диаметры шестерни d 1 и колеса d 2 d1 = m · Z1 d1 = 1· 17 d1 = 17 d2 = m · Z2 d2 = 1 · 85 d2 = 85 Определить внешние диаметры окружностей выступов шестерни dae 1 ,колеса dae 2 dae1 = de1 + 2me · coss1 dae1 = 17+2*1*89, 01° dae1 = 17,02 dae2 = de2 + 2me · coss2 dae 2 = 85 + 2*1*0, 99° dae 2 = 87 Определить средний нормальный модуль mn mn = me (1 ─ 0,5b/Re ) mn = 1*(1-0,5*0,127/0,4488) mn = 0,859 Определить средние диаметры шестерни dm 1 и колеса dm 2 dm1 = mn · Z1 dm2 = mn · Z2 dm1 = 0,859*17 dm2 = 0,859*85 dm1 = 14,6 dm2 = 73 Определение сил, действующих в зацеплении В коническом зубчатом зацеплении действуют следующие силы: ─ окружная на шестерни Ft 1 и колеса Ft 2 ; ─ радиальная на шестерни Fr 1 и колеса Fr 2 ; ─ осевая на шестерни Fа1 и колеса Fа1 ; Ft1 = Ft2 = 2T1 /(dm1 ·103 ) Ft1 = Ft2 = 2*2,85/(14,6 ·103 ) Ft1 = Ft2 =0,000039 Fr1 = Fa2 = Ft1 · tga · coss1 Fr1 = Fa2 = 0,000039* tg106,5* cos89,01 Fr1 = Fa2 =-0,000002274 Fa1 = Fr2 = Ft1 · tga · sins1 Fa1 = Fr2 =-0,000039* tg106,5* sin89,01 Fa1 = Fr2 =-0,00013 Проверка зубьев колес по напряжениям изгиба, σ F 2
где, Таблица 5.12. Значения коэффициента концентрации нагрузки
KFV ─ коэффициент динамической нагрузки, для прямозубой передачи при НВ ≤ 350 KFV = 1,4 YF 2 ─ коэффициент формы зуба, определяется для конической передачи по эквивалентному числу зубьев ZV по таблице 5.13. Определение допускаемого напряжения изгиба,[ s F ] [sF ] = (d’’lima / [S F ’]) · KFC · KFL , [sF ] = (572,5 / 1,65) · 1 · 1 , [sF ] = 346,9 где, d’’Flima ─ предел выносливости зубьев на изгиб, соответствующий базовому числу циклов перемен напряжений; при R ─ коэффициент симметрии цикла напряжений, R=0. Термообработка для нормализации, улучшения sF lim в определяется по формуле: sF lim в = 1,35HB + 100 sF lim в = 1,35*350 + 100 sF lim в = 572,5 [S’F] ─ коэффициент безопасности, учитывающий нестабильность свойств материала зубчатого колеса и ответственность зубчатой передачи, принимаем: [S’F] = 1,65 KFC ─ коэффициент, учитывающий влияние двухстороннего приложения нагрузки. При нереверсивной передаче принимаем: KFC = 1. KFL ─ коэффициент долговечности определяется по формуле: При твердости НВ ≤ 350
При твердости НВ > 350
Принимаем NFO = 4 · 106 NFE = NHE , в случае NFE > NFO , то KHL = 1. Расчет валов Для обеспечения вращательного движения подвижные системы приборов располагаются на деталях, которые в зависимости от вида нагружения называются валами или осями. Валом называется деталь, которая служит для передачи вращательного момента и одновременно является базой подвижной вращающейся системы. Оси и валы для оптимизации габаритных размеров, массы и прочности выполняются ступенчатой формы. Участки осей и валов, соприкасающиеся с опорами, называют цапфами. Для фиксации деталей на валах в осевом направлении служат буртики, высота заплечиков, h которых ориентировочно должна быть принята следующих размеров при диаметре вала: до 20ммh = 0,5 … 3мм 20 … 40ммh = 2,5 … 5мм 40 … 60ммh = 4,5 … 8мм
Рисунок 6.1. Основные конструктивные элементы валов Концы валов следует заканчивать фасками. Места перехода от меньшего диаметра вала к большему называется галтелью. Галтели могут быть как постоянного, так и переменного радиусов. Радиус галтели, для несопряженных поверхностей, следует принимать по следующей рекомендации: При разности диаметров: (D ─ d)>2,…,4 мм R»1,…,2 мм. (D ─ d)>4,…,6 мм R»2,…,3 мм. При неподвижном соединении вала и насаженной на него детали (например, колесо, шкив, червяк и т. д.) вал имеет галтель, радиус которой R, а насаженная деталь ─ фаску размером С. Причем, катет фаски должен быть больше радиуса галтели С > R, что обеспечивает плотное прилегание ступицы к буртику вала. Рекомендации по выбору радиуса галтели и фаски: При в = 10…15мм; R = 1мм С = 1,5мм d = 15…40мм; R = 1,5мм С = 2мм d = 40…80мм; R = 2мм С = 3мм Для плотного прилегания торца подшипника качения фланцу вала делают проточки, размеры которой нормализуются в зависимости от применяемого инструмента, см. раздел 8.4. Радиус закругления внутреннего кольца подшипника «r» должен быть также больше радиуса галтели вала R1 в местах посадки подшипников. Валы изготавливают из углеродистых и легированных сталей. Обычно применяют сталь 35, 40, 45, 40Х с термообработкой ─ нормализация или улучшение. Для неответственных валов Ст5, Ст3. Расчет валов производят по следующим этапам: Проектный расчет валов На ранней стадии проектирования при отсутствии данных об изгибающих моментах. Весьма приближенно диаметр выходного конца вала может быть найден по величине крутящего момента и по заниженным значениям допускаемого напряжения кручения [t] » 20…35Мпа по формуле:
Где К ─ коэффициент, учитывающий послабление вала шпоночным пазом. К = 1,1.
Полученное значение округляется до целого числа. Каждая последующая ступень определяется увеличиванием предыдущей на величину от 2 до 5мм - di = di – 1 + (2…5), (6.2)
Диаметр вала под подшипники округлить до стандартного значения диаметра внутреннего кольца подшипника. Рисунок 6.2. Пример оформления эскиза вала. Проектный расчёт валов проводить в следующей последовательности: Разработка эскиза вала Эскиз вала разработать в соответствии с базовой конструкцией редуктора. Диаметральные размеры определять по формулам (6.1), (6.2). Расчёт ступеней вала d1 , d 2 , d 3 по формуле (6.2). I. Предварительный проектный расчет и конструирование. В результате выполнения этого этапа определяют наименьший диаметр вала и разрабатывают его конструкцию. При конструировании учитывают для обеспечения сборки возможность свободного продвижения деталей вдоль вала до места их посадки, а также осевую фиксацию этих деталей на валу. II. Проверочный расчёт вала. Этот этап проводится после эскизного проектирования всего узла, определения точек приложения нагрузки и реакции опор, построение эпюр изгибающих и крутящих моментов, определения опасного сечения вала . III. Уточнённый проверочный расчет. Этот этап проводится после окончательной разработки конструкции и служит для определения коэффициента запаса прочности для опасного сечения вала или для нескольких предположительно опасных сечений. Проверочный расчет валов Примеры нагружения для различных схем редукторов.
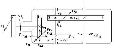
Рисунок 6.5. Схема нагружения коническо-цилиндрического редуктора с прямозубыми колёсами. Fr ─ радиальные силы. Ft ─ окружные силы. Fа ─ осевая сила.
Рисунок 6.6.Пример схемы нагружения и эпюры изгибающих и крутящих моментов входного вала коническо-цилендрического редуктора Расчёт реакций опор в вертикальной и горизонтальной плоскостях Принимаем момент, действующий против часовой стрелки со знаком «+», а по часовой стрелки - «─». Расчет сил реакций опор в вертикальной плоскости. Принимаем Σ Мау = 0 Q · K + Rby
·m (m + n) · Fr
1
·
Для быстроходного вала: Q · K + Rby
·m (m + n) · Fr
1
·
Принимаем Σ Мву = 0 Q (k+m)- Rby
·m- Fr
1
·n· Fa
2
·
Для быстроходного вала Q (k+m)- Rby
·m- Fr
1
·n· Fa
2
·
Расчет и построение эпюр изгибающих моментов. Расчет сил реакций опор в горизонтальной плоскости. Принимаем Σ Мах = 0. Q · K ─ Ft 1 · m + Rbx · (m + n) = 0
Принимаем Σ Мвх = 0; Q(k + m + n) ─ Rax · (m +n) + Ft 1 · n = 0 Rax= Ft1 · n+ Q(k + m + n)/ (m +n) Rax = 0,000039*175/125 Rax = 0,0000546 Для быстроходно вала: Q · K ─ Ft1 · m + Rbx · (m + n) = 0
Принимаем Σ Мвх = 0; Q(k + m + n) ─ Rax · (m +n) + Ft 1 · n = 0 Rax= Ft1 · n+ Q(k + m + n)/ (m +n) Rax = 0,000039*100/75 Rax = 0,000052 Определение эквивалентного момента опасного сечения вала Наиболее часто опасным сечением является сечение вала, на котором устанавливают колесо. Т.к., обычно, в месте посадки вал имеет послабление сечения за счет шпоночного паза. В случае неопределённости выбора опасного сечения, просчитываются два наиболее нагруженные сечения, и выбирается наибольший эквивалентный момент
Определение диаметра участка вала под зубчатой шестерней,
[su ] ─ допускаемое напряжение изгиба. Для валов, выполненных из материала Сталь 45, [du ] = 45,…,50Мпа Расчет подшипников на долговечность Под долговечностью подшипника L, понимают такой срок службы в течение которого подшипники, проработавшие при данных условиях нагружения без объявления признаков усталости материала, составляют 90% общего числа.
L ─ долговечность, количество оборотов n ─ угловая скорость, мин –1
С ─ динамическая грузоподъемность, Н Р ─ наибольшая и двух опор вала эквивалентная нагрузка. y – степенной коэффициент; для шариковых подшипников качения y=3; для роликовых подшипников качения y=3,3. Долговечность подшипника не должна привышать 10tn, т. е. 350000 час. 3600 <Lh < 360000 В случае, если Lh < 36000 час, то необходимо увеличить грузоподъёмность подшипника, т. е. увеличить серию или выбрать подшипник следующим диаметром. В случае, если Lh > 360000 час, то необходимо уменьшить грузоподъёмность или уменьшить диаметр вала под подшипник согласно условия в п. 6.2.2.7 по отношению и диаметру подшипника. Эскизный проект редуктора Эскизный проект является наиболее ответственной частью курсовой работы, где принимаются основные конструктивные решения. При выполнении эскизного проекта студент пользуется примерами конструкций редукторов, представленных в атласах конструкций. На этапе выполнения эскизного проекта проводится проработка конструкции зубчатых колес, валов, элементов корпуса редуктора, подшипниковых узлов. Соотношения конструктивных элементов зубчатых колес, крышек подшипниковых узлов, корпусов редукторов. Конструирование зубчатых, червячных колес, червяков. По результатам расчета в эскизном проекте вычерчиваются контуры зубчатых, червячных колес и червяков. Следующим шагом является конструктивная отработка их формы. Конические зубчатые колеса Конструктивные формы конических зубчатых колес с внешним диаметром вершин зубьев dae £120 мм показаны на рис. 8.3. При угле делительного конуса d³30° колеса выполняют по рис. 8.3, а, а при угле d³45° - рис. 8.3, б. Если угол делительного конуса находится между 30 и 45°, то допускаются обе формы конических колес. Размер ступицы определяют по формуле:
На рис.8.4 показана форма конического зубчатого колеса при внешнем диаметре зубьев dae >120 мм. При относительно небольших диаметрах колеса изготавливают из прутка, при больших диаметрах заготовки получают свободной ковкой с последующей токарной обработкой.
Рисунок 8.3.Конструктивные размеры конических колёс
Рисунок 8.4.Конструктивные размеры конических колёс. При любой форме колес внешние углы зубьев притупляют фаской f, обрабатывая колеса по внешнему диаметру dae параллельно оси посадочного отверстия. Торец зубчатого венца используют для установки заготовки при нарезании зубьев. Для уменьшения объема точной механической обработки выполняют выточки глубиной 1…2 мм. Конструирование стаканов Конструкция стакана определяется схемой расположения подшипников. На рисунке 8.14., а –б показаны варианты, наиболее часто встречающиеся на практике. Стаканы обычно выполняют литыми из чугуна марки СЧ15. Толщину стенки δ принимают в зависимости от диаметра отверстия в под подшипник по таблице 8.14.
Рисунок 8.14 .Конструктивные особенности стаканов Таблица 8.14. Толщина стенки стакана .
Толщина упорного буртика δ1 толщина фланца δ2 (см. рисунок 8.14)
Высоту упорного буртика t согласуют с размером фаски наружного кольца подшипника и возможностью его демонтажа винтовым съемником. Диаметр в и число винтов для крепления стакана к корпусу берут по таблице 8.4. Таблица 8.4. Размеры стаканов подшипника.
Минимальный диаметр фланца стакана Dф получается, если принять:
Чтобы обеспечить сопряжение торцов фланца стакана и корпуса по плоскости, на наружной цилиндрической поверхности стакана перед торцом фланца делают канавку. На рисунке 8.14, а показан профиль канавки на наружной поверхности стакана, а размеры ее элементов приведены в таблице 8.4. Конструирование крышек подшипников Крышки подшипников изготавливают из чугуна марки СЧ15. Различают крышки накладные и закладные. На рисунке 8.15, а-г показаны основные конструкции накладных крышек, на рисунке 8.15, а, б, г – так называемых глухих, а на рисунке 8.15, в – с отверстием для выходного конца вала. Форма крышек зависит от конструкции опоры вала. Чаще всего торец вала не выступает за пределы подшипника. Поэтому наружная поверхность крышки – плоская (рисунок 8.15, а – в). Если торец вала выступает за пределы подшипника, то крышку выполняют по рисунку 8.15, г. Положение крышки при сборе определяется ее фланцем. Поэтому поясок с центрирующей цилиндрической поверхностью делают небольшим, чтобы он не мешал установке крышки по торцу корпуса. Обычно принимают
где b – ширина канавки Расчет призматических шпонок. Соединения в которых роль соединительной детали выполняют шпонки, установленные в пазах вала или втулки и служащие для передачи крутящего момента, как с вала на сопрягаемую с ним деталь, так и наоборот.
Рис. - Выбор шпонок осуществляем в зависимости от диаметра вала Таблица 9.1. Выбор шпонок
Длину шпонок выбирают из ряда: 6-8-10-12-14-16-18-20-25-28-32-36-40-45-50-56-63-70-80-90-100-110-125-160-180-200-250. Материал шпонок – сталь чистотянутая для шпонок с sв =990 МПа. Проверка на смятие:
где Т – передаваемый момент, Н×м; dв - диаметр вала; l – рабочая длина шпонки; h - высота шпонки (h-t1 )=0,4×h - при одинаковых материалах вала и втулки; t1 - высота шпоночного паза вала; [sсм ] - допускаемое напряжение на смятие, Мпа; Эскизный проект Эскизный проект является наиболее ответственной частью курсового проекта, где принимаются основные конструктивные решения. При выполнении эскизного проекта студент пользуется примерами конструкций редукторов, представленных в атласах конструкций. Эскизный проект редуктора выполняется в соответствии с требованиями ЕСКД на миллиметровой бумаге в масштабе 1:1. На этапе выполнения эскизного проекта проводится проработка конструкций зубчатых колес, валов, элементов корпуса редуктора, подшипниковых узлов (см. п. 8). После согласования эскизного проекта редуктора с руководителем студент может переходить к выполнению технического проекта. На сборочном чертеже редуктора приводятся следующие данные: Размеры: - габаритные, необходимые для определения размеров места установки, изготовления тары, транспортировки; - установочные и присоединительные, необходимые для установки изделия на месте монтажа, а также определения размеров и места положения элементов, которые присоединяются к данному изделию. К присоединительным размерам относятся размеры выступающих концов входного и выходного валов; - исполнительные (сборочные) размеры. Например, размеры отверстий под штифты, если они обрабатываются в процессе сборки, размеры зазоров между подшипниками и упорными торцами крышек, если они контролируются при сборке; - посадочные, определяющие характер сопряжении; Техническую характеристику изделия: - передаточное отношение; - частоту вращения валов; - вращающий момент на тихоходном валу. Техническую характеристику размещают на сборочном поле чертежа над основной надписью. При этом над текстовой частью характеристики, выполненной в виде таблицы, помещают заголовок «Техническая характеристика». Технические требования к изделию, где указывают: - требования, предъявляемые к сборке, настройки и регулировке изделия (например, «Расточку отверстий корпуса проводить в сборе корпуса», «Плоскость разъема перед сборкой покрыть герметиком»); - требования к отделке (например, «Необработанные поверхности внутри редуктора красить маслостойкой краской, снаружи – серой нитроэмалью»); - требования к эксплуатации (например, по смазке редуктора «В редуктор залить 3,5 л масла И-50А»). Общий вид редуктора должен содержать: - необходимое число видов; - разрез распределительного вала; - виды, раскрывающие конструкции крепления шкивов и муфты на валы; - техническую характеристику. МУФТЫ Муфтами называют устройства, с помощью которых соединяют между собой валы или валы с находящимися на них деталями для передачи вращающего момента. Классификация муфт Из большого конструктивного разнообразия можно выделить следующие группы муфт: Глухие – соединяют два вала так, что полученное соединение работает как одно целое. Наиболее распространены глухие муфты втулочные и фланцевые (поперечно-свертные). Продольно-свертные муфты применяли для соединения отдельных частей длинных трансмиссионных валов. В настоящее время они имеют ограниченное применение. Компенсирующие – соединяют валы, имеющие незначительные смещения – осевые, радиальные и угловые. Компенсирующие муфты жесткие не смягчают толчков; компенсирующие муфты упругие смягчают толчки за счет деформации упругих элементов, передающих вращающий момент. К жестким компенсирующим муфтам относятся кулачковые расширительные муфты, кулачково-дисковые, зубчатые, цепные, шарнирные и др. К упругим компенсирующим муфтам относятся муфты со змеевидными пружинами, муфты с гильзовыми пружинами, втулочно-пальцевые с упругой оболочкой и др. Управляемые или сцепные муфты – соединяют и разъединяют валы во время работы при помощи механизма управления. В этих муфтах используется кулачковое или зубчатое зацепление – кулачковые муфты, или трение – фрикционные муфты. Самоуправляемые – автоматически действующие муфты предназначаются для предохранения привода от перегрузок, передачи момента лишь в одном направлении, ограничения скорости, осуществления плавного пуска привода и т. д. К этой группе относятся муфты со срезным штифтом, фрикционные предохранительные, центробежные и др. Расчет муфт На работу муфты существенно влияют толчки, удары и колебания, обусловленные характером работы приводимой в движение машины. Поэтому расчет муфт ведут не по номинальному моменту М, а по расчетному моменту Мр :
где kр – коэффициент режима работы (таблица 11.1);
N – мощность, Вт;
n – частота вращения, об/мин. Муфты, имеющие распространение, стандартизованы. Основными характеристиками муфт являются величина момента, на передачу которого муфта рассчитана, и диаметры соединяемых валов. Диаметр вала под муфту может быть определен расчетом на чистое кручение по пониженным допускаемым напряжениям [τ]=20-35 Н/мм²: Таблица 11.1 – Коэффициент режима работы
Примечание.
Для привода от поршневых двигателей значения Муфта с упругой оболочкой (рисунок 11.10) характерна тем, что в качестве упругого элемента используется резиновая оболочка, напоминающая автомобильную шину. Для облегчения сборки иногда применяют разъемную, состоящую из двух половин оболочку или заменяют последнюю несколькими упругими хомутами, имеющими такую же форму сечения.
Рисунок11.10 – Муфта с упругой оболочкой Резиновая оболочка обладает большой упругостью, что придает муфте высокие компенсирующие свойства: осевое смещение от 3 до 6 мм, радиальное – от 2 до 6 мм и угловое – от 2 до 6º. Кроме того, одна полумуфта может повернуться относительно другой на угол до 30º. Условие прочности оболочки на сдвиг в сечении около зажима:
где Мр – расчетный момент, Нмм;
τ – толщина оболочки, мм;
В таблице 11.6 приведены основные размеры муфт с упругой оболочкой. Таблица 11.6 - Основные размеры муфт с упругой оболочкой, мм
Особенности смазки редуктора В местах сопряжения подвижных деталей механических передач неизбежно возникают силы трения, на преодоление которых расходуется часть передаваемой полезной мощности. Лучшим средством, позволяющим резко снизить отрицательное действие сил трения, является смазка сопряженных деталей и узлов смазочными маслами и мазями. В отдельных случаях, когда механизм долгое время находится в бездействии (в резерве, ремонте и т. д.), смазывают не только места сопряжений, но и все детали и поверхности механизма, подвергающиеся коррозии (обычно техническим вазелином или пушечной смазкой). В закрытых передачах смазка деталей, как правило, производится непрерывно, а в открытых — периодически. Смазка благоприятно влияет на работу зацеплений, смягчает удары в зубчатых и других передачах, снижает шум и нагрев механизма во время работы и защищает открытые места деталей от коррозии. Подбор сорта масла и его качества является серьезной задачей, от .правильности решения которой во многих случаях зависит нормальная работа механической передачи. Важнейшими свойствами смазочных масел являются маслянистость и вязкость. Маслянистостью называют способность смазки прилипать к поверхности металла, обеспечивающая, в частности, образование на трущихся поверхностях сплошной и прочной адсорбированной пленки. Вязкостью масел называется сила взаимного сцепления между отдельными частицами, определяющая способность масла сопротивляться перемещению и выдавливанию его из зазоров между твердыми поверхностями. Различают вязкость динамическую и кинематическую. Отношение динамической вязкости масла к его плотности при той же температуре называется кинематической вязкостью. В приборостроении широко распространено применение растительных масел (льняное, касторовое и др.), а также масел животного происхождения (костное, спермацетовое). Наиболее распространено касторовое масло, имеющее высокую маслянистость и значительную вязкость. Масла животного происхождения обладают более высокой маслянистостью, но малой вязкостью. Эти масла часто применяют для смазки точных приборов и механических передач очень малой мощности (часовые механизмы, самопишущие приборы и т. д.). Если подача жидкого масла на трущиеся поверхности затруднена, для смазки этих узлов используют консистентные смазки, составленные из минеральных масел с небольшими добавками растительных или масел животного происхождения. Загущение этой смеси достигается путем добавок к ней кальциевого или натрового мыла. В условиях работы механических передач малой мощности для смазывания поверхностей трения применяют как жидкие, так и консистентные смазки (мази), при этом смазка должна быть нейтральна, т. е. не должна действовать на металл химически и не создавать условия для образования коррозии и по своим физическим и химическим свойствам устойчива на длительное время. Жидкие масла применяют при высоких угловых скоростях машины и при большом диапазоне температуры окружающего его воздуха, например, масло приборное, которое имеет температуру вспышки в закрытом тигле не ниже 120°, а температуру застывания не выше —60° С. Вместе с этим необходимо учитывать, что жидкие масла имеют и существенные недостатки. Так, например, в связи с быстрым вытеканием масла из мест сопряжения деталей, необходимо применение сортов масла, имеющих большую маслянистость или применение более сложных уплотнительных устройств. Консистентные смазки обычно закладывают в корпус узла при его сборке и сложных уплотнений не требуют. Смена консистентной смазки производится значительно реже, примерно один раз за 6—8 месяцев. Добавка мази производится с помощью шприца через пресс-масленки или масленки колпачкового типа. Из консистентных смазок для шарикоподшипников наибольшее распространение в приборостроении получили смазки ГОИ-54, ЦИАТИМ-202, ОКБ и смеси из разных соотношений масел ГОИ-54 и МВП. Из маловязких масел наибольшее применение находит приборное вазелиновое масло МВП и специальные смазки ОКБ и ВНИИНП. В механических передачах наиболее тщательно приходится осуществлять смазку вращающихся деталей, зубчатых или других видов зацеплений, при этом требования к смазочным материалам как в первом, так и во втором случаях различны. Определение минимального объёма масла в редукторе Минимальный объём масла находится по следующей формуле:
где N – передаваемая мощность, кВт; η – КПД редуктора |
||||||||||||||||||||||||||||||||||||||||||||||||||||||||||||||||||||||||||||||||||||||||||||||||||||||||||||||||||||||||||||||||||||||||||||||||||||||||||||||||||||||||||||||||||||||||||||||||||||||||||||||||||||||||||||||||||||||||||||||||||||||||||||||||||||||||||||||||||||||||||||||||||||||||||||||||||||||||||||||||||||||||||||||||||||||||||||||||||||||||||||||||||||||||||||||||||||||||||||||||||||||||||||||||||||||||||||||||||||||||||||||||||||||||||||||||||||||||||||||||||||||||||||
,

,
,
,
, (6.1)











,

