Дипломная работа: Разработка монокристального монофункционального регулятора напряжения для бортовой сети автомобиля
|
Название: Разработка монокристального монофункционального регулятора напряжения для бортовой сети автомобиля Раздел: Рефераты по коммуникации и связи Тип: дипломная работа | |||||||||||||||||||||||||||||||||||||||||||||||||||||||||||||||||||||||||||||||||||||||||||||||||||||||||||||||||||||||||||||||||||||||||||||||||||||||||||||||||||||||||||||||||||||||||||||||||||||||||||||||||||||||||||||||||||||||||||||||||||||
Содержание 1. Введение 2. Структурная схема регулятора напряжения для бортовой сети автомобиля 2.1 Методы и способы регулирования напряжения в бортовой сети автомобиля 2.2 Метод регулирования напряжения с помощью широтно–импульсной модуляции 3. Разработка принципиальной электрической схемы регулятора напряжения 3.1 Генератор прямоугольных импульсов 3.2 Формирователь пилообразного напряжения 3.2.1 Т-триггер, построенный на основе интегрально-инжекционной логики 3.2.2 5 – ти разрядный счетчик на основе Т – триггеров 3.2.3 Резистивная матрица, формирующая пилообразное напряжение 3.3 Компаратор напряжения 3.4 Резистивный делитель напряжения 3.5 Блок защиты от перенапряжения в бортовой сети автомобиля 3.6 Датчик температуры 3.7 RS – триггер, управляющий работой выходного транзистора 3.8 Выходной каскад 3.9 Стабилизатор напряжения 4. Типовая схема включения регулятора напряжения в генераторную установку 5. Методика измерения и контроля параметров регулятора напряжения 6. Технологический маршрут изготовления монокристального регулятора напряжения 7. Заключение Список использованных источников 1. ВведениеВ связи с бурным развитием в настоящее время автомобильной промышленности наблюдается повсеместное развитие и разработка различных электронных устройств, используемых на борту автомобиля для выполнения определенных полезных функций. Очень важной задачей для используемых на борту автомобиля потребителей электрической энергии, а также для подзарядки аккумуляторной батареи является поддержание на постоянном уровне напряжения бортовой сети автомобиля. Превышение напряжения сверх допустимых пределов служит причиной перезаряда аккумуляторной батареи с последующим выходом ее из строя, пониженное напряжение вызывает недозаряд батареи. Например, увеличение напряжения на 10 % сверх номинального снижает срок службы ламп примерно на 50 %. Функцию поддержания на постоянном уровне напряжения выполняет регулятор напряжения бортовой сети автомобиля, встраиваемый, как правило, в генератор переменного тока, снабженного выпрямителем на обычных или лавинных диодах (стабилитронах). Регулятор напряжения представляет собой интегральную микросхему гибридного или монокристального исполнения, который может включаться в бортовую сеть автомобиля по различным схемам включения. В настоящее время существует большое разнообразие выпускаемых регуляторов напряжения для автомобильных бортовых электрических сетей с напряжением 14 В и 28 В с различным набором функций, которые можно разделить на два семейства: монофункциональные и мультифункциональные регуляторы напряжения. Данные регуляторы напряжения, изменяя величину тока в обмотке возбуждения генератора, поддерживают в заданных пределах напряжение на выходе генератора или в заданной точке бортовой электрической сети автомобиля, независимо от частоты вращения ротора генератора, тока нагрузки. Для обеспечения благоприятных режимов зарядки аккумуляторной батареи напряжение на ней в момент зарядки должно изменяться в зависимости от температуры электролита. Учитывая высокую техническую сложность контроля температуры электролита, изменения величины напряжения на батарее в момент зарядки добиваются введением зависимости, как правило, с отрицательным температурным коэффициентом напряжения настройки регулятора от температуры его корпуса. Величина температурного коэффициента различна для различных типов регуляторов и ее выбор зависит от типа аккумулятора, условий размещения генератора и аккумуляторной батареи, протяженности электрической сети от генератора до точки подключения аккумуляторной батареи. Рассмотренный регулятор напряжения должен удовлетворять следующим требованиям: 1.Напряжение настройки должно быть равно 14,1 ± 0,1 В; 2.Остаточное напряжение на выходном транзисторе не должно превышать 0,8 В; 3.Температурный диапазон работы микросхемы должен находиться в интервале температур от - 45 о С до + 100 о С; 4.Температурный коэффициент напряжения настройки должен составлять – 7,0 ± 1,5 мВ/ о С. 2. Структурная схема регулятора напряжения 2.1 Методы и способы регулирования напряжения в бортовой сети автомобиля Регулятор напряжения поддерживает напряжение бортовой сети в заданных пределах во всех режимах работы при изменении частоты вращения ротора генератора, электрической нагрузки, температуры окружающей среды. Кроме того, он может выполнять дополнительные функции - защищать элементы генераторной установки от аварийных режимов и перегрузки, автоматически включать в бортовую сеть цепь обмотки возбуждения или систему сигнализации аварийной работы генераторной установки. Все регуляторы напряжения работают по единому принципу. Напряжение генератора определяется тремя факторами - частотой вращения ротора, силой тока, отдаваемой генератором в нагрузку и величиной магнитного потока, создаваемой током обмотки возбуждения. Чем выше частота вращения ротора и меньше нагрузка на генератор, тем выше напряжение генератора. Увеличение силы тока в обмотке возбуждения увеличивает магнитный поток и с ним напряжение генератора, снижение тока возбуждения уменьшает напряжение. Все генераторы напряжения, отечественные и зарубежные, стабилизируют напряжение изменением тока возбуждения. Если напряжение возрастает или уменьшается регулятор соответственно уменьшает или увеличивает ток возбуждения и вводит напряжение в нужные пределы. Из рис. 2.1.1. видно, что регулятор 1 содержит измерительный элемент 5, элемент сравнения 3 и регулирующий элемент 4. Измерительный элемент воспринимает напряжение генератора и преобразует его в сигнал Uизм , который в элементе сравнения сравнивается с эталонным значением Uэт . Если величина Uизм отличается от эталонной величины Uэт , то на выходе измерительного элемента появляется сигнал Uo , который активирует регулирующий элемент, изменяющий ток в обмотке возбуждения так, чтобы напряжение генератора вернулось в заданные пределы.
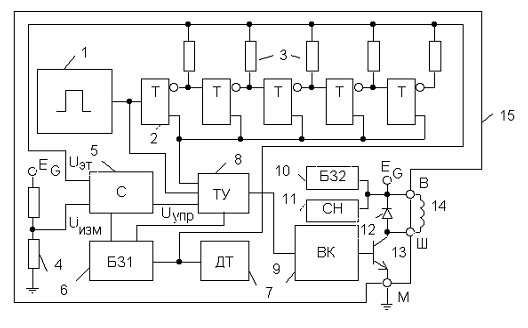
Рис. 2.1.1. Блок-схема регулятора напряжения (1 – регулятор; 2 – генератор; 3 – элемент сравнения; 4 – регулируемый элемент; 5 – измерительный элемент) Таким образом, к регулятору напряжения обязательно должно быть подведено напряжение генератора или напряжение из другого места бортовой сети, где необходима его стабилизация, например, от аккумуляторной батареи, а также подсоединена обмотка возбуждения генератора. Если функции регулятора расширены, то и число подсоединений его в схему растет. Чувствительным элементом электронных регуляторов напряжения является входной делитель напряжения. С входного делителя напряжение поступает на элемент сравнения, где роль эталонной величины играет обычно напряжение стабилизации стабилитрона. Особенностью автомобильных регуляторов напряжения является то, что они осуществляют дискретное регулирование напряжения путем включения и выключения в цепь питания обмотки возбуждения (в транзисторных регуляторах) или последовательно с обмоткой дополнительного резистора (в вибрационных и контактно-транзисторных регуляторах), при этом меняется относительная продолжительность включения обмотки или дополнительного резистора. Аккумуляторная батарея для своей надежной работы требует, чтобы с понижением температуры электролита напряжение, подводимое к батарее от генераторной установки, несколько повышалось, а с повышением температуры - понижалось. Для автоматизации процессов изменения уровня поддерживаемого напряжения применяется датчик, помещенный в электролит аккумуляторной батареи и включаемый в схему регулятор напряжения. В простейшем случае термокомпенсация в регуляторе подобрана таким образом, что в зависимости от температуры поступающего в генератор охлаждающего воздуха напряжение генераторной установки изменяется в заданных пределах. В рассмотренной схеме регулятора напряжения, как и во всех регуляторах аналогичного типа, частота переключений в цепи обмотки возбуждения изменяется по мере изменения режима работы генератора. Нижний предел этой частоты составляет 25-50 Гц. Имеется и другая разновидность схем электронных регуляторов, в которых частота переключения строго задана. Регуляторы такого типа оборудованы широтно-импульсным модулятором (ШИМ), который и обеспечивает заданную частоту переключения. Применение ШИМ снижает влияние на работу регулятора внешних воздействий, например, уровня пульсаций выпрямленного напряжения и т.п. В настоящее время все больше зарубежных фирм переходят на выпуск генераторных установок без дополнительного выпрямителя. Для автоматического предотвращения разряда аккумуляторной батареи при неработающем двигателе автомобиля в регулятор такого типа заводится фаза генератора. Регуляторы, как правило, оборудованы ШИМ, который, например, при неработающем двигателе переводит выходной транзистор в колебательный режим, при котором ток в обмотке возбуждения невелик и составляет доли ампера. После запуска двигателя сигнал с вывода фазы генератора переводит схему регулятора в нормальный режим работы. Перспективным является развитие мультифункционального класса регуляторов напряжения. Этот класс обладает следующим набором функций: 1. регулировка напряжения в удаленной от генератора точке бортовой электрической сети автомобиля; 2. диагностика состояния электрической связи генератора с удаленной контролируемой точкой; 3. диагностика отсутствия вращения ротора генератора; 4. диагностика короткого замыкания или разрыва цепи обмотки возбуждения генератора; 5. оценка величины допуска по напряжению в контролируемой точке и индикация ее результатов; 6. пассивная диагностика технического состояния генератора и индикация ее результатов. Эти регуляторы имеют защиту от импульсных перенапряжений в бортовой сети и от обратного включения аккумуляторной батареи. Типовой мультифункциональный регулятор выполнен по гибридной толстопленочной технологии. Широкое распространение также могут найти так называемые СР-регуляторы, которые представляют собой приборы высокой степени интеграции, имеющие вышеперечисленный набор функциональных возможностей, а также таймер и выключатель нагрузки. Также они характеризуются удвоенной величиной коэффициента температурной зависимости напряжения настройки и наличием режима плавного возбуждения. В данных регуляторах в случае увеличения падения напряжения в цепи связи выхода генератора и удаленной контролируемой точки бортовой сети выше допустимой величины или разрыва цепи, регулятор переходит на управление генератором путем регулирования напряжения на его выходе (местное регулирование). Режим плавного возбуждения генератора служит для стабилизации работы двигателя, особенно на оборотах до выхода на режим холостого хода (этап запуска двигателя). Процесс возбуждения генератора является лавинообразным и занимает достаточно короткий (по сравнению с запуском двигателя) промежуток времени, и заканчивается до того как двигатель выйдет на обороты холостого хода. В этом случае генератор, включенный в бортовую электрическую сеть, выполняет роль дополнительной нагрузки для двигателя, что затрудняет его запуск. СР – регуляторы после окончания работы таймера обеспечивают плавное нарастание среднего значения тока в обмотке возбуждения генератора от 0 до 100%. На этом этапе генератор вырабатывает и отдает в бортовую сеть меньше электрической энергии, чем требует подключенные потребители. Недостающую энергию в бортовую сеть отдает аккумулятор. Максимальная продолжительность промежутка плавного возбуждения генератора составляет порядка 10 с. На этапе плавного возбуждения генератора СР – регулятор следит за увеличением частоты вращения ротора; при достижении ротором частоты, равной 1800 об/мин процесс плавного возбуждения заканчивается. При запуске двигателя стартер одновременно с коленчатым валом двигателя раскручивает и ротор генератора. Поскольку обмотка возбуждения подключена к источнику питания (аккумуляторной батарее и/или выводу генератора), то одновременно с запуском двигателя начинается процесс возбуждения генератора. Генератор в этот момент является дополнительной нагрузкой для стартера, требующей от него дополнительной мощности, а от аккумуляторной батареи - дополнительного запаса электрической энергии. Таймер, введенный в состав СР-регуляторов, задерживает момент подключения обмотки возбуждения к источнику питания, соответственно, задерживая момент возбуждения генератора, и облегчая тем самым запуск двигателя. При наличии таймера требуется меньшая мощность стартера и меньшая емкость аккумуляторной батареи. СР-регуляторы напряжения и другие специальные мультифункциональные регуляторы носят возможность управлять выключателем нагрузки. Назначение выключателя нагрузки состоит в том, чтобы подключать или отключать от бортовой сети второстепенные электрические нагрузки. 2.2 Описание метода регулирования напряжения с помощью широтно-импульсной модуляции Данный метод основан на управлении транзистора импульсами с переменной скважностью при постоянной частоте этих импульсов. В зависимости от скважности импульсов производится регулирование протекающего через транзистор тока. То есть чем больше скважность (Q = Тпер /Ти ), тем более закрыт транзистор и тем меньший протекает через него ток и, наоборот, чем меньше скважность импульсов, тем более открыт транзистор и тем больший ток протекает через него. На данном принципе и основано регулирование напряжения в бортовой сети автомобиля. С помощью широтно-импульсной модуляции производится управление работой выходного транзистора, который производит регулирование тока, протекающего через обмотку возбуждения генератора, который в свою очередь определяет напряжение на фазовых обмотках генератора. Структурная схема регулятора напряжения, использующего данный метод, представлена на рис.2.2.1. Применение широтно-импульсной модуляции в данной схеме снижает влияние на работу регулятора внешних воздействий, например, уровня пульсаций выпрямленного напряжения и т.п. Сравнивая рис.2.2.1. с рис.2.1.1., можно провести аналогию: к измерительному элементу относится делитель напряжения 4, который формирует в зависимости от напряжения на входе микросхемы (на выходе генератора) определенный сигнал uизм . К элементу сравнения относятся следующие блоки: компаратор напряжения 5, цифровой счетчик 2 с резистивной матрицей 3, которые вместе формируют эталонное пилообразное напряжение. И, наконец, к регулирующему элементу относятся: триггерное устройство 8, выходной каскад 9, выходной транзистор 13, которые предназначены для изменения определенным образом тока, протекающего через обмотку возбуждения 14. Остальные блоки, расположенные на рис. 2.2.1., имеют какое-либо другое специальное или вспомогательное значение.
Рис.2.2.1. Структурная схема регулятора напряжения на основе ШИМ (1 – генератор прямоугольных импульсов; 2 – 5 – ти разрядный счетчик на Т-триггерах; 3 – резистивная матрица; 4 – резистивный делитель напряжения; 5 – компаратор напряжения; 6 – блок защиты 1; 7 – датчик температуры; 8 – триггерное устройство; 9 – выходной каскад; 10 – блок защиты 2; 11 – стабилизатор напряжения; 12 – гасящий диод; 13 – выходной n-p-n- транзистор; 14 – обмотка возбуждения генератора; 15 – интегральная микросхема регулятора напряжения) Регулятор напряжения, принцип действия которого основан на широтно-импульсной модуляции, работает следующим образом. Так как напряжение на выходе генератора сильно зависит от частоты вращения ротора генератора, величины тока через нагрузку, тока через обмотку возбуждения, то для регулирования и нормирования данного напряжения необходимо иметь эталонное напряжение, мало зависящее ото всех возможных факторов: питающего напряжения, тока нагрузки, величины магнитного потока в обмотке возбуждения и т.д. В рассматриваемом регуляторе напряжения роль такого устройства выполняют 5-ти разрядный счетчик цифровых импульсов на основе Т-триггеров 2, управление работой которых производится с помощью генератора прямоугольных импульсов 1 и резистивной матрицы 3, которые в совокупности формируют спадающее пилообразное напряжение. Данное пилообразное напряжение "насаживается" на постоянную составляющую, которая снимается с датчика температуры для согласования работы с компаратором напряжения 4. Так как перечисленные блоки питаются от стабилизатора напряжения 11, напряжение на выходе которого практически не зависит от внешних воздействий на регулятор, то пилообразное напряжение, формируемое данными блоками можно считать эталонным. Период "пилы" равен: Тпилы = Тген * 25 , где Тпилы – период спадающего пилообразного напряжения; Тген - период импульсов тактового генератора 1. Далее, для того чтобы произвести приведение в норму напряжения в бортовой сети автомобиля (в случае отклонения от номинального в ту или иную сторону) необходимо произвести сравнение напряжения в бортовой сети с эталонным напряжением uэт . для этой цели может быть служить компаратор напряжения 5, на один вход которого подается эталонное напряжение с формирователя пилообразного напряжения, а на другой – напряжение с резистивного делителя напряжения 4, предназначенного для формирования измерительного сигнала uизм , удобного для работы компаратора напряжения 5 и согласованного с постоянной составляющей эталонного пилообразного напряжения. После сравнения эталонного напряжения с напряжением в сети автомобиля необходимо осуществить управление регулирующим элементом. Для управления регулирующим элементом – выходным транзистором предназначены триггерное устройство 8 и выходной каскад 9. В зависимости от результата сравнения компаратором напряжения 5 могут быть следующие результаты: 1) Если напряжение на входе микросхемы больше номинального напряжения, то делитель напряжения 4 формирует такой сигнал на входе компаратора, при котором на его выходе возникает уровень, закрывающий выходной транзистор 13, но для проверки работоспособности выходного транзистора цифровым счетчиком 2 образуется короткий импульс, равный времени в 1,5 раза большее, чем период тактовой частоты (благодаря управляющему RS-триггеру). Если пренебречь этим коротким импульсом, то можно считать, что выходной транзистор будет полностью закрыт. В результате этого тока через обмотку возбуждения протекать не будет и напряжение в бортовой сети будет падать до тех пор пока не достигнет нормы. 1) Если напряжение на входе микросхемы будет меньше номинального, то делитель напряжения 4 сформирует сигнал на входе компаратора, при котором на его выходе возникает уровень, полностью открывающий выходной транзистор 13. В результате того, что выходной транзистор будет полностью открыт, через него, а, следовательно, и через обмотку возбуждения потечет ток, практически определяемый параметрами обмотки возбуждения. Из-за протекания этого тока по обмотке возбуждения напряжение на выходе генератора начнет повышаться. 2) Если напряжение на входе микросхемы будет соответствовать номинальному, то компаратор напряжения 5 сработает посередине периода пилообразного напряжения и на выходе компаратора будет наблюдаться сигнал частотой 1/Тпилы и со скважностью 2. Такой же сигнал будет и на выходном транзисторе 13. Напряжение, соответствующее данному режиму, называется напряжением настройки. Для данного регулятора напряжения настройки должно быть равно uнастр = 14, 1 В ± 0,1 В. Соотношение эталонного пилообразного напряжения, напряжения на выходе резистивного делителя напряжения и напряжения на базе выходного транзистора приведены на рис. 2.2.2. 3) Если напряжение на входе микросхемы будет незначительно отличаться от номинального в ту или иную сторону, то компаратор сработает по "пиле" ранее или позднее ее середины, что будет соответствовать частоте на выходе компаратора 5 и на базе выходного транзистора 13 со скважностью меньшей 2 и большей 2, соответственно. В случае Q < 2 длительность импульса будет больше длительности паузы, то есть выходной транзистор будет больше открыт, чем в случае, соответствующем напряжению настройки на входе микросхемы. Таким образом, ток через обмотку возбуждения будет увеличен и напряжение в сети также увеличено. В случае Q > 2, наоборот, длительность паузы больше длительности импульса, то есть выходной транзистор будет больше закрыт, чем в случае, соответствующем напряжению настройки (Q = 2). Таким образом, ток через обмотку возбуждения будет уменьшен и напряжение в сети также уменьшено.
Рис. 2.2.2. Диаграмма, соответствующая напряжению настройкиДля повышения надежности и долговечности работы аккумуляторной батареи необходимо предусмотреть температурную зависимость изменения напряжения настройки (чаще всего отрицательного). Для этих целей в данном регуляторе напряжения предусмотрен датчик температуры 7, который определяет температурный коэффициент напряжения настройки (ТКН). Работа этого узла основана на изменении под влиянием температуры окружающей среды напряжения постоянной составляющей пилообразного напряжения, то есть уровня эталонного напряжения. Благодаря этому напряжение настройки будет изменяться при изменении температуры окружающей среды. При отрицательном ТКН при увеличении температуры будет наблюдаться уменьшение значения напряжения настройки и, наоборот.
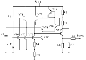
Рис. 2.2.3. Диаграммы, поясняющие работу регулятора напряжения при незначительном отклонении напряжения в сети от напряжения настройки В рассматриваемом регуляторе напряжения также предусмотрен ряд защит: от перенапряжения в сети, от высоковольтных коротких по времени импульсов, "проскакивающих" по бортовой сети автомобиля, от опасных всплесков напряжения в бортовой сети, возникающих из-за обрыва цепи обмотки возбуждения, которая имеет значительную индуктивность. Функцию защиты от перенапряжений в сети выполняет блок защиты 1 – 6. При повышении напряжения в сети выше определенного уровня компаратор 5 на блок защиты 1 подает соответствующий сигнал, который блокирует работу триггерного устройства и выходной транзистор 13 полностью закрывается, в результате чего ток через обмотку возбуждения прекращается и напряжение на выходе генератора будет падать. 2-ую защиту выполняет блок защиты 2, который реагирует на высоковольтные импульсы, защищая выходной транзистор от выхода из строя. И, наконец, 3-ю защиту выполняет мощный диод 12. Этот диод при закрытии выходного транзистора 13 предотвращает опасные всплески напряжения, возникающие из-за обрыва цепи обмотки возбуждения со значительной индуктивностью. В этом случае ток обмотки возбуждения может замыкаться через этот диод и опасных всплесков напряжения не происходит. Поэтому этот диод носит название гасящего. Стабилизатор напряжения 11 предназначен для питания всех блоков кроме выходного каскада 9. 3. Разработка принципиальной электрической схемы и особенности структуры элементов монокристального регулятора напряжения 3.1 Генератор прямоугольных импульсов Генератор прямоугольных импульсов предназначен для формирования импульсов прямоугольной формы, которые необходимы для подачи их на цифровую часть микросхемы с целью получения сигналов прямоугольной формы разной частоты. Принципиальная электрическая схема генератора прямоугольных импульсов приведена на рис. 3.1.1. Данная схема питается от стабилизатора напряжения с выходным напряжением uпит = 5,7 В. Рассматриваемый генератор обеспечивает на выходе импульсы прямоугольной формы частотой f = 2 кГц и скважностью Q ~ 2. Работа генератора основана на заряде – разряде конденсатора С1. Время заряда и разряда конденсатора, а, следовательно, время импульса и время паузы определяются величиной емкости конденсатора С1 и параметрами p-n-p- и n-p-n- транзисторов (в основном внутренними сопротивлениями транзисторов). Схема генератора прямоугольных импульсов работает следующим образом. В начальный момент, когда конденсатор С1 разряжен, транзистор VT10 закрыт, то потенциал на базе транзистора VT5 определяется делителем напряжения R2, R3 и R7 и будет определяться как uб
(VT5) =
Рис. 3.1.1. Принципиальная электрическая схема ГПИ При uпит = 5,7 В получаем: Таблица 3.1.1
Таблица 3.1.2
Таблица 3.1.3
uб
(VT5) = Так как VT10 закрыт, то на выходе генератора будет присутствовать низкое напряжение. Далее через транзистор VT1 конденсатор С1 будет заряжаться до напряжения, присутствующего на базе транзистора VT5 (4,7 В). При достижении на нем этого напряжения произойдет срабатывание компаратора на транзисторах VT4 и VT5. Одновременно будет повышаться потенциал на коллекторах транзисторов VT7 и VT8, что приведет к открытию транзистора VT10 и увеличению напряжения на выходе генератора, которое будет определяться номиналами резисторов R2, R3, R6 и величиной нагрузки. При подключении генератора к цифровой части микросхемы, использующей принципы интегрально-инжекционной логики, напряжение на выходе будет приблизительно равняться 0,7 – 0,8 В. При срабатывании компаратора и транзистора VT10 будет наблюдаться процесс разряда конденсатора С1 через транзисторы VT7, VT4, VT9 и резистор R5, которые и будут определять время разряда конденсатора С1. Напряжение на конденсаторе будет уменьшаться до последующего срабатывания компаратора на транзисторах VT4 и VT5, то есть до потенциала, находящегося на базе транзистора VT5, который при открытом транзисторе VT10 будет определяться как uб (VT5) = VR 3 + VКЭ + VR 6 . Если пренебречь падением напряжения на открытом транзисторе VT10 и при Rнагр → ∞, то uб
(VT5) = При достижении данного напряжения будет происходить процесс, обратный вышеизложенному, то есть потенциалы на коллекторах транзисторов VT7 и VT8 уменьшается, транзистор VT10 закроется, напряжение на выходе генератора будет примерно равно нулю. Диод VT11, выполненный на эмиттерном p-n- переходе n-p-n-транзистора и резистор R1 служат для задания режима работы транзисторов VT6 – VT9. В интегральном исполнении нормировка токов, определяющих токи зарядки и разрядки конденсатора С1 реализована благодаря различным площадям эмиттеров транзисторов VT6 – VT9. Площади эмиттеров транзисторов VT6 и VT9 в 2 раза больше, чем у транзисторов VT7 и VT9. Транзисторы VT1 – VT3 p-n-p- типа выполнены в латеральном (горизонтальном) исполнении с эмиттерами прямоугольной формы. Для анализа работы данного генератора проведем моделирование его работы в программе DesignLab8.0. При моделировании p-n-p- транзисторы с двумя коллекторами для простоты анализа заменили двумя идентичными p-n-p- транзисторами с одним коллектором. При этом базы и эмиттеры этих транзисторов объединили. Для анализа работы генератора определим выходной сигнал в зависимости от изменения температуры, окружающей среды, емкости конденсатора С1, разброса номиналов резисторов в сторону увеличения и уменьшения от номинальных. Зависимость частоты выходного сигнала от температуры отображена в таблице 3.1.1. Зависимость частоты выходного сигнала от емкости конденсатора приведена в таблице 3.1.2. Зависимость частоты выходного сигнала от разброса номиналов резисторов приведена в таблице 3.1.3. Как видно из таблиц 3.1.1. – 3.1.2. частота выходного сигнала довольно сильно зависит от влияющих на схему факторов, что говорит о необходимости соблюдения точности технологических процессов. На рис. 3.1.1. приведены диаграммы, поясняющие работу генератора прямоугольных импульсов.
Рис. 3.1.1. Диаграммы, поясняющие работу генератора прямоугольных импульсов (1 – напряжение на конденсаторе С1; 2 – напряжение на базе транзистора VT10; 3 – напряжение на базе транзистора VT5; 4 – напряжение на выходе генератора) 3.2 Формирователь пилообразного напряжения 3.2.1 Т- триггер, построенный на основе интегрально-инжекционной логики Т – триггер, называемый часто счетным триггером, характеризуется таблицей состояний 3.2.1.1. Таблица 3.2.1.1. Таблица состояний Т – триггера
Состояние его выхода меняется на противоположное при поступлении на вход счетного сигнала Т = 1 и сохраняется неизменным при Т = 0. В соответствии с таблицей 3.2.1.1. характеристическое уравнение Т – триггера имеет вид Qn
+1
= Принципиальная электрическая схема Т – триггера приведена на рис. 3.2.1.1. Диаграммы, поясняющие работу Т – триггера, приведены на рис. 3.2.1.2. Как видно из рис. 3.2.1.2. на выходах Т – триггера появляется частота в 2 раза меньшая, чем на входе, то есть Т – триггер – это делитель частоты на 2. В микросхеме регулятора напряжения Т – триггеры в составе цифровой части микросхемы выполнены на основе интегрально – инжекционной логике, которая обеспечивает высокое быстродействие, малые напряжения питания, потребляемую мощность. Учитывая тяжелые тепловые условия работы микросхемы для повышения стабильности и надежности работы транзистора с инжекционным питанием в данном случае применено питание n-p-n- транзистора не с помощью инжектора, а с помощью отдельно-размещенного p-n-p- транзистора, имеющего индивидуальное питание, которое позволяет исключить перекос в питании в результате технологического разброса параметров физической структуры интегрально-инжекционной логики, который имеет место в случае инжекторного питания.
Рис. 3.2.1.1. Принципиальная электрическая схема Т-триггера
Рис. 3.2.1.2. Диаграммы работы Т- триггера
Рис. 3.2.1.3. Принципиальная электрическая схема логического элемента И-НЕ Схема питания транзистора в составе интегрально-инжекционной логики приведена на рис. 3.2.1.3. 3.2.2 5 – ти разрядный счетчик на основе Т – триггеров Рассмотренный ниже 5 – ти разрядный счетчик предназначен для формирования импульсов прямоугольной формы с различной частотой (периодом). В данном случае счетчик выполнен на счетных Т – триггерах, которые были описаны в п. 3.2.1. Принципиальная электрическая схема счетчика приведена на рис. 3.2.2.1.
Рис. 3.2.2.1. Принципиальная электрическая схема 5- ти разрядного счетчика Как видно из рис. 3.2.2.1. счетчик цифровых импульсов состоит из 5 – ти Т – триггеров. Тактируется данный счетчик непосредственно от генератора прямоугольных импульсов (приведен в п. 3.1.) с частотой импульсов порядка 2 кГц. Данный счетчик является делителем частоты на 32 (25
) с выводами от каждого разряда. С прямых выходов Т – триггеров (Q) сигнал снимается и подается на триггерное устройство, управляющее работой выходного каскада и транзистора. С инверсных выходов Т – триггеров ( Логические элементы I – V предназначены для начальной установки Т – триггеров. На их входы подается сигнал установки и сброса R. Данные элементы используются только при моделировании данного узла. В составе микросхемы они как таковые не присутствуют. Диаграммы, поясняющие работу 5 – ти разрядного счетчика приведены на рис. 3.2.2.2.
Рис. 3.2.2.2. Диаграммы, поясняющие работу 5 – ти разрядного счетчика 3.2.3 Резистивная матрица, формирующая пилообразное напряжение Резистивная матрица необходима для формирования эталонного сигнала пилообразной формы. Принципиальная электрическая схема резистивной матрицы приведена на рис. 3.2.3.1. Рассматриваемая матрица из резисторов работает следующим образом. Учитывая то, что сигналы снимаются с инвертирующих выходов Т – триггеров ( Аналогичным образом будут происходить процессы при срабатывании следующих Т – триггеров. Временное изменение сигнала на выходе R – матрицы показано на рис. 3.2.3.2.
Рис. 3.2.3.1. Принципиальная электрическая схема счетчика с резистивной матрицей
Рис. 3.2.3.2. Пилообразное напряжение на выходе R – матрицы Форма сигнала, показанная на рис. 3.2.3.2. обеспечивается подбором номиналов резисторов R9 – R15, R17 – R20. Для согласования эталонного пилообразного напряжения с работой компаратора (п. 3.3.) данное напряжение "насаживается" на постоянный уровень температурно-зависимого напряжения, снимаемого с датчика температуры (или блока, задающего температурный коэффициент напряжения). Уровень этого напряжения лежит в пределах 1,9 – 2,0 В. размах "пилы" составляет 15 – 16 мВ. Для оценки работоспособности R – матрицы в программе DesignLab8.0. проведем анализ зависимости размаха "пилы", который влияет на величину отклонения регулируемого напряжения в бортовой сети автомобиля (на точность настройки), от пропорционального отклонения номиналов резисторов, что характерно для микроэлектронной технологии, и уровня напряжения, подаваемого с датчика температуры. Результаты расчетов зависимости размаха "пилы" от отклонения номиналов резисторов приведены в таблице 3.2.3.1. Таблица 3.2.3.1
Как видно из таблицы 3.2.3.1. пропорциональное изменение номиналов сопротивлений ведет к слабому изменению размаха "пилы". Причем увеличение величины R/Rном ведет к уменьшению размаха "пилы". Далее проведем анализ зависимости размаха "пилы" от постоянной составляющей напряжения, подаваемой с датчика температуры. Результаты этих расчетов сведены в таблицу 3.2.3.2. Таблица 3.2.3.2
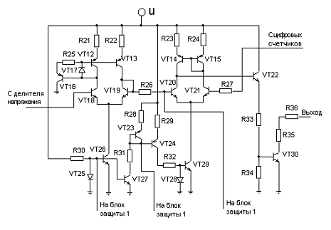
По результатам таблицы 3.2.3.2. можно судить о прямопропорциональном увеличении размаха "пилы" с увеличением напряжения, снимаемого с датчика температуры. 3.3 Компаратор напряжения Компаратор напряжения выполняет функцию сравнения двух напряжений и в зависимости от результата сравнения выдает на своем выходе тот или иной сигнал. В схеме регулятора напряжения компаратор нужен для сравнивания напряжений, снимаемых с измерительного элемента – резистивного делителя напряжения (п. 3.4.) и формирователя эталонного пилообразного напряжения. Выход компаратора напряжения подключен к управляющему триггерному устройству (п.3.7.). Принципиальная электрическая схема компаратора напряжения, используемого в рассматриваемом регуляторе напряжения, приведена на рис.3.3.1. Компаратор напряжения состоит из 2–х пар n-p-n-транзисторов, включенных по схеме дифференциальных каскадов (VT18-VT21). Базы транзисторов VT19 и VT20 через резистор R26 соединен между собой. Блок транзисторов VT18 и VT21 служат входами компаратора. На транзистор VT18 подается сигнал с резистивного делителя напряжения, а на базу транзистора VT21 через резистор R27 подается эталонное напряжение с формирователя "пилы". Узлы, собранные на транзисторах VT12 – VT17 и резисторах R21 – R25 предназначены для регулирования и нормирования токов, протекающих через транзисторы VT18 – VT21. К общим точкам эмиттеров транзисторов VT18 – VT21 на землю подключены источники тока, собранные на транзисторах VT26 и VT29 n-p-n- типа, режимы работы которых задаются с помощью транзисторов VT23 – VT25, VT27 – VT28 и резисторов R28 – R32. Результирующее напряжение снимается со 2 – го дифференциального каскада с коллектора транзистора VT20 и подается на транзистор VT22, который и управляется данным сигналом. Выходное напряжение снимается с делителя напряжения R33 – R34 и подается на базу транзистора VT30, который совместно с резисторами R35 и R36 предназначены для согласования работы аналоговой части схемы с цифровой частью (интегрально – инжекционной логикой). С баз транзисторов VT24 – VT26 снимаются напряжения для задания режимов работы блока защиты 1 от перенапряжения в бортовой сети автомобиля. С базы транзистора VT 20 снимается сигнал, управляющий работой блока защиты 1. Компаратор напряжения работает следующим образом. Положим напряжение на базе транзистора VT18 (на выходе делителя напряжения) статичным во времени, а на базе транзистора VT21 изменяющимся во времени. Если напряжение на базе транзистора VT21 выше, чем на базе транзистора VT18, то на коллекторе транзистора VT20 присутствует потенциал, достаточный для открытия транзистора VT22 и, соответственно увеличения напряжения на базе транзистора VT30, в результате чего на выходе компаратора будет присутствовать низкий логический уровень ("0"). В определенный момент времени транзистор VT21 закроется из-за уменьшения напряжения на его базе. Из-за этого закроется транзистор VT20 (благодаря токовому зеркалу VT14-VT15) и потенциал на его коллекторе увеличится, что приведет к закрытию транзистора VT22 и уменьшению потенциала на базе транзистора VT30, который закроется и на выходе компаратора будет присутствовать уровень логической "1", который приведет к переключению триггерного устройства.
Рис. 3.3.1. Принципиальная электрическая схема компаратора напряжения Работа компаратора была смоделирована и проверена на ПЭВМ в программе DesignLab8.0. Питание компаратора – от стабилизатора напряжения (п. 3.9.) с напряжением стабилизации 5,7 В. 3.4 Резистивный делитель напряжения Резистивный делитель напряжения выполняет функцию измерительного элемента, который производит считывание и преобразование напряжения в бортовой сети автомобиля. Принципиальная электрическая схема делителя напряжения приведена на рис. 3.4.1. Делитель напряжения представляет собой последовательную цепочку резисторов. Часть резисторов в первоначальный момент закорочена тонкими металлическими перемычками, которые при пропускании через них электрического тока порядка 1 А перегорают, тем самым вводя в работу делителя напряжения определенный резистор. С резистора R48 снимается преобразованное измеренное напряжение в бортовой сети автомобиля, величина и порядок которого выбирается исходя из согласования с работой компаратора. Перемычки на резисторах предназначены для настройки регулятора на номинальное напряжение настройки (Q = 2 ± 0,1), равное 14,1 ± 0,1 В. Резисторы в делителе напряжению имеют определенный вес от общей величины сопротивления всей резистивной цепочки для удобства настройки на нужную величину напряжения. Для анализа процесса настройки делителя напряжения перейдем к схеме делителя напряжения, показанной на рис. 3.4.2. Максимальное сопротивление резистора R*
при всех разомкнутых перемычках R Uвых
= где Uвх1 – напряжение первоначальной настройки. При Uвх = 14,1 В ± 0,1 В напряжение на выходе делителя должно сохраняться таким же, как и при Uвх1 . Этого можно достигнуть путемпережигания соответствующих перемычек.
Таким образом, получаем:
при R RX
= Далее определим величину изменения резистора R1: ∆R = RX
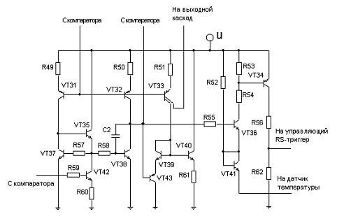
- R ∆R набирается путем пережигания перемычек между контактными площадками 5 – 6, 6 – 7, 7 – 8, 8 – 9, 9 – 10, 10 – 11, 11 – 12 током порядка 1,5 А по принципу включения наибольшего веса, находящегося в ∆R. Стабилитрон, выполненный на обратносмещенном p-n-переходе с напряжением стабилизации UСТАБ = 6,5 В – 7 В предназначен для защиты от перенапряжения на выходе резистивного делителя. Топологически резисторы в составе делителя напряжения выполнены в виде линейки, расположенной вместе с контактными площадками для пережига на периферии кристалла. Резисторы образованы в результате диффузии резистивного материала в кремний с поверхностным сопротивлением RS РЕЗ = 2,0 кОм/□. 3.5 Блок защиты от перенапряжений в бортовой сети автомобиля Рассмотренный ниже блок защиты 1 предназначен для защиты бортовой сети автомобиля от перенапряжений в ней. В этом случае при превышении напряжения в бортовой сети выше определенного уровня (порядка 18 – 20 В) данным блоком вырабатывается сигнал, подаваемый на триггерное устройство (п. 3.7.), который полностью блокирует работу схемы, закрывая выходной транзистор и тем самым полностью прекращая протекание тока через обмотку возбуждения генератора. После уменьшения напряжения в бортовой сети работоспособность схемы автоматически восстанавливается. Принципиальная электрическая схема блока защиты от перенапряжений в бортовой сети автомобиля отображена на рис. 3.5.1. Данный блок защиты работает следующим образом. Когда напряжение в бортовой сети автомобиля не превышает определенного значения, то с выхода компаратора снимается напряжение, недостаточное для открытия транзисторов VT36 и VT34, то есть эти транзисторы закрыты и в средней точке делителя напряжения R56 и R62 оказывается низкое напряжение, соответствующее логическому "нулю". В случае превышения напряжения на блок защиты подается напряжение, которое открывает транзистор VT36, а затем и транзистор VT34. В результате этого падение напряжения на транзисторе VT34 уменьшается, а на выходе блока увеличивается до логической "1", которая и блокирует работу всей схемы. На базы транзисторов VT42, VT31–VT33 подается напряжение с компаратора, необходимое для задания режимов работы блока защиты. Со второго коллектора транзистора VT33 снимается напряжение и подается на выходной каскад (см. п. 3.8.) также для задания режимов его работы. Эмиттер транзистора VT41 подключается к датчику температуры. Этим обеспечивается зависимость полного закрытия выходного транзистора от температуры. То есть, если учесть отрицательный температурный коэффициент напряжения, снимаемого с датчика температуры, то с увеличением температуры будет падать потенциал на коллекторе транзистора VT41, что будет говорить о необходимости меньшего потенциала на базе транзистора VT36, нужного для его открытия, то есть этим самым будет обеспечиваться закрытие выходного транзистора с повышением температуры при меньших напряжениях в бортовой сети автомобиля, и, наоборот.
Рис. 3.5.1. Принципиальная электрическая схема блока защиты от перенапряжений Напряжение питания данного блока равняется 5,7 В. Работа блока защиты была смоделирована и проверена на ПЭВМ в программе DesignLab8.0. В результате моделирования выявлено напряжение срабатывания рассматриваемого блока. Оно равняется U = 20 В. 3.6 Датчик температуры Датчик температуры, или блок, задающий температурный коэффициент напряжения настройки (uнастр ) служит для реализации температурной зависимости регулируемого напряжения в бортовой сети автомобиля, что необходимо для комфортной и надежной работы аккумуляторной батареи. В используемом в регуляторе напряжения полупроводниковом датчике температуры реализуется принцип температурной зависимости разности напряжений база-эмиттер. Принципиальная электрическая схема датчика температуры отображена на рис. 3.6.1. Данный датчик температуры работает на следующем принципе. Как видно из рисунка 3.6.1. токи, протекающие через транзисторы VT53 BVT54, будут определяться следующим образом. I53
= IS
53
I54
= IS
54
где IS 53 и IS 54 – токи насыщения эмиттерных переходов транзисторов VT53 и VT54, соответственно, Vбэ53 и Vбэ54 – падения напряжений на эмиттерных переходах транзисторов VT53 и VT54, соответственно. Из (3.6.1.) и (3.6.2.) следует, что VT
=Vбэ53
- Vбэ54
= ΔVбэ
= I53 = Iэ53 *α53 (3.6.4.) I54 = Iэ54 *α54 (3.6.5.) где α53 и α54 – коэффициенты передачи по току в схеме с ОБ. Подставив (3.6.4.) и (3.6.5.) в (3.6.3.), получим VT
=Vбэ53
- Vбэ54
= ΔVбэ
= То есть из (3.6.6.) видно, что разность напряжений на эмиттерных переходах двух транзисторов прямопропорциональна абсолютной температуре (VT – температурно-зависимое напряжение).
Рис. 3.6.1. Принципиальная электрическая схема датчика температуры В интегральном исполнении транзисторы VT53 и VT54 получаются идентичными, поэтому α53 = α54 и IS 53 = IS 54 , что приводит к следующему выражению VT
=Vбэ53
- Vбэ54
= ΔVбэ
= В данном регуляторе напряжения температурный коэффициент напряжения обеспечивается разной площадью элементов транзисторов VT53 и VT54, обеспечивая тем самым различие эмиттерных токов IЭ53 и IЭ54 . Топологически транзисторы VT53 и VT54 выполнены в виде вертикальных n-p-n-транзисторов с прямоугольными геометрическими размерами. Разность площадей эмиттеров обеспечивается параллельным включением нескольких эмиттеров. Суммарная площадь эмиттера транзистора VT54 в 4 раза больше площади эмиттера транзистора VT53. Так как площадь транзистора VT54 больше площади транзистора VT53, то IЭ54 = 4 IЭ53 , то есть IЭ53 / IЭ54 =1/4. ТогдаVT
=Vбэ53
- Vбэ54
= ΔVбэ
= - Что обеспечивает отрицательный температурный коэффициент напряжения (ТКН) данного блока. Этот принцип построения датчика температуры построен на транзисторах VT47, VT48, VT51 – VT56, резисторах R67 – R72. Транзисторы VT47 и VT48 p-n-p-типа задают режим работы транзисторов VT53 и VT54. Остальные транзисторы данного блока VT44 –VT46, VT49 и VT50 и резисторы R63 – R66 предназначены для формирования определенного уровня напряжений на выходе датчика температуры. Конструкцией этого узла предусмотрено переключение с одного значения на другое путем включения в работу резистора К72 с помощью пережига током порядка 1 А металлизированной перемычки, закорачивающей резистор R72 на "землю". Для анализа работы рассматриваемого датчика температуры проведем расчет зависимостей температурного коэффициента напряжения от параметров транзисторов n-p-n-типа и отклонений номиналов резисторов (пропорциональных) как в сторону увеличения, так и в сторону уменьшения от номинальных значений. В таблице 3.6.1. приведена зависимость ТКН от сквозного тока насыщения n-p-n- транзисторов. В таблице 3.6.2. приведена зависимость ТКН от прямого коэффициента усиления n-p-n- транзисторов. Результаты изменения номиналов резисторов занесены в таблицу 3.6.3. Также проведем расчет температурного коэффициента напряжения при изменении номиналов резисторов и при отсутствии перемычки на резисторе R72 (рис.3.6.1.). Результаты данного расчета приведены в таблице 3.6.4. Как видно из снятых зависимостей наибольшую зависимость ТКН имеет от тока насыщения n-p-n- транзисторов, от пропорционального изменения номиналов резисторов. От параметров p-n-p- транзисторов ТКН зависит очень слабо. Включение резистора R72 в работу схемы ведет к уменьшению температурного коэффициента напряжения. Таблица 3.6.1
Примечание. В таблице 3.6.1. указаны токи насыщения транзисторов VT44 – VT46, VT49 – VT50. Токи насыщения транзисторов VT53, VT55 – VT56 равны указанным умноженным на 2, что обеспечивается при моделировании на ПЭВМ параллельным включением 2-х одинаковых n-p-n-транзисторов, а транзистора VT54 равны указанным умноженным на 8 (8 параллельно включенных n-p-n-транзисторов). Таблица 3.6.2
Таблица 3.6.3
Таблица 3.6.4
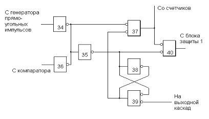
3.7Триггерное устройство Триггерное устройство предназначено для управления работой выходного каскада (см. п. 3.8.) и выходного транзистора VT73. Принципиальная электрическая схема триггерного устройства показано на рис. 3.7.1. Как видно из рис. 3.7.1. основной составляющей триггерного устройства является Таблица истинности RS – триггера представлена в таблице 3.7.1. Элементы 34 – 37 и 40 носят второстепенный характер и предназначены для согласования работы блоков, сигналы с которых подаются на данное триггерное устройство, с самим триггерным устройством, то есть для выполнения определенных функций последним. Рассмотрим работу данного узла подробнее. Работа этого блока была смоделирована на ПЭВМ в программе DesignLab8.0. Предположим, что в начальный момент времени на вход логического элемента 36 подается низкий уровень ("0") – компаратор в первоначальном состоянии, и на элемент 40 также подается логический "0", что говорит о не превышении напряжения в бортовой сети автомобиля определенного уровня (~ 18 В). В этом случае работа В следующий момент времени, когда на элемент 37 будет подана логическая "1" (в случае, когда все Т – триггеры приняли сосчитанное состояние) на входе элемента 39 будет логический "0", а на входе элемента 38 – логическая "1", что определит, в соответствии с таблицей истинности, на выходе элемента 39 логическую "1". Теперь, если на выходе компаратора сигнал изменится с "0" на "1", то изменится сигнал, подаваемый на вход элемента 38, что приведет к переключению триггера с логического "0" на логическую "1". В случае превышения напряжения в бортовой сети автомобиля свыше 18 В на вход элемента 40 будет подана логическая "1", которая, поступив на В результате этого на выходе элемента 39 будет находиться логический "0", который будет удерживаться до тех пор пока на входе элемента 40 сигнал не изменит свое состояние на противоположное ("0") независимо от сигналов, подаваемых на другие входы триггерного устройства. На рис. 3.7.2. приведены диаграммы работы триггерного устройства.
Рис. 3.7.1. Принципиальная электрическая схема триггерного устройства
Рис. 3.7.2. Диаграммы, поясняющие работу триггерного устройства а) напряжение в бортовой сети выше номинального (Uном < U < Uпред ); б) напряжение в бортовой сети сравнимо с номинальным; в) напряжение в бортовой сети меньше номинального; г) напряжение в бортовой сети намного больше номинального (U > Uпред ) 3.8 Выходной каскад Выходной каскад выполняет функцию элемента, согласующего работу маломощной интегрально-инжекционной логики (управляющего триггерного устройства) с мощным выходным транзистором n-p-n- типа. Принципиальная электрическая схема выходного каскада отображена на рис. 3.8.1. Как видно из рис. 3.8.1. режим работы выходного каскада задается подачей сигнала, снимаемого с блока защиты 1 и подаваемого на транзистор VT67, который в свою очередь регулирует работу транзистора p-n-p- типа VT62 и n-p-n- типа VT68 и VT69. Управляющий сигнал, снимаемый с триггерного устройства подается на базы транзисторов VT69 и VT71 и который в зависимости от своего состояния (высокий или низкий уровень) открывает либо закрывает составной транзистор (транзистор Дарлингтона) VT63-VT64-VT65. Когда транзистор VT65 закрыт (на входе высокий уровень) транзистор VT72 также будет закрыт, а мощный выходной транзистор VT73 открыт, что будет сопровождаться протеканием высокого тока через обмотку возбуждения генератора. В противном случае (низкий уровень на входе) транзистор VT72 будет открыт, но выходной транзистор VT73 будет закрыт. Таким образом обеспечивается ключевой режим работы выходного транзистора VT73. Мощный диод VD6, который называется диодом гашения (или гасящим диодом), предназначенным для подавления всплесков напряжения, возникающих на обмотке возбуждения генератора. На транзисторе VT74, диодах VD7-VD11 и резисторе R89 собран блок защиты 2 от импульсных перенапряжений (всплесков) в бортовой сети автомобиля. Питание выходного каскада осуществляется непосредственно от аккумуляторной батареи, либо от генератора переменного тока в комплекте с диодным (стабилитронным) выпрямителем.
Рис. 3.8.1. Принципиальная электрическая схема выходного каскада
Рис. 3.8.2. Модернизированная принципиальная электрическая схема выходного каскада Учитывая то, что данный регулятор напряжения выполнен в виде монокристальной полупроводниковой микросхемы, через выходной транзистор которого протекают значительные токи (до 5 А), приводящие к сильному разогреву кристалла встает вопрос об уменьшении протекающих токов через структуры микросхемы, уменьшения напряжения насыщения выходного транзистора. В связи с этим предложена модернизированная схема выходного каскада, обеспечивающая снижение протекающих токов и напряжения насыщения выходного транзистора. Модернизированная принципиальная электрическая схема выходного каскада приведена на рис. 3.8.2. Схема, отображенная на рис.3.8.2. отличается от базовой схемы следующим. В момент подачи на вход выходного каскада (базы транзисторов VT69 и VT71) высокого уровня транзистор VT65, также как в первом случае будет закрыт и на резисторе R86 будет невысокое напряжение, которого недостаточно для открытия транзисторов VT72 и VT76. В результате этого через резистор R91 = 2 кОм будет протекать небольшой ток, а транзистор VT75 будет открыт и через него, резистор R88 и выходной транзистор VT73 будет протекать относительно высокий ток (~ 220 мА), который откроет транзистор VT73, открытие которого будет также поддерживаться закрытым транзистором VT76. Теперь в случае подачи на вход выходного каскада низкого уровня, также как и в первом случае, транзистор VT65 будет открыт и на резисторе R86 будет напряжение, достаточное для открытия транзисторов VT72 и VT76. Так как на базе транзистора VT75 будет низкий потенциал, то он будет закрытым, что будет обеспечивать протекание тока через резистор R88 низкого значения. Открытый транзистор VT76, находящийся в режиме насыщения не будет обеспечивать открытие транзистора VT73. Таким образом, этим усовершенствованием добиваются протекания большого тока через резистор R88 = 60 Ом только в случае открытия выходного транзистора VT73. В случае закрытого выходного транзистора VT73 ток протекает через резистор R91 = 2 кОм, что гораздо меньше R = 60 Ом и что обеспечивает протекание тока не более 7 – 8 мА. В результате этого уменьшается нагрев кристалла и улучшается тепловой режим работы регулятора напряжения. Уменьшенное напряжение насыщения выходного транзистора обеспечивается увеличением площади выходного транзистора примерно в 2 раза, что обеспечивает также снижение напряжения насыщения выходного транзистора также примерно в 2 раза (с 0,8 В – 0,9 В до 0,4 В – 0,45 В). Все данные о произведенных улучшениях подтверждены экспериментальными данными, которые были осуществлены в результате макетирования выходного каскада на дискретных элементах и проверкой напряжения насыщения выходных транзисторов на дискретно собранных выходных транзисторах путем их параллельного соединения. Элементы выходного каскада в интегральном исполнении имеют ряд особенностей физико-топологической структуры элементов. Первой особенностью является исполнение p-n-p- транзистора VT62 с четырьмя коллекторами, два из которых соединены вместе. Транзистор выполнен в латеральном (горизонтальном) исполнении, в котором четыре коллекторные области располагаются вокруг эмиттера, между которыми находится n- область базы. Второй особенностью является реализация составного n-p-n- транзистора (по схеме Дарлингтона) VT63 – VT64 – VT65. Для всех трех транзисторов выделена общая разделительная область (общий коллектор), в которой проведены отдельно друг от друга три базовых диффузии с различными геометрическими размерами, в которых затем образованы путем диффузии области эмиттеров, с помощью металлизации эти транзисторы соединены в нужном соединении. Следующей, третьей особенностью, является использование вместо одного общего n-p-n- транзистора VT72 двух n-p-n- транзисторов, выполненных в одной разделительной области (кармане) совместно с двумя резисторами, выполненными на основе базового слоя. Поскольку эти транзисторы выполнены в одном кармане, то коллекторы у них общие. Эмиттеры с помощью металлизации соединены вместе на "землю". А базы этих транзисторов через резисторы различных номиналов (12 Ом и 24 Ом) управляются от одной общей точки. Схема данного транзистора представлена на рис. 3.8.3.
Рис. 3.8.3. Схема транзистора VT72 Такое включение предназначено для разделения функций работы: один транзистор в большей мере отвечает за работу совместно с резистором R88, а другой – за работу с выходным транзистором VT73. Площадь транзистора, отвечающего за работу совместно с резистором R88 в 2 раза больше, чем транзистора, работающего совместно с выходным транзистором VT73. Четвертой особенностью выходного каскада является мощный выходной транзистор VT73 n-p-n- типа, работающий в ключевом режиме. Данный транзистор вместе с контактными площадками занимает 40 % кристалла и располагается по всей ширине кристалла, имея в своем составе 20 базовых областей, внутри которых находятся по 2 эмиттерные области. Между эмиттерными областями находится базовый металлический контакт, который ведет к эмиттерным перемычкам, переносящим контакт через контактную площадку "земли", которая непосредственно соединена с контактными областями эмиттерных областей всей транзисторной цепочки. После эмиттерных перемычек все они соединяются с помощью металлизации и разводятся согласно принципиальной электрической схеме регулятора напряжения. Коллекторные области находятся между базовыми областями, от контактных площадок которых отводится металлизация на контактную площадку "Ш", к которой также подключается анод мощного гасящего диода. Такая конструкция мощного выходного транзистора необходима для исключения таких вредных эффектов, как эффект вытеснения эмиттерного тока (для создания равномерной по площади работы транзистора), эффект высокого уровня инжекции, характерного для работы транзисторов при больших токах (для исключения электрических полей в базе и модуляции базы), для равномерного теплонагрева и теплоотвода. И последней, пятой особенностью является конструкция гасящего диода, структура которого аналогична структуре выходного транзистора, за тем лишь исключением, что у диода присутствует сетчатая структура анода (эмиттерного слоя), которая необходима для повышения пробивных напряжений и исключения вторичного пробоя (исключения отрицательного дифференциального сопротивления на выходной характеристике, приводящей к шнурованию тока и в результате к тепловому пробою). Электрические контакты к областям диода осуществляются посредством алюминиевой металлизации, контактирующей с контактными областями анода (эмиттерного слоя) и катода (области, соединенной с базовой областью). Для уменьшения электрических потерь (потребляемого тока), приводящего к дополнительному разогреву кристалла из-за включения в работу паразитных элементов, возникающих в результате того, что резистор R80 не был помещен в отдельный разделительный карман, для данного резистора была предусмотрена своя изолирующая область, и также для уменьшения протекающих токов его номинал был установлен на значении R80 = 10 кОм (вместо 400 Ом). Его разместили в отдельном кармане в виде резистивного слоя с поверхностным сопротивлением RS = 2 кОм/□. Обоснованность этого была проведена в результате макетирования выходного каскада на дискретных элементах. 3.9 Стабилизатор напряжения Стабилизатор напряжения выполняет функцию поддержания на постоянном уровне напряжения для питания узлов регулятора напряжения. Стабилизированное напряжение не должно зависеть от питающего напряжения, температуры, технологических разбросов параметров элементов данного стабилизатора, величины нагрузки. Принципиальная электрическая схема стабилизатора напряжения приведена на рис. 3.9.1.
Рис. 3.9.1. Принципиальная электрическая схема стабилизатора напряжения Рассматриваемый стабилизатор напряжения питается от напряжения, снимаемого с выхода генератора (аккумуляторной батареи). Принцип стабилизации в данном стабилизаторе основан на поддержании на постоянном уровне потенциала на базе транзистора VT62. Тогда режим работы этого транзистора будет определенно заданным и постоянным. Разность напряжений между напряжением питания и напряжением стабилизации будет падать на резисторе R73, увеличивая ток, проходящий через него. Поддержание постоянным напряжения на базе транзистора VT62 осуществляется с помощью транзисторов VT59 и VT60, режим работы которых задается с помощью резисторов R75 и R76, а также стабилитрона VT58, выполненного на эмиттерном p-n- переходе n-p-n- транзистора с напряжением стабилизации 6,5 – 7 В. Именно стабилитрон VT58 определяет стабилизацию напряжения данного блока. Стабилитрон VT61, также выполненный на эмиттерном p-n- переходе n-p-n- транзистора, предназначен для того, чтобы потенциал на базе транзистора VT62 не превышал определенного уровня, то есть он выполняет ограничительно-защитную функцию. Для оценки качества работы стабилизатора напряжения, приведенного на рис. 3.9.1., проведем анализ влияния различных параметров, влияющих на работу блока. Данный анализ проведем на ПЭВМ Pentium – 133 в прикладной программе DesignLab8.0. В связи с тем, что в данной схеме нагрузка для стабилизатора напряжения задана и потребляемый ток практически не изменяется, то расчеты будем проводить на эквивалентной нагрузке, сопротивление которой можно рассчитать следующим образом. R = При Т = 27 о С Uстаб = 5,757 В, Iпотр = 1,08 мА получаем R = Именно это сопротивление возьмем в качестве нагрузочного для стабилизатора напряжения, то есть Rнагр = 5,3 кОм. Так как напряжение в бортовой сети может колебаться в больших пределах, то оказывается очень важным разработать стабилизатор, не зависимый от напряжения питания. В таблице 3.9.1. приведены результаты расчетов напряжения стабилизации от напряжения питания. Как видно из таблицы 3.9.1. стабилизатор напряжения держит постоянным выходное напряжение в достаточно широком диапазоне: от 18 В до 9 В. При снижении напряжения питания происходит заметное снижение напряжения стабилизации. Вторым важным параметром, влияющим на работу стабилизатора, может быть температура окружающей среды (корпуса микросхемы). В таблице 3.9.2. приведены результаты расчетов напряжения стабилизации при разной температуре и нескольких значениях напряжения питания. Как видно из таблицы 3.9.2., напряжение стабилизации имеет прямопропорциональную зависимость от температуры, то есть напряжение стабилизации имеет положительный температурный коэффициент. Например, при Uпит = 14,1 В в диапазоне температур от – 60 о С до +100 о С температурный коэффициент напряжения стабилизации равен ТКН = Так как входящий в состав регулятора напряжения стабилизатор напряжения изготовляется по микроэлектронной технологии, то на качество работы стабилизатора может очень сильно оказывать влияние разброс параметров элементов микросхемы, в частности стабилизатора. Поэтому далее проведем оценку работы стабилизатора в зависимости от изменения параметров элементов. Вначале рассмотрим изменение напряжения стабилизации в зависимости от напряжения стабилизации стабилитронов VT58 и VT61. Результаты расчетов приведены в таблице 3.9.3. Из таблицы 3.9.3. следует, что напряжение стабилизации стабилизатора очень сильно зависит от напряжения стабилизации стабилитронов VT58 и VT61. Поэтому необходимо очень тщательно выдерживать технологические процессы, имеющие отношение к созданию данных структур. И, наконец, рассмотрим зависимость напряжения стабилизации от разброса номиналов резисторов R1 – R5. Результаты расчетов приведены в таблице 3.9.4. По данным таблицы 3.9.4. видно, что напряжение стабилизации незначительно зависит от пропорционального изменения номиналов резисторов, что говорит о пригодности данной схемы для микроэлектронной технологии. Таблица 3.9.1
Таблица 3.9.2
Таблица 3.9.3
Таблица 3.9.4
4. Типовая схема включения регулятора напряжения в генераторную установку Регулятор напряжения включается в генераторную установку по следующей схеме, указанной на рис. 4.1.
Рис. 4.1. Типовая схема включения регулятора напряжения (АБ – аккумуляторная батарея; ОГ – обмотки генератора переменного тока; К.З.З. – ключ замка зажигания; КЛ – контрольная лампа; ОВГ – обмотка возбуждения генератора; РН – регулятор напряжения; 1 – выпрямительные диоды (стабилитроны) прямой полярности; 2 – выпрямительные диоды (стабилитроны) обратной полярности; 3 – дополнительные выпрямительные диоды; ГУ – генераторная установка; В, Ш, М – выходы микросхемы регулятора напряжения (ВХОД, ШИНА, МАССА)) Работа регулятора напряжения была смоделирована на ПЭВМ в схемотехнической программе DesignLab8.0. Генераторная установка при моделировании была заменена источником постоянного тока. Для учета внутреннего сопротивления генераторной установки в целом последовательно источнику питания был включен резистор номиналом 0,1 Ом. Обмотка возбуждения была заменена ее омическим сопротивлением равным 2,6 Ом. В результате моделирования была произведена настройка регулятора на номинальное напряжение настройки uнастр = 14,1 В. с помощью резистивного делителя напряжения, при котором напряжение на выходе микросхемы "Ш" (ШИНА) имело сигнал прямоугольной формы со скважностью равной Q = 2. Также был определен диапазон регулирования регулятора (диапазон работы широтно-импульсной модуляции). Он составил 144 мВ, т.е. Vоткр = 14,023 В и Vзакр = 14,167 В. Также был определен температурный коэффициент напряжения данного регулятора. Промежуточные измерения проводились при Т = 27 о С и Т = 87 о С: uнастр (Т = 27 о С) = 14,1 В; uнастр (Т = 87 о С) = 13,78 В, то есть ТКН = [uнастр (Т = 87 о С) - uнастр (Т = 27 о С)]/ΔT = [13,78 В – 14,10 В]/ 60 о С = - 5,33 мВ/о С. Этот результат ниже экспериментально измеренного, который составляет примерно – 10 мВ/ о С. 5. Методика измерения и контроля параметров регулятора напряжения После сборки микросхемы регулятора напряжения в корпус необходимо провести проверку на соответствие параметров. Контролируемые параметры регулятора напряжения приведены в таблице 5.1. Таблица 5.1
Методика измерения параметров. 1. Проверка первоначальной настройки: 1) Устанавливают управляющее напряжение от источника G1 (рис.5.1.) u вх = 12,5 ± 0,05 В; 2) От источника G2 по прибору PA1 устанавливают выходной ток I вых = 50 ± 5%; 3) Управляющее напряжение на входе от источника G1 изменяют таким образом, чтобы на выходе микросхемы (Ш) был сигнал прямоугольной формы со скважностью Q = 2 ± 0,1, при этом регистрируют значение напряжения первоначальной настройки u вх1 по прибору PV1. 2. Настройку регулятора на оптимальное значение проводят следующим образом: Максимальное сопротивление резистора R1 (рис.1а) при всех разомкнутых перемычках R1 max = 26,9375; а минимальное R1 min = 19 в относительных единицах. Напряжение ux в точке 4 будет равно: ux
= RX
= Определим величину изменения резистора R1 : ∆R = RX
– R ∆R набирается путем пережигания перемычек между контактами 5 – 6; 6 – 7; 7 – 8; 8 – 9; 9 – 10; 10 – 11; 11 – 12 током порядка 1,5 А по принципу включения наибольшего веса, находящегося в ∆R. Проверка напряжения настройки. 1) Устанавливают управляющее напряжение от источника G1 uвх = 10,5 В ± 0,05 В; 2) От источника G2 по прибору PAустанавливают выходной ток Iвых = 50 мA ± 5%; 3) Управляющее напряжение на входе от источника G1 изменяют таким образом, чтобы на выходе микросхемы (Ш) был сигнал прямоугольной формы со скважностью Q = 2 ± 0,1, при этом регистрируют значение напряжения настройки uнастр. по прибору PV1. 3. Измерение остаточного напряжения (uост. ) проводят по следующей методике: 1) На регулятор подают напряжение от источника G1 uвх = 12,5 В ± 0,2 В; 2) От источника G2 по прибору PA устанавливают выходной ток Iвых = 5 A ± ±5%; по прибору PV2 регистрируют значение напряжения, которое равно uост. ; 4. Измерение частоты выходных импульсов проводят по следующей методике: 1) На регулятор подают напряжение от источника G1 uвх = 14,1 В ± 0,1 В; 2) На выходе (Ш) измеряют частоту выходных импульсов прибором PF1. 5. Измерение тока утечки на выходе проводят по схеме измерения, приведенной на рис. 5.4., по следующей методике: 1) От источника G1 устанавливают входное напряжение uвх = 30 В ± 0,2 В; 2) От источника G2 устанавливают напряжение uвых = 28 В; 3) Измерителем PV производят измерение падения напряжения Δu на резисторе R1 (рис.3а). Ток утечки определяют по формуле: Iут.вых.
= 6. Измерение прямого постоянного напряжения на гасящем диоде (uпр. ) проводят по схеме измерения, приведенной на рис. 5.6. по следующей методике: 1) От источника G1 по прибору PA устанавливают постоянный ток Iпр = 5 А ± 5 %; 2) Измерителем PV1 производят измерение uпр . 7. Измерение тока холостого хода Iх.х. проводят по схеме, приведенной на рис. 5.1. при помощи измерителя PA2 при uвх = 16 В.
Рис. 5.1. (DA – контролируемый регулятор; G1 – регулируемый источник постоянного напряжения; G2 – регулируемый источник постоянного тока; PF1 – измеритель временных интервалов; PF2 – устройство выборки и хранения (УВХ))
Рис. 5.4. (R1 = 100 Ом ± 1%; DA – контролируемый регулятор)
6. Технологический маршрут изготовления монокристального регулятора напряжения Разрабатываемая микросхема изготавливается по эпитаксиально – планарной технологии. Основные технологические операции маршрута изготовления кристалла и нормы на контролируемые параметры представлены в таблице 6.1. Таблица 6.1
Маршрут изготовления кристалла микросхемы включает следующие основные технологические процессы: 1) химические обработки пластин; 2) эпитаксиальное наращивание; 3) термодиффузионные процессы; 4) ионное легирование; 5) фотолитографические процессы по термическому окислу, боро – и фосфоросиликатному стеклу, алюминию и др; 6) жидкостное травление окисла, боро – и фосфоросиликатного стекла, алюминия; 7) плазмохимическое травление нитрида кремния, защитного диэлектрика; 8) осаждение нитрида кремния и низкотемпературного окисла; 9) напыление алюминия; 10) утонение обратной стороны пластин; 11) контроль электрофизических параметров. 7. Заключение В данном дипломном проекте рассмотрен монокристальный регулятор напряжения для бортовой сети автомобиля, работающий на принципе широтно-импульсной модуляции. Данный регулятор напряжения производит поддержание на постоянном уровне (14,1 ± 0,1 В) напряжения в бортовой сети автомобиля независимо от частоты вращения ротора генератора, величины нагрузки, изменяет величину регулируемого напряжения в зависимости от температуры окружающей среды (корпуса) с отрицательным температурным коэффициентом (ТКН). В дипломном проекте была проведена разработка схемотехники микросхемы регулятора напряжения, рассмотрен каждый блок в отдельности и работа микросхемы в целом, проведен анализ работы всех блоков и зависимостей работы от параметров схемы, ее определяющих. В результате моделирования схемы на ПЭВМ выявлены следующие расчетные данные: 1) Частота генерации генератора прямоугольных импульсов f = 2 кГц; 2) Размах эталонного пилообразного напряжения Δu = 16 мВ; 3) Напряжение защиты схемы от перенапряжений в бортовой сети автомобиля uзащ. = 20 В; 4) Температурный коэффициент напряжения датчика температуры ТКН = = - 2, 65 мВ/о С; 5) Напряжение стабилизации стабилизатора напряжения при Т = 27о С uстаб. = = 5,785 В; 6) Напряжение насыщения выходного транзистора uнас. = 0,46 В; 7) Температурный коэффициент напряжения настройки ТКН = - 5,33 мВ/о С; 8) Диапазон работы широтно-импульсной модуляции Δu = 144 мВ; 9) Частота широтно-импульсной модуляции f = 60 – 65 Гц. Также для улучшения стабильности и надежности работы регулятора были внесены изменения в схемотехнику и топологию базового регулятора напряжения, аналога регулятора напряжения фирмы Motorola, позволяющие улучшить температурный режим работы регулятора, повысить его экономичность в использовании электрической энергии. Перспективой развития регуляторов напряжения является переход их на многофункциональность. Такие регуляторы имеют способность обнаруживать некоторые повреждения генераторной установки и бортовой сети. В этом случае, когда повреждение обнаружено, включается сигнальная лампа на приборной панели. Мультифункциональные регуляторы могут обеспечивать плавное возбуждение генератора, задерживать момент подключения обмотки возбуждения к источнику питания, задерживая момент возбуждения генератора и облегчая тем самым запуск двигателя. Они также имеют возможность управлять выключателем нагрузки. Список использованных источников 1. Алексенко А.Г., Шагурин И.И. Микросхемотехника: учебное пособие для вузов. - М.: Радио и связь, 1990. – 496 с., ил. 2. Радин В.И. и др. Управляемые электрические генераторы при переменной частоте. - М.: Энергия, 1978. – 152 с., ил. 3. Кривоносов А.И. Полупроводниковые датчики температуры. - М.: Энергия, 1974. – 288 c., ил. 4. Пономарев М.Ф., Коноплев Б.Г. Конструирование и расчет микросхем и микропроцессоров. - М.: Радио и связь, 1986. – 176 с., ил. |
|||||||||||||||||||||||||||||||||||||||||||||||||||||||||||||||||||||||||||||||||||||||||||||||||||||||||||||||||||||||||||||||||||||||||||||||||||||||||||||||||||||||||||||||||||||||||||||||||||||||||||||||||||||||||||||||||||||||||||||||||||||





* 5,7 В = 1,85 В.










=
;
(3.6.3.)
(3.6.6.)
(3.6.7.)






;
= 5,3 кОм;
.
;
;