Реферат: Организация работы ресторана на 100 мест,овощной цех

Название: Организация работы ресторана на 100 мест,овощной цех
Раздел: Рефераты по культуре и искусству
Тип: реферат

НОУ Петрозаводский кооперативный техникум

КАРЕЛРЕСПОТРЕБСОЮЗ


Курсовая работа

по дисциплине

«Организация производства»


На тему: Организация работы ресторана на 100 посадочных мест.

Расчет овощного цеха


Студента 3 курса группы 3ТОП


по специальности 260502.51

«Технология продукции общественного питания»


Алистарков Евгений Анатольевич


Работа допущена к защите «__»__________200__г.

дата сдачи работы


__________________ _______________подпись студента

Председатель циклической комиссии ______________________________

руководитель

______________________подпись

«__»__________200__г.

дата проверки


Содержание

1. Введение 3-5стр.

2. Характеристика предприятия общественного питания 5-6стр.

3. Оперативное планирование работы предприятия общественного питания 6-24стр.

3.1. Составление меню и плана меню. Расчет блюд по групповому ассортименту 6-8стр.

3.2. Расчет сырья необходимого для выполнения дневной производственной программы 8-13стр.

3.3. Выписка накладной 14-15стр.

3.4. Документальное оформление оперативного планирования 16-24стр.

4. Расчет овощного цеха 25-27стр.

5. Заключение 28стр.

6. Список литературы 29стр.



30



Введение

О многообразии предприятий общественного питания дает представление их классификация, основанная на следущих признаках: производственно-торговые функции, тип обслуживаемых контингентов; ассортимент реализуемой продукции; виды и качество услуг для населения, объем и характер услуг; классность предприятия; переодичность функционирования в теччении года; степень мобильности.

По производственно-торговому признаку предприятия общественного питания делятся на заготовочные, доготовочные и предприятия с полным производственным циклом.

В зависимости от места расположения и контингента обслуживаемых потребителей предприятия общественного питания подразделяются на две группы: общедоступные предприятия, связанные с обслуживанием определенного контингента населения.

В зависимости от ассортимента выпускаемой продукции предприятия общественного питания делятся на универсальные, специализированные и узкоспециализированные.

В соответствии с объемом и характером услуг, уровнем комфорта и качестваобслуживания предприятия общественного питания определенного типа в соответствии с ГОСТ Р 50762-95 «Общественное питание» рестораны и бары подразделяются на три класса: люкс, высший и первый, которые должны отвечать следующим требованиям:

Люкс – изысканность интерьера, высокий уровень комфортности, широкий выбор услуг и ассортимент оригинальных, изысканных заказных и фирменных блюд, а также изделий для ресторанов, широкий выбор заказных и фирменных напитков и коктейлей – для баров;

Высший – оригинальность интерьера, широкий выбор услуг, комфортность, широкий ассортимент оригинальных, заказных и фирменных блюд, а также изделий и напитков сложного приготовления для ресторанов, широкий выбор заказных и фирменных напитков и коктейлей – для баров;

Первый – гармоничность, комфортность и выбор услуг, разнообразный ассортимент фирменных блюд и изделий, а также напитков сложного приготовления для ресторанов, набор напитков, коктейлей несложного приготовления, в том числе заказных и фименных – для баров.

В зависимости от времени функционирования различают редприятия постоянно действующие и сезонные, а от места функционирования – стационарные и передвижные.

Ресторан – предприятие общественного питания, в котором реализация широкого ассортимента блюд, изготовляемых в основном по индивидуальным заказам, сочетается с организацией отдыха посетителей. Рестораны могут обслуживать участников съездов, конференций, официальных вечеров, приёмов, семейных торжеств, банкетов, тепатических вечеров и т.п.

Рестораны различаются:

По ассортименту реализуемой продукции – рыбный, пивной, с национальной кухней или кухней зарубежных стран;

По месту расположения – городские, вокзальные, при гостинице, вагон-ресторан и др.

Рестораны размещают преимущественно на центральных, оживленных улицах, на железнодорожных вокзалах и автовокзалах, в аэропорту, на пристанях, морских и речных судах, при гостиницах, мотелях, в местах массового отдыха (парках, садах), а также в общественных, административных и зрелищных комплексах, в местах, где находятся исторические или архитектурные памятники.

В ресторанах поситителей обслуживают официанты, метрдотели, бармены, прошедшие специальную подготовку. В меню входят заказные и фирменные блюда. Многие рестораны специализируются на приготовлении национальных блюд, которые и являются собственными фирменными блюдами. Блюда и напитки приготавливают высококвалифицированные повара. В ресторанах, где обслуживают иностранных туристов, официанты владеют, как правило, одним из иностранных языков в объеме, необходимом для выполнения профессиональных обязанностей. В зависимости от вида и характера обслуживания применяется различная предварительная сервировка столов. Оплата посетителем продукции производится по счету, предъявленному официантом, наличными деньгами или кредитной картой.

В ресторане класса люкс помимо заказных и фирменных блюд принемают заказы на изготовление блюд, не включенных в меню. Иногда в ресторанах официанты подают блюда с проведением заключительных операций по приготовлению в присутствии клиентов, заказавших эти блюда.

Для ресторанов данного класса столовую посуду и приборыизготавливают по специальному заказу либо подбирают с учетом особенностей кухни и обслуживания. На каждом предмете из фарфора должна быть монограмма или эмблема придприятия. Столловое белье также изготавливают на заказ в соответствии с общим художественным замыслом сервировки и интерьера зала.

Рестораны высшего класса включают в меню заказные и фирменные блюда, кулинарные изделия. Помещения должны быть красиво оформлены и выдержаны в стиле, соответствующем названию ресторана.

В ресторанах класса люкс и высшего класса предусмотрены выступления инструментального или вокально ансамбля, концертные программы. Обслуживающий персонал должен быть одет в форменную одежду и обувь единого образца.

В меню ресторанов первого класса включают не менее 25% заказных и фирменных блюд, трудоемких по изготовлению, а также блюда для немедленной подачи – так называемые дежурные блюда. При обслуживании используют металлическую посуду и столовые приборы из нержавеющей стали, посуду из фарфора, белые и цветные скатерти и салфетки, однако на столах с полиэфирным покрытием столешниц допускается сервировка с применениеминдивидуалиных льняных салфеток.

Вагон-ресторан преднозначчен для обслуживания пассажиров железнодорожного транспорта и поездной бригады в пути следования.

Рестораны для автотуристов распологаются возле шоссе или крупных автостоянок и предназначаются для автомобилистов, не желающих покидать автомобиль.

Судовой ресторан преднозначен для обслуживания пассажиров в пути следования. В нем предоставляются завтраки, обеды, ужины; производится реализация кулинарых и кондитерских изделий, прохладительных напитков, дорожных наборов. Обслуживание осуществляется официантами. Практикуется продажа абонементов на питание.

Крупные пассажирские теплоходы имеют один или несколько салонов-ресторанов, буфеты, бары, оборудованную кухню. Вместимость салонов-ресторанов колеблится от 48 до 150 мест. Столы и серванты в зале крепят к полу.

В жизни человеческого общества рестораны играют важную роль. Люди нуждаются не только в насыщении едой, но и в общении друг с другом.

Рестораны одно из немногих мест на земле, где работают все наши органы чувств, вызывая общее ощущение удовольствия. Для оценки пищи, обслуживания и самой атмосферы ресторана служат: вкусовые, зрительные, слуховые, тактичные и обонятельные ощущения. Успешная деятельность ресторана зависит от многих факторов, начинающихся от формулирования общей философии ведения этого бизнеса и, заканчивая контролем за тем, как эта философия реально претворяется в жизнь.


Характеристика предприятия

В данной курсовой работе проектируется ресторан общего типа. Зал ресторана на 100 посадочных мест.

Ресторан характеризуется высоким уровнем комфортности за счёт оборудования и удобной мебели, высоким качеством обслуживания посетителей и разнообразием кулинарных, кондитерских изделий, блюд и напитков. Посетителей обслуживают метрдотели, официанты и бармены.

Атмосфера, создаваемая рестораном, оказывает немедленное воздействие на посетителя и на сознательном, и на подсознательном уровнях. Осознаваемый эффект влияет на сам процесс выбора ресторана. Подсознательный эффект создаётся более тонкими средствами: освещением, тоном мебели и цветом скатертей, музыкой.

В ресторане высокий уровень обслуживания сочетается с организацией отдыха. Посетителям предоставляют завтраки, обеды, ужины.

Ресторан имеет торговый зал, банкетный зал, бар, коктейль - холл с барной стойкой.

Оформление помещений выполнено в едином стиле. Единство стиля в интерьере достигается соотношением объёмно-пространственного решения, цветовой композиции, приёмов освещения и декоративных элементов. Основные принципы создания интерьера – комплектность и "фирменность" в оформлении. Применяемые для отделки такие материалы, как поролон, войлочное покрытие, дерево – создают ощущение домашнего уюта.

Большое значение уделено оформлению витрины, для этого используют различные декоративно-отделочные материалы, световые и оптические эффекты, цветные диапозивы, фотографии. Витрина содержит информацию о специфике кухни, комплекс предоставляемых услуг.

Торговый зал имеет эстраду и танцплощадку, норма площади на одно посадочное место – 2 м2. Мебель в торговом зале обладает эстетическими достоинствами, прочностью, легко поддаётся санитарной обработке, обеспечивает максимальный комфорт для посетителей, создавая необходимые условия для отдыха.

По характеру организации производства ресторан относится к предприятиям с полным технологическим процессом, то есть обработку продуктов начинают с приёма и хранения сырья и заканчивают реализацией готовой продукции. Для этого в ресторане имеются соответствующие цеха: овощной, мясной, рыбный, горячий, холодный.

Работники ресторана очень внимательно подходят к выбору продуктов и способам приготовления пищи. В меню включают блюда из куриного мяса, рыбы, креветок, макарон. Говядина в приготовление пищи идёт только постная. Вместо жарки в масле на сковороде употребляют боле полезные для здоровья способы: если жарка, то на постном или поворачивающемся рашпере, если варка, то на пару или в кастрюле из огнеупорного стекла.


Оперативное планирование ресторана.

Составление меню и плана меню. Расчет блюд по групповому ассортименту

В предприятиях общественного питания с определенным контингентом потребителей можно более четко планировать работу производства на каждый день.

Меню можно составлять на 1 день, неделю или 10 дней.

При составлении меню учитывают сезонность, разнообразие блюд по видам сырья, разнообразие по видам тепловой обработки, трудоемкость блюд, наличие оборудования, квалификация поваров.

Ассортиментный минимум для ресторана:

10 холодных блюд

2 первых блюда

10 вторых блюд

4 гарнира

4 напитка

4 вида выпечных изделий

Для составления плана меню необходимо знать колличество посадочных мест и оборачиваемость одного места в данном предприятии. В проектируемом мной ресторане 100 мест, а оборачивоемость одного места – 7 человек в день.

По количеству мест и оборачиваемости одного места можно узнать количество посетителей за один рабочий день. Это расчитывается по формуле – количествово мест умножить на оборачиваемость одного места, т.е. 100*7=700 потребителей.

Затем определяем коэфициент потребления отдльных видов блюд. Для этого количество потребителей за день (700 человек) необходимо умножить на коэфициент потребления одного блюда:

Холодные блюда – 700*1,1=770

Первые блюда – 700*0,7=490

Вторые блюда – 700*1,4=980

Напитки – 700*0,3=210

А гарниры определяются по вторым блюдам, которые отпускаются с ними.

Затем необходимо эти цифры распределить по блюдам (распределяется по усмотрению технолога).

План меню для ресторана на 100 мест:

№ раскладки

Наименование блюд и закусок

Количество порций Выход одного блюда
Холодные блюда
54 Салат зеленый 50 100
159 Ассорти мясное 120 175
134 Сельдь с луком 50 100
81 Салат из капусты 50 100
102 Салат с курой 100 150
103 Винегрет овощной 50 100
112 Салат яичный 100 100
157 Филе куры под майонезом 150 107/75/35
63 Салат из сырых овощей 50 100
71 Салат картофельный 50 100
Первые бдлюда
280/286 Бульон из куры с цветной капустой 90 250/62
280/288 Бульон из куры с омлетом 100 250/34
252 Солянка по-ленинградски 300 250/15
Вторые блюда
517 Треска тушеная с овощами 100 225
519 Треска жаренная 100 125
448 Макароны с ветчиной и томатом 100 300
709 Курица тушеная 100 225/150
585 Бифштекс 100 130
583 Грудинка фаршированная 100 167
632 Гуляш 100 225
659 Котлеты особые 100 150
727 Корзинки с фаршем из курицы 100 220
570 Язык отварной 80 150/100
Гарниры
747 Рис отварной 200 150
762 Картофель фри 200 150
773 Капуста тушеная 80 150
759 Пюре картофельное 200 150
Напитки
926 Компот из яблок и слив 50 200
1015 Кофе с коньяком 50 100/7/25
1042 Морс клюквенный 50 200
1010 Чай с лимоном 60 200
Мучные изделия
1099 Ватрушка венгерская
1103 Кулебяка
1095 Пончик
1102 Растегай московский

Исходя из 2, 4, 5, 6, 7, 8, 9 вторых блюд, необходимое количество порций гарниров - 680


Расчет сырья необходимого для выполнения дневной производственной программы

После составления плана меню и расчета количества порций, необходимо расчитать сырье. Для этого сначало необходимо расчитать колличество продуктов необходимых на одну порцию (в брутто), а затем умножить на количество порций, сколько мы решили сделать конкретного блюда.

Расчитаем на примере «Солянка по-ленинградски»:

Наименование продуктов Норма на 1 порцию, гр. Норма на 300 порций, кг
Брутто Брутто
Говядина 27,5 8,25
Окорок вар. 13,25 3,975
Сосиски 10,25 3,075
Гусь 26,25 7,875
Лук репч. 29,75 8,925
огурцы сол. 25 7,5
Каперсы 10 3
Маслины 12 3,6
Сельдерей (кор) 3,75 1,125
Масло сл. 6 1,8
Сметана 15 4,5


Таким же образом расчитываем остальные блюда, и заполняем сырьевую ведомость:


Выписка накладной

Исходя из сырьевой ведомости, заполняем накладную:

Организация

Шифр
Предприятие

грузо-получателя Постав-щика склада (секции) вида операции

НАКЛАДНАЯ №














"______"_______________ 20____г.
Отправитель________________________________________________________________________________________
Получатель_________________________________________________________________________________________
Основание:_________________________________________________________________________________________
Номер прейскура-нта и дополне-ния к нему Артикул или порядковый номер по прейскуран-ту Шифр товара, тары Наименование товарно-материальных ценностей Единица измере-ния Сорт Количество (вес) Цена Сумма
брутто нетто



Баранина кг.
16,60
200 3320



Баранина (котл.м.) кг.
9,10
200 1820



Ветчина вар. кг.
4,90
200 980



Вино (бел. сух.) кг.
0,75
180 135



Вино (Мадера) кг.
0,70
250 175



Говядина кг.
57,93
200 11586



Говядина (кости) кг.
2,37
200 474



Говядина (котл.м.) кг.
11,50
200 2300



Говяжий язык кг.
18,56
260 4825,6



Горошек зел. (конс.) кг.
3,00
70 210



Гочица столовая кг.
0,15
260 39



Гусь кг.
7,88
300 2364



Дрожжи кг.
0,08
40 3,2



Каперсы кг.
3,00
200 600



Капуста бел. св. кг.
23,10
15 346,5



Капуста цв. св. кг.
16,30
70 1141



Картофель кг.
127,53
17 2168



Клюква кг.
1,32
150 198



Коньяк кг.
1,25
500 625



Кофе нат. кг.
0,30
700 210



Курица кг.
86,86
90 7817,4



Лимон кг.
1,83
80 146,4



Лук зел. кг.
5,09
350 1781,5



Лук репч. кг.
23,74
20 474,8



Майонез кг.
0,50
100 50



Макароны кг.
7,00
65 455



Маслины кг.
3,75
200 750



Масло раст. л.
20,40
50 1020



Масло сл. кг.
10,21
190 1939



Меланж кг.
0,14
250 35



Молоко л.
8,81
26 229,06



Морковь кг.
12,85
25 321,25



Мука пш. кг.
5,41
20 108,2



Огурцы св. кг.
13,71
70 959,7



Огурцы сол. кг.
8,44
100 844



Окорок вар. кг.
3,98
200 796



Петрушка (зел.) кг.
1,20
350 420



Петрушка (кор.) кг.
2,76
150 414



Помидоры св. кг.
8,59
80 687,2



Репа кг.
2,84
50 142



Рис кг.
9,28
40 371,2



Салат зел. кг.
4,32
120 518,4



Сахар кг.
6,94
27 187,38



Свекла кг.
0,96
16 15,36



Свинина (котл. м.) кг.
3,90
200 780



Сельдерей (кор.) кг.
2,13
150 319,5



Сельдь кг.
5,20
80 416



Слива кг.
2,64
75 198



Сметана кг.
7,75
65 503,75



Соль кг.
0,82
10 8,15



Сосиски кг.
3,08
150 462



Спаржа кг.
2,30
250 575



Сухари кг.
1,50
100 150



Сыр кг.
0,44
250 110



Томатная паста кг.
8,23
60 493,8



Треска кг.
32,70
150 4905



Уксус 3% л.
3,32
50 166



Фасоль стр. (конс.) кг.
0,80
70 56



Хлеб пш. кг.
2,30
20 46



Хрен (кор.) кг.
2,30
150 345



Чай в/с кг.
0,05
250 12,5



Чай экстра кг.
0,05
250 12,5



Шампиньоны (конс.) кг.
4,90
160 784



Яблоки кг.
3,62
45 162,9



Яица шт.
302
4 1208







Всего: 65717
Отпустил________________________________________________ Получил_________________________________

подпись расшифровка подписи
подпись расшифровка подписи
Разрешил_______________________________________________

подпись расшифровка подписи

Документальное оформление оперативного планирования

Затем на каждое блюдо составляется технологическая карточка. Составим карточку на тоже блюдо, по которому определяли количество продуктов по брутто, т.е. «Солянка по-ленинградски». Определяем количество продуктов по нетто на одну порцию и умножаем на количество порций:

ТЕХНОЛОГИЧЕСКАЯ КАРТА № 1

Наименование блюды Солянка по-ленинградски
Рецептура №252
Наименование продуктов Норма на 1 порцию, гр. Расчёт количества порций
Брутто Нетто 300 150 100 50 40 30 20
Колличество продуктов, кг (нетто)
Говядина 27,5 20,25 6,075





Окорок вар. 13,25 10 3





Сосиски 10,25 10 3





Гусь 26,25 17,25 5,175





Лук репч. 29,75 25 7,5





огурцы сол. 25 15 4,5





Каперсы 10 5 1,5





Маслины 12 12,5 3,75





Сельдерей (кор) 3,75 2,5 0,75





Масло сл. 6 6 1,8





Сметана 15 15 4,5
















Краткая технология приготовления блюда

Солёные огурцы нарезают ломтиками. Огурцы с грубой кожицей и зрелыми семянами очищают.
Подготовленные огурцы припускают. Лук репчатый шинкуют и пассеруют. Маслины промывают.
Мясо варят и нарезают тонкими ломтиками. В кипящий бульон закладывают пассерованный лук,
припущенные огурцы, каперсы, подготовленные мясные продукты, специи и варят 5-10 мин.
При отпуске кладут маслины, сметану и посыпают зеленью.

Качественная оценка готового блюда

Лук нарезан кубиком, огурцы аналогично. Цвет желтовато-оранжевый, на поверхности блеск жира.
Форма нарезки сохранена. Подаётся со сметаной и зеленью. Вкус сладковатый.
Запах пассерованых овощей.


В ресторане дежурным блюдом будет бифшьекс, т.к. это блюдо может готовится перед подачай посетителю, а не по заказу:


ТЕХНОЛОГИЧЕСКАЯ КАРТА № 2

Наименование блюда Бифштекс
Рецептура № 585
Наименование продуктов Норма на 1 порцию, гр. Расчёт количества порций
Брутто Нетто 100 90 70 50 40 30 20
Колличество продуктов, кг (нетто)
Говядина 216 159 15,9





Масло раст. 10 10 1





Хрен кор. 23 15 1,5





Масло зел:
15






Яица 0,08 3 0,3





Яица (жел) 0,08 1,2 0,12





Сахар 4,5 4,5 0,45





Вино (бел.сух.) 7,5 7,5 0,75





Лимон 1,2 0,5 0,05






Краткая технология приготовления блюд

Порционные куски толщиной 20-30 мм, нарезанные из утолщенной части зачищенной вырезки, слегка отбивают, посыпают солью и перцем и жарят на сковороде с жиром, нагретым до 150-180°C, до образования с обеих сторон поджаристой корочки. Продолжительность тепловой обработки составляет около 15 минут.Отпускают с гарниром и строганым хреном, поливают мясным соком и кладут на него кусочек зеленого масла.

Качественная оценка готового блюда

Корочка коричневого цвета. Мясо сочное, мягкое, прожаренное. Запах свойственный данному виду мяса.


Таким образом оформляем все остальные блюда. После чего накаждое блюдо оформляем калькуляционную карту.

Для этого, то колличество продуктов, которое получается по нетто в технологической карточке вносим в калькуляционную карту, затем вносим стоимость (за один килограм или литр) продукта. Эти два показателя перемножаем между собой, выводим сумму общей стоимости сырьевого набора, делаем наценку 300%. Определяем стоимость одной порции, для этого стоимость сырьевого набора с наценкой делим на количество порций.

Калькуляционная карта на блюдо «Солянка по-ленинградски»:


Исходя из этой карты стоимость одной порции солянки – 82,94руб≈83руб. Таким же образом заполняем остальные блюда, определяем цену и заносим в дневной заборный лист.

Туда же вносим колличество порций, перемножаем порции и стоимость одного блюда, тем самым определяем стоимость всех порций блюда. Выводится сумма всех блюд и количества порций.

Из этого листа следует, что в день должно быть продано 3120 порций на сумму 262730 рублей.



На фирменное блюдо оформляется технико-технологическая карта. Её разрабатывают на новые фирменные блюда и кулинарные изделия – те, которые вырабатывают и реализуют только в данном предприятии. В качестве фирменного блюда я выбрал блюдо «Грудинка фаршерованная мясом и рисом»:

ТЕХНИКО-ТЕХНОЛОГИЧЕСКАЯ КАРТА.

1. Область применения.

1.1. Настоящая технико-технологическая карта распространяется на блюдо
"грудинка, фаршированная мясом с рисом" вырабатываемое рестораном.

2. Перечень сырья.

2.1. Для приготовления блюда используют следующее сырье

№ п/п Наименование сырья Номер ГОСТа
1 Баранина (грудинка)
2 Баранина (котлетное мясо)
3 Крупа рисовая
4 Лук репчатый свежий 27166
5 Маргарин столовый 240
2.2. Сырье, используемое для приготовления блюда, должно соответствовать тебованиям ___ нормативной документации, иметь сертификаты и удостоверения качества

3. Рецептура.

3.1. Рецептура блюда "грудинка, фаршированная мясом с рисом" №583 из сборника рецептур блюд и кулинарных изделий. МОСКВА ЭКОНОМИКА 1982г.
Наименование сырья Масса брутто (гр) Масса нетто (гр)
Баранина (грудинка) 166 119
на фарш:

Крупа рисовая 14 14
Масса готового риса - 39
Баранина (котлетное мясо) 91 65
Вода 10 10
Лук репчатый 24 20
Маргарин столовый 8 8
Масса пассерованного лука с жиром - 15
Масса фарша - 86
Масса полуфабриката - 205
Масса жаренной грудинки - 164
Гарнир - 150
Выход готового блюда - 314

4. Технология приготовления.

__У грудинки с внутренней стороны вдоль реберных костей прорезают пленки, ребра удаляют до или после тепловой обработки. Затем по всей длине грудинки, начиная с тонкого ее конца, между наружным слоем мяса и слоем мяса, непосредственно прилегающим к ребру, прорезают пленки так, чтобы получилось пространство в виде мешка. образовавшийся мешок наполняют фаршем. __Фарш: в измельченное сырое мясо добавляют соль, воду, перец, пассерованный лук и отварной рис, затем все тщательно перемешивают. __Края защипывают. Подготовленную грудинку посыпают солью, перщем и жарят в жарочном шкафу при температуре 200-250°C до готовности (более часа). __Готовую грудинку нарезают по одному кусочку на порцию и поливают мясным соком.

5. Оформление, подача, реализация и хранение.

5.1. Блюдо "грудинка, фаршированная мясом с рисом"
должно подаваться:





с кашами рассыпчатыми, бобовыми отварными, макаронными изделиями отварными, картофельным пюре, картофелем жаренным (из сырого), овощами, припущенными с жиром, кабачками и баклажанами жаренными.
5.2. Температура подачи блюда: 75°C


5.3. Срок реализации блюда: втечении 2 часов на раздаче.

6. Показатели качества и безопасности.

6.1. Органолептические показатели блюда:



1. Внешний вид: румянные кусочки фаршированной грудинки ввиде мешочков.
2.Консистенция: мягкая, сочная, нежая.
3. Цвет:
мясо с золотистой румянной корочкой, без подгорелостей.
4. Вкус:
умеренно соленоватый, свойственный баранине.
5. Запах:
свойственный жаренной баранине.
6.2. Физико-химические показатели:




1. массовая доля сухих веществ, % (не менее)
2. массоваядоля жира, % (не менее)
3. массовая доля соли, % (не менее)
6.3. Микробиологические показатели.



Кол-во мезофильных аэр. и фак. анаэробных микробных микроорганизмов КОЕ в 1г. не более. Масса продукта, г. в котором не допускаются Примеча-ние

1

БГКП (колифо-рмы)

2

Stapha-reus

3

Proteus

4 патогенные микроорганизмы, в т.ч. сальм-лы






7. Пищевая и энергетическая ценность.

белки жиры углеводы Энерг. ценность, ккал/кДж




Ответственный разработчик Алистарков Е.

Расчет овощного цеха

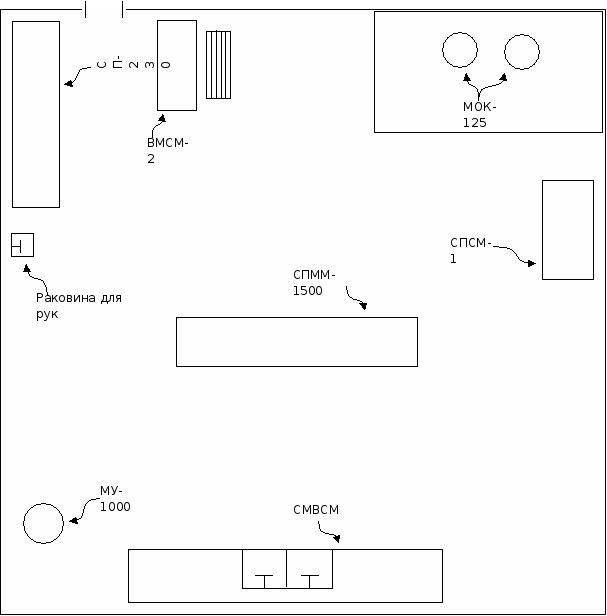
В каждои предприятии есть камера для хранения овощей, склад сухих продуктов, две охлаждаемые камеры: мясорыбная и молочножировая. Складские помещения располагают на первом этаже, в подвальном и полуподвальном помещении. Норма освещения 20Вт на 1м2, полы прочные без порогов. Стены покрыты кафельной плиткой. Перегородки не сгораемые. Должна быть защита от грзунов. На складе для хранения овощей не должно бытть естественного освещения. Овощи храняться в таре в которой поступили или насыпным способом в ларях: картофель не более 1м, корнеплоды – 0,5м, лук – 0,3м, температура 2-40С, относительная влажность воздуха 70%.

Овощной цех располагают рядом с камерой для хранения овощей. Если овощной камеры нет, то овощной цех располагают в подвальном или полуподвальном помещении.

Технологические процессы состоят из следующих операций:

Сортировка (осуществляется вручную или барабанным калибровочным механизмом)

Мойка (осуществляется в ваннах, картофелечистках с гладкими рабочими органами)

Очистка (производится в машинах для очистки картофеля: МОК-125)

Дочистка (осуществляется вручную коренчатым ножом)

Мойка (осуществляется в ванне)

Нарезка (необходимы: ножи, доска для сырых овощей – «СО», машина резки овощей – МРО-50 или МУ-1000)

Оборудование в овощном цехе размещают по ходу технологического процесса.

Площадь овощного цеха расчитывается на основании площади занимаемой оборудованием. Оборудование цеха и их площадь: S=длина*ширина

Стелаж для хранения суточного запаса овощей – СП-230

S=0,67*0,6=0,402м2

Ванна (длина не более 1,2м) – ВМСМ-2

S=1,26*0,63=0,79м2

Две картофелечистки (одна с гладкими рабочими органами для мытья, другая для чистки) – МОК-125

S=2*(0,53*0,38)=0,8м2

Стол для дочистки – СПСМ-1

S=1,05*0,84=0,88м2

Универсальный привод – МУ-1000

S=0,46*0,33=0,15

Стол для нарезки – СПММ-1500

S=1,5*0,8=1,2м2

Стол со встроенной ванной для обработки овощей которые используют без тепловой обработки – СМВСМ

S=1,8*0,84=1,51м2

Раковина для мытья рук

S=0,5*0,5=0,25м2

Тара для отходов

Площадь оборудования равна 5,58м2

Формула по расчёту площади овощного цеха:

Кпрохода =0,35

S – площадь

S=5,58/0,35=15,94м2≈16м2

Формула по расчету колличества рабочих в овощном цехе:

n=4 – 6м2

N – колличество рабочих

N=16/6=2 человека

Исходя из полученных данных, площадь овощного цеха составляет 16м2, а колличество работников, которые могут там работать – 2 человека.

План овощного цеха в соотношении 1:100:

Техника безопасности в овощном цехе:

Все работники должны пройти инструктаж

Режущие инструменты хранить в определенном месте

Пол должен быть чистый и сухой

Электрическое оборудование должно быть заземлено

Правельное положение рук при нарезке

Не просовывать руки в рабочую камеру при включенном двигателе


Заключение

В данной работе я хотел спроектировать работу ресторана на 100 посадочных мест. Это заключалось в том, что необходимо: дать характеристику своему предприятию, составить меню и план меню, расчитать сырье для выполнения дневной производственной нормы, выписать накладную, составить технологическую карту на одно блюдо из меню и дежурное блюдо, составить технико-технологическую карту на фирменное блюда, заполнить калькуляционную карту и дневной заборный лист.

Так же необходимо было расчитать производственный цех, в моем случае это овощной. Для этого расчитать площадь занимаемую оборудованием затем площадь цеха, определить количество работников в цехе и составить план цеха.

По моему мнению, я справился с данной работой и донес всю информацию понятно, аргументирую каждой свой шаг.



Список литературы

Организация производства на предприятиях общественного питания. Москва, 2007. ИД «ФОРУМ» - ИНФРА-М.

Организация производства на предприятиях общественного питания. Ростов-на-дону, 2001. ФЕНИКСю.

Организация производства и обслуживания на прадприятиях общественного питания. Москва, 2004. ACADEMA.

Технология приготовления пищи. Москва, 2005. Деловая литература, Омега-Л.

Сборник рецептур блюд и кулинарных изделий. Москва, 1982. Экономика.