Дипломная работа: Разработка системы автоматического контроля уровня сыпучих материалов в цилиндрическом резервуаре
|
Название: Разработка системы автоматического контроля уровня сыпучих материалов в цилиндрическом резервуаре Раздел: Промышленность, производство Тип: дипломная работа | |||||||||||||||||||||||||||||||||||||||||||||||||||||||||||||||||||||||||||||||||||||||||||||||||||||||||||||||||||||||||||||||||||||||||||||||||||||||||||||||||||
Дипломная работа Разработка системы автоматического контроля уровня сыпучих материалов в цилиндрическом резервуаре Реферат Дипломный проект 127 с., 33 рис., 11 табл., 23 источника, 1 прил. УЛЬТРАЗВУК, УЛЬТРАЗВУКОВЫЕ КОЛЕБАНИЯ, ТЕРМОДАТЧИК, 1-Wire, ИМПУЛЬС, ГЕНЕРАТОР. Объектом разработки является система, измеряющая уровень сыпучих материалов при помощи излучения и приёма отражённого ультразвукового сигнала. Целью настоящей разработки является проектирование системы, выбор схемы прибора, написание для него программного обеспечения. А также, обеспечение лёгкости в эксплуатации этого прибора. В процессе проектирования системы проводилась настройка аналоговой части устройства. Обработка данных была симулирована в специализированной программе компьютера по разработке программного обеспечения для AVR микроконтроллеров. Данная система контроля имеет широкий круг применения в промышленности и быту. Имеет нейтральное воздействие на исследуемый материал и пожаробезопасен. Пояснительная записка к дипломному проекту выполнена в текстовом редакторе Microsoft Word 2007. Abstract The degree project 127 with., 33 fig., 11 tab., 23 sources, 1 enc. ULTRASOUND, ULTRASONIC FLUCTUATIONS, THERMODE, 1-Wire, THE IMPULSE, THE GENERATOR. Object of development is the system measuring a level of loose materials by means of radiation and reception of the reflected ultrasonic signal. The purpose of the present development is designing system, a choice of a circuitry of the instrument, a writing for it the software. And also, maintenance of ease in operation of this device. During designing system adjustment of an analog part of the device was spent. Data processing has been feigned in the specialized program of a computer on development of the software for AVR microcontrollers. The given monitoring system has the broad audience of application in the industry and a life. Has neutral influence on an investigated material and it is fireproof. The explanatory note to the degree project is executed in text editor Microsoft Word 2007. 1. Введение Управление технологическими процессами во многих отраслях промышленности связан с измерениями уровня жидкости или сыпучих материалов в тех или иных резервуарах, цистерн и т.д. Современные системы автоматизации производства требуют статистических и информационных данных, позволяющие оценить затраты, предотвратить убытки, оптимизировать управление производственным процессом, повысить эффективность использования сырья (расходомеры). Это постоянно возрастающий спрос на информацию приводит к необходимости применения в системах контроля не простых сигнализаторов, а средств, обеспечивающих непрерывное измерение. В последнее время контроль за уровнем жидких продуктов в технологических емкостях приобрёл особо важное значение с точки зрения обеспечения безопасности производства и точного автоматизированного учёта ресурсов и материалов. Для решения этой задачи перспективным является использование уровнемеров. К приборам для измерения уровня заполнения ёмкостей и сосудов предъявляются различные требования: в одних случаях требуется только сигнализировать о достижении определённого предельного значения, в других необходимо проводить непрерывное измерение уровня заполнения. Существует широкая номенклатура средств измерения уровня, использующих различные физические методы. Наибольшее распространение получили локационные ультразвуковые и радиолокационные уровнемеры, обеспечивающие наилучшие точностные характеристики. При выборе уровнемера необходимо учитывать такие химические и физические свойства контролируемой среды, как температура, влажность (для воздуха), вязкость, сыпучесть, электрическая проводимость и др. Однако, применение ультразвука не ограничивается уровнемерами и расходомерами, он также очень широко применяется в медицине для выявления различных заболеваний и отклонений размеров, функций каких – либо органов и частей организма; для сварки полимеров и др. Но «медицинский» ультразвук высокочастотный (до 10МГц), в отличие от промышленного ультразвука (обычно от 30 кГц до 500 кГц). В нашем случае рассматривается только промышленный ультразвук. Ультразвуком также «просвечивают» сварные швы труб различных трубопроводов на выявление дефектов в швах, так как этот метод контроля, в отличие от рентгеновского метода, безопасный. Но зачастую для выявления микротрещин на поверхностях труб применяют магнитный метод, основанный на намагничивании трубы и просмотр магнитного поля на его изменения, где присутствуют микротрещины. Ультразвук также применяется на автомобилях для измерения расстояния до соседних автомобилей в потоке машин, а также при парковке автомобиля для безопасности маневрирования. При необходимости измерения плотности или вязкости жидкостей также применяется ультразвуковой метод. Так как при разных плотностях жидкости скорость распространения звука разная, что является информационным параметром. Здесь измеряется время между испускающими импульсами и приёмными, при известной длине или высоте ёмкости, в которой находится жидкость. 2. Основные методы непрерывного измерения уровня Приборы для непрерывного контроля уровня жидких и сыпучих материалов создаются с применением различных физических принципов и методов измерения (таблица 2.1). Таблица 2.1 – Методы непрерывного измерения уровня
2.1 Гидростатический метод Данный метод измерения уровня основан на определении гидростатического давления, оказываемого жидкостью на дно резервуара. Величина гидростатического давления на дно резервуара зависит от высоты столба жидкости над измерительным прибором (h) и от плотности жидкости (ρ): Пьезорезистивный тензодатчик (или ёмкостной керамический измерительный преобразователь, который не заполнен усредняющем давление веществом) связан с жидкостью через изолирующую мембрану из нержавеющей стали и вещество, усредняющее давление. Выходной сигнал тензодатчика преобразуется формирователем в сигнал, соответствующий уровню жидкости. Пена, отложения, изменения электрических свойств жидкости и форма резервуара не оказывают влияния на результат измерения при реализации гидростатического метода. Достоинства: точность измерения; применим для загрязнённых жидкостей; реализация метода не предполагает передвижение резервуара; соответствующее оборудование не нуждается в сложном техническом обслуживании. Недостатки: движение жидкости вызывает изменение давления и приводит к ошибкам измерения уровня (давление относительно плоскости отсчёта зависит от скорости потока жидкости – следствие закона Бернулли); атмосферное давление должно быть скомпенсировано; изменение плотности жидкости может быть причиной ошибки измерения. 2.2 Метод с использованием погруженных зондов Принцип работы этих зондов основан на следующем: постоянный магнит, смонтированный на поплавке зонда, вызывает срабатывание герметизированных контактов, установленных на направляющей трубе. При срабатывании эти контакты включаются между последовательно включёнными резисторами внутри направляющей трубы: таким образом, при перемещениях поплавка общее значение сопротивление изменяется квазинепрерывно, в зависимости от разрешающей способности зонда. Точность измерения не зависит от свойств среды, а также от давления, температуры и плотности. Достоинства: простой принцип действия; несложный монтаж; не нуждаются в сколь – нибудь значительном обслуживании; не требуется регулировка в месте установки. Недостатки: подъёмная сила зависит от размера поплавка; фактическое положение уровня, соответствующее точке срабатывания; можно использовать только в очищенных жидкостях [4]. 2.3 Кондуктивный метод Этот метод основан на измерении силы тока. При пустом резервуаре сопротивление между двумя электродами бесконечно велико; при погружении концов электродов в проводящую среду сопротивление уменьшается соответственно величине её проводимости. Область применения метода распространяется исключительно только на контроль уровня проводящих жидкостей. Следовательно, уровень сыпучих или вязких материалов измерять указанным методом нельзя. Необходимо наличие у контролируемого вещества определённой минимальной проводимости, чтобы при измерении уровня кондуктометрическим методом можно было получить различимый сигнал изменения тока. Настоящий метод применяют главным образом для измерения предельного уровня в цистернах, баках и паровых котлах. Воспламеняющиеся жидкости, такие как различные виды топлива, масла и растворители, являются диэлектриками, поэтому этот метод неприменим в отличие от кислот и щелочных растворов, содержащих воду и являющихся проводниками. При реализации кондуктометрического метода два электрода устанавливаются выше поверхности проводящей жидкости, уровень которой контролируется. Когда жидкость достигает той точки, где оба электрода контактируют с жидкостью, электрический ток вызывает срабатывание реле. На основе данного метода может быть легко реализовано определение не только предельного, но и межфазного уровня; например, достаточно просто выявить границу между водой и непроводящей жидкостью. Достоинства: простота и прочность; отсутствие движущихся механических частей; нечувствительны к турбулентности; простая регулировка и обслуживание; технологическим процессом допускаются высокая температура и давление. Недостатки: непригодны для клейких веществ и диэлектриков; масляные вещества могут вызвать налипание на электроды тонкие слоя непроводящего покрытия, что может стать причиной отказа. [4]. 2.4 Емкостной метод Название метода предполагает, что в его основе лежит определение изменений электрической ёмкости в зависимости от уровня наполнения резервуара. Конденсатор образован стенкой резервуара и щупом, погружённым в его содержимое. Измерение ёмкости осуществляют, как правило, при помощи резонансных схем или мостов переменного тока с самоуравновешиванием. В точном определении уровня решающую роль играют конструкция, изоляция, правильное размещение ёмкостного зонда. поэтому необходимо учитывать следующие факторы: изоляцию зонда, форму резервуара, давление в нём же, температуру контролируемого материала, его зернистость, абразивность, вязкость и т.д. Измерительный зонд выполнен из проволочного тросика, металлического стержня или трубки. Достоинства: простота установки и эксплуатации; многофункциональность применения; возможность использования с клейкими веществами; активная компенсация влияния раскачивания зонда. Недостатки: появление пленки на электродах приводит к возникновению погрешности измерения. 2.5 Ультразвуковой метод Методы, основанные на измерении времени прохождения сигнала. При известной скорости распространения импульса и измеренном временном интервале можно вычислить расстояние, пройденное импульсом. Необходимо учитывать, что импульс проходит расстояние между излучателем и поверхностью контролируемой среды дважды. В простейшем и наиболее распространённом случае, когда датчик расположен в верхней точке резервуара, уровень среды вычисляется как разность между высотой резервуара и расстоянием между датчиком и поверхностью среды. Это расстояние вычисляется по измеряемому времени которое необходимо ультразвуковому импульсу для прохождения пути от датчика до поверхности контролируемой среды и обратно (рисунок 2.1).
Рисунок 2.1 – Ультразвуковой метод
где Vs – скорость распространения ультразвука в данной среде (воздух). Однако необходимо помнить, что на скорость распространения звука оказывает влияние температура воздуха. Кроме того, будучи сильно зависимой от температуры, скорость ультразвука зависит от давления воздуха: она увеличивается с ростом давления. Связанные с изменениями давления в нормальной атмосфере относительные изменения скорости звука составляют порядка 5%. Скорость звука также зависит и от состава воздуха, например, от процентного содержания СО2 и влажности. Влияние относительной влажности на скорость ультразвука является меньшим по сравнению с влиянием, оказываемой температурой и давление. Достоинства: бесконтактный; применим для загрязнённых жидкостей; реализация метода не предъявляет высоких требований к износостойкости оборудования; независимость от плотности контролируемой среды [4, 8]. Недостатки: большое расхождение конуса излучения; отражения от нестационарных препятствий; применим только в резервуарах с нормальным давлением. 3. Основы ультразвука 3.1 Природа получения ультразвука Упругие механические колебания, распространяющиеся в воздухе, воспринимают обычно как звуки. Это акустические колебания. Если их частота более 20000 Гц, т.е. выше порога слышимости для человеческого уха, то такие колебания называют ультразвуковыми (УЗК). В дефектоскопии применяют частотный диапазон 0,5 – 10 МГц. Упругие колебания могут быть возбуждены в твёрдых, жидких, газообразных средах. При этом колебательное движение возбужденных частиц благодаря наличию упругих сил между ними вызывают распространение упругой УЗ – волны, сопровождаемое переносом энергии. Для получения УЗ – колебаний применяют пьезоэлектрические, магнитострикционные, электромагнитно – акустические и другие преобразователи. Наибольшее распространение получили пьезоэлектрические преобразователи, изготовленные из пьезокерамических материалов или из монокристалла кварца. На поверхности пьезопластины наносят тонкие слои серебра, служащие электродами. При подаче на электроды напряжения пластина изменяет свою толщину вследствие так называемого обратного пьезоэлектрического эффекта. Если напряжение знакопеременно, то пластина колеблется в такт этим напряжением, создавая в окружающей среде упругие колебания. При этом пластина работает как излучатель. И наоборот, если пластина воспринимает упругие колебания, то на её поверхности вследствие прямого пьезоэлектрического эффекта появляются электрические заряды, величина которых может быть измерена. В этом случае пластина работает как приёмник. [1,2,3]. В живой природе ультразвук играет роль радара, при помощи которого животное (дельфин, летучая мышь) ориентируется в пространстве при охоте на добычу, а также при перемещении а полной темноте. Акустическая информация играет важную роль в ориентации китов. Находясь в специфической для млекопитающих среде, слуховая система китообразных подвергается воздействию разного рода помех, вызванных особенностями водной среды: появление ложных целей из-за температурных особенностей океана, изменения плотности водных масс, звуки поверхностных вод (шум ветра, волн, дождя и т.д.), звуки рыб, позвоночных, беспозвоночных и самих китов. Благодаря своим физико-химическим свойствам, водная среда как канал передачи информации имеет ряд особенностей: скорость распространения акустических колебаний примерно в 5 раз превосходит таковую в воздухе, благодаря неоднородности воды по температуре, солености, насыщенности кислорода акустические сигналы могут распространяться не прямолинейно. Пороговая кривая слуха дельфина афалины, в общем, согласуется с распределением интенсивности океанических шумов по спектру. Это по существу обеспечивает отстройку по интенсивности от преобладающих шумов океана, максимальная интенсивность которых сосредоточена в низкочастотной области до 100 Гц и резко уменьшается уже на частоте 10 кГц. Слух дельфинов обеспечивает отстройку от большинства аддитивных шумов. Как известно, в процессе охоты и ориентации дельфины излучают эхолокационные сигналы, которые представляют собой короткие импульсы с шириной спектра от 10 кГц до 200 кГц [1]. Кроме локационных акустических импульсов дельфины излучают свисты, лежащие в диапазоне до 50 кГц, часть диапазона свистов воспринимается человеком непосредственно на слух. Свисты изменяются или не изменяются по частоте, длительности, амплитуде акустического давления, наличием или отсутствием дополнительных гармонических составляющих, что также иногда слышно при прослушивании подводной обстановки. Несмотря на длительные исследования свистовых сигналов у китообразных, об истинном назначении этих сигналов имеются только предположения. В настоящей работе предпринята попытка, экспериментальным путём определить подходы к определению назначения свистовых сигналов у дельфинов [5]. Знание расстояния от раздела сред "вода-воздух", необходимо китообразным для обеспечения точного дыхательного акта "выдох-вдох". Во время преследования добычи эхолокационная система на коротких импульсах сигналах не может обеспечить биологическую систему информацией по всей сфере, т.к. данная система узконаправленная. Надо отметить, что при попадании дельфина в новые условия (пересадка животных из одного вольера в другой или в условия закрытого бассейна), дельфины изучают множество самых разнообразных свистов. При длительном пребывании животного в одной и той же акустической обстановке, акустическая палитра свистовых сигналов становятся значительно беднее. Что свидетельствует об адаптации биоакустической системы к данной помеховой обстановке [5]. В воде зрение теряет основную роль в анализе окружающей среды. На первое место выходит эхолокация, то есть активное "освещение" звуковыми импульсами и прием отраженных сигналов. Дельфины используя эхолокацию различают проволоку толщиной всего 0,15 мм, натянутую поперек бассейна. в котором они плавают, находят в воде шарики трехмиллиметрового диаметра, да еще безошибочно определяют материал, из которого они изготовлены (металл или пластмасса и пр.). Максимальное количество информации о внешнем мире человеку дает зрение. Наверное, именно по этому очень многие нервные пути вегетативной системы тесно связаны со зрительными буграми - областью мозга, обрабатывающей зрительную информацию. У дельфинов основную информацию дает звук, и, аналогично, большинство путей вегетативной системы у них проходит через область мозга, связанную с эхолокацией. Специалистами записаны странные звуки, которые издают некоторые виды китов. Со смущением говорят о них как о песнях. Объем мозга разрешает китам такие "излишества". В том, что связано с их жизненными потребностями, в символах своего языка, и киты, и дельфины имеют заслуживающий уважения интеллект. Вот только пищи у них предостаточно, нет необходимости использовать все разрешенные биологическим строением из мозга связи. Не исключено, что малочисленность врагов в среде обитания у китов и дельфинов могла закрепить биохимически в их нервной системе особенности, затрудняющие быструю защитную реакцию на добычу их человеком. 3.2 Типы и скорость ультразвуковых волн Упругие волны характеризуются скоростью распространения С, длиной волны λ, и частотой колебаний f. При этом под длиной волны понимается расстояние между ближайшими частицами, колеблющимися с одинаковыми частотами (в одинаковой фазе). Число волн, проходящих в 1 секунду, называют частотой. Длина волны связана со скоростью её распространения соотношением:
В качестве зависимости скорости ультразвука от температуры используется эмпирическая формула для сухого воздуха при нормальном давлении (1013гПа): С = С0 + 0,59*t°, (3.2) где С – текущее значение скорости; С0 – значение скорости звука при температуре - 0С°; t° - температура окружающей среды; 0,59 – коэффициент, имеющий размерность м/ С°*с. В зависимости от направления колебания частиц различают несколько типов волн. Если частицы среды колеблются вдоль распространения волны, то такие волны называются продольными (волнами растяжения – сжатия). В случае, если частицы среды колеблются перпендикулярно к направлению распространения волны, то это волны – поперечные (волны сдвига). Поперечные волны могут возникать лишь в среде, обладающей сопротивлением сдвига. Поэтому в жидкой или газообразной средах образуются только продольные волны [1,11,2]. 3.3 Выбор основных параметров Тип волн определяется габаритами и формой контролируемого изделия, материала. Продольными или поперечными волнами контролируют изделия относительно большой толщины, в несколько раз большей длины волны. Продольные волны используют в том случае, если УЗК необходимо ввести перпендикулярно или под небольшим углом к поверхности; поперечные – если угол ввода должен быть небольшим (35 град. и больше). Частоту УЗК выбирают с учётом затухания УЗК в материале и габаритов контролируемых изделий; для уровнемеров затухание характеризуется самой средой контроля. Чем выше частота, тем меньше длина волны в среде, и тем хуже отражение от поверхности материала (жидкость или сыпучий материал), так как волны, длина которых меньше размеров частиц материала, многократно отражаются от частиц и тем самым поглощаются в материале; а для дефектоскопов наоборот: чем меньше длина волны, тем лучше отражение от скрытых дефектов в изделии. Мощность импульсов вводимых в среду устанавливают изменением длительности возбуждающего импульса [2]. 3.4 Помехи при контроле ультразвуковом методом При контроле эхо методом важно, чтобы пришедший сигнал был гораздо выше фона помех, шумов. Существует несколько видов помех: электрические помехи связаны с работой различных контактных устройств, и другой аппаратуры. От электрических помех можно бороться шунтированием шин питания керамическими конденсаторами, экранированием прибора (усилителя и фильтров); акустические внешние помехи возникают в результате трения или ударов по контролируемому изделию (для дефектоскопов). Для уровнемеров они не столь сильно важны; помехи приёмника уровнемера (дефектоскопа) связаны с шумами элементов усилительного тракта. Эти помехи препятствуют увеличению коэффициента усиления и ограничивают значение регистрируемого прибором сигнала. Для их подавления применяют дифференциальные усилители на операционных усилителях или на дискретных элементах, а также снимают входное сопротивление усилителя, ставят фильтры; шумы преобразователя появляются в связи с многократным отражением УЗ в пьезоэлементе, протекторе, слое контактной жидкости и затягивают действие зондирующего импульса. По мере удаления от зондирующего импульса эти помехи исчезают. Наименьшим уровнем помех обладают преобразователи раздельного типа; ложные сигналы возникают в результате отражения УЗК от стенок резервуара. Эти сигналы мешают выявлению истинного сигнала на экране осциллографа; структурные помехи связаны с рассеянием УЗК на структурных неоднородностях, крупинок сыпучего материала. Эти помехи называют структурной реверберацией. Сигналы в результате рассеяния УЗК на различных неоднородностях, приходят к приёмнику в один и тот же момент времени и складываются. В зависимости от фаз отдельных сигналов они могут взаимно усилиться или ослабить друг друга. Отличительной особенностью структурных помех является наличие большого количества импульсов на всей линии развёртки экрана осциллографа или на значительном её участке. Эти импульсы часто называют «травой». Такие сигналы быстро изменяют своё положение, исчезают и появляются при небольших перемещениях преобразователя (излучателя) [2]. 3.5 Коэффициент затухания Ослабление амплитуды плоской гармонической волны в результате взаимодействия её со средой происходит по экспоненциальному закону
где х – путь в среде,
Величина, обратная коэффициенту затухания, показывает, на каком пути амплитуда волны уменьшается в е раз, где е – число Непера, поэтому затухание измеряется в м-1. коэффициент затухания складывается из коэффициентов поглощения δп и рассеяния δр: δ = δп+δр. (3.3) При поглощении звуковая энергия переходит в тепловую, а при рассеянии энергия остаётся звуковой, но ухолит из направленно распространяющейся волны. В газах и жидкостях, не засоренных инородными частицами, рассеяние отсутствует, и затухание определяется поглощением. Коэффициент поглощения пропорционален квадрату частоты. В связи с этим в качестве характеристики поглощения звука в жидкости и газе вводят величину δ’. δ’= где δ’- коэффициент поглощения. Коэффициент поглощения в твёрдых телах пропорционален частоте или тоже квадрату частоты. Для одной и той же среды поглощение поперечных волн при постоянной частоте меньше, чем продольных. 4. Обзор существующих аналогов На сегодняшний день для непрерывного контроля уровня сыпучих материалов при помощи ультразвука имеется аналоги проектируемого прибора. Отечественным аналогам является прибор УЗУ-2Т - уровнемер ультразвуковой с каналом термокомпенсации. Он предназначен для измерение уровня без контакта с контролируемой средой с возможностью температурной компенсации скорости звука. Данный прибор предназначен для локации снизу резервуара, что не подходит для нашего случая, потому что очень велико затухание УЗ в опилках и коэффициент прохождения УЗ через металлическую стенку днища резервуара в опилки составляет менее 1%. Так же имеются и зарубежные аналоги, но существенным недостатком является то, что их стоимость в 10 раз превышает стоимость отечественных. Характеристики данного прибора представлены в таблице 4.1. Таблица 4.1 – Характеристики аналога УЗУ-2Т
5. Выбор и обоснование схемы электрической структурной 5.1 Обоснование схемы В данной схему входят две части: аналоговая и цифровая, как показано на рисунке 5.1. Аналоговая часть состоит из последовательно включённых фильтров и усилителя на их выходе. Последовательно включённые фильтры образуют избирающий фильтр, настроенный на частоту излучения передатчика MA40B8S. Усилитель обладает высоким коэффициентом усиления и равен 60Дб. Формирователь импульса прерывания предназначен для сообщения процессору о прекращении счёта времени прохода УЗ импульса от излучателя к приёмнику. Данное прерывание вызывает подпрограмму обработки собранной информации и вычисление расстояние через время пролёта и скорректированную скорость. В схеме прибора имеется датчик температуры DS1821, выдающий информацию о температуре внутри резервуара. Связь датчика с микроконтроллером обеспечивается по шине MicroLAN (one wire – интерфейс). Микроконтроллер является ведущим устройством для данного датчика, поэтому контроль осуществляется процессором. О данном интерфейсе будет сказано ниже. Генератор импульсов частотой 1 MHz предназначен для счёта времени пролёта УЗ импульса. Данный генератор выполнен логическом элементе 2И – НЕ с обратной связью, выполненной на кварце, что улучшает стабильность частоты. При частоте в 1MHz и при температуре 50°С получаем:
Разрешение при частоте излучения передатчика в 40 kHz – 2 мм.
Рисунок 5.1 – схема электрическая структурная На рисунке 5.1 показано, что процессор управляет и высокочастотным генератором УЗ импульсов. Генератор, в свою очередь, выполнен на компараторе LM311, работающий на электронный ключ, выполненный на MOSFET – транзисторе. Нагрузкой транзистора является импульсный трансформатор, а нагрузкой трансформатора является сам передатчик УЗ импульсов, т.е. ёмкостная нагрузка величиной в 2 нФ. Индикация результата обработки информации статическая, т.е. применяются умощненные регистры хранения 74НС374 полученной ими информации от дешифратора CD4055. Процессор адресует определённый регистр и выдаёт информацию на его входы через дешифратор CD4055, и индикаторы высвечивают полученную информацию в виде цифр. Для питания всей схемы используется встроенный стабилизированный источник питания с выходными напряжениями ±15В и +5В – для питания цифровых цепей. Стабилизация напряжений осуществляется интегральными стабилизаторами напряжения L7815 и L7915 предназначенные на напряжения +15В и -15В соответственно. А вот для питания цифровой части устройства применяется такая же микросхема, но предназначена на напряжение +5В. Также имеется в составе блока питания силовой трансформатор с тремя вторичными обмотками, рассчитанные на соответствующие выходные напряжения. Блок питания питается от сети переменного тока напряжением 220В и частотой 50Гц. 5.2 Описание шины 1-Wire Шина 1 – Wire является основой сетей MicroLAN и разработана в конце 90 – х годов фирмой Dallas Semiconductor. Идея состояла в том, чтобы соединить между собой множество различных микросхем, расположенных на значительном расстоянии друг от друга, используя при этом всего один сигнальный провод. Разумеется, кроме сигнального провода для замыкания должен быть и обратный так называемый «общий провод». Все микросхемы должны подключаться к такой двухпроводной шине параллельно. И вот по этой линии, состоящей всего из двух проводников от одной микросхемы к другой, должна передаваться информация, как в прямом направлении, так и в обратном. Характеристики шины: максимальная протяжённость шины до 300 м; скорость передачи информации, Кбит/с – 16.3; максимальное количество адресуемых элементов на шине – 256; уровни напряжений на шине соответствуют стандарту ТТЛ/КМОП уровням; напряжение питания элементов, В – 2.8…6; лля соединения микросхем, датчиков может применяться витая пара. Шина MicroLAN, как и шина I2C, построена по технологии Master/Slave. На шине должно быть хотя бы одно ведущее устройство (Master). Все остальные устройства должны быть ведомыми (Slave). Ведущее устройство инициирует все процессы передачи информации в пределах шины. Передача информации от одного ведомого устройство к другому напрямую невозможна. Для этого ведущее устройство должно обращаться к одному ведомому устройству, а затем к другому, причём каждое ведомое устройство должно иметь свой индивидуальный ID – код, который заносится в специальную область микросхемы лазером. Такой код никогда не повторится. Ещё одним замечательным свойством обладает данная шина: имеется возможность автоматического обнаружения только, что подключенного ведомого устройства. протокол 1 – Wire включает в себя специальную команду поиска, при помощи которой ведущее устройство может осуществлять автоматический поиск ведомых устройств. В процессе поиска Master определяет ID – коды для всех подключенных ведомых устройств. Поиск происходит путём постепенного отсеивания несуществующих адресов. Поэтому для того, чтобы найти все устройства, подключенные к шине требуется значительное время [12]. 5.2.1 Схемная реализация 1-Wire интерфейса Схема соединения ведущего устройства с ведомым однопроводной шиной 1 - Wire показана на рисунке 5.2, нагрузкой шины является сопротивление резистора R1. данный резистор обязан находится в непосредственной близости от ведущего устройства. С большим успехом можно применять микросхемы, у которых выходные каскады построены по КМОП технологии, вместо биполярных транзисторов в выходных каскадах. В режиме ожидания все выходные каскады закрыты. На шине присутствует напряжение логической единицы. Информация же передаётся по шине при помощи отрицательных импульсов.
Рисунок 5.2 – Схемная реализация 1-Wire Интерфейса Источник тока ведомого устройства необходим для создания тока утечки, который, в свою очередь, создаёт нулевой уровень сигнала на внутренних элементах микросхемы или датчика при их отключении от шины 1 – Wire. Диод VD1,резистор R2, конденсатор C1: все эти элементы используются в режиме паразитного питания, т.е. микросхема или датчик могут запитываться от информационной шины. Однако, режим паразитного питания не всегда применим, а только при сверх малом потреблении энергии [12]. 5.2.2 Синхронизация и побитная передача информации Все операции на шине производятся только под управлением ведущего устройства. Оно может производить запись информации в ведомые устройства, а также их чтение. Информация передаётся побайтно, бит за битом, начиная с младшего бита. В любом из этих двух режимов ведущее устройство вырабатывает на шине тактовые сигналы. Для этого оно периодически «подсаживает» шину на землю при помощи выходных транзисторов своего 1 – Wire интерфейса. Полезная информация передаётся путём изменения длительности импульсов тактового сигнала. Для надёжной работы шины необходимо, чтобы в процессе передачи информации всеми элементами сети, строго соблюдались временные параметры. Каждая микросхема или датчик, подключённые к сети, самостоятельно вырабатывают все необходимые для работы шины интервалы времени, причём для ведущего устройства эти требования более жёсткие, чем к ведомым.
Как видно из рисунка 3.3 величина интервала для передачи одного бита информации должна лежать в пределах от 60 мкс до 120 мкс. Длительность синхроимпульса лежит в пределах 1 мкс. Ведомое устройство, обнаружив на шине передний фронт синхроимпульса, должно сформировать задержку минимум на 15 мкс, и затем произвести проверку сигнала на шине. Допустимый разброс времени задержки для разных типов микросхем и датчиков лежит в пределах от 15 мкс до 60 мкс. В режиме записи нулевого бита ведущее устройство вырабатывает только синхроимпульсы, длительность которых равна 1 мкс. Если читаемый бит равен нулю, то ведомое устройство продлевает длительность синхроимпульса. Минимальная длительность продлённого импульса составляет 15 мкс. Для этого временного интервала допускается довольно большой разброс. В пределах этого разброса длительность удлинённого импульса может вырасти до 45 мкс. Если же читаемый бит равен единице, то удлинения синхроимпульса не происходит. Для того, чтобы правильно оценить значение читаемого байта ведущее устройство должно прочитать уровень сигнала на шине сразу после окончания синхроимпульса, но не позднее, чем через 15 мкс [12]. 5.2.3 Обнаружение присутствия на линии Любой цикл обмена данными в сети MicroLAN начинается с импульса сброса (рисунок 5.4). Импульс сброса – это длинный отрицательный импульс на шине 1 – Wire, вырабатываемый ведущим устройством.
Временные параметры показаны на том же рисунке. С импульсом сброса, тесно связан ещё один служебный сигнал – сигнал присутствия на шине. Сигнал присутствия вырабатывает каждое ведомое устройство сразу же после окончания действия импульса сброса. Ведущее устройство должно проконтролировать наличие этого импульса. Если же сигнала присутствия нет, то значит, что на линии нет ни одного ведомого устройство. Длительность импульса сброса должна быть не менее 480 мкс. Процесс передачи информации может начаться не ранее, чем 480 мкс после окончания действия импульса сброса. В этом временном интервале и ожидается появление сигнала присутствия. Для этого после окончания импульса сброса ведущее устройство «отпускает» линию и ждёт сигнала от ведомого устройства. Каждое ведомое устройство после обнаружения сигнала сброса выдерживает паузу на время 15…60 мкс, а далее оно « подсаживает» линию. Длительность импульса присутствия составляет 60…240 мкс. Ведущее ус – во проверяет сигнал нулевого уровня в середине этого временного интервала. Если сигнал обнаружен, то значит есть, хотя бы одно нормально работающее устройство. Любая операция в сети начинается с команды. Команда представляет собой один байт информации. Каждая команда имеет свой собственны код. На рисунке 5.5 представлен протокол 1 – Wire интерфейса.
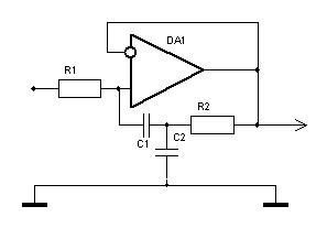
Ведущее устройство инициирует сброс, затем ведомое устройство выделяет сигнал задержки единичного уровня, далее: это же устройство инициирует сигнал присутствия на линии. Ведущее устройство при обнаружении присутствия ведомого устройства на линии начинает посылать команду чтения или записи в регистры управления ведомого устройства. Затем ведущее устройство начинает посылать данные или принимать их. По такому принципу работает шина 1 – Wire. Для реализации такого интерфейса используется обычно вывод какого – либо порта для передачи команд термодатчику и приёма одного байта информации о температуре. Все необходимые задержки формируются командами процессора [12]. 5.3 Избирательные RC – усилители Электрические фильтры находят широкое применение в радиотехнике и автоматике, измерительной и вычислительной технике, в акустике и сейсмологии. Они выполняют разнообразные функции: выделение и преобразование полезного сигнала, устранение помех и наводок в электрических цепях, анализ частотного спектра сигналов и шумов, коррекцию АЧХ высококачественных усилителей и обеспечение устойчивости систем автоматического регулирования. До недавнего времени наиболее экономично и эффективно задачи фильтрации электрических сигналов решались с использование LC - фильтров. Однако на ряду с достоинствами (достаточной частотной стабильностью, связанной с малой чувствительностью параметров фильтров к разбросу L и C, низким уровнем шумов, возможностью простой реализации разнообразных частотных характеристик) LC – фильтры имеют ряд существенных недостатков: большие масса и габариты (особенно на низких частотах), сложность и высокая стоимость изготовления, малая помехоустойчивость к электромагнитным полям, нелинейность, связанная с насыщением материала магнитопровода. Несовременным представляется использование в радиоэлектронной аппаратуре экранированных катушек индуктивности, занимающую большую часть объёма и определяющих основную массу изделия. Попытки уменьшения габаритов катушек индуктивности не приносят положительных результатов, поскольку добротность уменьшается квадрату её линейных размеров. Именно поэтому все попытки реализации катушек индуктивности методами интегральной технологии привели к неудачам. В РЭА фильтрацию электрических сигналов часто осуществляют с помощью электромеханических фильтров. По сравнению с LC- фильтрами имеют ряд достоинств: большая добротность, лучшую температурную и временную стабильность, меньшие габариты и массу на низких частотах. Широко применяются два типа электромеханических фильтров: пьезоэлектрические, механические. С функциональной точки зрения электромеханические фильтры обладают ограниченными возможностями, поскольку представляют из собой полосовые или режекторные фильтры. Реализация других частотных характеристик возможна лишь при использовании дополнительных схемных элементов и компонентов: преобразователей, усилителей, конденсаторов, резисторов [3]. Достижения полупроводниковой техники и особенно микроэлектроники обусловили интенсивную разработку и широкое применение активных RC – фильтров, технология изготовления которых хорошо сочетается с технологией интегральных микросхем. Активные RC – фильтры обеспечивают возможность получения разнообразных частотных характеристик, имеют малые массу и габаритные показатели, особенно на низких и инфранизких частотах. Уступая в ряде случаев по параметрам электромеханическим фильтрам, активные RC – фильтры благодаря своей доступности и простоте реализации являются для разработчиков аппаратуры основным средством осуществления фильтрации электрических сигналов. Одним из их важных достоинств является возможность совмещения в одном устройстве функции фильтрации и усиления. Активные RC – фильтры можно разделить на две группы: линейные и квазилинейные. В линейных активные элементы используются в линейном режиме. Принцип действия квазилинейных основан на использовании нелинейных характеристик отдельных активных элементов. Они, однако, имеют линейные амплитудные характеристики в определённом диапазоне входных сигналов. К числу квазилинейных фильтров можно отнести синхронные, квадратурные, цифровые, а также фильтры, выполненные на основе схем фазовой автоподстройки частоты (ФАПЧ). Основной особенностью синхронных и квадратурных фильтров на основе схем ФАПЧ является преобразование спектра входных сигналов. При этом полоса пропускания фильтров в области высоких частот определяется узкой полосой пропускания используемых в них фильтров нижних частот. Это даёт возможность обеспечить получение добротностей до 120 дБ, т.е. даже больших, чем при использовании электромеханических фильтров. Другими несомненными достоинствами подобных фильтров являются их принципиальная устойчивость и высокая стабильность резонансных частот, обеспечиваемая возможностью использования кварцевых генераторов. Недостатками фильтров являются их относительная сложность и невысокий динамический диапазон (50 – 60 дБ), что обусловлено их большим уровнем шумов. В цифровых фильтрах осуществляется преобразование сигналов в цифровую форму, затем производятся арифметические действия с полученными цифрами, выполняемые по определённым алгоритмам. На завершающем этапе производится преобразование полученных цифр в аналоговый сигнал. Изменение спектрального состава входных сигналов определяется алгоритмами обработки цифрового кода. Обработка цифрового кода может производиться как в специализированном устройстве, разрабатываемом специально для цифрового фильтра, так и на ЭВМ а различных масштабах времени. В РЭА примерно 80% случаев требуемое значение добротности не превышает 50. фильтры с такой добротностью могут быть просто реализованы на основе линейных активных RC – цепей. Чаще всего линейные активные RC – фильтры строятся на основе звеньев второго порядка, имеющих узкополосный выброс АЧХ. Чем выше требования к крутизне АЧХ, тем большее число таких звеньев должно присутствовать в схеме фильтра. Под полосовым RC – усилителем обычно понимают усилитель, состоящий из последовательного и параллельного соединений нескольких селективных RC – цепей и обеспечивающий преимущественное усиление сигналов в узкой полосе частот. полосовые и селективные RC – усилители объединяются общим понятием «избирательный RC – усилитель». Выбор элементной базы является одним из важных этапов проектирования. При выборе активных элементов предпочтение в настоящее время следует отдавать усилительным микросхемам общего применения. Это позволит уменьшить габариты фильтров, снизить их стоимость и потребляемую мощность, повысить надёжность. Учитывая возможность многоцелевого использования активных RC – фильтров на основе усилительных микросхем общего применения позволяет обеспечит высокую степень унификации и стандартизации электронной аппаратуры. Наиболее распространёнными усилительными микросхемами общего применения являются операционные и широкополосные усилители. 5.3.1 Классификация фильтров Потенциально - устойчивые усилители Селективная АЧХ в таких случаях может быть реализована различными путями. Один из них – введение в петлю отрицательной обратной связи двух минимально – фазовых цепей. В качестве минимально – фазовых цепей для получения селективной характеристики чаще всего используют дифференцирующие и интегрирующие цепочки. В качестве минимально – фазовых цепей могут быть использованы также дифференциаторы и интеграторы, выполненные на основе усилителей напряжения. использование активных фазосдвигающих цепей в петле отрицательной обратной связи позволяет улучшить резонансную частоту, практически не зависимую от коэффициента усиления по петле обратной связи. В качестве примера приведена схема усилителя (рисунок 5.6), состоящая из дифференциатора, выполненного на усилителе, резисторе R2, конденсаторе С1 и включенного совместно с дифференцирующей цепочкой R1C2 в петлю общей отрицательной обратной связи. При большом коэффициенте усиления резонансная частота не зависит от коэффициента усиления.
Рисунок 5.6 – Схема усилителя
Увеличить добротность схем можно, преобразуя потенциально устойчивые схемы в потенциально неустойчивые. Добиться этого можно, сняв определённые ограничения, необходимые для получения потенциально устойчивых схем. Например, если использовать не две, а большее количество минимально – фазовых цепей в петле отрицательной обратной связи, то добротность схемы принципиально можно получить сколь угодно большой. При этом естественно, следует помнить, что усилитель может возбуждаться при охвате годографом точки -1 [10].
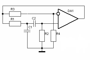
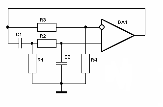
Рисунок 5.7 – Схема усилителя с отрицательной обратной связью Потенциально - неустойчивые усилители Положительное качество потенциально неустойчивых схем заключается в возможности получения высоких добротностей при сравнительно малых коэффициентах усиления активных элементов. Это и определило преимущественное использование потенциально – неустойчивых схем в период ламповой и частично-транзисторной электроники. К селективным усилителям относятся схемы на ТТ – мосте (режекторный фильтр) и узко – полосный усилитель. При использовании симметричного моста добротность схемы равна ¼ коэффициента усиления, а несимметричного ½ коэффициента усиления по петле обратной связи. Это обеспечивало получение добротностей порядка 100 – 300. основной недостаток этих схем заключается в большой чувствительности их добротности к вариациям пассивных элементов. Большая чувствительность добротности к вариациям пассивных элементов приводит к трудностям настройки схемы, перестройки резонансных частот. Например, для настройки усилителя на 2Т – мосте не другую резонансную частоту необходимо менять два элемента моста, что существенно усложняет и делает трудоёмким процесс получения необходимых параметров [10]. К полосовым и режекторным фильтрам также относится мост Вина, включённый в цепь обратной связи усилителя (рисунок 5.8, 5.9).
Рисунок 5.8 - Мост Вина включённый в цепь обратной связи усилителя
Рисунок 5.9 - Мост Вина включённый в цепь обратной связи усилителя 6. Выбор схемы электрической принципиальной 6.1 Схема высокочастотного генератора Схема генератора УЗ – колебаний показана на рисунке 6.1. Схема выполнена на компараторе LM311. Данный компаратор имеет вход (вывод 6) разрешения работы. Этот вывод подключается к одной из семи линий порта в микроконтроллера. При подаче логического нуля на вход разрешения работы компаратор перестаёт вырабатывать импульсы и на его выходе присутствует положительное напряжение насыщения, т.е. почти положительное напряжение питания.
Рисунок 6.1 – Схема генератора УЗ Резисторы R1 и R2 выберем из соотношения 1:10 (10 кОм и 1 кОм соответственно) для работы на линейном начальном участке экспоненциального напряжения, получаемого при заряде и разряде конденсатора. Выберем конденсатор ёмкостью 1нФ. Тогда получаем из формулы (6.1) для длительности импульсов положительной и отрицательной полярностей - 12.5 мкс (период равен двум длительностям импульса
где tи – длительность импульсов меандра.
Резистор R3 из ряда Е48 – 68.1 кОм ± 1% Для выставления более точного времени стоит реостат сопротивлением 1 кОм. Мощности резисторов вычисляются по формуле:
где Uнас – напряжение насыщения компаратора, равное 15В. Для резистора R1 имеем:
Для резистора R2:
Все резисторы данного узла мощностью 62 мВт. К выводам питания компаратора подключены керамические конденсаторы ёмкостью 100нФ для шунтирования помех, идущих по цепи питания. Для подключения компаратора к микроконтроллеру стоит резистор R5 сопротивлением 1 кОм. 6.2 Генератор отсчета времени с частотой 1MГц Схема генератора для отсчёта времени, работающий на шестнадцатиразрядный таймер1 микроконтроллера 90S2313, представлена на рисунке 6.2. Главным частотозадающим элементом в данной схеме является кварцевый резонатор частотой 1 МГц. Резисторы R1 и R2 имеют рекомендованные сопротивления 1кОм, выводящие выходные каскады микросхем в активный режим. Выход микросхемы DD2 подключается ко входу таймера1.
Рисунок 6.2 – Генератор отсчета времени 6.3 Фильтр высоких частот На рисунке 6.3 показана принципиальная схема фильтра ВЧ.
Рисунок 6.3 – Фильтр ВЧ Расчёт произведён в MathCAD:
где ω1 – резонансная частота фильтра; Н1 – передаточная характеристика; α1 – коэффициент.
Рисунок 6.4 – Передаточная характеристика фильтра Данный ФВЧ пропускает только частоты выше граничной частоты – 38кГц и подавляет нижние частоты, расположенные ниже 38 кГц, как показано передаточной характеристики фильтра (рисунок 6.4). Фильтр ВЧ выполнен на микросхеме LM318 [22]. 6.4 Фильтр низких частот На рисунке 6.5 показана принципиальная схема ФНЧ с шунтирующими по питанию конденсаторами против помех.
Рисунок 6.5 – Фильтр низких частот Расчёт произведён в MathCAD:
где ω0 – резонансная частота; Н(ω) – передаточная характеристика; α – коэффициент.
Рисунок 6.6 – Передаточная характеристика фильтра 6.5 Усилитель На рисунке 6.7 приведена схема усилителя с высоким коэффициентом усиления. Схема выполнена на прецизионном операционном усилителе LM318.
Рисунок 6.7 – Схема усилителя Выводы питания операционного усилителя (ОУ) зашунтированы керамическими конденсаторами также, как и у фильтров для предотвращения самовозбуждения и влиянию помех. К выводам 1 и 5 подключен потенциометр для баланса нуля на выходе. Шунтирующие конденсаторы должны находиться как можно ближе к выводам микросхемы при монтаже схемы. Рассчитаем требуемый коэффициент усиления методом подбора сопротивлений:
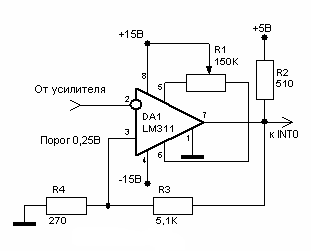
При усилении в 1000 граничная частота усилителя находится в пределах 80 – 100 кГц. 6.6 Формирователь прерываний INT1 Формирователь прерывания необходим для сообщения микроконтроллеру о том, что отсчёт времени нужно прекратить и выполнять подпрограмму обработки. Алгоритм программного обеспечения будет рассмотрен ниже по отдельности. Формирователь показан на рисунке 6.8.
Рисунок 6.8 – Формирователь прерываний При отсутствии сигнала с выхода усилителя выход компаратора находится на общем проводе, т.к. открыт выходной транзистор компаратора, который «подсаживает» выход на общий провод, вследствие, заданного порога на его неинвертирующем входе. При поступлении сигнала с выхода усилителя на инвертирующий вход компаратора выше порогового уровня компаратор переключается и на его выходе присутствует напряжение логической единицы ТТЛ – уровня. Переключение происходит из – за запирания выходного транзистора компаратора. В результате таких процессов, происходящих в формирователе, образуется импульс, показанный на рисунке 6.9. Здесь выходное напряжение формирователя показано с временной задержкой в 200 нс.
Рисунок 6.9 – Получаемый импульс При задержке компаратора и из – за временной задержки прохода напряжения от нуля до порогового уровня получается погрешность измерения времени микроконтроллером, т.е. из – за момента, когда надо остановить счёт времени. Расстояние, пройденное УЗ – импульсом за время полной задержки определяется как:
где tкомп – время задержки компаратора; tпрг – временная задержка прохода сигнала до порогового уровня; t – температура воздуха. При проходе УЗ – импульса определённого расстояния: 6м (3м+3м) входное напряжение приёмника УЗ импульсов составляет порядка 20мВ, тогда выходное напряжение усилителя составит 20мВ· 1020 = 20,4В. Если выходное напряжение усилителя будет равняться напряжению порога, то погрешность измерения времени будет не поправимо большой. В этом случае пороговая задержка составит половину УЗ импульса. (6.25мкс), но такая ситуация не предвидится, т.к. приёмник очень избирательный и чувствительный. Если усилитель будет выдавать сигнал близкий по форме к прямоугольнику, то пороговая задержка будет очень малой, что благоприятствует измерениям. 6.7 Ключевой элемент с пьезокерамическим излучателем Пьезокерамический излучатель представляет собой ёмкостную нагрузку для трансформатора (рисунок 6.10).
Рисунок 6.10 – Пьезокерамический излучатель Рекомендованное производителем максимальное подводимое к излучателю напряжение – 40 В. Зададимся для расчётов коэффициентом трансформации 1, т.е. выходное напряжение вторичной обмотки составляет 15 В. В виду того, что при неработающем компараторе на его выходе присутствует напряжение +15В, то был выбран КМОП транзистор с Р – каналом, для которого отпирающее напряжение является отрицательным до -20В. Между затвором и истоком поставлен стабилитрон на напряжение 12В, чтобы обезопасить режим работы ключа на первичную обмотку трансформатора, представляющая собой нагрузку индуктивного характера для транзистора. Данные для расчёта: коэффициент трансформации – 1; емкость нагрузки СН = 2нФ; резонансная частота f0 = 40кГц. Так как пьезокерамический излучатель представляет собой ёмкостную нагрузку, то расчёт ведётся на резонансную частоту (40кГц). Вторичная обмотка трансформатора совместно с излучателем является параллельным колебательным контуром. Откуда из формулы для резонансной частоты получаем требуемую индуктивность вторичной обмотки:
Характеристическое сопротивление контура (или один из его элементов) определяется как:
Параллельный контур представляет из себя фильтр настроенный на первую гармонику релаксационных колебаний (импульсов). Тогда амплитуда первой гармоники считается, как:
Максимальный и действующий токи вторичной обмотки, определяемые характеристическим сопротивлением:
Определяем размеры магнитопровода из аморфного сплава ГМ43ДС:
где Вmax – максимальная индукция при напряжённости поля 8 А/м Выбираем магнитопровод К12х5х5 с размерами: объём, мм3 – 133.5, у которого площадь окна составляет 19,6мм2 и площадь сечения магнитопровода 17,5 мм2, длина магнитной линии, мм – 26,7мм. Кол – во сердечников – 2. Число витков:
Диаметр обмоточного провода:
Выбираем провод ПЭВ – 2 с диаметром с изоляцией 0.08 мм. Так как коэффициент трансформации равен 1, то число витков первичной обмотки такое же, т.е. 81 и площадь сечения провода такое же, т.к. токи обмоток одинаковы. Коэффициент заполнения окна:
где Sизол – площадь сечения провода по изоляции. Индуктивность вторичной обмотки:
Сопротивление провода вторичной обмотки:
где
Добротность контура определяется как:
где Rnp - сопротивление обмоточного провода обмотки;
Rшунт – сопротивление резистора цепи сброса энергии, подбираемой подбором. Граничные частоты контура: нижняя граница:
Верхняя граничная частота:
В цепи стока транзистора VT1 стоят два одинаковых по параметрам колебательных контура, настроенных на первую гармонику импульсов. Шунтирующая цепь VD2 и R2 осуществляют сброс энергии дросселя и понижает добротность контура для того, чтобы была малая инерционность системы излучателя. 6.8 Расчет стабилизированного источника питания У данного прибора имеется свой собственный источник стабилизированного напряжения. Аналоговая часть, как уже говорилось ранее, схема питается напряжением ±15В, цифровая часть питается напряжением уровня ТТЛ – логики, т.е. +5В. Как показано на рисунке 6.11 стабилизация напряжений всех уровней осуществляется стабилизаторами непрерывного действия L7805S – на напряжение +5В, L7815S – то же самое, но на +15В, L7915S – то же самое на -15В. Стабилизаторы упакованы в корпус ТО220. максимальный выходной ток всех стабилизаторов 1.5А.
Рисунок 6.11 – Источник питания Для расчёта тока, протекаемого через стабилизаторы источника питания, необходимо просуммировать токи потребления всех микросхем, причём для канала напряжений ±15В свои токи (микросхем аналоговой части), а для +5В – потребляемые токи всех цифровых микросхем. Для расчёта токов необходимо воспользоваться схемой структурной принципиальной. Рассчитаем ток потребления аналоговой части:
где Iключ – ток намагничивания ключа с трансформатором пьезокерамического излучателя. Примем коэффициент запаса по току 1,5, тогда ток потребления:
Здесь ток потребления является одинаковым, как для +15В, так и для -15В. Рассчитаем ток потребления цифровой части:
Ток потребления с коэффициентом запаса:
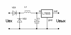
6.8.1 Расчет канала 5В Примем на входе (рисунок 6.12) микросхемы L7805 напряжение Uin= 7B, тогда мощность рассеивания при выходном напряжении Uout = 5B определяется как:
Рисунок 6.12 – Канал 5В Индуктивность сглаживающего дросселя:
где В – коэффициент пропорциональности, служащий для вывода индуктивности из режима критического тока. Ёмкость сглаживающего конденсатора при коэффициенте пульсаций 10%
Диоды однополупериодного выпрямителя выбираются по среднему току, т.е. по току нагрузки, но так как ток короткого замыкания достигает 0,75А, то выбираем диоду по нему. Диоды выпрямителя: КД212В (1А, 100В). Действующее напряжение вторичной обмотки W23 (см. рисунок 4.9)
Действующий ток вторичной обмотки:
Максимальный ток дросселя:
Действующий ток дросселя:
Данный ток считается так, если принять ток дросселя треугольной формы. Конструкторский расчет дросселя Материалом магнитопровода дросселя можно применить электротехническую сталь марки 1521 (Э44 – новое обозначение). Выберем из справочных данных [15] индукцию 1,2 Тл при 500 А/м. при толщине ленты магнитопровода 0,25мм примем коэффициент стали – 0,93. Данные для расчёта см. п. 6.8.1. Находим размеры магнитопровода:
Выберем магнитопровод типоразмером – ОЛ 20х12х8. Параметры, которого: ScmSok = 0.362см4; длина магнитного пути – 5 см; Площадь сечения магнитопровода – 0,32 см2; площадь окна сердечника –1,13см2. Число витков (Wдр) обмотки дросселя:
Диаметр провода (d) обмотки дросселя:
где J – плотность тока, равная 3 А/мм2 Выбираем провод – ПЭТВ диаметром 0,44мм площадь сечения, которого 0,15мм2 [15]. Коэффициент окна:
Индуктивность:
Зазор немагнитный вычисляется, как:
Потери (Робм) в обмотке дросселя:
где Rпгн – погонное сопротивление провода; lвит – длина витка. Потери (Pмгн) в магнитопроводе дросселя:
где Ммгн – масса выбранного магнитопровода; Руд – удельные потери магнитопровода. Полные потери дросселя:
Пересчитаем ёмкость конденсатора
Выбираем ёмкости номиналами 470мкФ и 47мкФ. 6.8.2 Расчет канала ±15В Методика расчета данного канала аналогичная предыдущей, только отличие состоит в том, что выпрямитель здесь уже двухполупериодный. Выберем напряжение Uin1 и Uin2 - 17В. Падение напряжения (Uпад) на стабилизаторах составит 2В. Данный стабилизированный источник питания (рисунок 6.13) применяется исключительно только для аналоговой части прибора. Мощность рассеиваемая каждым стабилизатором составит.
Рисунок 6.13 – Стабилизированный источник питания
где Iанлг – ток аналоговой части, взятый из предыдущих расчётов. При токе короткого замыкания 1А эта вырастит до 2Вт, но у таких микросхем есть в своей схеме защита от короткого замыкания, которая отключает микросхему при перегреве. Индуктивность фильтра вычисляется, как:
где А – коэффициент соотношения между индуктивностью и ёмкостью сглаживающего фильтра, т.е. при уменьшении индуктивности в А раз увеличивается ёмкость в А раз. Физический объём дросселя гораздо больше объёма конденсатора. Если конденсатор предназначен для низковольтного применения, то его массогабаритные показатели предпочтительнее, чем сам дроссель. Максимальный ток дросселя при учёте его формы (рисунок 6.14), близкой к треугольной:
Рисунок 6.14 – Ток дросселя Действующий ток дросселя (см рисунок 6.13):
Ёмкость конденсатора:
Действующий ток вторичной обмотки W21:
Напряжение вторичной обмотки W21:
где Uin1 - входное напряжение стабилизаторов. Расчет сглаживающих дросселей Магнитопроводы дросселей изготовлены из такой же стали (Э44), что и первый дроссель, поэтому расчёт такой же. Данные для расчета: L1,2 = 0.044Гн; IL1max = 0.09A; IL1эфф = 0,074А; Кпл = 5%; f=50Гц. Ищем размеры магнитопровода:
Выбираем магнитопровод [15] с типоразмером: ОЛ 16х10х4, у которого:
Число витков дросселей
Диаметр провода:
Выбираем провод по диаметру меди [15]: ПЭТВ – 0,22мм, у которого Snp = 0.038мм2 Коэффициент окна:
Зазор немагнитный вычисляется, как:
Получаемая индуктивность:
где Вmax – выбранная максимальная индукция при максимальной напряжённости поля Нmax. Пересчитаем ёмкость конденсатора
Выбираем конденсаторы ёмкостью 470мкФ + 47мкФ, 25В Потери в обмотке (Робм) одного дросселя:
Потери (Рмгн) в магнитопроводе массой Ммгн = 3,2г:
Суммарные потери во всех дросселях составят:
Расчет силового трансформатора Расчёт силового трансформатора с входным синусоидальным воздействием ведётся по суммарной мощностям вторичных обмоток. Выбор обмоточного провода зависит от действующего тока обмотки и пробивного напряжения. Материал Э44 [15].
Рисунок 6.15 – Силовой трансформатор Данные для расчёта:
Мощность трансформатора:
Действующий ток первичной обмотки:
где КФ – коэффициент формы синусоиды; КСТ – коэффициент заполнения стали; Вmax – выбранная индукция (1,2 Тл при напряжённости поля 2500А/м для Э44). Выбираем магнитопровод ПЛ12,5х16х32, у которого ScmSok = 9,216см4; Scm = 1,8см2; Sok = 5,12см2; длина витка –13,4 см. Масса – 182г. Число витков каждой обмотки:
Диаметры проводов обмоток:
Коэффициент заполнения окна:
Потери в магнитопроводе:
Магнитопроводы типа ПЛ обладают наиболее простой технологией изготовления трансформаторов, позволяют получить высокую степень симметрии обмоток, малые значения индуктивности рассеяния и ёмкости; имеют высокую стойкость к внешним электромагнитным полям, меньший расход обмоточного провода. Схема ультразвукового уровнемера представлена в приложении Б. 7. Разработка алгоритма программного обеспечения Ядром уровнемера является микроконтроллер, который управляет практически всеми узлами схемы прибора: генераторами, индикаторами, датчиком температуры. Основная задача процессора является подсчёт прошедшего времени пролёта УЗ импульса с момента завершения работы УЗ генератора. Сначала микроконтроллер (рисунок 7.1) опрашивает термодатчик, далее корректирует скорость звука, затем перемножает скорость звука с прошедшим временем, что даёт расстояние пролёта УЗ импульса. Последней операцией является преобразование шестнадцатеричного кода расстояния в десятичный и вывод на индикаторы через регистры хранения информации.
Рисунок 7.1 – Алгоритм программы Листинг полной программы приведён в приложении А. 7.1 Настройка микроконтроллера В подразделе алгоритма настраивается микроконтроллер: стек, присваивание имён регистрам для удобства программирования, настройка линий портов, настройка метода прерываний (по фронту или по уровню). Т.е. одним словом ведётся настройка регистра управления микроконтроллером MCUCR. 7.2 Программирование термодатчика DS1821 Для правильной работы прибора необходимо запрограммировать термодатчик на однократное измерение температуры (1SHOT). Память термодатчика является энергонезависимой, т.е. придётся программировать только однократно, а не при каждом запуске прибора. При программировании термодатчика важно соблюдать временные параметры протокола 1 – Wire интерфейса [12]. Программирование термодатчика ведётся микроконтроллером и эта уже отдельная необходимая программа. Алгоритм программирования термодатчика приведён на рисунке 7.2. Передача информации осуществляется подачей младшего бита вперёд, т.е. передача байта осуществляется командой сдвига байта вправо.
Рисунок 7.2 – Алгоритм программирования термодатчика 7.3 Опрос термодатчика Опрос термодатчика на значение температуры производится аналогично записи в него байта команды, т.е. необходимы импульсы сброса и синхронизации. На рисунке 7.3 показан подробный алгоритм данной подпрограммы.
Рисунок 7.3 – Алгоритм подпрограммы опроса датчика Подпрограммы записи и чтения данных используют таймер счётчик, к которому подключён генератор с частотой импульсов 1МГц, что даёт отмерять временные интервалы с точностью до 1мкс для выдерживания точных временных интервалов между слотами информации. В слот может записываться только один бит. Каждая команда, посылаемая датчику, начинается с импульса сброса и импульса присутствия на линии. При коротком замыкании на линии микроконтроллер выводит мигающие нули на все индикаторы, что говорит о неполадке на линии. 7.4 Коррекция скорости Коррекция скорости производится по формуле 3.2. Процесс перемножения производится сначала суммированием числа 59 t – раз, а затем из полученного результата отнимается n - раз число 100, где n – получается инкрементом, т.е. это получается прибавляемая скорость в м/с к числу С0. Остаток при вычитании 100 из получившейся суммы числами 59 не учитывается. Сложение двухбайтного числа С0 с С1 – скорость, зависящая от температуры окружающей среды, даёт тоже двухбайтный результат. 7.5 Измерение времени распространения УЗ импульса В данной подпрограмме осуществляется запуск генератора УЗ – колебаний и при окончании работы генератора микроконтроллер запускает счётчик1 на подсчёт микросекунд от генератора микросекундных импульсов. Когда пришедший и усиленный усилителем сигнал подаётся на формирователь прерывания, то на его выходе появляется фронт импульса, который служит окончанием счёта импульсов от генератора, т.е. вызывается подпрограмма обработки прерывания. На рисунке 7.4 показан алгоритм данной подпрограммы. В алгоритме подпрограммы скрыт поиск УЗ импульсов, т.е., если флаг прерывания INT1 не установлен, то осуществляется повторное излучение УЗ – импульсов.
Рисунок 7.4 – Алгоритм подпрограммы измерения времени 7.6 Вычисление уровня Перемножение скорости и времени распространения УЗ импульса осуществляется путём постепенного сложения содержимого таймера – счётчика (два байта – два регистра) с самим собой, и после каждой команды сложения выполняется декремент регистровой пары, содержащей код скорости. Перед выполнением данных операций необходимо произвести деление на два содержимого регистра таймера – счётчика. Такая операция производится командой сдвига вправо каждого регистра. Старший регистр сдвигается вправо через перенос, причём младший разряд байта перемещается во флаг переноса, который учитывается при следующем сдвиге младшего байта вправо, т.е. он помещается в старший разряд младшего байта. Алгоритм подпрограммы вычисления уровня представлен на рисунке 7.5.
Рисунок 7.5 – Алгоритм подпрограммы вычисления уровня 7.7 Преобразование шестнадцатеричного кода в десятичный Преобразования кода в десятичный формат осуществляется путём вычитания круглого числа (1000, 100, 10…) из числа с таким же количеством разрядов, т.е., например, 120 – 100, если результат больше нуля, то производится инкремент какого – либо регистра, отражающий количество данных операций, в противном случае, если результат меньше нуля, то производится прибавление этого же круглого числа к остатку, например (-1+100=99). Далее идёт уменьшение круглого числа на один разряд, т.е. 100 - > 10. Преобразование будет производиться путём вычитания сначала 10000000, далее 100000, потом 10000 и, наконец 1000, из чего следует будет отражаться соответственно: метры, десятки сантиметров, сантиметры, миллиметры до уровня материала. Высота резервуара от его дна до верхушки составляет 3м, от куда следует, что
где V- максимальная скорость звука. Теперь в четырёх РОН имеются коды, необходимые для вывода на индикаторы. Каждый индикатор адресуется этим же портом, что и сами коды для индикаторов, т.е. старшая тетрада РВВ управляет регистрами 74НС374, а младшая выводит данные через дешифратор на входы регистры хранения. Алгоритм подпрограммы преобразования шестнадцатеричного кода в десятичный представлен на рисунке 7.6.
Рисунок 7.6 – Алгоритм подпрограммы преобразования кода 7.8 Вывод информации на индикаторы Информация выводится на индикаторы по направлению: старшая цифра…младшая цифра. Сначала выводится младшая тетрада регистра, содержащий код цифры, а потом через некоторое время устанавливается соответствующий разряд порта Б для занесения декодированной информации в регистр 74НС374 и так далее. На рисунке 7.7 представлена подпрограмма вывода данных на индикаторы.
Рисунок 7.7 – Алгоритм подпрограммы вывода данных на индикаторы 8. Расчет надежности Надёжность прибора характеризуется временем его работы, измеряемой в часах. Много факторов влияет на работу прибора: окружающая среда, производственные факторы, эксплуатационные факторы и даже от того, как выполнен прибор, т.е. конструктивный фактор [20]. Режимы работы схемы прибора известны и являются не напряжёнными. Расчёт надёжности для данного прибора ведётся без резервирования. Количественные оценки надёжности: Р(t) – вероятность безотказной работы. Здесь понимается вероятность того, что прибор будет работать стабильно без ухудшения качественных показателей в течение определённого промежутка времени и при определённых условиях эксплуатации. Вероятность работы устанавливается статическим методом по результатам испытаний опытного образца:
где N0 – число элементов, поставленных на испытание; n(t) – число элементов вышедших из строя за определённое время t; Т0 - наработка на отказ. Это среднее время безотказной работы восстанавливаемого изделия между соседними отказами:
где t – время исправной работы прибора между i и i-1 отказами; n – число отказов за время испытания; t – общее время работы изделия. Таким образом, надёжность рассчитывается статическим методом, характеризуемая интенсивностью отказов:
где Δn(t) - число изделий, отказанных за время Δt; Δt - интервал времени возле момента времени t; N(t) - число элементов, исправно работающих к началу промежутка Δt. Здесь также следует учитывать влияние окружающей среды и электрические режимы нагруженных элементов. Интенсивность отказов определяется как:
где λi – интенсивность отказов отдельных элементов; Ni – число элементов в i-ой группе; ai – поправочный коэффициент, учитывающий влияние электрического режима работы, заданного определенным коэффициентом нагрузки КН и температуры окружающей среды; N – число групп одинаковых элементов. Величина коэффициента нагрузки КН определяется для каждого элемента отдельно: для резисторов - для цифровых интегральных схем - для конденсаторов - для диодов выпрямителя - для микросхем стабилизаторов и аналоговых усилителей Наработка на отказ определяется как
Вероятность безотказной работы при экспоненциальном законе надежности:
Определим интенсивность отказов каждого элемента с использованием пакета программ EXCEL 2003. Таблица 8.1 - Таблица интенсивности отказов
Таким образом, наработка на отказ составит (формула 8.4)
Построим график зависимости вероятности отказов от времени работы
Рисунок 8.1 – График зависимости вероятности отказов 9 Вопросы безопасности жизнедеятельности 9.1 Анализ опасных и вредных производственных факторов Опасные и вредные производственные факторы (ОВПФ) подразделяются по природе действия на четыре группы [20]: – физические; – химические; – биологические; – психофизиологические. К физическим ОВПФ относятся: повышенная или пониженная температура окружающей среды; повышенный уровень электромагнитного излучения, связанный с эксплуатацией ПЭВМ; повышенные уровни шума по причине наличия принтера и работы в одном помещении нескольких ПЭВМ; недостаточная освещенность рабочей зоны. К химическим ОВПФ относятся: пары свинца выделяющиеся при пайке любым оловянно – свинцовым припоем, а также воздух загрязняется парами канифольного и кислотного флюсов. К психофизиологическим ОВПФ относятся физические (статические и динамические) и нервно-психологические перегрузки: умственное перенапряжение; монотонность труда; перенапряжения анализаторов; эмоциональные и другие перегрузки. При разработке системы особое место занимает перенапряжение анализаторов по причине длительного использования ПЭВМ, связанное с написанием и отладкой программного обеспечения микропроцессора и пайки. Разработка устройства проходила на кафедре ПМЭ ТПУ, поэтому основными ОПФ будут следующие: физические: повышенный уровень шума, пониженная влажность и температура воздуха, недостаточная освещенность рабочей зоны, воздействие электричества (рабочее напряжение 220В) и магнитных полей; химические: испарение при пайке компонентов оловянно-свинцового припоя, обладающих общетоксическим воздействием; психофизиологические: перенапряжение анализаторов. 9.2 Требования безопасности, эргономики и технической эстетики 9.2.1 Требования к помещению Согласно [21] объем производственного помещения на одного работающего должен составлять не менее 15м3, а площадь помещения - не менее 4,5м2. Высота производственного помещения должна быть не менее 3,5м. Лаборатория имеет следующие размеры: высота – 2,7 метра, длина – шесть метров, ширина – четыре. Число работающих в лаборатории – три человека. Таким образом, помещение лаборатории площадью 24 метров квадратных и объемом 64,8 метров кубических удовлетворяет нормам. Согласно [22], помещения для эксплуатации персональных электронно-вычислительных машин (ПЭВМ) должны иметь естественное и искусственное освещение. Естественное и искусственное освещение должно соответствовать требованиям действующей нормативной документации. Оконные проемы должны быть оборудованы регулируемыми устройствами типа: жалюзи, занавесей, внешних козырьков и др. Площадь на одно рабочее место пользователей ПЭВМ с ВДТ на базе плоских дискретных экранов (жидкокристаллические, плазменные) - 4,5 м2. Для внутренней отделки интерьера помещений, где расположены ПЭВМ, должны использоваться диффузно-отражающие материалы с коэффициентом отражения для потолка - 0,7 - 0,8; для стен - 0,5 - 0,6; для пола - 0,3 - 0,5. Помещения, где размещаются рабочие места с ПЭВМ, должны быть оборудованы защитным заземлением (занулением) в соответствии с техническими требованиями по эксплуатации. 9.2.2 Требования к рабочему месту разработчика Рабочее место должно удовлетворять следующим требованиям: а) обеспечить возможность удобного выполнения работ; б) учитывать физическую тяжесть работ; в) учитывать размеры рабочей зоны и необходимость передвижения в ней работающего; г) учитывать технологические особенности процесса выполнения работ. Должны соблюдаться следующие требования: при размещении рабочих мест с ПЭВМ расстояние между рабочими столами с видеомониторами должно быть не менее 2,0 м, а расстояние между боковыми поверхностями видеомониторов - не менее 1,2 м.; экран видеомонитора должен находиться от глаз пользователя на расстоянии 600 - 700 мм, но не ближе 500 мм с учетом размеров алфавитно-цифровых знаков и символов; поверхность рабочего стола должна иметь коэффициент отражения 0,5 - 0,7; высота рабочей поверхности стола для взрослых пользователей должна регулироваться в пределах 680 - 800 мм; при отсутствии такой возможности высота рабочей поверхности стола должна составлять 725 мм. Модульными размерами рабочей поверхности стола для ПЭВМ, на основании которых должны рассчитываться конструктивные размеры, следует считать: ширину 800, 1000, 1200 и 1400 мм, глубину 800 и 1000 мм при нерегулируемой его высоте, равной 725 мм.; рабочий стол должен иметь пространство для ног высотой не менее 600 мм, шириной - не менее 500 мм, глубиной на уровне колен - не менее 450 мм и на уровне вытянутых ног - не менее 650 мм; конструкция рабочего стула должна обеспечивать: а) ширину и глубину поверхности сиденья не менее 400 мм; б) поверхность сиденья с закругленным передним краем; в) регулировку высоты поверхности сиденья в пределах 400 - 550 мм и углам наклона вперед до 15 град, и назад до 5 град.; г) высоту опорной поверхности спинки 300 ±20 мм, ширину - не менее 380 мм и радиус кривизны горизонтальной плоскости - 400 мм; д) угол наклона спинки в вертикальной плоскости в пределах ±30 градусов; е) регулировку расстояния спинки от переднего края сиденья в пределах 260 - 400 мм; ж) стационарные или съемные подлокотники длиной не менее 250 мм и шириной - 50 - 70 мм; з) регулировку подлокотников по высоте над сиденьем в пределах 230 ±30 мм и внутреннего расстояния между подлокотниками в пределах 350 - 500 мм. клавиатуру следует располагать на поверхности стола на расстоянии 100 - 300 мм от края, обращенного к пользователю или на специальной, регулируемой по высоте рабочей поверхности, отделенной от основной столешницы. 9.2.3 Требования электробезопасности Требования по электрической безопасности должны отвечать ГОСТ 25861 – 83 (СТ СЭВ 3743 - 82). Настоящий стандарт распространяется на электронные вычислительные машины, комплексы и системы обработки и передачи данных и технические средства, входящие в них, предназначенные для непрерывной работы в нормальных условиях эксплуатации. Требования по заземляющим устройствам должны соответствовать ГОСТ464-79. Узлы связи должны иметь отдельные контуры рабоче - защитного заземления. 9.2.4 Требования к защите от шумов При длительном влиянии шума на организм происходят нежелательные явления: снижается острота слуха, повышается утомляемость, снижается внимание, снижается работоспособность, повышается кровяное давление. При работе с ПЭВМ уровни шума должны соответствовать требованиям по СН 2.2.4/2.1.8.562-92 «Шум на рабочих местах, в помещениях жилых, общественных зданиях, на территории жилых застроек»: во время работы на ПЭВМ допустимый уровень шума равен 60дБ, а с принтером – 75 дБ. Фактический уровень шума на кафедре ПМЭ ТПУ - 51дБ В итоге можно сказать, что уровень шума лежит в пределах нормы и нет необходимости в проведении защитных мероприятий от шума. 9.2.5 Требования к микроклимату Согласно [23] показателями, характеризующими микроклимат, являются: температура воздуха (20-230С), относительная влажность воздуха (15-75%), скорость движения воздуха (0,3м/с), интенсивность теплового излучения. Под оптимальными микроклиматическими условиями понимают такие сочетания параметров микроклимата, которые при детальном и систематическом воздействии на человека обеспечивает сохранение нормального функционального и теплового состояния организма. Характеристика помещения: – температура колеблется в пределах 220С; – относительная влажность 58 процентов; – скорость движения не более 0,2 м/с. Приведенные выше параметры микроклимата обеспечиваются системой отопления. Из приведенных данных следует, что микроклимат соответствует нормам. Принятия дополнительных мер по созданию благоприятных условий не требуется. 9.2.6 Требования к освещенности Освещенность на рабочем месте должна быть такой, чтобы работающий мог без напряжения зрения выполнять свою работу. Недостаточное освещение вызывает преждевременное утомление, притупление внимания, снижение производительности труда. Следовательно, необходимо обеспечить следующие требования [22]: рабочие столы следует размещать таким образом, чтобы видеодисплейные терминалы были ориентированы боковой стороной к световым проемам, чтобы естественный свет падал преимущественно слева; искусственное освещение в помещениях для эксплуатации ПЭВМ должно осуществляться системой общего равномерного освещения. В производственных и административно-общественных помещениях, в случаях преимущественной работы с документами, следует применять системы комбинированного освещения (к общему освещению дополнительно устанавливаются светильники местного освещения, предназначенные для освещения зоны расположения документов); при создании данной системы зрительная работа была приравнена к 4 разряду, а, следовательно, освещенность на поверхности стола в зоне размещения рабочего документа должна быть 300 - 500 лк. Освещение не должно создавать бликов на поверхности экрана. Освещенность поверхности экрана не должна быть более 300 лк.; следует ограничивать неравномерность распределения яркости в поле зрения пользователя ПЭВМ, при этом соотношение яркости между рабочими поверхностями не должно превышать 3:1 - 5:1, а между рабочими поверхностями и поверхностями стен и оборудования 10:1; коэффициент пульсации не должен превышать 5%. 9.2.7 Требования к защите от воздействия химических веществ в воздухе рабочей зоны при пайке Как отмечалось выше, химическое воздействие при разработке данной системы заключается в воздействии испарения при пайке компонентов оловянно-свинцового припоя. При пайке любым оловянно – свинцовым припоем выделяются пары свинца, которые при попадании в дыхательную систему человека оказывают на него общетоксическое воздействие. Также воздух загрязняется парами канифольного и кислотного флюсов. Содержание вредных веществ в воздухе рабочей зоны не должно превышать установленных предельно допустимых концентраций [23]: – ацетона – 200 мг/м3; – свинца и его неорганических соединений – 0.01 мг/м3; – спирта этилового – 1000 мг/м3; – канифоли – 10 мг/м3. Для удаления вредных веществ рабочее место снабжено общей вентиляцией со скоростью потока воздуха 100 м3./час. На кафедре ПМЭ ТПУ при совмещенной комбинированной системе освещения с газоразрядными видами ламп фактическая искусственная освещенность равна 490Лк, фактическая естественная освещенность КЕО – 1%, что соответствует требованиям санитарных норм СНиП 23-05-95 «Естественное и искусственное освещение». 9.2.8 Требования к защите от воздействия от магнитного поля и электростатического потенциала Временные допустимые уровни ЭМП, создаваемых ПЭВМ на рабочих местах пользователей, а также в помещениях представлены в таблице 9.1. Таблица 9.1 – Показатели напряженности магнитного поля и электростатического потенциала
Приведенные выше измерения проводились в соответствии с [22] при помощи «В и Е-метра» №29797 (изм. электромагнитного поля) и «ИЭСП-6» №052 (изм. электростатического потенциала) для аттестации рабочего места. Измерения проводились на расстоянии 0,5 метра от монитора. Для выполнения этих требований необходимо правильно организовывать рабочее место разработчика. Если данные требования невозможно удовлетворить, то необходимо задуматься о замене ПЭВМ. 9.2.9 Психофизиологические требования В настоящее время компьютерная техника широко применяется во всех областях деятельности человека. Работа с компьютером характеризуется значительным умственным напряжением и нервно-эмоциональной нагрузкой операторов, высокой напряженностью зрительной работы и достаточно большой нагрузкой на мышцы рук при работе с клавиатурой ЭВМ. Условия труда подразделяются на: оптимальные (1 класс), допустимые (2 класс), вредные (3 класс), опасные (4 класс). По показателям тяжести трудового процесса рабочее место проектировщика относится к 1 классу с легкой физической нагрузкой. Условия труда оптимальные, т.е. такие, при которых сохраняется здоровье работающих, и создаются предпосылки для поддержания высокого уровня работоспособности. По показателям напряженности трудового процесса – ко 2 классу, т.е. условия труда допустимые. Они характеризуются такими уровнями факторов среды и трудового процесса, которые не превышают установленных гигиенических нормативов для рабочих мест, а возможные изменения функционального состояния организма восстанавливаются во время регламентируемого отдыха и не должны оказывать неблагоприятного действия в ближайшем и отдаленном периоде на состояние здоровья работающих и их потомство. Данные условия труда относят к условно безопасным. 9.3 Разработка комплекса защитных мероприятий 9.3.1 Расчет освещенности Уровень освещения определяется степенью точности зрительных работ по нормам освещенности СНиП 23-05-95 и отраслевым нормам. Проведем расчет системы искусственного освещения, пользуясь методом коэффициента использования. Расчетным уравнением метода коэффициента использования светового потока является:
где F - расчетный световой поток (лм) всех ламп, которые необходимо установить в светильниках для получения требуемой освещенности в горизонтальной плоскости; E - минимальная нормируемая освещенность, E=400 лк; k - коэффициент запаса, k=1,3; S - площадь освещаемого помещения, м2; h - коэффициент использования светового потока (долях единицы); z - отношение средней освещенности к минимальной, обычно z=1,1...1,2, в расчетах принимаем z=1,1. Коэффициент использования светового потока h зависит от типа светильника, коэффициентов отражения светового потока от стен rс=50 процентов, потолка rп=30 процентов, rпола=50 процентов, а также геометрических размеров помещения и высоты подвеса светильников, что учитывается одной комплексной характеристикой - индексом помещения. Величина индекса помещения подсчитывается по формуле:
где S - площадь помещения, м2; A и B - длинна и ширина помещения, A =6 метров, B=4 метров; h - высота подвеса светильника над расчетной поверхностью, h=2,3 метра.
Определяем коэффициент использования светового потока h=0,51. Тогда величина светового потока F равна:
Определим расстояние между рядами светильников используя соотношение:
где x - для большинства светильников x=1,3 - 1,4 принимаем x=1,4.
Расстояние между стенами и крайними рядами принимаем равным l=(0,3...0,5)L, l=0,3*4=1,2. При ширине помещения B=4 имеем число рядов светильников:
Определим число светильников в одном ряду:
где lсв- длинна светильника, lсв=0,5 метра.
Таким образом, общее число светильников N:
Определим требуемый световой поток одной лампы:
Выбираем тип лампы устанавливаемой в светильники, нам подходит люминесцентная лампа ЛД-18 с номинальным световым потоком Fлн=880 лм. Подсчитаем расчетную освещенность в помещении при выбранных нами лампах по следующей формуле:
Из результатов расчета видно, что выбранная система освещения обеспечивает требуемую освещенность рабочего места проектировщика. В результате можно сделать вывод о том, что все вышеприведенные требования по безопасности полностью выполняются. 9.3.2 Расчет воздухообмена Расчет потребного воздухообмена для удаления избыточного тепла производиться по формуле:
где Q – потребный воздухообмен, (м3/ч); L изб – избыточное тепло, (ккал/ч); ζ в – идеальная масса приточного воздуха (ζ в = 1,206 кг/м3); С в - теплоёмкость воздуха (С в = 0,24 ккал/кг град); Δt – разница температуры удаляемого воздуха и приточного воздуха. Количество избыточного тепла расчитывается по формуле:
где L об – тепло, выделяемое оборудованием; L осв – тепло, выделяемое системой освещения; L л – тепло, выделяемое людьми в помещении; L р – тепло, вносимое за счет солнечной радиации; L отд - теплоотдача естественным путём. Количество тепла, выделяемое оборудованием находится по формуле:
где P об - мощность потребляемая оборудованием; ψ1 - коэффициент перехода тепла в помещении. Потребляемая оборудованием мощность определяется по формуле:
где P ном – номинальная мощность (кВт); ψ2 - коэффициент использования установленной мощности, учитывающий превышение номинальной мощности над фактически необходимой; ψ3 – коэффициент загрузки, т.е. отношение величины среднего потребления мощности к максимальной необходимой; ψ4 – коэффициент одновременности работы оборудования. При ориентировочных расчетах произведение всех четырех расчетов можно принять равным 0,25. Для одного компьютера установленная мощность P ном = 0,4 кВт. Расчет производится с семью компьютерами, следовательно, мощность равна: Количество тепла, выделяемое оборудованием будет:
Количество тепла, выделяемого системой освещения определяется по формуле:
где α – коэффициент перевода электрической энергии в тепловую (α = 0,46-0,48, для люминисцентрых ламп); β – коэффициент одновременности работы (при работе всех светильников β = 1); cosφ – коэффициент мощности (cosφ = 0,7 - 0,8). Мощность осветительной установки можно найти по формуле:
где 0,03 – мощность одной осветительной установки (кВт); n – количество ламп (n = 24). Найдем мощность осветительной установки:
Количество тепла, выделяемого системой освещения будет равна:
Количество тепла, выделяемое людьми расчитывается по формуле:
где n л – количество человек; q л – тепловыделение одного человека. Категория работы легкая и t = 25°С. Найдем количество тепла, выделяемое людьми:
Количество тепла вносимое при помощи солнечной радиации расчитывается по формуле:
где m – количество окон; F – площадь окна; qост – солнечная радиация, проникшая в помещение через остеклённую поверхность (q ост = 65ккал/ч). Высота окна h = 3м, ширина L =1,5м. Площадь окна равна 4,5 кв.м. Найдем количество тепла вносимое при помощи солнечной радиации:
Если нет никаких дополнительных условий то можно считать, что Lотд = Lрад. Примем Lотд = 0 ккал/ч. Найдем количество избыточного тепла по формуле 9.10:
Δt выбирается в зависимости от теплонапряженности воздуха Lн, которая находится по формуле;
где Vн – внутренний объем помещения (Vн = 133 м3). Следовательно, L н =13,2 ккал/ч. При L н < 20 ккал/м3 ч, Δt = 6°С. Найдем потребный воздухообмен по теплоизбыткам от машин, людей, солнечной радиации и искусственного освещения:
Найдем кратность воздухообмена по формуле: Кратность воздухообмена не превышает 10, следовательно воздухообмен соответствует установленным требованиям. 9.3.3 Расчет защитного заземления Для расчёта сначала определим климатическую зону и тип грунта у здания, где расположена лаборатория с электроприборами. Средняя многолетняя температура в январе составляет от -15°С до -20°С, а летняя средняя составляет: от +16 до +18 °С, количество дней замерзания воды составляет 150. Поэтому определим коэффициенты для дальнейшего расчёта: 1.9 – для вертикальных электродов и 6 – горизонтальных электродов. тип грунта заземления – глина, тогда длина электрода (трубы) составит 2м; глубина залегания составит тоже 2 м. диаметр трубы – 0,05м. ширина соединяющей металлической полосы составит0,05м; мощность электроустановок составит: не более 1 кВт; удельное сопротивление глины напряжение установки – менее 1000В; сопротивление заземляющего устройства – не более 10 Ом. Данные для расчёта: b = 5см – ширина полосы; lэ = 200 см – длина трубы; hЭ = 200см – глубина залегания трубы; dЭ = 5см – диаметр трубы; КВ = 1,9 – коэффициент повышения верт. электродов; Кг =6 - то же самое, но для гориз. электродов; hn =200см – глубина залегания полосы, соед. электроды; а = 3; ρ= 6000 Ом·см; Определим сопротивление электрода:
Количество электродов с учётом коэффициента использования:
где RЗ – сопротивление заземляющего устройства с учётом коэффициента использования при n = 5 и соотношении a =3:
Сопротивление полосы, соединяющей электроды:
где n – количество электродов; dэ – диметр трубы.
где b – ширина полосы. Общее сопротивление контура:
где ηэ – коэффициент использования электродов при n = 5; ηп – коэффициент использования полосы, соединяющей электроды. Полное сопротивление контура меньше требуемого (10 Ом). 9.4 Инструкции по технике безопасности Действия перед началом работы: внимательно осмотрите рабочее место и приведите его в порядок; необходимые материалы чертежи расположите в удобном месте; проверьте подключение защитного заземления к каждому устройству. Действия во время ра боты: поддерживайте на рабочем месте чистоту и порядок; при возникновении неисправности сообщите об этом в соответствующую службу. Действия по окончании работы : по окончании работы выключить устройство сопряжения и все устройства, имеющие независимое питание в соответствии с инструкциями по эксплуатации; навести порядок на рабочем месте. Инструкция по пожарной профилактике . Для предотвращения пожаров необходимо выполнять следующие меры предосторожности: – все сотрудники должны знать местонахождение средств пожаротушения и уметь пользоваться ими; – не допускать перегрева проводов, плохих контактов в местах соединения; – запрещается использование открытого огня для обогрева помещения; – не допускается загромождать проходы к средствам пожаротушения и пожарной сигнализации; – запрещается хранение вблизи источников тепла легко воспламеняющихся жидкостей. Действие персонала при возникновении пожара: немедленно сообщить об этом в пожарную охрану, четко назвав адрес учреждения, по возможности место возникновения пожара, что горит и чему пожар угрожает (в первую очередь имеется в виду какая угроза создается людям), а также сообщить свою должность и фамилию, номер телефона; дать сигнал тревоги местной добровольной пожарной дружине, сообщить дежурному по учреждению или руководителю (в рабочее время); необходимо немедленно отключать электроснабжение и газоснабжение, за исключением аварийного; эвакуироваться в соответствии с планом эвакуации. Меры оказания первой медицинской помощи при поражении электрическим током: а) пострадавшего нужно немедленно освободить от действия тока. При этом необходимо соблюдать меры личной предосторожности; б) вызвать скорую помощь; в) если действие тока не вызвало потери сознания, необходимо после освобождения от тока уложить пострадавшего на носилки, тепло укрыть, дать 20-25 капель валериановой настойки, тёплый чай или кофе и немедленно транспортировать в лечебное учреждение; г) если поражённый электрическим током потерял сознание, но дыхание и пульс сохранены, необходимо после освобождения от действия тока на месте поражения освободить стесняющую одежду, обеспечить приток свежего воздуха, выбрать соответственно удобное для оказания первой помощи место с твёрдой поверхностью, подстелив предварительно под спину одеяло. Важно предохранять пострадавшего от охлаждения (грелки). 10. Технико-экономическое обоснование проекта 10.1 Планирование опытно-конструкторской работы Управление технологическими процессами во многих отраслях промышленности связан с измерениями уровня жидкости или сыпучих материалов в тех или иных резервуарах, цистерн и т.д. Современные системы автоматизации производства требуют статистических и информационных данных, позволяющие оценить затраты, предотвратить убытки, оптимизировать управление производственным процессом, повысить эффективность использования сырья (расходомеры). Это постоянно возрастающий спрос на информацию приводит к необходимости применения в системах контроля не простых сигнализаторов, а средств, обеспечивающих непрерывное измерение. 10.2 Определение ближайшего аналога На сегодняшний день для непрерывного контроля уровня сыпучих материалов при помощи ультразвука имеется аналоги проектируемого прибора. Отечественным аналогам является прибор УЗУ-2Т - уровнемер ультразвуковой с каналом термокомпенсации. Он предназначен для измерение уровня без контакта с контролируемой средой с возможностью температурной компенсации скорости звука. Характеристики данного прибора представлены в таблице 4.1. Таблица 10.1 – Характеристики аналога УЗУ-2Т
Данный прибор предназначен для локации снизу резервуара, что не подходит для нашего случая, потому что очень велико затухание УЗ в опилках и коэффициент прохождения УЗ через металлическую стенку днища резервуара в опилки составляет менее 1%. Так же имеются и зарубежные аналоги, но существенным недостатком является то, что их стоимость в 10 раз превышает стоимость отечественных. 10.3 Определение уровня конкурентоспособности Конкурентоспособность изделия – это его способность противостоять на рынке изделиям, выполняющим аналогичные функции. Для оценки показателей собственного продукта и аналога воспользуемся пяти бальной шкалой. Таблица 10.2 – Значения показателей
Рассчитаем уровни конкурентоспособности по показателям “значимость технического решения” –
где
Показатель
где Рассчитаем показатель для собственного продукта:
для конкурирующего продукта:
По неравенству формула 10.2 условие выхода на рынок собственного продукта по показателю Показатель
где Таблица 10.3 – Значения показателей
Рассчитаем показатель для собственной программы:
для конкурирующей программы:
По неравенству формула 10.1 условие выхода на рынок собственного продукта по показателю Найдем суммарное значение
Анализируя полученные результаты можно сделать вывод о том, что собственный продукт превосходит аналога примерно в 1,3 раза по общим показателям конкурентоспособности. Ультразвуковой уровнемер представляет из себя законченный самостоятельный прибор, использующий излучение и приём отражённого сигнала с цифровой обработкой результата, организованной на микроконтроллере. Потребителями данной продукции могут быть разнообразными. Прибор может применяться, как в пищевой промышленности (производители масел, зерновые элеваторы), так и в нефтедобывающей промышленности (резервуары хранения нефтепродуктов) и др. 10.4 Определение затрат на производство Для разработки базы данных учета договоров организуем предприятие с организационно – правовой формой ООО. Определим затраты на разработку системы. Общие затраты на производства системы определяются затратами: на заработную плату (основную и дополнительную); отчисления на социальное страхование; на расходные материалы; на аренду помещения; на коммунальные услуги; на накладные и непредвиденные расходы. Также затраты зависят от количества месяцев отведенных на разработку проекта. Проект разрабатывался 83 рабочих дней. График выполнения работ отображен в таблице 10.4. Таблица 10.4– График работ над проектом
10.4.1 Заработная плата В разработки проекта были задействованы следующие специалисты: руководитель проекта; инженер. Рассчитаем основную заработную плату разработчиков исходя из 22-х рабочих дней в месяц по формуле:
где
Руководитель проекта:
Инженер: за 5 дней: за 78 дней: Общая сумма зарплаты:
Результаты расчетов основной заработной платы специалистов представлены в таблице 10.6. Рассчитаем дополнительную заработную плату сотрудников по формуле:
где
Руководитель проекта:
Инженер:
Фонд заработной платы представляет собой сумму основной и дополнительной заработной платы: Руководитель проекта:
Инженер:
Результаты расчетов дополнительной и фонда заработной платы разработчиков представлены в таблице 10.5. Таблица 10.5 – Результаты расчетов дополнительной и фонда заработной платы
Таблица 10.6 – Основная заработная плата специалистов
10.4.2 Начисление на заработную плату Отчисление во внебюджетные фонды производится в процентах от фонда заработной платы и для малых предприятий с упрощенной формой налогообложения составляет 14%. Отчисление на социальные нужды составляет 14% от фонда оплаты труда:
10.4.3 Аренда помещения Для разработки программного продукта программистом была арендована квартира площадью 40 м2, стоимостью 8000 руб. в месяц. Затраты за аренду помещения составляют: Один день аренды комнаты равен:
83 дня аренды комнаты составляет: 10.4.4 Коммунальные услуги Рассчитаем затраты на электроэнергию: Основным источником потребления электроэнергии в арендуемом помещении была ПЭВМ, потребляемая мощность, которой составляет примерно 0,5 кВт в час. Учитывая 14 часовую работу на ПЭВМ в день и количество дней затраченных на разработку проекта связанные с эксплуатацией ПЭВМ (равное 78), найдем количество часов работы компьютера:
Тариф за электроэнергию 1кВт-час составляет 1,27 руб. Рассчитает потребляемую мощность ПЭВМ, отработавшая 1092 часов:
Затраты на электроэнергию:
10.4.5 Накладные расходы Размер накладных расходов составляет 20% от суммы всех прямых затрат на создание системы:
10.4.6 Непредвиденные расходы Принимается в размере 25% от основной заработной платы:
Результаты расчета всех затрат приведены в таблице 10.7. 10.5 Чистый дисконтированный доход Синонимом экономического эффекта является чистый дисконтированный доход. Чистый дисконтированный доход определяется по формуле:
где (Рt – Зt) = Эt – эффект, достигаемый на t-м шаге; Рt – результаты, достигаемые на t-м шаге расчета; Зt – затраты, осуществляемые на том же шаге; 1/(1 + Е)t = at – коэффициент дисконтирования; Е – норма дисконта для приведения разновременных затрат, результатов, эффекта к начальному периоду; t – номер шага расчета (t = 0, 1, 2, …, Т); Т – продолжительность расчетного периода. Рассчитаем годовые эксплуатационные затраты к которым относятся затраты связанные с обеспечением нормальной работы использования программного продукта по формуле:
где
Затраты на основную и дополнительную заработную плату с отчислением на социальные нужды рассчитывается по следующей формуле:
где
Рассчитаем, заработную плату программиста учитывая 40 часов на эксплуатацию проекта и среднедневную зарплату 24,35 руб. в час:
Амортизационные отчисления рассчитываются по формуле:
где
Рассчитаем амортизационные отчисления по формуле 10.9 исходя из цены компьютера равной 15 000 руб., времени работы ПЭВМ 40 часов и эффективного фонда времени работы ПЭВМ равной 352 часа:
Затраты на электроэнергию рассчитываются по формуле:
где
Рассчитаем затраты на электроэнергию по формуле 10.10 исходя из потребляемой мощности ПВЭМ равной примерно 0,5 кВт в час и времени работы компьютера 40 часов:
Затраты на текущий ремонт рассчитываются по формуле:
где Рассчитаем затраты на текущий ремонт по формуле 10.11:
Накладные расходы составляют 20% от всех прямых затрат на эксплуатацию:
Рассчитаем по формуле 1.7 годовые эксплуатационные издержки:
Оценка экономической эффективности проводится по формуле:
где
Приведенные затраты
где
Стоимость конкурирующего программного продукта составляет 200000 руб. Рассчитаем приведенные затраты на единицу работ по формуле 10.13, выполняемых с помощью аналога и собственного продукта: аналог:
собственный продукт:
Рассчитаем годовой экономический эффект от разработки по формуле 10.12:
Рассчитаем чистый дисконтированный доход по формуле 10.6 при ставке дисконтирования первый год: второй год: третий год: Исходя из полученных результатов, строим график при значениях чисто дисконтированного дохода рисунок 10.1.
Рисунок 10.1 – График зависимости чистого дисконтированного дохода от расчетного периода В соответствии с рисунком 10.1 определим графическим методом динамический срок окупаемости, пересечение кривой с осью абсцисс – составляет примерно 0,84 лет. Таким образом, возврат заемных средств возможен по истечению 10 месяцев после начала инвестирования и внедрения системы тестирования. 10.5 Срок окупаемости Расчет срока окупаемости затрат на разработку производится по формуле:
где Рассчитаем срок окупаемости затрат на разработку продукта:
Заключение Диапазон частот пропускания сигнала излучения контуром, конденсатором которого является сам датчик, равняется 11кГц из–за необходимой низкой добротности контура, стоящий в цепи стока транзистора VT1. Низкая добротность необходима для уменьшения инерционности схемы излучения, в виду чего уменьшается время нарастания сигнала на датчике. Резонансная частота излучения ультразвука равняется собственной частоте излучения датчика и равна 40кГц. Данный прибор выполняет измерение расстояния до уровня материала с точностью до 1% от минимального измеряемого расстояния (20см) с разрешением измерения 2мм. Однако при слабом отраженном сигнале от измеряемого материала прибор может иметь погрешность больше рассчитываемой, т.к. на измерение времени пролёта сильно оказывает негативное действие время нарастания сигнала в тракте усилителя сигнала и времени задержки в компараторе формирователя прерывания. Для устранения таких недостатков рекомендуется повышать рабочую частоту излучения датчика, соответственно придётся менять тракт усилителя сигнала, в частности, необходимо поменять фильтры с RC – фильтров на LC – фильтры, у которых есть масса преимуществ перед RC – фильтрами; также необходимо менять сам усилитель с однокаскадного на двухкаскадный из – за частотных свойств элементов усилителя; схема подсчёта времени тоже требует изменения: более высокочастотный генератор для измерения времени пролёта импульса, что даст более тонкую разрешающую способность, но однако такое новшество скажется на себестоимости прибора и его более сложной настройке. В последнее время всё чаще прибегают к ультразвуковому методу измерения уровня материалов, который носит безопасный характер измерения уровня материалов. Схемная реализация метода уже решена, поэтому основная задача состоит в удешевлении прибора, что и было достигнуто в настоящем проекте. Список используемых источников 1. Алёшин Н.П. Лупачёв В.Г. Ультразвуковая дефектоскопия: Справ. Пособие. – Мн.: Выш. Шк., 1987. – 271 с., ил. 2. Ультразвуковой контроль материалов: Справ. Изд. И. Крауткремер, Г. Круткремер; Пер. с нем. – М.: Металлургия, 1991. – 752 с. 3. Неразрушающий контроль. В 5 кн., Кн. 2. Акустические методы контроля: Практ. Пособие / И.Н. Ермалов, Н.П. Алёшин, А.И. Потопов; Под ред. В.В. Сухорукова. – М.: Высш. шк., 1991. – 283 с.: ил. 4. Журнал «Аппаратные средства контроля», изд. 2001. – 60 с.: ил. 5. Белькович В.М., Дубровский Н.А. Сенсорные основы ориентации китообразных // Л.: Наука. 1976, 204 С. 6. Ширман Я.Д. Теоретические основы радиолокации //М.: "Советское радио", 1970. 7. www. Murata.com. Пер с англ. 8. «Ультразвуковые датчики для систем управления», Жданкин В., Современные технологии автоматизации, №1,2003г., с.68. 9. Справочник, «Физические величины», под ред. И.С. Григорьева, Е.З. Мейли-хова, Москва, Энергоатомиздат, 1991г. 10. «Избирательные RC – усилители», Масленников В.В., Сироткин А.П., Энергия, 1980. – 216 с.: ил. 11. Клюев В.В «Приборы и методы неразрушающего контроля», Справ., 2001. – 610 с.: ил. 12. Белов А.В. Конструирование устройств на микроконтроллерах. – СПб.: Наука и Техника, 2005. – 256 с.: ил. 13. Евстифеев А.В. Микроконтроллеры AVR семейства Classic фирмы ATMEL – 2-е изд., стер. – М.: Издательский дом «Додэка – ХХI», 2004. – 288 с.: ил. 14. Аксенов А.И. Нефёдов А.В. Резисторы, конденсаторы, провода, припои, флюсы, М.: - «СОЛОН – Р», 2000. – 245 с.: ил. 15. Сидоров И.Н., Скорняков С.В. Трансформаторы бытовой радиоэлектронной аппаратуры: Справочник. – 2 – е изд., доп. – М.: «Радио и связь», 1999. – 336 с.: ил. 16. www.tehbez.ru / Docum/ documShow_DocumID_452.html. 17. Костиков В.Т., Парфёнов Е.М., Шахнов В.А. Источники питания электронных средств. Схемотехника и конструрование: Учебник для ВУЗов. 2 – е изд. – М.: 2001. – 344 с.: ил. 18. Ненашев А.П. Конструирование радиоэлектронных средств: Учебник для радиотехнич. Спец ВУЗов. – М.: Высш. шк., 1990. – 432 с.: ил. 19. Операционные усилители и компараторы. – М.: Издательский дом «Додэка – ХХI», 2002. – 560 с. 20. ГОСТ 12.0.003-74 Опасные и вредные производственные факторы. Классификация. 21. ПОТ РО 14000 - 001 – 9 Правила по охране труда на предприятиях и в организациях машиностроения. 22. СанПиН 2.2.2/2.4.1340-03 Гигиенические требования к персональным электронно-вычислительным машинам и организации работы. 23. ГОСТ 12.1.005-88 Общие санитарно-гигиенические требования к воздуху рабочей зоны. 24. СНиП 23-05-95 Естественное и искусственное освещение. Приложение А (Справочное) Листинг программы для микроконтроллера AT90S2313. ;.include “2313.inc” .DEFINE R25 = HTEMP R24 = LTEMP R27 = HSPEED R26 = LSPEED .EQU HSPEED = $01 LSPEED = $4A .CSEG ;************************************ГЛАВНАЯ ПРОГРАММА******************** SBI DDRD,1 CBI PORTD,1 ;запретили работу генератора УЗ колебаний LDI R31,0B00001111 ; прерывания только по нарастающему фронту OUT MCUCR,R31 LDI R31,0B10000000 ; разрешено только INT1 OUT GIMSK,R31 LDI R31,0B11000100 ; полное разрешение таймера/счётчика1 OUT TIMSK,R31 LDI R31,LOW(RAMEND) OUT SPL,R31 CLR R31 OUT TCCR1A,R31 MAIN: RCALL TERMOSENSOR ;в регистре ТЕМР код температуры RCALL CORRECTION ;скорость в регистрах HSPEED и LSPEED RCALL TIMEGENERATOR;время пролёта в регистрах R23R22 RCALL CALCULATE ;в R22R21R20 – значение расстояния RCALL DECODERING ;в R9R8R7R6 – декодированные числа RCALL INDICATE RJMP MAIN ПОДПРОГРАММЫ****************** TERMOSENSOR: RCALL RESET LDI R30,8 LDI R28,$EE CLC SBI DDRD,4 LOOP1: ROR R28 BRCS TS1 BRCC TS2 TS1: RCALL WRITE1 TS2: RCALL WRITE0 DEC R30 CPI R30,00 BRNE LOOP1 LDI R31,$50 OUT LOW(OCR1A),R31 LDI R31,HIGH(OCR1A),R31 LOOP2: LDI R31,20 RCALL DELAY ;ждать одно (около 1 сек) преобразование DEC R31 CPI R31,00 BRNE LOOP2 RCALL RESET ;сброс для новой передачи байта LDI R28,$AA ;чтение датчика CLC LDI R30,8 LOOP3: ROR R28 BRCC TS3 BRCS TS4 TS3: RCALL WRITE0 TS4: RCALL WRITE1 DEC R30 CPI R30,0 BRNE LOOP3 CBI DDRD,4 ;линия порта настроена на чтение данных LDI R30,8 ;счётчик битов LOOP4: LDI R31,17 OUT LOW(OCR1A),R31 RCALL DELAY LDI R31,40 OUT LOW(OCR1A),R31 RCALL DELAY SBIC PORTD,4 RCALL READ1 RCALL READ0 DEC R30 CPI R30,00 BRNE LOOP4 RET CORRECTION: LDI R30,59 CLR HTEMP CR0: ADD LTEMP,LTEMP ADC HTEMP,HTEMP DEC R30 CPI R30,00 BRNE CR0 CR2: SBIW LTEMP,100 ;вычитание из HTEMP и LTEMP константы BRCS CR1 INC R30 RJMP CR2 CLR R29 CR1: ADD LSPEED,R30 ROL R29 ADD HSPEED,R29 CLR LTEMP CLR HTEMP RET TIMEGENERATOR: SBI DDRD,1 ;разрешение работы генератору SBI PORTD,1 NOP NOP SEI RCALL TIMECOUNT CBI PORTD,1 ;запретили работу генератора CLI IN R20,LOW(TCNT1) IN R21,HIGH(TCNT1) RET CALCULATE: CLR R22 CL1: ADD R20,R20 ADDC R21,R21 BRCS CL0 CL2: CLC SBIW LSPEED,1 BRCS EXIT RJMP CL1 CL0: INC R22 BRCC CL2 EXIT: RET DECODERING: CLI LDI R2,$0F LDI R1,$42 LDI R0,$40 DD1: RCALL ARIFM1 BRCS DD0 INC R9 RJMP DD1 DD0: RCALL ARIFM2 LDI R2,$01 LDI R1,$86 LDI R2,$A0 DD4: RCALL ARIFM1 BRCS DD2 INC R8 RJMP DD3 DD2: RCALL ARIFM2 CLR R2 LDI R1,$27 LDI R0,$10 DD6: RCALL ARIFM1 BRCS DD5 INC R7 RJMP DD6 DD5: RCALL ARIFM2 CLR R2 LDI R1,$03 LDI R0,$E8 DD8: RCALL ARIFM1 BRCS DD7 INC R6 RJMP DD8 DD7: SEI RET ARIFM1: CLC SUB R20,R0 SBC R21,R1 SBC R22,R2 RET ARIFM2: ADD R20,R0 ADC R21,R1 ADC R22,R2 RET INDICATE: SBI DDRD,0 CBI PORTD,0 LDI R31,$FF OUT DDRB,R31 SWAP R9 ORI R9,0B00000111 OUT PORTB,R9 RCALL CLOCK SWAP R8 ORI R8,0B00001011 OUT PORTB,R8 RCALL CLOCK SWAP R7 ORI R7,0B00001101 OUT PORTB,R7 RCALL CLOCK SWAP R6 ORI R6,0B00001110 OUT PORTB,R6 RCALL CLOCK RET CLOCK: NOP NOP SBI PORTD,0 NOP NOP CBI PORTD,0 RET READ0: CLC ROR LTEMP RET READ1: SEC ROR LTEMP RET WRITE1: LDI R29,15 OUT LOW(OCR1A),R29 CBI PORTD,4 RCALL DELAY SBI PORTD,4 LDI R29,90 OUT LOW(OCR1A),R29 RCALL DELAY SBI PORTD,4 LDI R29,5 OUT LOW(OCR1A),R29 RCALL DELAY RET WRITE0: CBI PORTD,4 LDI R29,100 OUT LOW(OCR1A),R29 RCALL DELAY SBI PORTD,4 LDI R29,5 OUT LOW(OCR1A),R29 RCALL DELAY RET DELAY: LDI R31,0B00001111 ;запуск счётчика с послед. сбросом в ноль OUT TCCR1B,R31 DL0: NOP NOP NOP SBIS TIFR,6 ; проверка на совпадение RJMP DL0 CLR R31 OUT TCCR1B,R31 ;остановить счётчик RET TIMECOUNT: LDI R31,0B00001111 OUT TCCR1B,R31 TC0: NOP SBIC TIFR,7 RJMP TC1 SBIS GIFR,7 ;ожидание прерывания от формирователя RJMP TC0 TC1: CLR R31 OUT TCCR1B,R31 ;остановить счёт времени RET RESET: TS0: SBI DDRD,4 LDI R31,$26 OUT LOW(OCR1A),R31 LDI R31,$02 OUT HIGH(OCR1A),R31 CBI PORTD,4 RCALL DELAY SBI PORTD,4 NOP NOP NOP NOP NOP CBI DDRD,4 LDI R31,$01 OUT HIGH(OCR1A),R31 LDI R31,$90 OUT LOW(OCR1A),R31 RCALL DELAY SBIS PORTD,4 RJMP TS0 RET |
|||||||||||||||||||||||||||||||||||||||||||||||||||||||||||||||||||||||||||||||||||||||||||||||||||||||||||||||||||||||||||||||||||||||||||||||||||||||||||||||||||

. (3.1)









, (6.1)
. (6.2)
, (6.3)
. (6.4)
. (6.5)







,(6.6)

(6.7)
. (6.9)
, (6.13)
. (6.14)
, (6.16)
. (6.17)
, (6.20) 

. (6.31)
. (6.34)
(6.35)
, (6.37)
. (6.38)
. (6.39)
, (6.42)
. (6.44)

. (6.51)
. (6.60)
(6.64)
. (6.68)
. (6.69)





, (8.2)
. (8.4)

(9.1)
(9.2)
(9.5)
(9.8)
. (9.18)
, (9.21)
, (10.6)