Учебное пособие: Проектирование внутрицехового электроснабжения Разработка проекта
|
Название: Проектирование внутрицехового электроснабжения Разработка проекта Раздел: Рефераты по физике Тип: учебное пособие | |||||||||||||||||||||||||||||||||||||||||||||||||||||||||||||||||||||||||||||||||||||||||||||||||||||||||||||||||||||||||||||||||||||||||||||||||||||||||||||||||||||||||||||||||||||||||||||||||||||||||||||||||||||||||||||||||||||||||||||||||||||||||||||||||||||||||||||||||||||||||||||||||||||||||||||||||||||||||||||||||||||||||||||||||||||||||||||||||||||||||||||||||||||||||||||||||||||||||||||||||||||||||||||||||||||||||||||||||||||||||||||||||||||||||||||||||||||||||||||||||||||||||||||||||||||||||||||||||||||||||||||||||||||||||||||||||||||||||||||||||||||||||||||||||||||||||||||||||||||||||||||||||||||||||||||||||||||||||||||||||||||||||||||||||||||||||||||||||||||||||||||||||||||||||||||||||||||||||||||||||||||||||||||||||||||||||||||||||||||||||||||||||||||||||||||||||||||||||||||||||||||||||||||||||||||||||||||||||||||||||||||||||||||||||||||||||||||||||||||||||||||||||||||||||||||||||||||||||||||||||||||||||||||||||||||||||||||||||||||||||||||||||||||||||||||||||||||||||||||||
Федеральное агентство по образованию Государственное образовательное учреждение высшего профессионального образования "Кузбасский государственный технический университет" Кафедра электроснабжения горных и промышленных предприятий Проектирование внутрицехового электроснабжения Часть II . Проектирование электроснабжения силовых электроприемников цеха Методические указания по курсовому и дипломному проектированию по дисциплине "Системы электроснабжения" для студентов всех форм обучения специальности "Электроснабжение" Составитель Т.Л. Долгопол Утверждены на заседании кафедры Протокол № 3 от 10.02.2009 Рекомендованы к печати учебно-методической комиссией по специальности 140211 Протокол № 3 от 10.02.2009 Электронная копия находится в библиотеке главного корпуса ГУ КузГТУ Кемерово 2008 Содержание 3.3 Расчет электрических нагрузок 3.4 Выбор числа и мощности цеховых трансформаторов 3.5 Выбор схемы и компоновки цеховой КТП 3.6 Выбор схемы силовой сети цеха 3.7 Выбор способов прокладки силовой сети цеха 3.8 Выбор силового электрооборудования напряжением до 1000 В 3.8.1 Выбор и проверка комплектныхшинопроводов 3.8.2 Выбор силовых распределительных пунктов 3.9 Выбор сечений силовых линий 3.9.1 Выбор сечений по допустимому нагреву 3.9.2 Проверка сечений по потере напряжения 3.9.3 Проверка сечений на соответствие выбранному аппарату защиты 3.10 Выбор защитной аппаратуры 3.11 Расчет токов короткого замыкания 3.12 Проверка правильности выбора защитнойаппаратуры Приложение 22. Технические данные силовых трансформаторов Приложение 23. Планы двухтрансформаторных цеховых КТП Приложение 26. Технические характеристики шкафов распределительных с плавкими предохранителями Приложение 27. Технические данные распределительных силовых пунктов ПР-11 Приложение 28. Технические данные распределительных силовых пунктов ПР8501 с трехполюсными АВ Приложение 29. Технические данные силовых распределительных пунктов серии ПР8503 Приложение 31. Допустимые токовые нагрузки трехжильных кабелей с СПЭ-изоляцией напряжением 1 кВ Приложение 32. Длительно допустимый ток для гибких кабелей с резиновой изоляцией напряжением 1 кВ Приложение 33. Технические характеристики предохранителей Приложение 34. Классификация автоматических выключателей Приложение 35. Характеристики автоматических выключателей Данные методические указания необходимо рассматривать как продолжение первой части "Проектирование осветительных установок". При проектировании внутрицехового электроснабжения необходимо учитывать некоторые характеристики силовых электроприемников (ЭП): режим работы, коэффициент мощности, количество фаз, род тока. В связи с этим ниже приводятся характеристики отдельных групп силовых ЭП. Для всех ЭП важным показателем является их номинальная мощность. Для электродвигателей номинальные мощности выражаются в киловаттах: для однодвигательных ЭП – p н , кВт; для многодвигательных – суммарная номинальная мощность – P н , кВт. Номинальной (установленной) мощностью плавильных электропечей и сварочных установок является мощность питающих их трансформаторов, выраженная в киловольт-амперах (кВА). Это же относится и к трансформаторам преобразовательных и выпрямительных агрегатов. Основной группой промышленных потребителей электроэнергии являются электродвигатели. В установках, не требующих регулирования скорости в процессе работы, применяются электродвигатели переменного тока: асинхронные с короткозамкнутым или с фазным ротором, синхронные. При напряжении до 1 кВ и мощности до 100 кВт экономически целесообразнее применять асинхронные двигатели, а свыше 100 кВт – синхронные; при напряжении 10 кВ и мощности до 630 кВт – асинхронные двигатели, 450 кВт и выше – синхронные. Асинхронные двигатели с фазным ротором применяются в мощных электроприводах с тяжелыми условиями пуска. К общепромышленным установкам относятся вентиляторы, насосы, компрессоры, воздуходувки и т. д. В них применяются асинхронные и синхронные двигатели трехфазного переменного тока частотой 50 Гц напряжением от 380 В до 10 кВ. Диапазон их мощностей различен – от долей киловатта (электродвигатели задвижек, затворов, насосов подачи смазки и т. п.) до десятков мегаватт (воздуходувки доменных печей, кислородные турбокомпрессоры). Основным агрегатам (насосы, вентиляторы) присущ продолжительный режим работы. Электродвигатели задвижек, затворов и т. п. работают в кратковременном режиме. Их коэффициент мощности находится в пределах 0,8–0,85. Синхронные двигатели работают в режиме перевозбуждения. Данная группа электроприемников относится, как правило, к I категории по надежности электроснабжения. Некоторые вентиляционные и компрессорные установки относятся ко второй категории. Наиболее многочисленной группой приемников электроэнергии являются металлорежущие станки. Напряжение сети, питающей двигатели станков, 380 или 660 В, частота 50 Гц. На станках, где требуется высокая частота вращения и регулирование скорости, применяют двигатели постоянного тока; в остальных случаях – асинхронные с короткозамкнутым ротором. По надежности электроснабжения станки основных цехов предприятий относят ко II категории, а вспомогательных цехов – к III категории по надежности электроснабжения. К электротехнологическим установкам относятся электронагревательные и электролизные установки, установки электрохимической, электроискровой и ультразвуковой обработки металлов, электросварочное оборудование. Наиболее распространенной группой электронагревательных установок являются электрические печи сопротивления, которые подразделяются на печи косвенного нагрева и прямого нагрева. Печи сопротивления получают питание от трехфазных сетей переменного тока частотой 50 Гц, в основном напряжением 380/220 В или на более высокое напряжение через понижающие трансформаторы. Выпускаются печи в одно- и трехфазном исполнении, мощностью до нескольких тысяч киловатт. Характер нагрузки их ровный, однако, однофазные печи для трехфазных сетей представляют несимметричную нагрузку. Коэффициент мощности для печей прямого действия 0,7–0,9, для печей косвенного действия – 1,0. Печи сопротивления относятся ко II категории по надежности электроснабжения. Индукционные плавильные печи выпускаются со стальным сердечником и без него, мощностью до 4500 кВА. Питание индукционных печей и установок закалки и нагрева осуществляется от трехфазных сетей переменного тока частотой 50 Гцнапряжением 380/220 В и выше в зависимости от мощности. Индукционные плавильные печи без сердечника и установки закалки и нагрева токами высокой частоты получают питание переменным током частотой до 40 МГц от преобразовательных установок, которые, в свою очередь, питаются от сетей переменного тока промышленной частоты. Печи со стальными сердечниками выпускаются в одно-, двух- и трехфазном исполнении. Коэффициент мощности их колеблется в пределах 0,2–0,8 (у индукционных установок повышенной частоты – от 0,06 до 0,25). Все перечисленные печи иустановки индукционного нагрева относятся к приемникам IIкатегории по надежности электроснабжения. Дуговые электрические печи по способу нагрева разделяются на печи прямого, косвенного и смешанного нагрева. Дуговые печи получают питание от сетей переменного тока промышленной частоты напряжением до 110 кВ через специальные понижающие печные трансформаторы. Мощности современных дуговых электропечей достигают 100–125 MBА. В период расплавления шихты возникают частые эксплуатационные короткие замыкания в процессе плавки и бестоковые паузы при выпуске стали и новой загрузке печи, в результате чего в питающих сетях наблюдаются толчковые нагрузки. Нагрузка от однофазных печей несимметричная. Коэффициент мощности 0,85–0,95. В отношении надежности электроснабжения дуговые печи относятся к приемникам первой категории. Вакуумные электрические печи для выплавки высококачественных сталей и специальных сплавов относятся к приемникам особой группы первой категории, так как перерыв в питании вакуумных насосов приводит к дорогостоящему браку. Электротехнологические установки, работающие на постоянном или переменном токе частотой, отличной от 50 Гц, питаются от преобразовательных установок, характеристики которых определяются режимом электротехнологической установки. Например, мощности электролизных установок для получения алюминия зависят от их производительности и достигают 150–180 МВА. Питание преобразовательных установок электролиза осуществляется трехфазным переменным током частотой 50 Гц напряжением до 110 кВ (в зависимости от мощности). Нагрузка их равномерная, симметричная. Коэффициент мощности составляет 0,8–0,9. Электролизные установки относятся к приемникам I категории по надежности электроснабжения. Электросварочное оборудование питается напряжением 380 или 220 В переменного тока промышленной частоты. Для дуговой сварки на переменном токе применяют сварочные трансформаторы однофазного и трехфазного исполнения. Источником постоянного тока при сварке служат вращающиеся и статические преобразователи. Для автоматической дуговой сварки под слоем флюса или в защитном газе используют как трансформаторы, так и преобразователи трехфазного исполнения на напряжение 380 В. Сварочные агрегаты для контактной сварки имеют однофазное исполнение. Электросварочное оборудование работает в повторно-кратковременном режиме работы. Однофазные сварочные приемники (трансформаторы и другие установки) дают неравномерную нагрузку по фазам трехфазной питающей сети. Коэффициент их мощности колеблется в пределах 0,3–0,7. Сварочные установки по степени надежности относятся ко II категории. Электропривод подъемно-транспортных устройств имеет повторно-кратковременный режим работы и относится ко II категории по надежности электроснабжения. На кран-балках и тельферах установлены двигатели с короткозамкнутым ротором, а на мостовых кранах – двигатели с фазным ротором. 3.3 Расчет электрических нагрузок До расчета электрической нагрузки следует привести характеристики ЭП цеха согласно табл. 10. Таблица 10Характеристики электроприемников цеха
Значения коэффициентов мощности и коэффициентов использования для характерных групп электроприемников приведены в прил. 21 . Номинальные токи электроприемников берутся из паспортных данных или определяются по формулам: 1) для трехфазных электродвигателей
2) для многодвигательного электропривода трехфазного исполнения
где 3) для трехфазной электрической печи, сварочного трансформатора
4) для однофазных электродвигателей на фазное напряжение (U ф )
5) для однофазных электродвигателей, подключаемых на линейное напряжение и являющихся нагрузкой двух фаз
6) для однофазных электрических печей, сварочных трансформаторов на фазное напряжение
7) для однофазных электрических печей, сварочных трансформаторов на линейное напряжение
8) для остальных трехфазных ЭП
9) для остальных однофазных ЭП на фазное напряжение
10) для остальных однофазных ЭП на линейное напряжение
Во всех формулах: P н , S н – номинальная мощность ЭП (P н – в кВт, S н – в кВА). Расчет электрических нагрузок цеха и любого другого узла системы электроснабжения (силового распределительного пункта, распределительного или магистрального шинопровода, секции шин) необходимо произвести по методу коэффициента расчетной активной мощности (K р ). Расчетная активная мощность (P р ) – это мощность, соответствующая такой неизменной токовой нагрузке (I р ), которая эквивалентна фактической изменяющейся во времени нагрузке по наибольшему возможному тепловому воздействию на элемент системы электроснабжения. При расчете электрических нагрузок цеха или другого узла питания все ЭП распределяются на характерные группы с одинаковыми K и и cosj. При этом резервные ЭП в расчете не учитываются и номинальные мощности ЭП с повторно-кратковременным режимом работы не приводятся к длительному режиму (ПВ = 100 %). Для многодвигательных приводов учитываются все одновременно работающие электродвигатели данного привода. Если среди этих электродвигателей имеются одновременно включаемые (с идентичным режимом работы), то они учитываются в расчете как один ЭП с номинальной мощностью, равной сумме номинальных мощностей одновременно работающих двигателей. Для каждой характерной группы ЭП определяются средние активная (P с ) и реактивная (Q с ) мощности по формулам:
Коэффициент расчетной активной мощности зависит от значения группового коэффициента использования ( Групповой коэффициент использования узла питания определяется по формуле:
Эффективное число ЭП рассчитывается по формуле:
где n
э
– число однородных по режиму работы ЭП одинаковой мощности, которое дает то же значение расчетного максимума (P
р
), что и группа из реального числа ЭП (n
), различных по мощности и режиму работы; При большом числе ЭП цеха допускается определять эффективное число электроприемников по упрощенной формуле:
где Найденное по формулам (41) или (42) n э округляется до ближайшего меньшего целого числа. Постоянные времени нагрева принимаются следующие: - - Таблица 11 Значения коэффициентов расчетной нагрузки K р для питающих сетей напряжением до 1000 В
Таблица 12 Значения коэффициентов расчетной нагрузки K р на шинах НН цеховых трансформаторов и для магистральных шинопроводов напряжением до 1 кВ
Расчетная активная мощность узла питания определяется по формуле:
Расчетная реактивная мощность для питающих сетей напряжением до 1 кВ в зависимости от n э определяется по формулам: при при Расчетная реактивная мощность для магистральных шинопроводов и на шинах цеховых трансформаторных подстанций независимо от n э определяется по формуле:
Полная расчетная мощность узла питания
На шинах низкого напряжения цеховой КТП при совместном питании силовой и осветительной нагрузки полная расчетная мощность определяется по формуле:
Расчетный ток узла питания
При определении расчетных нагрузок цеха и отдельных узлов питания следует пользоваться табл. 13. При определении расчетной нагрузки цеха или другого узла питания необходимо учесть наличие однофазных электроприемников. При наличии одного однофазного ЭП и включении его на фазное напряжение он учитывается как эквивалентный трехфазный ЭП номинальной мощностью:
где p н.о , q н.о – активная и реактивная мощности однофазного ЭП. При включении однофазного ЭП на линейное напряжение он учитывается как эквивалентный ЭП номинальной мощностью
При наличии группы однофазных ЭП они должны быть распределены по фазам. Далее определяется нагрузка каждой фазы от однофазных ЭП суммированием установленной мощ-ности однофазных ЭП, подключенных на фазное напряжение, и Таблица 13 Расчет электрических нагрузок (форма Ф636-92)
_______________ * Резервные ЭП, а также ЭП, работающие кратковременно, в расчете не учитываются. ** При расчете электрических нагрузок для магистральных шинопроводов, на шинах цеховых трансформаторных подстанций, в целом по цеху, корпусу, предприятию: допускается определять n э по выражению
расчетная реактивная мощность принимается равной
мощности однофазных ЭП, подключенных на линейное напряжение, с использованием коэффициентов приведения нагрузок к одной фазе по формулам:
где Значения коэффициентов приведения однофазных нагрузок по активной мощности представлены в табл. 14. Таблица 14 Коэффициенты приведения однофазной нагрузки, включенной на линейное напряжение, к нагрузке, отнесенной к одной фазе
Затем определяется общая мощность трехфазных и однофазных ЭП каждой фазы:
где Рассчитывается неравномерность загрузки фаз (DP нр ):
где При неравномерности нагрузки фаз не более 15 % однофазные ЭП учитываются при расчете нагрузок как эквивалентная группа трехфазных ЭП с той же суммарной номинальной мощностью. В случае превышения указанной неравномерности номинальная мощность эквивалентной группы трехфазных ЭП принимается равной тройному значению мощности наиболее загруженной фазы:
3.4 Выбор числа и мощности цеховых трансформаторов Как правило, цеховые трансформаторные подстанции (ТП) встроены в здание цеха или пристроены к нему. Пристроенной называется подстанция, непосредственно примыкающая к основному зданию, встроенной – подстанция, вписанная в общий контур здания, внутрицеховая – расположенная внутри производственного здания (в открытом или отдельном закрытом помещении). Отдельно стоящие закрытые цеховые подстанции устанавливают, когда невозможно разместить ТП внутри цехов или у наружных их стен по требованиям технологии или пожаро- и взрывоопасности производства. Отдельно стоящие ТП целесообразно применять при питании от одной подстанции нескольких рядом расположенных цехов с небольшой электрической нагрузкой. По возможности ТП устанавливают в центре электрических нагрузок, максимально приближая к цеховым электроприемникам, что позволяет сократить протяженность сетей 0,4 кВ и уменьшить в них потери мощности и энергии. Возможно применение цеховых ТП с размещением распределительного устройства (щита) низкого напряжения в цехе, а трансформаторов – снаружи около питаемых от него производственных зданий. Варианты размещения цеховых КТП представлены на рис. 10.
Рис. 10. Варианты размещения цеховых КТП и их компоновки: а – однотрансформаторная КТП встроенного типа; б – двухтрансформаторная КТП пристроенного типа однорядного исполнения; в – двухтрансформаторная КТП отдельно стоящая двухрядного исполнения; г – КТП с наружной установкой трансформаторов На выбор числа трансформаторов влияет категория потребителей по надежности электроснабжения, график нагрузки цеха и удельная мощность нагрузки. Однотрансформаторные подстанции при наличии складского резерва можно использовать для питания электроприемников III и даже II категории. Однотрансформаторные КТП можно применить и для питания электроприемников I категории, если их мощность не превышает 15–20 % мощности трансформатора и возможно резервирование подстанций на вторичном напряжении перемычками с АВР. Двухтрансформаторные цеховые подстанции применяют при преобладании электроприемников I и II категории и в энергоемких цехах при большой удельной мощности нагрузки 1) суточный или годовой график нагрузки цеха очень неравномерен (например, односменная работа цеха, когда выгодно в ненагруженные часы отключать один трансформатор); 2) возможен дальнейший быстрый рост нагрузки; 3) удельная мощность нагрузки не менее 0,4 кВА/м2 . Более двух трансформаторов используют для питания цеховых ЭП при необходимости раздельного питания силовой и осветительной нагрузки цеха; если имеются мощные ЭП, требующие блочного питания, или нагрузка цеха превышает нагрузочную способность двухтрансформаторной КТП с трансформаторами мощностью 2500 кВА (приблизительно > 3500 кВА). Следует учесть, что если нагрузка цеха не более 400 кВА, то экономически нецелесообразно устанавливать собственную КТП в этом цехе. Необходимо объединить нагрузки рядом расположенных цехов и выбрать ТП по суммарной мощности, расположив ее в центре электрических нагрузок. Мощность трансформатора в однотрансформаторной КТП выбирается по условию:
где S нт – номинальная мощность трансформатора, кВА; S р – расчетная нагрузка цеха, кВА. Для двухтрансформаторных подстанций
где K
з
– коэффициент загрузки трансформатора, принимаемый при преобладании потребителей I категории (до 80 %) в пределах В последние годы ведется поиск наиболее эффективных методов выбора цеховых трансформаторов. Один из подходов к решению этой задачи основан на применении комплексного метода расчета электрических нагрузок (прогноз увеличения нагрузки во времени и в зависимости от технологических показателей цеха). В этом случае выбор мощности цеховых трансформаторов можно произвести по удельной плотности нагрузки (S руд ):
Далее по прил. 22 следует выбрать тип трансформатора и привести его технические характеристики. При выборе двухтрансформаторной КТП необходимо определить нагрузку секций шин, распределив ЭП цеха между цеховыми трансформаторами. Цеховые ЭП могут питаться либо от шин КТП непосредственно, либо через силовые распределительные пункты в зависимости от их единичной мощности. Линейные панели РУНН КТП комплектуются автоматическими выключателями (АВ) с номинальным током Далее следует определить потери напряжения во вторичных обмотках цеховых трансформаторов по формуле:
где b – коэффициент загрузки трансформатора; U ка , U кр – соответственно активная и индуктивная составляющие напряжения короткого замыкания трансформатора, %; cosjср – средневзвешенный коэффициент мощности нагрузки трансформатора.
где S рт – расчетная нагрузка трансформатора.
где P к – мощность потерь короткого замыкания, кВт.
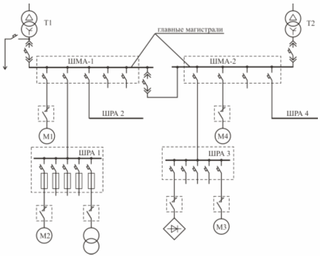
где U к – напряжение короткого замыкания трансформатора, %. 3.5 Выбор схемы и компоновки цеховой КТП Цеховые трансформаторные подстанции, как правило, не имеют распределительного устройства высокого напряжения (РУВН) и состоят из шкафов ввода высокого напряжения, трансформаторов и распределительного устройства низкого напряжения (РУНН). В состав подстанции может входить РУВН, если в цехе имеются высоковольтные электроприемники (двигатели, электротехнологические установки), либо если цеховые трансформаторы запитаны по магистральной схеме. Цеховая трансформаторная подстанция может не иметь РУНН, если цеховые электрические сети выполняются по схеме "блок трансформатор – магистраль" (БТМ). В этом случае функцию распределительного устройства низкого напряжения выполняет магистральный шинопровод (ШМА), проложенный в цехе. РУНН состоит из панелей распределительных щитов: вводных, линейных, секционной. Линейные панели комп-лектуются трансформаторами тока, амперметрами и коммутационно-защитной аппаратурой следующих видов: 1) блоки рубильник – предохранитель с 2) рубильник, предохранитель с 3) рубильники, автоматические выключатели с 4) автоматические выключатели с 5) разъединитель, автоматический выключатель с Вводные панели комплектуются трансформаторами тока, амперметрами, вольтметрами и коммутационно-защитными аппаратами: 1) рубильник, предохранитель; 2) разъединитель; 3) разъединитель, автоматический выключатель. Секционные панели комплектуются либо рубильником, либо разъединителем, а также автоматическим выключателем с рубильниками или разъединителями. Автоматические выключатели в панелях РУНН могут иметь стационарное исполнение или выдвижное, что влияет на компоновку цеховой подстанции. В прил. 23 приведены способы компоновки цеховых КТП при однорядном и двухрядном расположении панелей со стационарными и выдвижными выключателями. В данном разделе необходимо указать способ присоединения цеховых трансформаторов к распределительной сети, тип выбранной КТП, ее комплектацию и компоновку. 3.6 Выбор схемы силовой сети цеха Внутрицеховые сети выполняют по радиальной, магистральной или смешанной схемам. На выбор схемы влияют категория потребителей по надежности электроснабжения, взаимное расположение ЭП по площади цеха, их единичная мощность, связанность электроприемников единым технологическим процессом и характеристика окружающей среды. Радиальные схемы применяют в помещениях с любой окружающей средой. Данные схемы характерны тем, что от источника питания (КТП) прокладывают линии, питающие непосредственно ЭП большой мощности или комплектные распределительные устройства (шкафы, пункты, сборки, щиты), от которых по отдельным линиям питаются электроприемники малой и средней мощности. Распределительные устройства следует располагать в центре электрических нагрузок данной группы потребителей (если позволяет окружающая среда) с целью уменьшения длины распределительных линий. Линии, по которым запитываются распределительные устройства, называются питающими и выполняются , как правило, кабелями. Радиальные схемы требуют установки на цеховых подстанциях большого числа коммутационных аппаратов и значительного расхода кабелей. Радиальные схемы следует применять: - для электроснабжения потребителей I категории; - для электроснабжения мощных ЭП, не связанных единым технологическим процессом; - для электроснабжения потребителей, взаимное расположение которых делает нецелесообразным питание их по магистральной схеме; - для питания насосных и компрессорных станций; - во взрывоопасных, пожароопасных и пыльных помещениях, в которых распределительные устройства должны быть вынесены в отдельные помещения с нормальной средой. На рис. 11 приведен пример выполнения радиальной схемы. Наиболее экономичными являются магистральные схемы. Широкое применение получили схемы "блок трансформатор – магистраль" (БТМ) без распределительных устройств на подстанциях. В схемах БТМ целесообразно использование комплектных шинопроводов: в питающей сети – магистральных шинопроводов серии ШМА, в распределительной сети – распределительных шинопроводов серии ШРА. Магистральные схемы с шинопроводами обеспечивают высокую степень надежности электроснабжения. Их основными достоинствами являются универсальность и гибкость, позволяющие производить изменения технологического процесса и перестановку технологического оборудования в цехах без существенного изменения электрических сетей. Магистральные схемы применяют: - для питания электроприемников, связанных единым технологическим процессом, когда прекращение питания одного электроприемника вызывает необходимость прекращения всего технологического процесса; - для питания большого числа мелких электроприемников, не связанных единым технологическим процессом, равномерно распределенных по площади цеха. На рис. 12 приведена схема БТМ для двухтрансформаторной подстанции. Магистральные шинопроводы подключаются к вводным автоматическим выключателям. Непосредственно к трансформатору допускается присоединять некоторые ЭП или освещение для бесперебойного их питания при отключении главной магистрали.
Рис. 11. Пример радиальной схемы для ЭП различных категорий по надёжности электроснабжения
Рис. 12. Пример выполнения магистральной схемы при двухтрансформаторной КТП Магистральные шинопроводы прокладываются в цехе на высоте 4 ÷ 4,5 метров от пола, распределительные шинопроводы для удобства эксплуатации устанавливаются, как правило, на высоте 2,5 ÷ 3 метров. На практике наибольшее распространение получили смешанные схемы. 3.7 Выбор способов прокладки силовой сети цеха В зависимости от выбранной схемы цеховых сетей они конструктивно могут быть выполнены комплектными шинопроводами или кабельными линиями, проложенными открыто или скрыто. На выбор способов прокладки кабелей влияют количество линий, совпадающих по трассе, и характеристика окружающей среды. В соответствии с ПУЭ производственные помещения в зависимости от характеристики окружающей среды делят на сухие, влажные, сырые, особо сырые, жаркие, с химически активной средой, пыльные, пожаро- и взрывоопасные. В любой среде возможна прокладка кабелей открыто по строительным конструкциям (не более шести кабелей, идущих в одном направлении) с учётом следующих ограничений: - в помещениях с химически активной средой необходимо использовать кабели с изоляцией, инертной к химически агрессивной среде (например, поливинилхлоридную); - в пожароопасных – кабели с негорючим наружным слоем: например, защитные герметичные оболочки кабелей из негорючей резины (АНРГ) или негорючего поливинилхлорида (АПвВнг-LS, АПвВГнг); - во взрывоопасных зонах любого класса использовать только бронированные кабели; - во взрывоопасных зонах классов В-I и В-IIа использовать бронированные кабели только с медными жилами; - во взрывоопасных зонах всех классов запрещается использовать кабели с полиэтиленовой изоляцией и полиэтиленовой защитной оболочкой. Тросовые проводки применяют в помещениях со сложной конфигурацией строительной части, где из-за большого числа различных трубопроводов, колонн, ферм и балок трудно выполнить проводку другого типа. Прокладку в стальных трубах следует использовать только во взрывоопасных зонах вместо бронированных кабелей. Для защиты кабелей от воздействия окружающей среды и механических повреждений возможно использовать прокладку в алюминиевых трубах и полимерных (полипропиленовые, поливинилхлоридные, полиэтиленовые и др.) При большом числе кабельных линий, совпадающих по направлению, следует использовать прокладку кабелей на специальных кабельных конструкциях, на лотках, в коробах и кабельных каналах с учётом влияния окружающей среды на выбор марки кабеля. Целесообразно использование модульной прокладки в цехах машиностроительной, приборостроительной, радиотехнической и других отраслей промышленности. Применение модульной сети делает электротехническую часть производства независимой от размещения технологического оборудования. В такой сети кабели прокладываются под полом в трубах с ответвительными коробками для присоединения ЭП с шагом (модулем) 1,5 ÷ 6 метров в зависимости от характера производства и габаритов технологического оборудования. Для питания передвижных ЭП (крановых электродвигателей тельферов, мостовых кранов, кран-балок) применяют троллейные линии, выполненные из профильной стали или алюминиевых шин, а также троллейными шинопроводами типа ШТМ. Возможно использовать для их питания гибкие кабели. 3.8 Выбор силового электрооборудования напряжением до 1000 В 3.8.1 Выбор и проверка комплектных шинопроводов Сечение шин выбирают по допустимому нагреву длительно протекающим максимальным током нагрузки по условию:
где I н – номинальный ток шинопровода, А. Технические характеристики магистральных шинопроводов приведены в прил. 24 , распределительных – в прил. 25 . Для оценки уровня напряжения, подводимого к ЭП, запитанным от шинопроводов, необходимо учитывать потери напряжения в шинопроводах. Потери напряжения в шинопроводах определяют по формуле:
где r 0 , x 0 – соответственно удельные активное и индуктивное сопротивления шинопроводов, Ом/км; cosφср – средневзвешенный коэффициент нагрузки шинопровода; I pi – ток расчётный i -той нагрузки,А; li – длина шинопровода от ввода до точки подключения i -той нагрузки, км. При токе нагрузки, близком к номинальному току шинопровода, потери напряжения допускается определять по линейной потере напряжения на 100 м шинопровода по формуле:
где ΔU лш – линейная потеря напряжения шинопровода, В; l ш – длина шинопровода до точки подключения нагрузки, м; U н – номинальное напряжение, В. После расчета токов короткого замыкания необходимо сделать проверку выбранных сечений шинопроводов по термической и электродинамической стойкости. Для этого ток трехфазного КЗ (I к (3) ), рассчитанный в начале шинопровода следует сравнить с термической стойкостью шинопровода, а ударный ток – с электродинамической стойкостью по условиям:
где i тс – термическая стойкость шинопровода, кА; i уд доп. – электродинамическая стойкость шинопровода, кА, взятые из технических характеристик. 3.8.2 Выбор силовых распределительных пунктов В качестве силовых распределительных пунктов (РП) можно выбирать щиты распределительные (корпуса для электрощитового ЭО), либо типовые РП. Данные по щитам распределительным, а также по осветительно-силовым щиткам приведены в части 1 методических указаний по курсовому и дипломному проектированию. Типовые РП комплектуются либо предохранителями (серии ШР11 и ШРС1), либо автоматическими выключателями (серии ПР8501, ПР 8503, ПР11 и др.) Распределительные пункты выбирают по степени защиты, по номинальному току ввода, по количеству отходящих линий, типу защитного аппарата (с предохранителями или с автоматическими выключателями) и номинальному току аппаратов для присоединений. Если отходящие линии необходимо защищать только от токов К3, то целесообразнее использовать РП с предохранителями, номенклатура и технические параметры которых приведены в прил. 26 . В случае необходимости защиты линий от токов КЗ и от токов перегрузки следует выбирать распределительные пункты с АВ, технические данные которых приведены в прил. 27 , 28 , 29 . Согласно ПУЭ от перегрузки должны быть защищены: - сети внутри помещений, выполненные открыто проложенными проводниками с горючей наружной оболочкой или изоляцией; - осветительные сети в жилых и общественных зданиях, в торговых помещениях, служебно-бытовых помещениях промышленных предприятий, включая сети для переносных и бытовых ЭП, а также в пожароопасных зонах; - силовые сети на промышленных предприятиях, в жилых и общественных зданиях, торговых помещениях – только в случае, когда по условиям технологического процесса или по режиму работы сети может возникать длительная перегрузка проводников; - сети всех видов во взрывоопасных зонах классов В-I, В-Iа; В-II, В-IIа. 3.9 Выбор сечений силовых линий Сечения силовых линий выбираются по допустимому нагреву длительно протекающим максимальным током нагрузки, по потере напряжения и по условию соответствия выбранному аппарату защиты. 3.9.1 Выбор сечений по допустимому нагреву Силовые линии разделяют на распределительные, непосредственно питающие один или несколько ЭП, и питающие, которые питают группу электроприемников, но непосредственно к ним не подключаются. Сечение по допустимому нагреву выбирают по условию:
где За расчетный ток нагрузки линии, питающей одиночный электроприемник, принимается номинальный ток нагрузки этого ЭП:
Для линии, питающей многодвигательный агрегат с одновременным пуском электродвигателей, расчетный ток нагрузки равен сумме номинальных токов двигателей:
Для магистралей и питающих линий определяется расчетная нагрузка группы ЭП по методу коэффициента активной расчетной мощности, а затем рассчитывается ток нагрузки по формуле (49). Поправочный коэффициент необходимо учитывать при прокладке линий в жарких помещениях, а также при прокладке кабелей в коробах. Значения поправочных коэффициентов в зависимости от температуры окружающей среды для разных видов изоляции жил приведены в табл. 15; в зависимости от способа прокладки кабелей в коробах – в табл. 16. Таблица 15 Поправочные коэффициенты на токи для кабелей в зависимости от температуры воздуха
Таблица 16 Значения поправочных коэффициентов для кабелей, прокладываемых в коробах
В остальных случаях Значения длительно допустимых токов для кабелей с резиновой и поливинилхлоридной изоляцией приведены в прил. 30 , для кабелей с изоляцией из сшитого полиэтилена – в прил. 31 , для гибких кабелей – в прил. 32 . Для электроприемников с повторно-кратковременным режимом работы для медных проводников сечением более 6 мм2
и алюминиевых сечением более 10 мм2
ток ЭП приводится к длительному режиму работы умножением
где ПВ – относительная продолжительность включения в относительных единицах; 1,14 – коэффициент запаса. Во взрывоопасных зонах сечения распределительных линий, питающих асинхронные электродвигатели с короткозамкнутым ротором, выбирают по условию:
3.9.2 Проверка сечений по потере напряжения Согласно ПУЭ, для силовых электроприемников отклонение напряжения от номинального должно составлять не более ±5 %. Выбранные по допустимому нагреву сечения силовых линий проверяют по потере напряжения по условию:
где Потери напряжения в распределительных линиях определяются по формулам: - при питании одиночного ЭП
- для магистрали
Потери напряжения в питающей линии
где Значения удельных сопротивлений кабелей приведены в табл. 17. Таблица 17 Удельные активные и индуктивные сопротивления кабелей
Если ЭП, запитанные от одного РП или ШРА, имеют одинаковую мощность, то проверку сечений по потере напряжения следует проводить для наиболее удаленного электроприемника. 3.9.3 Проверка сечений на соответствие выбранному аппарату защиты Данная проверка производится после выбора защитной аппаратуры. Для выбора защитных аппаратов необходимо рассчитать пиковые нагрузки линий, которые возникают при пуске электроприемников. Для распределительной линии, питающей одиночный электроприемник, пиковый ток равен пусковому току этого ЭП:
где При отсутствии паспортных данных пусковой ток может быть принят равным: - для асинхронных электродвигателей с короткозамкнутым ротором и синхронных – 5-кратному значению номинального тока; - для асинхронных электродвигателей с фазным ротором и двигателей постоянного тока – - для печных и сварочных трансформаторов – Для распределительной линии, питающей группу одновременно запускаемых ЭП:
где Для магистрали пиковой нагрузкой является пуск электроприемника с самым большим пусковым током в то время, когда все остальные ЭП нормально работают:
где Для питающей линии
где Для того чтобы протекание токов перегрузки и токов короткого замыкания по проводникам не приводило к их перегреву, выбранное сечение проводника должно быть согласовано с аппаратом защиты этого проводника по условию:
где Значения коэффициента защиты и принимаемый ток аппарата защиты приведены в табл. 18. Таблица 18Значения коэффициента защиты
Данные по выбору сечений силовых линий свести в табл. 19. Таблица 19 Выбор сечений силовых линий
Силовые линии, питающие однофазные электроприемники, могут иметь двух- или трехпроводное исполнение, а питающие трехфазные ЭП, четырех- или пятипроводные. Однофазные двух- и трехпроводные линии, а также трехфазные четырех- и пятипроводные линии при питании однофазных нагрузок должны иметь сечение нулевых рабочих (N) проводников, равное сечению фазных проводников. Трехфазные четырех- и пятипроводные линии при питании трехфазных симметричных нагрузок должны иметь сечение N-проводников, равное сечению фазных проводников, если фазные проводники имеют сечение до 16 мм2 по меди и 25 мм2 по алюминию, а при больших сечениях – не менее 50 % сечения фазных проводников. Сечение нулевых защитных проводников (PE) проводников при их наличии должно равняться сечению фазных проводников при сечении последних до 16 мм2 , иметь сечение 16 мм2 при сечении фазных проводников от 16 до 35 мм2 и не менее 50 % сечения фазных проводников при больших сечениях. Окончательно выбранное сечение в табл. 19 указывать в полном виде с указанием марки проводника и сечений фазных и нулевых проводников (например, АВВГ 3´50 + 2´25). 3.10 Выбор защитной аппаратуры Предохранители предназначены для защиты от токов короткого замыкания. Предохранители имеют простую конструкцию, небольшие размеры и сравнительно малую стоимость. Однако предохранителям присущи и серьезные недостатки, ограничивающие область их применения, к числу которых относятся: большой разброс срабатывания плавкой вставки – до 50 % по току, необходимость замены плавкой вставки или всего предохранителя после однократного срабатывания, возможность работы двигателя на двух фазах при перегорании предохранителя на одной фазе и др. Предохранители выбирают по следующим параметрам: - по номинальному напряжению: номинальное напряжение предохранителей
- по номинальному току предохранителя
по номинальному току плавкой вставки предохранителя
где При выборе плавких вставок безинерционных предохранителей (ПН, НПН, ППН) для защиты электродвигателей с легким режимом пуска (электропривод вентиляторов, насосов, металлорежущих станков и пр. с длительностью пуска 2 ÷ 5 с) При защите магистрали, питающей несколько ЭП с разными режимами пуска:
где При защите питающей линии номинальный ток плавкой вставки выбирается по условию (83), а пиковый ток определяется по формуле (78). Последовательно включенные предохранители должны быть проверены по селективности. По защитным характеристикам плавких предохранителей определяют время отключения при протекании максимального тока КЗ ( Технические характеристики некоторых типов предохранителей представлены в прил. 33 . Автоматические выключатели, в основном, предназначены для защиты электроустановок напряжением до 1000 В от коротких замыканий и перегрузок. Автоматические выключатели выбирают по следующим условиям:
где Номинальные токи расцепителей соседних автоматических выключателей последовательно включенных в сеть должны различаться не менее чем на одну ступень. Номинальные токи расцепителей автоматического выключателя, ближайшего к источнику питания (вводного в ТП), должны быть не менее чем в 1,5 раза больше, чем у наиболее удаленного. Выполнение этих условий обеспечивает селективность срабатывания тепловых расцепителей. При коротких замыканиях селективность защиты обеспечиваться не будет, так как электромагнитные расцепители при токах, равных или больших их токов уставки, срабатывают практически мгновенно. Для гарантированного обеспечения селективности следует выбирать АВ с регулируемой характеристикой срабатывания, у которых возможно задавать (выставлять) время срабатывания. Классификация автоматических выключателей серий ВА приведена в прил. 34 , а их технические характеристики – в прил. 35 . Результаты выбора защитных аппаратов свести в табл. 20. Таблица 20 Выбор защитных аппаратов цеховых электрических сетей (силовых и осветительных)
3.11 Расчет токов короткого замыкания Расчет токов КЗ необходим для проверки защитных аппаратов по отключающей способности, проверки защит по чувствительности действия и шинопроводов (ШМА, ШРА) по термической и электродинамической стойкости. С этой целью рассчитываются токи трехфазного короткого замыкания ( При расчетах токов КЗ в электроустановках до 1 кВ необходимо учитывать: 1) индуктивные сопротивления всех элементов короткозамкнутой цепи, включая силовые трансформаторы, проводники, трансформаторы тока, реакторы, токовые катушки автоматических выключателей; 2) активные сопротивления элементов короткозамкнутой цепи; 3) активные сопротивления различных контактов и контактных соединений; 4) значения параметров синхронных и асинхронных электродвигателей. При расчетах токов КЗ рекомендуется учитывать: 1) сопротивление электрической дуги в месте КЗ; 2) изменение активного сопротивления проводников короткозамкнутой цепи вследствие их нагрева при КЗ; 3) влияние комплексной нагрузки (электродвигатели, преобразователи, термические установки, лампы накаливания) на ток КЗ, если номинальный ток электродвигателей нагрузки превышает 1,0 % начального значения периодической составляющей тока КЗ, рассчитанного без учета нагрузки. Токи КЗ рекомендуется рассчитывать в именованных единицах. Следует использовать шкалу средних номинальных напряжений: 37; 24; 20; 15,75; 13,8; 10,5; 6,3; 3,15; 0,69; 0,525; 0,4; 0,23 кВ. Сопротивления всех элементов схемы замещения выражать в миллиомах. При электроснабжении электроустановки от энергосистемы через понижающий трансформатор начальное действующее значение периодической составляющей трехфазного тока КЗ в килоамперах без учета подпитки от электродвигателей рассчитывают по формуле:
где
Значение периодической составляющей тока однофазного КЗ от системы в килоамперах рассчитывают по формуле
где Для определения суммарных сопротивлений до точки КЗ необходимо составить расчетную схему, на которой приводятся технические характеристики цехового трансформатора (тип, схема соединения обмоток, номинальная мощность, номинальные напряжения обмоток, напряжение КЗ трансформатора и мощность потерь при КЗ), марка кабелей, сечения и длины линий, типы и номинальные токи коммутационно-защитных аппаратов, точки КЗ. Пример расчетной схемы приведен на рис. 13. Далее составляются схемы замещения прямой и нулевой последовательностей, представленные на рис. 14 и рис. 15. Эквивалентное индуктивное сопротивление системы, приведенное к ступени низшего напряжения сети, рассчитывается по формуле где
Рис. 13. Расчетная схема
Рис. 14. Схема замещения прямой последовательности: x с – эквивалентное сопротивление системы;R т , x т – активное и индуктивное сопротивления прямой последовательности цехового трансформатора; RTA , xTA – активное и индуктивное сопротивления первичных обмоток трансформаторов тока; R кв , x кв – активное и индуктивное сопротивления токовых катушек автоматических выключателей; R ш , x ш – активное и индуктивное сопротивления прямой последовательности шинопроводов; R л , x л – активное и индуктивное сопротивления прямой последовательности кабельных линий; R к – активное сопротивление различных контактов.
Рис. 15. Схема замещения нулевой последовательности: R 0т , x 0т – активное и индуктивное сопротивления нулевой последовательности цехового трансформатора; R 0ш , x 0ш – активное и индуктивное сопротивления нулевой последовательности шинопроводов; R 0л , x 0л – активное и индуктивное сопротивления нулевой последовательности кабельных линий; R д – сопротивление дуги в месте короткого замыкания. При отсутствии указанных данных эквивалентное индуктивное сопротивление системы в миллиомах допускается рассчитывать по формуле
где Активное и индуктивное сопротивления прямой последовательности понижающих трансформаторов (r т , х т ) в миллиомах, приведенные к ступени низшего напряжения сети, рассчитывают по формулам:
где Активные и индуктивные сопротивления нулевой последовательности понижающих трансформаторов, обмотки которых соединены по схеме D/Y0 , при расчете КЗ в сети низшего напряжения следует принимать равными соответственно активным и индуктивным сопротивлениям прямой последовательности. При других схемах соединения обмоток трансформаторов активные и индуктивные сопротивления нулевой последовательности необходимо принимать в соответствии с указаниями изготовителей. Активные и индуктивные сопротивления прямой и нулевой последовательностей шинопроводов приведены в табл. 21. Таблица 21Параметры комплектных шинопроводов
Значения удельных сопротивлений кабелей приведены в табл. 17. Значения активных сопротивлений контактов различного вида приведены в табл. 22, 23, 24. Таблица 22 Сопротивления контактных соединений кабелей
Таблица 23 Сопротивления контактных соединений шинопроводов
Таблица 24 Приближенные значения сопротивлений разъемных контактов коммутационных аппаратов напряжением до 1 кВ
При приближенном учете сопротивлений контактов принимают: При расчете токов КЗ в электроустановках напряжением до 1 кВ следует учитывать как индуктивные, так и активные сопротивления первичных обмоток всех многовитковых измерительных трансформаторов тока, которые имеются в цепи КЗ. Значения активных и индуктивных сопротивлений нулевой последовательности принимают равными значениям сопротивлений прямой последовательности. Параметры некоторых многовитковых трансформаторов тока приведены в табл.25. Активным и индуктивным сопротивлением одновитковых трансформаторов (на токи более 500 А) при расчетах токов КЗ можно пренебречь. Расчеты токов КЗ в электроустановках напряжением до 1 кВ следует вести с учетом индуктивных и активных сопротивлений катушек (расцепителей) максимального тока автоматических выключателей, принимая значения активных и индуктивных сопротивлений нулевой последовательности равными соответствующим сопротивлениям прямой последовательности. Значения сопротивлений катушек расцепителей и контактов некоторых автоматических выключателей приведены в табл. 26. Таблица 25 Сопротивления первичных обмоток многовитковых трансформаторов тока
Таблица 26 Сопротивления катушек и контактов автоматических выключателей
При определении минимального значения тока КЗ следует учитывать влияние на ток КЗ активного сопротивления электрической дуги в месте КЗ. Приближенные значения активного сопротивления дуги приведены в табл. 27. Таблица 27 Значения активного сопротивления дуги
Значение ударного тока короткого замыкания определяется по формуле
где K
у
– ударный коэффициент, определяемый по графику на рис. 16 и зависящий от отношения активного и индуктивного сопротивлений в точке КЗ:
Рис. 16. Зависимость Пример расчета токов короткого замыкания привести для одной точки КЗ. Результаты расчета токов КЗ свести в табл. 28. Таблица 29 Результаты расчета токов КЗ
3.12 Проверка правильности выбора защитной аппаратуры Предохранители и автоматические выключатели проверяются по отключающей способности по условию:
где Проверка правильности выбора предохранителя по чувствительности:
где Проверка правильности выбора автоматических выключателей по чувствительности действия защит: - для тепловых расцепителей:
- для электромагнитных расцепителей:
где Данные по проверке предохранителей свети в табл.29, автоматических выключателей – в табл. 30. Таблица 29Проверка правильности выбора предохранителей
Таблица 31 Проверка правильности выбора автоматических выключателей
Если выбранные аппараты не проходят проверку по отключающей способности, то их необходимо заменить на другие типы аппаратов с большей отключающей способностью. Если защитные аппараты не проходят проверку по чувствительности, необходимо увеличить сечения линий, чтобы увеличить ток однофазного КЗ. На планах размещения электрооборудования цеха наносят и указывают: - строительные конструкции и строительные оси; - наименование производственных участков; - классы взрывоопасных и пожароопасных зон, категорию и группу взрывоопасных смесей для взрывоопасных зон; - обозначение силовых ЭП, их позиционные номера и паспортную мощность; - комплектные распределительные устройства на напряжение до 1000 В (распределительные щиты, щиты станций управления, распределительные пункты, ящики и шкафы управления, вводно-распределительные устройства) и их обозначения; - линии питающие и распределительные и их обозначения (номера); - компоновку цеховой КТП. Пример оформления плана расположения электрооборудования приведен на рис.17.
Рис.17 . Фрагмент плана расположения ЭО цеха. На схемах цеховой электрической сети наносят и указывают: - цеховые трансформаторы, их тип и мощность, схему соединения обмоток; - над силовыми линиями: номер линии, марка проводника, количество и сечение жил, под линией –длина линии в метрах; - возле коммутационно-защитной аппаратуры: тип аппарата и номинальный ток плавкой вставки для предохранителя или номинальный ток теплового расцепителя для автоматического выключателя; - для силовых ЭП их обозначение и паспортную мощность; - типы комплектных распределительных устройств. Пример оформления схемы цеховой сети приведен на рис.18.
Рис.18. Фрагмент схемы цеховой электрической сети. Средние значения коэффициентов использования (К и ) и мощности (cosφ) для характерных групп электроприемников
Технические данные силовых трансформаторов
Примечание: 1. ТСЗГЛ, ТСЗГЛФ – трехфазные сухие трансформаторы с геафоливой литой изоляцией, класс нагревостойкости изоляции – F (геафоль – эпоксидный компаунд с кварцевым наполнителем): ТСЗГЛ – вводы ВН внутри кожуха; ТСЗГЛФ – вводы ВН выведены на фланец, расположенный на торцевой поверхности кожуха. 2. ТМГ – трехфазный масляный герметичный трансформатор. 3. ТМГСУ – трехфазный масляный герметичный с симметрирующим устройством трансформатор, обеспечивающий поддержание симметричности фазных напряжений в сетях потребителей с неравномерной пофазной нагрузкой. Сопротивление нулевой последовательности этих трансформаторов в среднем в три раза меньше, чем у трансформаторов без симметрирующего устройства. Приложение 23 Планы двухтрансформаторных цеховых КТП
Рис. 1. План двухтрансформаторной КТП однорядного расположения со стационарными выключателями Размеры двухтрансформаторной КТП однорядного расположения со стационарными выключателями
Рис. 2. План двухтрансформаторной КТП однорядного расположения с выдвижными выключателями Размеры двухтрансформаторной КТП однорядного расположения с выдвижными выключателями
Рис. 3. План двухтрансформаторной КТП двухрядного расположения левого исполнения со стационарными выключателями Размеры двухтрансформаторной КТПдвухрядного расположения левого исполнения со стационарными выключателями
Рис. 4. План двухтрансформаторной КТП двухрядного расположения правого исполнения с выдвижными выключателями Размеры двухтрансформаторной КТП двухрядного расположения правого исполнения с выдвижными выключателями
Технические характеристики магистральных шинопроводов для сетей с глухозаземленной нейтралью напряжением до 660 В, частотой 50–60 Гц
Технические характеристики комплектных распределительных шинопроводов для сетей с глухозаземленной нейтралью напряжением 380/220 В, частотой 50–60 Гц
Технические характеристики шкафов распределительных с плавкими предохранителями
Примечание: 1. Схема ШР11-73707; ШР11-73708 соответствует рис. 2а. 2. Степень защиты распределительных пунктов IP22, IP44. Технические данные распределительных силовых пунктов ПР-11
Примечание. Степень защиты распределительных пунктов IP21, IP54. Технические данные распределительных силовых пунктов ПР8501 с трехполюсными АВ
Технические данные силовых распределительных пунктов серии ПР8503
Примечание: 1. Возможна замена трех однополюсных выключателей ВА 61-29-1 на один трехполюсный ВА 61-29-3. 2. Степень защиты распределительных пунктов IP21, IP54. Допустимые токовые нагрузки кабелей с резиновой и поливинилхлоридной изоляцией на напряжение 0,66 кВ, 1 кВ
Допустимые токовые нагрузки трехжильных кабелей с СПЭ-изоляцией напряжением 1 кВ
Примечание: 1. Марки кабелей: АПвВГ (ПвВГ); АПвБбШв (ПвВбШв); АПвВнг-LS (ПвВнг-LS); АПвВбШнг-LS (ПвВбШнг-LS); АПвБбШп (ПвБбШп); АПвВбШпг (ПвВбШпг). 2. Во взрывоопасных зонах классов В-I, В-Iа может прокладываться кабель марки ПвБбШнг-LS; во взрывоопасных зонах классов В-Iб, В-Iг, В-II, В-IIа – кабели марок АПвВнг-LS, ПвВнг-LS, АПвВбШнг-LS. Длительно допустимый ток для гибких кабелей с резиновой изоляцией напряжением 1 кВ
Технические характеристики предохранителей
Классификация автоматических выключателей
Приложение 35 Характеристики автоматических выключателей
|
|||||||||||||||||||||||||||||||||||||||||||||||||||||||||||||||||||||||||||||||||||||||||||||||||||||||||||||||||||||||||||||||||||||||||||||||||||||||||||||||||||||||||||||||||||||||||||||||||||||||||||||||||||||||||||||||||||||||||||||||||||||||||||||||||||||||||||||||||||||||||||||||||||||||||||||||||||||||||||||||||||||||||||||||||||||||||||||||||||||||||||||||||||||||||||||||||||||||||||||||||||||||||||||||||||||||||||||||||||||||||||||||||||||||||||||||||||||||||||||||||||||||||||||||||||||||||||||||||||||||||||||||||||||||||||||||||||||||||||||||||||||||||||||||||||||||||||||||||||||||||||||||||||||||||||||||||||||||||||||||||||||||||||||||||||||||||||||||||||||||||||||||||||||||||||||||||||||||||||||||||||||||||||||||||||||||||||||||||||||||||||||||||||||||||||||||||||||||||||||||||||||||||||||||||||||||||||||||||||||||||||||||||||||||||||||||||||||||||||||||||||||||||||||||||||||||||||||||||||||||||||||||||||||||||||||||||||||||||||||||||||||||||||||||||||||||||||||||||||||||
, А; (28)
, А, (29)
, А; (31)
, А; (32)
, А; (33)
, (41)
– суммарная установленная мощность ЭП узла питания, кВт;
, (42)
, (59)

(63)
(64)
, А. (68)
, %; (72)
, %. (73)
, %, (74)
, А, (76)
, А, (77)
, (79)
, (82)
, (83)
, (85)
, (86)
, (87)


, (88)
; (89)
, (90)
.

(93)
; (94)
, (95)








