Курсовая работа: Регульований компенсаційний стабілізатор напруги
|
Название: Регульований компенсаційний стабілізатор напруги Раздел: Рефераты по коммуникации и связи Тип: курсовая работа | |||||||||||||||||||||||||||||||||||||||||||||||||||||||||||||||||||||||||||||||||||||||||||||||||||||||||||||||||||||||||||||||||||||||||||||||||||||||||||||||||||||||||||||||||||||||||||||||||||||||||||||||||||||||||||||||||||||||||||||||||||||||||||||||||||||||||||||||||||||||||||||||||||||||||||||||||||||||||||||||||||||||||||||||||||||||||||||||||||||||||||||||||||||||||||||||||||||||||||||||||||||||||||||||||||||||||||||||||||||||||||||||||||||||||||||||||||||||||||||||||||||||||||||||||||||||||||||||||||||||||||||||||||||||||||||||||||||||||||||||||||||||||||||||||||||||||||||||||||||||||||||||||||||||||||||||||||||||||||||||||||||||||||||||||||||||||||||||||||||||||||||||||||||||||||||||||||||||||||||||||||||||||||||||||||||||||||||||||||||||||||||||||||||||||||||||||||||||||||||||||||||||||||||||||||||||||||||||||||||||||||||||||||||||||||||||||||||||||||||||||||||||||||||||||||||||||||||||||||||||||||||||||||||||||||||||||||||||||||||||||||||||||||||||||||||||||||||||||||||||
Міністерство освіти і науки України Вінницький національний технічний університет Інститут автоматики, електроніки та комп’ютерних систем управління Кафедра метрології та промислової автоматики РЕГУЛЬОВАНИЙ КОМПЕНСАЦІЙНИЙ СТАБІЛІЗАТОР НАПРУГИ КУРСОВИЙ ПРОЕКТ з дисципліни “Основи електроніки” Курсовий проект допущений до захисту Керівник к.т.н., доц. Шабатура Ю.В. Нормоконтролер ас. Ігнатенко О.Г. Курсовий проект захищений з оцінкою Керівник к.т.н., доц. Шабатура Ю.В. Студент гр. 1АМ-01 Баковська Н.О. Вінниця 2003 Міністерство освіти і науки України Вінницький національний технічний університет Кафедра метрології та промислової автоматики ЗАВДАННЯ на курсовий проект з дисципліни “Основи електроніки ” Група 1АМ-01 Студент Баковська Н.О. Дата видання 17.09.03 Дата виконання _____________ Затверджена на засіданні кафедри МПА Протокол № 2 від 16.09 2003р. Назва курсового проекту “Регульований компенсаційний стабілізатор напруги” Вихідні дані Номінальна вихідна напруга Uн , В 15 Номінальний струм навантаження Ін , А 5 Коефіцієнт пульсацій Кп , % 0,01 Коефіцієнт стабілізації Кст 100 Зміст графічної частини Креслення схем на форматі А4 Зміст розрахунково- пояснювальної записки Завдання, вступ, теоретичні відомості, розрахункова частина, висновки, література. Завдання отримав ___________________ Баковська Н.О. Керівник курсового проекту: ________________ к.т.н., доц. Шабатура Ю.В. підпис Зміст Анотація Вступ 1 Огляд і аналіз джерел живлення 1.1 Мікросхемні стабілізатори напруги широкого використання 1.2 Інтегральні стабілізатори напруги широкого використання 2 Вибір і аналіз структурної схеми 3 Розробка принципової електричної схеми 4 Розрахунок схеми електричної принципової 4.1 Вихідні дані для розрахунку 4.2 Розрахунок схеми компенсаційного стабілізатора 4.3 Розрахунок схеми захисту компенсаційного стабілізатора від перевантаження 4.4 Розробка схеми компенсаційного стабілізатора напруги на базі ІМС 5 Аналіз і оцінка помилок Висновок Список використаної літератури Анотація В даному курсовому проекті розглядається регульований компенсаційний стабілізатор напруги. В пояснювальній записці описуються стабілізатори напруги, їх призначення, розглядається сфера їх застосування. Далі проводиться розрахунок схеми електричної принципової, в тому числі розрахунок схеми компенсаційного стабілізатора, розрахунок схеми захисту компенсаційного стабілізатора від перевантаження. В додатках надається схема електрична принципова компенсаційного стабілізатора напруги, схема захисту компенсаційного стабілізатора від перевантаження та схема компенсаційного стабілізатора напруги на базі ІМС. Вступ На сьогоднішній день з'являються усе більш складні електронні системи, що використовують як елементну базу новітні напівпровідникові прилади й інтегральні мікросхеми з високим ступенем інтеграції. Успішний розвиток науки і техніки в рамках жорстокої конкуренції багато в чому обумовлений успіхами електроніки. Важко собі представити яку-небудь галузь виробництва, у якій би в тій або іншій мірі не використовувалися електронні прилади або електронні пристрої автоматики. Невід'ємною частиною багатьох радіоелектронних і електронних пристроїв є стабілізатори постійної напруги. В одних пристроях вони використовуються як високостабільні джерела живлення, що забезпечують необхідну надійність роботи, в інших - не тільки як джерела живлення, але і як джерела еталонної (зразкової) напруги. Зразкова напруга необхідна в багатьох системах авторегулювання і телеметрії, вимірювальних схемах, схемах перетворення безперервних величин у дискретну форму, у схемах електричного моделювання. Розвиток напівпровідникової техніки дав можливість одержати прості високостабільні джерела зразкової напруги практично будь-якої потужності. Напівпровідникові стабілізатори можуть також використовуватися замість акумуляторних і сухих батарей у вимірювальних і повірочних лабораторіях. Найбільш характерною рисою подальшого науково-технічного прогресу в нашій країні є перехід до цілком автоматизованого виробництва на базі використання електронної техніки. 1. Огляд і аналіз джерел живлення Основним джерелом живлення електронних пристроїв у даний час є випрямляючі пристрої, що перетворюють змінний струм у струм одного напрямку, який називають випрямленим. Постійна напруга або струм, одержувані від випрямлячів, з різних причин можуть змінюватися, що може порушити нормальну роботу різних пристроїв, живлення яких здійснюється від випрямних пристроїв. Основними причинами нестабільності є зміна напруги мережі і зміна струму навантаження. Для забезпечення постійної напруги на опорі навантаження застосовують стабілізатори напруги. Стабільність напруги є необхідною умовою правильної роботи багатьох електронних пристроїв. Для стабілізації напруги на навантаженні при коливаннях напруги мережі між електричною мережею і навантаженням ставлять стабілізатори напруги. Стабілізатором напруги називається пристрій, що підтримує автоматично і з необхідною точністю напругу на навантаженні при зміні дестабілізуючих факторів в обумовлених межах. Не дивлячись на застосування згладжуючих фільтрів, напруга на опорі (згладжуючих фільтрів) навантаження випрямляча може змінюватися. Це пояснюється тим, що згладжування пульсацій фільтром зменшується тільки змінна складова випрямленої напруги, а величина постійної складової може змінюватися і при коливаннях напруги мережі, і при зміні струму навантаження. Існує два принципово різних методи стабілізації напруги: параметричний і компенсаційний. Параметричний оснований на використанні елемента з нелінійною характеристикою (найчастіше в цій ролі виступає стабілітрон). Напруга на стабілітроні на ділянці оборотного електричного пробою майже постійна при значній зміні зворотного струму через прилад. Компенсаційний стабілізатор напруги. Його сутність полягає в зміні опору регулюючого елемента під дією сигналу негативного зворотного зв'язку, що знімається з навантаження. Як регулюючий елемент використовується біполярний або польовий транзистор. Сутність компенсаційного методу стабілізації зводиться до автоматичного регулювання вихідної напруги. В компенсаційних стабілізаторах здійснюється порівняння фактичної величини вхідної напруги з її заданою величиною й в залежності від величини і знаку неузгодженості між ними автоматично здійснюється коригувальний вплив на елементи стабілізатора, спрямований на зменшення цієї неузгодженості. 1.1 Мікросхемні стабілізатори напруги широкого використання Один із важливих вузлів радіоелектронної апаратури - стабілізатор напруги в блоці живлення. Ще зовсім недавно такі вузли будували на стабілітронах і транзисторах. Загальне число елементів стабілізатора було досить значним, особливо якщо були потрібні функції регулювання вихідної напруги, захисту від перевантаження і замикання виходу, обмеження вихідного струму на заданому рівні. З появою спеціалізованих мікросхем ситуація змінилася. Мікросхемні стабілізатори напруги, що випускаються, здатні працювати в широких межах вихідних напруги і струму, часто мають вбудовану систему захисту від перевантаження по струму і від перегрівання - як тільки температура кристала мікросхеми перевищить допустиме значення, відбувається обмеження вихідного струму. В даний час асортимент вітчизняних і закордонних мікросхем-стабілізаторів напруги настільки широкий, що орієнтуватися в ньому стало вже досить важко. Поміщені нижче таблиці, призначені полегшити попередній вибір мікросхемного стабілізатора для того або іншого електронного пристрою. В таблиці 1 представлений перелік найбільш розповсюджених на вітчизняному ринку трьохвивідних мікросхем лінійних стабілізаторів напруги на фіксовану вихідну напругу і їхні основні параметри; на рисунку 1 спрощено показаний зовнішній вигляд приладів, а також зазначена їх цоколівка. У таблицю включені лише стабілізатори з вихідною напругою в межах 5...27 В - у цей інтервал вкладається переважна більшість випадків радіоаматорської практики. Конструктивне оформлення закордонних приладів може відрізнятися від показаного на рисунку 1.
![]() Рисунок 1 – Зовнішній вигляд ІС стабілізаторів Варто мати на увазі, що відомості про потужність, що розсіюється, при роботі мікросхеми з тепловиводом у паспортах приладів звичайно не вказують, тому в таблицях 1 і 2 дані деякі усереднені її значення, отримані з графіків, які є в документації. Відзначимо також, що мікросхеми однієї серії, але на різні значення напруги, по потужності, що розсіюється, можуть відрізнятися. Ряд мікросхем, виготовлених у далекому і ближньому зарубіжжі, мають маркірування, що не відповідає російській стандартизованій системі. Так, перед позначенням стабілізаторів груп 78, 79, 78L, 79L, 78M, 79M, перерахованих у таблиці, у дійсності можуть бути присутніми одна або дві букви, що кодують, як правило, фірму-виробника. За зазначеними у таблиці позначеннями також можуть бути букви і цифри, що вказують на ті або інші конструктивні або експлуатаційні особливості мікросхеми. Деякі типи вітчизняних стабілізаторів мають оригінальну цифрову нумерацію виводів (вона показана на рисунку 1 у дужках). Це відбулося від того, що спочатку мікросхеми цих серій випускали в "мікросхемних" корпусах зі стандартизованою нумерацією виводів. Після того, як було налагоджене виробництво в "транзисторних" корпусах, нумерація виводів збереглася. Таблиця 1 – Перелік мікросхем лінійних стабілізаторів напруги
прим.1: Була випущена дослідна партія з цоколівкой, що відповідає рис. 1,а. прим.2: Випускають також різновиди на струм навантаження до 1 А. Типова схема включення мікросхемних стабілізаторів на фіксовану вихідну напругу показана на рисунку 2,а і б.
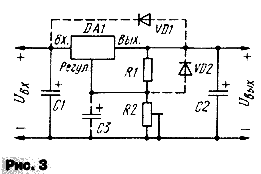
Рисунок 2 – Типова схема включення мікросхемних стабілізаторів Для всіх мікросхем ємність вхідного конденсатора С1 повинна бути не менш 2,2 мкФ для керамічних або оксидних танталових і не менш 10 мкФ - для алюмінієвих оксидних конденсаторів, а вихідного конденсатора С2 - не менш 1 і 10 мкФ відповідно. Деякі мікросхеми допускають і меншу ємність, але зазначені значення гарантують усталену роботу будь-яких стабілізаторів. Роль вхідного може виконувати конденсатор фільтра, що згладжує, якщо він розташований не далі 70 мм від корпуса мікросхеми. Якщо потрібно нестандартне значення стабілізованої вихідної напруги або плавне його регулювання, зручно використовувати спеціалізовані регульовані мікросхемні стабілізатори, що підтримують напругу 1,25 В між виходом і керуючим виводом. Їхній перелік представлений у таблиці 2, а типова схема включення для стабілізаторів з регулюючим елементом у плюсовому проводі - на рисунку 3.
Рисунок 3 – Типова схема включення стабілізаторів з регулюючим елементом у плюсовому проводі Резистори R1 і R2 утворюють зовнішній регульований подільник напруги, що входить у ланцюг установки рівня вихідної напруги Uвих , рівної Uвих =1,25(1+R2/R1)+Iпот . R2, де Iпот =50...100 мкА - власний споживаний струм мікросхеми. Число 1,25 у цій формулі - це згадана вище напруга між виходом і керуючим виводом, що підтримує стабілізатор у робочому режимі. На відміну від стабілізаторів на фіксовану вихідну напругу, регульовані без навантаження не працюють. Мінімальне значення вихідного струму малопотужних регульованих стабілізаторів дорівнює 2,5...5 мА і 5...10 мА - потужних. Навантаженням служить резистивний подільник напруги R1R2 на рисунку 3. За цією схемою можна включати і стабілізатори з фіксованою вихідною напругою. Однак, споживаний ними струм більший (2...4 мА) і він менш стабільний при зміні вихідного струму і вхідної напруги. З цих причин максимально можливого коефіцієнта стабілізації досягти не вдасться. Таблиця 2 – Перелік спеціалізованих мікросхемних стабілізаторів
Для зниження рівня пульсацій на виході, особливо при більшій вихідній напрузі, рекомендується включати згладжуючий конденсатор С3 ємністю 10 мкФ і більше. До конденсаторів С1 і С2 вимоги такі ж, як і до відповідних конденсаторів фіксованих стабілізаторів. Якщо стабілізатор працює при максимальній вихідній напрузі, то при випадковому замиканні вхідного ланцюга або відключенні джерела живлення мікросхема виявляється під великою зворотньою напругою з боку навантаження і може бути виведена з ладу. Для захисту мікросхеми по виходу в таких ситуаціях паралельно їй включають захисний діод VD1. Інший захисний діод - VD2 - захищає мікросхему з боку зарядженого конденсатора С3. Діод швидко розряджає цей конденсатор при аварійному замиканні вихідного або вхідного ланцюга стабілізатора. Усе сказане служить тільки для попереднього вибору стабілізатора, перед проектуванням блоку живлення варто ознайомитися з повними довідковими характеристиками, хоча б для того, щоб точно знати, яка максимально допустима вхідна напруга, чи достатня стабільність вихідної напруги при зміні вхідної напруги, струму навантаження або температури. Можна виразити впевненість, що перераховані мікросхеми знаходяться на технічному рівні, достатньому для рішення більшості задач радіоаматорської практики. Помітний недолік в описаних стабілізаторів один - досить велика мінімально необхідна напруга між входом і виходом - 2...3 В, однак він з лишком окупається простотою застосування і низькою ціною мікросхем. 1.2 Інтегральні стабілізатори напруги широкого використання Вузли живлення, очевидно, є найбільш розповсюдженими пристроями радіоелектронної апаратури. Крім трансформаторів з діодними мостами й ємностями або батарейок (акумуляторів) вони містять стабілізатори напруги. Найбільш розповсюдженими з останніх являються лінійні стабілізатори, у яких регульований елемент включений паралельно або послідовно з навантаженням і в залежності від вхідної напруги і споживаного навантаженням струму зменшує або збільшує свій опір, зберігаючи постійною напругу на виході. Ще років 15 назад стабілізатори напруги виконувалися винятково на дискретних компонентах. У їхній склад, у залежності від вимог до стабілізатора, входило від одного до декількох десятків елементів. Монтаж і налагодження такого пристрою були досить трудомісткими. Та й надійність їх залишала бажати кращого. Не дивно, що в міру розвитку технології розробники мікросхем постаралися упакувати усередину відповідної мікросхеми якщо не всі необхідні для створення стабілізатора елементи, то їх більшість. В даний час асортимент мікросхем, призначених для побудови стабілізаторів напруги, настільки великий, що навіть їхній перелік займе кілька десятків сторінок. У їхній склад входять і драйвери для керування потужними перемикаючими транзисторами, і завершені стабілізатори, оформлені в транзисторних двух-трьохвиводних корпусах. Умовно всі лінійні інтегральні стабілізатори напруги можна розділити на кілька груп. До першої можна віднести стабілізатори на фіксовану вихідну напругу. Усередині цієї групи вироби класифікуються по полярності формуючої на виході напруги (позитивна або негативна щодо загального проводу), по величині вихідної напруги і по максимальному струму, що віддається в навантаження. Перераховані параметри є ключовими, інші ж або взаємозалежні з ними ( потужність, що розсіюється, тип корпуса), або в даний час відіграють другорядну роль (коефіцієнт стабілізації, наявність індикатора розряду батарей і т.д.). Другу групу представляють регульовані стабілізатори, вихідна напруга яких може змінюватися в деяких визначених межах. Вони також розрізняються по полярності і по вихідному струму. У самостійну групу можна виділити многоканальні стабілізатори, що формують на виходах кілька напруг, причому іноді навіть різної полярності. І, нарешті четверта група — відносно малопотужні малогабаритні стабілізатори, що нерідко характеризуються досить малою мінімально необхідною різницею напруг між своїми входом і виходом (аж до 0,1 В, так названі «low-drop»). Приступимо до розгляду першої групи — стабілізаторів з фіксованою вихідною напругою. У таблицях 3 і 4 представлений перелік стабілізаторів, які випускалися і випускаються вітчизняною промисловістю, відповідно позитивної і негативної полярності, а в таблицях 5 і 6 — перелік найбільш розповсюджених на вітчизняному ринку аналогічних імпортних стабілізаторів. Таблиця 3 – Перелік вітчизняних стабілізаторів
Таблиця 4 – Перелік вітчизняних стабілізаторів
Відзначимо, що відомості про потужність, що розсіюється, при роботі мікросхем з тепловідводами в паспортах приладів часто не вказують. Тому в таблицях приведені деякі усереднені значення, отримані з графіків, що містяться в документації. Таблиця 5 – Перелік імпортних стабілізаторів
Таблиця 6 – Перелік імпортних стабілізаторів
2. Вибір і аналіз структурної схеми Схеми компенсаційних стабілізаторів постійної напруги бувають послідовного і паралельного типів (рисунки 2.1 і 2.2).
Рисунок 2.1 – Схема КСН послідовного типу
Рисунок 2.2 – Схема КСН паралельного типу Основними елементами таких стабілізаторів є: джерело еталонної напруги (Е); зрівнюючий та підсилюючий елемент (ЗП); регулюючий елемент (Р). В стабілізаторах послідовного типу (рисунок 2.1) регулюючий елемент ввімкнений послідовно з джерелом вхідної напругиUвх і навантаженням Rн . Якщо по якимось причинам (наприклад, через нестабільність Uвх чи при зміні Rн ) напруга на виході Uвих відхилилась від свого номінального значення, то різниця еталонної та вихідної напруги змінюється, підсилюється і діє на регулюючий елемент. При цьому опір регулюючого елементу автоматично змінюється і напруга Uвх розмежовується між Р і Rн таким чином, щоб компенсувати зміни напруги на навантаженні, що відбулися. Відмінність наведених схем полягає в наступному. У послідовних стабілізаторах напруга на регулюючому елементі зростає при збільшенні напруги на навантаженні, а струм приблизно дорівнює струму навантаження. У паралельних стабілізаторах напруга на регулюючому елементі не залежить від вхідної напруги, а струм знаходиться в прямій залежності від напруги на навантаженні. Стабілізатори паралельного типу мають невисокий ККД і застосовуються порівняно рідко. Для стабілізації підвищених напруг і струмів, а також при змінних навантаженнях звичайно застосовуються стабілізатори напруги послідовного типу. Їхнім недоліком є те, що при короткому замиканні на виході до регулюючого елемента буде прикладена уся вхідна напруга. Цю обставину необхідно враховувати при експлуатації стабілізатора. Основними параметрами,що характеризують стабілізатор, є: 1. Коефіцієнт стабілізації, що представляє собою відношення відносної зміни напруги на вході до відносної зміни напруги на виході стабілізатора. Kст = DUвх / Uвх : DUвих / Uвих , (2.1) де Uвх і Uвих - номінальна напруга на вході і виході стабілізатора, DUвх і DUвих - зміна напруг на вході і виході стабілізатора. Коефіцієнти стабілізації служать основними критеріями для вибору раціональної схеми стабілізації й оцінки її параметрів. 2. Вихідний опір, що характеризує зміну вихідної напруги при зміні струму навантаження і незмінній вхідній напрузі. Rвих = DUвих / DIвих , при Uвх = const. (2.2) 3. Коефіцієнт корисної дії дорівнює відношенню потужності в навантаженні до номінальної вхідної потужності. h = Uвих ´ Iвих / Uвх ´ Iвх . (2.3) 4. Дрейф (припустима нестабільність) вихідної напруги. Часовий і температурний дрейф характеризуються величиною відносної й абсолютної зміни вихідної напруги за визначений проміжок часу або у визначеному інтервалі температур. 3. Розробка принципової електричної схеми Відповідно до обраної структурної схеми (рисунок 2.1) складаємо приблизну схему компенсаційного стабілізатора напруги (див. додаток А). Після проведення розрахунку, дана схема буде дороблена. Тільки після повного розрахунку режимів роботи і вибору елементів можна скласти остаточний варіант схеми електричної принципової компенсаційного стабілізатора напруги. Дана схема складається з регулюючого елемента, джерела опорної напруги і підсилювача зворотного зв'язку. Роль регулюючого елемента грає комплементарний транзистор (складається з 2х транзисторів VT2 і VT3). Джерело опорної напруги –VD1R1, R2VT1. Підсилювач зворотного зв'язку – R4VD2VT4, R5R6R7. 4. Розрахунок схеми електричної принципової 4.1 Вихідні дані для розрахунку
4.2 Розрахунок схеми компенсаційного стабілізатора Відповідно до схеми (додаток А) знаходимо найменшу напругу на виході стабілізатора: U вх min = Uн + Uкз min = 15 + 3 = 18 B, (4.1) де Uкз min – мінімальна напруга на регулюючому транзисторі VT3. Виходячи з того, що VT3 приблизно кремнієвий, то Uкз min вибираємо в межах 3..5 В. З огляду на нестабільність вхідної напруги на вході стабілізатора ±10%, знаходимо середню і максимальну напругу на вході стабілізатора: U вх сер = U вх min / 0.9 = 18 / 0.9 = 20 В , (4.2) U вх max = 1.1 ´ U вх сер = 1.1 ´ 20 = 22 В . (4.3) Визначаємо максимальне значення на регулюючому транзисторі U к3 max = U вх max - Uн = 22 – 15 = 7 В . (4.4) Потужність, що розсіюється на колекторі транзистора VT3, дорівнює Р3 = Uк3 max ´ Iн = 7 ´ 5 = 35 Вт. (4.5) За отриманими значеннями Uк3 max , Iн , Р3 вибираємо тип регулюючого транзистора і виписуємо його параметри:
По статичним ВАХ обраного транзистора знаходимо: h11Е3 = 33.0 Ом , m3 = 1 / h12Е3 = 1 / 0.23 = 4.20 , де h11Е3 – вхідний опір транзистора, Ом; m3 – коефіцієнт передачі напруги; h12Е3 – коефіцієнт зворотного зв'язку. Знаходимо струм бази транзистора VT3 IБ3 = Iн / h21Е3 min = 5 / 750 = 6.67´10-3 А . (4.6) Визначаємо початкові дані для вибору транзистора VT2. Розраховуємо напругу колектор-емітер VT2 Uк2 max = Uк3 max - Uбе3 = 7 – 0.7 = 6.3 В , (4.7) де Uбе3 – падіння напруги на емітерному переході транзистора VT3 (0.7 В). Струм колектора VT2 складається зі струму бази VT3 і струму втрат, що протікає через резистор R3, Iк2 = Iб3 + IR3 = 5´10-4 + 6.7´10-3 = 7.2´10-3 А. (4.8) Потужність, що розсіюється на колекторі транзистора VT2, дорівнює Р2 = Iк2 ´ Uк2 max = 7.2´10-3 ´ 6.3 = 45.2´10-3 Вт. (4.9) За отриманими значеннями Uк2 max , Iк2 , Р2 вибираємо тип транзистора і виписуємо його параметри:
По статичним ВАХ обраного транзистора знаходимо: h11Е2 = 36.36 Ом , m3 = 1 / h12Е2 = 1 / 0.022 = 45.45 . Розраховуємо струм бази VT2 IБ2 = Iк2 / h21Е2 min = 7.2´10-3 / 60 = 1.2´10-4 А. (4.10) Знаходимо опір резистора R3 R3 = (Uн + Uбе3 ) / IR3 = (15 + 0.7) / 5´10-4 =31400 Ом. (4.11) Вибираємо найближчий по стандарту номінал з обліком потужності, що розсіюється на резисторі РR3 = (Uн + Uбе3 ) ´ IR3 = (15 + 0.7) ´ 5´10-4 = 7.85´10-3 Вт. (4.12) Відповідно до ряду Е24 вибираємо резистор типу С2-33 – 0.125 – 30 кОм ±5%. Джерелом еталонної напруги беремо параметричний стабілізатор напруги на кремнієвому стабілітроні VD2 з розрахунку UVD2 = 0.7 Uн = 0.7 ´ 15 = 13.5 В. (4.13) Вибираємо тип стабілітрона і виписуємо його основні параметри: стабілітрон 2С213Б; I VD2 = 5´10-3 А – середній струм стабілізації; r VD2 = 25 Ом – диференційний опір стабілітрона. Обчислюємо опір резистора R4, задавши середній струм стабілітрона (I R4 = I VD2 ) R4 = 0.3 Uн / I R4 = 0.3 ´ 15 / 5´10-3 = 900 Ом. (4.14) Потужність, що розсіюється на резисторі R4, дорівнює РR4 =0.3Uн ´ I R4 = 0.3´15´ 5´10-3 = 22.5´10-3 Вт. (4.15) Відповідно до ряду Е24 вибираємо резистор типу С2-33 – 0.125 – 910 Ом±5%. Визначаємо початкові дані для вибору транзистора VT4. Розраховуємо напругу колектор-емітер транзистора Uк4max = Uн + Uбе3 + Uбе2 - UVD2 = 2.90 В (4.16) Задаємо струм колектора VT4 меншим ніж середній стабілітронаVD2 I К4 = 4´10-3 А . Потужність, що розсіюється на колекторі транзистора VT4 Р2 = Iк4 ´ Uк4 max = 4´10-3 ´ 2.90 = 11.6´10-3 Вт (4.17) За отриманими значеннями Uк4 max , Iк4 , Р4 вибираємо тип транзистора і виписуємо його параметри:
По статичним ВАХ обраного транзистора знаходимо: h11Е4 = 208,3 Ом , m3 = 1 / h12Е4 = 1 / 0.034 = 29.41 Розраховуємо струм бази VT4 IБ4 = Iк4 / h21Е4 min = 4´10-3 / 50 = 8´10-5 А. (4.18) Струм послідовно з'єднаних резисторів R5, R6, R7 беремо рівним 5Iб4 і визначаємо сумарний опір подільника Rділ = Uн / Iділ = 15 / (5 ´ 8´10-5 ) = 37500 Ом. (4.19) Знаходимо опори резисторів: R5 = 0.3 Rділ = 0.3 ´ 37500 = 11250 Ом; R6 = 0.1 Rділ = 0.1 ´ 37500 = 3750 Ом; R7 = 0.6 Rділ = 0.6 ´ 37500 = 22500 Ом. (4.20) Відповідно до ряду Е24 вибираємо резистор R5 типу С2-33 – 0.125 – 11 кОм ±5%, резистор R7 типу С2-33 – 0.125 – 22 кОм ±5%. Резистор R6 вибираємо СП3-44 – 0.25 – 3.3 кОм ±10%. Робочу напругу стабілітрона VD1 визначаємо із співвідношення UVD1 = 0.1 Uвх max = 0.1 ´ 22 = 2.2 В. (4.21) Вибираємо тип стабілітрона і виписуємо його основні параметри: стабілітрон 2С119А; I VD1 = 5´10-3 А – середній струм стабілізації; r VD1 = 15 Ом – диференційний опір стабілітрона. Обчислюємо опір резистора R1, задавши середній струм стабілітрона (I R1 = I VD1 ) R1 = 0.9 Uвх max / I R1 = 0.9 ´ 22 / 5´10-3 = 3960 Ом. (4.22) Потужність, що розсіюється на резисторі R1, дорівнює R1 = 0.9Uвх max ´ I R1 = 0.9´ 22´ 5´10-3 = 99´10-3 Вт (4.23) Відповідно до ряду Е24 вибираємо резистор типу С2-33 – 0.125 – 3.9кОм ±5%. Визначаємо початкові дані для вибору транзистора VT1. Розраховуємо струм колектора транзистора VT1 Iк1 = Iк4 + Iб2 = 4´10-3 + 12´10-5 =412´10-5 (4.24) Знаходимо напругу колектор-емітер VT1 Uк1max = Uвх max - UR2 + Uк4max - UVD2 = 4.1 В, (4.25) де UR2 = UVD1 - Uбе1 – падіння напруги на резисторі R2. Потужність, що розсіюється на колекторі транзистора VT1 Р1 = Uк1max ´ Iк1 = 4.1 ´ 412´10-5 = 16´10-3 Вт. (4.26) За отриманими значеннями Uк1 max , Iк1 , Р1 вибираємо тип транзистора і виписуємо його параметри:
Розраховуємо опір резистора R2 R2 = UR2 / IК1 = 1.5 / 412´10-5 = 364 Ом, (4.27) РR2 = UR2 ´ IК1 = 1.5 ´ 412´10-5 = 618´10-5 Вт. (4.28) Відповідно до ряду Е24 вибираємо резистор типу С2-33 – 0.125 – 360Ом ±5%. Розраховуємо основні параметри складеного транзистора: вхідний опір транзистора h11Е ск =h11Е2 +h11Е3 h21Е2min = 36.36 + 33´60 =2016 Ом; (4.29) коефіцієнт передачі напруги транзистора mск = m2 m3 / (m2 + m3 ) = 45.4´4.2 / (45.4 + 4.2)=3.84 ; (4.30) вихідний опір транзистора rск = mск h11Е ск / h21Е2min h21Е3min = 0.1723 Ом. (4.31) Розраховуємо вхідний опір джерела стабільного струму RTD = R1 ´ R2 / r VD1 = 3900´360 / 15 = 57024 Ом. (4.32) Розраховуємо параметри підсилювача зворотного зв'язку: опір навантаження підсилювача RК = h11Е ск RTD / (h11Е ск + RTD ) = 1947.49 Ом; (4.33) коефіцієнт підсилення напруги підсилювача Кu = 0.7 h21Е4min RК / (h11Е4 + h21Е4min r VD2 ) = 71.13 . (4.34) Розраховуємо коефіцієнт стабілізації і величину пульсацій на виході Кст = mск Кu Uн / Uвх = 3.845 ´ 71.13 ´ 15 / 22 = 186.4, (4.35) DUвих = DUвх / mск Кu = 4 / 3.845 ´ 71.13 = 12´10-4 , (4.36) Розраховуємо коефіцієнт пульсацій Кп = DUвих ´ 100 / Uвх = 12´10-4 ´ 100 / 15 = 8´10-3 %. (4.37) Вихідний опір компенсаційного стабілізатора буде Rвих = rск / mск Кu = 0.17 / 3.845 ´ 71.13 = 63´10-5 Ом. (4.38) Перевіряємо відповідність розрахованих параметрів заданим умовам: Кст = 186.4 > Кст.зад = 100; Кп = 8´10-3 %< Кп.зад = 10´10-3 %. Знайдені параметри задовольняють заданим умовам. 4.3 Розрахунок схеми захисту компенсаційного стабілізатора від перевантаження Пристрої захисту стабілізаторів напруги від перевантажень можна розділити на вбудовані, що впливають на регулюючий елемент стабілізатора, і автономні, що містять окремий ключовий елемент. Звичайно до стабілізаторів із захистом від короткого замикання вихідного ланцюга пред'являється вимога автоматичного повернення в робочий режим після усунення перевантаження. Розробляємо схему захисту компенсаційного стабілізатора напруги від перевантаження (додаток Б). Схема захисту компенсаційного стабілізатора від перевантаження реалізована на елементах VT5 і R8. Для розрахунку приймаємо струм спрацювання захисту 110% від Iн . Iн max = 1.1 Iн = 1.1 ´ 5 = 5.5 А. Розраховуємо опір R8: R8 = Uбе5 / Iн max = 0.7 / 5.5 = 0.127 Ом. (4.39) Розраховуємо потужність дротового резистора РR8 = Uбе5 ´ Iн max = 0.7 ´ 5.5 = 3.85 Вт. (4.40) Вибираємо транзистор VT5 з умови Iк5 = Iб3 ; Uк5 max =Uбе3 + R8´Iн max = 0.7 + 0.127 ´ 5.5 =1.4 B; (4.41) P5 = Uк5 max ´ Iб3 = 1.4 ´ 6.7´10-3 = 9.38 ´10-3 Вт. (4.42) За отриманими значеннями Uк5 max , Iк5 , Р5 вибираємо тип транзистора і виписуємо його параметри:
Розробка схеми компенсаційного стабілізатора напруги на базі ІМС Розробка схеми компенсаційного стабілізатора напруги на базі ІМС зводиться до вибору стандартної серійно випускаємої ІМС і розрахунку (якщо необхідно) навісних елементів. Таблиця 4.1 – Марки ІМС
Як інтегральний стабілізатор напруги вибираємо ІМС серії SD 1084. Складаємо схему стабілізатора (додаток В). Вибираємо навісні елементи: Робочу напругу стабілітрона VD1 визначаємо із співвідношення UVD1 = 0.9 Uвих = 0.9 ´ 15 = 13.5 В. (4.43) Вибираємо тип стабілітрона і виписуємо його основні параметри: стабілітрон 2С515А; I VD1 = 45´10-3 А – середній струм стабілізації; r VD1 = 25 Ом – диференційний опір стабілітрона. Розраховуємо опір резистора R1 R1 = 0.9Uвых / I VD1 = 0.9´15 / 45´10-3 = 300 Ом. (4.44) РR1 = 0.9Uвых ´I VD1 = 0.9´15´45´10-3 = 608´10-3 Вт. (4.45) Відповідно до ряду Е24 вибираємо резистор типу С2-23 – 1.0 – 300 Ом ±5%. Розраховуємо опір подільника R2R3 R23 = UVD1 / ( 3´ Iп ) = 13.5 / ( 3 ´ 5´10-3 ) = 900 Ом, (4.46) де Iп – струм втрат мікросхеми, А (5´10-3 А). Розраховуємо опір резисторів R2 і R3: R2 = 2 ´ R23 / 3 = 2´ 900 / 3 = 600 Ом, (4.47) R3 = R23 / 3 = 900 / 3 = 300 Ом, (4.48) РR2 = (3´ Iп )2 ´ R2 = 600´225´10-6 = 135´10-3 Вт, (4.49) РR3 = (3´ Iп )2 ´ R3 = 300´225´10-6 = 67.5´10-3 Вт. (4.50) Відповідно до ряду Е24 вибираємо резистори типу C2-24 – 0.25 620Ом ±5% і СП5-16Т 300 Ом ±5% відповідно. Конденсатори С1 і С2 мають ємності 100мкФ і 5мкФ відповідно. 5. Аналіз і оцінка помилок Якість роботи компенсаційного стабілізатора напруги багато в чому залежить від розбросу параметрів електронних компонентів, що входять у його склад. Багато в чому це пов'язано з неможливістю виготовлення компонентів з однаковими параметрами. Сильний вплив на розброс параметрів має коливання температури навколишнього середовища і температури потужності розсіювання цих елементів. З метою зменшення коливань параметрів від температури потужності розсіювання для елементів високої потужності встановлюються радіатори. Фізичні явища в компонентах пристроїв, що викликають перехід у підмножину несправних станів, називаються дефектами. У залежності від структури системи дефект може породжувати або не породжувати помилку. Помилка не завжди наслідок дефекту. Та сама помилка може бути наслідком різних дефектів. Таблиця 5.1 – Розрахунок роботи схеми на відмовлення.
Розраховуємо наробіток на відмовлення Т0 = 1 / l = 1 / 0.81´10-6 = 123456.79 год, (5.1) де l - інтенсивність відмовлень. Розраховуємо імовірність відмовлень
Будуємо графік імовірності відмовлень.
Рисунок 5.1 – Графік Висновок Курсовий проект виконаний відповідно до завдання на проектування, і отримані результати задовольняють вимоги діючих ДСТ на радіоапаратуру. За результатами перевірки й аналізу роботи схеми видно, що дана схема відрізняється високою працездатністю і наробітком на відмовлення. У даний момент найбільш перспективне використання компенсаційних стабілізаторів напруги на базі ІМС, тому що це знижує витрати на монтаж, зменшує енергоємність стабілізатора, зменшує його габаритні розміри, що позначається на вартості пристрою. В даній схемі можливо установити елементи індикації про стан регулюючого елемента, про перевантаження компенсаційного стабілізатора, про наявність живильної напруги. Крім перерахованого вище можливо установити в схемі тепловий захист регулюючого елемента. При виборі елементної бази виконувався порівняльний аналіз вітчизняного й імпортного асортименту радіоелементів. Аналіз проводився по якісних, технологічних і економічних показниках. У більшості випадків перевага була віддана на користь вітчизняних компонентів. Список використаної літератури 1 Бандак М.І., Шабатура Ю.В., Ігнатенко О.Г. Електроніка в вимірюваннях. Навчальний посібник.-Вінниця: ВДТУ, 2001.- 167с. 2 Хоровиц П., Хилл У. Искусство схемотехники: в 2-х томах: Т. 1. Пер. с англ. – 4-е изд. перераб. и доп. – М.: Мир, 1993. 3 Скаржепа В.А., Луценко А.Н. Электроника и микросхемотехника. Электронные устройства информационной автоматики. Под общ. ред. А.А. Краснопришиной.- К.:ВШ, 1989.- 432 с. 4 Источники электропитания радиоэлектронной аппаратуры. Под ред. Найвельта – М. Радио и связь, 1985 г. 5 Карпенко П.Ф. Источники питания. Схемотехника компенсационных стабилизаторов напряжения. Методические указания. - Краснодар: изд.КПИ, 1992. 6 Електронні промислові пристрої./ Ю.М. Гусин, В.И. Васильєв, і ін. – М.: Высш. шк., 1988.– 303с. 7 Гершунский Б.С. Основы электроники и микроэлектроники.- К.: ВШ, 1989.- 423 с. 8 Гершунский Б.С. Справочник по расчету электронных схем. - К: Вища школа, 1983.- 240с. 9 Терещук Р.М., Терещук К.М., Седов С.А. Полупроводниковые приемно-усилительные устройства. Справочник радиолюбителя. – К: Наукова думка, 1989. – 820с. 10 Терещук Р.М., Терещук К.М., Седов С.А, Чаплинский А.Б., Фукс Л.Б. Малогабаритная радиоаппаратура. Справочник радиолюбителя. – К: Наукова думка, 1989.– 480с. 11 Перельман Б.Л. Полупроводниковые приборы. Справочник.– М: Солон, Микротех, 1996.– 176с. 12 Нефедов А. В., Савченко А. М., Феоктистов Ю. Ф. Зарубежные интегральные микросхемы для промышленной электронной аппаратуры. Справочник. - М.: Энергоатомиздат, 1989. 13 С.Бирюков. Микросхемные стабилизаторы напряжения широкого применения.– Радио, 1990, №2. 14 Щербина А., Благий С. Микросхемные стабилизаторы серий 142, К142, КР142. - Радио, 1990, №8, с. 89, 90; № 9, с. 73, 74. 15 Нефедов А., Головина В. Микросхемы КР142ЕН12. - Радио, 1993, № 8, с. 41,42. 16 Нефедов А., Головина В. Микросхемы КР142ЕН18А, КР142ЕН18Б. - Радио, 1994, №3, с. 41, 42. 17 Нефедов А. Микросхемные стабилизаторы серии КР1157. - Радио, 1995, №3, с. 59, 60. 18 Нефедов А., Валявский А. Микросхемные стабилизаторы серии КР1162. - Радио, 1995, № 4, с. 59, 60. 19 Овсянников Н. ИМС серии К403. - Радио,1992, №12, с.61. 20 www.chipinfo.ru 21 www.compitech.ru |
|||||||||||||||||||||||||||||||||||||||||||||||||||||||||||||||||||||||||||||||||||||||||||||||||||||||||||||||||||||||||||||||||||||||||||||||||||||||||||||||||||||||||||||||||||||||||||||||||||||||||||||||||||||||||||||||||||||||||||||||||||||||||||||||||||||||||||||||||||||||||||||||||||||||||||||||||||||||||||||||||||||||||||||||||||||||||||||||||||||||||||||||||||||||||||||||||||||||||||||||||||||||||||||||||||||||||||||||||||||||||||||||||||||||||||||||||||||||||||||||||||||||||||||||||||||||||||||||||||||||||||||||||||||||||||||||||||||||||||||||||||||||||||||||||||||||||||||||||||||||||||||||||||||||||||||||||||||||||||||||||||||||||||||||||||||||||||||||||||||||||||||||||||||||||||||||||||||||||||||||||||||||||||||||||||||||||||||||||||||||||||||||||||||||||||||||||||||||||||||||||||||||||||||||||||||||||||||||||||||||||||||||||||||||||||||||||||||||||||||||||||||||||||||||||||||||||||||||||||||||||||||||||||||||||||||||||||||||||||||||||||||||||||||||||||||||||||||||||||||||

КР1157ЕН501А; КР1157ЕН501Б


