Реферат: Умножитель частоты 2
|
Название: Умножитель частоты 2 Раздел: Промышленность, производство Тип: реферат | ||||||||||||||||||||||||||||||||||||||||||||||||||||||||||||
Содержание 1. Введение 2. Обзор методов решения аналогичных задач 3. Выбор обоснования и предварительный расчёт структурной схемы 4. Описание принципа работы структурной схемы 5. Описание схемы электрической и электрический расчёт 6. Расчёт на ЭВМ 7. Заключение 8. Список литературы 9. Перечень элементов к электрической схеме 1. ВведениеУмножители частоты, или как их называют в более развернутом виде, системы формирования дискретного множества частот, в настоящее время получили очень широкое распространение в самых разнообразных видах радиоэлектронной аппаратуры. Индукционные печи с токами высокой частоты, радиосвязные, радионавигационные и радиолокационные системы, схемы подавления помех, системы управления скоростью двигателя – вот далеко не полный перечень областей применения умножителей частоты. Появление первых разработок умножителей частоты относится к 30-м и 40-м годам XX века. В электротехнике и электронике умножителем частоты называется радиоэлектронное устройство, предназначенное для увеличения в целое число раз N частоты подводимых к нему периодических электрических колебаний в заданном диапазоне частот с требуемой стабильностью и качеством выходного сигнала. Основной параметр – коэффициент умножения частоты N , определяемый как отношение частоты выходного сигнала к частоте входного:
Характерной особенностью умножителей частоты является постоянство N при изменении (в некоторой конечной области) частоты входного сигнала, а также параметров самого умножителя (например, резонансных частот колебательных контуров или резонаторов, входящих в состав умножителя частоты), т.е. в умножителе частоты относительная нестабильность частоты колебаний при умножении остается постоянной. Это важное свойство позволяет использовать умножители частоты для повышения частоты стабильных колебаний в различных радиопередающих, радиолокационных, измерительных и других установках; при этом N может достигать 10 и более. Основная проблема при конструировании умножителей частоты – это уменьшение фазовой нестабильности входных колебаний (обусловленной случайным характером изменения их фазы), которая приводит к увеличению относительной нестабильности частоты на выходе по сравнению с соответствующей величиной на входе. Наиболее распространены умножители частоты, состоящие из нелинейного устройства (например, транзистора, варикапа, катушки с ферритовым сердечником) и одного или нескольких электрических фильтров. Нелинейное устройство изменяет форму входных колебаний, вследствие чего в спектре колебаний на его выходе появляются составляющие с частотами, кратными входной частоте. Эти сложные колебания поступают на вход фильтра, который выделяет составляющую с заданной частотой Находят применение также умножители частоты, действие которых основано на синхронизации колебаний автогенератора. В таких приборах возбуждаются колебания с частотой Также, в отличие от обычных умножителей частоты умножители на фазовращателях могут обеспечить спектрально чистый, не требующий фильтрации выходной сигнал. Используя для расщепления фазы широкополосные фазово-разностные цепи, можно реализовать частотно-независимые умножители, работающие в диапазоне, который перекрывает множество октав. В настоящее время выявились следующие основные методы построения умножителей частоты: – косвенный на базе систем импульсно-фазовой автоподстройки частоты (ИФАПЧ); – прямой с использованием фильтрующих элементов на поверхностно-акустических волнах; – цифровой на основе вычислительных процедур. Необходимо отметить, что умножители частоты с ИФАПЧ относятся к числу чрезвычайно динамичных, развивающихся систем формирования дискретного множества частот. Решающую роль при этом играют такие важнейшие преимущества умножителей частоты и ИФАПЧ, как возможность реализации высококачественных спектральных и приемлемых динамических характеристик при хороших габаритных, энергетических и других показателях. 2. Обзор методов решения аналогичных задач Рассмотрим некоторые схемы и методы построения умножителей частоты. Процесс умножения частоты на нелинейном элементе сводится к следующему: входной сигнал воздействует на нелинейный элемент или на нелинейный резонатор, в результате чего синусоидальное колебание превращается в периодическое несинусоидальное, которому соответствует бесконечный ряд синусоидальных составляющих. Затем резонатор выделяет ту составляющую, на которую он настроен, в результате чего на выходе выделенная гармоника преобладает над всеми остальными. Величины побочных гармоник определяется добротностью резонатора, и для того, чтобы их уменьшить, необходимо увеличивать добротность резонаторов. Однако величина добротности резонаторов особенно на длинных и коротких волнах ограничена, и в этом случае для ослабления побочных гармоник применяют специальные фильтры или различные буферные каскады. Основным показателем умножителя частоты на пассивном нелинейном элементе является коэффициент полезного действия η, под которым понимается отношение мощности N-ой гармоники в нагрузке
При использовании нелинейного элемента активного сопротивления к.п.д. умножителя частоты оказывается низким. Предельный к.п.д. в этом случае равен:
Столь малые значения к.п.д. обусловлены тем, что из-за выпрямительных свойств нелинейного активного сопротивления большая часть мощности возбудителя преобразуется в мощность постоянного тока и выделяется в цепи смещения. Если для цепей умножения частоты применять нелинейное реактивное сопротивление, то из-за отсутствия в таком нелинейном элементе потерь мощности при идеальной фильтрации во входной и выходной цепях к.п.д. умножителя будет равен . В качестве нелинейного реактивного сопротивления в умножителях частоты обычно используют нелинейную ёмкость p -n перехода. [1]
Рисунок 2.1 . Структурная схема умножителя частоты на нелинейном элементе. 1 – фильтр, настроенный на гармонику, близкую к первой; n – фильтр, настроенный на n-ую гармонику. Принцип работы умножителей на фазовращателях показан на рис.2.2. Частота синусоидального сигнала умножается на N путем разделения входного напряжения на N различных фаз, равноудаленных друг от друга в диапазоне 360°. N сигналов с различными фазами управляют N транзисторами, работающими в режиме класса С, выходные сигналы которых объединяются для формирования импульса через каждые 360°/N градусов. Благодаря использованию N транзисторов мощность входного сигнала может быть в N раз выше мощности, необходимой для насыщения транзистора. [2]
Схема простого умножителя частоты с переменным коэффициентом умножения и жесткой синхронизацией выходных сигналов по отношению к входным приведена на рис. 2.3. Он состоит из генератора импульсов на трех инверторах DD1.1-DD1.3 и синхронизирующего каскада на транзисторе VT1. Когда входные синхроимпульсы отсутствуют, мультивибратор на DD1.1-DD1.3 работает в обычном режиме. Если в генераторе использована микросхема с двумя защитными диодами на входе, длительность перезарядки конденсатора C1 для любой полярности одинакова и период импульсов составит 1,4 R3•C1, а частота f - 0,7/(R3•C1). При поступлении на вход VT1 положительных импульсов частоты Fвх (рис. 2.3) транзистор в моменты t1 ,t3 открывается, что приводит к срыву процесса периодической перезарядки. После закрывания его с момента t2 , t4 процесс генерации возобновляется.Генератор формирует импульсы, синхронные по отношению к входным с частотой Fвых = kFвх , (2.3)
Рисунок 2.3 . Принципиальная схема умножителя частоты с жёсткой синхронизацией. где k - переменный коэффициент умножения,определяемый элементами R3, C1, а Fвх - частота входных импульсов. В качестве элементов DD1 можно использовать любые инверторы микросхем серий К176, К561, КР1561. Кроме того, элементы DD1.1, DD1.2 могут быть без инверсии (буферы) или с гистерезисом (триггеры Шмитта).Транзистор серии КТ315 допустимо заменить другим аналогичным. Это устройство при подаче на вход импульсов строчной частоты телевизионной развертки позволяет выделять строго определенные участки строки растра для формирования или считывания информации. [3] Так же умножитель частоты можно спроектировать на резонансном усилительном каскаде. Резонансным называется усилитель, нагрузкой которого служит резонансный контур, настроенный на частоту усиливаемого сигнала. Для настройки в контуре используется переменное реактивное сопротивление. Резонансные усилители являются избирательными высокочастотными усилителями. В радиотехнике они предназначаются для выделения из действующих на входе сигналов с разными частотами лишь группы сигналов с близкими частотами, которые несут нужную информацию. К резонансным усилителям предъявляются требования возможно большего усиления, высокой избирательности и стабильности, малого уровня шумов, удобства управления и др. В резонансных усилителях транзистор можно включить с ОЭ, ОБ и ОК. В большинстве случаев используется схема с оэ, обеспечивающая максимальное усиление по мощности с малым уровнем шумов. В ряде случаев на достаточно высоких для выбранного транзистора частотах используется схема с ОБ. Колебательный контур в усилитель можно включить по автотрансформаторной, двойной автотрансформаторной, трансформаторной и емкостной схемам.
Рисунок 2.4 . Принципиальная схема умножителя частоты на резонансном усилительном каскаде. Неполное включение контура в коллекторную цепь и к нагрузке позволяет избежать чрезмерного ухудшения добротности контура (особенно когда нагрузкой служит малое входное сопротивление транзистора). Элементы контура и его связь с выходом транзистора и с нагрузкой необходимо выбирать так, чтобы обеспечить настройку каскада на заданную частоту, а также получить требуемую полосу пропускания и нужное усиление. В транзисторах имеется внутренняя обратная связь, кроме того, в усилителе имеются паразитные обратные связи. На частотах ниже и выше резонансной колебательный контур представляет собой комплексную нагрузку и вносит дополнительный фазовый сдвиг. Общий фазовый сдвиг между входным и выходным сигналами может достичь 0 или 2л, и усилитель самовозбудится. Поэтому в резонансных усилителях часто применяется нейтрализация, устраняющая или ослабляющая обратную связь на частотах, близких к резонансной, и тем самым повышающая устойчивость работы. 3. Выбор обоснования и предварительный расчёт структурной схемы Задача обеспечения стабильной работы транзисторного умножителя, как правило, решается более сложно, чем для усилителя, поскольку состав высших гармоник в импульсе тока изменяется более существенно, чем амплитуда первой гармоники. Высокая стабильность возможна в схемах, в которых используется отрицательная обратная связь. Создание источника с большим внутренним сопротивлением в умножителях затруднено, так как для фильтрации побочных гармонических составляющих в них обычно используются параллельные колебательные контуры высокой добротности. Такой контур для высших гармонических составляющих входного тока имеет практически нулевое сопротивление и поэтому может рассматриваться как источник гармонического сигнала с нулевым внутренним сопротивлением, что соответствует заданию моего курсового проекта. Гармоническая форма напряжения может быть в принципе заметно искажена из-за шунтирующего действия нелинейного входа транзистора. Однако при малых мощностях, при которых обычно работает умножитель, входные сопротивления транзистора достаточно велики, чтобы этот эффект не проявлялся. Структурная схема умножителя частоты представлена на рисунке 3.1
Рисунок 3.1 – структурная схема умножителя частоты Слабый входной сигнал усиливается с помощью каскадов предварительного усиления. Их число зависит от уровней как входного сигнала, так и сигнала, который требуется получить на выходе многокаскадного усилителя. Усиленный предварительными каскадами сигнал подаётся на резонансный каскад, который, работая в режиме сильных сигналов, усиливает и фильтрует третью гармонику гармонического сигнала, подаваемого на вход. Тем самым происходит умножение входной синусойды с коэффициентом умножения N = 3. Выходной каскад предназначен для усиления преобразованного сигнала и передачи его с заданной мощностью на нагрузку. Для лучшей фильтрации побочных составляющих спектра выходного можно подключить резонансный LC-фильтр перед нагрузкой. Определим максимальный ток протекающий через нагрузку:
Исходя из данных:
Тогда ориентировочное количество каскадов предварительного усиления по следующей формуле:
Для нашего проекта достаточно буде двух каскадов усиления – предварительного и резонансного. Ориентировочный коэффициент усиления для каждого каскада [4]: (3.4) Для расчёта резонансного и предварительного усилительного каскада выберем транзистор ГТ309, который удовлетворяет предъявленным требованиям по частоте и выходной мощности. Параметры транзистора: – предельная частота
- импульс тока каоллектора - мощность рассеяния 4. Описание принципа работы структурной схемы Т.к. по условию поставленной задачи генератор входного сигнала отсутствует, а на вход усилителя непосредственно подаётся синусойда заданной частоты и амплитуды, то входное устройство может отсутствовать в разрабатываемой структурной схеме. Схемная реализация каскада предварительного усиления представлена на рисунке 4.1. Это схема усилителя на биполярном транзисторе включенном по схеме с общим эмиттером. Я выбрал эту схему так как у нее сравнительно большие коэффициенты усиления по напряжению и по току, а также большое входное сопротивление. Недостаток этой схемы – сдвиг фаз между входным и выходным сигналом равен 180° но в поставленной задаче не указывается обязательное сохранение фазы на выходе, так что этим недостатком можно пренебречь. Основными элементами схемы являются источник питания, управляемый элемент - транзистор Конденсатор
Рисунок 4.1 – принципиальная схема усилительного каскада с общим эммитером Резисторы Резистор Проявление отрицательной обратной связи и ее стабилизирующего действия на ток нетрудно показать непосредственно на схеме рис. 2. Предположим, что под влиянием температуры ток увеличился. Это отражается на увеличении тока , повышении напряжения и соответственно снижении напряжения . Ток базы уменьшается, вызывая уменьшение тока , чем создается препятствие наметившемуся увеличению тока . Иными словами, стабилизирующее действие отрицательной обратной связи, создаваемой резистором Конденсатор Название схемы «с общим эмиттером» означает, что вывод эмиттера транзистора по переменному току является общим для входной и выходной цепи каскада. Резонансным называется усилитель, нагрузкой которого служит резонансный контур, настроенный на частоту усиливаемого сигнала. Для настройки в контуре используется переменное реактивное сопротивление. Резонансные усилители являются избирательными высокочастотными усилителями. В радиотехнике они предназначаются для выделения из действующих на входе сигналов с разными частотами лишь группы сигналов с близкими частотами, которые несут нужную информацию. К резонансным усилителям предъявляются требования возможно большего усиления, высокой избирательности и стабильности, малого уровня шумов, удобства управления и др. В резонансных усилителях транзистор можно включить с ОЭ, ОБ и ОК. В нашем случае используется схема с ОЭ, обеспечивающая максимальное усиление по мощности с малым уровнем шумов. Колебательный контур в усилитель можно включить по автотрансформаторной, двойной автотрансформаторной, трансформаторной и емкостной схемам. Неполное включение контура в коллекторную цепь и к нагрузке позволяет избежать чрезмерного ухудшения добротности контура (особенно когда нагрузкой служит малое входное сопротивление транзистора).
Элементы контура и его связь с выходом транзистора и с нагрузкой необходимо выбирать так, чтобы обеспечить настройку каскада на заданную частоту, а также получить требуемую полосу пропускания и нужное усиление. В транзисторах имеется внутренняя обратная связь, кроме того, в усилителе имеются паразитные обратные связи. На частотах ниже и выше резонансной колебательный контур представляет собой комплексную нагрузку и вносит дополнительный фазовый сдвиг. Общий фазовый сдвиг между входным и выходным сигналами может достичь 0 или 2π, и усилитель самовозбудится. Поэтому в резонансных усилителях часто применяется нейтрализация, устраняющая или ослабляющая обратную связь на частотах, близких к резонансной, и тем самым повышающая устойчивость работы. 5. Описание схемы электрической и электрический расчёт Прежде всего рассчитаем резонансный каскад. [1] Исходные данные:
Коэффициент умножения В кОм Чтобы обеспечить запас стабильности на погрешность расчёта, зададимся нестабильностью тока 3-й гармоники 𝛿I
= 10% . Из графика рис. 5.1 при выбранном управляющем напряжении 0,4 ≤ Где λ – угол закрывания
Рисунок 5.1 – График зависимости отношения гармоник, нестабильности тока и коэффициента Берга от угла закрывания для утроителя частоты Примем Учтём предельно допустимые параметры транзистора:
Напряжение на коллекторе найдём из заданной мощности и тока:
Тогда:
Найдём коэффициент Берга Оптимальный угол отсечки:
Тогда, в соответствии с формулами (5.2), (5.3) и (5.4): - условие выполняется
Найдём максимальное отношение гармоник:
Где
Из графика рис. 5.1:
Тогда окончательно зададим угол закрывания:
Рассчитаем сопротивление обратной связи: Из рис. 5.3 для низкочастотного приближения (выберем ωτ=1, т.к. в рабочих режимах постоянная составляющая мало зависит от частоты и и при выбранном значении ωτ=1 ошибка не превышает 10%) при
Рисунок 5.3
– зависимость коэффициента Тогда рассчитаем минимальное сопротивление обратной связи:
Тогда сопротивление эммитера:
Произведём расчёт схемы по постоянному току:
Напряжение отсечки идеального транзистора:
Где: ∧ = Для схемы с постоянным углом отсечки принимаем Тогда по формулам найдём:
И тогда: (5.18)
Рассчитаем параметры резонансного фильтра. При нахождении величин индуктивности катушки и ёмкости конденсатора, я руководствовался величиной добротности: не слишком маленькой для достижения нужной избирательности фильтра и не слишком большой для упрощения конструкции фильтра. По формуле для резонансной частоты фильтра:
подберём значения ёмкости и индуктивности: C = 100 пФ L = 4 мкГн Тогда найдём добротность контура, приняв сопротивление потерь
Найдём сопротивление контура на резонансной частоте:
Рассчитаем сопротивление генератора, т.е. выходное сопротивление второго усилительного каскада:
Найдём входное сопротивление транзистора в схеме с общим эммитером:
Где сопротивление эммитерного перехода Найдём коэффициент передачи транзистора по напряжению:
Рассчитаем ёмкость
Исходя из этого, рассчитаем разделительные ёмкости:
Приступим к расчёту каскада предварительного усиления. [4]
Рисунок 5.4 – принципиальная схема усилительного каскада с общим эммитером Исходные данные: Выходное напряжение:
Рабочая частота: МГц (5.32) . Определим входное сопротивление каскада:
Входная ёмкость:
Где постоянная времени тока базы:
Постоянная времени крутизны транзистора:
Накладываем условие на коэффициент усиления:
Тогда сопротивление коллекторной цепи для переменного тока:
Рассчитаем элементы каскада, определяющие его режим работы по постоянному току. Выберем напряжение питания для каскада Рассчитаем резистор в цепи коллектора:
Рассчитаем сопротивление резистора в цепи эммитера:
Зададимся током делителя мА. Примем
Рассчитаем разделительные ёмкости:
Рисунок 5.5 – принципиальная схема умножителя частоты 6. Расчёт на ЭВМ Рассчитаем на ЭВМ колебательный контур резонансного каскада. Для этого составим эквивалентную схему каскада:
Рисунок 6.1 – эквивалентная схема резонансного контура Коэффициент усиления имеет следующий вид:
Где: Сопротивление контура на резонансной частоте
Тогда АЧХ будет иметь вид:
Полоса пропускания на уровне ФЧХ:
Где:
Заключение В нашей курсовой работе мы рассчитали умножитель частоты с коэффициентом умножения, равным 3 и с входным сигналом Полученная схема состоит из двух усилительных каскадов с коэффициентами умножения 25 и 42,6 и полосового фильтра на выходе с добротностью 20. Проанализировав амплитудно-частотную и фазо-частотную характеристики, я могу сделать вывод, что полученный прибор соответствует заданным условиям проектирования и может быть использован в инженерно-технических целях. 8. Литература 1.Валитов Р.А. - радиопередающие устройства на полупроводниковых приборах. 2. Лейк-Сан-Маркос - Умножитель частоты на фазовращателях. 3. И. Забелин - Журнал "Радио",8 номер , 1999г. 4. Л.Н. Бочаров - Расчет электронных устройств. 5. И.И. Четвертков - справочник резисторов. 6. М.Н. Дьяконов – справочник по электрическим конденсаторам. 7. В.Г. Басов - курсовое проектирование. 8. В.Г. Басов – конспект лекций. |

Рисунок 2.2
. Структурная схема умножителя частоты на фазовращателях.



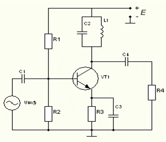
Рисунок 4.2
– принципиальная схема резонансного усилительного каскада 






Примем 





