Курсовая работа: Усилитель мощности класса А КУРСАЧ
|
Название: Усилитель мощности класса А КУРСАЧ Раздел: Рефераты по физике Тип: курсовая работа | ||
|
КИЕВСКИЙ ПОЛИТЕХНИЧЕСКИЙ ИНСТИТУТ КАФЕДРА ФИЗИЧЕСКОЙ И БИОМЕДИЦИНСКОЙ ЭЛЕКТРОНИКИ КУРСОВОЙ ПРОЕКТ по теме: « Усилитель мощности класса А » Киев 2006
1. Техническое задание 3 2. Введение 4 3. Варианты реализации 8 3.1. Выходной каскад с трансформаторной связью 8 3.2. Самобалансный двухтактный выходной каскад в режиме класса А 9 3.3. Усилитель мощности на МДП-транзисторе 11 3.4. Усилитель мощности на основе ОУ 12 4. Расчет параметров 14 5. Моделирование 16 5.1. Cir-скрипт 16 5.2. Результаты моделирования 19 6. Результаты испытания 20 7. Выводы 21 Список литературы 22 Приложение 1. Усилитель мощности класса А. Схема электрическая принципиальная. Перечень элементов
Разработать схему модуля «Усилитель мощности класса А» для проведения лабораторных работ. Технические параметры усилителя: 1. Амплитуда напряжения на входе до 1 В 2. Форма сигнала синусоидальная 3. Сопротивление нагрузки 16 Ом 4. Напряжение питания схемы ±4 В Модуль должен быть совместим со стендом для проведения лабораторных работ.
Режимы работы усилительных элементов. В зависимости от назначения усилителей к ним могут быть предъявлены следующие требования: получение заданного коэффициента усиления усилителя с определенной его частотно-фазовой характеристикой; заданных входного и выходного сопротивлений; заданной стабильности параметров усилителя и заданных нелинейных искажений, а также возможно максимального КПД усилителя. Заданные характеристики усилителя обеспечиваются выбором соответствующих схем, числом каскадов усилителя, введением обратных связей и т.д.; КПД усилителя зависит от режима работы усилительных элементов, особенно в оконечном каскаде. Различают следующие режимы работы усилительных элементов: Режим А.
В этом режиме точку покоя усилительного элемента выбирают таким образом, чтобы выходной ток протекал в течение всего периода, т.е. точка покоя должна находиться в середине используемой рабочей характеристики (рис. 1,а). Режим А характеризуется сравнительно небольшими нелинейными искажениями, однако КПД усилителя довольно низкий, так как независимо от амплитуды входного, а следовательно, и выходного сигнала, в выходной цепи протекает постоянный ток
Режим В. При работе в режиме В усилительный элемент работает с отсечкой выходного тока, где ток в выходной цепи протекает в течение половины периода (рис. 1,б). При разложении в ряд такого тока имеем
Режим работы усилителя с отсечкой характеризуется углом отсечки 0, равным половине длительности импульса в угловом исчислении. При работе в режиме В угол отсечки
Среднее значение коллекторного тока определяется как площадь импульса выходного тока за период, т.е.
амплитуда первой гармоники
Следовательно, КПД каскада
и в пределе составляет Если угол отсечки превышает Режим С.
При работе в режиме С угол отсечки Режим
Д.
Режим используют в усилителях однополярных импульсов, где усилительный элемент находится в двух состояниях — открытом и закрытом. При открытом состоянии усилительного элемента ток в выходной цепи максимальный, падение напряжения на усилительном элементе минимальное и близко к нулю. При использовании режима Д для усиления многочастотного сигнала с изменяющейся амплитудой необходимо напряжение сигнала преобразовать в импульсы прямоугольной формы одинаковой амплитуды, длительность которых пропорциональна напряжению преобразованного сигнала. Схемы преобразователей достаточно сложны и сами потребляют дополнительную мощность от
Рис.1. Схемы работы усилительных элементов в различных режимах: А (а), В (б) и С (в). Для реализации модуля усилителя мощности класса А могут быть использованы несколько схем. 3. Варианты реализации 3.1. Выходной каскад с трансформаторной связью Усилитель (рис.2) с трансформаторной связью, работающий в режиме класса А, используется в тех случаях, когда требуется большое усиление по мощности. Входной трансформатор служит для согласования с высоким выходным сопротивлением предоконечного каскада (транзисторного или лампового). Выходной трансформатор может быть
Рис.2. Усилитель с трансформаторной связью. Температурная стабилизация достигается с помощью термистора, который создает компенсирующее смещение на базе. Последовательная эмиттерная отрицательная обратная связь не применяется для температурной компенсации, так как эмиттерное сопротивление снизило бы постоянную составляющую напряжения коллектор-эмиттер, что, в свою очередь, уменьшит усиление мощности. Поскольку входные характеристики статистически меняются от транзистора к транзистору, то для регулировки смещения транзистора последовательно с R3 необходимо включать переменное сопротивление R2 . Для обеспечения желаемого изменения смещения с изменением температуры параллельно термосопротивлению включено выравнивающее сопротивление R1 . В усилителях класса А рассеяние превышает максимальную выходную мощность более чем в два раза. Если усилитель предназначен для Типовые данные усилителя Напряжение питания 14 в Коллекторный ток 420 ма Выходная мощность 2 вт Входное сопротивление 30 ом Сопротивление нагрузки 30 » Усиление по мощности 36 дб Искажения 5% Ширина частотной характеристики 7 кгц Диапазон рабочей температуры от -40 до +70о С 3.2. Самобалансный двухтактный выходной каскад в режиме класса А Два варианта выходного двухтактного каскада, работающего в режиме класса А на однотипных транзисторах средней мощности, показаны на рис.3,а и б.
Выходной трансформатор Тр1 рассчитан так, что сопротивление нагрузки, приведенное к каждой половине первичной области, составляет 7,5 ком. В схеме на рис.3,а режим Т1 , стабилизирован параллельной отрицательной обратной связью с коллектора на базу. В схеме рис.3, б режим Т1 стабилизирован последовательной отрицательной обратной связью в цепи эмиттера. В схеме могут применяться как германиевые, так и кремниевые транзисторы. Хороший баланс поддерживается даже при использовании транзисторов, характеристики которых значительно разнятся. Эта схема может работать только в режиме класса А. Оценка схемы дана только для транзисторов средней или низкой мощности. Для усилителей большой мощности режим класса А непрактичен из-за высоких потерь в цепях смещения постоянного тока.
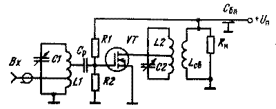
Рис.3. Самобалансный двухтактный выходной каскад. 3.3. Усилитель мощности на МДП-транзисторе Практическая схема такого усилителя показана на рис.4. Входной L1С1-контур и выходной L2С2-контуры обычно синхронно перестраиваются и настроены на частоту входного сигнала. Эквивалентное сопротивление Rэ выходного контура Rэ=P2p2/(RL+Rн'), где р=Sqr(L2/C2), Rн' - сопротивление нагрузки, внесенное в колебательный контур; RL - активное сопротивление потерь; Р2 - коэффициент включения контура. Величина Rн'=Rн/n22, где n2 - коэффициент трансформации. Добротность выходного контура при его полном включении Q=RэRi/(Rэ+Ri)2pifoL2 снижается из-за шунтирующего действия выходного сопротивления транзистора Ri. У мощных МДП-транзисторов Ri невелико и обычно не превышает десятков килоом. Поэтому для увеличения Q2 используется неполное включение контура. Полоса пропускания выходного контура 2Δf2=fo2/Q2, а частота резонанса fo2=l/2piSqr(L2C2). В КВ-диапазоне такой усилитель может обеспечить Ки до нескольких десятков.
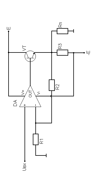
3.4. Усилитель мощности на основе ОУ Для получения больших выходных токов к выходу ОУ можно подключить мощный транзисторный повторитель (рис.5,а). В примере использован неинвертирующий усилитель, но повторитель можно подключать к любому операционному усилителю. Сигнал обратной связи снимается с эмиттера; следовательно, обратная связь определяет нужное выходное напряжение независимо от падения напряжения
Была выбрана схема усилителя мощности на основе операционного усилителя (рис.6).
Рис.6 Усилитель мощности класса А на основе ОУ. В соответствии с техническим заданием Резистор Параметры транзистора:
В качестве операционного усилителя возьмем микросхему AD822AN (два операционных усилителя в одном корпусе). Коэффициент передачи напряжения
5.1. Cir- скрипт **** CIRCUIT DESCRIPTION ***************************************************************************** ** Creating circuit file "111-schematic1-121.sim.cir" *Libraries: * Local Libraries : * From [PSPICE NETLIST] section of C:\Program Files\Orcad\PSpice\PSpice.ini file: .lib "nom.lib" *Analysis directives: .TRAN 0 2ms 0 .PROBE V(*) I(*) W(*) D(*) NOISE(*) .INC ".\111-SCHEMATIC1.net" **** INCLUDING 111-SCHEMATIC1.net **** * source 111 V_V3 N01014 0 4Vdc R_R11 0 N00947 10k X_U8 N09141 N00947 N01014 N00672 N07999 AD822A/AD R_R12 N00947 N00623 10k Q_Q3 N01014 N07999 N00623 QBD135-16/PLP R_R9 0 N00623 16 V_V1 N09141 0 +SIN 0 100m 1000 0 0 0 R_R10 N00672 N00623 16 V_V4 0 N00672 4Vdc **** RESUMING 111-schematic1-121.sim.cir **** .END **** Diode MODEL PARAMETERS ***************************************************************************** X_U8.DX IS 1.000000E-15
***************************************************************************** QBD135-16/PLP X_U8.NPN X_U8.PNP NPN NPN PNP IS 48.150000E-15 100.000000E-18 100.000000E-18 BF 124.2 120 120 NF .9897 1 1 VAF 222 150 150 IKF 1.6 ISE 13.890000E-15 NE 1.6 BR 13.26 1 1 NR .9895 1 1 VAR 81.4 15 15 IKR .29 ISC 129.500000E-15 NC 1.183 RB .5 2.000000E+03 2.000000E+03 RBM .5 IRB 1.000000E-06 RE .165 4 4 RC .096 200 900 CJE 124.300000E-12 VJE .7313 MJE .3476 CJC 30.400000E-12 VJC .5642 MJC .4371 XCJC .15 MJS .333 FC .9359 TF 647.800000E-12 XTF 29 VTF 2.648 ITF 3.35 TR 0 CN 2.42 2.42 2.2 в .87 .87 .52 **** Junction FET MODEL PARAMETERS ***************************************************************************** X_U8.JX NJF VTO -2 BETA 767.000000E-06 IS 12.500000E-12 **** INITIAL TRANSIENT SOLUTION TEMPERATURE = 27.000 DEG C ***************************************************************************** NODE VOLTAGE NODE VOLTAGE NODE VOLTAGE NODE VOLTAGE (N00623) .0011 (N00672) -4.0000 (N00947) 572.9E-06 (N01014) 4.0000 (N07999) .7963 (N09141) 0.0000 (X_U8.4) 1.7353 (X_U8.5) 3.8675 (X_U8.6) 3.8673 (X_U8.7) 800.1E-06 (X_U8.8) 0.0000 (X_U8.9) -.1141 (X_U8.10) 1.0000 (X_U8.11) 286.5E-06 (X_U8.12) 57.28E-09 (X_U8.18) -.1141 (X_U8.20) 3.2876 (X_U8.21) -1.6155 (X_U8.22) -2.3417 (X_U8.23) -2.9755 (X_U8.24) -3.3851 (X_U8.26) -2.4091 (X_U8.30) 0.0000 (X_U8.51) -4.0150 (X_U8.52) -4.0150 (X_U8.96) 4.0100 (X_U8.97) 4.0100 (X_U8.98) 0.0000 VOLTAGE SOURCE CURRENTS NAME CURRENT V_V3 -2.507E-01 V_V1 1.500E-11 V_V4 -2.506E-01 X_U8.V1 -1.954E-13 X_U8.V2 1.115E-12 X_U8.V3 -1.130E-06 X_U8.V4 -1.166E-06 X_U8.VP 2.505E-03
TOTAL POWER DISSIPATION 2.01E+00 WATTS JOB CONCLUDED TOTAL JOB TIME .19 ** Creating circuit file "111-schematic1-121.sim.cir" *Libraries: * Local Libraries : * From [PSPICE NETLIST] section of C:\Program Files\Orcad\PSpice\PSpice.ini file: .lib "nom.lib" *Analysis directives: .TRAN 0 2ms 0 .PROBE V(*) I(*) W(*) D(*) NOISE(*) .INC ".\111-SCHEMATIC1.net" .END 5.2. Результаты моделирования
Рис.7. Зависимость входного и выходного напряжения от времени.
Испытания проводились на лабораторном стенде, с использованием лабораторного оборудования (генератор сигнала синусоидальной формы, осциллограф). На вход усилителя подавался сигнал синусоидальной формы с амплитудой 100мВ. По результатам предварительного моделирования на выходе должны были получить усиленный в 2 раза сигнал (с амплитудой 200мВ). На рис.7-9 показаны результаты работы схемы усилителя мощности класса А смоделированной в программе PSpice. После настройки осциллографа (0,2 мс/дел; 0,05 В/дел) и его синхронизации с внешним генератором была получена осциллограмма представленная на рис.8.
Рис.8. Результат практической реализации усилителя мощности (фото).
В процессе выполнения данного курсового проекта была разработана, смоделирована и сконструирована схема модуля усилителя мощности класса А. Для реализации была выбрана схема на основе операционного усилителя. В процессе разработки осуществлялось моделирование в програмне PSpice с последующей сборкой и отладкой схемы. В процессе проверки схемы на вход подавали синусоидальный сигнал амплитудой 100 мВ и на выходе получили сигнал 200 мВ. При этом мощность рассеиваемая в нагрузке была равна
1. Вайсбурд Ф.И., Панаев Г.А., Савельєв Б.Н. Электронные приборы и усилители. – М.: „Радио и связь”, 1987 – 472с. 2. Хоровиц П., Хилл У. Исскуство схемотехники, т.1. – М.: „Мир”, 1983 – 600с. 3. Шварц С. Полупроводниковые схемы. – М.: Издательство иностранной литературы, 1962 – 440с.
|
НАЦИОНАЛЬНЫЙ ТЕХНИЧЕСКИЙ УНИВЕРСИТЕТ УКРАИНЫ
Содержание
1.
Техническое задание
2. Введение

При активной нагрузке, включенной через трансформатор,
,
нулю. Режим В характеризуется значительными нелинейными искажениями за счет появления гармоник четного порядка, поэтому его применяют в двухтактных каскадах, где усилительные элементы работают поочередно. Применение двухтактных каскадов, работающих в режиме В, позволяет получить достаточно хорошую форму выходного напряжения за счет уничтожения четных гармоник в выходном напряжении.
источников питания. Поэтому режим Д для усиления аналоговых сигналов используют очень редко.
автотрансформатором для согласования с сопротивлением звуковой катушки.
удовлетворительной работы при высоких температурах, необходимо предусмотреть хороший теплоотвод.
Отличительным свойством схемы является то, что сбалансированный режим может быть получен без согласования транзисторов. В обеих схемах каскад на транзисторе Т2
собран по схеме с общей базой. Входное полное сопротивление по переменному току со стороны эмиттерного входа транзистора Т2
значительно меньше сопротивления смещения 2,4 ком.
Таким образом, переменная составляющего коллекторного тока транзистора Т1
, протекает через эмиттер транзистора Т2
. Поскольку коэффициент 


Рис.
4
.
Усилитель мощности на МДП-транзисторе
Рис.5
Усилитель мощности на основе ОУ.
4. Расчет параметров

.
. Максимальная мощность, рассеиваемая на
.
;
В схеме используем транзистор КТ815В, удовлетворяющий этим требованиям (при моделировании был использован его зарубежный аналог BD135-16/PLP).
,
. Т.е. выберем
5.
Моделирование
**** BJT MODEL PARAMETERS
X_U8.VN 2.121E-04

6. Результаты исп
ы
тания

7. Выводы
. Результаты моделирования полностью совпали с результатами проверки в лаборатории, что свидетельствует о правильности выполнения работы.
Список литературы:


