Курсовая работа: Расчет параметров выпрямительно-инверторного преобразователя выполненного по шестипульсовой
|
Название: Расчет параметров выпрямительно-инверторного преобразователя выполненного по шестипульсовой Раздел: Рефераты по транспорту Тип: курсовая работа | ||||||||||||||||||||||||||||||||||||||||||||||||||||||||||||||||||||||||||||||||||||||||||||||||||||||||||||||||||||||||||||||||||||||||||||||||||||||||||||||||||||||||||||||||||||||||||||||||||||||||||||||||||||
Федеральное агентство железнодорожного транспорта Иркутский государственный университет путей сообщения Кафедра: ЭЖТ КУРСОВАЯ РАБОТА Тема: Расчет параметров выпрямительно-инверторного преобразователя, выполненного по шестипульсовой мостовой схеме Выполнил: Добрынин А.И Проверил: Ушаков В.А. г. Иркутск 2008 Содержание 1. Задание 2. Требуется 3. Выбор типа вентилей 4. Расчёт проектных параметров трансформатора 4.1 Выпрямитель 4.2 Инвертор 5. Расчёт числа параллельно включенных вентилей 5.1 Выбор неуправляемого вентиля 5.2 Выбор управляемого вентиля 5.3 Выпрямитель 5.4 Инвертор 6. Расчёт числа последовательно включенных вентилей 6.1 Выпрямитель 6.2 Расчёт стоимости вентильного плеча выпрямителя 6.3 Инвертор 6.4 Расчёт числа вентилей плеча инвертора 7. Расчёт характеристик преобразователя 7.1 Расчёт внешней характеристики выпрямителя 7.2 Расчёт внешней характеристики инвертора 7.3 Расчёт ограничительной характеристики инвертора 7.4 Углы коммутации мостового ВИП 7.5 Коэффициенты мощности мостового ВИП 7.6 Максимальные токи инвертора 8. Расчёт параметров устройства выравнивания напряжения 8.1 Выпрямитель на нелавинных вентилях 8.2 Инвертор на нелавинных вентилях 1. Задание Трёхфазный мостовой выпрямительно-инверторный преобразователь (ВИП) питается от сети с номинальным напряжением Uс=U1л и заданными пределами колебания этого напряжения %Uс. Известна мощность короткого замыкания Sкз, характеризующая реактанс связи точки подключения ВИП и шин бесконечной мощности энергосистемы. Заданы следующие параметры и соотношения для ВИП: Напряжение короткого замыкания трансформатора Uк%; Среднее значение выпрямленного напряжения и тока в номинальном режиме (Udн, Idн); Соотношение числа витков вентильных обмоток инвертора и выпрямителя Ки=U2и/U2в; коэффициенты повторяющихся и неповторяющихся перенапряжений Кп, Кнп. Номинальные мощности выпрямителя и инвертора одинаковы S1в=S1и.
2. Требуется Рассчитать проектные параметры трансформатора и выбрать его по стандартной шкале мощностей. Выбрать типы вентилей с воздушным охлаждение для выпрямителя и инвертора и, варьируя класс вентилей К, рассчитать параметры вентильных плеч, обеспечивающих номинальный режим и устойчивость к перенапряжениям заданной величины и токам аварийных режимов выпрямителя и инвертора. Определить наиболее дешёвый комплект вентилей. Рассчитать параметры цепей выравнивания обратных напряжений последовательно соединённых вентилей и выбрать схему выравнивания токов в параллельных ветвях вентильных плеч соответственно для выпрямителя и инвертора. Нарисовать схему вентильного плеча. Выполнить расчёты и построение внешней характеристики выпрямителя, внешних и ограничительной характеристики инвертора, коэффициентов мощности выпрямителя и инвертора. Построить временные диаграммы фазных напряжений вентильных обмоток выпрямителя и инвертора с отображением коммутационных процессов, диаграммы токов в этих обмотках, мгновенных значений выпрямленного напряжения и напряжения инвертора, напряжения на одном из вентилей. Построить векторные диаграммы напряжения и первой гармоники сетевого тока, для выпрямительного и инверторного напряжений. 3. Выбор типа вентилей Используя данные таблицы подстановок и построенные на данных таблицы диаграммы, выберем тип и класс неуправляемого вентиля, обеспечивающего наилучшие технико-экономические показатели при разных значениях скорости охлаждающего воздуха (12; 6 и 0 м/сек).
Наилучшие технико-экономические показатели выпрямителя для неуправляемого вентиля типа В2-320, обеспечиваются, при скорости охлаждающего воздуха 12 и 6 м/сек. По диаграммам определяем тип неуправляемого вентиля: В2-320, при скорости охлаждающего воздуха 6 м/сек. Стоимость плеча: 699 руб., число вентилей плеча: 18. По таблицам для В2-320 выберем класс и индекс:
Для В2-320 класс:36, индекс: 20, стоимость плеча 699 руб., число вентилей 18. Используя данные таблицы подстановок и построенные на данных таблицы диаграммы, выберем тип и класс управляемого вентиля, обеспечивающего наилучшие технико-экономические показатели инвертора при выбранном значении скорости охлаждающего воздуха 6 м/сек:
По диаграммам определяем тип управляемого вентиля: выберем инвертор типа Т14-320, стоимостью 3317 руб., т.к. количество вентилей Т14-320 равно 90, и количество вентилей Т-500 равно 90, стоимость Т14-320 меньше стоимости Т-500. По таблицам для Т14-320 выберем класс и индекс:
Для вентиля Т14-320 класс: 16, индекс: 10, стоимость плеча 3317 руб., число вентилей плеча 90. Для выпрямителя: Тип неуправляемого вентиля: В2-320 Iуд = 7200,0 А Iо max = 20,0 мА Uo = 1,1 B Rд = 0,00078 Ом Скорость потока охлаждения воздухом V = 6 м/с: Rт, град.С/Вт 2 0,21
Для инвертора: Тип управляемого вентиля: Т14-320 Iуд = 7700,0 А Iо max = 30,0 мA Uo = 1,1 B Rд = 0,000550Ом Rт, град.С/Вт 0,35
Параметры ВИП и сети: Udн = 6600В Idн = 1000А Кп = Uком/Uвmax Кп = 1,2 Колебания напряжения сети % от Uc = 13 Номинальное напряжения сети Uc,кВ = 10 Uк% (напр.к.з. трансформ.) = 12 Кнп = Uнп/Uвmax = 2,4 Sкз = 450 мВА Ки = U2и/U2в = 1,2
4. Расчёт проектных параметров трансформатора 4.1 Выпрямитель Udo = Udн/(1-0.5Uк%/100) (1) где Udн – среднее выпрямленное напряжение при номинальной нагрузке Uк% - напряжение короткого замыкания преобразовательного трансформатора Udo = Расчетная мощность выпрямителя. Pdo = Udo*Idн (2) где Idн – номинальный ток выпрямителя; Pdo = 7021,3*1000 = 7021,3 кВт Действующее значение фазного напряжения вентильной обмотки трансформатора в режиме выпрямления. U2в = Udo/2,34 (3) U2в = 7021,3/2,34 = 3000 B Действующее значение фазного тока вентильной обмотки трансформатора в режиме выпрямления. I2в = 0,816*Idн (4) I2в = 0,816*1000 = 816,5 А Расчётная мощность вентильной обмотки S2 = 1,05*Pdо (5) S2 = 1,05*7021,3 = 7372,4 Ква Коэффициент трансформации преобразовательного трансформатора в выпрямительном режиме. Ктв = Uc/(1,73*U2в) (6) где Uc – номинальное напряжение сети – 10 кВ Ктв = 10000/(1,73*3000) = 1,92 I1н = I2в/Kтв (7) I1н = 816,5 /1,92= 425,3 A Номинальная мощность сетевой обмотки. S1н = 1,05*Pdo (8) S1н = 1,05*= 7021,3 = 7372,4 кВА Типовая мощность трансформатора. Sт = S1 = S2 = 1,05*Pdo (9) Sт = 1,05*= 7021,3 = = 7021,4 кВА 4.2 Инвертор Номинальный ток инвертора. Iин = Idн/Kи (10) где Idн – номинальный ток выпрямителя Ки-1,2 Iин = 1000/1,2 = 833,33 А Действующее значение фазного напряжения вентильной обмотки трансформатора в режиме инвертирования. U2и = U2в*Kи (11) U2и = 3000,6*1,2 = 3600,7 В Действующее значение фазного тока вентильной обмотки трансформатора в режиме инвертирования. I2и = I2в/Kи (12) I2и = 816,5 /1,2 = 680,4 А Коэффициент трансформации преобразовательного трансформатора в инверторном режиме. Кти = Kтв/Kи (13) Кти = 1,92/1,2 = 1,6 I1н = I2и /Kти (14) I1н = 680,4 /1,6 = 425,3 А 5. Расчёт числа параллельно включенных вентилей плеча 5.1 Выбираем неуправляемый вентиль для выпрямителя: В2-320 5.2 Выбираем управляемый вентиль для инвертора:Т14-320 5.3 Выпрямитель Индуктивное сопротивление фазы трансформатора и сети приведённое к напряжению вентильной обмотки выпрямителя. Расчет числа параллельно включенных вентилей мостовой схемы ВИП
где Sкз – мощность короткого замыкания на шинах питающей сети
Активное сопротивление фазы трансформатора и сети приведённое к напряжению вентильной обмотки выпрямителя
где
Амплитуда установившегося тока короткого замыкания, протекающего через вентильное плечо выпрямителя
Амплитуда тока аварийного режима выпрямителя iудв = Куд*Im (18) где Куд – ударный коэффициент – 1.2 iудв = 1,2*7340,2= 8808,2 A Число параллельно включенных вентилей в вентильном плече. По току плеча. Nпар1 = (Idн/3)*Кн/Iп (19) где Кн - 1,15 Nпар1 = (1000/3)*1,15/85,6 = округляем до 3 Принимаем 3 вентиля. По iудв. Nпар2 = Кн*iудв/Iуд (20) где Iуд – ударный ток вентиля Nпар2 = 1,15*8808,2 /7700,0 = округляем до 3 Принимаем 3 вентиля. По расчётам принимаем максимальное значение параллельных вентилей, а именно – 3. Выберем максимальное значение: Nпар.max = 3 5.4 Инвертор Индуктивное сопротивление фазы трансформатора и сети, приведённое к напряжению вентильной обмотки инвертора Xаи = Xaв(Ки)2 (21) Xаи = 0,4997*1,2 Активное сопротивление фазы и сети, приведённое к напряжению вентильной обмотки инвертора Rаи = Rав(Ки)2 (22) Rаи = 0,0310*(1,2)2 = 0,0446 Ом Число параллельно включенных вентилей в вентильном плече. Расчёт по току плеча Nпар1 = (Iин/3)*Кн/Iп (23) Nпар1 = (833,33/3)* 1,15/85,6 = округляем до 5 Принимаем – 5. Xd = 6,28 Ом Rd = 0,016 Ом Амплитуда тока аварийного режима выпрямителя
Расчёт по току iудп. Nпар2 = Кн* iудп /Iуд (25) Nпар2 = 1,15*24606,7/7700,0 = 5 Из двух вычислений выбираем число вентилей – 5 Выберем максимальное значение: Nпар.max = 5 6. Расчёт числа последовательно включенных вентилей 6.1 Выпрямитель Максимальное обратное напряжение, прикладываемое к вентильному плечу. Расчет числа последовательно включенных вентилей мостового ВИП Uвmax = 1.045*Udo (26) Uвmax = 1.045*7021,3 = 7337 B Расчётный класс вентильного плеча
Kр = 1,3*7337/100 = 89 Введём выбранный нами класс неуправляемых вентилей К для выпрямителя: класс 36, индекс 20, стоимость вентиля: 27,3 Повторяющееся напряжение Uп = 100*К где К – класс неуправляемого вентиля Uп = 100*36 = 3600 В Неповторяющееся напряжение Uнп = 116*К (28) Uнп = 116*36 = 4176 В Число последовательно включенных вентилей в вентильном плече Nпосл1 = Кн(1+Uc%/100)Uвmax*Кп/Uп (29) где %Uс – колебания напряжения сети Nпосл1 = 1,15(1+11/100)* 7337*1,3/3600 = округляем до 5 Nпосл2=Кн(1+Uc%/100)Uвmax*Кнп/Uнп (30) Nпосл2=1,15(1+11/100) 7337*2,4/4176 = округляем до 6 Nпосл.max = 6 По результатам расчёта получаем 6 последовательно включенных вентилей в плече. 6.2 Расчет стоимости вентильного плеча выпрямителя Выбранный тип вентиля: В2-320 Общее число вентилей плеча: 18 Стоимость плеча(+10% для нелавинных вентилей): 540,5 Стоимость плеча с охладителями: 698,9
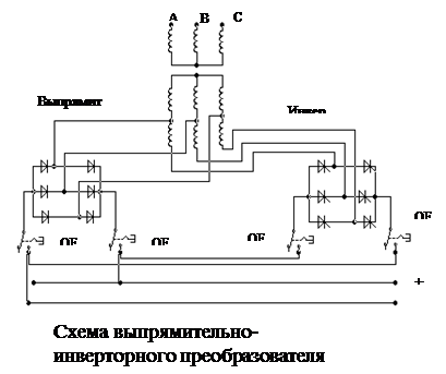
Рис.2. Схема плеча выпрямителя. 6.3 Инвертор Максимальное обратное напряжение, прикладываемое к вентильному плечу Uвmax = 8804 B Расчётный класс вентильного плеча Kр: 106 Введём выбранный нами класс управляемых вентилей К для инвертора: 16 Повторяющееся напряжение Uп = 1600 В Неповторяющееся напряжение Uнп (для нелавинных) = 1776 В Число последовательно включенных вентилей в вентильном плече Nпосл1=Кн(1+Uc%/100)Uвmax*Кп/Uп (31) Nпосл1=1,15(1+11/100)*8804*1,3/1600 = округляем до 10 Nпосл2=Кн(1+Uc%/100)Uвmax*Кнп/Uнп (32) Nпосл2=1,15(1+11/100)8804*2,4/1776 = округляем до 18 Nпосл.max = 18 Выбираем 18 последовательно включенных вентилей. 6.4 Расчет числа вентилей в инверторном плече Общее число вентилей плеча: 90 Стоимость плеча с охладителями: 3316,5
Рис.3. Схема плеча инвертора. 7. Расчёт характеристик преобразователя 7.1 Расчёт внешней характеристики выпрямителя Udo = Udн/(1- 0,5Udн%/100) =3510 В, при Id=0; Udн = 3300 В, при Idн = 1500 А. 7.2 Расчёт внешней характеристики инвертора Среднее значение напряжения инвертора при холостом ходе с заданным углом опережения бета Uио=2.34*U2и/Ки (33) Uио=2.34*3600,7/1,2 = 7021,4 В Угол опережения инвертора
Среднее значение напряжения инвертора с заданным углом опережения бета
Uин = 7021,4 *1,2*(cos(33,6)+0,5*0,12) = 7526,9 7.3 Ограничительная характеристика инвертора Uог(при Iи = 0) = Uио*Киcos Uог = 7021,4 *1.2*cos где Uог(при Iи = Iин)=Uио*Ки(cos Uог(при Iи=Iин)= 7021,4 *1,2(cos 7.4 Углы коммутации мостового ВИП (эл.град.) Выпрямителя:
При Id=0.5*Idн
При Id=Idн
Инвертора: cos( Iи=0.5*Iин: 7,9 Iи=Iин: 19,3
Рис.4. Диаграмма для мостовой схемы (выпрямитель) 7.5 Коэффициенты мощности мостового ВИП Выпрямителя:
При Id = 0.5*Idн
При Id = Idн
Инвертора:
При Iи = 0.5*Iин
При Iи = Iин
7.6 Максимальные токи инвертора Iи max=(100/0,5Uк%)Iин(cos При работе инвертора по естественной характеристике: При Iи1max=(100/12)*833,33*(cos При работе инвертора по искусственной характеристике: При Uи = Uио = Udо Iи2max =(100/0,5*12)* 833,33*(cos
Рис.5. Диаграмма для мостовой схемы (инвертор).
Рис.6. Диаграмма шестипульсового ВИП для выпрямительного режима при коротком замыкании на зажимах выпрямителя.
Рис.7. Диаграмма перевода ВИП из выпрямительного режима в инверторный.
Рис.8. Выпрямительный режим ВИП.
Рис.9. Инверторный режим ВИП. 8. Расчет параметров устройства выравнивания напряжения 8.1 Выпрямитель на нелавинных вентилях: В2-320 Шунтирующее сопротивление Rш = (Nпосл* Uп -Uв max)/((Nпосл – 1)* Nпар*Iо max*0,001) (43) где Iо max – максимальный обратный ток вентиля Rш = (6*3600-7337)/(5*3*20*0,001) = 47543 Ом Мощность резистора Rш P = (Iо max*0,001*Nпар*Uв max)/Nпосл (44) P = 20*0,001*3*7337/6 = 73,4 Вт Емкость шунтирующего конденсатора Св = Nпар = 3 мкф Рабочее напряжение шунтирующего конденсатора Uc=1.5Uп (45) Uc=1.5*3600 = 5400 B Rв = 3,33 Ом Rc = 0,2 Ом 8.2 Инвертор на нелавинных вентилях.: Т14-320 Шунтирующее сопротивление Rш = (Nпосл* Uп -Uв max)/((Nпосл – 1)* Nпар*Iо max*0,001) (46) Rш = (18*1600-8804)/(17*5*30*0,001) = 7842 Ом Мощность шунтирующего резистора P = (Iо max*0,001*Nпар*Uв max)/Nпосл (47) P = 30*0,001*5*8804/18 = 73,4 Вт Емкость шунтирующего конденсатора Св = Nпар = 5 мкф Рабочее напряжение шунтирующего конденсатора Uc=1.5Uп (48) Uc = 1,5*1600 = 2400 B Rв = 2,00 Ом Rc = 0,2 Ом |
||||||||||||||||||||||||||||||||||||||||||||||||||||||||||||||||||||||||||||||||||||||||||||||||||||||||||||||||||||||||||||||||||||||||||||||||||||||||||||||||||||||||||||||||||||||||||||||||||||||||||||||||||||





= 274
= 7021,3 В
(17)
= 7340,2
(24)
= 24606,7А






