Курсовая работа: Расчет трансформатора ТМ100035
|
Название: Расчет трансформатора ТМ100035 Раздел: Рефераты по физике Тип: курсовая работа | |||||||||||||||||||||||||||||||||||||||||||||||||||||||||||||||||||||||||||||||||||||||||||||||||||||||||||||||||||||||||||||||||||||||||||||||||||||||||||||||||||||||||||||||||||||||||||||||||||||||||||||||||||||||||||||||||||||||||||||||||||||||||||||||||||||||||||||||||||||||||||||||||||||||||||||||||||||||||||||||||||||||||||||||||||||||||||||||||||||||||||||||||||||||||||||||||||||||||||||||||||||||||||||||||||||||||||||||||||||||||||||||||||||||||||||||||||||||||||||||||||||||||||||||||||||||||||||||||||||||||||||||||||||||||||||||||||||||||||||||||||||||||||||||||||||||||||||||||||||||||||||||||||||||||||||||||||||||||||||||||||||||||||||||||||||||||||||||||||||||||||||||||||||||||||||||||||||||||||||||||||||||||||||||||||||||||||||||||||||||||||||||||||||||||||||||||||||||||||||||||||||||||||||||||||||||||||||||||||||||||||||||||||||||||||||||||||||||||||||||||||||||||||||||||||||||||||||||||||||||||||||||||||||||||||||||||||||||||||||||||||||||||||||||||||||||||||||||||||||||
Федеральное агентство по образованию РФ ГОУ ВПО УГТУ – УПИ кафедра «Электрические машины» Курсовая работа Расчёт трансформатора ТМ 1000/35 Каменск – Уральский 2009г. Ведение Трансформаторы – это наиболее распространённые устройства в современной электротехнике. Трансформаторы большой мощности составляют основу систем передачи электроэнергии от электростанций в линии электропередачи. Они повышают напряжение переменного тока, что необходимо для экономной передачи электроэнергии на значительные расстояния. В местах распределения энергии между потребителями применяют трансформаторы, понижающие напряжение до требуемых для потребителей значений. Наряду с этим, трансформаторы являются элементами электроустановок, где они осуществляют преобразование напряжения питающей сети до значений необходимых для работы последних. Трансформатором называется статическое электромагнитное устройство, имеющее две или более обмоток связанных индуктивно, и предназначенные для преобразования посредством электромагнитной индукции одной или нескольких систем переменного тока в одну или несколько других систем переменного тока. Обмотку, присоединённую к питающей сети, называют первичной, а обмотку, к которой подсоединяется нагрузка – вторичной. Обычно все величины, относящиеся к первичной обмотке трансформатора помечают индексом 1, а относящиеся к вторичной – индексом 2. Первичную обмотку трансформатора подсоединяют к питающей сети переменного тока. Ток первичной обмотки I1 имеет активную и индуктивную составляющие. При разомкнутой вторичной обмотке (холостой ход), вследствие действия индуктивной составляющей тока IОм , возникает магнитный поток, который намагничивает сердечник. Активная составляющая тока I определяется потерями, возникающими, в местах стали, при перемагничивании сердечника. Наибольшая часть потока Ф1 сцеплённого с первичной обмоткой, сцеплена также со всеми обмотками фазы и является потоком взаимоиндукции между обмотками, или главным рабочим потоком Ф. Другая часть полного потока Ф1 сцеплена не со всеми витками первичной и вторичной обмоток. Её называют потоком рассеивания. ЭДС обмотки пропорциональна числу её витков. Отношение ЭДС первичной и вторичной обмоток называется коэффициентом трансформации, который пропорционален отношению чисел витков первичной и вторичной обмоток. Устройство силовых трансформаторовТрансформаторы имеют магнитопроводящие сердечники и токопроводящие обмотки. Для лучшего охлаждения сердечники и обмотки мощных трансформаторов погружаются в бак, наполненный маслом. Сердечники трансформаторов состоят из стержней, на которых размещаются обмотки, и ярм, которые служат для проведения потока между стержнями. Различают два вида сердечников: стержневой и броневой . Броневой сердечник имеет разветвлённую магнитную систему, вследствие этого поток в ярме составляет половину от потока стержня, на котором расположены обмотки. Трёхфазные трансформаторы выполняются обычно стержневыми. Их сердечники состоят из расположенных в одной плоскости трёх стержней, соединённых ярмами. Магнитная система таких трансформаторов несколько несимметрична, так как магнитная проводимость потока крайних стержней и среднего – является неодинаковой. Вследствие изменения потока, в контурах стали сердечника индуктируется ЭДС, вызывающая вихревые токи, которые стремятся замкнуться по контуру стали, расположенному в поперечном сечении стержня. Для уменьшения вихревых токов, сердечники трансформатора набираются (шихтуются) из изолированных прямоугольных пластин электротехнической стали толщиной 0.5мм или 0.35мм. Для уменьшения зазоров в местах стыков, слои сердечника, набранные различными способами, чередуются через один. После сборки, листы верхнего ярма вынимаются и на стержнях устанавливаются обмотки, после чего ярмо вновь зашихтовывается. Листы сердечника изолируются лаком или бумагой, имеющей толщину 0.03мм, и стягиваются при помощи изолированных шпилек. По способу охлаждения трансформаторы разделяются на масляные , обмотки которых погружены в масло и сухие , охлаждаемые воздухом. Мощные силовые трансформаторы имеют масляное охлаждение. Трансформатор в большинстве случаев не является полностью твёрдым телом, а содержит большое количество жидкого масла, которое оказывает значительное влияние на теплопередачу. В большинстве случаев в трансформаторах электропередач применяются так называемые концентрические обмотки, которые имеют вид размещённых концентрически полых цилиндров (одна в другой). Обычно ближе к сердечнику размещается обмотка низшего напряжения, требующая меньшей толщины изоляции сердечника. В трансформаторах мощностью до 560 кВА концентрическая обмотка выполняется по типу цилиндрической обмотки, в большинстве случаев имеющей два слоя. Слои обмотки выполняются из провода круглого или прямоугольного сечения. Провод наматывается впритык по винтовой линии вдоль образующей цилиндра. В трансформаторах больших мощностей концентрическая обмотка низшего напряжения выполняется по типу винтовой, в которой между двумя соседними по высоте витками оставляется канал. В трансформаторах на напряжение 35 кВ и более применяют концентрическую обмотку, выполненную по типу непрерывной, в которой, отличие от винтовой, каждый виток состоит из нескольких концентрически намотанных витков обмотки. Катушки этой обмотки наматываются непрерывно одним проводом без пайки. При воздействии осевых сжимающих усилий, возникающих при внезапных коротких замыканиях, наиболее надёжными являются непрерывные обмотки. Задачи: 1. определение основных электрических величин; 2. определение основных размеров и изоляционных промежутков; 3. выбор конструкции и расчет обмоток трансформатора; 4. расчет параметров короткого замыкания; 5. расчет магнитопровода; 6. расчет параметров холостого хода; 7. расчет бака; 8. тепловой расчет; 9. конструирование и разработка технической документации (конструкторская проработка выполняется одновременно с проектированием на каждом этапе).
РАСЧЕТ ЭЛЕКТРИЧЕСКИХ ВЕЛИЧИН Расчет электрических величин является первым этапом проектирования трансформатора. Результаты, полученные на этом этапе, определяют выбор основных размеров, электромагнитных нагрузок на последующих этапах. Ниже приводится перечень этих электрических величин и соотношения для их расчета. 1.1. Мощность на один стержень магнитопровода
где mст - число стержней магнитопровода. Для рассматриваемого трансформаторов m=mст =3. 1.2. Номинальный (линейный) ток обмотки низкого напряжения (НН)
1.3. Номинальный (линейный) ток обмотки высокого напряжения (ВН)
1.4. Номинальные фазные токи при соединении фаз обмотки в Y/ D
1.5. Фазные напряженияY/ D
1.6. Испытательные напряжения обмоток. Испытательные напряжения ( U1 ИСП , U2 ИСП ) выбираются в зависимости от номинального напряжения обмоток, которое определяет класс напряжения трансформатора. Для выбора испытательного напряжения руководствуюсь данными табл. 1.1. Таблица.1.1 Испытательные напряжения промышленной частоты для масляных силовых трансформаторов
U1исп = 35кВ U2исп = 85кВ 1.7. Активная составляющая напряжения короткого замыкания
1.8. Реактивная составляющая напряжения короткого замыкания
2. ОПРЕДЕЛЕНИЕ ОСНОВНЫХ РАЗМЕРОВ ТРАНСФОРМАТОРА
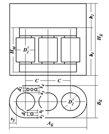
Рис.1. Основные размеры трансформатора 2.1 Изоляционные промежутки (рис 1) между обмотками и магнитопроводом выбираются в соответствии с номинальной мощностью трансформатора и испытательными напряжениями по табл. 2.2, 2.3. Выбранные величины изоляционных промежутков сведены в табл. 2.1. Таблица.2.1 Значения изоляционных промежутков трансформатора
Таблица.2.2 Минимально допустимые изоляционные расстояния для обмоток НН
примечание: ** Принимается равным l02 по табл. 2.3. Таблица.2.3 Минимально допустимые изоляционные расстояния для обмотки ВН
2.2 Предварительное значение приведенной ширины обмоток НН и ВН. Приведенная ширина обмоток НН и ВН
определяется по следующей формуле
где коэффициент ka находится из табл. 2.4, S ст (кВА). Принимаем ka =4.6 Таблица.2.4 Значения коэффициента ka в формуле 4.2
2.3. Ширина приведенного канала рассеяния
2.4 Диаметр стержня магнитопровода d определяется выражением, полученным в [4]:
Как видно из (2.1) для нахождения диаметра стержня трансформатора необходимо предварительное определение двух величин : - основного геометрического коэффициента - расчетной индукции стержня Вр . 2.4.1. Значение параметра
влияет на массогабаритные и стоимостные показатели трансформатора. При выборе его можно руководствоваться рекомендациями табл. 2.5. принимаем Значение параметра = 1.5 Таблица.2.5 Рекомендуемые значения для масляных трансформаторов
2.4.2. Предварительное значение расчетной индукции в стержне магнитопровода
где Вс - индукция в стали магнитопровода; kЗ - коэффициент заполнения пакета активной сталью. kкр - коэффициент заполнения круга ступенчатой фигурой. Предварительные значения коэффициентов в (2.7)
Таблица.2.6
Таблица.2.7
Индукция в стали стержня магнитопровода определяется маркой электротехнической стали и мощностью трансформатора. В настоящее время для изготовления магнитопроводов трансформаторов применяется холоднокатанные анизотропные стали, для которых рекомендуемые уровни индукций приведены в табл. 2.8 Таблица 2.8 Рекомендуемая индукция в стержнях силовых масляных трансформаторов
По таблице 2.8 принимаем марку стали 3411 или 3412 или 3413 и Вс =1.55. Значит Получим диаметр стержня магнитопровода
2.5 Нормализованный диаметр стержня магнитопровода. определяется округлением рассчитанного по ( 2.1 ) диаметра стержня магнитопровода до ближайшего значения по нормализованной шкале dН ( табл. 2.9). Таблица.2.9 Нормализованный диаметр стержня (мм)
Принимаем dН = 230 мм. При этом корректируется величина Измененное значение
2.6. Предварительное значение сечения стержня магнитопровода (мм2 ), определяемое диаметром (d, мм)
2.7. Средний диаметр обмоток трансформатора
где коэффициент kd принимаем на этом этапе для медной обмотки - kd =1,39. 2.8 Высота обмоток трансформатора
2.9 Предварительное значение средней плотности тока обмоток Dср (А/мм2 ) для медной обмотки
для алюминиевой обмотки
Здесь Pк (Вт) и S (кВА) - мощность короткого замыкания и полная мощность трансформатора, заданные в техническом задании; d 12 – средний диаметр обмоток (мм), определяемый на этапе расчета главных размеров; k д - коэффициент, учитывающий наличие добавочных потерь и приближенно определяемый полной мощностью трансформатора по табл. 2.10; u в - ЭДС одного витка обмоток (В), определяемая соотношением
где Bc - индукция в стержне магнитопровода (Тл), определяемая маркой стали при расчете главных размеров; Пс – сечение стержня магнитопровода (мм2 ). Таблица. 2.10
По таблице 2.9 принимаем kд = 0,95 Получим Полученное по (2.8) значение плотности тока укладывается в следующие пределы: - для медной обмотки -1.8-4.5 А/мм2 ; 2.10. Сечение витка обмотки предварительно может быть определено следующим образом: первичной (НН)
вторичной (ВН)
где Iф - ток фазы обмотки , А, Dср – средняя плотность тока обмоток (А/мм2 ). Таблица.4.11 Сводная таблица
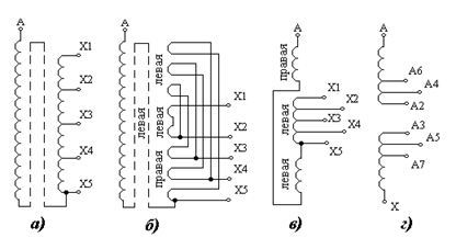
3 . ПРОЕКТИРОВАНИЕ ОБМОТОК ТРАНСФОРМАТОРА Проектирование обмоток трансформатора выполняется после выбора главных размеров трансформатора. Задачи, решаемые на этом этапе: 1. Выбор типа обмоток и схемы регулирования напряжения. 2. Расчет и выбор обмоточного провода и определение размеров обмоток. 3.1 Краткие сведения об обмотках трансформаторов Конструкции обмоток трансформаторов могут существенно различаться в зависимости от мощности и напряжения. Определяющими конструктивное исполнение обмотки являются число витков, сечение витка и класс напряжения. Классом напряжения обмотки трансформатора называют ее длительно допустимое рабочее напряжение. Класс совпадает с номинальным напряжением электрической сети, в которую обмотка включается. Каждому классу напряжения соответствуют определенные испытательные переменные напряжения при промышленной частоте и импульсные. Классом напряжения трансформатора считают класс напряжения обмотки ВН. По расположению на стержне обмотки подразделяют на концентрические (рис. 3.1, а) и чередующиеся (рис. 3.1, б). При использовании концентрических обмоток в силовых трансформаторах обмотка НН располагается внутри, а ВН - снаружи. Основным элементом каждой обмотки является виток, который состоит из одного или нескольких параллельных проводников. Совокупность витков, соединенных последовательно, образует катушку. Обмотка может состоять из одной или нескольких катушек. Витки, вплотную намотанные на цилиндрической поверхности, образуют слой. Катушки называют «правыми», если обход вдоль витков совершается по часовой стрелке, и «левыми», если обход идет против часовой стрелки (по аналогии с обозначением резьбы винта) От направления намотки витков зависит направление ЭДС, индуцированной в катушке, и направление магнитных силовых линий. По соображениям удобства изготовления большинство обмоток трансформаторов выполняют с левой намоткой.
Силовые трансформаторы должны позволять регулировать напряжение на нагрузке в небольших пределах. Такое регулирование напряжения осуществляется изменением коэффициента трансформации. С этой целью одна из обмоток (обмотка ВН) должна иметь несколько отпаек. В силовых трансформаторах предусматривается два вида регулирования напряжений силового трансформатора: - регулирование напряжения путем переключения ответвлений обмотки без возбуждения (ПБВ) после отключения всех обмоток трансформатора от сети; - регулирование напряжения под нагрузкой (РПН), без отключения обмоток трансформатора от сети. В масляных трансформаторах мощностью от 25 до 200000 кВА с ПБВ стандартами ГОСТ 12022-66; 11920-73 и 12965-74 предусмотрено выполнение на обмотках ВН четырех ответвлений на +5; +2,5; -2,5 и -5% от номинального напряжения помимо основного зажима с номинальным напряжением. 3.2 Выбор типа обмоток Проектирование обмоток трансформатора осуществляется с учетом производственных и эксплуатационных требований, предъявляемых к ним. Производственные требования сводятся к оптимизации затрат материалов и труда на производство трансформатора. Это обеспечивается выбором рационального типа обмотки, материала обмоточного провода, компактным размещением и распределением витков и катушек чтобы ограничить расход обмоточного провода и обеспечить наилучшее заполнение окна магнитопровода. К эксплуатационным требованиям относятся механическая прочность при воздействии сил короткого замыкания и ограниченный нагрев обмоток в номинальном режиме работы. Механическая прочность обеспечивается рациональным расположением витков и катушек так, чтобы ограничить возникающие электромагнитные усилия. Для достижения необходимой нагревостойкости следует обеспечить эффективную теплоотдачу от обмотки в охлаждающую среду путем создания развитой охлаждающей поверхности и выбором рациональной плотности тока. Требование эффективной теплоотдачи ограничивает радиальный размер обмотки между двумя охлаждающими поверхностями. Основные параметры для выбора типа обмоток следующие: 1. Мощность трансформатора (S, кВА). 2. Ток фазы обмотки (Iф , А). 3. Номинальное напряжение (Uном , кВ) . 4. Сечение витка обмотки (П, мм2 ). 5. Схема регулирования напряжения (для обмоток ВН). Первые четыре параметра определены техническим заданием, либо предыдущим этапом проектирования (выбор главных размеров). На выбор схемы регулировочных ответвлений влияет ряд факторов: - схема соединения обмоток; - тип обмотки; - механическая прочность при коротких замыканиях; - напряжение между частями обмотки. На рис. 3.3 показаны наиболее употребительные схемы выполнения регулировочных ответвлений в обмотках ВН трансформаторов и стандартные обозначения начал, концов и ответвлений обмоток ВН
При соединении обмоток в звезду наиболее целесообразны схемы рис. 3.3, а, б, в, поскольку допускают применение наиболее простого и дешевого переключателя - одного на три фазы трансформатора. В этих схемах рабочее напряжение между отдельными частямипереключателя не превышает 10% линейного напряжения трансформатора. Схема по рис. 3.3, г требует или трех отдельных переключателей для каждой фазы или одного трехфазного переключателя. В последнем рабочее напряжение между отдельными его частями может достигать 50% номинального напряжения обмотки, однако и такие переключатели находят широкое применение. При соединении обмоток треугольником наиболее целесообразна схема по рис. 3.3, г . В схемах регулирования, регулировочные витки каждой фазной обмотки присоединяются к линейному зажиму соседней фазы и рабочее напряжение между контактами различных фаз на переключателе достигает 100% номинального напряжения обмотки. Схема по рис. 3.3, в при соединении обмотки в треугольник не применяется. Схемы регулирования по рис. 3.3, а, б могут быть реализованы в цилиндрических обмотках, а по рис. 3.3, в, г - в катушечных. Особенностью схемы по рис. 3.3, в является то, одна половина обмотки мотается правой, а другая левой намоткой. Для снижения механических усилий, действующих на обмотку при коротком замыкании, рекомендуется размещать симметрично относительно середины высоты обмотки, например по схемам рис. 3.3, б, в, г . Схема по рис. 3.3 а для регулирования напряжения при многослойной цилиндрической обмотке применяется в трансформаторах мощностью до 160 кВА. При регулировании напряжения по схемам на рис. 3.3, в и г в месте разрыва обмотки в середине ее высоты образуется изоляционный промежуток в виде горизонтального радиального масляного канала. Иногда этот канал заполняется набором шайб, изготовленных из электроизоляционного картона. Размер этого промежутка по схеме рис. 3.3, в определяется половиной фазного напряжения обмотки, а при схеме по рис. 3.3 г - примерно 0,1 фазного напряжения. Увеличение этого промежутка нежелательно, так как приводит к существенному увеличению осевых механических сил в обмотках при коротком замыкании, возрастающих также и с ростом мощности трансформатора. Именно это обстоятельство ограничивает применение схемы по рис. 3.3, в напряжением не свыше 38,5 кВ и мощностью не более 1000 кВА. Указанные выше соображения позволяют выбрать тип обмоток (первичной и вторичной) по табл. 3.1. Основные свойства и пределы применимости обмоток разных типов Таблица 3.1
3 .3. Расчет обмоток 3.3.1. Число витков в фазе обмотки НН
Полученное по (3.1) значение w1
округляется до ближайшего целого числа При этом корректируется ЭДС одного витка
3.3.2. Число витков обмотки ВН при номинальном напряжении
3.3.3. Напряжение одной ступени регулирования
3.3.4. Число витков одной ступени регулирования при соединении обмотки ВН в звезду
Полученное по ( 3.5 ) значение w2р округляется до ближайшего целого числа. w2р = 42 3.3.5. Полное число витков обмотки ВН (при четырех ступенях регулирования)
3.3.6. Число витков основной части обмотки ВН (при четырех ступенях регулирования)
3.3.1 Многослойная цилиндрическая обмотка из прямоугольного провода Обмотка этого типа может применяться в качестве обмотки высокого напряжения (в некоторых случаях низкого напряжения) в масляных трансформаторах класса напряжения 10 и 35 кВ мощностью свыше 1000 кВА.
3.3.16. По сечению витка (П, мм2 ) выбирается провод из сортамента обмоточного провода по табл.3.5, 3.6 (в один провод или несколько параллельных проводов). Размеры выбранного провода записываются в следующем виде:
Для обмотки ВН
Для обмотки НН
3.3.17. Высота витка Для обмотки ВН
Для обмотки НН
где b/ - размер провода в изоляции в осевом направлении (мм), nв – число параллельных проводов в витке. 3.3.18 Число витков в слое Для обмотки ВН
Для обмотки НН
где l – высота обмотки (мм), предварительно определенная на этапе выбора главных размеров. Полученное значение wсл округляется до целого числа. 3.3.19. Число слоев обмотки Для обмотки ВН
Для обмотки НН
округляется до большего целого числа. 3.3.20. Уточненный осевой размер обмотки: Для обмотки ВН
Для обмотки НН
3.3.21. Для расчета радиального размера обмотки необходим выбор междуслойной изоляции, которая определяется напряжением двух слоев Для обмотки ВН
Для обмотки НН
По табл.3.2 выбирается число слоев и общая толщина (dмсл ) для междуслойной изоляции. Таблица 3.2. Междуслойная изоляция в многослойной цилиндрической обмотке из прямоугольного провода
3.3.22. Радиальный размер обмотки с учетом междуслойной изоляцииДля обмотки ВН
Для обмотки НН
где a/ - радиальный размер провода в изоляции (мм). Этот размер (a ) не должен превышать предельного значения (между двумя охлаждающими каналами) по допустимой плотности теплового потока, определяемого по рис.4.13 (для масляного трансформатора q=1200-1500 Вт/м2 ). Если размер (a ) превышает предельное значение, то обмотка делится на 2 (или более) катушки с осевым каналом между ними . Ширина канала a к = 0,01 l , но не менее 5 мм. Принимаем aк = 5 мм. При этом радиальный размер обмотки увеличивается на ширину канала (или каналов) : Для обмотки ВН
Для обмотки НН
где n – число катушек 3.3.23. Полное сечение витка из nв параллельных проводов Для обмотки ВН
Для обмотки НН
где П/ - сечение выбранного провода, мм2 . 3.3.24. Уточненная плотность тока Для обмотки ВН
Для обмотки НН
3.3.25. Поверхность охлаждения обмотки Для обмотки ВН
Для обмотки НН
где k – коэффициент, учитывающий закрытие части обмотки рейками и другими изоляционными деталями (k = 0,75). 3.4.Окончательные размеры обмоток
Вес обмотки (кг) определяется соотношением:для медного провода
где mcт - число стержней магнитопровода; П - сечение витка обмотки; w - число витков обмотки. Dср - средний диаметр обмотки. Вес обмотки медной обмотки(кг): Для обмотки НН
Для обмотки ВН
Таблица 3.4. Основные параметры обмоток
Примечание * для катушечной обмотки ** для цилиндрических обмоток Таблица 3.5. Размеры и сечения прямоугольного медного провода (Марка ПББО)
Примечание. Толщина изоляции на две стороны: нормальная 0,5 мм, усиленная 1,0 ; 1,4 ; 2,0 ммТаблица 3.6. Размеры и сечения прямоугольного алюминиевого провода (Марка АПБ)
Примечание. Толщина изоляции на две стороны : нормальная 0,50 мм ; усиленная 1,06 ; 1,50 ; 2,07 мм4. РАСЧЕТ ПАРАМЕТРОВ КОРОТКОГО ЗАМЫКАНИЯ 4.1 Потери в обмотке Pобм определяются плотностью тока, материалом и весом обмоточного провода
где в - уточненная плотность тока в обмотке; k – коэффициент, учитывающий плотность и электропроводность материала обмотки (для медного провода k=2,4 , для алюминиевого провода k=12,75); kдоп – коэффициент, учитывающий дополнительные потери в обмотке (приближенно можно принять kдоп = 1,09 ). 4.2 Общие потери короткого замыкания
где kотв –учитывает потери в отводах обмоток, в стенках бака, других элементах конструкции от потоков рассеяния (ориентировочно можно принять kотв =1,1). 4.3. Активная составляющая напряжения короткого замыкания
4.4. Реактивная составляющая напряжения короткого замыкания
Здесь ширина приведенного канала рассеяния (aр ) и параметр b определяются реальными размерами спроектированной обмотки:
Принимаем
Коэффициент kр учитывает реальное распределение потоков рассеяния (kр = 0,93-0,98). 4.5.Полное напряжение короткого замыкания
5. РАСЧЕТ МАГНИТОПРОВОДА Основные размеры и данные стержня магнитной системы—его диаметр и высота, активное сечение — приближенно определяются в начале расчета трансформатора до расчета обмоток. Окончательный расчет магнитной системы обычно проводится после того, как установлены размеры обмоток трансформатора и главных изоляционных промежутков и проверены некоторые параметры трансформатора—потери и напряжение короткого замыкания. При окончательном расчете определяются: размеры пакетов стержня и ярма, расположение охлаждающих каналов, схему шихтовки, активные сечения стержня и ярма, число пластин стали в пакетах, высота стержня, расстояние между осями стержней, полный вес стали в трансформаторе. После окончательного установления всех размеров определяются потери и ток холостого хода. Размеры пакетов стержня следует выбирать с таким расчетом, чтобы площадь поперечного сечения (ступенчатой фигуры) стержня была максимально возможной (рис.5.1, а). Форма поперечного сечения ярма несколько отличается от формы сечения стержня. В средней своей части по размеры пакетов ярма и стержня делают одинаковыми, а крайние пакеты выполняются более широкими путем объединения двух-трех пакетов в один (рис. 5.1 б). Это делается с целью улучшения прессовки ярма ярмовыми балками, более равномерного распределения давления но ширине пакетов и уменьшения веера пластин на углах пакетов. Шихтованные магнитопроводы собирают перекладывая пластины стержней и ярем в переплет, благодаря чему уменьшаются воздушные зазоры. Форма стыка пластин стержней и ярм определяет схему шихтовки магнитопровода (рис. 5.2): - с прямыми стыками; - с косыми стыками; - с комбинированными стыками. Для магнитопроводов из холоднокатанных сталей применяются схемы с косыми и комбинированными стыками.
5.1 Определение числа и размеров пакетов стержня производится по табл 5.3. в зависимости от диаметра стержня магнитопровода. Результаты занесены в табл. 5.1. Таблица 5 .1.
5.2. Сечение стержня магнитопровода
5.3 Определение числа и размеров пакетов ярма производится по табл 5.3. в зависимости от диаметра стержня магнитопровода. Результаты занесены в табл. 5.2. Таблица 5 .2.
Таблица 5 .3.
5.4. Сечение ярма магнитопровода
5.5. Уточненное значение индукции в стержне магнитопровода
где kЗ - коэффициент заполнения пакета активной сталью, выбираемый по табл. 5.4. Принимаем kЗ = 0,95 5.6. Значение индукции в ярме магнитопровода Таблица 5 .4. Коэффициент заполнения пакета стержня сталью
5.7. Длина стержня магнитопровода
5.8. Высота ярма
5.9. Высота магнитопровода
5.10. Расстояние между осями стержней
5.11. Ширина пакета магнитопровода
5.12. Магнитопровод трансформатора представляет собой сложную пространственную фигуру. Для определения объема стали магнитопровода удобно ввести понятие объема угла магнитопровода
Тогда весь объем магнитной системы можно определить как сумму объемов - двух ярем
- трех стержней
5.13. Вес стали магнитопровода
6. РАСЧЕТ ПАРАМЕТРОВ ХОЛОСТОГО ХОДА 6.1. Потери холостого хода
где p с - удельные потери в стали стержней p я - удельные потери в стали ярем k д - коэффициент добавочных потерь (k д =1.1) Удельные потери в (6.1) можно определить по табл. 6.4. по величине индукции в стержне и ярме. p с =1,134 Вт/кгq с = 585 ВА/кг q зс =17890 ВА/м2 p я =1,295 Вт/кгq я = 645 ВА/кг 6.2. Полная намагничивающая мощность
где q с - удельная намагничивающая мощность в стали стержней q я - удельная намагничивающая мощность в стали ярем q я - удельная намагничивающая мощность в области стыков стержней и ярем. 6.3. Реактивная составляющая тока холостого хода.
6.4. Активная составляющая тока холостого хода.
6.5. Ток холостого хода.
Таблица 6.4 Удельные потери и намагничивающая мощность стали 3404 толщиной 0.35 мм
7. РАСЧЕТ БАКА Размеры бака определяются габаритами активной части и минимальными изоляционными расстояниями от обмоток и отводов до стенок бака. Эти расстояния определяются по табл. 7.1 -7.2 Таблица 7.1. минимальное расстояние от крышки до ярма h 2
Таблица 7 .2. минимальное расстояние от отвода до обмотки s1 , s3
минимальное расстояние от отвода до стенки бака s2 , s4
7.1. Диаметр отвода обмотки ВН
7.2 По рассчитанным размерам бака необходимо определить поверхность охлаждения бака Пбак - площадь крышки и боковой поверхности.
8. ТЕПЛОВОЙ РАСЧЕТ Тепловое состояние электрической машины является важным фактором ее работоспособности. Это связано, прежде всего, с тем, что работа любой электрической машины связана с наличием изоляции между токоведущими частями. В качестве изоляции электрических машин чаще всего используются материалы органического происхождения (в трансформаторе это бумага и масло), в которые быстро разрушаются при относительно небольших температурах - около 200о С. Помимо этого в таких материалах происходят естественные процессы старения, резко ускоряющиеся при повышении температуры. Так в диапазоне температур 80-120о С увеличение температуры на каждые 6о приводит у снижению срока службы изоляции в два раза. Так при сроке службы изоляции трансформатора около 20 лет длительное увеличение температуры на 30о выше допустимой приведет к сокращению срока службы до полугода, а на 40о - до двух месяцев. Таким образом машина, правильно спроектированная в электромагнитном отношении, может оказаться совершенно неработоспособной в тепловом. Указанные обстоятельства обусловливают чрезвычайную значимость тепловых расчетов электрических машин. Однако, ввиду того, что, учебный план специальности составлен так, курсы по теории нагрева читаются позже выполнения проекта, то тепловой расчет трансформатора резко упрощен и представляет собой лишь приблизительную оценку теплового состояния трансформатора. Такая оценка может быть получена на основе закона Ньютона-Рихмана, описывающий процесс конвективного переноса теплоты
где P - мощность, выделяемая в объеме нагреваемого тела; Похл - площадь поверхности тела, через которую происходит охлаждение; a - коэффициент теплоотдачи с поверхности; Q - температура нагреваемого тела; Qос - температура окружающей среды. При этом предполагается, что весь внутренний объем трансформатора представляет собой однородное тело с идеальной теплопроводностью. Для проведения тепловых расчетов удобно ввести величину перегрева - превышения температуры охлаждаемой поверхности на температурой охлаждающей среды
В нашем случае мощность Р в уравнении (8.1) - это мощность потерь холостого хода и короткого замыкания, которые были определены на этапе электромагнитного расчета, и таким образом, на этапе теплового расчета являются заданной величиной. Величина перегрева определяется классом применяемой изоляции и потому также известна. Поэтому тепловой расчет сводится к определению поверхности охлаждения, обеспечивающей допустимые значения перегрева при заданной мощности потерь
Для масляного трансформатора поверхностью охлаждения является поверхность бака. С увеличением габарита трансформатора мощность потерь растет быстрее, чем объем а следовательно и поверхность бака. Для уменьшения габаритов в этом случае применяют баки с волнистой поверхностью, радиаторы, обладающие развитой поверхностью охлаждения. Ориентировочно, тип бака можно определить по табл. 8.1. Таблица 8.1. Области применения баков различной конструкции
8.1. Коэффициент теплоотдачи с плоской поверхности;
где k ф - коэффициент формы поверхности (для гладкой стенки k ф =1) 8.2. Предварительное значение общей поверхности охлаждения
Величину перегрева в (8.5) принять равной DQ=65о С. 8.3. Поверхность охлаждения радиаторов
где k ф = 1.3 - коэффициент формы поверхности для радиаторов. 8.4.Используя табл. 8.2, выбрать необходимое количество и тип радиатора.
Таблица 8.2. Основные данные трубчатых радиаторов с прямыми трубами.
ПРИМЕЧАНИЯ: 1. Минимальное расстояние осей фланцев радиатора от нижнего и верхнего срезов стенки бака 2. Ширина радиатора (В) 354 мм для однорядного и 505 мм для двухрядного. 3. Длина радиатора (С) 158 и 253 мм соответственно. Принимаем трубчатые радиаторы с прямыми трубами со следующими параметрами
ЛИТЕРАТУРА 1. Вольдек А. И. Электрические машины. Л: Энергия, 1978, 832 с. 2. Сергеенков Б.Н., Киселев В.М., Акимова Н.А. Электрические машины: Трансформаторы: Учеб. пособие для электромех. спец. вузов. - М.: Высш. шк., 1989 - 352 с. 3. Лейтес Л.В.. Электромагнитные расчеты трансформаторов и реакторов. М.:Энергия, 1981. 392 с. 4. Тихомиров П.М. Расчет трансформаторов: Учеб. пособие для вузов, 5 -е изд., перераб. и доп. М.: Энергоатомиздат, 1986. 528 с. 5 . Сапожников А.В. Конструирование трансформаторов. -М. - Л: Госэнергоиздат. 1959.360с. 6. Аншин В.Ш., Хадяков З.Т. Сборка трансформаторов и их магнитных систем. М.: Высш. шк. 1895. 272 с.. 7. Боднар В. В. Нагрузочная способность силовых масляных трансформаторов. М.: Энергоатоминздат, 1983. 176 с. 8. Испытания мощных трансформаторов и реакторов /Г. В. Алексенко, А.К.Ашрятов, Е.В.Веремей, Е.С.Фрид. М-: Энергия, 1978. 519 с. 9. ГОСТ 11 677-85. Трансформаторы силовые масляные. |
|||||||||||||||||||||||||||||||||||||||||||||||||||||||||||||||||||||||||||||||||||||||||||||||||||||||||||||||||||||||||||||||||||||||||||||||||||||||||||||||||||||||||||||||||||||||||||||||||||||||||||||||||||||||||||||||||||||||||||||||||||||||||||||||||||||||||||||||||||||||||||||||||||||||||||||||||||||||||||||||||||||||||||||||||||||||||||||||||||||||||||||||||||||||||||||||||||||||||||||||||||||||||||||||||||||||||||||||||||||||||||||||||||||||||||||||||||||||||||||||||||||||||||||||||||||||||||||||||||||||||||||||||||||||||||||||||||||||||||||||||||||||||||||||||||||||||||||||||||||||||||||||||||||||||||||||||||||||||||||||||||||||||||||||||||||||||||||||||||||||||||||||||||||||||||||||||||||||||||||||||||||||||||||||||||||||||||||||||||||||||||||||||||||||||||||||||||||||||||||||||||||||||||||||||||||||||||||||||||||||||||||||||||||||||||||||||||||||||||||||||||||||||||||||||||||||||||||||||||||||||||||||||||||||||||||||||||||||||||||||||||||||||||||||||||||||||||||||||||||||
, A
, %
.
, мм



, А/мм2
, А/мм2







, %

, мм3

