"ЯНВАРЬ-4" СИСТЕМА УПРАВЛЕНИЯ 8V-ДВИГАТЕЛЯ "ВАЗ-2111" А ВТОМОБИЛЯ "ВАЗ-21093-20
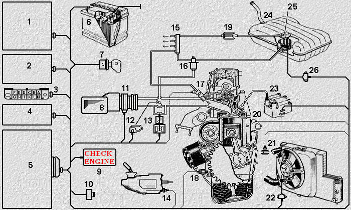
1.Модуль кондиционера 8. Воздушный фильтр 15. Распределитель топлива (рампа) 22. Реле включения вентилятора 2.Иммобилизатор 9. Лампа "CHECK ENGINE" 16. Регулятор давления топлива 23. Модуль зажигания 3.Диагностический разъем 10. СО-потенциометр 17. Топливная форсунка (инжектор) 24. Топливный бак 4.Главное реле 11. Расходомер воздуха 18. Датчик положения колен вала 25. Топливный насос 5.Контроллер 12. Датчик положения др.заслонки 19. Топливный фильтр 26. Реле включения бензонасоса 6.Аккумулятор 13. Регулятор холостого хода 20. Датчик детонации 7.Замок зажигания 14. Датчик скорости автомобиля 21. Термодатчик ох.жидкости план
1."ЯНВАРЬ-4"- СИСТЕМА УПРАВЛЕНИЯ 8V-ДВИГАТЕЛЯ "ВАЗ-2111"АВТОМОБИЛЯ "ВАЗ-21093-20 2. Методика считывания кодов неисправностей из ОЗУ 3. CO-Потенциометр обратной связи (СОП) 4. Датчик массового расхода воздуха 5. Датчик положения дроссельной заслонки 6. Корпус дроссельной заслонки 7. Датчик положения коленчатого вала 8. Регулятор холостого хода 9. Датчик скорости автомобиля 10. Заключение "ЯНВАРЬ-4" СИСТЕМА УПРАВЛЕНИЯ 8V-ДВИГАТЕЛЯ "ВАЗ-2111" АВТОМОБИЛЯ "ВАЗ-21093-20"
Система управления двигателем состоит из подсистемы управления распределенной подачей топлива (впрыском топлива) и подсистемы управления зажиганием. Обе подсистемы управляются эл. блоком управления (контроллером ) и обеспечивают работоспособность двигателя. Система включает в себя (см. Рис.1) топливный бак, эл. бензонасос, реле бензонасоса, топливный фильтр, распределитель (аккумулятор) топлива, мех. регулятор давления топлива, инжекторы ( по одному на каждый цилиндр двигателя ), датчик массового расхода воздуха (ДМРВ), датчик положения дроссельной заслонки (ДПДЗ), потенциометр обратной связи (СО-потенциометр), датчик детонации (ДД), датчик температуры охлаждающей жидкости (ДТОЖ), датчик скорости автомобиля (ДСА), датчик положения коленчатого вала (ДПКВ), эл. блок управления, модуль зажигания, аккумулятор, замок зажигания, контрольную лампу "CHECK ENGINE", вентилятор системы охлаждения двигателя (ВСОД), регулятор холостого хода (РХХ) и может включать в себя адсорбер, иммобилизатор, кондиционер. Подсистема управления подачей топлива функционирует следующим образом: топливный эл. насос ( через топливный фильтр ) подает топливо из топливного бака к рампе ( распределителю ) топлива на которой установлен регулятор давления топлива подаваемого к форсункам. Мембранный регулятор давления топлива устанавливает уровень давления в системе около 300 мПа и возвращает излишки топлива в топливный бак через обратный топливопровод. Кроме того, давление топлива в системе зависит от разрежения во впускном тракте, которое подведено к регулятору давления. На диафрагму перепускного клапана регулятора давления топлива с одной стороны воздействует давление топлива, а с другой - давление пружины и давление всасываемого воздуха. За счет этого обеспечивается оптимальное давление топлива в системе в прямой зависимости от положения дроссельной заслонки и нагрузки двигателя.
Топливные форсунки управляются контроллером и обеспечивают одновременную подачу топлива во впускной коллектор каждого цилиндра двигателя при каждом обороте коленчатого вала. Количество поступающего в камеры сгорания топлива пропорционально времени открытия форсунок. Контроллер, в свою очередь, регламентирует это время определяя его по сигналам датчиков установленных на двигателе. Момент подачи управляющего сигнала на форсунки контроллер определяет по сигналу датчика положения коленчатого вала. В режиме пуска двигателя контроллер переходит в асинхронный режим управления форсунками до достижения оборотов двигателя на уровне 400 об/мин. Подача топлива в камеры сгорания прекращается в режиме продувки двигателя (дроссельная заслонка открыта более чем на 75% , а вращение коленчатого вала при этом - менее 400 об/мин.) и может кратковременно прекращаться в режиме торможения двигателем в зависимости от температуры охлаждающей жидкости, частоты вращения коленчатого вала, скорости движения автомобиля и угла открытия дроссельной заслонки. Обогащение топливной смеси в режимах повышенной нагрузки двигателя и ускорений контроллер производит увеличивая время открытия форсунок, регламентируя его по сигналам датчика положения дроссельной заслонки и датчика массового расхода воздуха, учитывая при этом скорость движения автомобиля, по сигналам датчика скорости. Эл.блок управления контролирует напряжение питания в бортовой сети автомобиля и при его значительном снижении увеличивает время открытия форсунок, компенсируя (из-за низкого напряжения питания) замедленное включение эл.механических клапанов форсунок. На всех режимах работы двигателя по сигналам датчиков положения дроссельной заслонки и массового расхода воздуха контроллер определяет количество поступающего в двигатель воздуха и регулирует подачу топлива форсунками для обеспечения необходимого состава топливной смеси. При прогреве холодного двигателя и на холостом ходу контроллер управляет работой регулятора холостого хода и в зависимости от нагрузки и температуры двигателя обеспечивает обороты коленчатого вала на необходимом уровне. При быстром закрытии дроссельной заслонки на ходу автомобиля контроллер увеличивает подачу воздуха регулятором холостого хода. Таким образом обедняется топливная смесь для обеспечения снижения токсичности выхлопных газов. Управление зажиганием осуществляет контроллер по сигналам датчика положения коленчатого вала и учитывая текущий режим работы двигателя по сигналам других датчиков. Электронный блок управления (контроллер) является микропроцессорной системой с энергонезависимым постоянным запоминающим устройством (ПЗУ), энергонезависимым перепрограммируемым запоминающим устройством (ППЗУ) и оперативным запоминающим устройством (ОЗУ) сохраняющим данные только при наличии напряжения питания. В данных ПЗУ хранятся программа работы микропроцессора и таблицы параметров двигателя. Для хранения промежуточных значений микропроцессор использует ОЗУ. Контроллер управляет исполнительными устройствами впрыска топлива (зажигание, форсунки и т.д.) и кроме того, осуществляет диагностику работы датчиков. При обнаружении неисправности контроллер зажигает лампу "CHECK ENGINE" и сохраняет в ОЗУ код ошибки, который может быть считан мультитестером или индицирован лампой "CHECK ENGINE" в режиме сканирования кодов диагностики.
Схема соединений элементов
 Свечи зажигания15. Модуль кондиционера Модуль зажигания 16. Тахометр Аккумулятор 17. Спидометр Замок зажигания 18. Датчик скорости Главное реле 19. Вентилятор радиатора о.ж. Реле бензонасоса 20. Датчик расхода воздуха Бензонасос 21. СО-потенциометр Диагностический разъем 22. Термодатчик ох.жидкости Топливные форсунки 23. Датчик положения др.заслонки Контроллер 24. Реле вентилятора Регулятор холостого хода F. Предохранитель Датчик детонации FUSE. К бортовому компьютеру Датчик положения коленвала 14. Лампа "CHECK ENGINE" Методика считывания кодов неисправностей из ОЗУ Методика считывания кодов неисправностей из ОЗУ (оперативного запоминающего устройства) контроллера аналогична методике контроллера "GM" и правомерна по отношению ко всем автомобилям оборудованных системой управления двигателем "Январь-4". При обнаружении неисправности контроллер сохраняет ее код в ОЗУ и зажигает лампу "CHECK ENGINE" которая указывает на необходимость проведения диагностики и устранения неисправности. В памяти эл.блока управления запоминается двухразрядный код ошибки ( 12-99 ), который индицируется этой лампой при инициализации режима вывода кодов самодиагностики. Стирание кодов ошибок в ОЗУ контроллера происходит при отключении питания. Если Вам нужно их стереть, необходимо при выключенном зажигании отключить плюсовую клемму аккумулятора на 10-15 сек. Соответственно самодиагностику нужно проводить не менее чем через 10-20 мин. эксплуатации автомобиля (лучше на разных нагрузках), после последнего отключения аккумулятора. !!! ВНИМАНИЕ !!! При отключении аккумулятора могут быть потеряны предустановки критичных дополнительных устройств (магнитола, сигнализация и т.д.). В этом случае можно просто отключить предохранитель эл.блока, если к данной цепи не подключены критичные устройства. В противном случае можно снять разъем с самого эл.блока. Кроме того, в ОЗУ будут потеряны коды коррекции и до их восстановления (до 30 мин. эксплуатации) стоит воздержаться от динамичной езды и резких ускорений. | Диагностический разъем | |  | | A | Заземление | | B | Инициализация режима считывания кодов | | F | T.C.C. (может не быть) | | G | Управление бензонасосом | | H | Скорость обмена данных | | M | Последовательный код |
| Для инициализации режима выдачи кодов диагностики необходимо при выключенном зажигании замкнуть между собой контакты " А " и " В " разъема диагностики или контакт "В" на корпус автомобиля и включить зажигание не запуская двигатель. Код ошибки высвечивается вспышками лампы "CHECK ENGINE" в последовательном виде - сначала старший разряд, затем (после паузы) младший. Например: вспышка , пауза , вспышка , вспышка будут соответствовать коду "12" - работоспособность самодиагностики. При инициализации данного режима, индикатор сначала три раза подряд выдаст код "12" и далее трижды каждый код | неисправности. Если в начале теста не выводится код " 12 ", значит неисправность в самом эл.блоке управления. Если в памяти контроллера коды неисправностей отсутствуют, лампа "CHECK ENGINE" продолжит вывод кода " 12 ". Кроме того, в режиме сканирования кодов могут быть включены реле эл.вентилятора системы охлаждения двигателя и реле муфты кондиционера (если он установлен), а регулятор холостого хода устанавливается в положение прекращения дополнительной подачи воздуха. | Таблица кодов диагностики контроллера индицируемых лампой "CHECK ENGINE" | | * 13 | Низкий уровень сигнала лямбда-зонда | | 14 | Низкий уровень сигнала термодатчика охлаждающей жидкости | | 15 | Высокий уровень сигнала термодатчика охлаждающей жидкости | | 16 | Повышенное напряжение бортовой сети | | 17 | Пониженное напряжение бортовой сети | | 19 | Ошибка сигнала датчика положения коленвала | | 21 | Высокий уровень сигнала датчика положения дроссельной заслонки | | 22 | Низкий уровень сигнала датчика положения дроссельной заслонки | | * 23 | Высокий уровень сигнала термодатчика всасываемого воздуха | | 24 | Отсутствие сигнала датчика скорости автомобиля | | * 25 | Низкий уровень сигнала термодатчика всасываемого воздуха | | * 26 | Высокий уровень сигнала термодатчика всасываемого воздуха | | 27 | Высокий уровень сигнала СО-потенциометра | | 28 | Низкий уровень сигнала СО-потенциометра | | 33 | Ошибка сигнала датчика расхода воздуха (высокая частота) | | 34 | Ошибка сигнала датчика расхода воздуха (низкая частота) | | 35 | Ошибка сигнала частоты вращения коленчатого вала на режиме холостого хода | | * 38 | Ошибка сигнала лямбда-зонда | | * 41 | Ошибка сигнала датчика фазы | | 43 | Ошибка сигнала датчика детонации | | * 44 | Ошибка сигнала лямбда-зонда при обеднении топливной смеси | | * 45 | Ошибка сигнала лямбда-зонда при обогащении топливной смеси | | 51 | Ошибка постоянного запоминающего устройства | | 52 | Ошибка оперативного запоминающего устройства | | * 53 | Ошибка РПЗУ | | * 54 | Ошибка октан-корректора | | * 55 | Ошибка электронного блока управления | | * 61 | Ошибка иммобилизатора | | Коды отмеченные знаком "*" могут не использоваться, а соответствующие им датчики могут быть не установлены. | | P.S. Следует отметить, что прочитанные коды ошибок не всегда однозначно указывают на неисправность какого-либо датчика или элемента системы впрыска. При диагностике следует сопоставлять данные контроллера, конструктивную реакцию датчиков и конкретное поведение двигателя на холостом ходу и под нагрузкой. P.S.S. Т.к. система управления впрыском постоянно совершенствуется, в таблице могут отсутствовать некоторые коды неисправностей. | После считывания кодов ошибок необходимо выключить зажигание и через 10-15 сек. снять перемычку на разъеме диагностики.
CO-Потенциометр обратной связи (СОП)

CO-Потенциометр обратной связи (СОП) представляет собой резистивный делитель напряжения, с включенными последовательно резистором и потенциометром между входным контактом контроллера и заземлением. СОП устанавливается в моторном отсеке на стенке воздухопритока (см. Фото-1) и служит для регулировки содержания окиси углерода (СО) в выхлопных газах. Чем выше напряжение на сигнальном контакте СОП, тем ниже уровень СО в выхлопных газах. Контроллер фиксирует ошибку СПО, если управляющее напряжениевыходит за пределы заданного значения (1-5В.) и сохраняет в ОЗУ соответственно "27" или "28" код ошибки СО-потенциометра, который может быть считан в режиме диагностики. При наличии данных ошибок зажигается лампа "CHECK ENGINE" и чаще всего указывает на обрыв цепи СОП. В этом случае контроллер не учитывает сигнал СОП и переходит в режим управления двигателем по усредненным значениям. Симптомами неисправности данной цепи могут служить повышение расхода топлива, снижение динамики автомобиля и неустойчивая работа двигателя на холостом ходу.
Датчик массового расхода воздуха
Датчик массового расхода воздуха (ДМРВ 2112-1130010) является датчиком термоанемометрического типа (см. Фото-1) и выдает на контроллер частотно-импульсный сигнал (2-10кГц), изменяющийся в прямой зависимости от пройденного через него количества воздуха. Чем большее количество воздуха пройдено через датчик, тем выше частота сигнала ДМРВ. Соответственно количество пройденого через датчик воздуха зависит от углового положения дроссельной заслонки и регулятора холостого хода, через который подается воздух в обход дроссельной заслонки. По частоте импульсов ДМРВ контроллер судит о количестве воздуха поступающего в двигатель и соответственно ему регламентирует время открытия топливных форсунок, таким образом обеспечивая | необходимое соотношение в топливной смеси воздуха и топлива. ДМРВ включает в себя (см. Фото-2): 1. Кольцо-фиксатор фильтра. 2. Фильтр. 3. Фланец впускной. 4. Уплотнительное резиновое кольцо. 5. Корпус датчика. 6. Эл. плату. 7. Термоэлементы. 8. Контактный разъем. 9. Фланец выпускной. 10. Винты крепления элементов. |
| В конструкции данного датчика используются три термоэлемента. Один (центральный) используется для определения температуры окружающей его среды, а два других подогревают воздух до заданной температуры, превышающей температуру окружающего воздуха. Массовый расход воздуха определяется путем измерения электрической мощности, которая необходима для поддержания заданного превышения температуры, и преобразованием этого значения мощности в частотно-импульсный сигнал. Фильтр служит для предотвращения попадания в корпус датчика крупных частиц, которые могут вывести из строя термоэлементы. Кроме того, он выполняет роль рассекателя воздуха для обеспечения равномерного воздушного потока. Фильтр устанавливается во впускном фланце и фиксируется кольцом-фиксатором. Уплотнительные резиновые кольца установлены с обеих сторон корпуса датчика и служат для предотвращения подсоса воздуха. Особого внимания заслуживает уплотнительное кольцо между корпусом датчика и выпускным фланцем. Если в этом месте будет подсос воздуха, он может быть не учтен системой, что приведет к обеднению топливной смеси. В этом случае обеспечить оптимальный режим работы двигателя практически невозможно, т.к. в системе "Январь-4" не предусмотрена обратная связь по лямбда-зонду. Идентифицировать воздушный подсос без применения специального мультитестера достаточно проблематично. фильтр. Попадание в корпус датчика посторонних частиц может вывести его из строя. При неисправностях ДМРВ , в ОЗУ эл.блока управления сохраняется код ошибки "33" или "34", которые могут быть считаны с помощью лампы "CHECK ENGINE" в режиме считывания кодов или специальным мультитестером. При этом зажигается данная лампочка, а контроллер вычисляет значение расхода воздуха по сигналам датчика положения дроссельной заслонки и датчика положения коленчатого вала. Симптомами неисправности ДМРВ могут служить остановка двигателя при переключении передач на ходу автомобиля, провалы в работе двигателя под нагрузкой и на холостом ходу. Лампа "CHECK ENGINE", при этом, часто не загорается и определить данную неисправность подручными средствами бывает достаточно сложно. При диагностике системы необходимо внимательно изучить характер работы двигателя на разных режимах и сопоставить реакцию датчиков на тот или иной симптом. Можно рекомендовать следовать методу исключения всех возможных причин с проверкой соответствующих датчиков. Следует учитывать, что датчик массового расхода воздуха является точным измерительным прибором и, как показывает практика, "боится" ударов по корпусу.
Датчик положения дроссельной заслонки Датчик положения дроссельной заслонки необходим в системе для точного дозирования топлива. По сигналу ДПДЗ контроллер определяет текущее положение дроссельной заслонки, по скорости изменения сигнала отслеживается динамика нажатия педали акселератора, что в свою очередь является определяющим фактором для точного дозирования топлива.В режиме запуска двигателя контроллер отслеживает угол отклонения дроссельной заслонки и, если заслонка открыта более чем на 75%, переходит на режим продувки двигателя. По сигналу ДПДЗ о крайнем положении дроссельной заслонки (<0.7V), контроллер начинает управлять регулятором холостого хода (РХХ) и, таким образом, осуществляет дополнительную подачу воздуха в двигатель в обход закрытой дроссельной заслонки.Датчик положения дроссельной заслонки является датчиком потенциометрического типа (см. Фото-1) и включает в себя однооборотный переменный и постоянный резисторы. Их общее сопротивление составляет около 8кОм. На один из крайних выводов потенциометра подается из контроллера опорное напряжение (5V), а другой крайний вывод соединен с массой. От среднего вывода потенциометра, через резистор, к контроллеру подается сигнал о текущем положении дроссельной заслонки. Значение этого сигнала напряжением менее 0.7V воспринимается, как полностью закрытой дроссельной заслонки. Если это напряжение более 4V, блок управления считает, что дроссельная заслонка открыта полностью.
ДПДЗ установлен на корпусе дроссельной заслонки (см. Фото-2) и соединен с ее осью вращения. Ось дроссельной заслонки имеет специальную проточку, которая и входит в крестообразное гнездо датчика положения дроссельной заслонки Крепится ДПДЗ двумя винтами. Установка датчика на его посадочное место должна быть со смещением (см. Фото-5) и через защитную прокладку в виде колечка. После установки ДПДЗ, его необходимо повернуть до совмещения крепежных отверстий самого датчика с отверстиями на корпусе заслонки и закрепить винтами. Настройку начального положения датчика проще производить прямо на автомобиле. После монтажа ДПДЗ следует подключить разъем датчика (при выключенном зажигании), включить зажигание и проверить напряжение на сигнальном выводе. Значение напряжения должно быть менее 0.7V. Если же оно выше, сориентируйте датчик до нужного значения, ослабив винты крепления. Если система модиагностики зафиксирует ошибки датчика положения дроссельной заслонки, в RAM-буфер ошибок будут записаны коды "21" или "22", а при условии наличия постоянной ошибки, зажигается лампа "CHECK ENGINE". Следует учитывать, что данные коды указывают лишь на ошибки цепи датчика положения дроссельной заслонки и далеко не всегда указывают на неисправность самого датчика, а лишь определяют направление поиска неисправности. При зафиксированной ошибке ДПДЗ, контроллер переходит на управление впрыском по аварийной программе и расчитывает текущее положение дроссельной заслонки по датчику положения коленвала и датчику массового расхода воздуха. К типичным неисправностям цепи и датчика положения дроссельной заслонки можно отнести следующие симптомы: 1. Неравномерные обороты двигателя на холостом ходу. 2. Остановка двигателя при резком сбросе педали акселератора. 3. Ограничение максимальной мощности двигателя. 4. Рывки при движении с постоянным углом открытия дроссельной заслонки.
Корпус дроссельной заслонки Корпус дроссельной заслонки (КДЗ 2112-1148010-32)является эл.механическим узлом системы впрыска и во многом определяет нормальную работу двигателя. Корпус дроссельной заслонки включает в себя механический привод дроссельной заслонки, штуцеры для подключения шлангов системы подогрева КДЗ, штуцер для подключения шланга системы вентиляции картера двигателя на ХХ (холостом ходу), штуцер для подключения шланга системы продувки адсорбера (при отсутствии в системе адсорбера на данный штуцер установлена заглушка),  датчик положения дроссельной заслонки и регулятор холостого хода, винт для регулировки крайнего положения дроссельной заслонки и два винта для заводских (технологических) регулировок. Для более качественного смесеобразования в корпусе дроссельной заслонки предусмотрен подогрев. Данный канал связан с системой охлаждения двигателя. Во время работы двигателя охлаждающая жидкость циркулирует через корпус дроссельной заслонки и после прогрева двигателя обеспечивает подогрев КДЗ. При прохождении через корпус дроссельной заслонки подогревается и всасываемый двигателем воздух. В процессе эксплуатации автомобиля необходимо следить за состоянием шлангов, т.к. в некоторых местах они подвержены перетиранию из-за соприкосновения с другими элементами двигателя. Также имеется шланг соединяющий канал корпуса дроссельной заслонки для отвода картерных газов двигателя с головкой блока цилиндров. Данный канал обеспечивает подачу газов из картера двигателя в задроссельное пространство. Далее по впускному тракту картерные газы смешиваются с воздухом и попадают вместе с ним в камеры сгорания двигателя. Таким образом производится отвод картерных газов из двигателя на ХХ (холостом ходу). Соответственно неисправности двигателя или маслоотделителя могут привести к повышению содержания СО в выхлопных газах. Если на автомобиле устанавливается адсорбер, для его продувки в корпусе дроссельной заслонки предусмотрен канал подачи паров топлива в задроссельное пространство через канал дополнительной подачи воздуха регулятора холостого хода (РХХ). Как и воздух через РХХ, пары топлива из адсорбера попадают во впускной тракт в обход дроссельной заслонки. Соответственно при неисправности клапана продувки адсорбера (КПА) на некоторых режимах работы двигателя топливная смесь может быть недостаточно обогащенной, что может отразиться на работе двигателя. При исправной работе всех элементов в каких-либо настройках корпус дроссельной заслонки, как правило, не нуждается. Однако, в данной конструкции, на мой взгляд, есть досадный недостаток. Дело в том, что хотя в корпусе дроссельной заслонки и есть отдельный канал для минимальной подачи воздуха, он не используется и заглушен. Таким образом, если происходит ситуация, когда дроссельная заслонка закрыта, а РХХ по каким-либо причинам (напри- мер неисправен) не обеспечил подачу воздуха в обход дроссельной заслонки, двигатель просто заглохнет (т.к. нет расхода воздуха, не будет и подачи топлива). Такая ситуация возможна и по ряду других причин. Тем не менее обраться до места стоянки автомобиля или автосервиса можно и без особых проблем, если соответственно настроить начальное положение дроссельной заслонки.На корпусе дроссельной заслонки есть винт для этой регулировки. С помощью этого винта нужно попытаться настроить минимальные обороты холостого хода (обычно ~600-650 об/мин.). Но следует помнить, что приоткрытая дроссельная заслонка неминуемо сместит начальное положение ДПДЗ (датчика положения дроссельной заслонки). В связи с этим потребуется и регулировка начального положения ДПДЗ. Регулировку минимальных оборотов холостого хода следует производить на прогретом до рабочей температуры двигателе и при выключенных потребителях мощности двигателя. Последовательность действий: 1. прогреть двигатель до рабочей температуры; 2. выключить зажигание и подключить необходимые измерительные приборы; 3. отключить разъем регулятора холостого хода; 4. ослабить винты крепления датчика положения дроссельной заслонки 5. винтом регулировки крайнего положения дроссельной заслонки приоткрыть ее на заведомо больший угол; 6. запустить двигатель; 7. винтом регулировки крайнего положения дроссельной заслонки отрегулировать минимальные обороты холостого хода; 8. отрегулировать начальное положение ДПДЗ и закрепить его; 9. выключить зажигание; 10. отключить АКБ и нештатные измерительные приборы; 11. подключить разъем регулятора холостого хода. 12. подключить АКБ; Однако, выполнить эту операцию не так просто, как кажется на первый взгляд. Проблема в том, что производитель "позаботился" о том, чтобы эта настройка стала проблематичной, а для кого-то и невозможной. Регулировочный винт посажен на краску, и провернуть его получается крайне редко. Датчик положения коленчатого вала
Датчик положения коленчатого вала является эл.магнитным датчиком, по которому в системе впрыска топлива производится синхрони- зация работы топливных форсунок и системы за жигания. В этой связи ДПКВ является основным, без которого работа системы впрыска топлива не возможна. Неисправности ДПКВ неминуемо при ведут к сбоям в работе двигателя. Хотя неиспра вности датчика положения коленвала встречаются не так часто, отправляясь в дальний путь, лучше иметь исправный датчик в запасе, т.к. в случаях выхода из строя ДПКВ дальнейшее движение ав- томобиля может оказаться невозможным. Датчик положения коленчатого вала установлен на кронштейне около шкива привода генератора (см. Фото-2). ДПКВ устанавливается с зазором между датчиком и зубчатым шкивом. Зазор должен быть около 1мм. (см. Рис. 1) и выставляется подбором соответствующих шайб. Зубчатый шкив привода генератора выполнен в виде специального диска, на котором находится  58 зубьев через каждые 6 градусов. Для генерации импульса синхронизации оборотов коленвала на шкиве отсутствуют два зуба (см.Фото-2 и Рис. 1). На автомобиле может быть установлен цель нометаллический шкив или с демпфером (резиновой проставкой). В процессе эксплуатации авто- мобиля цельнометаллические шкивы износу почти не подвержены. Следует лишь следить за отсутствием между зубьями каких-либо посторон- них частиц и грязи. Если же шкив с демпфером, необходимо следить за его состоянием, т.к. повреждение демпфера может привести к проблемам в работе двигателя. При производстве ремонтных работ следует соблюдать осторожность и не подвергать шкив деформации, т.к. это может привести к сбоям в работе двигателя. Визуальный контроль состояния шкива привода генератора можно производить через арку правого переднего колеса, как показано на Фото-3.В данном случае на автомобиле установлен цельнометаллический шкив. При неисправностях датчика положения колен- чатого вала, шкива привода генератора и привода ГРМ контроллер может зафиксировать ошибку и зажечь лампу "CHECK ENGINE". Соответственно в буфер ошибок будет занесен код "35" и/или "19" К неисправностям этих элементов можно отнести следующие симптомы: неустойчивые обороты двигателя на холостом ходу, самопроизвольное повышение или снижение оборотов двигателя, остановка работы двигателя, невозможность запуска двигателя, снижение мощности двигателя, возникновение детонации при динамических нагрузках, пропуски искрообразования.
Регулятор холостого хода Регулятор холостого хода является устройством, которое необходимо в системе для стабилизации оборотов холостого хода двигателя. РХХ представляет из себя шаговый электродвигатель с подпружиненной конусной иглой. Во время работы двигателя на холостом ходу, за счет изменения проходного сечения дополнительного канала подачи воздуха в обход закрытой заслонки дросселя, в двигатель поступает, необходимое для его стабильной работы, количество воздуха. Этот воздух учитывается датчиком массового расхода воздуха (ДМРВ) и, в соответствии с его количеством, контроллер осуществляет подачу топлива в двигатель через топливные форсунки. По датчику положения коленчатого вала (ДПКВ) контроллер отслеживает количество оборотов двигателя и в соответствии с режимом работы двигателя управляет РХХ, таким образом добавляя или снижая по- дачу воздуха в обход закрытой дроссельной заслонки . На прогретом до рабочей температуры двигателе, контроллер поддерживает обороты холостого хода. Если же двигатель не прогрет, контроллер за счет РХХ увеличивает обороты и, таким образом, обеспечивает прогрев двигателя на повышенных оборотах коленвала. Данный режим работы двигателя позволяет начинать движение автомобиля сразу и не прогревая двигатель. Регулятор холостого хода установлен на корпусе дроссельной заслонки . и крепится к нему двумя винтами. К сожалению, на некоторых автомобилях головки этих крепежных винтов могут быть рассверлены или винты посажены на лак, что может значительно усложнить демонтаж для его замены или прочистки воздушного канала. В таких случаях редко удается обойтись без демонтажа всего корпуса дроссельной заслонки. РХХ является исполнительным устройством и его самодиагностика в системе не предусмотрена. Поэтому при неисправностях регулятора холостого хода лампа "CHECK ENGINE" не загорается. Симптомы неисправностей РХХ во многом схожи с неисправностями ДПДЗ (датчика положения дроссельной заслонки), но во втором случае чаще всего на неисправность ДПДЗ явно указывает лампа "CHECK ENGINE". К неисправностям регулятора холостого хода можно отнести следующие симптомы: неустойчивые обороты двигателя на холостом ходу, самопроизвольное повышение или снижение оборотов двигателя, остановка работы двигателя при выключении передачи, отсутствие повышенных оборотов при запуске холодного двигателя, снижение оборотов холостого хода двигателя при включении нагрузки (фары, печка и т.д.). Датчик скорости автомобиля Датчик скорости автомобиля (ДСА) сконструирован по принципу эффекта Холла и выдает на контроллер частотноимпульсный сигнал. Частота сигнала прямопропорциональна скорости движения автомобиля. Контроллер использует этот сигнал для управления работой двигателя на холостом ходу и посредством регулятора холостого хода, управляет подачей воздуха в обход дроссельной заслонки. ДСА выдает примерно 6004 импульса на каждый километр пройденного автомобилем пути. По временному интервалу между импульсами контроллер определяет скорость движения автомобиля. Кроме того, данный сигнал может использоваться спидометром установленным на панели приборов. Внешний вид датчика скорости движения автомобиля показан на ДСА устанавливается на коробке переключения передач на механизме привода спидометра. Демонтаж его производят после (при выключенном зажигании) отключения контактного разъема и тросика привода спидометра (если он установлен) отвернув датчик с привода спидометра. Монтаж ДСА производят в обратной демонтажу последовательности. При неисправностях цепи соединения ДСА, контроллер заносит в ОЗУ код "24" и зажигает лампу "CHECK ENGINE", таким образом, указывая о необходимости диагностики. Одним из ярко выраженных симптомов неисправности датчика скорости служит остановка работы двигателя на Х.Х. при движении автомобиля накатом. Однако не следует забывать, что аналогичная ситуация может произойти при временных неисправностях датчика массового расхода воздуха (ДМРВ), но лампа "CHECK ENGINE", в этом случае, загорается не всегда. По этому признаку можно предварительно судить о том какой именно датчик вышел из строя. Проверку работоспособности ДСА следует начинать с наличия заземления на контакте "3" и напряжения питания (+12В.) на контакте "1". Проверку импульсного сигнала на контакте "2" следует проводить при вращении ведущих колес со скоростью не менее 5км/час. Производить измерения я рекомендую цифровым мультиметром или осциллографом. Для проверки "1" и "3" контактов ДСА допускается применение прозвонки. К типичным симптомам неисправности датчика скорости или его эл.цепи можно отнести остановку двигателя при переключении передачи и в движении накатом, ошибки показаний спидометра. Чаще всего выход из строя ДСА связан с работой тросика спидометра. Если данный тросик имеет на своей поверхности какие-либо заусенцы, разрывы или просто затруднено его вращение в защитной оплетке, это может привести к выходу из строя датчика скорости. Кроме того, часто из-за этой причины датчик скорости выходит из строя именно на высокой скорости движения. Для исключения подобной ситуации, пока тросик спидометра исправен, его следует смазать моторным маслом.
заключение В связи с тем, что развитие науки, не стоит на месте, а новые разработки ученых всё больше и больше находят применение не только в технике, но и в быту! Можно предположить что вскоре система описанная выше вскоре будет считаться безнадежно устаревшей! Но не будем забывать о том, что те разработки, которые сейчас является устаревшим, когда-то были современнейшими устройствами, и именно с них человечество начинало свой огромный шаг в новую эру! Как сказал Шехов И.А.-“ Всё это отразиться не только не только на бумаге, но и в сердцах наших последователей, которых мы должны вдохновить своими достижениями на совершение самых дерзких открытий. И пусть мы динозавры этого Мира, но продвигаем его вперёд и движению этому не будет конца!”
МГАУ им В.П.Горячкина 1:35 23 апреля 2003 г. 22 |