Курсовая работа: Розробка схеми електричної принципової годинника-будильника-термометра з ІЧ ПК
|
Название: Розробка схеми електричної принципової годинника-будильника-термометра з ІЧ ПК Раздел: Рефераты по информатике Тип: курсовая работа |
МІНІСТЕРСТВО ОСВІТИ І НАУКИ УКРАЇНИ РОМЕНСЬКИЙ КОЛЕДЖ ДЕРЖАВНОГО ВИЩОГО НАВЧАЛЬНОГО ЗАКЛАДУ «КИЇВСЬКИЙ НАЦІОНАЛЬНИЙ ЕКОНОМІЧНИЙ УНІВЕРСИТЕТ ІМЕНІ ВАДИМА ГЕТЬМАНА» Спеціальність: 5.091504 «Обслуговування комп’ютерних та інтелектуальних систем та мереж» Курсовий проект з предмету: Мікропроцесорні системи Тема: «Розробити схему електричну принципову годинника-будильника-термометра з ІЧ ПК» РК КНЕУ. КП. 5.091504. Виконав: студент гр. К 3-2 Катрич С. В. Перевірив викладач Шокота Т.А. 2007 Зміст Вступ 1 Загальний розділ 1.1 Призначення проектуємого пристрою 1.2 Технічні характеристики 1.3 Розробка і обґрунтування схеми електричноїструктурної 2 Спеціальний розділ 2.1 Вибір і обґрунтування елементної бази 2.2 Принцип роботи окремих ВІС з використанням часовихдіаграм та алгоритмів роботи 2.3 Принцип роботи пристрою згідно схеми електричноїпринципової 3 Експлуатаційний розділ 3.1 Ініціалізація програмуємих ВІС 3.2 Тест перевірки окремих вузлів або пристроїв 3.3 Розрахунок надійності пристрою 4 Анотація 5 Література Вступ За сучасного розвитку науки і техніки, та постійного удосконалення електричних пристроїв ми все частіше і частіше стикаємося зі словами мікропроцесор та мікроконтролер. Ці пристрої дозволяють реалізувати досить складні закони керування електронними пристроями. Безперечною перевагою мікропроцесорних систем керування є їх гнучкість, оскільки систему, розроблену для виконання одного завдання, легко пристосувати для вирішення інших завдань шляхом зміни програмного забезпечення. Надзвичайно високий рівень технічних характеристик мікропроцесорних великих інтегральних схем і їх досить низька вартість у розрахунку на одиницю оброблюваної інформації дозволяють впроваджувати мікропроцесори у побутову, промислову і спеціальну радіоелектронну апаратуру. Мікропроцесор (МП) - програмно-управляючий пристрій, призначений для обробки цифрової інформації і керування процесом цієї обробки, виконано у виді однієї (або декількох) інтегральної схеми з високим ступенем інтеграції електронних елементів. Продуктивність мікропроцесорів швидко зростає разом з удосконаленням мікроелектронної технології й архітектури. Процесори ЕОМ мають складну логічну структуру і містять велику кількість електронних елементів з безліччю розгалужених зв'язків між ними. Для підвищення продуктивності процесора необхідно розвивати всі його апаратурні ресурси. Можливості однокристальних мікропроцесорів визначає мікроелектронна технологія на визначеному рівні розвитку. Тому, для збільшення продуктивності процесорів, використовують їх реалізацію у виді багатокристальних, а також секційних багатокристальних мікропроцесорів. Багатокристальні МП можна одержати в тому випадку, коли виробляється поділ логічної схеми процесора на окремі функціонально закінчені частини, кожна з якої реалізується у виді інтегральної схеми. Надзвичайно важливим кроком у розвитку електроніки вцілому було створення мікроконтролерів (МК) - керуючих пристроїв, виконаних на одному чи декількох кристалах. Мікроконтролери виконують функції логічного аналізу і керування (що дозволяє за рахунок виключення арифметичних операцій зменшити їхню апаратурну складність чи розвити функції логічного керування). Архітектура МПС – розподіл функцій, що реалізуються системою на окремих її рівнях, та точне визначення меж між цими рівнями. Вона поєднує апаратні, мікропрограмні і програмні засоби обчислювальної техніки, визначає принцип організації МПС та функції її компонентів, зокрема процесора, пам’яті та ін. Архітектура МПС не відображає конструктивні особливості логічних структур і модулів та технологію їх виробництва. Загальний архітектурний тип мікросистеми містить такі компоненти: - центральний процесор (ЦП); - схеми синхронізації; - пам’ять; - підсистема введення-виведення; - логіка управління шиною; - системна шина. В мікросистемі роль центрального процесора виконує МП. Він дешифрує команди і управляє всіма подіями в системі, а також виконує всі арифметичні і логічні операції. Генератор синхронізації формує одну або кілька послідовностей рівномірно розміщених імпульсів, для синхронізації дій в МП і логіці управління шиною. Вихідні імпульси генератора мають одну й ту ж частоту, але зміщені в часі, тобто мають різні фази. Пам’ять призначена для збереження даних та команд, які виконує ЦП. Вона складається з набору модулів, кожен з яких містить кілька тисяч комірок. Підсистема введення-виведення складається з різних пристроїв, призначених для взаємодії з зовнішнім середовищем та збереження великих об’ємів інформації. Системну шину утворює сукупність провідників по яких передаються дані від ЦП до пам’яті та пристроїв введення-виведення. Звичайно провідники шини об’єднуються в три групи: - лінії даних (для передачі інформації); - лінії адреси (вказують звідки або куди передається інформація); - лінії управління, (регулюють дії на шині). Інтерфейс пам’яті утворює схеми для дешифрування адреси цільової комірки і буферизувати даних на шину (з шини), а також схеми виконання операцій зчитування і запису. Всі інтерфейси введення-виведення повинні буферизувати дані на системну шину (з системної шини), приймати накази від ЦП і передавати в ЦП інформацію про стан підключеного пристрою. Взаємодія між інтерфейсом введення-виведення і шиною даних здійснюється через регістри, що називаються портами введення-виведення. 1 Загальний розділ 1.1 Призначення проектуємого пристрою Визначення та поняття термінів, які використовуються у курсовому проекті: АЛП – арифметико-логічний пристрій ЕОМ – електронно-обчислювальна машина МП – мікропроцесор МПК – мікропроцесорний комплект ВІС – великі інтегральні схеми ЦП – центральний процесор МК – мікроконтролер ОМК – однокристальний мікроконтролер МПС – мікропроцесорна система ОЗП – оперативно-запам’ятовучий пристрій ДК – дистанційне керування Місце та основні функції пристрою в архітектурі МПС. Однокристальним мікроконтролером (ОМК) називають пристрій, виконаний конструктивно в одному корпусі ВІС, і містить усі компоненти МПС: процесор, пам'ять даних, пам'ять програм, програмовні інтерфейси. Для однокристальних мікроконтролерів характерні: - система команд, орієнтована на виконання завдань керування і регулювання; - алгоритми, що реалізуються на ОМК, мають багато розгалужень залежно від зовнішніх сигналів; - дані, якими оперують ОМК, не повинні мати велику розрядність; - схемна реалізація систем керування на базі ОМК нескладна і має невисоку вартість; - універсальність і можливість розширення функцій керування значно нижчі, ніж у системах із однокристальними МП. Однокристальні мікроконтролери - зручний інструмент для створення сучасних вбудованих пристроїв керування різноманітним обладнанням, автомобільною електронікою, побутовою технікою, мобільними телефонами та ін. В даній роботі описується МК приладу, що призначений для індикації поточного часу, подачі звукового сигналу у визначений час та індикації температури в двох точках (в приміщенні та на подвір’ї) на проміжку -55…+99 ºС з точністю ±1 ºС. Час та температура виводяться почергово. Встановлення значення часу, спрацювання будильника, спалахування та вимикання індикатора здійснюється з ІЧ пульта дистанційного керування (ДК). Будильник подає звуковий сигнал з паузою 10 с, спочатку два коротких (приблизно по 0,1 с) одиночних, потім стільки ж здвоєних (з паузою 0,1 с), а після них – два зтроєних (з такою ж паузою). На протязі хвилини зтроєні сигнали подаються кожну секунду до тих пір, поки будильник не буде відключений. Існує функція Snooze (повторення сигнала через певний час), що дозволяє ще трохи поспати після першого сигналу. Якщо індикатор погашено, в момент спрацювання будильника він вмикається і до відключення чи переходу в режим Snooze показує поточний час. Передбачено короткий звуковий сигнал при натисненні кнопок пульта, індикацію (світлодіодом) при проходженні команд з пульта, резервне живлення при зникненні напруги в мережі (в цьому випадку будильник буде подавати безперервний сигнал). Принципова схема заснована на мікроконтролері DD2 АТ89С4051. 1.2 Технічні характеристики При створенні схеми електричної принципової розроблюваного пристрою було використано такі елементи як мікроконтролер АТ89С4051, мікросхеми КР1171СП47, FCP8583, SAA3010, PCF8583, DS1621, MC34063. Розрахунок надійності строю представлено в відповідному розділі курсового проекту. Характеристики мікроконтролера АТ89С4051: АТ89С4051 – низьковольтний швидкодіючий 8-ми розрядний мікроконтролер, що використовує енергонезалежну технологію пам’яті Atmel що характеризуються також високою щільністю, має 4 кілобайти перепрограмованої пам’яті з можливістю 1000 циклів запису/стирання, 15 портів вводу/виводу, 2 16-бітових таймери/лічильники, послідовний порт та систему переривань, п’ятивекторну дворівневу систему переривань, дуплексний послідовний порт, презиційний аналоговий компаратор. Даний мікроконтролер підтримує режим Power-down, який зберігає вміст пам’яті але зупиняє генератори до наступного перезапуску (/відновлення роботи) апаратних пристроїв, а також Idlemode – режим, під час якого він зупиняє ЦПП, і підтримує роботу пам’яті, таймерів/лічильників, послідовним портом та системою переривань, для продовження роботи пристрою. На рисунку 1.2.1 зображено корпус мікроконтролера АТ89С4051.
Рисунок 1.2.1 – Зображення корпусу мікроконтролеру АТ89С4051 Структурна схема мікроконтролера АТ89С4051 зображена нарисунку 1.2.2.
Рисунок 1.2.2 – Структурна схема мікроконтролера АТ89С4051 На схемі зображено: регістр адрес пам’яті, пам’ять RAM, Flash-пам’ять, регістр В, Арифметико-логічний пристрій (АЛП), буфер даних, вказівник стеку, програмний регістр адрес, програмний лічильник, інкрементор, порти драйверів, аналоговий компаратор, схеми управління і синхронізації, регістр інструкцій, блок переривання, серійний порт і блоки таймеру. 1.3 Розробка і обґрунтування схеми електричної структурної Структурна схема пристрою зображена на рисунку 1.3.
Рисунок 1.3 – Структурна схема розроблюваного пристрою На структурній схемі пристрою (див. рисунок 1.3) зображено наступні функціональні блоки: мікроконтролер, який забезпечує керування роботою всіх пристроїв схеми; блок живлення що забезпечує безперебійне живлення всіх компонентів схеми; індикатори, які відображають час та температуру; блок датчиків який призначений для знімання показників температури та синхронізації пристрою з блоком керування до якого входить пульт ДК; блок управління часом що забезпечує організацію управління часом. 2 Спеціальний розділ 2.1 Вибір і обґрунтування елементної бази Схема електрична принципова створюваного пристрою зображена на рисунку 2.1.1. Користуючись даною схемою, дамо коротку її характеристику та обґрунтування вибору елементів, що входять до неї.
Рисунок 2.1.1 – Схема електрична принциповагодинника-будильника-термометра Основою створюваного пристрою є мікроконтролер DD2 AT89C4051, який керує роботою всіх вузлів. До його складу входить енергозалежна пам’ять програм (4кб), ОЗП (128 байт), 2 таймери, система переривань та ін. (див. пункт 1.2). Для надійного запуску та захисту мікроконтролера від збоїв по напрузі використано мікросхему КР1171СП47 (DA1), яка забезпечує затримку на своєму виході низький рівень при напрузі живлення менше 4.7 В. Табло пристрою складається з п’яти світлодіодних цифрових індикаторів типу SA08-11GWA. Індикація статична. Для зниження яскравості свічення в коло живлення індикаторів включено діоди VD5 іVD6. Для керування вузлом індикації використано три виводи мікроконтролера:P1.2, (14);P1.3, (15);P1.4, (16). МС 74HC595 являє собою 8-бітгний регістр з послідовним входом і паралельним виходом. В якості годинника використано мікросхему PCF 8583, яка дозволила забути про скидання часу за умови відсутності живлення. В PCF 8583 є статична пам’ять, що використовується для визначення першого включення годинника. Для подачі звукових сигналів застосовано електромагнітний випромінювач НСМ1606Х з вбудованим генератором, що працює на частоті 2200 Гц. Батарея GB1 служить для живлення мікросхеми годинника та звуковипромінювача при відсутності живлення в мережі. Для прийому сигналів керування пульта ДК використано інтегральний приймач ІЧ-діапазону SFH 506-36. Ця мікросхема дуже чутлива до перешкод в колі живлення, тому до неї включено фільтр VD4C8C9. Живиться пристрій від стабілізованого перетворювача напруги на основі мікросхеми MC 34063. Принципову схему ІЧ пульту ДК зображено на рисунку 2.1.2.
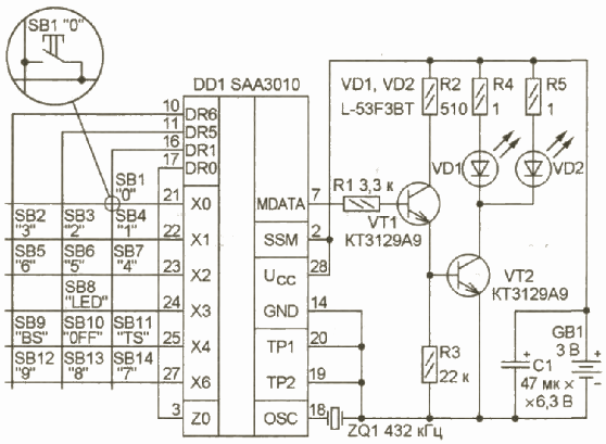
Рисунок 2.1.2 – Схема електрична принциповагодинника-будильника-термометра Пульт керування виконано на базі малогабаритного калькулятора. В якості передавача використано мікросхему SAA3010 яка працює в системі ІЧ ДК RC5. В режимі очікування SAA3010 спожива незначний струм що робить експлуатацію пульту дуже зручною. В якості виносних датчиків апаратури застосовано мікросхеми DS1621 2.2 Принцип роботи окремих ВІС з використанням часових діаграм та алгоритмів роботи Часові діаграми машинних циклів читання зовнішньої пам’яті програм показано на рисунку 2.2.1.
Рисунок 2.2.1 – діаграми машинних циклів читання зовнішньої пам’яті програм При виконанні команди MOVX, сигнал ALE формується у другому машинному циклі лише один раз. 2 . 3 Принцип роботи пристрою згідно схеми електричної принципової Схема електрична принципова зображена на рисунку 2.1.1 пункту 2.1. Описуваний пристрій призначений для індикації поточного часу, подачі звукових сигналів в заданий час та індикації температури в двох точках в інтервалі від -55˚ до +99˚ С з точністю Будильник подає звукові сигнали з паузою 10 с: спочатку – два коротких одиночних, потім – стільки ж здвоєних, а після них – два строєних. По закінченні хвилини вбудовані сигнали подаються в кожну секунду до тих пір, доки будильник не буде вимкнено. Якщо індикатор вимкнено, в момент спрацювання будильника він вмикається і до відключення або переходу в режим Snooze показує поточний час. Передбачений короткий звуковий відклик у відповідь на натиснення кнопок пульту. Мікроконтролер DD2 AT89C4051 керує роботою всіх вузлів. До його складу входить енергозалежна пам’ять програм, ОЗП, 2 таймери, система переривань та ін. Для надійного запуску та захисту мікроконтролера від збоїв по напрузі використано мікросхему КР1171СП47 (DA1), яка забезпечує затримку на своєму виході низький рівень при напрузі живлення менше4.7 В. Табло пристрою складається з п’яти світлодіодних цифрових індикаторів типу SA08-11GWA. Індикація статична. Для зниження яскравості свічення в коло живлення індикаторів включено діоди VD5 іVD6. Для керування вузлом індикації використано три виводи мікроконтролера:P1.2, (14);P1.3, (15);P1.4, (16). МС 74HC595 являє собою 8-бітгний регістр з послідовним входом і паралельним виходом. В якості годинника використано мікросхему PCF 8583, яка дозволила забути про скидання часу за умови відсутності живлення. В PCF 8583 є статична пам’ять, що використовується для визначення першого включення годинника. Для подачі звукових сигналів застосовано електромагнітний випромінювач НСМ1606Х з вбудованим генератором, що працює на частоті 2200 Гц. Батарея GB1 служить для живлення мікросхеми годинника та звуковипромінювача при відсутності живлення в мережі. Для прийому сигналів керування пульта ДК використано інтегральний приймач ІЧ-діапазону SFH 506-36. Ця мікросхема дуже чутлива до перешкод в колі живлення, тому до неї включено фільтр VD4C8C9. 3 Експлуатаційний розділ 3.1 Ініціалізація програмуємих ВІС Програма ініціалізації мікросхем виконує налагодження портів вводу-виводу мікросхем та встановлює параметри дільника та входів мікросхеми по яким буде виконуватися переривання. Також налагоджуються переривання по таймеру. Всі інші переривання забороняються. Програма ініціалізації і програма тестування пристрою наведена в пункті 3.2. 3.2 Тест перевірки окремих вузлів або пристроїв Програма за якою працює мікропроцесор мовою асемблера АТ89С4051 має наступний вигляд: __CONFIG _CP_OFF & _WDT_OFF & _PWRTE_ON & _XT_OSC ORG 0 Goto PROGRAM sec equ H'11' ; секунди sec10 equ H'12' ; Десяткисекунд min equ H'13' ; минути min10 equ H'14' ; Десяткиминут hour equ H'15' ; години hour10 equ H'16' ; Десяткигодин Indicator equ H'17' ; 7-сегментнийкоддлязагрузкиврегістр DD2 Bit_counter equ H'18' ; лічильникбітів, загруженнихврегістр DD2 FLAGS equ H'19' ; різніпрапорці FLAGS_2 equ H'1F' Fig_pointer equ H'1B' ; показниквиведеноїцифри TEMPequH'1C' ; для тимчасового збереження вмісту порту A Ind_startequH'1D' ; адреса комірки, яка першою виводиться на індикатор SB_delay equ H'1E' ; часова затримка STATUS_copy equ H'21' ; копії вмісту регістрів W_copyequH'22' FSR_copyequH'23' min_al_1 equ H'24' ; регістри першого будильника min10_al_1 equH'25' hour_al_1 equH'26' hour10_al_1 equH'27' min_al_2 equH'28' ; регістридругогобудильника min10_al_2 equH'29' hour_al_2 equH'2A' hour10_al_2 equH'2B' EEP_Ind_4 equH'2C' ; регістридляіндикації EEP_Ind_3 equH'2D' ; режимуроботизEEPROM EEP_Ind_2 equH'2E' EEP_Ind_1 equH'2F' Alarm_countequH'30' ; лічильникбудильника SB4_countequH'31' ; лічильникчасунатисканнянакнопкуSB2 IntCount_HequH'32' ; лічильникпереповненнятаймеруномер 1 IntCount_L equ H'33' ; лічильник переповнення таймеру номер 2 MaxInt_H equ H'34' ; верхня границя лічильника переривань MaxInt_L equ H'35' ; визначає секундну затримку TIME_SET equ H'36' ; коефіцієнт корекції часу ; ------------- Підпрограма яка добавляє хвилини --------------- INC_MIN macro Reg1_min,Reg2_min movfwReg1_min ; якщо кількість менут = 9 то xorlw 9 ; обнуляємо менути і прибавляємо десятки менут BZ $+3 ; інакше прибавляємо менути та виходимо з підпрограми incfReg1_min, f gotoMain_loop clrf Reg1_min movfw Reg2_min xorlw 5 ; якщо кількість десятків менут = 5, BZ $+3 ; обнуляємо менути та взагалі та виходимо з підпрограми incf Reg2_min, f ; інакше прибавляємо десятки менут gotoMain_loop clrfReg1_min clrfReg2_min gotoMain_loop endm ; ------------- Підпрограма яка прибавляє години --------------- INC_HOURmacroReg1_hour,Reg2_hour movfwReg1_hour ; якщокількістьгодин = 3, топеревіряємочи xorlw 3 ; число десятків годин = 2, якщо так то btfss STATUS, Z ; обнуляємо години взагалі (перехід із 23 годин в 00) goto $+5 movfwReg2_hour xorlw 2 BZ $+D'14' movfwReg1_hour ; якщочислогодин = 10, прибавляєм xorlw 9 ; десятки годин і скидаємо одениці BZ $+3 ; інакше прибавляєм одениці годин та виходимо із підпрограми incf Reg1_hour, f goto Main_loop clrf Reg1_hour movfw Reg2_hour xorlw 2 BZ $+3 incf Reg2_hour, f goto Main_loop clrf Reg1_hour clrf Reg2_hour goto Main_loop endm ; ------------- Підпрограма зменшення хвилин --------------- DEC_MINmacroReg1_min,Reg2_min localDEC_min10,Clr movfwReg1_min ; зменшуєм хвилини xorlw 0 BZ DEC_min10 decf Reg1_min,f goto Main_loop DEC_min10 movlw 9 ; установлюємчислохвилин = 9 movwf Reg1_min ; ізменшуємдесяткихвилин movfw Reg2_min xorlw 0 BZ Clr decfReg2_min, f goto Main_loop movlw 5 movwf Reg2_min goto Main_loop endm ; ------------- Підпрограмазменшеннягодин --------------- DEC_HOUR macro Reg1_hour,Reg2_hour local Set_hour,Clr,If_hour10_1,If_hour10_2,Dec_hour10 movfw Reg1_hour ; зменшуємгодини xorlw 0 BZ Set_hour decf Reg1_hour, f goto Main_loop movfwReg2_hour ; якщодесяткигодин = 0, xorlw 0 ; установлюємогодинирівні 3 btfssSTATUS, Z gotoIf_hour10_1 movlw 3 movwfReg1_hour gotoDec_hour10 If_hour10_1 movfw Reg2_hour ; якщодесяткигодин = 1, xorlw 1 ; установлюємчислогодин = 9 btfss STATUS, Z goto If_hour10_2 movlw 9 movwf Reg1_hour goto Dec_hour10 If_hour10_2 movlw 9 ; якщодесяткигодин = 2, movwf Reg1_hour ; установлюємогодинирівні 9 Dec_hour10 movfw Reg2_hour ; зменшуємдесяткигодин xorlw 0 BZ Clr decf Reg2_hour,f goto Main_loop Clr movlw 2 movwf Reg2_hour goto Main_loop endm ; ------------- Підпрограма запису в EEPROM --------------- EE_write macro Adress,Data movlw Adress movwf EEADR movfw Data movwf EEDATA call Write_to_EEPROM endm ; ------------- Підпрограмачитання EEPROM --------------- EE_read macro Adress,Destination movlw Adress movwf EEADR call Read_from_EEPROM movfw EEDATA movwf Destination endm ; ------------------- ІНІЦІАЛІЗАЦІЯ ---------------------- PROGRAM bsf STATUS,RP0 ; банк 1 clrfTRISA ; порт А на вихід movlwB'11110000' ; RB7..RB4 - на вхід, RB3..RB0 - на вихід movwfTRISB movlwB'00001000' ; відключений від таймеру movwf OPTION_REG bcf STATUS, RP0 ; банк 0 clrf TIME_SET clrf FLAGS clrf FLAGS_2 clrf sec clrf sec10 clrf min clrf min10 clrf hour clrf hour10 clrf SB_delay clrf Bit_counter clrf Alarm_count clrf PORTB clrf SB4_count clrf IntCount_H clrf IntCount_L movlwB'00010001' movwfPORTA movlwH'16' ; починаєм індикацію з десятків годин movwf Ind_start movfw Ind_start movwf Fig_pointer bsf FLAGS,PT ; ввімкненнякрапокнаіндикаторі bsf FLAGS_2, HL1 movlw D'16' ; запускаємотаймерномер 0 movwf TMR0 EE_read 1, TIME_SET ; читаємозначеннякоэфіціэнту movwf TIME_SET ; корекціїчасу EE_read 2, min_al_1 ; читаємпоказпоказникиобох EE_read 3, min10_al_1 ; будильниківз EEPROM EE_read 4, hour_al_1 EE_read 5, hour10_al_1 EE_read 6, min_al_2 EE_read 7, min10_al_2 EE_read 8, hour_al_2 EE_read 9, hour10_al_2 movfwmin_al_1 ; якщо в регістрах будильника xorlwH'11' ; були числа 0х11, тоді, btfssSTATUS,Z ; він був вімкнений при останньому bsf FLAGS, Al_on ; записів EEPROM movfw min_al_2 xorlw H'11' btfss STATUS, Z bsf FLAGS_2, Al_on2 bsf PORTB, 3 ; вмикаємсвітлодіод btfsc FLAGS, Al_on bcf PORTB, 3 btfsc FLAGS_2, Al_on2 bcf PORTB, 3 bsf INTCON, T0IE ; дозволяємпереривання bsf INTCON, GIE movlw H'E' ; ініціалізаціярегістрівдляправельноїіндикації movwf EEP_Ind_1 ; режимроботи EEPROM movlw H'E' movwf EEP_Ind_2 movfw TIME_SET ; розбиваємозмінну TIME_SET andlwB'00001111' ; на 16-розрядні десятки та одениці movwfEEP_Ind_4 ; одениці movfw TIME_SET movwf EEP_Ind_3 ; десятки swapf EEP_Ind_3, f movlw B'00001111' andwf EEP_Ind_3,f ;****************************************************************** ; ГОЛОВНИЙ ЦИКЛ ПРОГРАМИ ****************************************************************** movlw H'21' ; задаємо верхню границю movwf MaxInt_L ; лічби переривань = 3873 movlw H'F' movwf MaxInt_H movfwTIME_SET ; добавляєм TIME_SET до границі bcf STATUS, C ; лічби переповнення таймера addwfMaxInt_L, f btfscSTATUS, C incfMaxInt_H, f movfwIntCount_H ; порівнюємстаршийбайт xorwfMaxInt_H, w btfssSTATUS, Z gotoMain_loop movfwIntCount_L ; порівнюєммолотшийбайт xorwfMaxInt_L, w btfssSTATUS, Z gotoMain_loop gotoADD1s ; секунда пройшла ; ------- Процедура перекодування числа в семисегментний код -------- Table addwfPCL,f retlwB'00000010' ; цифра 0 retlw B'10011110' ; цифра 1 retlw B'00100100' ; цифра 2 retlw B'00001100' ; цифра 3 retlw B'10011000' ; цифра 4 retlw B'01001000' ; цифра 5 retlw B'01000000' ; цифра 6 retlw B'00011110' ; цифра 7 retlw B'00000000' ; цифра 8 retlw B'00001000' ; цифра 9 retlw B'11111110' ; пустемісце(код 10h) retlw B'11111100' ; тире (код 11h) ;********************* Режиміндикаціїсекунд *********************** Show_seconds clrf SB4_count btfsc FLAGS,Sec ; якщонаіндикаторіпоказанісекунди gotoShow_hour ; повертаємся до нормального вигляду movlw H'14' movwf Ind_start bsf FLAGS, Sec movwf SB_delay goto Main_loop Show_hour movlw H'16' movwf Ind_start bcf FLAGS,Sec movwf SB_delay gotoMain_loop ;***************** Добавляєм менути реального часу ****************** ADDmin_button clrf sec clrf sec10 INC_MIN min, min10 goto Main_loop ;******************Добавляєм години реального часу ****************** ADDh_button clrf sec clrf sec10 INC_HOUR hour, hour10 goto Main_loop END ; кінецьпрограми
Рисунок 3.2.1 - Блок-схема роботи пристрою 3.3 Розрахунок надійності пристрою Надійність – властивість пристрою виконувати задані функції в заданих режимах і умовах застосування, обслуговування, ремонту, збереження, транспортування на протязі необхідного інтервалу часу. Показники надійності: 1. Безвідмовність. 2. Довговічність. 3. Ремонтопридатність. 4. Збереження. Безвідмовність – властивість безупинно зберігати працездатність до граничного стану, після настання, якого подальша експлуатація виробу економічно недоцільна. Ремонтопридатність – пристосованість пристрою до попередження відмовлень, до можливості виявлення та усунення несправностей шляхом проведення ремонту і технічного обслуговування. До термінів ремонтопридатності відносяться: відмовлення, збереження. Відмовлення – подія, що полягає в повній або частковій утраті працездатності пристрою. Відмовлення бувають: Раптові (катастрофічні) – стрибкоподібна зміна параметрів робочого виробу. Поступові (параметричні) – постійна зміна одного або декількох параметрів з часом, що виходять за припустимі межі. Збереження – термін, протягом якого при дотриманні режимів збереження виріб зберігає працездатний стан. Розрахунок надійності поділяється на три розділи: 1.Визначення значення інтенсивності відмовлення всіх елементів за принциповою схемою вузла пристрою. 2.Визначення значення імовірності безвідмовної роботи всієї схеми. Визначення середнього наробітку до першого відмовлення. Виконання розрахунків проходить наступним чином: 1. Інтенсивність відмовлення всіх елементів визначається за формулою:
де: ni – кількість елементів у схемі; l i – інтенсивність відмовлень і -го елемента; m – кількість типів елементів. При розрахунку також потрібно враховувати інтенсивність відмовлень через пайки радіоелементів на друкованій платі. Інтенсивність відмовлень елементів розраховуємо за формулою:
де: l о – інтенсивність відмовлень елементів у режимі номінального навантаження; К e – експлуатаційний коефіцієнт; Кр – коефіцієнт навантаження. Усі ці параметри беруться з довідника з розрахунку надійності. 2. Ймовірністю безвідмовної роботи називається ймовірність того, що за певних умов експлуатації в заданому інтервалі часу не відбудеться жодного відмовлення. Ймовірність безвідмовної роботи визначається за формулою:
де:
t – час, (год). За результатами розрахунків складається таблиця і графік. 3. Середній наробіток до першого відмовлення – це час роботи пристрою до першої відмови. Середній наробіток на відмовлення визначається за формулою:
Розрахунок надійності пристрою приведено далі. Анотація Завданням даної курсової роботи є створення схеми електричної принципової годинника-будильника-термометра з ІЧ ПК. В ході виконання курсової роботи розроблено структурну та електричну принципову схему пристрою та програму тестування роботи пристрою, та проведено розрахунок надійності його роботи. Виконання даної курсової роботи змусило повторити та закріпити вивчений протягом навчального року матеріал з предмету «Мікропроцесорні системи», а також звернутися до додаткової літератури та вивчити багато нового. Література 1. Бороволоков Э.П. Фролов В.В. «Радиолюбительские схемы» // К.: Кондор – 1995 – 6 с. 2. Якименко Ю.І. Терещенко Т.О. Сокол Є.І. «Мікропроцесорна техніка» // К.: Кондор – 2004 – 24 с. 3. Методичні вказівки щодо виконання курсової роботи. 4. Вершинин О.Е. «Применениемикропроцессоров для автоматизациитехнологическихпроцессов» // Л.: Энергоатомиздат, 1986. 5. Самофалов К.Г., Викторов О.В., Кузняк А.К. «Микропроцессоры» // К.: Техника, 1986. |






