Реферат: Бесколлекторные электродвигатели
|
Название: Бесколлекторные электродвигатели Раздел: Промышленность, производство Тип: реферат | |||||||||||||||||||||
Бесколлекторные электродвигатели Бесколлекторные (brushless англ.) электродвигатели пришли в моделизм сравнительно недавно, в последние 5-7 лет. В отличие от коллекторных моторов они питаются трехфазным переменным током. Бесколлекторные двигатели эффективно работают в более широком диапазоне оборотов и имеют более высокий КПД. Конструкция двигателя при этом проще, в ней нет щеточного узла, и нет необходимости в техническом обслуживании. Можно сказать, что бесколлекторные моторы практически не изнашиваются. Стоимость бесколлекторных двигателей несколько выше, чем коллекторных. Это вызвано тем, что все бесколлекторные моторы снабжены подшипникам и, как правило, изготовлены более качественно. Хотя, разрыв в ценах между хорошим коллекторным мотором и бесколлекторным двигателем аналогичного класса не столь уж велик. По конструкции бесколлекторные моторы делятся на две группы: inrunner (произносится как "инраннер") и outrunner (произносится как "аутраннер"). Двигатели первой группы имеют расположенные по внутренней поверхности корпуса обмотки, и вращающийся внутри магнитный ротор. Двигатели второй группы - "аутраннеры", имеют неподвижные обмотки, внутри двигателя, вокруг которых вращается корпус с помещенными на его внутреннюю стенку постоянными магнитами. Количество полюсов магнитов, используемых в бесколлекторных двигателях, может быть разным. По количеству полюсов можно судить о крутящем моменте и оборотах и двигателя. Моторы с двухполюсными роторами имеют наибольшую скорость вращения при наименьшем крутящем моменте. Эти моторы по конструкции могут быть только "инраннерами". Такие двигатели часто продаются уже с закрепленными на них планетарными редукторами, так как их обороты слишком велики для прямого вращения пропеллера. Иногда такие моторы используют и без редуктора - например, ставят на гоночные авиамодели. Моторы с большим количеством полюсов имеют меньшую скорость вращения, но зато больший крутящий момент. Такие моторы позволяют использовать пропеллеры большого диаметра, без необходимости применять редукторы. Вообще, пропеллеры большого диаметра и небольшого шага, при относительно низкой частоте вращения обеспечивают большую тягу, но сообщают модели небольшую скорость, в то время как маленькие по диаметру пропеллеры с большим шагом на высоких оборотах обеспечивают высокую скорость, при сравнительно небольшой тяге. Таким образом, многополюсные моторы идеально подходят для моделей, которым нужна высокая тяговооруженность, а двухполюсные без редуктора - для скоростных моделей. Для более точного подбора двигателя и пропеллера к определенной модели, можно воспользоваться специальной программой MotoCalc. Так как бесколлекторные моторы питаются переменным током, для работы им необходим специальный контроллер (регулятор), преобразующий постоянный ток от батарей в переменный. Регуляторы для бесколлекторных двигателей представляют собой программируемое устройство, позволяющее контролировать все жизненно важные параметры двигателя. Они позволяют не только менять обороты и направление работы мотора, но и обеспечивать в зависимости от необходимости плавный или резкий старт, ограничение по максимальному току, функцию "тормоза" и ряд других тонких настроек двигателя под нужды моделиста. Для программирования регулятора используются устройства для подключению его к компьютеру, либо в полевых условиях это можно делать с помощью передатчика и специальной перемычки. Производителей бесколлекторных моторов и регуляторов к ним очень много. Конструктивно и по размерам бесколлекторные двигатели тоже сильно различаются. Более того, самостоятельное изготовление бесколлекторных двигателей на основе деталей от CD-приводов и других промышленных бесколлекторных моторов стало весьма распространенным явлением в последнее время. Возможно, именно по этой причине у бесколлекторных двигателей сегодня нет даже такой приблизительной общей классификации как у коллекторных собратьев. Подведем краткий итог. На сегодняшний день, коллекторные двигатели в основном используют на недорогих хоббийных моделях, или спортивных моделях начального уровня. Эти двигатели не дороги, просты в эксплуатации, и по-прежнему составляют самый массовый вид модельных электромоторов. Им на смену идут бесколлекторные моторы. Единственным сдерживающим фактором пока остается их цена. Вместе с регулятором бесколлекторный мотор стоит на 30-70% дороже. Однако, цены на электронику и моторы падают, и постепенное вытеснение из моделизма коллекторных электромоторов - лишь вопрос времени. AVR492: Управление бесколлекторным электродвигателем постоянного тока с помощью AT90PWM3Отличительные особенности:
Введение В данных рекомендациях по применению описывается, как реализовать устройство управления бесколлекторным электродвигателем постоянного тока (БКЭПТ) с использованием датчиков положения на основе AVR-микроконтроллера AT90PWM3. Высокопроизводительное AVR-ядро микроконтроллера, которое содержит контроллер силового каскада, позволяет реализовать устройство управления высокоскоростным бесколлекторным электродвигателем постоянного тока. В данном документе дается короткое описание принципа действия бесколлекторного электродвигателя постоянного тока, а в деталях рассматривается управление БКЭПТ в сенсорном режиме, а также приводится описание принципиальной схемы опорной разработки ATAVRMC100, на которой основаны данные рекомендации по применению. Обсуждается также программная реализация с программно-реализованным контуром управления на основе ПИД-регулятора. Для управления процессом коммутации подразумевается использование только датчиков положения на основе эффекте Холла. Принцип действия Области применения БКЭПТ непрерывно увеличиваются, что связано с рядом их преимуществ:
Двигатели такого типа характеризуются небольшой инерционностью ротора, т.к. обмотки расположены на статоре. Коммутация управляется электроникой. Моменты коммутации определяются либо по информации от датчиков положения, либо путем измерения обратной э.д.с., генерируемой обмотками. При управлении с использованием датчиков БКЭПТ состоит, как правило, из трех основных частей: статор, ротор и датчики Холла. Статор Статор классического трехфазного БКЭПТ содержит три обмотки. Во многих двигателях обмотки разделяются на несколько секций, что позволяет уменьшить пульсации вращающего момента. На рисунке 1 показана электрическая схема замещения статора. Он состоит из трех обмоток, каждая из которых содержит три последовательно включенных элемента: индуктивность, сопротивление и обратная э.д.с.
Ротор Ротор БКЭПТ состоит из четного числа постоянных магнитов. Количество магнитных полюсов в роторе также оказывает влияние на размер шага вращения и пульсации вращающего момента. Чем большее количество полюсов, тем меньше размер шага вращения и меньше пульсации вращающего момента. Могут использоваться постоянные магниты с 1..5 парами полюсов. В некоторых случаях число пар полюсов увеличивается до 8 (рисунок 2).
Обмотки установлены стационарно, а магнит вращается. Ротор БКЭПТ характеризуется более легким весом относительно ротора обычного универсального двигателя постоянного тока, у которого обмотки расположены на роторе. Датчик Холла Для оценки положения ротора в корпус двигателя встраиваются три датчика Холла. Датчики установлены под углом 120° по отношению друг к другу. С помощью данных датчиков возможно выполнить 6 различных переключений. Коммутация фаз зависит от состояния датчиков Холла. Подача напряжений питания на обмотки изменяется после изменения состояний выходов датчиков Холла. При правильном выполнении синхронизированной коммутации вращающий момент остается приблизительно постоянным и высоким.
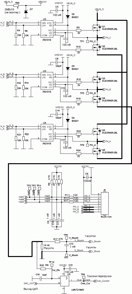
Коммутация фаз В целях упрощенного описания работы трехфазного БКЭПТ рассмотрим только его версию с тремя обмотками. Как было показано ранее, коммутация фаз зависит от выходных значений датчиков Холла. При корректной подаче напряжения на обмотки двигателя создается магнитное поле и инициируется вращение. Наиболее распространенным и простым способом управления коммутацией, используемый для управления БКЭПТ, является схема включения-отключения, когда обмотка либо проводит ток, либо нет. В один момент времени могут быть запитаны только две обмотки, а третья остается отключенной. Подключение обмоток к шинам питания вызывает протекание электрического тока. Данный способ называется трапецеидальной коммутацией или блочной коммутацией. Для управления БКЭПТ используется силовой каскад, состоящих из 3 полумостов. Схема силового каскада показана на рисунке 4.
По считанным значениям датчиков Холла определяется, какие ключи должны быть замкнутыми. Таблица 1. Коммутация ключей по часовой стрелке
У двигателей с несколькими полями электрическое вращение не соответствует механическому вращению. Например, у четырехполюсных БКЭПТ четыре цикла электрического вращения соответствуют одному механическому вращению. От силы магнитного поля зависит мощность и частота вращения двигателя. Регулировать частоту вращения и вращающий момент двигателя можно за счет изменения тока через обмотки. Наиболее распространенный способ управления током через обмотки является управление средним током. Для этого используется широтно-импульсная модуляция (ШИМ), рабочий цикл которой определяет среднее значение напряжения на обмотках, а, следовательно, и среднее значение тока и, как следствие, частоту вращения. Скорость может регулироваться при частотах от 20 до 60 кГц. Вращающееся поле трехфазного, трехобмоточного БКЭПТ показано на рисунке 5.
Процесс коммутации создает вращающееся поле. На ступени 1 фаза А подключается к положительной шине питания ключом SW1, фаза В подключается к общему с помощью ключа SW4, а фаза С остается неподключенной. Фазами А и В создаются два вектора магнитного потока (показаны красной и синий стрелками, соответственно), а сумма этих двух векторов дает вектор магнитного потока статора (зеленая стрелка). После этого ротор пытается следовать магнитному потоку. Как только ротор достигает некоторого положения, в котором изменяется состояние датчиков Холла со значения "010" на "011", выполняется соответствующим образом переключение обмоток двигателя: фаза В остается незапитанной, а фаза С подключается к общему. Это приводит к генерации нового вектора магнитного потока статора (ступень 2). Если следовать схеме коммутации, показанной на рисунке 3 и в таблице 1, то получим шесть различных векторов магнитного потока, соответствующих шести ступеням коммутации. Шесть ступеней соответствуют одному обороту ротора. Стартовый набор ATAVRMC100 В следующей части данных рекомендаций по применению будет рассмотрена аппаратная и программная реализация на основе стартового набора ATAVRMC100 с микроконтроллером AT90PWM3. Принципиальная электрическая схема представлена на рисунках 21, 22, 23 и 24 в конце документа. Программа содержит контур управления скоростью с помощью ПИД-регулятора. Такой регулятор состоит из трех звеньев, каждый из которых характеризуется собственным коэффициентом передачи: Kп, Kи и Kд. Кп - коэффициент передачи пропорционального звена, Kи - коэффициент передачи интегрирующего звена и Kд - коэффициент передачи дифференцирующего звена. Отклонение заданной скорости от фактической (на рисунке 6 называется "сигнал рассогласования") обрабатывается каждым из звеньев. Результат данных операций складывается и подается на двигатель для получения требуемой частоты вращения (см. рисунок 6).
Коэффициент Кп влияет на длительность переходного процесса, коэффициент Ки позволяет подавить статические ошибки, а Кд используется, в частности, для стабилизации положения (см. описание контура управления в архиве с программным обеспечением для изменения коэффициентов). Описание аппаратной части Как показано на рисунке 7 микроконтроллер содержит 3 контроллера силового каскада (PSC). Каждый PSC можно рассматривать как широтно-импульсный модулятор (ШИМ) с двумя выходными сигналами. Во избежание возникновения сквозного тока PSC поддерживает возможность управления задержкой неперекрытия силовых ключей (см. документацию на AT90PWM3 для более детального изучения работы PSC, а также рисунок 9). Аварийный вход (Over_Current, токовая перегрузка) связан с PSCIN. Аварийный вход разрешает микроконтроллеру отключить все выходы PSC.
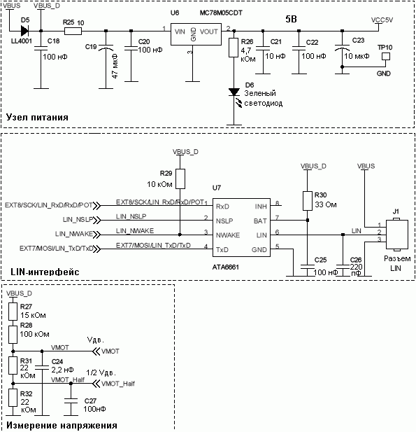
Для измерения тока можно использовать два дифференциальных канала с программируемым усилительным каскадом (Ку=5, 10, 20 или 40). После выбора коэффициента усиления необходимо подобрать номинал шунтового резистора для наиболее полного охвата диапазона преобразования. Сигнал Over_Current формируется внешним компаратором. Пороговое напряжение компаратора можно регулироваться с помощью внутреннего ЦАП. Переключение фаз должно выполняться в соответствии со значением на выходах датчиков Холла. ДХ_A, ДХ_B и ДХ_C подключаются к входам источников внешних прерываний или к трем внутренним компараторам. Компараторы генерируют такой же тип прерываний, что и внешние прерывания. На рисунке 8 показано, как используются порты ввода-вывода в стартовом наборе.
VMOT (Vдв.) и VMOT_Half (1/2 Vдв.) реализованы, но не используются. Они могут использоваться для получения информации о напряжении питания двигателя. Выходы H_x и L_x используются для управления силовым мостом. Как было сказано выше, они зависят от контроллера силового каскада (PSC), который генерирует ШИМ-сигналы. В таком применении рекомендуется использовать режим с выравниванием по центру (см. рисунок 9), когда регистр OCR0RA используется для синхронизации запуска преобразования АЦП для измерения тока.
Пауза неперекрытия между PSCn0 и PSCn1:
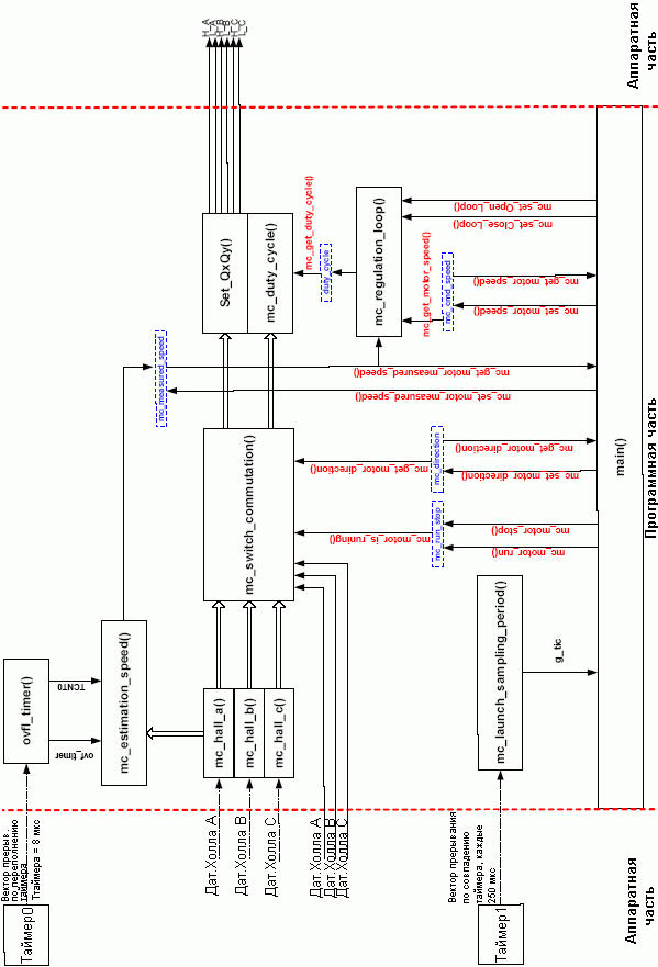
Блок PSC тактируется сигналов CLKPSC. Для подачи ШИМ-сигналов в силовой каскад может использоваться один из двух способов. Первый заключается в приложении ШИМ-сигналов к верхним и нижним частям силового каскада, а второй - в приложении ШИМ-сигналов только к верхним частям. Описание программного обеспечения Atmel разработала библиотеки для управления БКЭПТ. Первый шаг их использования заключается в конфигурации и инициализации микроконтроллера. Конфигурация и инициализация микроконтроллера Для этого необходимо использовать функцию mc_init_motor(). Она вызывает функции инициализации аппаратной и программной части, а также инициализирует все параметры двигателя (направление вращения, частота вращения и останов двигателя). Структура программной реализации После конфигурации и инициализации микроконтроллера может быть выполнен запуск двигателя. Для управления двигателем необходимо только несколько функций. Все функции определены в mc_lib.h: void mc_motor_run(void) - Используется для запуска двигателя. Вызывается функция контура стабилизации для установки рабочего цикла ШИМ. После этого выполняется первая фаза коммутации. Bool mc_motor_is_running(void) - Определение состояния двигателя. Если '1', то двигатель работает, если '0', то двигатель остановлен. void mc_motor_stop(void) - Используется для остановки двигателя. void mc_set_motor_speed(U8 speed) - Установка заданной пользователем скорости. U8 mc_get_motor_speed(void) - Возвращает заданную пользователем скорость. void mc_set_motor_direction(U8 direction) - Установка направления вращения 'CW' (по часовой стрелке) или 'CCW' (против часовой стрелки). U8 mc_get_motor_direction(void) - Возвращает текущее направление вращения двигателя. U8 mc_set_motor_measured_speed(U8 measured_speed) - Сохранение измеренной скорости в переменной measured_speed. U8 mc_get_motor_measured_speed(void) - Возвращает измеренную скорость. void mc_set_Close_Loop(void) void mc_set_Open_Loop(void) - Конфигурация контура стабилизации: замкнутый контур или разомкнутый (см. рисунок 13).
На рисунке 11 показаны четыре переменные mc_run_stop (пуск/стоп), mc_direction (направление), mc_cmd_speed (заданная скорость) и mc_measured_speed (измеренная скорость). Они являются основными программными переменными, доступ к которым может выполняться посредством ранее описанных пользовательских функций. Программную реализацию можно рассматривать как черный ящик с наименованием "Управление двигателем" (рисунок 12) и несколькими входами (mc_run_stop, mc_direction, mc_cmd_speed, mc_measured_speed) и выходами (все сигналы управления силовым мостом).
Большинство функций доступны в mc_drv.h. Только некоторые из них зависят от типа двигателя. Функции можно разделить на четыре основных класса:
void mc_init_HW(void); Инициализация аппаратной части полностью выполнена в этой функции. Здесь выполняется инициализация портов, прерываний, таймеров и контроллера силового каскада. void mc_init_SW(void); Используется для инициализации программного обеспечения. Разрешает все прерывания. void mc_init_port(void); Инициализация порта ввода-вывода путем задания через регистры DDRx, какие выводы функционируют как вход, а какие как выход, а также с указанием, на каких входах необходимо включить подтягивающие резисторы (через регистр PORTx). void mc_init_pwm(void); Данная функция запускает ФАПЧ и устанавливает все регистры PSC в исходное состояние. void mc_init_IT(void); Модифицируйте данную функцию для разрешения или запрета типов прерываний. void PSC0_Init ( unsigned int dt0, unsigned int ot0, unsigned int dt1, unsigned int ot1); void PSC1_Init ( unsigned int dt0, unsigned int ot0, unsigned int dt1, unsigned int ot1); void PSC2_Init (unsigned int dt0, unsigned int ot0, unsigned int dt1, unsigned int ot1); PSCx_Init позволяет пользователю выбрать конфигурацию контроллера силового каскада (PSC) микроконтроллера.
U8 mc_get_hall(void); Считывание состояния датчиков Холла, соответствующее шести ступеням коммутации (HS_001, HS_010, HS_011, HS_100, HS_101, HS_110). _interrupt void mc_hall_a(void); _interrupt void mc_hall_b(void); _interrupt void mc_hall_c(void); Данные функции выполняются, если выявлено внешнее прерывание (изменение выхода датчиков Холла). Они позволяют выполнить коммутацию фаз и вычислить скорость. void mc_duty_cycle(U8 level); Данная функция устанавливает рабочий цикл ШИМ в соответствии с конфигурацией PSC. void mc_switch_commutation(U8 position); Коммутация фаз выполняется в соответствии со значением на выходах датчиков Холла и только в случае, если пользователь запустит двигатель.
void mc_config_sampling_period(void); Инициализация таймера 1 для генерации прерывания каждые 250 мкс. _interrupt void launch_sampling_period(void); После активизации 250 мкс-ого прерывания устанавливает флаг. Он может использоваться для управления временем преобразования.
void mc_config_time_estimation_speed(void); Конфигурация таймера 0 для выполнения функции вычисления скорости. void mc_estimation_speed(void); Данная функция вычисляет частоту вращения двигателя на основе принципа измерения периода следования импульсов датчика Холла. _interrupt void ovfl_timer(void); При возникновении прерывания выполняется приращение 8-разрядной переменной для реализации 16-разрядного таймера с помощью 8-разрядного таймера.
_interrupt void ADC_EOC(void); Функция ADC_EOC выполняется сразу после завершения преобразования усилителя для установки флага, который может использоваться пользователем. void mc_init_current_measure(void); Данная функция инициализирует усилитель 1 для измерения тока. U8 mc_get_current(void); Считывание значения тока, если преобразование завершено. Bool mc_conversion_is_finished(void); Индицирует завершение преобразования. void mc_ack_EOC(void); Сброс флага завершения преобразования.
void mc_set_Over_Current(U8 Level); Устанавливает порог определения токовой перегрузки. В качестве порога выступает выход ЦАП, связанный с внешним компаратором. Контур стабилизации Контур стабилизации выбирается с помощью двух функций: разомкнутый (mc_set_Open_Loop()) или замкнутый контур (mc_set_Close_Loop()). На рисунке 13 показан программно-реализованный контур стабилизации.
Замкнутый контур представляет собой контур стабилизации скорости на основе ПИД-регулятора. Далее будет показано, как настроить коэффициенты Кп и Ки. Коэффициент присутствует в контуре стабилизации, но не используется. Как было показано ранее, коэффициент Кп используется для стабилизации времени отклика двигателя. Вначале установите Ки и Кд равными 0. Для получения требуемого времени отклика двигателя необходимо подбирать значение Кп.
Параметр Ки используется для подавления статической погрешности. Оставьте коэффициент Кп неизменным и установите параметр Ки.
На рисунках 14 и 15 показаны примеры выбора правильных параметров регулятора Кп = 1, Ки = 0.5 и Kд = 0. Настройка параметра Кд:
Еще одним существенным параметром является время преобразования. Его необходимо выбирать относительно времени реагирования системы. Время преобразования должно быть, по крайней мере, в два раза меньше времени отклика системы (по правилу Котельникова). Для конфигурации времени преобразования предусмотрены две функции (обсуждались выше). Их результат отображается в глобальной переменной g_tick, которая устанавливается каждые 250 мкс. С помощью данной переменной возможно настроить время преобразования. ЦПУ и использование памяти Все измерения выполняются при частоте генератора 8МГц. Они также зависят от типа двигателя (количество пар полюсов). При использовании двигателя с 5 парами полюсов частота сигнала на выходе датчика Холла в 5 раз ниже частоты вращения двигателя. Все результаты, приведенные на рисунке 16, получены при использовании трехфазного БКЭПТ с пятью парами полюсов и максимальной частотой вращения 14000 об/мин.
В худшем случае уровень загрузки микроконтроллера около 18% с временем преобразования 80 мс и частотой вращения 14000 об/мин. Первую оценку можно выполнить для более быстрого двигателя и с добавлением функции стабилизации тока. Время выполнения функции mc_regulation_loop() находится между 45 и 55мкс (необходимо принять во внимание время преобразования АЦП около 7 мкс). Для оценки был выбран БКЭПТ с временем отклика тока около 2-3 мс, пятью парами полюсов и максимальной частотой вращения около 2-3 мс. Максимальная частота вращения двигателя равна около 50000 об/мин. Если ротор использует 5 пар полюсов, то результирующая частота на выходе датчиков Холла будет равна (50000 об/мин/60)*5 = 4167 Гц. Функция mc_estimation_speed() запускается при каждом нарастающем фронте датчика Холла А, т.е. каждые 240 мкс при длительности выполнения 31 мкс. Функция mc_switch_commutation() зависит от работы датчиков Холла. Она выполняется при возникновении фронтов на выходе одного из трех датчиков Холла (нарастающий или падающий фронты), таким образом, за один период импульсов на выходе датчика Холла генерируется шесть прерываний, а результирующая периодичность вызова функции равна 240/6 мкс = 40 мкс. Наконец, время преобразования контура стабилизации должно быть, по крайней мере, в два раза меньше чем время реагирования двигателя (около 1 мс). Результаты приведены на рисунке 17.
В таком случае уровень загрузки микроконтроллера около 61%. Все измерения выполнялись с использованием одного и того же программного обеспечения. Коммуникационные ресурсы не используются (УАПП, LIN...). При таких условиях используется следующий объем памяти:
Конфигурация и использование ATAVRMC100 На рисунке 18 представлена полная схема различных режимов работы стартового набора ATAVRMC100.
Режим работы Поддерживается два различных режима работы. Установите перемычки JP1, JP2 и JP3 в соответствии с рисунком 19 для выбора одного из этих режимов. В данных рекомендациях по применению используется только режим с использованием датчиков. Полное описание аппаратной части приведено в руководстве пользователя к набору ATAVRMC100.
На рисунке 19 показаны исходные установки перемычек, которые соответствуют использованию программного обеспечения, связанного с данными рекомендациями по применению. Программа, которая поставляется вместе с платой ATAVRMC100, поддерживает два режима работы:
Заключение В данных рекомендациях по применению представлено аппаратное и программное решение устройства управления бесколлекторным электродвигателем постоянного тока с использованием датчиков. Помимо данного документа, доступен для скачивания полный исходный код. В состав программной библиотеки входит функции запуска и управления скоростью любого БКЭПТ со встроенными датчиками. Принципиальная схема содержит минимум внешних компонентов, необходимых для управления БКЭПТ со встроенными датчиками. Возможности ЦПУ и памяти микроконтроллера AT90PWM3 позволят разработчику расширить функциональные данного решения.
|























