Курсовая работа: Червячный одноступенчатый редуктор
|
Название: Червячный одноступенчатый редуктор Раздел: Промышленность, производство Тип: курсовая работа | |||||||||||||||||||||||||||||||||||||||||||||||||||||||||||||||||||||||||||||||||||||||||||||||||||||||||||||||||||||||||||||||||||||||||||||||||||||||||||||||||||||||||||||||||||||||||||||||||||||||||||||||
| Государственный комитет Российской Федерации по рыболовству Камчатский Государственный Технический Университет Кафедра механики Курсовой проект по деталям машин “Червячный одноступенчатый редуктор” ПМТ000108.000 Проект выполнил: Студент группы 98 Т Молчанов Д.А. Проект принял: к.т.н. доцент Лебедева А.П. Петропавловск-Камчатский 2000 1. Выбор двигателя, кинематический расчет привода 1.1 Определение общего КПД двигателя КПД закрытой передачи- hзп=0,79 КПД подшипников качения- hпк=0,99 КПД муфты- hм=0,98
1.2 Определение мощности на выходном валу Ррм=Qu=2700×2=5400 (Вт) 1.3 Определение требуемой мощности электродвигателя Рдв=Ррм/h=5400/0,79=8625,46 (Вт) 1.4 Подбор двигателя Рном³Рдв Рном=11 кВт
1.5 Определение передаточного числа привода Передаточное число привода u определяется отношением номинальной частоты вращения двигателя nном. К частоте вращения приводного вала рабочей машины nрм при номинальной нагрузке: и=пном/прм.
и1=n1ном/nрм=1458/121,6=11,99 и2=n2ном/nрм=973/121,6=8,0016 иф=8 1.6 Сравнительный анализ по величине погрешности общего передаточного отношения и выбор одного двигателя
Выбираем двигатель 4А160S6У3 (Рном=11 кВт, пном=973 об/мин, изп=8) 1.7 Определение силовых и кинематических параметров привода Частота вращения п, об/мин. пдв=пном=973 об/мин пБ=пном=973об/мин пт=пБ/изп=973/8=121,6 об/мин Угловая скорость w, 1/с wном=pпном/30=3,14×973/30=101,8 (1/с) wБ=wном=101,8 (1/с) wТ=wБ/изп=101,8/8=12,7 (1/с) Вращающий момент Т, Н×м Тдв=Рдв/wном=8652,46/101,8=85 (Н×м) ТБ=Тдвhмhпк=85×0,98×0,99=82,5 (Н×м) Тт=ТБизпhзпhпк=82,5×8×0,85×0,99=555 (Н×м) Таблица 1.
Дв-вал двигателя, Б-вал редуктора быстроходный, Т-вал редуктора тихоходный, 2. Выбор материала червяка и червячного колеса. Определение допускаемых напряжений Выбираем марку стали для червяка и определяем её механические характеристики: (по табл. 3.1, А.Е. Шейнблит «КПДМ») при мощности P=11 кВт червяк изготовляется из стали 40Х с твёрдостью ≥ 45 HRCэ, термообработка- улучшение и закалка ТВЧ (током высокой частоты); (по табл. 3.2, А.Е. Шейнблит «КПДМ») для стали 40Х- твёрдость 45…50 HRCэ, σв=900 Н/ мм2, σт=750 Н/ мм2. Определяем скорость скольжения
В соответствии со скоростью скольжения (по табл. 3.5, А.Е. Шейнблит «КПДМ» ) из группы II принимаем сравнительно дешёвую бронзу БРА10Ж4Н4, полученную способом центробежного литья; σв=700 Н/ мм2, σт= 460 Н/ мм2. Для материала венца червячного колеса (по табл. 3.6, А.Е. Шейнблит «КПДМ») определяем допускаемые контактные [σ]H и изгибные [σ]F напряжения. а) при твёрдости витков червяка ≥ 45 HRCэ [σ]H=300- 25Vs= 210 (Н/ мм2). б) коэффициент долговечности
где наработка N= =573wТLh= Тогда Для нереверсивной передачи: [σ]F= Таблица 2. Механические характеристики материалов червячной передачи.
3. Расчет закрытой червячной передачи.(стр.71-75, Ш.). Проектный расчёт Определить главный параметр - межосевое расстояние из условия контактной выносливости:
где (стр. 61 формула 4.19, стр.64 параграф 4.4, Ч.) К- коэффициент нагрузки, и который равен: К=1,2 . z2=u×z1, где z2- число зубьев червячного колеса; z1-число витков червяка, зависит от передаточного числа редуктора u: при u=8, z1=4 (п. 4.3(пп.2), А.Е. Шейнблит «КПДМ»). z2=8×4=32.
Определить модуль зацепления m, мм:
Принимаем по ГОСТ 2144-76 m=8, q=8. Межосевое расстояние при стандартных значениях m и q:
Определить основные геометрические размеры передачи, мм (стр.73, Ш.) Основные размеры червяка: Делительный диаметр червяка d1=dw1=q×m=8×8=64 (мм). Диаметр вершин витков червяка da1=d1+2×m=64+2×8=80 (мм). Диаметр впадин витков червяка df1=d1-2,4m=64-2,4×8=44,8 (мм). Длина нарезаемой части червяка (при z1=4) b1³(12.5+0.09×z2)×m, b1 g=arctg(z1/q), g=26°34¢ Основные размеры венца червячного колеса: Делительный диаметр червячного колеса d2=dw2=z2×m=32×8=256 (мм). Диаметр вершин зубьев червячного колеса da2=d2+2m=256+2×8=272 (мм). Диаметр впадин зубьев червячного колеса df2=d2-2,4m=256-2,4×8=236,8 (мм). Наибольший диаметр червячного колеса:
Ширина венца червячного колеса: b2£0.67da1=0.67×80=53,6 (мм). Условный угол обхвата червяка венцом колеса 2δ:
Угол 2δ определяется точками пересечения дуги окружности диаметром d'=da1-0,5m=76 с контуром венца колеса и может быть принят равным 900…1200. 4.Проверочный расчет. (стр.74-75, Ш.) Определить коэффициент полезного действия червячной передачи:
γ-делительный угол подъёма линии витков червяка; φ-угол трения. Определяется в зависимости от фактической скорости скольжения vs=uф·w2·d1/(2cosγ·103)=8·12,7·64/2·0,9·103 =3,6 (м/с) (табл.4.9, Ш.). Проверить контактные напряжения зубьев колеса σH, Н/мм2:
Ft2- окружная сила на колесе. а) Ft2=2T2·103/d2=2·555·103/256=4336 Н; б) К- коэффициент нагрузки. Принимается в зависимости от окружной скорости колеса v2=w2d2/(2·103)=12,7·256/2000=1,63 (при v2≤3 м/с К=1).
σH > [σ]H. Допускается недогрузка передачи (σH < [σ]H) не более 15% и перегрузка (σH > [σ]H) до 5%. Проверить напряжения изгиба зубьев колеса σF, Н/мм2:
Yf2=1,48- коэффициент формы зуба колеса. Определяется (табл. 4.10, Ш.) в зависимости от эквивалентного числа зубьев колеса zv2=z2/cos3γ=32/(0,8942)3=45,1 (45).
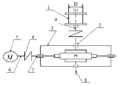
При проверочном расчёте σF получается меньше [σ]F, так как нагрузочная способность червячных передач ограничивается контактной прочностью зубьев червячного колеса. Дано: Q=2700H=2,7 кН u=2,8 м/с D=440мм 1-барабан (рабочая машина) 2-подшипники качения 3-червячный редуктор 4-упругая муфта 5-двигатель 6-вал двигателя 7-быстроходный вал двигателя 8-тихоходный вал двигателя 9-вал рабочей машины
5. Проектный расчёт валов. (стр.108(табл.7.1), Ш.) Определение размеров ступеней валов одноступенчатых редукторов, мм. а) Вал- червяк. (рис.7.1, а, Ш.) 1-я ступень вала (под элемент открытой передачи или полумуфту):
Мк=Т1=48,5- крутящий момент, равный вращающему моменту на валу, Н×м; [τ]к=12 Н/мм2- допускаемое напряжение на кручение (меньшие значения [τ]к берутся для быстроходных валов).
2-я ступень вала(под уплотнение крышки с отверстием и подшипник.)
t=2,2- высота буртика (определяется в зависимости от диаметра ступени d1). (стр.109, примечание 1, Ш.)
3-я ступень вала (под шестерню):
r=2,5- координаты фаски подшипника (определяется в зависимости от диаметра ступени d1). (стр.109, примечание 1, Ш.) l3 определить графически на эскизной компоновке. (стр.116, 7.5, п.5, Ш.) 4-я ступень вала (под подшипник): d4=d2=40. l4=T=28, где T- ширина подшипника. (стр.414, табл.К29, Ш.) (определяется в зависимости от диаметра ступени d1, средняя серия (7305) ). 5-я ступень вала (упорная или под резьбу): d5 не конструируют. l5 определить графически. (стр.116, 7.5, п.5, Ш.) б) Вал колеса. (рис.7.1, г, Ш. ) 1-я ступень вала (под элемент открытой передачи или полумуфту):
Мк=Т2=555- крутящий момент, равный вращающему моменту на валу, Н×м; [τ]к=17 Н/мм2 - допускаемое напряжение на кручение (большие значения [τ]к берутся для тихоходных валов).
2-я ступень вала (под уплотнение крышки с отверстием и подшипник):
t=2,8- высота буртика (определяется в зависимости от диаметра ступени d1). (стр.109, примечание 1, Ш.)
3-я ступень вала (под шестерню):
r=3- координаты фаски подшипника (определяется в зависимости от диаметра ступени d1). (стр.109, примечание 1, Ш.) l3 определить графически на эскизной компоновке. (стр.116, 7.5, п.5, Ш.) 4-я ступень вала (под подшипник): d4=d2=60 l4=T=21, где T- ширина подшипника. (стр.414, табл.К29, Ш.) (определяется в зависимости от диаметра ступени d1, лёгкая серия (7209)). 5-я стуень(упорная или под резьбу)
f- фаска ступицы. (определяется в зависимости от диаметра ступени d1). (стр.109, примечание 1, Ш.) l5 определить графически. (стр.116, 7.5, п.5, Ш.) Предварительный выбор подшипников качения. (стр.111, табл.7.2, Ш.) а) Вал- червяк. Конические роликовые типа 7000, средняя серия, схема установки-3 (враспор). Основные параметры подшипников (ГОСТ 333- 79): типоразмер 7307; геометрические размеры, мм: d1=35, D=80,T=22,75, где D- диаметр наружного кольца подшипников. Cr=54- динамическая грузоподъёмность, кН; C0r=38- статическая грузоподъёмность, кН. е = 0,32 б) Вал колеса. Конические роликовые типа 7000, лёгкая серия, схема установки-3 (враспор). Основные параметры подшипников (ГОСТ 333- 79): типоразмер 7211; геометрические размеры, мм: d1=55, D=100,T=22,75 где D- диаметр наружного кольца подшипников; Cr=65- динамическая грузоподъёмность, кН; C0r=46- статическая грузоподъёмность, кН. ; е = 0,41 Таблица 4. Параметры ступеней валов и подшипников.
6. Компоновка. (стр.117, 72-73, 414 (табл.К29), Ш.) 1) Для предотвращения задевания поверхностей вращающихся колёс за внутренние стенки корпуса контур стенок провести с зазором x=10 мм; 2) d, D, T- геометричиские размеры подшипников; e- коэффициент влияния осевого нагружения. 3) Расстояние y между дном корпуса и поверхностью колёс или червяка для всех типов редукторов принять y³4x=40 мм; 4) S=0,2D=16 (мм); 5) Радиусы закруглений зубьев:
6) 7) 7. Нагрузки валов редуктора Определение сил в зацеплении закрытых передач. На червяке: Ft 1= FR 1=FR 2=Ft 2tga= Fa1=Ft 2=4336 (H), где a=200 (угол зацепления.) – осевая сила в зацеплении. На колесе: Ft 2= Fr 2=Ft 2tga=1561 (H) – радиальная. Fa 2=Ft 1=2662,5 (H) – осевая. Определение консольных сил. FM 1= FM 2= 8.Расчетная схема валов редуктора.(Шейнблит, стр.126) lб=236- расстояние между точками приложения реакций в опорах подшипников вала-червяка,мм lт=101 - расстояние между точками приложения реакций в опорах вала-колеса,мм. lм=9 мм, lоп=79 мм, - расстояние между точками приложения консольной силы и реакции смежной опоры подшипника. Определение реакций в опорах подшипников. Построение эпюр изгибающих и крутящих моментов (вал-червяк). .Вертикальная плоскость. А) определить опорные реакции, Н. åМ3=0, Ray lб + Fa1d1/2 - Fr1 l б/2 =0, Ray = åM1=0, Rby lб - Fr1 lб/2 – Fa1 d1/2 =0, Rby = Проверка: åу =0, Rby – Fr1 + Ray =0, 1368 + 193 - 1561 =0. б) строим эпюру изгибающих моментов относительно оси х, в характерных сечениях 1…3, Н м. Мх1=0, Мх4= Ray lб/2·103= 22,8 Mx3=0, Mx2= Rby lб/2·103= 161,4 Горизонтальная плоскость. а)определяем опорные реакции, Н. åМ3=0, -Fm (lm+ lб) + Ft1 lб/2 + Rax lб=0, Rax= åM1=0, Rbx lб – Ft1 lб/2 – Fm1 lm=0, Rbx= åx=0, -Rax + Rbx – Ft1 + Fm1=0, 1135,4 – 2899,9 +2662,5- 898= 0. б) строим эпюру изгибающих моментов, относительно у, в характерных сечениях 1…4, Н м. Му1=0, Му2= Rаx lб/2·=-108 My4=0, My3= Rаx lб/2·– Ft1 lб/2= - 530 Строим эпюру крутящих моментов, Н м Мк = Мz =Т1=82,5 Определяем суммарные радиальные реакции, Н. RA = RB = Определяем суммарный изгибающий момент в наиболее нагруженном сечении вала ,Н·м. М2 = Определение реакций в опорах подшипников. Построение эпюр изгибающих и крутящих моментов (вал-колеса). Вертикальная плоскость. А) определяем опорные реакции, Н åМ3 =0, -Rаy lт + Fa2 d2/2 – Fr2 lт /2 =0, Rаy = åM1 =0, Fr2 lт /2 + Fa2 d2 /2 – Rвy lТ =0, Rвy = Проверка: åу =0, -Rвy + Fr2 + Rаy =0, -4154,8 + 1561 + 2593,8 =0. б) строим эпюру изгибающих моментов относительно оси х, в характерных сечениях 1...3, Н м. Мх1 =0, Мх3 =–Rаy lТ /2 = 131 Mx2 =0, Мx4 =Rвy lТ /2 =209,8 Горизонтальная плоскость. А) определяем опорные реакции, Н. åМ3 =0, -Fm (lоп + lТ) + Rаx lТ + Ft2 lТ /2 = 0, Rаx = åМ1 =0, -Fm lоп – Ft2 lТ /2 + Rвx lТ =0,
Проверка: åх =0, Fm – Rаx + Rвx – Ft2 =0, 5890 – 833,5 – 4336 + 6773,5 = 0. б) строим эпюру изгибающих моментов относительно оси у в характерных сечениях 1...4, Н м. My1 =0, My3 = Fm lоп = - 465 My4 =0, My2 = - Rаx lт /2 = - 342 Строим эпюру крутящих моментов, Н м Мк =Мz =Т2 =555 Определяем суммарные радиальные реакции, Н. Rа = Rв = Определяем суммарный изгибающий момент, Н м. М2 = 9. Расчётная схема валов редуктора (Ш. стр. 126) Построение эпюр изгибающих и крутящих моментов (вал-червяк) Таблица 4. Определение эквивалентной нагрузки.
10. Проверочный расчёт подшипников Определение эквивалентной динамической нагрузки. (стр.128 (табл.9.1), Ш.) RE=(XVRr+YRa)·КбКТ при RE=VRrКбКТ при RE- эквивалентная динамическая нагрузка, Н. а) расчёт эквивалентной динамической нагрузки для быстроходного вала:
RE1= VRr1КбКТ=1·3206·1,2·1=3847,2 б) расчёт эквивалентной динамической нагрузки для тихоходного вала:
RE1= VRr2КбКТ=1·9309·1,2·1=11170,8 Рассчитать динамическую грузоподъёмность Сrp. (стр.128 Ш.) Базовая динамическая грузоподъемность подшипника представляет собой постоянную радиальную нагрузку, которую подшипник может воспринять при базовой долговечности, составляющей 106 оборотов внутреннего кольца. Пригодность подшипников определяется сопоставлением расчетной динамической нагрузки Сrp, с базовой Сr, или базовой долговечности L10h ,с требуемой Lh по условиям Crp а) расчет динамической грузоподъёмности для быстроходного вала. Crp1= Re Сrp1< Cr1 б) расчет динамической грузоподъемности для тихоходного вала. Сrp2= Crp2< Cr2 Рассчитать базовую долговечность L10h (cтр 128 Ш.) а) расчет базовой долговечности для быстроходного вала. L10h1= L10h1> Lh б) расчет базовой долговечности для тихоходного вала. L10h2= L10h2> Lh Так как в результате расчетов выдержано условие Сrp< Cr и, как следствие, L10h > Lh ,то предварительно выбранные подшипники пригодны для конструирования подшипниковых узлов. 11. Проверка точности шпоночных соединений.(Чернавский стр.169 табл.8.9 ) Расчет напряжения смятия Тихоходный вал а) под колесом
Т2- крутящий момент на тихоходном валу, Н/мм2. d3 =72 – диаметр вала в месте установки шпонки, мм. h =12 – высота шпонки, (ГОСТ 24071-80) ,мм. t1 =7,5 – глубина паза вала (ГОСТ 24071-80) ,мм.
Шпонка 20´12´36 ГОСТ 23360-78. б) под полумуфтой
d1 =55,7 –диаметр вала в месте установки шпонки ,мм. h =10 –высота шпонки ,мм. t1 =6- глубина паза вала ,мм. l=56 – длина шпонки ,мм. Шпонка 16´10´56 ГОСТ 23360-78. Быстроходный вал : а) под полумуфту
d1 =35- диаметр вала в месте установки шпонки ,мм . h =8 –высота шпонки ,мм. t1 =4 –глубина паза вала ,мм. l =32 –длина шпонки ,мм. Шпонка 10´8´32 ГОСТ 23360-78. Проверка шпонок на срез. Тихоходный вал.
Следовательно условие, Быстроходный вал.
b =10 –ширина шпонки ,мм. Следовательно условие 13. Уточнённый расчет валов. (Чернавский стр.383, 311.) Уточнённый расчет состоит в определении коэффициентов запаса прочности s для опасных сечений и сравнении их с допускаемыми значениями Будем производить расчет для предположительно опасных сечений каждого из валов. Проверочный расчёт быстроходного вала.(Чернавский стр.311, 383, 165) Расчет на жесткость. Приведенный момент инерции поперечного сечения червяка:
Стрела прогиба : f= Допускаемый прогиб :
Таким образом, жесткость обеспечена, так как выполнено условие Определение коэффициента запаса прочности s. Предел выносливости при симметирчном цикле изгиба: σ-1=0,43σВ= 387 (Н/мм2). Предел выносливости при симметричном цикле касательных напряжений: τ –1=0,58σ-1=224,5 (Н/мм2). Коэффициент запаса прочности:
амплитуда и среднее напряжение отнулевого цикла: τv= τm=
Принимаем kτ=1,37- эффективный коэффициент концентрации касательных напряжений (табл.8.2, Ч.), ετ=0,7- масштабный фактор для касательных напряжений (табл.8.8, Ч.), ψτ=0,1 (стр.166, Ч.);
Коэффициент запаса прочности по нормальным напряжениям:
ψσ=0,2 (стр.163, Ч.), σv= kσ=1,8- эффективный коэффициент концентрации нормальных напряжений (табл.8.2, Ч.), εσ=0,88- масштабный фактор для нормальных напряжений;
Результирующий коэффициент запаса прочности:
Проверочный расчёт тихоходного вала. Предел выносливости при симметричном цикле изгиба: σ-1=0,43σВ= 301 (Н/мм2). Предел выносливости при симметричном цикле касательных напряжений: τ –1=0,58σ-1=174,5 (Н/мм2). Коэффициент запаса прочности по касательным напряжениям:
амплитуда и среднее напряжение цикла касательных напряжений: τv= τm=
Принимаем kτ=1,6 (табл.8.5, Ч.), ετ=0,7 , (табл.8.8, Ч.), ψτ=0,1 (стр.166, Ч.),
Коэффициент запаса прочности по нормальным напряжениям:
Амплитуда нормальных напряжений изгиба:
M3- суммарный изгибающий момент в сечении; Wнетто- момент сопротивления изгибу;
Результирующий коэффициент запаса прочности:
Проверочные расчёты на прочность повсеместно дают удовлетворительные результаты. 14. Смазывание. Смазочные устройства. (стр.240, Ш.) Смазывание червячных зацеплений и подшипников применяют в целях защиты от коррозии, снижения коэффициента трения, уменьшения износа, овода тепла и продуктов износа от трущихся поверхностей, снижения шума и вибрации. Способ смазывания Для редукторов общего назначения применяют непрерывное смазывание жидким маслом картерным непроточным способом. Этот способ применяют для червячных передач с цилиндрическим червяком смазывание окунанием допустимо до скорости скольжения 10 м/с. Выбор сорта масла. (табл.10.29, Ш.) Выбор сорта масла зависит от расчётного контактного напряжения в зубьях и фактической окружной скорости колёс И-Т-Д-220, И- индустриальное; Т- для тяжело нагруженных узлов; Д- масло с антиокислительными, антикоррозийными, противоизносными, противозадирными присадками; 220- класс кинематической вязкости. Кинематическая вязкость при 400С, мм2/с (сСт)- 200. Определение количества масла. Для одноступенчатых редукторов при смазывании окунанием объём масляной ванны определяют из расчёта 0,4…0,8 л масла на 1 кВт передаваемой мощности. Имеем P=11 кВт => объём масляной ванны 6,6 л. Определение уровня масла m£hМ£0,25d2. При нижнем расположении червяка hМ=(0,1…0,5) d1, при этом hМ min=2,2m hМ=0,3 d1=0,3·64=19,2 (мм); hМ min=2,2·8=17,4 (мм). Контроль уровня масла. Уровень масла, находящегося в корпусе редуктора, контролируют различными маслоуказателями. Выбираем жезловые маслоуказатели |
|||||||||||||||||||||||||||||||||||||||||||||||||||||||||||||||||||||||||||||||||||||||||||||||||||||||||||||||||||||||||||||||||||||||||||||||||||||||||||||||||||||||||||||||||||||||||||||||||||||||||||||||
,
.
,
(мм).
, где
, где
, где
.




.
(ч)
(ч)
, где
.
, где
;
>[s], где [s]=1,7.
, где
.
, где
;
>[s], где [s]=1,7.