Реферат: Математическое моделирование технологического процесса изготовления ТТЛ-инвертора
|
Название: Математическое моделирование технологического процесса изготовления ТТЛ-инвертора Раздел: Промышленность, производство Тип: реферат | ||||||||||||||||||||||||||||||||||||||||||||||||||||||||||||||||||||||||||||||||||||||||||||||||||||||||||||||||||||||||||||||||||||||||||||||||||||||||||||||||||||||||||||
Министерство образования Российской Федерации Новгородский государственный университет имени Ярослава Мудрого Кафедра физики твёрдого тела и микроэлектроники Математическое моделирование технологического процесса изготовления ТТЛ-инвертора Курсовая работа по дисциплине: Математическое моделирование технологических процессов полупроводниковых приборов и ИМС Принял: доцент кафедры ФТТМ ___________ Б.М. Шишлянников “_____” _________ 2000 г. доцент кафедры ФТТМ ___________ В.Н. Петров “_____” _________ 2000 г Выполнил: Студент гр. 6031 ___________ Д.С. Бобров “_____” _________ 2000 г. Великий Новгород 2000 Техническое задание 1 Предложить топологический вариант и представить режим технологического процесса изготовления биполярной структуры интегральной схемы полагая, что локальное легирование производиться методом диффузии. 2 Представить распределение примесей в отдельных областях структуры. Процессы сегрегации примеси при окислении можно не учитывать. 3 Рассчитать параметры модели биполярного транзистора, исходя из значений слоевых сопротивлений и толщины слоев структуры. 4 Рассчитать входные и выходные характеристики биполярного транзистора. 5 Рассчитать основные параметры инвертора, построенного на базе биполярного транзистора (напряжения логических уровней, пороговые напряжения, помехоустойчивость схемы, времена задержки и средний потребляемый ток схемы). 6 Рассчеты провести для номинальных значений режимов процесса диффузионного легирования и для двух крайних значений, определяемых с точностью поддержания температур при легировании области эмиттера Т= 7 Разрешается аргументированная корректировка параметров технологического процесса или заданных слоев, с тем чтобы получить приемлемые характеристики схемы. Таблица 1- Исходные данные
Содержание 1Расчет режимов технологического процесса и распределение примесей после диффузии. 6 1.1 Распределение примесей в базе. 6 1.2 Расчет режимов базовой диффузии. 6 1.3 Распределение примесей в эмиттере. 8 1.4 Расчет режимов эмиттерной диффузии. 8 2 Расчет слоевых сопротивлений биполярного транзистора. 13 3 Расчет основных параметров инвертора. 15 Список используемой литературы.. 19 Реферат Целью данной работы является моделирование технологического процесса изготовления биполярной структуры, затем ТТЛ-инвертора на базе этой структуры. В ходе работы необходимо рассчитать основные параметры схемы. Пояснительная записка содержит: -страниц………………………………………………………………..20; -рисунков………………………………………………………………..4; -таблиц…………………………………………………………………..3; -приложений…………………………………………………………...10. Развитие микроэлектроники и создание новых БИС и СБИС требует новых методов автоматизированного проектирования, основой которого является математическое моделирование всех этапов разработки микросхемы. Необходимость внедрения гибких систем автоматизированного проектирования очевидна, поскольку проектирование микросхем сложный и длительный процесс. В настоящее время используется сквозное моделирование микросхем, которое включает в себя расчет и анализ характеристик и параметров на следующих уровнях: -технологическом; -физико-топологическом; -электрическом; -функционально-логическом. В ходе данной работы нам необходимо осуществить сквозное проектирование схемы ТТЛ-инвертора на трех первых уровнях. Расчеты предусматривается произвести с использование программы расчета параметров модели биполярного транзистора Biptran и программы схемотехнического моделирования PSpice. 1Расчет режимов технологического процесса и распределение примесей после диффузии 1.1 Распределение примесей в базе Распределение примесей в базе описывается кривой Гаусса и определяется формулой:
где: NS - поверхностная концентрация акцепторов; D- коэффициент диффузии примеси; t- время диффузии;
Поверхностная концентрация определяется по формуле:
Из формулы 1 выражаем D2 t2 :
Тогда имеем следующее выражение для распределения примеси в базе:
Результаты расчета распределения примеси в базе приведены в таблице 1, а сама кривая представлена на рисунке 1. 1.2 Расчет режимов базовой диффузии К основным параметрам диффузионного процесса относят время диффузии и температуру диффузии. Из выражения 2 найдём произведение D1 t1 для первого этапа диффузии (загонки) по формуле:
где В результате получим:
Коэффициент диффузии примеси определяется из выражения Аррениуса:
где
k – постоянная Больцмана, Т – температура процесса диффузии. Таким образом для бора получаем следующее выражение:
Температуру базовой диффузии при загонке выберем равной 1073К (800°С), а при разгонке 1373К (1100°С) тогда:
1.3 Распределение примесей в эмиттере Эмиттерную диффузию ведут в одну стадию и распределение примеси описывается erfc-функцией:
(5) где
Диффузия мышьяка идёт в неоднородно легированную базовую область, поэтому расчётная формула усложняется:
(6) где
Подставив эти значения в выражение 6 получим: Подставляя это значение в выражение 5 получим распределение мышьяка в эмиттерной области после диффузии. График распределения представлен на рисунке 1. 1.4 Расчет режимов эмиттерной диффузии Найдём, по аналогии с базовой диффузией, для эмиттерной время и температуру процесса. В данном случае температура процесса задана (1100°С) и необходимо найти только время диффузии. Для этого необходимо сначала определить коэффициент диффузии, который находится из выражения 4. Постоянная диффузии D0
энергия активации
Решив это уравнение получим:
t=98мин 33сек. Так как эмиттерная диффузия проходит при высоких температурах, то она оказывает влияние на диффузию бора в базовой области. Необходимо учитывать это влияние. Учесть эмиттерную диффузию при базовой можно по следующей формуле:
Таким образом время разгонки при базовой диффузии с учётом влияния эмиттерной диффузии t2 =53мин 44сек.. В таблице 2 представлены все основные параметры диффузионных процессов. Таблица 2 – Параметры диффузионных процессов
* - время разгонки, представленное в таблице, уже с учётом эмиттерной диффузии Совмещённое распределение примесей определяется выражением: (8) где График совмещённого распределения примесей представлен на рисунке 2. Таблица 3-Распределение примесей в транзисторной структуре
1- Распределение мышьяка в эмиттерной области после диффузии; 2- Распределение бора в базовой области после диффукзии; 3- Концентрация примеси в коллекторе Рисунок 1-Профиль распределения примесей в эмиттере и базе
Рисунок 2- Суммарное распределение примесей эмиттера и базы 2 Расчет слоевых сопротивлений биполярного транзистора Слоевые сопротивления для базовой и эмиттерной областей рассчитываем по следующей формуле:
где q = 1.6ּ10 -19 Кл – заряд электрона; N(x,t) – распределение примеси в данной области транзисторной структуры; μ(N(x,t)) – зависимость подвижности от концентрации примеси. Зависимость подвижности от концентрации примеси определяется по формулам: (10) (11) Таким образом, слоевое сопротивление эмиттера рассчитываем по формуле:
где NЭМ (x,t) – распределение примеси в эмиттере рассчитанное по формуле 5. Теперь произведём расчёт слоевого сопротивления базы по формуле:
где NБАЗ (x,t) – распределение бора в базовой области рассчитанное по формуле 1. Для расчёта слоевых сопротивлений воспользуемся пакетом программ Mathcad 5.0 Plus, в результате расчёта получили следующие значения слоевых сопротивлений:
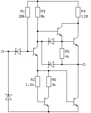
Произведём также расчёт слоевых сопротивлений для двух крайних значений, определённых с точностью поддержания температур при легировании области эмиттера Т=±1,5°С. В результате расчётов получим следующие значения слоевых сопротивлений: при Т = 1101,5°С при Т = 1098,5°С Затем с помощью программы Biptran рассчитаем параметры моделей транзисторов при номинальной температуре и для двух крайних значений, определённых с точностью поддержания температур при легировании области эмиттера Т=±1,5°С. В результате расчётов получаем следующие модели транзисторов (см. Приложение ). 3 Расчет основных параметров инвертора Схема инвертора представлена на рисунке 3.
Рисунок 3-Схема инвертораВ данной курсовой работе необходимо определить следующие параметры инвертора: · напряжение логических уровней; · пороговое напряжение; · времена задержки; · помехоустойчивость схемы; · среднюю потребляемую мощность. Прежде чем приступить к расчету основных параметров инвертора, учтем влияние технологического процесса на номиналы резисторов. В данной работе мы будем выполнять высокоомные резисторы на основе базового слоя, а низкоомные на основе эмиттерного слоя, то естественно, что изменение температуры будет сказываться на номиналах резисторов. Это связано с тем, как было описано выше, слоевое сопротивление изменяется с изменением температуры. Учитывая все выше сказанное и выражение:
где: l,b – геометрические размеры резисторов. Тогда:
где: R’ – сопротивление с учетом температуры. Таблица 4 – Сопротивления резисторов при различных температурах
При сравнении номиналов резисторов можно сделать вывод, что при увеличении температуры номиналы резисторов уменьшаются, а при уменбшении-увеличиваются. Напряжение логических уровней определяем по передаточной характеристики ТТЛШ – инвентора, построенной при помощи пакета программ Pspice, которая представленаа в Приложении . Напряжения логических нулей равны: U° =B; U' =B. Для того, чтобы найти пороговое напряжения необходимо продифференцировать U°пор = 0.5B, U'пор = 1.73B. Зная напряжения логических уровней и пороговые напряжения, можно определить помехоустойчивость схемы: Uпом = min(U0 пом,U1 пом) U0 пом = U0 пор – U0 U1 пом = U1 – U1 пор U0 пом = В U1 пом Uпом = ВВремя задержки легко определить, сравнением входного и выходного импульсов (Приложение ) = В
Средняя потребляемая мощность определяется из графика в Приложении 10:
Таким образом, получим потребляемую мощность: При расчёте выяснилось что у схемы маленькая помехоустойчивость. В связи с этим рекомендуется уменьшить сопротивление коллекторов у выходных транзисторов схемы (Q4 и Q5). Это приведёт к уменьшению напряжения логического нуля, что в свою очередь приведёт к повышению помехоустойчивости схемы. В ходе данной работы было произведено сквозное проектирование ТТЛШ – инвертора. В результате были рассчитаны параметры биполярного транзистора. Профили распределения примесей в биполярной структуре представлены на графиках в Приложениях 1,2,3, а модели транзисторов в Приложении 6. Кроме того мы рассчитали такие параметры ТТЛШ – инвертора, как напряжение логических уровней, пороговые напряжения, помехоустойчивость схемы, время задержки, среднюю потребляемую мощность. Результаты расчётов представлены в пункте 3 и приложениях 7,8,9,10. Полученные результаты удовлетворяют требованиям ТТЛШ – микросхем. Расчёты представленные в этой работе являются приближёнными, так как для более точных расчётов необходимы более мощные средства автоматического проектирования. В ходе работы мы пренебрегли процессами сегрегации примеси при окислении, а также зависимостью коэффициента диффузии от концентрации. В результате работы мы получим математическую модель технологического процесса ТТЛШ –инвертора. Список используемой литературы 1 Курносов А.И., Юдин В.В. Технология производства полупроводниковых приборов.- Москва.: Высшая школа, 1974. – 400с.: ил. 2 Черняев В.Н. Физико-химические процессы в технологии РЭА: Учебное пособие для вузов.- Москва.: Высшая школа, 1982. 224 с.: ил. 3 Матсон Э.А. Крыжановский Д.В. Справочное пособие по конструированию микросхем. –Мн.: Высшая школа, 1983. –271 с.: ил. 4 Коледов Л.А. Конструирование и технология микросхем. курсовое проектирование: Учебное пособие для вузов.- Москва.: Высшая школа, 1984. –231с.: ил. |
||||||||||||||||||||||||||||||||||||||||||||||||||||||||||||||||||||||||||||||||||||||||||||||||||||||||||||||||||||||||||||||||||||||||||||||||||||||||||||||||||||||||||||
, (1)
, (2)
, (3)

, (4)




. (7)

, (9)
, (12)
, (13)
,
,
