Дипломная работа: Оптимизация мероприятий по технической эксплуатации и обслуживанию электрооборудования на ЦРП-1
|
Название: Оптимизация мероприятий по технической эксплуатации и обслуживанию электрооборудования на ЦРП-1 Раздел: Рефераты по физике Тип: дипломная работа | ||||||||||||||||||||||||||||||||||||||||||||||||||||||||||||||||||||||||||||||||||||||||||||||||||||||||||||||||||||||||||||||||||
СОДЕРЖАНИЕ ВВЕДЕНИЕ 1. ХАРАКТЕРИСТИКА И ПАРАМЕТРЫ ПРОИЗВОДСТВЕННОЙ ДЕЯТЕЛЬНОСТИ ОАО "ЮТЭК - БЕЛОЯРСКИЙ" 1.1 Историческая справка 1.1.1 Краткая история создания общества1.1.2 Основные направления развития1.1.3 Цели и задачи ОАО «ЮТЭК-Белоярский» на 2008-2012 год 1.1.4 Структура управления и контроля общества1.1.5 Организационная структура1.2 Характеристика ЦРП-1 «Город» 1.2.1 Оборудование на напряжение 10 кВ 1.2.2 Релейная защита, автоматика и вторичная коммутация 1.2.3 Автоматизация 1.2.4 Собственные нужды ЦРП 1.2.5 Силовое электрооборудование 1.2.6 Измерение и учет электроэнергии. 1.2.7 Электрическое освещение 1.2.8 Заземление и защита от грозовых и внутренних перенапряжений 1.2.9 Организация эксплуатации 1.2.10 Мероприятия по технике безопасности 1.2.11 Противопожарные мероприятия 2. РАСЧЁТ ПАРАМЕТРОВ ЭЛЕКТРИЧЕСКОЙ СЕТИ 2.1 Расчет освещения помещения2.1.1 Выбор системы и вида освещения 2.1.2 Расчет размещения светильников2.2 Расчет аварийного освещения2.2.1 Расчет размещения светильников2.2.2 Проверка освещенности по точечному методу2.3 Расчет освещения кладовой методом удельной мощности2.3.1 Расчет размещения светильников2.3.2 Техника безопасности и эксплуатации2.4 Расчет токов короткого замыкания 3 ТЕХНИЧЕСКАЯ ЭКСПЛУАТАЦИЯ И ОБСЛУЖИВАНИЕ ЭЛЕКТРООБОРУДОВАНИЯ ЗРУ-10 кВ 3.1 Комплектные распределительные устройства серии КМ-1 3.1.1Общие сведения (применение) 3.1.2 Конструкция и принцип действия 3.1.3 Техническое обслуживание 3.2 Сравнение малообъемных масляных и вакуумных выключателей 3.2.1 Малообъемные масляные выключатели 3.2.2 Вакуумные выключатели 3.3 Вакуумные выключатели серии ВВ/TEL 3.3.1 Назначение и область применения 3.3.2 Принцип дугогашения 3.3.3 Конструкция выключателей 3.3.4 Техническое обслуживание 3.3.4.1 Общие правила обслуживания 3.3.4.2 Обслуживание выключателей, предназначенных для частых коммутационных операций 3.3.4.3 Меры безопасности 3.4 Щит постоянного тока ЩПТ-220 3.4.1 Основные сведения 3.4.2 Назначение ЩПТ 3.5 Обслуживание источников и сети оперативного тока 4. ОБОСНОВАНИЕ ЭКОНОМИЧЕСКОЙ ЦЕЛЕСООБРАЗНОСТИ ЗАМЕНЫ МАСЛЯНЫХ ВЫКЛЮЧАТЕЛЕЙ НА ВАКУУМНЫЕ 5. БЕЗОПАСНОСТЬ И ЭКОЛОГИЧНОСТЬ ПРОЕКТА 5.1 Безопасность электроустановок 5.1.1 Общие требования 5.1.2 Организационные мероприятия для безопасного проведения работ 5.1.3 Технические мероприятия для безопасного проведения работ 5.1.4 Производство оперативных переключений в электроустановках 5.2 Электрозащитные средства 5.3 Влияние электроустановок на окружающую среду 5.4 Воздействие электрического тока на организм человека 5.4.1. Факторы, влияющие на исход поражения током 5.4.2 Первая доврачебная помощь пораженному электрическим током 5.5 Пожарная безопасность 5.5.1 Требования пожарной безопасности в действующих электроустановках 5.5.2 Средства пожаротушения, применяемые в электроустановках 5.5.3 Действия персонала при возникновении пожара ЗАКЛЮЧЕНИЕ СПИСОК ИСПОЛЬЗОВАННЫХ ИСТОЧНИКОВ ПРИЛОЖЕНИЕ А ВВЕДЕНИЕ Электротехническая промышленность играет важную роль в решении задач электрификации, технического перевооружения всех отраслей народного хозяйства, механизации, автоматизации и интенсификации производственных процессов. Объем производства электроэнергии в России в 2008 году превысил 1 трлн. кВт/ч. Установленная мощность отдельных предприятии достигла 3 млн. кВт, а количество электрических машин них – 100 тыс. шт. За каждые 10 лет производство и потребление электроэнергии в мире увеличиваются примерно в два раза. Рост производительности труда, развитие энергоемких электротехнологических процессов, реализация мероприятий по охране окружающей среды, внедрение прогрессивных технологий приведут к дальнейшему повышению электровооруженности предприятий. В этих условиях правильная организация труда электромонтера и грамотное ведение им эксплуатации электроустановок становятся весьма сложным и ответственным делом, так как любая ошибка эксплуатации может привести к значительным материальным ущербам, выводу из строя дорогостоящего оборудования, большим потерям продукции, нерациональному использованию электроэнергии. Обслуживание электроустановок промышленных предприятий осуществляют сотни тысяч электромонтеров, от квалификации которых во многом зависит надежная и бесперебойная работа электроустановок. Актуальность дипломного проекта заключается в том, что применение КРУ в учебном проектирования являются сегодня наиболее прогрессивным методом. Так как распределительные устройства в наибольшей степени отвечают требованиям индустриализации энергетического строительства, и в настоящее время они становятся наиболее распространенной формой исполнения распределительных устройств. Объект исследования - электроснабжение и электрооборудование ЦРП-1 ОАО "ЮТЭК - БЕЛОЯРСКИЙ". Предмет исследования – условия эксплуатации ЗРУ 10 кВ, вакуумных выключателей, используемых на ЦРП. Цель исследования - разработка производственно-технических мероприятий по технической эксплуатации и обслуживанию электрооборудования ЗРУ-10 кВ на ЦРП-1 ОАО "ЮТЭК - БЕЛОЯРСКИЙ". В соответствии с поставленной целью были определены следующие задачи: - изучить и проанализировать теоретический материал по теме исследования; - рассчитать: токи короткого замыкания, электрическое освещение; - обосновать экономическую целесообразность замены масляных выключателей на вакуумные; - разработать мероприятия по охране труда; - выполнить графическую часть проекта; - обобщить результаты исследования, сделать выводы. В процессе написания дипломного проекта использовались следующие методы: сбор первичной информации, расчет, графические изображения, аналитический и метод систематизации. Работа состоит из введения, основной части, заключения, списка использованных источников и графической части, представленной 5 листами формата А3. 1. ХАРАКТЕРИСТИКА И ПАРАМЕТРЫ ПРОИЗВОДСТВЕННОЙ ДЕЯТЕЛЬНОСТИ ОАО "ЮТЭК - БЕЛОЯРСКИЙ" 1.1 Историческая справка 1.1.1 Краткая история создания общества13 июля 2004 года решением учредительного собрания учредителей было учреждено открытое акционерное общество «Югорская территориальная энергетическая компания - Белоярский», зарегистрированного за основным государственным номером 1048603450720 инспекцией Министерства России по налогам и сборам по г. Белоярский ХМАО-Югры. ОАО «ЮТЭК-Белоярский» было создано в соответствии с Гражданским кодексом РФ, Федеральным законом РФ «Об акционерных обществах» и другим действующим законодательством РФ, одними из видов деятельности являются: - оказания услуг по передаче электрической энергии; - обеспечение эксплуатации энергетического оборудования, проведение своевременного и качественного его ремонта, техническое перевооружения и реконструкции энергетических объектов; - обеспечение работоспособности электрических сетей. 1.1.2 Основные направления развитияДля открытого акционерного общества «Югорская территориальная энергетическая компания - Белоярский» приоритетными направлениями деятельности являются: прием, передача и распределение электроэнергии по электрическим сетям. Техническое обслуживание, ремонт и наладка введенных в эксплуатацию электрических сетей напряжением до и выше 1000В. 1.1.3 Цели и задачи ОАО «ЮТЭК-Белоярский» на 2008-2012 год Основной целью является обеспечение надежного и бесперебойного электроснабжения потребителей Белоярского района. Этой цели можно достичь лишь благодаря комплексному подходу к решению данной задачи. Реформа электроэнергетики и дальнейшая либерализация этого рынка выводит отношения в электроэнергетике на абсолютно другой уровень. Для эффективной работы и стабильного развития предприятий электроэнергетики должны применяться новые методы управления, внедряться рыночные механизмы снижения себестоимости производства. Одной из проблем энергетики Белоярского района является большая доля потерь в общем объеме переданной на реализацию электроэнергии. А именно, за счет снижения этого показателя можно значительно улучшить финансовый результат, высвободить средства на реализацию первоочередных мероприятий. 1.1.4 Структура управления и контроля обществаОрганами управления ОАО «ЮТЭК-Белоярский» являются (рисунок 1.1): - общее собрание акционеров (высший орган управления обществом); - единоличный исполнительный орган (директор). В случае назначения ликвидационной комиссии к ней переходят все функции по управлению делами Общества. Ликвидационная комиссия при добровольной ликвидации Общества избирается общим собранием акционеров. Органом контроля финансово-хозяйственной деятельности является ревизионная комиссия, которая избирается общим собранием акционеров. Директор (исполнительный орган общества) утверждается общим собранием акционеров. Счетная комиссия избирается общим собранием акционеров. Аудитор утверждается общим собранием акционеров.
Рисунок 1.1 - Структура управления и контроля ОАО "ЮТЭК-Белоярский" 1.1.5 Организационная структураОрганизационная структура ОАО "ЮТЭК-Белоярский" состоит из двух основных частей: "Районные электрические сети" (РЭС) и аппарат управления (рисунок 1.2).
Рисунок 1.2 - Организационная структура ОАО "ЮТЭК-Белоярский" 1.2 Характеристика ЦРП-1 «Город» ЦРП-1 предназначено для получения и распределения электроэнергии трёхфазного переменного тока частотой 50Гц, напряжением 10кВ по трансформаторным подстанциям (ТП) и воздушным линиям электропередач по их назначению. В здании ЦРП-1 «Город» размещаются помещения ЗРУ-1 (10 кВ), ЗРУ-2 (10 кВ), аккумуляторной и щита постоянного тока. Здание ЦРП-1 по степени ответственности относится ко II классу, по долговечности – ко II степени, по пожарной опасности согласно НПБ 105-95 - к категории B1 помещения силовых трансформаторов, остальные помещения – к категории Д, степень огнестойкости – II. 1.2.1 Оборудование на напряжение 10 кВ На напряжение 10 кВ принята одинарная секционированная вакуумным выключателем на две секции система сборных шин. Распредустроиства ЗРУ-1 и ЗРУ-2 (10 кВ) комплектуются шкафами КРУ серии КМ 1, выпускаемыми ОАО «ЧЭАЗ» г. Чебоксары. Шкафы КРУ имеют двухстороннее обслуживание, исполнение выключателей – выкатное. Вводные шкафы, секционный выключатель и отходящие линии оборудуются вакуумными выключателями BB/TELфирмы «Таврида Электрик». Схемы электрических соединений предусматривают работу оборудования на постоянном оперативном токе 220 В. К каждой секции ЗРУ-1 (ЗРУ-2) присоединяются одна питающая, семь (шесть) отходящих линий, два секционных шкафа и трансформатор напряжения. Секции в каждом ЗРУ секционируются кабельными перемычками, выполненными высоковольтным кабелем марки АПвВнг сеч.1×240мм² , с изоляцией из «сшитого» полиэтилена. Одноименные секции ЗРУ-1 и ЗРУ-2 секционированы кабельными перемычками этой же марки. По пропускной способности вводные питающие линии приняты на ток 1600 А, отходящие линии – на ток 1000 А. Шкафы КРУ серии КМ1 приняты на ток кратковременной (для промежутка времени 3 с) термической стойкости 20 кА. Ток электродинамической стойкости сборных шин и главных цепей шкафов – 51 кА. 1.2.2 Релейная защита, автоматика и вторичная коммутация В соответствии с типовыми схемами шкафов КРУ серии КМ1 питание шинок управления и сигнализации предусматривается на напряжение 220 В. Схемы РЗиА выполнены с использованием микропроцессорных устройств серии SEPAM 1000+. Для организации питания вспомогательных цепей шкафов КРУ постоянным оперативным током применены две комплектные аккумуляторные установки типа КАУ с АВР на входе питающих фидеров, что обеспечивает достаточную надежность питания цепей оперативного тока. Переключение цепей оперативного тока с одной установки КАУ на другую осуществляется на щите постоянного тока типа ЩТП-220, который дополнительно выполняет контроль исправности этих цепей. Управление приводами выключателей производиться кнопками, встроенными в привод выключателей, предусмотрен ввод цепей включения и отключения выключателя для дистанционного управления. Релейная защита на стороне 10 кВ предусматривается в следующем объеме: 1. Рабочая питающая линия выполняется без защиты со стороны РП; 2. На секционном выключателе устанавливается максимальная токовая защита; 3. На отходящих линиях предусматривается максимальная токовая защита и отсечка, а также защита от замыканий на землю. Перечень функций: -защита от междуфазных КЗ и замыканий на землю; -текущие значения тока в фазах, причина аварийного отключения, значения параметров сети на момент аварийного отключения; -обнаружения неисправности выключателя. На блоке имеются порты связи по интерфейсу RS485. Протоколы связи: MODBUSRTU; диапазон рабочих температур: от -25 до +55°С. 1.2.3 Автоматизация Микропроцессорные контроллеры SEPAM 1000+ всех шкафов КРУ 10 кВ связываются по интерфейсу RS458 между собой, а также с сервером системы и автоматизированным рабочим местом (АРМ) дежурного оператора (диспетчера). В системе АСУТП ЦРП осуществляется сбор и архивирование данных, поступаемых от всех контроллеров. На мониторе диспетчера отображается в виде мнемосхем и журналов событий состояние всех происходящих событий в ЦРП. Диспетчер может осуществлять управление переключениями, блокировками и другими операциями. 1.2.4 Собственные нужды ЦРП Для питания шинок оперативного тока, цепей освещения и обогрева РП, подключения аппаратуры телемеханики предусматривается щит постоянного тока ЩТП-220 В. Питание распределительных фидеров щита постоянного тока осуществляется от комплектных аккумуляторных установок типа КАУ-155-230/80, которые питаются по двум вводным фидерам от ШСУ ЦРП-1. Резервное питание включается автоматически при исчезновении напряжения на любом из источников питания. 1.2.5 Силовое электрооборудование В состав силового электрооборудования входят электроприемники вытяжной В-2 и приточной вентиляции П-1. Вытяжная вентиляция осуществляется крышным вентилятором, установленным на кровле пристроя. Приточная вентиляция предусмотрена для воздушного обогрева пристроя. Приточная система установлена в комнате ремонтников. Управление П-1 осуществляется от щита управления, поставляемого комплектно с технологическим оборудованием. Данный щит имеет отдельный вход для подачи сигнала на отключение вентиляции при пожаре. Сигнал должен подаваться от системы автоматической пожарной сигнализации. Управление вытяжным вентилятором предусмотрено от выключателя, устанавливаемого в помещении ЗРУ-2 на стене. Подключение вентиляторов осуществляется от ЩСУ-0,4 СН ЦРП по кабельным линиям. 1.2.6 Измерение и учет электроэнергии В водных шкафах и шкафах отходящих линий секций ЗРУ-1 и ЗРУ-2 предусматривается установка счетчиков электрической энергии типа СЭТЗР. Данные счетчики технического учета активной и реактивной электроэнергии имеют выход на интерфейс RS485, позволяющий использовать их в системе АСУТП ЦРП. 1.2.7 Электрическое освещение Для освящения ЦРП предусмотрено естественное освящение через световые проемы в наружных стенах и искусственное общее освящение. Для общего освящения применяется рабочее и аварийное освящение на напряжение 220 В. Ремонтное освящение на напряжении 36 В осуществляется от ящиков с понижающим трансформатором типа ЯТП-0,25. Для освещения каждого помещения в проекте используется и группа рабочего, и группа аварийного освящения. Проектом предусматривается также и группы розеточной сети. Для распределения электрической энергии по группам приняты осветительные щитки типа УОЩВ-12УЗ для рабочего освящения и УОЩВ-6УЗ для аварийного освящения. Точкой подключения проектируемых осветительных щитков являются разные секции щита собственных нужд 0,4 кВ ЦРП. Питание осуществляется по кабельным линиям. Кабели приняты марки ВВГ-1 кВ-4*10 мм². Кабели прокладываются открыто по стене с креплением скобами на высоте 3 м от пола. Типы светильников выбраны в зависимости от назначения помещения и температурного режима в них. Расчет количества светильников и мощность ламп выполнен по удельной мощности с учетом коэффициента запаса. Величины освещенности приняты в соответствии со СНиП 23-05-95. Групповая сеть рабочего и аварийного освещений, розеточная на 220 В принята трехпроводной и выполняется кабелем ВВГ- 3*1,5 мм² и ВВГ- 3*2,5 мм² соответственно, ремонтного кабелем ВВГ- 2*4,0 мм². Осветительная сеть прокладывается скрыто под слоем штукатурки, открыто по стене с креплением скобами и на тросу. Электропроводка под утеплителем прокладывается в защитных стальных трубах. Управление освящением от выключателей по месту. Выключатели устанавливаются на высоте 1,5 м, розетки на высоте 0,8 м от пола. В помещении ЗРУ-2 предусматривается управление освещением с двух мест. Заземление корпусов осветительных щитков и металлические корпуса светильников заземляются на заземляющую жилу кабелей. Монтажные работы вести согласно действующих норм и правил. 1.2.8 Заземление и защита от грозовых и внутренних перенапряжений Сопротивление заземляющего устройства должно быть в любое время года
где U=50В, I – полный ток замыкания на землю. Внутренний контур заземления выполняется стальной полосой 40×4мм и соединяется с наружным контуром заземления не менее чем в двух местах. Все опорные металлоконструкции, металлические электромонтажные конструкции надежно соединены с магистралью заземления способом сварки. Все шкафные конструкции должны иметь надежный электрический контакт с полосой контура заземления. Для защиты здания от прямых ударов молнии в районах с числом грозовых часов более 20, на перекрытии здания выполняется молниеприемная сетка из круглой стали диаметром 6 мм с не менее чем двумя спусками. Для защиты от перенапряжений предусматриваются средства защиты. В качестве токовых применяются ограничители перенапряжений ОПН, устанавливаемые в шкафах серии КМ1. 1.2.9 Организация эксплуатации В шкафах КРУ 10 кВ используются вакуумные выключатели BB/TEL. Принципиальные отличия выключателей BB/TEL от ранее использовавшихся маломасляных, а также применение микропроцессорных устройств РЗиА требуют предварительного обучения персонала для надежной и безопасной работы оборудования. 1.2.10 Мероприятия по технике безопасности Эксплуатационная безопасность обслуживающего персонала РУВН обеспечивается за счет специальных конструкторских решений (наличие мнемосхемы с индикацией положения аппаратов, видимый разрыв контактов аппаратов перегородки в отсеках ячеек, разгрузочные клапаны сброса давления выключателей, возможность индикации напряжения 10 кВ). Для безопасности при коммутационных операциях предусмотрены заводские блокировки: - блокировка включения и отключения разъединителем тока нагрузки; - блокировка включения разъединителя при включенных ножах заземления; - блокировка включения любых коммутационных аппаратов в других ячейках, от которых возможна подача напряжения, при включенном заземляющем разъединителе данной ячейки. Кроме того, в ячейках с заземляющими разъединителями предусмотрена возможность блокировки от несанкционированного оперирования разъединителем, заземляющим разъединителем при помощи блокировочных замковых механизмов. Для предотвращения несанкционированного оперирования разъединителями и заземляющими разъединителями в ячейках трансформатора напряжения и секционного разъединителя предусмотрена электромагнитная блокировка. Проектом предусмотрен также комплект основных защитных средств по технике безопасности. Дополнительные защитные средства должны быть установлены в РП в соответствии с местными инструкциями по технике безопасности. 1.2.11 Противопожарные мероприятия В здании РП, согласно ПУЭ, из помещений распределительных устройств предусматривается по два эвакуационных выхода, двери которых открываются наружу. Противопожарные средства и инвентарь должны быть установлены в РП в соответствии с местными инструкциями согласованными органами Государственного пожарного надзора. 2. РАСЧЁТ ПАРАМЕТРОВ ЭЛЕКТРИЧЕСКОЙ СЕТИ 2.1 Расчет освещения помещения2.1.1 Выбор системы и вида освещения Система освещения общая - равномерная. Вид освещения – рабочее и дежурное. Выбор нормированной освещенности и коэффициента запаса. Выбираем для освещения люминесцентные лампы, т.к. они наиболее экономически выгодные. По отраслевым нормам для люминесцентных ламп Ен=200 лк, высота рабочей поверхности равна нулю Г-0,0, а коэффициент запаса равен 1,6. Выбор типа светильника. Светильники выбираются в зависимости от показания экономичности и характера окружающей среды,
где Ен – нормированная освещенность, лк; Кз – коэффициент запаса; Нр- расчетная высота, м. Расчетная высота установки светильника определяется формулой: Нр =hо -hсв -hр, (2.2) где ho –высота помещения, м; hc в –высота свеса светильника, м; hp – высота рабочей поверхности, м. Hp =ho -hсв -hp =5-0,5-0=4,5 м hсв =(0,3¸0,5), м Ен *Кз*Нр2 =200*1,6*4,52 =6480 (лк*м2 ) Учитывая коэффициент экономичности, выбираем светильник ПВЛМ 1 х 80. 2.1.2 Расчет размещения светильниковСветильники в помещении стремятся разместить по сторонам квадратам. Оптимальный размер стороны квадрата Lопт определяется по формуле lс
=0,8 где lc – относительное, выгодное светотехническое расстояние между светильниками; Фо – световой поток светильника в нижнюю полусферу, лм; Io – осевая сила света в том же направлении, кд. Фо =660 (лм); Io =174 (кд) lс
=0,8 Lопт == lc *Hp=1,6*4,5=7,2 (м) Если расстояние между стеной и крайним светильником принять равным 1/х, расстояние между светильниками, то число светильников в ряду nа определяется по формуле nа
= а число рядов определяется nв
= где а и в - размеры помещения в плане а=11,5 (м); в=8,3 (м) na =11,5/7,2-2/4+1-1,6-0,5+1=2,09=2 шт. nв =8,3/7,2-0,5+1=1,65=2 ряда По найденным na и nв определяем количество светильников по формуле: N= na * nв ; N=2*2=4 шт. (2.6) Определим расстояние между светильниками в ряду LВ и между рядами La. Lв =B/nв , Lа =A/na , (2.7) Lв =8.3/2=4.15 м , Lа = 11,5/2=5,75 м. 2.1.3 Определение типа лампы методом коэффициента использования светового потокаМощность лампы, которую необходимо установить в светильник, определяем методом коэффициента использования светового потока осветительной установки. Этот метод применим для всех закрытых помещений. Фл = (Ен *S*Кз *Z)/(N*Uoy ), (2.8) где Фл – поток лампы, лм S=a*B – площадь помещения, м2 Z - коэффициент неравномерности, Z=1,1 – для люминесцентных ламп. N – число светильников в установке. Uoy – коэффициент использования светового потока, определяется в зависимости от типа светильника, pст , pп , pр , и индекса помещения, вычисляемого по формуле. i = (a*B)/Hp (a+B), (2.9) i =(11,5*8,3)/4,5(11,5+8,3)=1,07 pпот = 50; pст = 30; pр = 10; Uoy =0,37 ; Uoy p =0 =0,27 ; µотр =0,37/0,27=1,37 Определяем Фл : Фл =(200*95,45*1,6*1,10/(4*0,37)=22701,62 (лм) Т.к. нету лампы с потоком Фл =22701,62 (лм) мы увеличим число ламп в каждой точке. nл в 1-ой точке = Фл / Фл.т 1-ой точке =22701,62/5400=4,2≈4 (2.10) Отсюда Фл.т =21600 (лм). Тип выбранной лампы ЛБ 80-1 Фл.т =5400 (лм). При выборе лампы должно выполнятся условие: -10%≤ (Фл.т - Фл / Фл )*100≤+20% ∆Ф = ((21600-22701,62)/22701,62)*100% = -4,85% условие выполняется. Рассчитаем освещенность при выбранном табличном значении потока Фл.т по формуле: Е= Фл.т *N* Uoy /Кз *Z* S (лк) (2.11) Е= 21600*4*0,37/1,6*1,1*95,45=190,295 лк Находим суммарную относительную освещенность Е. Е=Еа +Ев +Ес +Ед =53+24+9+3=89 Подставим найденное значение в формулу: Ете =1*21600*1,37*89/1000*1,6*1,5*5=219,47 лк (2.12) ∆Е=200-219,47/219,47*100%= -8,87% допустима 2.2 Расчет аварийного освещенияДля аварийного освещения применим лампы накаливания. Аварийное освещение должно быть больше 0,5лк, за норму возьмем 2лк (Ен ≤ 2лк), при К=1,4.Коэффициент экономичности: Ен *Кз *Нр 2 =2*1,4*4,52 =56,7 По этому показателю выбираем светильник НСП-03. 2.2.1 Расчет размещения светильниковlс
=0,8 Lопт= lc * Нр =2,08*4,5=9,37 м Определяем na и nв по формулам: nа
= nа =11,5/9,37+0,5=1,7≈2 nв =8,3/9,37+0,5=1,38≈1 определяем число светильников N= nа *nв =2*1=2 шт. La =a/ nа =11,5/2=5,75 расстояние между светильниками. Определение типа ламп. Мощность, которую необходимо установить, в выбираемый светильник определяем, методом коэффициента использования. Фл = (Ен *S*Кз *Z)/( N*Uoy ) (2.13) где Фл – поток лампы, лм S=a*B – площадь помещения, м2 Z - коэффициент неравномерности, Z=1,15 – для ламп накаливания. N – число светильников в установке. Uoy – коэффициент использования светового потока Для определения Uoy надо рассчитать индекс помещения по формуле: i = (a*B) / Hp (a+B), i =(11,5*8,3)/4,5(11,5+8,3)=1,07 (2.14) pпот = 50; pст = 30; pр = 10; Uoy =0,21 ; Uoy p =0 =0,16 ; µотр =0,21/0,16=1,31 Найденные значения подставляем в формулу и находим Фл = Ен *S*Кз *Z / N*Uoy Фл =2*95,45*1,4*1,115/2*0,21=731,8 лм Фл . т . =730 лм ТиплампыБ215-225-40. ∆Ф= Фл.т. - Фл /Фл *100%=730-731,8/731,8=0,24% допустимо Е= (Фл.т *N* Uoy )/(Кз *Z* S) (лк) Е=730*2*0,21/1,4*1,15*95,45=1,99 лк 2.2.2 Проверка освещенности по точечному методуПроверим освещенность в удаленной точке по точечному методу. Проверка освещенности в удаленных точках показана на рисунке 2.1
Рисунок 2.1- Схема расположения ламп в помещении Проверим нормированную освещенность на полу в точке Е точечным методом. Для определения освещенности в точке, расположенной на горизонтальной поверхности, пользуются следующей формулой: Е = (Фл. *µ*∑ Е)/(1000* Кз *Lл *h), (2.15) где Е - относительная линейная освещенность, создаваемая отдельными светильниками в точке; µ - коэффициент, учитывающий µу и µо, в нашем случае: µ=µотр = Uoy /Uoy p =0 µ=0,37/0,27=1,37 определяем относительные расстояния для каждой точки (А,В,С,Д) и по этим расстояниям определяем относительную освещенность Е. Определяем для точки А: Lл - длинна лампы; Lл = 1,5 м. L1л = (а/4) + (Lл /2) = (1,5/4)+(1,5/2) = 3,63 м L2л = (а/4) - (Lл /2) = (1,5/4)-(1,5/2) = 2,13 м РА =в/4=8,3/4=2,1м Р′А = РА /НР = 2,1/4,5 =0,46; L′2л = L2л /НР = 2,13/4,5 =0,47; L′1л = 3,63/4,5=0,8 Отсюда по изолюксам определяем Е. Е1А =102; Е2А =49; ЕА = Е1А - Е2А =102-49=53 Для точки В: L1в =3,63 м , L2в =2,13 м, Рв =В/2+ РА = 8,3/2+2,1=6,25 L′2в = L2в /НР =2,13/45=0,47; L′1в =0,726; Р′в = Рв /НР =6,25/4,5=1,3; Е1В =38; Е2В =14; Ев = Е1в - Е2в = 38-14=24 Для точки С: L1с =а/4+а/2+Lл /2= 11,5/4+11,5/2+1,5/2=9,375 м L2с =11,5/4+11,5/2 -1,5/2=7,875 м Рс = РА =2,1 м; Р′с = Р′А =0,42 L′1с = L1с /НР =9,375/4,5=2,08 L′2с = L2с /НР =7,875/4,5=1,7 Е1с =105; Е2с =96; Ес =105-96=9 Для точки Д: L1д = L1с =9,375 м ; L′1д = L′1с =2,08 м L2д = L2с =7,87 м ; L′2д = L′2с =1,7 м Рд = Рв =6,25 м; Р′д = Р′в =1,25 Е1д =38; Е2д =35; Ед = Е1д - Е2д =38-35=3
Рисунок 2.2 - Схема расположения светильников для аварийного освещения Для определения освещенности в точке, расположенной на горизонтальной поверхности, пользуются формулой: Е= (Фл.т. *µ*∑ ℓ)/(1000* Кз ), (2.16) где ℓ – условная освещенность, создаваемая точечным источником. Условную освещенность определяем из изолюксов зная a и h. a - расстояние от светильника до точки Е (рисунок 2.2) h – высота расчетная h= 4,5 м. Определим ℓ от первого светильника: a 1
= h= 4,5 M ℓ1 = 2,3 Определим ℓ от второго светильника a 2
= h= 4,5 M ℓ2 = 1,6 Найдем суммарную относительную освещенность. ∑1 ℓ= ℓ1 +ℓ2 =2,3+1,5=3,9 Рассчитаем освещенность: Е= (Фл.т. *µ*∑ 1 ℓ)/(1000* Кз )=(730*1,31*3,9)/(1000*1,4)=2,66 Так как освещенность больше 0,5 лк, это аварийное освещение допустимо для этого помещения. 2.3 Расчет освещения кладовой методом удельной мощностиСистема освещения – общая равномерная, вид освещения- рабочее. Выбор нормированной освещенности и коэффициента запаса. Для освещения выбираем лампы накаливания с Кз =1,3 и Ен =20 лк, Г-0,0 Выбор типа светильника. Ен *Кз *Нр 2 - Коэффициент экономичности: Нр = hо -hсв -hр = 5-0.5-0=4.5м hсв = 0,5 м Ен *Кз *Нр 2 = 30*1,3*4,52 = 789,75 лк*м2 Выбираем светильник АСТРА-12 (НСП-21), как наиболее дешевый, имеющий КПД = 71% . 2.3.1 Расчет размещения светильниковФо =750 лм; Io =238 кд lс
=0,8 Lопт= lc * Нр = 4,5*1,42=6,39 м а=3,4 м ; в=1,7 м ; S=a*в=3,4*1,7=5,78 м2 nа
= nв
= nа
= 1, nв
= 1, N=1. Берем один светильник и размещаем его в центре помещения рис.2.3.
Рисунок 2.3 - Размещение светильникаОпределение типа ламп. Рл = (р*S)/N, (2.18) где р - удельная мощность освещения; S - площадь помещения; N - мощность лампы. S=5,78 м2 , Кз =1,3, pпот = 50%; pст = 30%; pр = 10%; N=1. Так как помещения кладовой меньше 10 м2 ,то выбираем мощность лампы по таблице VI-4 (Л-1 стр.90). Рл =100 вт Выбираем лампу Б 215-225-100. светильник Астра 12-1*100-П-Д-2. 2.3.2 Техника безопасности и эксплуатацииПри освещении газоразрядными лампами должны быть приняты меры по ограничению пульсации светового потока. Величина допустимой глубины пульсации должна соответствовать нормам. При питании осветительной установки с лампами накаливания и люминесцентными лампами, и ДРЛ от сети, в которых имеют место колебания напряжения, должны быть приняты меры к ограничению их числа. Вышедшие из строя лампы содержащие пары ртути, должны хранится упакованными в специальном помещении, и уничтожатся в специальных местах. Основной мерой защиты от поражения электрическим током в осветительных установках служит заземление или зануление, нормально не находящихся под напряжением металлических частей электрооборудования и сетей. 2.4 Расчет токов короткого замыкания По максимальному току производится проверка электротехнического оборудования на электродинамическое и термическое действие, по минимальному - работоспособность релейной защиты и автоматики. Так как расчет релейной защиты и автоматики не входит в задание, расчетный ток короткого замыкания на шинах распредустройства примем 8,5 кА. Будем считать ЭДС источника постоянной. Тогда действующее значение сверхпереходного тока короткого замыкания будет равно действующему значению установившегося тока короткого замыкания, то есть:
(2.19) Определим приведенное время короткого замыкания, для этого примем время действия защиты 1,2 с (линия от ПС до РУ -10 кВ). 1.Определим сечение линии по нагреву:
(2.20) Выбираем сечение кабеля 185 мм 2 (предварительный расчет показал, что кабель сечением 150 мм2 не пройдет по условиям прокладки 2-х кабелей при условии выбора 2-х кабелей, проложенных в одной траншее), однако токовая нагрузка такого кабеля составляет всего 340 А, следовательно, необходимо использовать 2 кабеля, так как в этом случае токовая нагрузка уменьшается в 2 раза.
Коэффициент К1 учитывает аварийную перегрузку (коэффициент предварительной загрузки был равен (280,4/340) ≈0,8, по таблицам ПУЭ находим коэффициент 1,2 при продолжительности максимума 6ч), К2 учитывает количество прокладываемых кабелей в земле (в нашем случае 2 кабеля по таблицам ПУЭ находим коэффициент 0,9 при расстоянии в свету 100мм между ними). Итак, 340 А > 259,63 А. 2. По термическому действию тока короткого замыкания. Определяем действительное время короткого замыкания
Определим периодическую составляющую для приведенного времени тока короткого замыкания: для
Таким образом, сечение кабеля, выбранного по нагреву, удовлетворяет условию нагрева током короткого замыкания. Отметим тот факт, что определение термической устойчивости определялось по току короткого замыкания на шинах подстанции, что является некоторым допущением. Однако найденное значение тока короткого замыкания на шинах РУ -10 кВ не приведет к противоречию между выбором сечения, так как ток в этом случае получится несколько ниже. В данном случае введения поправочных коэффициентов не требуется Определим минимальное сечение термической стойкости кабельной линии: для этого необходимо составить схему замещения рассматриваемого случая:
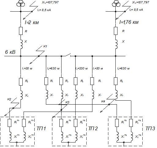
Рисунок 2.4 - Схема замещения На рисунке 2.4 изображена схема замещения для расчета токов короткого замыкания сети выше 1 кВ. Точки короткого замыкания определены соответственно на шинах РУ - 10 кВ, а также у выводов обмоток высшего напряжения у трансформаторов КТП (ввиду однотипности кабельных линий к КТП выбрано 3 точки короткого замыкания, так как расчет для параллельно работающих кабелей будет однотипным). Считаем, что ЭДС источников питания неизменны. Здесь необходимо отметить, что ничего общего нет между нахождением сопротивления системы бесконечной мощности, которая приравнивается к нулю в сетях высшего напряжения, когда источник короткого замыкания приближен к месту короткого замыкания и нахождением сопротивления по заданному току короткого замыкания на шинах подстанции. Учитывая то, что в сетях промышленных предприятиях обычно периодическая составляющая считается неизменной, то x*расч = 0,6 (по таблицам справочников).
Учитывая тот факт, что сверхпереходные значения токов короткого замыкания для двух источников одинаковы, следовательно, и мощности питающих систем одинаковы. Очевидно, что источники работают параллельно при отключенных секционных разъединителях, следовательно, будем рассматривать работу двух источников раздельно. Определим ток короткого замыкания в точке К1 : Определяем сопротивление системы: За значение базисной мощности в электроустановках напряжением выше 1 кВ рекомендуется принимать Sб = 10000 МВА. Uб = 6,3 кВ. Определяем базисный ток:
Кабельная линия от ЗРУ подстанции до проектируемого распредустройства:
(2.27 Определим сопротивление системы:
Действительно, если проверить кабель (от ПС до РУ) на термическую стойкость по данному значению то минимальное сечение будет несколько меньше, чем рассчитанное выше. Определим постоянную времени:
Ку = 1,351
Определим ток короткого замыкания в точке К2 (для КТП №1). Для этого кабеля определим (по таблицам справочников или из технических данных) удельные активные и реактивные сопротивления: Rуд150 = 0,206 Ом/км; Xуд150 = 0,074 Ом/км. Определим ток короткого замыкания на выводах высшего напряжения трансформатора:
Определим суммарное сопротивление до точки К2 :
Активные сопротивления учитывались в обоих случаях, так как не выполнялось условие: R* < X* /3. Ток короткого замыкания в точке К2 :
Постоянная времени:
Ударный коэффициент:
Ударный ток короткого замыкания:
Время действия защиты для РУ - 10 кВ (ступень селективности) примем равным 0,5 с. Собственное время отключения выключателя примем 0,015 с (для выключателя ВВ/TEL). Действительное время К.З. составит:
Приведенное время для апериодической составляющей составит приблизительно 0,05 с. Для систем с источниками питания, ЭДС которых неизменна во времени, можно считать, что tп.п = tд . Таким образом, приведенное время К.З:
Минимальное сечение по условию нагрева током короткого замыкания:
Ближайшее меньшее стандартное сечение: 50 мм 2 . По экономической плотности тока:
Стандартное ближайшее сечение 150 мм 2 . По потере напряжения проверять кабель не имеет смысла по причине небольшой длины. Кабель работающий параллельно к двухтрансформаторной КТП №1 выбирается аналогично. Определим токи короткого замыкания в точках К3 .
Постоянная времени:
Ударный коэффициент:
Ударный ток короткого замыкания:
Определим токи короткого замыкания в точках К4 :
Постоянная времени:
Ударный коэффициент:
Ударный ток короткого замыкания:
Проверяем выбранные кабели на термическую устойчивость: Минимальное сечение для кабеля второй КТП по условию нагрева током короткого замыкания определяется аналогично выбору термически стойкого сечения для КТП №1. Ближайшее меньшее стандартное сечение: 50 мм 2 . По экономической плотности тока:
Стандартное ближайшее сечение 150 мм 2 . По потере напряжения проверять кабель не имеет смысла по причине небольшой длины. По экономической плотности тока:
Стандартное ближайшее сечение 150 мм 2 Проверим кабель по потере напряжения:
Потери напряжения незначительны. Расчет токов короткого замыкания проводился в относительных единицах. Расчет для кабельной линии длиной 1, 76 км проводится аналогично, поэтому приведем значения токов короткого замыкания без расчетных формул. Итак, ток короткого замыкания на второй шине составит: 7,39 кА, действительно, так как линия короче, то ток будет несколько выше. Причем активным сопротивлением в данном случае принебрегли. Ударный ток короткого замыкания при коэффициенте ударном 1,4 составил на шине 14,7 кА. Составим итоговую таблицу расчета токов короткого замыкания: Таблица 2.1- Расчета токов короткого замыкания
Результаты полностью соответствуют теоретическим положениям. Действительно, чем меньше сопротивление, тем больше ток. Результаты в первом и во втором случае отличаются незначительно. Действительно, наибольшее минимальное сечение термически устойчивое к току короткого замыкания составит:
3 ТЕХНИЧЕСКАЯ ЭКСПЛУАТАЦИЯ И ОБСЛУЖИВАНИЕ ЭЛЕКТРООБОРУДОВАНИЯ ЗРУ-10 кВ 3.1 Комплектные распределительные устройства серии КМ-1 3.1.1Общие сведения (применение) Комплектные малогабаритные распределительные устройства серии КМ‑1 предназначены для приема и распределения электрической энергии трехфазного переменного тока промышленной частоты в сетях с изолированной или заземленной через дугогасящий реактор нейтралью. КРУ применяются в закрытых распределительных устройствах и электроустановках с частыми коммутационными операциями. 3.1.2 Конструкция и принцип действия Шкафы КРУ выполняются по схемам главных цепей заказчика, согласованным с изготовителем. Вспомогательные цепи выполняются по типовым работам институтов «Энергосетьпроект», «Тяжпромэлектропроект», «Нижегородскэнергосетьпроект», «Энергомашвин, проекту института «Трансэлектропроект» или индивидуальным проектам. Блок низковольтной аппаратуры изготовляется на базе электромеханических реле или на базе комплектных устройств защиты и автоматики БМРЗ; SPAC; ЯРЭ; SEPAM; УЗА; ТЕМП; MICOM. Шкафы с выключателем, трансформатором напряжения, силовыми предохранителями, разъемным контактным соединением, комбинированной аппаратурой имеют выдвижные элементы сходной конструкции, на которых устанавливается соответствующая комплектующая аппаратура. Шкафы глухого ввода, кабельных сборок, шинных перемычек, шинного ввода, шинных вставок не имеют выдвижных элементов. Габаритные размеры шкафов зависят от схемы главных цепей. Корпус шкафа представляет собой сборную металлоконструкцию, разделенную металлическими и изоляционными перегородками на отсеки: выдвижного элемента; линейных шин; сборных шин; выхлопа; шкафа низковольтной аппаратуры, на котором предусмотрен короб для прокладки низковольтных кабелей.
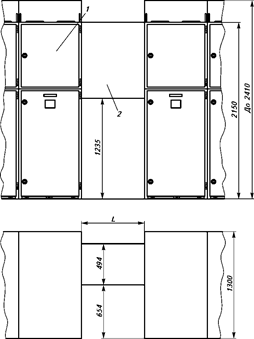
Рисунок 3.1 - Общий вид, габаритные и установочные размеры шкафа шинной вставки:1 – шкаф КРУ КМ-1Ф; 2 – шкаф шинной вставки. Отсек выдвижного элемента соединен с отсеком выхлопа, который в верхней части закрыт поворотной крышкой с жалюзи для выхода перегретого воздуха и сбрасывания избыточного давления при возникновении аварийного КЗ. Шкафы оборудуются клапанной или фототиристорной дуговой защитой. Для удобства обслуживания шкафа КРУ отсеки сборных и линейных шин закрыты съемными листами. Отсек линейных шин может быть снабжён дополнительным средством предупреждения о наличии напряжения: сигнализатором напряжения стационарного СНС 6-10-У2 «КРИСТАЛЛ-С». Выдвижной элемент может занимать три положения: рабочее, контрольно-испытательное и ремонтное. В целях предотвращения неправильных операций при проведении ремонтно-профилактических и других работ в шкафах КРУ предусмотрены следующие блокировки, не допускающие: - перемещение выдвижного элемента с выключателем из рабочего положения в контрольное, а также из контрольного положения в рабочее при включенном выключателе; - включение выключателя в промежуточном положении выдвижного элемента; - перемещение выдвижного элемента из контрольного положения в рабочее при включенном заземлителе и включение заземлителя в рабочем положении выдвижного элемента; - включение заземлителя в шкафу секционного разъединителя при рабочем положении секционного выключателя; - включение вводного или межсекционного выключателя при включенном заземлителе на сборных шинах секции. Безопасная работа в отсеке выдвижного элемента обеспечивается шторками падающего типа, которые при выкатывании выдвижного элемента опускаются под действием собственного веса и закрывают доступ к токоведущим частям, находящимся под напряжением. В закрытом положении шторочный механизм может быть заперт навесным замком. Электрическая связь блоков низковольтной аппаратуры с выкатными элементами выполнена гибкой связью в металлическом рукаве со штепсельным разъемом. Наличие гибкой связи позволяет опробовать работу выключателя при контрольном положениии выдвижного элемента. Шкафы шинных перемычек применяются для соединения сборных шин противостоящих секций КРУ и представляют собой жесткие металлоконструкции прямоугольной формы, закрываемые сверху и снизу съемными листами. Шкафы шинных вводов предназначенные для шинного ввода от стены здания РУ до шкафов КРУ, идентичны по конструкции, но отличаются наличием вводной секции с проходными изоляторами ИПУ-10. Шкафы шинных вставок предназначены для соединения по сборным шинам шкафов КРУ, расположенных в одном ряду, при переходе через стену здания подстанции или при обходе колонны и представляют собой разборную конструкцию переменной длины. Для соединения шкафов КРУ серии КМ-1Ф со шкафами КРУ-2 используются переходные шкафы Установка и монтаж шкафов КРУ производится в соответствии с техническим описанием и инструкцией по эксплуатации. Силовые кабели, как правило, заводятся из кабельного канала, но также предусмотрен ввод сверху. Закладные элементы РУ должны быть выполнены из рихтованных швеллеров. КРУ предназначены для двустороннего обслуживания РУ при однорядном, двухрядном и многорядном расположении шкафов. При применении вакуумных выключателей возникла необходимость защиты электрооборудования от 5–6 кратных всплесков напряжения, возникающих при коммутации нагрузки. Коммутационные перенапряжения опасны для обмоток электродвигателей, трансформаторов и длительно находящихся в эксплуатации кабелей с изношенной изоляцией. Наличие ограничителей перенапряжений (ОПН) включённых по схеме «фаза-земля» в шкафах КРУ серии КМ-1Ф указывается в опросном листе. Для защиты междуфазной изоляции электродвигателей (по рекомендации ОАО ВНИПИ «Тяжпромэлектропроект») завод поставляет, по требованию заказчика, в комплекте с шкафами КРУ серии КМ-1Ф шкафы ШОПНД . Шкаф ШОПНД-1 рекомендуется устанавливать при длине кабеля более 50 м. Шкаф ШОПНД-2 применяется при длине кабеля менее 50 м (при условии, что 3 ОПН по схеме «фаза-земля» установлены в КРУ). Желательно устанавливать шкафы ШОПНД не далее 10м от защищаемого оборудования. Собственные нужды могут быть реализованы в двух вариантах. При ограниченных размерах помещения – в корпусе КРУ. По схеме 5ВБ.350.745 ОАО ВНИПИ «Тяжпромэлектропроект». Более удобный вариант - в шкафах двустороннего обслуживания с одной или двумя дверьми. В этом случае организация питания цепей собственных нужд и цепей выпрямленного оперативного тока для комплектных распределительных устройств КМ-1Ф осуществляется с помощью панелей собственных нужд (ПСН) и панелей для питания цепей выпрямленного тока (ПВУ). 3.1.3 Техническое обслуживание Для поддержания работоспособности шкафов КРУ необходимо производить периодические осмотры установленного в них электрооборудования. Технические осмотры должны производиться по графику эксплуатационных работ и после каждого аварийного отключения высоковольтного выключателя. Все неисправности шкафов КРУ и смонтированного в них электрооборудования, обнаруженные при периодических осмотрах, должны устраняться по мере их выявления, и регистрироваться в эксплуатационной документации. При осмотре распредустройства из шкафов КРУ особое внимание должно быть обращено на: - состояние помещения в части исправности дверей, замков, отопления и вентиляции; - состояние сети освещения и заземления; - наличие средств безопасности; - состояние изоляции комплектующих изделий и изоляционных деталей шкафов КРУ (запыленность, состояние армировки, отсутствие видимых дефектов); - наличие смазки на трущихся частях механизмов; - состояние приводов, контактов, заземлителей, механизмов блокировки; - состояние разъединяющих контактов главных цепей и вторичных цепей; - отсутствие нарушений антикоррозийных покрытий; - отсутствие разрядов и коронирования. При обнаружении любого дефекта необходимо его незамедлительно устранить. Техническое обслуживание аппаратов, установленных в шкафах КРУ, производится в соответствии с инструкциями по эксплуатации каждого аппарата. Межремонтный период должен составлять не более пяти лет. 3.2 Сравнение малообъемных масляных и вакуумных выключателей На ЦРП-1 «Город», до реконструкции были установлены масляные выключатели, типа «ВМ 10/630». Из за износа оборудования и увеличения потребителей электроэнергии, в целях пожарной безопасности, а также исходя из экономической целесообразности, была произведена замена масляных выключателе типа «ВМ» на вакуумные типа «ВВ». Далее описаны основные достоинства и недостатки стоявших ранее и установленных после реконструкции выключателей. 3.2.1 Малообъемные масляные выключатели Их основные достоинства – относительно, невысокая цена, универсальность многих узлов. Такие выключатели отличаются простотой конструкции, часто их проще монтировать при реконструкции, когда не планируется замена ячеек. Некоторые модели можно устанавливать как в открытых, так и закрытых распредустройствах. К недостаткам малообъемных масляных выключателей можно отнести их пожаро- и взрывонебезопасность. Ограниченная способность к быстродействию и частоте осуществления АПВ. Эксплуатация таких выключателей обходится дороже: замена и периодическая доливка масла, износ дугогасящих контактов, текущие ремонты. При работе МВ на низких температурах могут возникнуть трудности с подогревом масла. Отключающая способность масляных выключателей может оказаться недостаточной. 3.2.2 Вакуумные выключатели Вакуумные выключатели 6...10 кВ абсолютно пожаро - и взрывобезопасностны, сохраняют свою работоспособность при практически любых температурах окружающей среды. К достоинствам вакуумных выключателей можно отнести большой ресурс отключений-включений номинальных токов, возможность их эксплуатации в агрессивных средах, высокая скорость коммутаций и готовность к повторным включениям. Следует добавить, что это самый «чистый» тип выключателя – никаких проблем с загрязнением распредустройства и выделением небезопасных для экологии веществ, они практически бесшумны в работе. Дальновидный хозяин при выборе покупки учтет невысокую стоимость эксплуатации вакуумных выключателей: протирка изоляции, текущие ремонты привода (малая мощность) и крайне редко требуемая замена дугогасительных камер, не вызовут особых сложностей. Малые габариты и возможность произвольного их расположения позволяют уменьшить размеры распределительного устройства и предоставляют свободу в их компоновке, например, размещение ячеек в несколько ярусов. Установленные на линейных присоединениях вакуумники без проблем отключают зарядные токи кабельных или воздушных линий, находящихся под напряжением. Но при отключении такими вакуумными выключателями небольших индуктивных токов (холостой ход трансформатора), есть вероятность коммутационных перенапряжений. В случае потери вакуума в одной из дугогасительных камер происходит приваривание контактов – необходим постоянный контроль отсутствия напряжения на всех трех фазах после отключения присоединения. Ресурс дугогасительного устройства по отключению токов короткого замыкания не очень велик. 3.3 Вакуумные выключатели серии ВВ/TEL 3.3.1 Назначение и область применения Выключатели вакуумные ВВ/TEL предназначены для коммутации электрических цепей при нормальных и аварийных режимах в сетях трехфазного переменного тока частоты 50 Гц номинального напряжения 6, 10кВ с изолированной, компенсированной или заземленной через резистор или дугогасительный реактор нейтралью. Выключатели вакуумные серии ВВ/TEL предназначены для установки в новых и реконструируемых комплектных распределительных устройствах станций и подстанций и других устройств, осуществляющих распределение и потребление электрической энергии. 3.3.2 Принцип дугогашения Гашение дуги переменного тока осуществляется в вакуумной дугогасительной камере (ВДК) при разведении контактов в глубоком вакууме Носителями заряда при горении дуги являются пары металла. Из за практического отсутствия среды в межконтактном промежутке, конденсация паров металла в момент перехода тока через естественный ноль осуществляется за чрезвычайно малое время, после чего происходит быстрое восстановление электрической прочности ВДК. Электрическая прочность вакуума составляет порядка 30 кВ/мм, что гарантирует отключение тока при расхождении контактов более 1 мм. В выключателях применяется современная конструкция ВДК с аксиальным магнитным полем. Дуга в таком поле находится все время в диффузионном состоянии, что существенно уменьшает износ, который не превышает 1 мм после исчерпания коммутационного ресурса. Коммутационный ресурс выключателей ВВ/TEL [приложение А] 3.3.3 Конструкция выключателей Выключатели состоят из трех полюсов, установленных на металлическом корпусе, в котором размещаются электромагнитные приводы каждого полюса с магнитной защелкой, удерживающей выключатель неограниченно долго во включенном положении после прерывания тока в катушке электромагнита привода. Основные узлы выключателей на ток до 1000 А размещаются в закрытом изоляционном корпусе круглого сечения, выполненном из механически прочного и дугостойкого материала, защищающего элементы полюса от механических повреждений и воздействий электрической дуги тока КЗ. Крепление выключателей к металлическим элементам КРУ и КСО осуществляется посредством болтов М10, резьбовые отверстия для которых имеются на боковых сторонах металлического корпуса. Выключатели могут работать в любом пространственном положении. Выключатели на номинальный ток 1600 А конструктивно отличаются от выключателей на 6303 1000 А устройством изоляционных корпусов, способом установки в них ВДК и способом крепления выключателей. Изоляционные корпусы прямоугольного сечения открыты снизу и сверху для вентиляции воздуха и охлаждения токоведущих частей. С передней и задней сторон к корпусам крепятся изоляционные листы толщиной 10 мм для придания им необходимой жесткости. На противоположной стороне токоведущих выводов круглого сечения в полимерной части выключателя имеются закладные металлические втулки (6 шт.) с отверстиями под болт М16, с помощью которых выключатели устанавливаются на вертикальное металлическое основание приводом вниз или вверх. 3.3.4 Техническое обслуживание 3.3.4.1 Общие правила обслуживания Выключатели не требуют проведения периодических (плановых) текущих, средних и капитальных ремонтов в течение всего срока их службы. Профилактический контроль технического состояния выключателей рекомендуется проводить в следующие сроки: при вводе в эксплуатацию, первую проверку - через 2 года эксплуатации, повторные - через каждые 5 лет. В объем профилактического контроля входят: проверка общего состояния выключателя, выполняемая внешним осмотром, проверка работоспособности ВВ, измерение сопротивления главной цепи и испытание изоляции переменным одноминутным напряжением, протирка изоляции. Выключатели, находящиеся постоянно во включенном или отключенном положении, должны 2 раза в год проходить проверку их работоспособности путем опробования в соответствии с Правилами технической эксплуатации или местными инструкциями по обслуживанию высоковольтной аппаратуры распределительных устройств. Внеочередные ремонты выключателей производятся после исчерпания коммутационного или механического ресурса с заменой ВДК. Ремонты выполняются персоналом предприятия "Таврида Электрик" по заявкам эксплуатационных организаций. Заявки следует направлять в региональные представительства предприятия, реквизиты которых приведены на обороте РЭ. При обнаружении дефектов, препятствующих нормальной работе выключателей, а также отказе в работе выключателей, находящихся в эксплуатации, или их повреждении, которые не могут быть устранены обслуживающим персоналом, необходимо сообщать об этом региональным представительствам предприятия "Таврида Электрик" для принятия необходимых мер. В случае нарушения работоспособности ВВ по вине завода-изготовителя до истечения гарантийного срока, работа по восстановлению ВВ или его замене производится предприятием безвозмездно. Выключатели подлежат ремонту только персоналом, аккредитованным предприятием изготовителем. Нарушение этого правила ведет к аннулированию гарантийных обязательств. 3.3.4.2 Обслуживание выключателей, предназначенных для частых коммутационных операций В связи с увеличением нормированного механического и коммутационного ресурса предлагается изменить периодичность плановых проверок, позволяющих судить о состоянии выключателя в процессе эксплуатации. Профилактический контроль технического состояния выключателей рекомендуется проводить в следующие сроки: при вводе в эксплуатацию, первую проверку - при достижении выключателем ресурса 10 000 операций "ВО", повторные - через каждые 25 000 циклов "ВО" с момента ввода в эксплуатацию. В объем профилактического контроля входят: проверка общего состояния выключателя, выполняемая внешним осмотром, проверка работоспособности ВВ, измерение сопротивления главной цепи и испытание изоляции переменным одноминутным напряжением, протирка изоляции. При достижении выключателем ресурса в 50 000 операций "ВО" предписывается проведение операций планово 3 предупредительного ремонта, который включает в себя следующий перечень мер: - внешний осмотр состояния трущихся частей привода и магнитной системы - замена тяги, передающей усилия от штока ручного отключения на вал выключателя, ИТЕА №753225001. 3.3.4.3 Меры безопасности Техническое обслуживание выключателей должно проводиться в соответствии с "Межотраслевыми правилами по охране труда (правила безопасности) при эксплуатации электроустановок", РД 153334.0303.150300. Выключатель серии ВВ/TEL является экологически безопасным изделием. При испытании изоляции выключателей при разомкнутых контактах ВДК вне шкафа КРУ для защиты персонала от возможного рентгеновского излучения установить на расстоянии 0,5 м от выключателя защитный экран (1000 мм х 1500 мм), выполненный из стального листа толщиной 2 мм или из стекла марки ТФ35 (ГОСТ 9541375) толщиной не менее 12,5 мм. При испытании выкатного элемента его фасадная перегородка может использоваться как защитный экран. 3.4 Щит постоянного тока ЩПТ-220 3.4.1 Основные сведения Наиболее ответственными потребителями оперативного тока являются цепи защиты, автоматики и электромагнитов силовых выключателей в распределительных устройствах станций и подстанций, крупных распределительных пунктах и распределительных устройствах предприятий. Исторически сложилось так, что указанные цепи в основном работают на постоянном оперативном токе. Обеспечение бесперебойного питания оперативных цепей в любой момент времени с необходимым уровнем напряжения и мощности независимо от состояния основной сети, возможно только в случае применения в качестве источника оперативного тока стационарных аккумуляторных батарей, являющихся одним из самых надёжных источников оперативного тока. Устройством, осуществляющим распределение постоянного оперативного тока от аккумуляторных батарей к потребителям, является щит постоянного тока. ЩПТ-220-Э1-У3.1 – щит постоянного тока, применяется для ввода и распределения электроэнергии постоянного тока от аккумуляторной батареи, которая подзаряжается от выпрямительного устройства в нормальном режиме и от резервного выпрямительного устройства при отказе основного выпрямительного устройства. ЩПТ-220-Э1-У3.1 разработан с учётом требований циркуляра Ц-03-90(э), схемные решения приняты в соответствии с типовым проектом ЩПТ СЗО ЭСП, использованы предложения эксплуатирующих организаций РАО «ЕЭС России», ОАО «ГАЗПРОМ» и предприятий нефтегазовой отрасли. Необходимость такой разработки обусловлена ростом современных требований к надежности и безопасности эксплуатации. При производстве ЩПТ-220-Э1-У3.1 используется высокопрочная металлоконструкция из нержавеющих материалов, современные коммутационные аппараты и доработанные типовые схемные решения. ЩПТ-220-Э1-У3.1 предназначен для установки во вновь строящихся объектах энергетики и для замены морально и физически устаревшего оборудования, находящегося в эксплуатации. ЩПТ-220-Э1-У3.1 является не только высококачественным оборудованием, отвечающим всем российским и европейским стандартам, но и обладает преимуществом в цене по сравнению с аналогичными импортными устройствами данного класса. ЩПТ-220-Э1-У3.1 – изготавливается на базе панелей одностороннего обслуживания ЩО-2000 «Нева» в металлических корпусах с воздушной изоляцией, со стационарными, втычными и/или выкатными автоматическими выключателями, стационарными выключателями-разъединителями, с выключателями нагрузки. Все органы управления расположены на дверях панелей, с лицевой стороны, что упрощает эксплуатацию. ЩПТ-220-Э1-У3.1 удовлетворяет всем требованиям безопасности персонала и оборудования. Прост и удобен при монтаже и эксплуатации. 3.4.2 Назначение ЩПТ Щит постоянного тока предназначен для бесперебойного питания оперативных цепей управления, защиты, автоматики и сигнализации, электромагнитов коммутационных аппаратов, аварийного освещения, ответственных механизмов собственных нужд генераторов, турбин, котлов на электростанциях, а так же для непрерывного контроля параметров системы питания распределительных устройств станций и подстанций, крупных распределительных пунктов, распределительных устройств крупных предприятий. ЩПТ-220-Э1-У3.1 выполняет следующие функции: – ввод электроэнергии с необходимым уровнем напряжения и мощности независимо от состояния основной сети от аккумуляторных батарей (АБ) с подзарядкой от выпрямительных устройств (ВУ); – распределение электроэнергии между потребителями; – бесперебойное питание цепей аварийного освещения; – организация шинок для питания потребителей, шинок управления, сигнализации и «мигающего света»; – селективная защита вводов и отходящих линий от токов перегрузки и короткого замыкания; – управление независимыми расцепителями; – дублирование системы питания и распределения электроэнергии с секционированием шин; – непрерывный автоматический контроль напряжения на шинах ЩПТ с формированием сигнала об отклонении напряжения от номинального значения; – непрерывный автоматический контроль сопротивления изоляции сети постоянного тока относительно земли с формированием сигнала о снижении сопротивления изоляции ниже допустимого уровня; – автоматический поиск и сигнализация замыканий на землю каждого присоединения; – формирование обобщенного аварийного сигнала при срабатывании защиты и в случае отсутствия питания цепей защиты; – локальная и центральная сигнализации (сигнализация положения автоматических выключателей, отключение вводных автоматических выключателей); – измерение основных параметров АБ аналоговыми измерительными приборами: 1) тока заряда–разряда АБ; 2) тока подзаряда АБ; 3) напряжения; 3.5 Обслуживание источников и сети оперативного тока Важное значение имеет обслуживание источников оперативного тока, особенно аккумуляторных батарей. Надежность их работы в значительной мере зависит от состояния помещений, в которых батареи размещаются, и от систематического и строгого выполнения всех правил по их эксплуатации. На работу аккумуляторных батарей оказывает влияние состояние зарядных и подзарядных агрегатов (ВАЗП, РТАБ и др.), которые должны поддерживаться в период эксплуатации в работоспособном состоянии и быть готовыми к включению в работу. Эксплуатационное обслуживание этих устройств предусматривает: регулирование напряжения и тока в соответствии с режимом заряда и разряда аккумуляторных батарей; контроль за работой устройства по установленным приборам и сигнальной аппаратуре; замену перегоревших предохранителей и ламп; удаление пыли с внешних поверхностей устройства; контроль за работой контактов реле, контакторов и т. п. Эксплуатация источников выпрямленного тока (выпрямительных устройств, блоков питания, стабилизаторов) заключается во внешнем осмотре, очистке корпуса и аппаратуры от пыли, выявлении дефектов, контроле нагрузки по приборам, в надзоре за нагревом и охлаждением аппаратов. Кроме того, следует контролировать загрузку феррорезонансных стабилизаторов (С-0,9 и им подобных), так как при малой загрузке эти устройства не обеспечивают стабильного напряжения на выходе. Имея в виду, что выпрямительные блоки не являются автономными источниками оперативного тока и их работа возможна только при наличии напряжения в цепях переменного тока, особое внимание при их эксплуатации обращают на исправность блоков АВР, автоматических выключателей, контакторов, реле и другой аппаратуры, обеспечивающих надежность питания выпрямительных устройств переменным током. Основная задача эксплуатации конденсаторных источников заключается в том, чтобы они всегда находились в заряженном состоянии и были готовы обеспечить работу электромагнитов отключения, реле и других приборов. Для этого необходимо поддерживать в надлежащем состоянии изоляцию конденсаторов, питающих цепей и других элементов. Особенно опасна для конденсаторных источников потеря питания со стороны переменного тока, поскольку при этом происходит их быстрый разряд. За 1,5 мин заряд конденсаторов настолько снижается, что они уже не в состоянии обеспечить питание оперативных цепей отключения выключателей и др. Заряд на конденсаторах может сохраняться в течение нескольких часов, поэтому для безопасности при любых работах в цепях, предварительно заряженных конденсаторов необходимо не только отделить конденсаторы от зарядного устройства, но и разрядить их, шунтируя сопротивлением 500—1000 Ом. Проверку конденсаторных источников оперативного тока проводят примерно 1 раз в год, измеряя при этом высокоомным вольтметром уровень зарядного напряжения на конденсаторах, кроме того, проверяют исправность диодов. Зарядные устройства рассчитаны на заряд конденсаторов до напряжения 400 В. Трансформаторы, используемые в качестве источников питания переменного тока, обслуживаются, как и силовые и измерительные трансформаторы. Обслуживание аппаратуры АВР, щитов и сборок автоматических выключателей, контакторов, предохранителей осуществляется аналогично эксплуатации низковольтного электрооборудования. Следует учитывать, что неисправности в цепях оперативного тока могут иметь тяжелые последствия. Поэтому особое внимание должно быть обращено на наличие оперативного тока, обеспечение контроля изоляции и селективности действия аппаратов защиты в цепях выпрямленного тока. Сопротивление изоляции в цепях оперативного тока, измеряемое мегомметром 1000 В, должно поддерживаться на уровне не ниже 1 МОм. Техническое обслуживание щитов постоянного тока необходимо проводить один раз в 6-8 лет, включая ревизию контактных соединений, проверку сечения соединительных перемычек и сборных шин. Техническое обслуживание автоматических выключателей щитов постоянного тока необходимо проводить один раз в 6 месяцев. После включения автоматического выключателя ввода питания шин постоянного тока рычажным приводом необходима проверка его включенного положения осмотром положения главных контактов и измерением тока «заряд-разряд» АБ. При техническом обслуживании щитов постоянного тока (один раз в 6 – 8 лет) выполнять проверку технического состояния и установки защиты на расцепителях максимального тока автоматических выключателей АВМ и АВ ввода питания щитов постоянного тока. Проверку автоматических выключателей проводить совместно с персоналом РЗА в соответствии с циркуляром Ц-02-95 (Е). Во время технического обслуживания оборудования ЩПТ ведется ревизия, смазка, регулирование, проверка работоспособности автоматических выключателей и их расцепителей, ремонт предохранителей, проверка защит первичным током от постороннего источника, с обязательной ревизией контактных соединений и проверкой сечения перемычек и шинок. В случае выявления уменьшения сечения, вызванного коррозионно-окислительными процессами, ведется их замена для избежания перегорания при толчковом наборе нагрузки. Работы на ЩПТ должны проводиться по специально разработанным программам (технологическим картам), осмотры по графику работы оперативного персонала совместно с осмотром оборудования ПС. Осмотры ведутся оперативным, оперативно-производственным персоналом или аккумуляторщиком. При этом необходимо: -проконтролировать режим подзаряда; -проверить температуру в помещении ЩПТ; -проверить внешнее состояние подзарядных устройств; -уточнить значения постоянного значения и тока; -проверить отсутствие в помещении ЩПТ кислотных паров и влаги. Во время приемо-сдаточных испытаний после капитального ремонта и профилактического восстановления выполняется следующий объем работ: Измерение сопротивления изоляции. Замеряется сопротивление изоляции каждой из групп электрически не связанных вторичных цепей присоединений (оперативного тока, сигнализации, блокировки и т.д.) относительно «земли» и других групп, а также между жилами контрольных кабелей особенно ответственных вторичных цепей. При работе на щитах постоянного (оперативного) тока со всех сторон токоведущих частей, на которых будет проводиться работа, необходимо снять напряжение отключением коммутационных аппаратов с ручным приводом, а при наличии в схеме предохранителей – их снятием. При отсутствии в схеме предохранителей для предотвращения ошибочного включения коммутационных аппаратов следует обеспечить выполнение следующих мер: запирание рукояток дверей шкафа, закрытие кнопок, установка между контактами коммутационных аппаратов изолирующих накладок и т.п. При снятии напряжения коммутационным аппаратом с дистанционным управлением необходимо затем отсоединить провод, питающий включающую катушку, если в схеме отсутствуют предохранители. Если конструктивное исполнение аппаратуры и характер работы позволяют, то указанные выше меры необходимо заменить расшиновкой или отсоединением кабеля, проводов от коммутационного аппарата либо от оборудования, на котором следует проводить работу. Расшиновку или отсоединение кабеля, проводов при подготовке рабочего места может выполнять работник с группой 3 из состава производственных работников под наблюдением дежурного или работника из состава оперативно-производственных работников. С ближайших к рабочему месту токоведущих частей, доступных прикосновению, необходимо снять, напряжение либо их следует оградить. Отключенное положение коммутационных аппаратов до 1000 В с недоступными для осмотра контактами (автоматические выключатели невыкатного исполнения, пакетные выключатели, рубильники в закрытом исполнении и др.) определяется проверкой отсутствия напряжения на их зажимах либо на отходящих шинах, проводах или зажимах оборудования, включаемого этими коммутационными аппаратами снимать и устанавливать предохранители необходимо при снятом напряжении. Под напряжением, но без нагрузки, допускается снимать и устанавливать предохранители на присоединениях, в схеме которых отсутствуют коммутационные аппараты, позволяющие снять напряжение. Под нагрузкой допускается менять предохранители во вторичных цепях, сетях освещения и предохранители ТН. При снятии и установке предохранителей под напряжением необходимо пользоваться изолирующими клещами или диэлектрическими перчатками, работу следует выполнять с применением защитных очков (масок). На щитах постоянного (оперативного) тока необходимо: отгородить расположенные вблизи рабочего места токоведущие части, находящиеся под напряжением, к которым возможно случайное прикосновение; работать в диэлектрических ботах или стоя на изолирующей подставке или на резиновом диэлектрическом коврике; применять инструмент с изолирующими рукоятками, при отсутствии такого инструмента пользоваться диэлектрическими перчатками. Работы на щитах постоянного (оперативного) тока должны выполняться по наряду-допуску. Если напряжение снято со всего щита, руководитель работ должен иметь группу по ПБЭЭ не ниже 3, в противном случае – 4. Работник обслуживающий аккумуляторную батарею, зарядные устройства должен иметь группу не ниже 3. 4. ОБОСНОВАНИЕ ЭКОНОМИЧЕСКОЙ ЦЕЛЕСООБРАЗНОСТИ ЗАМЕНЫ МАСЛЯНЫХ ВЫКЛЮЧАТЕЛЕЙ НА ВАКУУМНЫЕ На ЦРП-1 «Город», до реконструкции были установлены масляные выключатели, типа «ВМ 10/630». Из-за износа оборудования, в целях пожарной безопасности, а также исходя из экономической целесообразности, была произведена замена масляных выключателе типа «ВМ» на вакуумные типа «ВВ». После замены оборудования ожидается снижение затрат на обслуживание электрооборудования и снижение затрат на вспомогательные материалы, уменьшение пожароопасность в помещениях, а следовательно уменьшение и затрат по мероприятиям по пожарной безопасности, повышение надежности электрооборудования. Ежегодные эксплуатационные расходы определяются затратами на амортизацию сети, текущий ремонт и содержание обслуживающего персонала. Отчисления на амортизацию устанавливаются таким образом, чтобы к концу срока службы электрооборудования были полностью восстановлены расходы, затраченные на установку. Ежегодные амортизационные отчисления Ам на полное восстановление (реновацию) определяются по норме, которая устанавливается, в свою очередь, в зависимости от срока службы основного средства:
где Сперв - первоначальная стоимость основного средства (то есть стоимость каждого элемента сети), руб, Нпв - норма амортизационных отчислений на полное восстановление, % от первоначальной стоимости. Расчет амортизационных отчислений приведен в таблице 4.1 Таблица 4.1-Расчет амортизационных отчислений
Таким образом в результате замены выключателей экономия амортизационных затрат составила 51,2 тыс. руб. Затраты на эксплуатационное обслуживание включают в себя расходы по заработной плате эксплуатационного персонала сетевых участков и служб, затраты на текущий ремонт сети, затраты на вспомогательные материалы, расходы по оплате услуг, выполняемыми вспомогательными службами, а также общесетевые и прочие расходы, включающие составляющие, аналогичные станционным. Затраты на вспомогательные материалы учитывают стоимость материальных ресурсов, необходимых для обслуживания оборудования, принимаем 1,5% от стоимости элементов электроснабжения. Результаты расчетов сводим в таблицы 4.2 Таблица 4.2 - Затраты на вспомогательные материалы
Затраты на оплату труда персонала, занятого эксплуатацией оборудования включают в себя расходы на основную заработную плату (за отработанное время), на дополнительную зарплату (например, оплата очередного отпуска) в размере 10% от основной, а также на уплату социального налога. Определяем эффективный фонд рабочего времени, который определяется:
где Дк - количество календарных дней в планируемом периоде, Дп - количество праздничных дней, Дв – количество выходных дней в соответствии с режимом работы предприятия, Дб – дни отсутствия работника на рабочем месте по болезни (7дней), До - количество дней основного (28 дней), дополнительного северного отпуска (16 дней), Дго –дни выполнения работником государственных обязанностей (1-2 дня), tсм – продолжительность рабочей смены (устанавливается в соответствии с режимом работы и не превышает 40 часов в неделю), час. ФРВ=(365-10-82-7-44-1)*8=1768 часов. Для данных работников оплата труда производится по повременно-премиальной системе. Помимо премии планируются доплаты Допл (за сменность, сверхурочные часы, и т.д.) в размере 15% от повременного заработка. Таким образом, повременная (тарифная) заработная плата определяется по формуле:
где ктар – тарифный коэффициент, учитывающий разряд работника, τчас - часовая тарифная ставка рабочего, руб/час (для расчетов в дипломной работе используем среднечасовую тарифную ставку 60 руб/час), ФРВ – фонд рабочего времени одного рабочего за год, час, Nр – количество рабочих, занятых обслуживанием, чел.
При повременно-премиальной системе зарплата определяется
Оплата отпуска планирует как 10% от оплаты проработанного времени (т.е с учетом надбавок и доплат) и учитываем в фонде оплаты труда: Отп=(ФЗПТ +Д+П)*0,1 , (4.5) Сумму единого социального налога определяем по ставке 26% от суммы всех выплат (основных и дополнительных) с учетом обязательных отчислений в накопительный пенсионный фонд. Расчеты сводим в таблицу 4.3 Таблица 4.3-Фонд оплаты труда рабочих
Расходы по оплате услуг, выполняемыми вспомогательными службами (например, перевозка материалов, испытание оборудования, сушка масла, строительно-дорожные работы и т.д.) принимаем в размере 5% от суммы эксплуатационных затрат на текущий ремонт, вспомогательные материалы и оплату труда. До реконструкции: Ссторуслуг =0,05*( Свспом.матер +Со.т ) (4.6) 0,05*(51+1848)=94,9 тыс. руб. После реконструкции: Ссторуслуг =0,05*( Свспом.матер + Со.т )=0,05*(39+1848)=94,4 тыс. руб. Общесетевые и прочие расходы в данной дипломной работе условно принимаем равными 5% от суммы эксплуатационных затрат на текущий ремонт, вспомогательные материалы и оплату труда. До реконструкции: Спрочие =0,05*(Ам + Свспом.матер. +Со.т. +Сстор.усл )= 0,05*(217,6+51+1848)=105,9 тыс. руб. После реконструкции: Спрочие =0,05*(Ам. +Свспом.матер. +Со.т. +Сстор.усл )= 0,05*(166,4+39+1848)=102,7 тыс. руб. На основе вышеприведенных расчетов составляем смету годовых эксплуатационных расходов в виде следующей таблицы 4.4 Таблица 4.4- Смета эксплуатационных расходов
Вывод: Таким образом, после реконструкции ЦРП, предприятие будет экономить около 67,7 тыс. руб, что экономически целесообразно, после проведения реконструкции, повысится пожарная безопасность, тем самым увеличится надежность, уменьшатся затраты на обслуживание электрооборудования, снизятся затраты на вспомогательные материалы, улучшится экологичность предприятия. 5. БЕЗОПАСНОСТЬ И ЭКОЛОГИЧНОСТЬ ПРОЕКТА 5.1 Безопасность электроустановок 5.1.1 Общие требования Защитное заземление – преднамеренное электрическое соединение с землей или ее эквивалентом металлических нетоковедущих частей, которые могут оказаться под напряжением. Защитное заземление должно обеспечивать защиту людей от поражения электрическим током при прикосновении к металлическим нетоковедущим частям, которые могут оказаться под напряжением в результате повреждения изоляции и по другим причинам. Заземляющее устройство – совокупность конструктивно объединенных заземлителя и заземляющих проводников. Зануление – преднамеренное электрическое соединение металлических нетоковедущих частей с заземленной нейтральной точкой источника электроэнергии с целью автоматического отключения участка при замыкании на корпус. Защитное отключение – это автоматическое отключение электроустановки при однофазном прикосновении к частям, находящимся под напряжением, недопустимым для человека, или при возникновении в электроустановке тока утечки , превышающего заданные значения. Защитное отключение осуществляется специальными отключающими устройствами, которые постоянно контролируют режим работы электроустановки, и при отклонении от заданных параметров отключают ее, тем самым уменьшая время воздействия электрического тока на человека. Контроль изоляции – измерение сопротивлений изоляции токоведущих частей электроустановки в целях поддержания ее на уровне, обеспечивающем электробезопасность, и предупреждения замыканий на землю и корпус. 5.1.2 Организационные мероприятия для безопасного проведения работ Организационные мероприятия по предупреждению поражения электрическим током состоят в регламентации действий дежурного и ремонтного персонала при выполнении им своих обязанностей, в отношении порядка работ и применения защитных средств. Осмотры действующих электроустановок допускаются одним лицом из числа дежурного или оперативно- ремонтного персонала, имеющего квалификационную группу не ниже IV.. При осмотре электроустановок строго запрещается снимать сетчатые ограждения, проникать за них, накладывать переносные заземления и производить какие-либо работы, требующие приближения к частям, находящимся под напряжением. Работы в электроустановках по условиям обеспечения электробезопасности делятся на четыре категории: - со снятием напряжения с наведенным или без наведенного напряжения. Электробезопасность работающих обеспечивается отключением электроустановки, установкой защитных заземления на токоведущие части на рабочем месте, ограждением рабочего места; - без снятия напряжения с применением электрозащитных средств. Электробезопасность работающих обеспечивается изоляцией работающих от токоведущих частей, находящихся под напряжением, с помощью основных и дополнительных защитных средств; - без снятия напряжения под потенциалом токоведущей части. Электробезопасность обеспечивается тем, что работник изолируется от «земли» и применяет при этом специальный комплект одежды и специальные приспособления; - вдали от токоведущих частей, находящихся под напряжением. Электробезопасность работающих обеспечивается тем, что в зоне работы токоведущие части ограждены стационарными защитными ограждениями или расположены на безопасном расстоянии. Для безопасного проведения работ должны быть выполнены следующие организационные мероприятия: - выдача наряда, распоряжения; - выдача разрешения на допуск; - допуск; - надзор при выполнении работ; -перевод на другое рабочее место; - оформление перерывов в работе, окончания работ. 5.1.3 Технические мероприятия для безопасного проведения работ Для подготовки рабочего места при работе, требующей снятия напряжения, должны быть выполнены в указанном порядке следующие технические мероприятия: - проведены необходимые отключения и приняты меры, препятствующие ошибочному или самопроизвольному включению коммутационной аппаратуры; - вывешены запрещающие плакаты на приводах ручного и на ключах дистанционного управления коммутационной аппаратурой; - проверено отсутствие напряжения на токоведущих частях, которые должны быть заземлены для защиты людей от поражения электрическим током; - установлено заземление (включены стационарные заземляющие ножи, установлены переносные заземления); - ограждены при необходимости рабочие места или оставшиеся под напряжением токоведущие части и вывешены на ограждениях плакаты безопасности. При работе на токоведущих частях, требующей снятия напряжения, должны быть отключены: - токоведущие части, на которых будет проводиться работа; Не огражденные токоведущие части, к которым возможно приближение людей, механизмов на расстояние менее допустимого. Трансформаторы напряжения и силовые трансформаторы отключаются и со стороны напряжения до 1000 В для исключения возможности обратной трансформации. При подготовке рабочего места, после отключения разъединителей, отделителей, выключателей нагрузки с ручным управлением необходимо визуально убедиться в их отключенном положении и отсутствии шунтирующих перемычек. Для предотвращения ошибочных действий персонала при производстве переключений служит блокировка. Наибольшее применение нашли следующие типы блокировочных устройств: - непосредственная механическая блокировка; - механическая замковая блокировка; - электромагнитная блокировка с переносным ключом. 5.1.4 Производство оперативных переключений в электроустановках Оперативные переключения в распределительных устройствах производятся по распоряжению и с ведома вышестоящего оперативного персонала, в чьем оперативном ведении находится данная электроустановка.. Распоряжение может быть передано устно, по телефону или радиосвязи непосредственному исполнителю, с записью в оперативном журнале. В условиях аварии или при несчастном случае переключения необходимо выполнять самостоятельно, но с последующим уведомлением вышестоящего оперативного лица. Переключения в электроустановках напряжением выше 1000 В должны выполняться по бланкам переключений, а переключения отнесенные к сложным, выполняются по типовым бланкам переключений или по утвержденным программам переключений двумя лицами, причем одно из них является контролирующим. Непосредственное оперативное обслуживание электроустановок осуществляется: - оперативным персоналом – круглосуточно, в том числе с дежурством на дому; - персоналом дежурных оперативно-выездных бригад; - оперативно-ремонтным персоналом. Вид оперативного обслуживания, численность персонала в смене и зоны обслуживания устанавливаются техническим руководителем энергопредприятия. Основным рабочим местом дежурного персонала является помещение управления энергопредприятия или специально отведенное для этой цели помещение, оборудованное средствами связи и соответствующей сигнализацией. Для связи с диспетчером оперативно-выездные бригады оснащаются радиосвязью. Оперативно-ремонтному персоналу при обслуживании закрепленных за ним электроустановок может вменяться в обязанность выполнение как всех видов переключений, так и части их, необходимой и достаточной для производства определенных видов ремонтных работ на оборудовании. Персонал, допущенный к оперативной работе, должен проходить проверку знаний ПТБ, производственных и должностных инструкций. Он обязан систематически повышать свою квалификацию в части оперативной работы, в качестве обязательной нормы обучения этого персонала, регулярно, не реже 1 раза в квартал, проводятся противоаварийные и противопожарные тренировки. 5.2 Электрозащитные средства Электрозащитные средства– переносные и перевозимые изделия, служащие для защиты людей, работающих в электроустановках от поражения электрическим током, от воздействия электрической дуги и электромагнитного поля. Электрозащитные средства могут быть основными и дополнительными. Основные электрозащитные средства – средства защиты изоляция которых длительно выдерживает рабочее напряжение электроустановок и которые позволяют прикасаться к токоведущим частям, находящимся под напряжением. Дополнительные электрозащитные средства – средства защиты, дополняющие основные средства, а также служащие для защиты от напряжения прикосновения и напряжения шага, которые сами по себе не могут при данном напряжении обеспечить защиту от поражения током, а применяются совместно с основными электрозащитными средствами. К основным электрозащитным средствам в электроустановках напряжением выше 1000 В относятся: изолирующие штанги, изолирующие и токоизмерительные клещи, указатели напряжения, указатели напряжения для фазировки, изолирующие устройства и приспособления для работ на воздушных линиях под напряжением с непосредственным прикосновением электромонтера к токоведущим частям ( изолирующие лестницы, площадки, канаты и т.д.) К основным электрозащитным средствам, применяемым в электроустановках напряжением до 1000 В, относятся: изолирующие штанги, изолирующие электроизмерительные клещи, указатели напряжения, диэлектрические перчатки, слесарно-монтажный инструмент с изолирующими рукоятками. К дополнительным электрозащитным средствам в электроустановках напряжением выше 1000 В относятся: диэлектрические перчатки, диэлектрические боты, диэлектрические ковры, индивидуальные экранирующие комплекты, изолирующие подставки и накладки, диэлектрические колпаки, переносные заземления, оградительные устройства, плакаты и знаки безопасности. К дополнительным защитным средствам в электроустановках напряжением до 1000 В относятся: диэлектрические галоши, диэлектрические ковры, переносные заземления, изолирующие подставки и накладки, оградительные устройства, плакаты и знаки безопасности. Электрозащитные средства должны быть рассчитаны на применение при наибольшем допустимом рабочем напряжении электроустановки. Запрещается производство работ в действующих электроустановках в одежде с короткими или засученными рукавами, а также пользоваться ножовками, напильниками, металлическими метрами и т.п. Весь персонал, находящийся на территории энергетического предприятия с действующим оборудованием (в ЗРУ, ОРУ, траншеях, кабельных каналах), участвующий в проведении работ на линиях, обязан пользоваться защитными касками. Все эти требования призваны обеспечивать безопасность работы. 5.3 Влияние электроустановок на окружающую среду Известно, что вблизи открытых распределительных устройств и воздушных линий электропередачи высоких напряжений возникают электромагнитные поля большой интенсивности, отрицательно влияющие на биологические объекты. Установлено, что вредное воздействие на организм человека электромагнитного поля (ЭМП) промышленной частоты обусловлено в основном одной из его составляющих – электрическим полем, напряженность которого на территории открытых распределительных устройств и вблизи ВЛ на высоте роста человека достигает десятков киловольт на метр. Магнитная составляющая ЭМП 50 Гц также может сказываться на здоровье человека. Однако при обычных условиях обслуживания открытых распределительных устройств и ВЛ, когда человек находится на большом расстоянии от частей, обтекаемых током, напряженность магнитного поля во много раз меньше допустимых значений. Лишь в случае работы под напряжением на проводах ВЛ сверх- и ультравысокого напряжения тело человека, и в первую очередь его руки, оказываются в магнитном поле весьма большой напряженности, что может отрицательно повлиять на его здоровье. Однако норм безопасности для этого случая не разработано. В целях исключения вредного воздействия электрического поля (ЭП) на человека, разработана и введена в действие система организационных и технических мероприятий, основой которых является обеспечение допустимого уровня напряженности электрического поля на рабочих местах персонала и в местах возможного нахождения посторонних людей, а также контроль за соблюдением установленных гигиенических нормативов напряженности электрического поля. В основе гигиенических нормативов лежит зависимость длительности пребывания человека в электрическом поле без средств защиты от интенсивности поля в месте нахождения человека. Для персонала обслуживающего действующие электроустановки, наибольшая напряженность, при которой человеку разрешается работать в электрическом поле без средств защиты, составляет 25 кВ/м, при этом длительность пребывания человека в электрическом поле не должна превышать 10 минут. При напряженности более 25 кВ/м человек должен пользоваться средствами защиты. При напряженности до 5 кВ/м включительно человек может работать без средств защиты в течении всего рабочего дня. При напряженности от 5 до 20 кВ/м включительно допустимое время пребывания в электрическом поле определяется по формуле: Т=50/Е-2, (5.1) где Е –напряженность электрического поля в контролируемой зоне, кВ/м. Для населения предельно допустимая напряженность электрического поля имеет следующие значения: - 0,5 кВ/м внутри жилых зданий; - 1 кВ/м на территории зоны жилой застройки; - 5 кВ/м в населенной местности вне зоны жилой застройки, (земли городов в пределах городской черты в границах их перспективного развития на 10 лет, пригородные и зеленые зоны, курорты, земли поселков городского типа в пределах поселковой черты и сельских населенных пунктов в пределах черты этих пунктов), а также на территории огородов и садов; - 10 кВ/м на участках пересечения воздушных линий электропередачи с автодорогами I-IV категорий; - 15 кВ/м в ненаселенной местности (незастроенные местности, хотя бы и часто посещаемые людьми, доступные для транспорта, и сельскохозяйственные угодья); - 20 кВ/м в труднодоступной местности (недоступной для транспорта и сельскохозяйственных машин) и на участках, специально огражденных для исключения доступа населения. Измерение напряженности электрического поля в действующих электроустановках имеет целью определить: истинное значение напряженности на рабочих местах обслуживающего персонала; границы зоны влияния; зоны экранирования. Зоной влияния электрического поля называется пространство, в котором напряженность электрического поля превышает 5 кВ/м. Зоной экранирования называется пространство вблизи находящихся в электрическом поле зданий и сооружений, а также заземленных металлоконструкций фундаментов под оборудование, силовых трансформаторов и крупногабаритных объектов, в котором напряженность электрического поля не превышает 5 кВ/м. При проектировании электрических электроустановок значения ожидаемой напряженности электрического поля и границы зон влияния и экранирования определяются по результатам измерений в электроустановках с аналогичными конструктивно-компановочными решениями, а при отсутствии аналогов – по результатам расчета, которые должны быть проверены впоследствии экспериментально в процессе эксплуатации. Защита персонала, обслуживающего действующие электроустановки сверх- и ультравысокого напряжения, от вредного воздействия электрического поля обеспечивается путем снижения напряженности поля в окружающем человека пространстве до допустимых нормами значений и ограничения времени пребывания в электрическом поле. Средствами защиты являются: комплект специальной одежды (экранирующий костюм) и экранирующие устройства (экраны). Экранирующий костюм является индивидуальным средством защиты от вредного воздействия электрического поля промышленной частоты напряженностью до 60 кВ/м при работах в электроустановках сверх- и ультравысокого напряжения, а также при работах под напряжением на ВЛ-220 кВ и выше. 5.4 Воздействие электрического тока на организм человека Воздействие электрического тока на живую ткань в отличие от воздействия других материальных факторов (пар, химические вещества, излучение и т.д.) имеет своеобразный и разносторонний характер. Ток, проходя через организм человека, производит термическое, электролитическое, механическое, и биологическое воздействие. Термическое воздействие проявляется в ожогах отдельных участков кожи, нагреве до высокой температуры кровеносных сосудов, нервов, сердца и других органов, находящихся на пути тока, что вызывает в них серьезные функциональные расстройства. Электролитическое воздействие выражается в разложении органических жидкостей, в том числе крови, что сопровождается значительными нарушениями их физико-химических составов. Механическое воздействие выражается в расслоении, разрыве и других подобных повреждениях тканей организма, в том числе мышечной ткани, кровеносных сосудов, а также мгновенном взрывоподобном образовании пара в перегретых током тканевой жидкости и крови. Биологическое воздействие проявляется в раздражении живых тканей организма, что вызывает их возбуждение, т.е. специфическую деятельность, а также в нарушении внутренних биоэлектрических процессов, протекающих в нормально действующем организме и тесно связанных с его жизненными функциями. Биологическое воздействие тока возможно лишь на живую материю. Электротравма - травма вызванная воздействием электрического тока или электрической дуги. Местная электротравма – электрические ожоги, электрические знаки, металлизация кожи, механические повреждения и электроофтальмия. Электрический ожог – самая распространенная электротравма: ожоги возникают у большей части (63 %) пострадавших от электрического тока, причем треть их (23 %) сопровождается другими местными травмами. Около 85 % всех электрических ожогов приходится на электромонтеров, обслуживающих действующие электроустановки. Электрический удар – это возбуждение живых тканей организма проходящим через него электрическим током, проявляющееся в непроизвольных судорожных сокращениях различных мышц тела. Степень воздействия на организм электрических ударов различна. Самый слабый электрический удар вызывает лишь едва ощутимое сокращение мышц в месте входа или выхода тока, в худшем случае он приводит к нарушению и даже полному прекращению деятельности легких и сердца, т.е. к гибели организма. При этом внешних местных повреждений человек может и не иметь. Электрические удары являются грозной опасностью для жизни пострадавшего: они вызывают 85-87 % смертельных поражений (считая за 100 % все случаи смертельных исходов от воздействия тока). 5.4.1. Факторы, влияющие на исход поражения током Исход воздействия тока на человека зависит от ряда факторов, в том числе от значения тока, длительности протекания его через тело человека, рода и частоты тока, индивидуальных свойств человека, а также от характера электроустановки, окружающей среды и класса помещения по опасности поражения током. Степень воздействия увеличивается с ростом тока. Электрическое сопротивление человека и приложенное к нему напряжение, т.е. напряжение прикосновения, также влияют на исход поражения, так как они определяют значение тока, протекающего через тело человека. Напряжение прикосновения – напряжение между двумя точками цепи тока, которых одновременно касается человек. 5.4.2 Первая доврачебная помощь пораженному электрическим током Первая доврачебная помощь при несчастных случаях от электрического тока состоит из двух этапов: освобождение пострадавшего от воздействия тока и оказания ему медицинской помощи. Необходимо немедленно отключить соответствующую часть электроустановки, если отключение быстро произвести нельзя (далеко расположен выключатель), можно в электроустановках до 1000 В перерубить провода топором с деревянной рукояткой или оттянуть пострадавшего от токоведущей части, взявшись за его одежду, если она сухая, отбросить от него провода сухой палкой и т.п. При напряжении выше 1000 В следует надеть диэлектрические перчатки и боты и действовать штангой или изолирующими клещами, рассчитанными на соответствующее напряжение. Меры первой помощи пострадавшему от электротока зависят от его состояния. Если пострадавший в сознании, но до этого был в обмороке или продолжительное время находился под током, ему необходимо обеспечить полный покой до прибытия врача или срочно доставить в медицинское учреждение. При отсутствии сознания, но сохранившемся дыхании необходимо уложить пострадавшего на мягкую подстилку, расстегнуть пояс и одежду, обеспечить приток свежего воздуха, давать нюхать нашатырный спирт, опрыскивать лицо холодной водой. При отсутствии сознания и признаков жизни необходимо проводить искусственное дыхание и массаж сердца. Эти мероприятия необходимо проводить до тех пор, пока не выявится состояние пострадавшего и до приезда скорой медицинской помощи. Только врач может констатировать наступление смерти. 5.5 Пожарная безопасность 5.5.1 Требования пожарной безопасности в действующих электроустановках Территория энергетического объекта должна содержаться в чистоте, постоянно очищаться от сгораемых материалов. На территории электростанций и подстанций следует регулярно скашивать и вывозить траву. Запрещается хранение высушенной травы на территории энергопредприятия и на прилегающей площадке (на расстоянии ближе 100 м). Кабельные каналы закрытых распределительных устройств и наземные кабельные лотки открытых распределительных устройств должны быть постоянной закрыты несгораемыми плитами. Места подвода кабелей к ячейкам ЗРУ и к другим сооружениям имеют несгораемое уплотнение с огнестойкостью не менее 0,75 ч. Несгораемые уплотнения выполняются в кабельных каналах в местах их прохода из одного помещения в другое, а также в местах разветвления канала и через каждые 50 м по длине. Места уплотнения кабельных лотков и каналов обозначены нанесением на плиты красных полос. На подстанциях с постоянным дежурным персоналом, а также на электростанциях первичные средства пожаротушения в помещении ЗРУ размещаются у входов. В распредустройствах определены места хранения защитных средств для пожарных подразделений при ликвидации пожара и их необходимое количество. Применение этих средств для других целей запрещено. В местах установки передвижной пожарной техники на открытых распределительных устройствах оборудованы и обозначены места заземления (в соответствии с оперативным планом пожаротушения). На подстанциях, под трансформаторами и реакторами оборудованы маслоотводы (или специальные дренажи), которые предназначены для исключения растекания масла при аварии и попадания его в кабельные каналы. В пределах бортовых ограждений маслоприемника гравийная засыпка должна содержаться в чистом состоянии, и не реже 1 раза в год промываться. При образовании на подсыпке твердых отложений от нефтепродуктов толщиной не менее 3 мм или появлении растительности и в случае невозможности ее промывки, производится полная или частичная замена гравия. При обнаружении свежих капель масла на гравийной засыпке или маслоприемнике немедленно принимаются меры по выявлению источника их появления и предотвращению течи масла с соблюдением мер безопасности на работающем маслонаполненном оборудовании. При возникновении пожара на трансформаторе (или другом маслонаполненном оборудовании), он должен быть отключен со всех сторон, если не отключился от действия релейной защиты, и заземлен. Персонал должен проконтролировать включение стационарной установки пожаротушения (при ее наличии), вызвать пожарную охрану и далее действовать согласно оперативного плана пожаротушения. При этом, нельзя сливать масло из трансформатора, так как это может привести распространению огня на его обмотку и затруднит тушение пожара. Места заземления передвижной пожарной техники определяются специалистами энергетических объектов совместно с представителем гарнизона пожарной охраны и обозначаются знаком заземления. На дверях помещения аккумуляторных батареи вывешиваются соответствующие надписи и необходимые запрещающие и предписывающие знаки безопасности. Категорически запрещается непосредственно в помещениях аккумуляторных батарей курить, хранить кислоты и щелочи в количествах, превышающих односменную потребность, оставлять спецодежду, посторонние предметы и сгораемые материалы. 5.5.2 Средства пожаротушения, применяемые в электроустановках В производственных помещениях, на подстанциях и в электромашинных помещениях должны быть первичные средства огнетушения, которые применяет обслуживающий персонал при ликвидации пожара до прибытия вызванной на пожар пожарной части. Для тушения пожаров можно использовать воду, водяной пар или специальные химические вещества. Вода является наиболее дешевым и распространенным средством огнетушения. Высокая теплоемкость и большая теплота испарения воды позволяют эффективно отбирать тепло от очага пожара. Однако воду нельзя применять для тушения легковоспламеняющихся жидкостей (бензин, керосин, минеральное масло). Нельзя применять воду и для тушения электроустановок, находящихся под напряжением, без применения специальных мер защиты от поражения электрическим током через струю воды. Вода для тушения пожара поступает или от общего водопровода или от специального пожарного водоема или резервуара. Если напор в общем водопроводе недостаточен, то его повышают насосами или пожарными мотопомпами. Для тушения пожара в закрытых помещениях рекомендуется применять водяной пар, огнегасительные свойства которого заключаются в разбавлении воздуха, в результате чего понижается концентрация кислорода и температура горящего вещества. Водяной пар может быть использован для тушения обмоток электрических машин, а также различных твердых и жидких горящих веществ. Хорошие результаты при тушении пожара дает химическая пена, образуемая при смешивании пеногенераторных порошков ПГП с водой. Огнегасительные свойства пены состоят в изолирующем действии, способности уменьшать испарение горючего вещества и охлаждать его верхний слой. Тушение пожара целесообразно осуществлять с помощью воздушно-механической пены, образуемой в результате механического перемешивания водного раствора пенообразователей (типа ПО-1, ПО-6) с воздухом, осуществляемого в специальном аппарате – пеногенераторе, например, типа ГВП-600. Из химических средств огнетушения широкое применение получила углекислота. При быстром испарении жидкой углекислоты образуется снегообразная углекислота, которая, будучи направлена в зону пожара, снижает концентрацию кислорода в воздухе, а также охлаждает поверхность горящего вещества. Углекислота применяется для тушения пожаров в закрытых помещениях и может быть использована в электроустановках, находящихся под напряжением, вследствие низкой ее электропроводности и безопасности в отношении поражения людей электрическим током. Также, следует отметить и такие простейшие средства огнетушения, как сухой песок и асбестовую или грубошерстную ткань, набрасывая которую на очаг загорания можно быстро затушить пламя. 5.5.3 Действия персонала при возникновении пожара При возникновении пожара на объекте первый заметивший очаг возгорания должен немедленно сообщить начальнику смены энергообъекта или руководству энергопредприятия, а при наличии связи – в пожарную охрану и приступить к тушению пожара имеющимися средствами пожаротушения. Начальник смены обязан немедленно сообщить в пожарную охрану, руководству и диспетчеру энергопредприятия. До прибытия пожарной команды, руководителем тушения пожара является старший смены, который обязан: - удалить с места пожара всех посторонних лиц; - установить место возникновения пожара, возможные пути его распространения и образования новых очагов горения (тления); - проверить включение системы автоматического пожаротушения, в случае отказа, ее ручное включение; - организовать тушение пожара (до приезда пожарной команды) имеющимися средствами пожаротушения; - выполнить подготовительные работы с целью обеспечения эффективного тушения пожара (произвести необходимые отключения, подготовить наряд на допуск пожарной команды); - организовать встречу подразделений ГПС лицом хорошо знающим безопасные маршруты движения, расположение водоисточников, места заземления пожарных машин. Отключение оборудования, находящегося в зоне возгорания производится дежурным персоналом по распоряжению начальника смены или диспетчера энергопредприятия. После прибытия на место пожара подразделения ГПС руководителем тушения пожара является старший начальник этого подразделения. Начальник смены энергообъекта при передачи ему руководства тушения пожара информирует о принятых мерах. Решение о подаче огнетушащих средств принимает руководитель тушения пожара после проведения инструктажа и выполнения необходимых мер безопасности. Тушение электроустановки находящейся под напряжением разрешается только после получения письменного допуска на тушение от начальника смены, инструктажа личного состава пожарного подразделения и создания визуального контроля за электроустановкой. ЗАКЛЮЧЕНИЕ Развитие электротехнической промышленности в России играет важную роль в решении задач электрификации, технического перевооружения всех отраслей народного хозяйства, повышения эффективности использования электрической энергии. Проведенные нами расчеты по оптимизации мероприятий по технической эксплуатации и обслуживанию электрооборудования на ЦРП-1 ОАО "ЮТЭК - БЕЛОЯРСКИЙ", нашли свое подтверждение. В процессе разработки были определены электрические нагрузки, осуществлён расчет токов короткого замыкания, освещения и выбор оборудования. Произведён сравнительный анализ масляных и вакуумных выключателей, в результате чего в целях наиболее оптимальной эксплуатации был выбран вакуумный выключатель серии BB/TEL-10-(12,5)20/1000 У2. В экономической части проекта мы выяснили, что экономически целесообразно произвести замену масляных выключателей марки ВМ 10/630 на вакуумные. При этом экономия после реконструкции ЦРП составит около 67,7 тыс. руб. в месяц. После реконструкции также повысится пожарная безопасность, тем самым увеличится надежность используемого оборудования, уменьшатся затраты на обслуживание электрооборудования, снизятся затраты на вспомогательные материалы, улучшится экологическая безопасность предприятия. Практическая ценность проделанной работы определяется как постановкой исследовательских целей и задач, так и полученными результатами в ходе проведения исследования. СПИСОК ИСПОЛЬЗОВАННЫХ ИСТОЧНИКОВ 1. Андреев В.А. Релейная защита и автоматика систем Электроснабжения.- М.: Высшая школа, 1991 г.- 496с. 2. Беляева Е.Н. Как рассчитать токи короткого замыкания. – М.: Энергоатомиздат, 1983. – 137 с. 3. Волков О.И. Экономика предприятия. Учебник – М.: ИНФРА–М., 2000.–520с. 4. Голубев М.Л. Расчет токов короткого замыкания в электросетях 0,4-35 кВ. – М.: Энергия, 1980. – 86 с. 5. ГОСТ 2702-75. Правила выполнения электричских схем. 01-07-1977. 6. ГОСТ 30323-95. Короткие замыкания в электроустановках. 01-01-1994. 7. ГОСТ Р 50571.15-97 . Электроустановки зданий. 01-07-1997. 8. Князевский Б. А. Охрана труда в электроустановках.- Энергоатомиздат, 1983.- 236с. 9. Крючков И.П., Кувшинский Н.Н. Электрическая часть электростанций и подстанций. Справочные материалы для курсового и дипломного проектирования.- М.: Энергоиздат, 1978 г.- 454с. 10. Межотраслевые правила по охране труда. ПОТ РМ-016-2001, РД 153-34.0-03.150-00. 11. Неклепаев Б. Н., Крючков И.П. Электрическая часть станций и подстанций.- М.: Энергия, 1989 г.- 608с. 12. Неклепаев Б.Н. Руководящие указания по расчету токов короткого замыкания. РД 153-34.0-20.527-98. 13. Правила устройства электроустановок.- М.: ЗАО «Энергосервис», 2000 г.- 608с. 14. Самсонов В.С. Экономика предприятий энергетического комплекса // Учебник для вузов – М.: Высшая школа, 2003. – 416 с. 15. Сборник Е23. Единые нормы и расценки на строительные, монтажные и ремонтно-строительные работы. 16. СНиП 23-05-95. Строительные нормы и правила Российской Федерации. Естественное и искусственное освещение. Принято Постановлением Минстроя России 02.08.1995 г. 17. Справочник по проектированию электроснабжения. Под ред. Ю.Г. Барыбина, Л.Е. Федорова.- М.: Энергоатомиздат, 1990 г.- 685с. 18. Справочник по электроснабжению промышленных предприятий. Под ред. А.А. Федорова и Г.В. Сербиновского.- М.: Энергия, 1973 г.-519с 19. Справочная книга для проектирования электрического освещения. Под ред. Кнорринга Г.М.- Л.: Энергия, 1992 г.- 356 с. 20. Указания по расчету электрических нагрузок. РТМ 36.18.32.4-92. Руководящий технический материал. ВНИПИ Тяжпромэлектропроект. 21. Шабад М. А. Расчеты релейной защиты и автоматики распределительных сетей.- Л.: Энергоиздат, 1985 г.- 296с. 22. Экономика предприятия / Под ред. В.Я. Горфинкеля, В.А.Швандар.- М.: Юнити, 2000. – 718с. 23. Экономика предприятия /Под ред. Н.А.Сафронова – М.: Юрист, 1998. – 581с. ПРИЛОЖЕНИЕ А
Диаграмма 3.1 – Коммутационный ресурс выключателей ВВ/TEL [Приложение А] |
||||||||||||||||||||||||||||||||||||||||||||||||||||||||||||||||||||||||||||||||||||||||||||||||||||||||||||||||||||||||||||||||||





(2.21)
(2.23)
(2.25
(2.26)
(2.28)
(2.29)













(2.31)
