Реферат: Расчёт механического изделия
|
Название: Расчёт механического изделия Раздел: Промышленность, производство Тип: реферат | |||||||||||||||||||||||||||||||||||||||||||||||||||||||||||||||||||||||||||||||||||||||||||||||||||||||||||||||||||||||||||||||||||||||||||||||||||||||||||||||||||||||||||||||||||||||||||||||||||||||||||||||||||||||||||||||
СОДЕРЖАНИЕВВЕДЕНИЕ………………………………………………………………………………...31. Исходные данные1.1. Чертёж механизма ………………………………………………………... 41.2. Пояснение к чертежу………………………………………………………41.3. Исходные данные к чертежу……………………………………………...52. Взаимозаменяемость гладких цилиндрических соединений2.1. Соединение валов и отверстий…………………………………………….62.1.1. Расчёт соединения деталей сопряжения D1…………………………………. 62.1.2. Расчёт соединения деталей сопряжения D4…………………………………. 72.1.3. Выбор средств измерений размеров деталей…………………….10 2.2. Контроль размеров предельными калибрами…………………………...11 2.3. Допуски и посадки подшипников качения………………………………12 3. Взаимозаменяемость соединений сложного профиля 3.1. Взаимозаменяемость резьбовых соединений……………………………19 3.2. Взаимозаменяемость шпоночных соединений…………………………..22 3.3. Взаимозаменяемость шлицевых соединений…………………………….25 СПИСОК ИСПОЛЬЗОВАННОЙ ЛИТЕРАТУРЫ………………………………………28 ВВЕДЕНИЕОсновной задачей конструктора является создание новых и модернизация существующих изделий, подготовка чертёжной документации, способствующей обеспечению необходимой технологичности и высокого качества изделия. Качественные показатели современных изделий (точность, долговечность, надёжность и др.) в значительной мере зависят от правильности выбора допусков формы и расположения. Рекомендации по выбору допусков и посадок деталей машин, имеющиеся как в учебной, так и в научно-технической литературе, часто даны без достаточных объяснений условий эксплуатации деталей и их сопряжений. Они базируются, в основном, на опыте изготовителя и эксплуатации изделий машиностроения. Известно, что эти рекомендации ориентировочны, для разных отраслей машиностроения различны и поэтому часто противоречивы. Изделия машиностроения не простая совокупность деталей. В собранном изделии детали находятся во время взаимосвязи и взаимозависимости. Отклонение размеров, формы и расположения осей или поверхностей одной какой-либо из детали вызывают отклонение формы или отклонения в расположение других деталей сборочной единицы. Эти отклонения, суммируясь, оказывают определённые воздействия на качественные характеристики изделия. По этой причине при выборе посадок, допусков размеров деталей, а также допусков формы и расположения следует учитывать многие параметры. Например: назначение детали в сборочной единице, роль отдельных её поверхностей (цилиндрических, конических, торцовых), влияние отклонений размеров, формы расположения осей или поверхностей детали на смежные с ней детали, влияние суммы отклонений точностных параметров всех деталей на качественные показатели изделия (точность и плавность вращения, бесшумность, долговечность). 1 Исходные данные1.1 Чертёж механизма |
|||||||||||||||||||||||||||||||||||||||||||||||||||||||||||||||||||||||||||||||||||||||||||||||||||||||||||||||||||||||||||||||||||||||||||||||||||||||||||||||||||||||||||||||||||||||||||||||||||||||||||||||||||||||||||||||
| № чертежа | № варианта | Разделы задания | ||||||||||||||
Гладкие цилиндрические изделия |
Подшипники качения | Шпоночные соединения |
||||||||||||||
| D1 , мм | D2 , мм | D3 , мм | D4, мм | № по чертежу | обозначение по ГОСТу | радиальная нагрузка, кН | d, мм |
b, мм |
||||||||
| 2 | 4 | 25 | 25 | 25 | 62 | 3 | 6-305 | 1000 | 25 | 8 | ||||||
| Резьбовые соединения | Шлицевые соединения | |||||||||||||||
| обозначение резьбы | d2 изм , мм | ΔP, мкм | Δd/2лев, мм | z | d,мм | D, мм | ||||||||||
| M8-6h | 7,15 | 8 | +15 | -15 | 8 | 56 | 62 | |||||||||
2 Взаимозаменяемость гладких цилиндрических поверхностей
2.1 Соединение валов и отверстий
2.1.1 Расчет соединения деталей сопряжения D1
Из справочника выбирается посадка Æ25 H7/h6 и для неё производятся расчёты.
Æ25 H7
EI=0
ES=0,021мм
Æ25 h6
ei = 0
es = - 0,013мм
1. Предельные размеры

мм

мм

мм

мм
2. Допуски отверстия и вала

мм

мм

мм
3. Максимальный и минимальный зазор

мм

мм
4. Максимальный и минимальный натяг
мм
мм
5. Среднее значение

мм
Так как среднее значение
получилось положительным, значит, посадка с зазором. Схема полей допусков и посадок приведена на рисунке 2.1.

Рисунок 2.1 – Схема полей допусков и посадок Æ25 ![]()
2.1.2 Расчет соединения деталей сопряжения D4
Из справочника выбирается посадка Æ62 H8/h7 и для неё производятся расчёты
Æ62 H8
EI=0
ES=0,046мм
Æ62 h7
ei = 0
es = - 0,030мм
- Предельные размеры

мм

мм

мм
мм
- Допуски отверстия и вала

мм
мм
мм
3. Максимальный и минимальный зазор

мм

мм
4. Максимальный и минимальный натяг
мм
мм
5. Среднее значение
мм
Так как среднее значение
получилось положительным, значит, посадка с зазором.
Схема полей допусков и посадок приведена на рисунке 2.2.

Рисунок 2.2 – Схема полей допусков и посадок Æ62![]()
2.1.3 Выбор средств измерения размеров деталей.
В соответствии с указанием
для измерения D1
Æ25 Н7 выбираются индикаторы многооборотные (1МИГ) находящиеся с ценой деления 0,001 мм и пределом измерения 1мм. Условия измерения: температурный режим 1
. Предельная погрешность прибора 0,0025 мм.
2.2 Контроль размеров предельными калибрами.
Калибры – это измерительные инструменты, предназначенные не для определения числового значения параметров, а для определения того, выходит ли величина контролируемого параметра за нижний или верхний предел или находится между двумя допустимыми пределами.
Калибры применяются для контроля размеров от 0.1 до 3150мм изделий 1 – 11го классов точности.
Для подшипника калибр-пробка не проектируется, так как это стандартное изделие, поэтому рассчитывается только калибр-скоба для вала D2 = 25 мм. Из справочника выбирается посадка для внутреннего кольца подшипника Æ25 k6.
Для контроля вала Æ25 k6 определяются исполнительные и предельные размеры калибра-скобы и контрольных калибров к нему.
Æ25 k6
es = 0.015 мм;
ei = 0.002 мм;
Td = 0.013 мм;
dmax = 25.015 мм;
dmin = 25,002 мм.
Предельные отклонения и допуски калибров берутся из таблицы П27[]
z1 = 0.003 мм
y1 = 0.003 мм
HI = 0.004 мм
Hp = 0.0015 мм
Исполнительные размеры калибра-скобы определяются
1. Проходной новой стороны:
![]()
мм
- Непроходной стороны:
![]()
мм
- Проходной изношенной:
![]()
мм
Подсчитаем размеры контрольных калибр-скоб:
- Проходной новой стороны:
![]()
мм
- Непроходной стороны:
![]()
мм
- Износа проходной стороны:
![]()
мм.
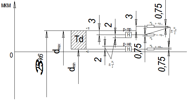
Схема расположения полей допусков калибров показана на рисунке 2.3.

Рисунок 2.3 - Схема расположения полей допусков калибров

Рисунок 2.4 – Эскиз калибр - скобы
2.3 Допуски и посадки подшипников качения
Для заданного подшипника качения, данные которого приведены в таблице 1, исходя из условий работы подшипникового узла, выбрать посадки внутреннего и наружного кольца на вал и в корпус.
Построить схемы расположения полей допусков колец подшипника с валом и корпусом. Определить предельные зазоры (натяги) в соединениях. Выполнить сборочный чертеж узла подшипника качения и деталировочные чертежи посадочных поверхностей вала и корпуса с указаниями размеров, полей допусков, шероховатости посадочных поверхностей и предельных отклонений формы вала и отверстия в корпусе.
Подшипник 6-305 ГОСТ 8338 – 75 по таблице 96 [5, стр.117] и таблице 2 [6, стр. 189] расшифровываем, что шарикоподшипник радиальный, однорядного типа 0000. Класс точности подшипника – 6, средней серии диаметров 3 (6), широкой серии ширин 6 с
мм,
мм,
мм, r=2,
мкм,
мкм.,. Для всех классов верхнее отклонение присоединительных диаметров принято равным нулю.
Посадку подшипника качения на вал и в корпус выбирают в зависимости от типа и размера подшипника, условий его эксплуатации, величины и характера действующих на него нагрузок и вида нагружения колец. Различают три основных вида нагружения колец: местное, циркуляционное и колебательное (СТ СЭВ 773 – 77).
При местном нагружении кольцо воспринимает постоянную по направлению результирующую радиальную нагрузку R одним и тем же ограниченным участком окружности дорожки качения и передает ее соответствующему ограниченному участку посадочной поверхности вала или корпуса, что имеет место, например, когда кольцо не вращается относительно нагрузки.
При циркуляционном нагружении кольцо воспринимает результирующую радиальную нагрузку R последовательно всей окружностью дорожки качения и передает ее также последовательно всей посадочной поверхности и постоянно направленной нагрузке R.
Посадки нужно выбирать так, чтобы вращающееся кольцо подшипника было смонтировано с натягом, исключающим возможность обкатки и проскальзывания этого кольца по посадочной поверхности вала или отверстия в корпусе в процессе работы под нагрузкой; другое кольцо нужно монтировать с зазором.
Монтаж подшипника с натягом производят преимущественно по тому кольцу, которое испытывает циркуляционное нагружение. В данном случае это внутреннее кольцо подшипника. Наличие зазора между циркуляционно нагруженным кольцом и посадочной поверхностью детали может привести к развальцовыванию и истиранию металла сопряженной детали, что недопустимо. При циркуляционном нагружении колец подшипников посадки выбирают по величине РR – интенсивности радиальной нагрузки на посадочной поверхности.
, (2.1)
где R
- радиальная нагрузка на опору, кН; b
– рабочая ширина посадочного места, м;
(В – ширина подшипника; r
– радиус скругления кромок отверстия внутреннего кольца); kП
– динамический коэффициент посадки, зависящий от характера нагрузки (при перегрузке до 150%, умеренных толчках и вибрации kП
= 1); F – коэффициент учитывающий степень ослабления посадочного натяга при полом вале или тонкостенном корпусе (при сплошном вале F
= 1); FA
= коэффициент неравномерности распределения радиальной нагрузки Fr между рядами роликов в двухрядных конических роликоподшипниках или между сдвоенными шарикоподшипниками при наличии осевой нагрузки FA
на опору (FA
= 1).
кН/м.
По таблице 4.82 из [5, стр. 818] определяем, что заданным условиям для вала соответствует поле допуска
по ЕСДП СЭВ.
Минимальный натяг, с которым должно быть смонтировано вращающееся кольцо подшипника.
, (2.2)
где R – радиальная нагрузка, кН; k - коэффициент (для подшипников средней серии 2,3).
мм.
Во избежание разрыва колец подшипника наибольший натяг посадки не должен превышать допускаемого натяга
, (2.3)
где [ур ] - допускаемое напряжение при растяжении (для подшипниковой стали [ур ] ≈ 400 МПа).
мм.
По таблице 4 [2, стр. 290] определяем предельные отклонения вала при допуске
:
мкм;
мкм, а также найдём и следующие величины:
Для размера Æ25 мм и класса точности 6, по таблице находим значения отклонения внутреннего кольца подшипника:
Верхнее отклонение ES=0
Нижнее отклонение EI=-0,008 мм
Предельное отклонение вала Æ25 jS 6 .
Принимаем систему отверстия:
Верхнее отклонение es=0,0065 мм
Нижнее отклонение ei= -0,0065 мм
1. Предельные размеры
мм
мм
мм
мм
2. Допуски отверстия и вала
мм
мм
3. Максимальный и минимальный натяги
мм
мм
Из всего этого можно сделать вывод, что
;
- так как оба условия выполнены, то, следовательно, посадка выбрана правильно.
Схема расположения поля допуска кольца показана на рисунке 1.5.
С зазором монтируют то кольцо, которое испытывает местное нагружение; при такой посадке устраняется заклинивание шариков, а кольцо, смонтированное с зазором, под действием толчков и вибраций постепенно поворачивается по посадочной поверхности, благодаря чему износ беговой дорожки происходит равномерно по всей окружности кольца. Срок службы подшипников при такой посадке колец с местным нагружением повышается. В данном случае местно нагруженным кольцом является наружное. Используя таблицу 8.6 [8, стр. 189], определяем посадку Æ62 Н7 в корпус для местно нагруженного кольца с посадочным диаметром 62 мм при перегрузке до 150%.
Принимается система вала для наружного кольца подшипника es = 0; ei = - 11, для поля допуска Н7 при номинальном размере до 80мм предельные отклонения будут следующими:
мкм,
мкм. Кроме отклонений также рассчитываются и другие параметры:
мм;
мм;
мм;
мм;
Допуск размера для отверстия
мм;
Допуск размера для вала
мм;
Наибольший зазор
мм;
Наименьший зазор
мм;
Средний зазор
мм;
Допуск посадки
мм.
Теперь проведём проверку:
мм.
Схема расположения полей допусков показана на рисунке 2.5

Рисунок 2.5 - Схемы расположения полей допусков колец подшипников качения, вала и отверстия
3 Взаимозаменяемость соединений сложного профил я
3.1 Взаимозаменяемость резьбовых соединени й
Определить предельные размеры диаметров заданной резьбы и построить схему расположений полей допусков относительно номинального профиля резьбы.
По ГОСТ 9150 – 59 из таблицы 85 [2, стр. 110] определяем основные размеры для метрической резьбы М 16-8h: М—резьба метрическая, 16 — номинальный диаметр d=16мм, 8h — поле допуска наружной резьбы болта.
Результаты вычислений приведены в таблице 3.1.
Таблица 3.1
| Резьба болта М8-6h | Резьба гайки М8-6Н | |||||
| Диаметр резьбы, мм | d = 8 | d2 =7.188 | d1 =6.647 | D=8 | D2 =7.188 | D1 =6.647 |
| Основные отклонения, мкм | Верхнее es | Нижнее EI | ||||
| 0 | 0 | 0 | 0 | 0 | 0 | |
| Допуски Td(TD), мкм | 212 | 118 | - | - | 160 | 265 |
| Вторые отклонения, мкм | Нижнее ei | Верхнее ES | ||||
| 212 | 118 | 160 | 265 | |||
| Предельные размеры, мм dmax , Dmax dmin , Dmin | ||||||
| 8 | 7.188 | 6.647 | Dmax | 7.188 | 6.647 | |
| 7.788 | 7.07 | 6.467 | 8 | 7.028 | 6.382 | |
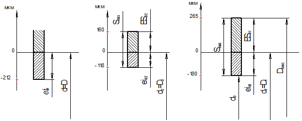
Схемы полей заданной посадки по в и D, d2 и D2 , d1 и D2 – показаны на рисунке 3.1.

Рисунок 3.1 Схемы полей заданной посадки по в и D, d2 и D2 , d1 и D2
Проверка годности резьбы М8-6h:
При изготовлении резьбовых деталей неизбежны погрешности профиля резьбы и ее размеров, возможны неконцентичность диаметральных сечений и другие отклонения, которые могут нарушить свинчиваемость и ухудшить качество соединений. Для обеспечения свинчиваемости и качества соединений действительные контуры свинчиваемых деталей, определяемые действительными значениями диаметров, угла и шага резьбы, не должны выходить на предельные контуры на всей длине свинчивания. То есть свинчиваемость будет возможна, если выполнится условие: приведенный средний диаметр для наружной резьбы
будет меньше максимального среднего диаметра резьбы
(
).
Приведенный средний диаметр резьбы – это значение среднего диаметра резьбы, увеличенное для наружной или уменьшенное для внутренней резьб на суммарную диаметральную компенсацию отклонений шага и угла наклона боковой стороны профиля.
Приведенный средний диаметр для наружной резьбы рассчитывается по формуле (3.1)
, (3.1)
где
- средний измеренный диаметр, мм;
- диаметральная компенсация погрешностей шага резьбы, мкм;
- диаметральная компенсация отклонений угла наклона боковой стороны профиля, мкм.
Диаметральную компенсацию погрешностей шага для метрической резьбы определяют по формуле (3.2)
, (3.2)
где
- отклонение шага резьбы, мкм.
Диаметральная компенсация отклонений угла наклона боковой стороны профиля:
, (3.3)
где Р – шаг резьбы, мм;
- отклонение половины угла профиля резьбы, мин.
Величину
при симметричном профиле резьбы находят как среднее арифметическое из абсолютных величин отклонений обеих половин угла профиля:
(3.4)
Исходные данные:
мм; P=
1.25 мм;
мм;
; ![]()
Отклонение половины угла профиля по формуле (3.4):
![]()
Диаметральная компенсация отклонений угла наклона боковой стороны профиля по формуле (3.3)
мкм.
Диаметральную компенсацию погрешностей шага по формуле (3.2)
мкм.
Приведенный средний диаметр для наружной резьбы по формуле (3.1)
мм.
7,170606 < 7,188
Так как выполнилось условие (3.1), значит свинчиваемость будет обеспечена, следовательно, резьба годна.
3.2 Взаимозаменяемость шпоночных соединени й
Призматическая шпонка ГОСТ 23360-78, нормальное с пазами по ширине в.
По таблицам П72, П73 для d=25 находятся размеры шпонки:
сечение шпонки
мм;
длина шпонки
мм.
Для ширины шпонки в = 8 h9 в таблицах П72, П73, П18 берутся значения: IT 9 = 36 мкм, es = 0, ei = - 36 мкм.
Для ширины пазов вала в = 8 N9 : ES = 0, EI = - 36 мкм; втулки в = 8Js 9 : ES = - EI = 18 мкм
Предельные зазоры и натяги.
В соединении шпонки с пазом вала (N9/h9):
;
;
;
.
В соединении шпонки с пазом втулки (JS
9/h9):
;
;
;![]()
Допуски на второстепенные и несопрягаемые размеры берутся в таблицах П72, П73, П18, мм:
на высоту 7h11 = 8 – 0,090
.
Определяются допуски на глубину пазов вала t1
и ступицы t2
, мм:
t1
=4+0.2
или d-t1
=25-4=21-0.2
;
t2
=3.3+0.2
или d+t2
=25+3.3=28.3+0.2
.

Рисунок 3.2 -Схема полей допусков
Обозначение размеров и предельных отклонений на поперечных сечениях шпоночного соединения, вала и втулки показаны на рисунке 3.3

Рисунок 3.3 - Поперечное сечение шпоночного соединения, вала и втулки
3.3 Взаимозаменяемость шлицевых соединений
Таблица 3.2 – Основные размеры (мм) и числа зубьев z шлицевых соединений с прямобочным профилем шлицев (по ГОСТ 1139 – 80)
Таблица 3.2
| Номинальная | Предельное отклонение | ||||||
| 8 | 56 | 62 | 10 | 53,6 | 0,4 | +0,2 | 0,3 |
Допуски и посадки шлицевых соединений зависят от их назначения и принятой системы центрирования втулки относительно вала. Существуют три способа центрирования: по поверхностям диаметрами
или
и по боковым поверхностям зубьев размером
.
Для данного шлицевого соединения выбирается центрирование по наружному диаметру
. Выбираем посадки по таблиц 13.4 [4, стр. 152]: по центрирующему диаметру
мм
; по боковым сторонам зубьев
мм
(по размеру
обычно принимают более свободную посадку, чем по
).
По таблице П18, П19 [4, стр. 223]: определяем предельные отклонения и допуски и сводим их таблицу 3.3.
Таблица 3.3
| Величина | Предельные отклонения и допуски шлицевых деталей, мкм |
|||||
| Втулка | Вал | |||||
Основное отклонение |
d1 =53.6 | |||||
Не основное отклонение |
ES=+30 | |||||
| Допуск | ||||||

Рисунок 3.4 - Предельные отклонения шлицевого соединения
Вычисляются зазоры по центрирующим и нецентрирующим поверхностям шлицевого соединения, мкм:
по D:
;
![]()
;
![]()
по
:
;
.
по d:
![]()
![]()
- не вычисляется.
Условные обозначения с указанием предельных отклонений:
– шлицевое соединение
;
– шлицевая втулка
;
– шлицевой вал
.

Рисунок 3.5 - Поперечное сечение, шлицевых вала и втулки
СПИСОК ИПОЛЬЗОВАННОЙ ЛИТЕРАТУРЫ
1. Чубенко Е.Ф. Метрология, стандартизация и сертификация: Пособие по курсовому проектированию. – Владивосток: Изд-во ВГУЭС, 2008.
2. Якушев А. И. Взаимозаменяемость, стандартизация и технические измерения. – М.: Машиностроение, 1986.
3. Анурьев В.И. Справочник конструктора-машиностроителя, Т. 1,2,3. – М.: Машиностроение, 1980.
4. Козловский Н.С., Ключников В.М. Сборник примеров и задач по курсу « Основы стандартизации, допуски, посадки и технические измерения». – М.: Машиностроение, 1983.
5. РД 50 – 98 – 86 «Выбор универсальных средств измерения линейных размеров до 500 мм». – М.: Издательство стандартов, 1987.
6. Мягков В.Д. Допуски и посадки. Справочник, II том. – М.: Машиностроение, 1983.
7. Бейзельман Р.Д. Подшипники качения. Справочник. – 6–е изд., перераб. и доп. – М.: Машиностроение, 1975.
