Реферат: Силовой привод
|
Название: Силовой привод Раздел: Промышленность, производство Тип: реферат | |||||||||||||||||||||||||||||||||||||||||||||||||||||||||||||||||||||||||||||||||||||||||||||||||||||||||||||||||||||||||||||||||||||||||||||||||||||||||||||||||||||||||||||||||||||||||||||||||||||||||||||||||||||||||||||||||||||||||||||||||||||||||
Санкт-Петербургский Государственный Политехнический УниверситетКафедра машиноведения и деталей машин ПРИВОД СИЛОВОЙПояснительная записка МДМ 055.00.00.00 ТЗ Курсовой проект Студент группы 3036/1 ___________________________ (Дородный К.И.)Руководитель ___________________________ (Деникин Э.И.)Санкт-Петербург 2008 г. 1. ЭНЕРГО-КИНЕМАТИЧЕСКИЙ РАСЧЁТ ПРИВОДА И ВЫБОР ЭЛЕКТРОДВИГАТЕЛЯ 1.1 Определение КПД привода и выбор электродвигателя Кинематическая схема привода (двухступенчатый редуктор по развернутой схеме)
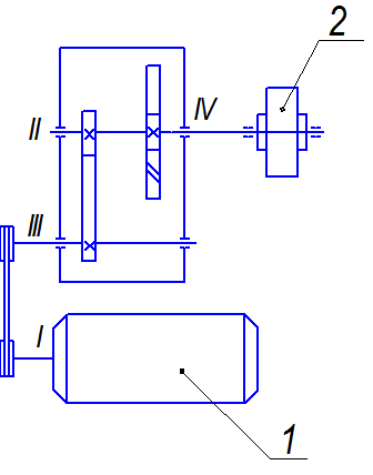
1 – электродвигатель; 2 – муфта; III – входной (быстроходный) вал; IV– выходной (тихоходный вал) Рис.1.1 Для выбора электродвигателя следует определить его мощность, которая определяется по формуле:
где Мощность на валу IV определяется по формуле:
где Угловая скорость на валу IV вычисляется по формуле:
где Подставляя численные значения в (1.3), получаем величину угловой скорости на валу IV :
Подставляя численные значения в (1.2), получаем мощность на валу IV :
КПД привода может быть вычислен по формуле:
где Значения всех КПД, входящих в формулу (1.4), выбираем по рекомендациям в соответствии с [2, с.5]: Подставляя эти значения в (1.4), получаем КПД привода:
По формуле (1.1) определяем мощность двигателя:
По [2, с.390] выбираем асинхронный электродвигатель переменного тока с учётом Тип двигателя 132 M8, синхронная частота вращения Полученные данные запишем в табл. 1.1 Таблица 1.1 Технические характеристики электродвигателя
1.2 Определение общего передаточного отношения привода и разбивка его по ступеням Частота вращения (асинхронная) вала I определяется по формуле:
Угловая скорость на валу I вычисляется по формуле:
Крутящий момент на валу I рассчитывается по формуле:
Подставляя численные значения в формулы (1.5), (1.6), (1.7), получим:
Передаточное значение найдём из следующего выражения:
В соответствии с рекомендациями выбираем:
где Находим численное значение передаточного отношения быстроходной передачи по формуле (1.8):
1.3 Определение частот вращения, крутящих моментов и мощностей на валах Частота вращения вала II определяется по формуле:
Подставляя численные значения в формулу (1.9), получаем:
Частота вращения вала III определяется по формуле:
Угловые скорости на валах II и III вычисляются по формулам:
Мощности на валах II и III определяются по формулам:
Подставляя численные значения в формулы (2.0) и (2.1), получим:
Зная численные значения
Посчитаем значения частот вращения, мощностей, крутящих моментов и передаточных отношений на всех валах редуктора при
Таблица 1.2 Результаты энерго-кинематического расчёта (вариант 1)
Таблица 1.3 Результаты энерго-кинематического расчёта (вариант 2)
Таблица 1.4 Результаты энерго-кинематического расчёта (вариант 3)
2. ПРОЕКТИРОВАНИЕ МЕХАНИЧЕСКИХ ПЕРЕДАЧ 2.1 Проектировочный расчёт зубчатых колёс закрытой передачи редуктора В основу методики проектировочного расчёта зубчатых передач положено отсутствие выкрашивания боковых поверхностей зубьев. Критерий проектировочного расчёта – контактная выносливость.
где Так как в техническом задании указан мелкосерийный характер производства, то выбираем для изготовления зубчатого колеса группу твёрдости С учётом скоростей скольжения в зубчатом зацеплении выбирается для быстроходной ступени 7 степень точности по нормам плавности, а для тихоходной 8 степень точности. Назначаем для косозубой передачи угол наклона зуба Остальные параметры выбираем на основании технического задания и энерго-кинематического расчёта. Допускаемые контактные напряжения найдём по формуле:
где Для непрямозубых колес расчетное допускаемое контактное напряжение:
где
Найденные значения подставляем в выражение (2.2) и получаем контактное напряжение:
2.1.1 Определение геометрических параметров быстроходной зубчатой передачи Межосевое расстояние найдём по формуле:
где коэффициент Подставляя численные значения в формулу (2.3) получим:
Округлим это значение до ближайшего большего из ряда ГОСТ 2185-66. Принимаем Нормальный модуль зацепления
принимаем по ГОСТ 9563-60 Пусть предварительно угол наклона зубьев
Подставляя численные значения в выражение (2.5), получим:
Число зубьев колеса определяем по соотношению:
Подставляя численные значения в выражение (2.6), получим:
Уточним угол наклона:
Подставляя численные значения в выражение (2.7), получим:
т.е. Рассчитаем делительные диаметры шестерни и колеса по формулам:
Подставляя численные значения в выражения (2.8), получим:
Проверим этот результат:
Рассчитаем диаметры окружностей вершин зубьев шестерни и колеса по соотношениям:
Подставляя численные значения в выражение (2.9), получим:
Определим ширину колеса по формуле:
Подставляя численные значения в выражение (2.10) получим:
Ширину шестерни определим по соотношению:
Подставляя численные значения в выражение (2.11), получим:
Определим окружную скорость колёс по формуле:
2.2 Проверочный расчёт зубчатых колёс закрытой быстроходной передачи редуктора Целью данного раздела является проверка проектировочного расчёта 2.2.1 Проверочный расчёт зубьев колёс на выносливость по контактным напряжениям Проверим контактные напряжения по формуле:
где Коэффициент нагрузки
где Коэффициент ширины шестерни по диаметру найдём по формуле:
т.е. Исходя из значений окружной скорости и коэффициента ширины шестерни по диаметру Подставляя численные значения в выражение (2.13) получим:
Теперь все члены формулы (2.12) известны. Подставим в неё численные значения:
Условие прочности выполнено. 2.2.2 Проверочный расчёт зубьев колёс на выносливость по напряжениям изгиба На колесо действуют окружная, радиальная и осевая силы Рассчитаем силы по соотношениям:
где Подставляя численные значения, получим:
Проверять зубья на выносливость по напряжениям изгиба будем по формуле:
где Коэффициент нагрузки определяем по соотношению:
Выбираем коэффициенты Подставляя численные значения в выражение (2.17), получим:
Коэффициент
Подставляя численные значения, получим:
Коэффициент
Подставляя численные значения, получим:
По этим значениям выбираем коэффициенты
Коэффициент
где Коэффициент торцевого перекрытия и степень точности зубчатых колёс выбираем по рекомендации (2, с.47) и считаем равными Подставляя численные значения в выражение (2.20), получим:
Определим допускаемые напряжения по соотношению:
где Предел выносливости при нулевом цикле изгиба для колёс найдём по формуле:
Подставляя численные значения в выражение (2.22) для колеса и шестерни, получим:
Коэффициент безопасности найдём по формуле:
где Подставляя численные значения в выражение (2.23), получим:
Подставляя численные значения в выражение (2.16), получим допускаемые напряжения:
Подставляя численные значения в выражение (2.16), получим:
Условие прочности выполнено. 2.3 Определение геометрических параметров тихоходной зубчатой передачи Межосевое расстояние найдём по формуле (2.3):
Округлим это значение до ближайшего большего из ряда ГОСТ 2185-66. Принимаем Нормальный модуль зацепления
принимаем по ГОСТ 9563-60 Угол наклона зубьев
Рассчитаем делительные диаметры шестерни и колеса по формулам (2.8):
Проверим результат:
Рассчитаем диаметры окружностей вершин зубьев шестерни и колеса по соотношениям (2.9):
Определим ширину колеса по формуле (2.10):
Определим окружную скорость колёс по формуле (2.12*):
2.3.1 Проверочный расчёт зубчатых колёс закрытой тихоходной передачи редуктора Целью данного раздела является проверка проектировочного расчёта. 2.3.2 Проверочный расчёт зубьев колёс на выносливость по контактным напряжениям Проверим контактные напряжения по формуле (2.12):
Условие прочности выполнено. 2.3.3 Проверочный расчёт зубьев колёс на выносливость по напряжениям изгиба На колесо действуют окружная, радиальная и осевая силы. Рассчитаем силы по соотношениям (2.15):
Найдём эквивалентное число зубьев колеса по формулам (2.19):
Коэффициенты
Коэффициент
Определим допускаемые напряжения по соотношению (2.21):
Подставляя численные значения в выражение (2.16), получим допускаемые напряжения:
Подставляя численные значения в выражение (2.16), получим:
Условие прочности выполнено. 2.4 Проектировочный расчёт цилиндрической передачи ВАРИАНТ 2 ПРОЕКТНЫЙ РАСЧЕТ ЦИЛИНДРИЧЕСКОЙ ПЕРЕДАЧИ (быстр. п. вар 2 ) ЧАСТОТА ВРАЩЕНИЯ б.ход.вала 369.0 об./мин. РЕСУРС ПЕРЕДАЧИ 4900 ч ВРАЩАЮЩИЙ МОМЕНТ на б.ход.валу 130.6 Н*м ПЕРЕДАЧА нереверсивная РЕЖИМ НАГРУЖЕНИЯ типовая циклограмма нагружения N 8 КОЭФФ.ПЕРЕГР.2.00 ШЕСТЕРНЯ: прокат сталь 40Х ТО улучшение ТВЕРДОСТЬ 300 HB КОЛЕСО: прокат сталь 40Х ТО улучшение ТВЕРДОСТЬ 320 HB СХЕМА ПЕРЕДАЧИ 5 СТЕПЕНЬ ТОЧНОСТИ 7 МОДУЛЬ 2.000 мм МЕЖОСЕВОЕ РАССТОЯНИЕ 138.000 мм ЧИСЛО ЗУБЬЕВ: шестерни 25 колеса 111 ПЕРЕДАТОЧНОЕ ЧИСЛО 4.44 УГОЛ НАКЛОНА ЗУБЬЕВ [град.мин.сек.] 09 46 00 КОЭФФИЦИЕНТ СМЕЩЕНИЯ: шестерни 0.000 колеса 0.000 суммарный 0.000 ШИРИНА ЗУБЧАТОГО ВЕНЦА [мм]: шестерни 64.0 колеса 60.0 ОТНОСИТ. ШИРИНА ЗУБЧАТОГО ВЕНЦА: в долях d1 1.183 в долях aw 0.435 КОЭФФИЦИЕНТ ПЕРЕКРЫТИЯ: торцового 1.70 осевого 1.62 суммарный 3.32 CИЛЫ В ЗАЦЕПЛЕНИИ [Н]: окружная 5148 радиальная 1901 осевая 886 ДИАМЕТР ШЕСТЕРНИ [мм]: делительный 50.735 вершин 54.74 впадин 45.74 ДИАМЕТР КОЛЕСА [мм]: делительный 225.265 вершин 229.26 впадин 220.26 УСЛОВНЫЙ ОБЪЕМ КОЛЕС 1803 куб.см ОКРУЖНАЯ СКОРОСТЬ 0.98 м/с |НАПРЯЖЕНИЯ |при расчете на контактную | при расчете на изгибную | | [МПа] |выносливость| прочность | выносливость | прочность | | | | |шестер. колесо|шестер. колесо| | расчетные | 533 | 754 | 97 88 | 195 175 | |допускаемые| 553 | 1540 | 286 305 | 1114 1189 | КОЭФ-ТЫ:нагрузки Kh 1.06 Kf 1.12 долговечн.Zn 0.95 1.11 Yn 1.00 1.00 (тих. п. вар 2 ) ЧАСТОТА ВРАЩЕНИЯ б.ход.вала 82.6 об./мин. РЕСУРС ПЕРЕДАЧИ 4900 ч ВРАЩАЮЩИЙ МОМЕНТ на б.ход.валу 583.6 Н*м ПЕРЕДАЧА нереверсивная РЕЖИМ НАГРУЖЕНИЯ типовая циклограмма нагружения N 8 КОЭФФ.ПЕРЕГР.2.00 ШЕСТЕРНЯ: прокат сталь 40Х ТО улучшение ТВЕРДОСТЬ 350 HB КОЛЕСО: прокат сталь 40Х ТО улучшение ТВЕРДОСТЬ 320 HB СХЕМА ПЕРЕДАЧИ 5 СТЕПЕНЬ ТОЧНОСТИ 8 МОДУЛЬ 4.000 мм МЕЖОСЕВОЕ РАССТОЯНИЕ 232.000 мм ЧИСЛО ЗУБЬЕВ: шестерни 21 колеса 95 ПЕРЕДАТОЧНОЕ ЧИСЛО 4.52 УГОЛ НАКЛОНА ЗУБЬЕВ [град.мин.сек.] 00 00 00 КОЭФФИЦИЕНТ СМЕЩЕНИЯ: шестерни 0.000 колеса 0.000 суммарный 0.000 ШИРИНА ЗУБЧАТОГО ВЕНЦА [мм]: шестерни 88.0 колеса 80.0 ОТНОСИТ. ШИРИНА ЗУБЧАТОГО ВЕНЦА: в долях d1 0.952 в долях aw 0.345 КОЭФФИЦИЕНТ ПЕРЕКРЫТИЯ: торцового 1.71 осевого 0.00 суммарный 1.71 CИЛЫ В ЗАЦЕПЛЕНИИ [Н]: окружная 13895 радиальная 5057 осевая 0 ДИАМЕТР ШЕСТЕРНИ [мм]: делительный 84.000 вершин 92.00 впадин 74.00 ДИАМЕТР КОЛЕСА [мм]: делительный 380.000 вершин 388.00 впадин 370.00 УСЛОВНЫЙ ОБЪЕМ КОЛЕС 6839 куб.см ОКРУЖНАЯ СКОРОСТЬ 0.36 м/с |НАПРЯЖЕНИЯ |при расчете на контактную | при расчете на изгибную | | [МПа] |выносливость| прочность | выносливость | прочность | | | | |шестер. колесо|шестер. колесо| | расчетные | 699 | 989 | 241 213 | 483 425 | |допускаемые| 723 | 1540 | 317 310 | 1300 1189 | КОЭФ-ТЫ:нагрузки Kh 1.13 Kf 1.36 долговечн.Zn 1.15 1.42 Yn 1.00 1.07 ВАРИАНТ 3 ПРОЕКТНЫЙ РАСЧЕТ ЦИЛИНДРИЧЕСКОЙ ПЕРЕДАЧИ (быстр. п. вар 3 ) ЧАСТОТА ВРАЩЕНИЯ б.ход.вала 365.5 об./мин. РЕСУРС ПЕРЕДАЧИ 4900 ч ВРАЩАЮЩИЙ МОМЕНТ на б.ход.валу 131.6 Н*м ПЕРЕДАЧА нереверсивная РЕЖИМ НАГРУЖЕНИЯ типовая циклограмма нагружения N 8 КОЭФФ.ПЕРЕГР.2.00 ШЕСТЕРНЯ: прокат сталь 40Х ТО улучшение ТВЕРДОСТЬ 340 HB КОЛЕСО: прокат сталь 40Х ТО улучшение ТВЕРДОСТЬ 320 HB СХЕМА ПЕРЕДАЧИ 4 СТЕПЕНЬ ТОЧНОСТИ 7 МОДУЛЬ 2.000 мм МЕЖОСЕВОЕ РАССТОЯНИЕ 120.000 мм ЧИСЛО ЗУБЬЕВ: шестерни 33 колеса 83 ПЕРЕДАТОЧНОЕ ЧИСЛО 2.52 УГОЛ НАКЛОНА ЗУБЬЕВ [град.мин.сек.] 14 50 07 КОЭФФИЦИЕНТ СМЕЩЕНИЯ: шестерни 0.000 колеса 0.000 суммарный 0.000 ШИРИНА ЗУБЧАТОГО ВЕНЦА [мм]: шестерни 34.0 колеса 30.0 ОТНОСИТ. ШИРИНА ЗУБЧАТОГО ВЕНЦА: в долях d1 0.439 в долях aw 0.250 КОЭФФИЦИЕНТ ПЕРЕКРЫТИЯ: торцового 1.67 осевого 1.22 суммарный 2.89 CИЛЫ В ЗАЦЕПЛЕНИИ [Н]: окружная 3855 радиальная 1451 осевая 1021 ДИАМЕТР ШЕСТЕРНИ [мм]: делительный 68.276 вершин 72.28 впадин 63.28 ДИАМЕТР КОЛЕСА [мм]: делительный 171.724 вершин 175.72 впадин 166.72 УСЛОВНЫЙ ОБЪЕМ КОЛЕС 611 куб.см ОКРУЖНАЯ СКОРОСТЬ 1.31 м/с |НАПРЯЖЕНИЯ |при расчете на контактную | при расчете на изгибную | | [МПа] |выносливость| прочность | выносливость | прочность | | | | |шестер. колесо|шестер. колесо| | расчетные | 593 | 839 | 140 132 | 281 265 | |допускаемые| 618 | 1540 | 325 305 | 1263 1189 | КОЭФ-ТЫ:нагрузки Kh 1.05 Kf 1.12 долговечн.Zn 0.96 1.01 Yn 1.00 1.00 (тих. п. вар 3 ) ЧАСТОТА ВРАЩЕНИЯ б.ход.вала 80.2 об./мин. РЕСУРС ПЕРЕДАЧИ 4900 ч ВРАЩАЮЩИЙ МОМЕНТ на б.ход.валу 600.9 Н*м ПЕРЕДАЧА нереверсивная РЕЖИМ НАГРУЖЕНИЯ типовая циклограмма нагружения N 8 КОЭФФ.ПЕРЕГР.2.00 ШЕСТЕРНЯ: прокат сталь 40Х ТО улучшение ТВЕРДОСТЬ 350 HB КОЛЕСО: прокат сталь 40Х ТО улучшение ТВЕРДОСТЬ 340 HB СХЕМА ПЕРЕДАЧИ 4 СТЕПЕНЬ ТОЧНОСТИ 8 МОДУЛЬ 2.500 мм МЕЖОСЕВОЕ РАССТОЯНИЕ 134.000 мм ЧИСЛО ЗУБЬЕВ: шестерни 30 колеса 74 ПЕРЕДАТОЧНОЕ ЧИСЛО 2.47 УГОЛ НАКЛОНА ЗУБЬЕВ [град.мин.сек.] 14 02 05 КОЭФФИЦИЕНТ СМЕЩЕНИЯ: шестерни 0.000 колеса 0.000 суммарный 0.000 ШИРИНА ЗУБЧАТОГО ВЕНЦА [мм]: шестерни 74.0 колеса 69.0 ОТНОСИТ. ШИРИНА ЗУБЧАТОГО ВЕНЦА: в долях d1 1.087 в долях aw 0.627 КОЭФФИЦИЕНТ ПЕРЕКРЫТИЯ: торцового 1.66 осевого 2.59 суммарный 4.25 CИЛЫ В ЗАЦЕПЛЕНИИ [Н]: окружная 15546 радиальная 5832 осевая 3886 ДИАМЕТР ШЕСТЕРНИ [мм]: делительный 77.308 вершин 82.31 впадин 71.06 ДИАМЕТР КОЛЕСА [мм]: делительный 190.692 вершин 195.69 впадин 184.44 УСЛОВНЫЙ ОБЪЕМ КОЛЕС 2097 куб.см ОКРУЖНАЯ СКОРОСТЬ 0.32 м/с |НАПРЯЖЕНИЯ |при расчете на контактную | при расчете на изгибную | | [МПа] |выносливость| прочность | выносливость | прочность | | | | |шестер. колесо|шестер. колесо| | расчетные | 698 | 987 | 155 145 | 310 291 | |допускаемые| 727 | 1540 | 329 319 | 1300 1263 | КОЭФ-ТЫ:нагрузки Kh 1.12 Kf 1.28 долговечн.Zn 1.15 1.33 Yn 1.00
Таблица 3.1 3. ПРОЕКТИРОВОЧНЫЙ РАСЧЕТ ВАЛОВ 3.1 Проектировочный расчет валов и расчет диаметров под подшипники Задачей данного раздела является предварительное определение диаметров валов редуктора. Считаем, что валы гладкие, круглые стержни, испытывающие только статическое кручение. Критерием при расчёте является статическая прочность. Условие прочности:
где Для валов из сталей 40, 45 принимают пониженное значение Диаметр вала определяется по формуле:
Определим диаметры валов: - быстроходного вала (Т =131.6 Н×м):
- тихоходного вала (Т = 600.9 Н×м):
- промежуточного вала (Т = 1400 Н×м):
Стандартизируем размеры и окончательно выбираем из стандартного ряда [2, с.162]: dв1= 30 мм, dв2 = 48 мм, dв3 = 45 мм. Диаметры под подшипники:
Выбор подшипников качения для всех валов редуктора. Критерии: направление действия нагрузок и стоимость. Для быстроходного вала выбираем шариковые радиально – упорные подшипники качения из легкой серии по ГОСТ 831-75 № 46207 с углом 26 градусов. Для тихоходного вала выбираем шариковые радиальные однорядные подшипники из легкой серии по ГОСТ 8338-75 № 212, так как на валу находится прямозубое колесо тихоходной передачи. Для промежуточного вала выбираем шариковые радиально – упорные подшипники качения из средней серии по ГОСТ 831-75 № 46308 с углом 26 градусов, так как на этом валу находится косозубое колесо быстроходной передачи. 4. РАСЧЕТ РЕМЕННЫХ ПЕРЕДАЧ Таблица 4.1
|
|||||||||||||||||||||||||||||||||||||||||||||||||||||||||||||||||||||||||||||||||||||||||||||||||||||||||||||||||||||||||||||||||||||||||||||||||||||||||||||||||||||||||||||||||||||||||||||||||||||||||||||||||||||||||||||||||||||||||||||||||||||||||

, (2.3)
.
, (2.12)




