Курсовая работа: Проект подъемника 2-х стоечного гидравлического с грузоподъемностью 25 тонны
|
Название: Проект подъемника 2-х стоечного гидравлического с грузоподъемностью 25 тонны Раздел: Рефераты по транспорту Тип: курсовая работа | ||||||||||||||||||||||||||||||||||||||||||||||||||||||||||||||||||||||||||||||||||||||||||||||||||||||||||||||||||||||||||||||||||||||||||||||||||||||||||||||||||||||||||||||||
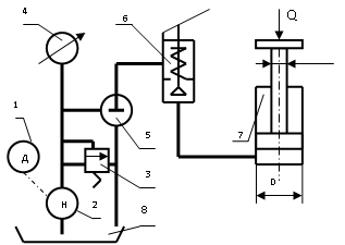
Задание на курсовую работу по дисциплине «Основы проектирования и эксплуатации технологического оборудования» Спроектировать технологическое оборудование - Подъемник 2-х стоечный гидравлический грузоподъемностью 2,5 тонны. Исходные данные: Грузоподъемность 2,5 т Высота подъема 1,7 м Скорость подъема 4 м/мин Задание выдано Срок завершения задания Задание выдал Задание получил Министерство образования и науки Российской Федерации Федеральное агентство по образованию Государственное образовательное учреждение высшего профессионального образования Ивановский государственный архитектурно-строительный университет Кафедра «Автомобили и автомобильное хозяйство» КУРСОВОЙ ПРОЕКТ ПО ДИСЦИПЛИНЕ: «Основы проектирования и эксплуатации технологического оборудования» на тему: «Проект подъемника 2-х стоечного гидравлического с грузоподъемностью 2,5 тонны». Выполнил: Проверил: Иваново 2008 Министерство образования и науки Российской Федерации Федеральное агентство по образованию Государственное образовательное учреждение высшего профессионального образования Ивановский государственный архитектурно-строительный университет Кафедра «Автомобили и автомобильное хозяйство» РАСЧЕТНО-ПОЯСНИТЕЛЬНАЯ ЗАПИСКА К КУРСОВОМУ ПРОЕКТУ ПО ДИСЦИПЛИНЕ: «Основы проектирования и эксплуатации технологического оборудования» на тему: «Проект подъемника 2-х стоечного гидравлического с грузоподъемностью 2,5 тонны». Выполнил: Проверил: Иваново 2008 Содержание Введение 1. Анализ существующих конструкций подъемника 2. Расчет подъемника 3. Расчет подъемника на прочность 3.1 Задачи расчета 3.2 Расчёт штока 3.3 Выбор профиля планки 4. Технология применения технического обслуживания и ремонта гидравлического подъемника 5. Охрана труда и экологическая безопасность при эксплуатации гидравлического подъемника Заключение Библиографический список Введение Целью данного курсового проекта является разработка подъемника гидравлического 2-х стоечного, предназначенного для технического ремонта и обслуживания автомобилей. Подъемник устанавливается в производственном помещении и является стационарным. Конструкция подъемника должна отвечать требованиям безопасности и надежности. Грузоподъемное оборудование используется при техническом обслуживании и текущем ремонте автомобиля для возможности повышения производительности труда путем одновременного выполнения работы сверху (двигатель, электропроводка, приборы), снизу (трансмиссия, ходовая часть) и сбоку (колесные тормоза), что, в конечном счете, уменьшает время простоя автомобиля под техническими воздействиями. Рабочие посты, оборудованные подъемными устройствами, обеспечивают не только повышение производительности труда, но и качественное выполнение работ по ремонту и обслуживанию, а также соблюдение требований охраны труда Для достижения указанной цели требуется решить следующие основные задачи: разработать конструкцию и рассчитать подъемник, разработать мероприятия по его техническому обслуживанию и ремонту, разработать мероприятия по охране труда и экологической безопасности при эксплуатации подъемника. На решение указанных выше, а также других задач и направлен данный курсовой проект. 1. Анализ существующих конструкций подъемника В настоящее время проведение технического обслуживания и ремонта автомобилей невозможно без применения специального оборудования. Применяя технологическое оборудование достигается качество выполняемых работ уменьшается время, затрачиваемое на обслуживание автомобиля и возрастает производительность труда Разборно-сборочные работы являются одними из основных при текущем ремонте автомобиля (около 28-37% трудоемкости всех ремонтных работ). Неотъемлемой частью разборно-сборочных paбoт являются подъемно-транспортные и подъемно-осмотровые работы. Имея высокую трудоемкость при этих работах, необходимо использовать специальное оборудование. К этому оборудованию относятся конвейеры, грузовые тележки, тельферы и тали, передвижные краны, кран-балки, подъемники, опрокидыватели и домкраты. Подъемники незаменимы при проведении подъемно-осмотровых работ при техническом обслуживании и ремонте автомобилей. Они значительно уменьшают их трудоемкость. Чтобы удовлетворять условиям производства подъемники должны иметь высокую производительность, малую металлоемкость, низкое энергопотребление и себестоимость, а также удовлетворять требованиям экологической безопасности и охраны труда. Существующие подъемники классифицируют по следующим признакам: 1) по способу установки; 2) по типу механизма подъема; 3) по типу привода; 4) по месту установки; 5) по количеству рабочих органов. В настоящее время получают распространение гидравлические подъемники двух стоечные, так как они имеют ряд: http://www.technoservice.ru/catalog.php?id=01.03.06синхронизация работы подъемника не зависит от распределения нагрузки; для увеличения безопасности, в конструкции подъемника присутствует механический стопор с электроуправлением; в гидравлической системе есть клапан, препятствующий перегрузке системы в случае нарушения гидропривода; лапы облегчают подъем рамных автомобилей; http://www.technoservice.ru/catalog.php?id=01.03.06высота платформ составляет в зависимости от марки и модели, что облегчает заезд автомобилей с малым дорожным просветом и с развитым пластиковым обвесом. Плунжерные подъемники являются идеальным вариантом для http://www.technoservice.ru/catalog.php?id=01.03.11постов приемки и слесарных работ для коммерческих и легковых автомобилей. Плунжерные подъемники являются основными подъемниками для слесарных работ. Некоторые подъемники производится со стандартными лапами, а другие отличаются большими углами поворотов и выполняются трехступенчатыми для уменьшения длины лап (при подъеме короткобазных автомобилей). Лапы являются универсальными для подъема как короткобазных, так и длинобазных автомобилей. 2. Расчет подъемника Расчет гидравлического подъемника необходимо начинать с разработки принципиальной гидравлической схемы. Простейшая схема одноплунжерного подъемника представлена на рисунке 2.1.
Рисунок 2.1. Гидравлическая схема простейшего подъемника: 1.Привод насоса (двигатель). 2.Насос. 3. Предохранительный клапан. 4. Манометр. 5. Кран. 6. Клапан перепускной. 7. Гидроцилиндр (плунжер). 8.Гидробак Мощность гидропривода плунжерного подъемника определяется по формуле:
где
Общая нагрузка на один плунжер определяется по формуле:
где Qa - грузоподъемность прототипа, H ; КР - коэффициент, учитывающий неравномерность распределения нагрузки, КР=1,2; n – число плунжеров;
Мощность гидравлического насоса определяется по формуле:
где
Выбор гидравлического насоса Гидронасос выбирается по двум параметрам: рабочему объему Qн; давлению; Эти параметры связаны с мощностью насоса зависимостью: NH=p× Qн =p×qH×n, [кВт] (4) где Qн – действительная подача насоса, дм3/с; qH – рабочий объем насоса, дм3; n – частота вращения насоса,об/с; p – давление жидкости, МПа. Зададимся рабочим давлением 10 МПа, выбор которого обусловлен назначением гидропривода. Давление, действующее на поршень так же можно рассчитать по формуле:
где в – диаметр поршня гидроцилиндра (плунжера), м; Окончательно давление выбирается из стандартного ряда чисел, ближайшего большего к значению, рассчитанному по формуле и используется в дальнейших расчетах. Диаметр поршня гидроцилиндра можно выбрать исходя из расчета штока по условию сжатия стержней.
где - [sсж] – допустимое напряжение на сжатие; [sсж]=[sв]/n, (7) где n – для данной формулы запас прочности для [sсж], n=2,5 – 3; [sв] – допустимое напряжение на сжатие, [sв]=180 – 200 Н/м2; [sсж]=200/3= 66,6
По рассчитанному диаметру штока в уточняют по ГОСТ 6540-68, принимаем диаметр d=110 мм. и D=250 мм. Таблица 2.1 Габаритные и присоединительные размеры к гидроцилиндру
Таблица 2.2. Техническая характеристика гидроцилиндра
Рис.2.2. Гидроцилиндр Ц2001.(200-2000) Для определения действительной подачи насоса необходимо определить рабочий объем насоса по формуле :
где N – мощность гидродвигателя; р – давление жидкости; n – частота вращения насоса, n =1000 об/мин =16,6 об/с;
Тогда действительная подача насоса определится по формуле: Qвд=qн×n×h, (9) где h - объемный КПД насоса; h=0,95.
После расчета действительной подачи насоса и давления выбирают насос с ближайшими к полученным данным характеристиками. Наиболее часто в подъемниках используются шестеренные, поршневые и лопастные насосы. Принцип действия и технические характеристики выбранного насоса необходимо указать в расчетно-пояснительной записке. Выбор скоростей движения рабочей жидкости в гидроприводе и определение внутреннего диаметра гидролиний. Выбор скоростей рабочей жидкости определяют таким образом, чтобы потери давления были минимальными и режим движения был ламинарным. По выбранным значениям скоростей и величине действительной подачи насоса определяются внутренние диаметры всасывающей, напорной и сливной гидролинии, используя формулу:
где Vж – скорость жидкости в данной гидролинии; dгр – диаметр гидролинии; Следовательно из формулы (10) определим внутренние диаметры гидролинии, при выборе внутреннего диаметра гидролинии следует учитывать, что величина диаметра должна соответствовать стандартизированному ряду, регламентированному ГОСТом 8734 – 58. На выпускаемые в промышленности трубы и шланги: в ³ dр, где в – стандартный диаметр трубопроводов из стандартизированного ряда. Так же делают допущение, что скорости жидкости в гидролиниях принимают равными: - всасывающая магистраль Vжвсас=1,5 м,с; - напорная магистраль Vжнап=7,0 м/с; - сливная магистраль Vжслив=2,5 м/с.
Выбор распределительной и регулирующей гидроаппаратуры. К распределительной гидроаппратуре относится: гидрораспределители, гидрозамки, обратные клапаны. К регулирующей аппаратуре относится гидроклапаны давления, клапаны соотношения расходов (делители и сумматоры потоков), дроссели т.п. Основными параметрами этой аппаратуры являются номинальное давление р и условный проход dу ,т.е. внутренний диаметр присоединяемого трубопровода. Расчет и выбор гидробака. Исходя, из его технической характеристики насоса выберем гидробак и подберем необходимую длину, ширину и высоту бака. Известно, что площадь бака и секундный объем необходимого масла связана зависимостью. Sбак=0,065 где Sбак – площадь бака, м2; Vм – секундный объем необходимого масла, дм3/с. Sбак=0,065 Определи секундный объем: Vм=(0,8 – 3,0)×Qп, (13) где Qп – секундная подача насоса. Vм=3× 0,0001253 =0,0004 Рассчитанную площадь бака необходимо увеличит в 2 раза, так как в нем должно быть свободное пространство, для более легкого и быстрого возврата масла в бак, так же следует учесть, что во время работы гидроаппаратуры масло нагревается и происходит его увеличение в объеме. 3. Расчет подъемника на прочность 3.1 Задачи расчета Работоспособность, надежность, и безопасность эксплуатации подЪёмников во многом зависят от качества исполнения их металлических конструкций. В связи с этим к подЪёмным металлоконструкциям предъявляют - определенные требования – прочность, общая устойчивость конструкции и местная устойчивость отдельных ее элементов, статическая и динамическая жесткость; выносливость и вместе с тем минимально возможная масса, высокая технологичность изготовления и монтажа, иногда ограниченные габариты. Большинство этих требований должно обеспечиваться на стадии предварительного (проектного) расчета и компонования. Под проектным расчетом и компонованием металлоконструкции будем понимать тот объем расчетных и графических работ, который необходимо выполнить для определении размеров поперечных сечений основных несущих элементов по условиям прочности, общей устойчивости, статической жесткости при действии расчетных комбинаций максимальных нагрузок рабочего состояния, определения взаимного положения основных несущих элементов в конструкции и основных размеров конструкции в целом. Характерной особенностью проектного расчета является неполнота исходных данных: неизвестны точный вес конструкции, закономерности распределения нагрузок между элементами, динамические нагрузки, так как эти факторы зависят от размеров поперечных сечений несущих элементов, а определение этих размеров как раз и является одной из задач расчета. В связи с этим проектный расчет приходится выполнять последовательными приближениями. 3.2 Расчёт штока Шток гидроцилиндра подъемника имеет относительно большую длину при сравнительно небольшом диметре, испытывая при работе сжимающие усилие, поэтому необходимо произвести проверку штока на устойчивость используя формулы 3.2.1 – 3.2.3
где
- для стали - для чугуна - для дерева
где Е – модуль продольной упругости материала, (для стали Е = 2*1011Н/м2);
Imin – момент инерции сечения винта, определяется по формуле
l – максимальная высота подъема;
Винт рассматривают как стойку с нижним жестко защемленным и верхним свободным концом (
Рисунок 1. Расчетная схема винта для расчета на устойчивость. 3.3 Выбор профиля планки Мизг - изгибающий момент (Н*м)
L-длина планки (1600 мм), n – число плунжеров (2) .
W –момент сопротивления ,
[sв] – допустимое напряжение на сжатие, [sв]=180 – 200 Н/м2 ,
Выбираем подходящий профиль трубы из таблицы 1 . Таблица 1 Трубы стальные прямоугольные (по ГОСТ 8645-68): J – момент инерции; W – момент сопротивления
Прямоугольная труба с высотой h = 125мм, шириной b=75мм и толщиной стенки s = 8,5мм из стали Ст3. Труба 125 х 75 х 8,5 ГОСТ 8645-68 Ст3ГОСТ 380-71 4. Технология применения технического обслуживания и ремонта гидравлического подъемника 1 Еженедельно производить смазку через масленки штока гидроцилиндра. 2 Раз в месяц производить проверку и подтяжку резьбовых соединений, в том числе скоб , которые крепят гидроцилиндр к стенке осмотровой ямы. 3 Ежедневно проверят гидроцилиндр и гидравлического оборудовния на наличие образования течи. 4. Постоянно проверять исправное состояние трубопроводов, элементов гидропривода. 5. Ежедневно проводить подтяжку винтов крепления электрооборудования пульта и осмотр электропроводов на наличие повреждений. 6. До начала эксплуатации нового подъемника и в дальнейшем через каждые шесть месяцев проводить полное техническое переосвидетельствование. 7. Ежедневно проверят планку, фланец , гидроцилиндр и др. элементы на наличие механических повреждений. 8. Ежедневно проверять уровень рабочей жидкости. 5. Охрана труда и экологическая безопасность при эксплуатации гидравлического подъемника 1 Контроль за техническим состоянием и правильной эксплуатацией подъемника осуществляется назначенным приказом по предприятию инженерно – техническим работником, ответственным за надзор, содержание и безопасную эксплуатацию специального подъемного оборудования, который обязан: а) осуществлять надзор за техническим состоянием и безопасной эксплуатацией подъемника, б) обеспечить наличие и правильность ведения технической документации на подъемник, в) соблюдать порядок назначения лиц, ответственных за эксплуатацию подъемника, г) организовать и провести первичное освидетельствование подъемника и не реже, чем раз в шесть месяцев проводить периодическое освидетельствование подъемника. 2 Подъемник должен быть закреплен за лицом, ответственным за его эксплуатацию, назначение которого производится по согласованию с инженерно – техническим работником, ответственным по надзору. К работе на подъемнике допускаются только лица, изучившие техническое описание, прошедшие инструктаж по технике безопасности и ознакомленные с обязанностями его работы и эксплуатации. 3 До начала эксплуатации нового подъемника потребитель обязан провести полное освидетельствование подъемника в соответствии с требованиями технического описания. 4 В дальнейшем подъемник, находящийся в работе, должен проходить полное техническое освидетельствование каждые 6 месяцев. 5 Монтаж и эксплуатацию гидроаппаратуры осуществлять в полном соответствии с требованиями “Правил технической эксплуатации гидравлических подъёмников.“ 6 Во время подъема или опускания автомобиля помимо оператора, находящегося у пульта управления, должен присутствовать работник, который обязан вести наблюдение за положением автомобиля и работой стоек со стороны, невидимой оператору, и при возникновении какой – либо опасности подать оператору сигнал о немедленной остановке подъемника. 7 Запрещается подъем автомобиля собственной массой более 2,5 тонн. 8 Запрещается находиться в автомобиле и под ним во время подъема или опускания подъемника. 9 Запрещается эксплуатировать подъемник при видимом повреждении гидроцилиндров или гидроаппаротуры. 10 Запрещается проводить какие – либо работы с подъемником и его пультом управления при поднятом автомобиле. 11 Перед подъемом автомобиля необходимо убедиться в правильном расположении планок под днищем автомобиля. 12 После незначительного подъема автомобиля необходимо убедиться в правильном и устойчивом положении автомобиля на планках. 13 Запрещается проводить обслуживание автомобиля на подъемнике, находящемся под давлением. 14 Запрещается производить подъем и обслуживание автомобиля с работающим двигателем. 15 Ежемесячно производить проверку и подтяжку всех резьбовых соединений. 16 Запрещается работа на подъемнике с не работающим предохранительном клапане. 17 Запрещается работа подъемника при открытой крышке пульта управления. 18 Запрещается использовать подъемник для работ по нанесению антикоррозийной обработки, мойки и покраски автомобилей. 19 Во время опускания автомобиля запрещается находиться на конструкции подъемника. Рабочий должен находиться на подмостках, расположенных вне контура движущихся узлов подъемника. 20 Настоящие требования должны быть вывешены на видном месте в зоне эксплуатации подъемника. Заключение В данном курсовом проекте были рассмотрены и проанализированы конструкции подъёмников, которые нам предлагают различные производители. Предложили свою разработку, выполнили расчет на прочность этой конструкции. Разработали мероприятия по охране труда рабочих, мероприятия по техническому обслуживанию. В ходе выполненной работы были выявлены преимущества и недостатки по сравнению с другими видами конструкций подЪёмников. И можно сделать вывод о целесообразности применения гидравлического 2-х стоечного подЪёмника в техническом обслуживании и ремонте подвижного состава. БИБЛИОГРАФИЧЕСКИЙ СПИСОК 1. Справочник по машиностроительному черчению. Под ред. А.А. Чекмарева и В.К. Осипова. –2-е изд., перераб. и доп. – М.: «Высшая школа»,изд. Центр «Академия», 2001. – 493 с.: ил. 2. . Анурьев В.И. Справочник конструктора-машиностроителя: В 3-х томах.7-е изд., перераб. И доп. – М.:Машиностроение,1992. 3. Кудрин А. И. Основы расчета нестандартного оборудования для технического обслуживания и текущего ремонта автомобиля: Учебное пособие. – Челябинск: Издательство ЮУРГУ, 2005. – 168 с. 4.Справочное пособие по гидравлическим машинам и гидроприводам/ Я.М. Вильнер, Я.Т. Ковалев, Б.Б. Некрасов. – Минск: «Вышейшая школа», 1976. – 415 с. 5.Справочник. Гаражное оборудование. Под ред. Колычева, А.С. Жерновкова. – 2-е изд.. – М.: Автотрансиздат, 1962. – 240 с. 6Снесарев Г.А., Тибанов В.П. Методические указания по проектированию и расчету металлоконструкции подъемно-транспортных устройств. – М.: МВТУ, 1985 7. Буланже А.В., Палочкина Н.В., Фадеев В.З. Проектный расчет на прочность цилиндрических и конических зубчатых передач. Методические указания. – М.: изд. МГТУ, 1992. 8. Александров М.П. Подъемно-транспортные машины. – М.: «Высшая школа», 1985 9.Правила устройства и безопасной эксплуатации грузоподъемных кранов. – М.: Машиностроение, 1989. 10.Казак А. В. Курсовое проектирование грузоподъемных машин. – М.: «Высшая школа», 1985 11.Васильченко В.А. Гидравлическое оборудование мобильных машин. Справочник. – М.: Машиностроение, 1983. – 301 с. 12.Элементы гидропривода.: Справочник. Изд 2-е, перераб. и доп./ Абрамов Е.И., Колесниченко К.А., Маслов В.Т. – Киев: Техника,1977. – 320 с. 13.Гидравлика, гидромашины и гидроприводы: Учебник для машиностроительных вузов/ Т.М. Башта, С.С. Руднев, Б.Б. Некрасов и дрю – 2-е изд., перераб. – М.: Машиностроение, 1982. – 423 с. 14.Курсовое проектирование деталей машин: Учебное пособие для техникумов. Шейнблит А.Т.- М.: Высшая школа, 1991. – 432 с. 15. Детали машин. Курсовое проектирование: Учебно-методическое пособие. Курмаз А.В., Скойбеда А.Т. – М.: Высшая школа, 2004 16. Редукторы и мотто-редукторы общемашиностроительного применения. Бойко Л.С., Высоцкий А.З. – М.: Машиностроение, 1984. 17. Электродвигатели. Изд. Офиц. М.: Стандартгиз, 1963. |
||||||||||||||||||||||||||||||||||||||||||||||||||||||||||||||||||||||||||||||||||||||||||||||||||||||||||||||||||||||||||||||||||||||||||||||||||||||||||||||||||||||||||||||||

, (6)
, (8)
, (10)
, (3.2.1)
, (3.2.2)
; (3.2.3)
(3.3.4)
, (3.3.5)
.