Дипломная работа: Разработка стенда для вывешивания и сдвига рельсошпальной решетки
|
Название: Разработка стенда для вывешивания и сдвига рельсошпальной решетки Раздел: Рефераты по транспорту Тип: дипломная работа | |||||||||||||||||||||||||||||||||||||||||||||||||||||||||||||||||||||||||||||||||||||||||||||||||||||||||||||||||||||||||||||||||||||||||||||||||||||||||||||||||||||||||||||||||||||||||||||||||||||||||||||||||||||||||||||||||||||||||||||||||||||||||||||||||||||||||||||||||||||||||||||||||||||||||||||||||||||||||||||||||||||||||||||||||||||||||||||||||||||||||||||||||||||||||||||||||||||||||||||||||||||||||||||||||||||||||||||||||||||||||||||||||||||||||||||||||||||||||||||||||||||||||||||||||||||||||||||||||||||||||||||||||||||||||||||||||||||||||||||||||||||||||||||||||||||||||||||||||||||||||||||||||||||||||||||||||||||||||||||||||||||||||||||||||||||||||||||||||||||||||||||||||||||||||||||||||||||||||||||||||||||||||||||||||||||||||||||||||||||||||||||||||||||||||||||||||||||||||||||||||||||||||||||||||||||||||||||||||||||||||||||||||||||||||||||||||||||||||||||||||||||||||||||||||||||||||||||||||||||||||||||||||||||||||||||||||||||||||||||||||||||||||||||||||||||||||||||||||||||||
| Сибирский государственный университет путей сообщения Дипломный проект по специальности «Подъемно-транспортные, строительные, дорожные машины и оборудование» Тема: Разработка стенда для вывешивания и сдвига рельсошпальной решетки Пояснительная записка ДП.21.00.00.00 ПЗ 2010 Содержание Введение 1 Анализ конструкций оборудования для вывешивания и сдвига рельсошпальной решетки 2 Разработка стенда 2.1 Геометрическая компоновка рабочего оборудования на раме 2.2 Расчет усилий вывешивания и сдвига бесстыкового пути 2.3 Конструирование элементов стенда 3 Порядок проведения работ 4 Экономический расчет 5 Охрана труда Заключение Список использованных источников Приложение А Распечатка усилий в опасных сечениях стержней Приложение Б Напряжения в узлах стержней Приложение В Перемещение в узлах стержней ВВЕДЕНИЕ Для механизации балластировочных, щебнеочистительных и выправочно-подбивочных работ используют специализированные машины непрерывного и циклического действия. Одними из основных операций при выполнении указанных путевых работ, является подъемка и выправка пути, производимые с помощью специальных рабочих органов - подъемно-рихтующих устройств (ПРУ). ПРУ позволяет производить вывешивание путевой решетки на высоту Hвыв в продольном профиле, сдвиг на величину Sсдв в плане и перекос hвоз по уровню (возвышение небазового рельса над базовым в кривых участках пути) [4]. Технологический процесс подъемки и выправки путевой решетки представлен на рисунке 1.
Рисунок 1 – Технологический процесс подъемки и выправки путевой решетки На балластировочных машинах (ЭЛБ-3МК, ЭЛБ-3ТС, МПП-5) подъемно-рихтовочное устройство производит вывешивание путевой решетки, для обеспечения подачи и разравнивания балласта под шпалами с помощью других рабочих органов. На щебнеочистительных машинах (ЩОМ-4М, СЧ-600, СЧУ-800РУ) с помощью подъемно-рихтовочного устройства производится вывешивание решетки, для размещения под ней элементов щебнеочистительного оборудования. Кроме того, осуществляется постановка решетки в положение, обеспечивающее возможность пропуска других машин по реконструируемому пути. На выправочно-подбивочных машинах (ВПО-3000, ВПО-З-3000, ВПР-1200, ВПР-02, ВПРС-500, ПМ-600, ВПМА-01) с помощью контрольно-измерительной системы происходит измерение положения путевой решетки и последующее формирование команд управления подъемно-рихтующим устройством, которое переместит и установит путевую решетку в требуемое (проектное) положение. Решетка в выправленном положении закрепляется посредством подачи балласта под шпалы и его уплотнения с помощью других рабочих органов машины. Машины с путеподъемными и выправочными устройствами используют в комплекте с другими машинами или как самостоятельные средства. При работе в комплекте балластировочные и щебнеочистительные машины находятся в голове цепочки машин, а выправочно-подбивочные выполняют заключительные работы. К последним предъявляют более жесткие требования. Это связано с тем, что работы этих машин на заключительном этапе предшествуют открытию перегона для движения поездов [13]. Производительность машин, используемых при комплексной механизации путевых работ, определяется производительностью головной машины. В свою очередь для машин, у которых операции по перемещению решетки совмещены по времени с выполнением других операций, производительность определяется наиболее энергоемким процессом. Путеподъемные и выправочные устройства не должны снижать производительность машины. При современных технологиях она должна быть не ниже 2,5...3 км/ч для машин непрерывного и 0,3...0,5 км/ч для машин циклического действия. В случае выполнения работ только по смещению решетки производительность существенно повышается и составляет 5...10 км/ч и 1,5...2 км/ч соответственно для машин непрерывного и циклического действия. На балластировочных и щебнеочистительных машинах путеподъемные устройства обеспечивают условия для эффективного выполнения основных операций (подведение балласта под решетку, его очистка). Здесь не требуются высокие скорости изменения положения решетки и высокая точность ее постановки в требуемое положение [4]. Рабочие скорости вывешивания и сдвига решетки составляют 0,005...0,01 м/с. С большей скоростью работают выправочные устройства, особенно на машинах циклического действия. Опыт эксплуатации машин непрерывного действия показывает, что скорости должны быть повышены до 0,015...0,03 м/с. Важными параметрами для балластировочных машин являются величины вывешивания и сдвига решетки. Для современных условий производства работ они должны составлять 0,3....0,45 м. Увеличение вывешивания и сдвига дает возможность более эффективно использовать машины. Например, при производстве балластировочных работ, подъемку пути на требуемую высоту можно осуществить за один проход. На выправочно-подбивочных машинах различают суммарные величины вывешивания и сдвига решетки и величины вывешивания и сдвига при выправке пути. Для более эффективного использования машин по выправке пути и расширения сфер их применения величины вывешивания решетки должны составлять 100...150 мм. Существенное сглаживание неровностей пути достигается уже при вывешивании решетки на 30...50 мм. Поэтому вывешивание и сдвиг решетки при выправке пути должны быть не менее 50 мм. Наиболее жесткие требования к выправочным устройствам предъявляют по точности постановки решетки в требуемое положение и продолжительности отработки команд. Точность постановки решетки по уровню должна быть ±2 мм. Время отработки команд - 1,5...3 с. Применение в балластировочных машинах автоматических систем с целью более точной постановки решетки в требуемое положение дает заметный эффект, если применяются устройства для закрепления решетки в смещенном положении. Точность постановки решетки в требуемое положение во многом зависит от конструкции рельсовых захватов. Они должны обеспечивать надежный захват и удержание решетки на всех участках пути. Зона захвата рельса при этом должна быть минимальной длины. 1 АНАЛИЗ КОНСТРУКЦИЙ ОБОРУДОВАНИЯ ДЛЯ ВЫВЕШИВАНИЯ И СДВИГА РЕЛЬСОШПАЛЬНОЙ РЕШЕТКИ По ряду важных технических показателей машины с путеподъемными и выправочными устройствами не полностью соответствуют производственно-техническим требованиям эксплуатационников. Основными причинами этого являются несовершенство конструкций устройств и недостаточно полная изученность процессов выправки пути. Такие показатели машин, как производительность и точность постановки решетки в требуемое положение, можно повысить за счет изменения компоновки узлов и привода механизмов выправочного устройства, совершенствования рельсового захвата и его подвески [4]. Для расширения сферы применения машин и более точной постановки решетки в требуемое положение на некоторых машинах путеподъемные устройства должны перемещаться вдоль фермы машины. Расположение ПРУ в пролете машины зависит от вида путевых работ. Так, путеподъемные устройства балластировочных и щебнеочистительных машин устанавливают в местах, где необходимо наибольшее вывешивание решетки, обеспечивающее работу других устройств (например, щебнеочистительного), или где требуемое вывешивание достигается наименьшей силой. Устройства выправки на выправочно-подбивочных и рихтовочных машинах располагают ближе к задней тележке с целью фиксации решетки в требуемом положении. Также, от расположения ПРУ зависит точность постановки решетки при входе машины в кривую и при выходе из нее. На балластировочных машинах, вследствие большой загрузки балластом передней части решетки, напряжения в рельсах выше, чем в той части, которая находится за захватом. Поэтому путеподъемное устройство целесообразно располагать не по центру свободного пролета, а со смещением к задней тележке. Соотношение расстояний между передней тележкой и захватом l1 и между захватом и задней тележкой l2 рекомендуется принимать l1 : l2 = 1 : 0,83.
Рисунок 2 – Схема расположения ПРУ в пролетах машин а – двухпролетный балластер; б – выправочно-подбивочно-рихтовочная машина Путеподъемные устройства работают с опиранием на ферму машины или на балластную призму (рисунок 3).
Рисунок 3 – Виды опор ПРУ а - ПРУ с опорой на ферму машины; б – ПРУ с опорой на балластную призму На машинах применяют маятниковые (рисунок 4) и консольные подвески (рисунок 5) рельсовых захватов с электромеханическим и гидравлическим приводами. При электромеханическом приводе в многочисленных соединениях элементов устройства появляются износовые зазоры. Кроме того, для предотвращения заклинивания подвески захватов при переносе решетки предусмотрены технологические зазоры между контактными роликами механизма сдвига и вертикальной тягой. В электромагнитных рельсовых захватах имеется зазор между ребордой опорно-рихтующего ролика и головкой рельса. Высокая инерционность системы и наличие многочисленных зазоров снижают точность постановки решетки в требуемое положение и вызывают необходимость снижения рабочей скорости машины. С целью повышения быстродействия системы на выправочно-подбивочных машинах непрерывного действия используют реверс-редукторы с электромагнитными муфтами. В электромагнитных захватах применяют специальные рихтующие ролики. Применение гидропривода повысило эффективность работы выправочных и путеподъемных устройств.
Рисунок 4 – Кинематическая схема ПРУ ВПО-3000 1, 10 – параллелограммная подвеска; 2 – указатель; 3, 8, 14 – червячный редуктор подъема и сдвига; 4, 7, 13 – реверс-редуктор; 5, 6, 12, 16 – электродвигатель; 9, 25 – ходовой ролик; 11 – каретка; 15 – ходовой винт; 17 – червячный редуктор рихтующих роликов; 18 – двуплечий рычаг; 19, 28, 29 – направляющая; 20 – рихтующий ролик; 21, 23 – электромагнит; 22 – опорный ролик; 24 – поперечная балка; 26 – упорный каток; 27 – квадрат; ЭМП, ЭМЛ, ЭМТ – электромагнитные муфты реверса и тормозов Используемые на машинах маятниковые и консольные подвески рельсовых захватов имеют и другие недостатки. Так, при маятниковой подвеске (по типу ВПО-3000) изображенной на рисунке 4, механизм сдвига решетки расположен по высоте на значительном расстоянии от рельсового захвата. Это увеличивает время выбора зазоров и мощность на сдвиг и вывешивание решетки. Более удачной является подвеска на машине ВПО-3-3000, кинематическая схема которой приведена на рисунке 6. Консольная подвеска захватов по типу ВПР-1200 работает эффективно лишь при малых величинах вывешивания и сдвига решетки (30...50 мм). Важным узлом в путеподъемных и выправочных устройствах является рельсовый захват. На машинах применяют в основном электромагнитные (рисунок 7) и роликовые (рисунок 8) захваты. От надежности захвата и удержания решетки в процессе работы существенно зависит производительность и точность постановки решетки в требуемое положение. При сбросе захватом решетки требуется дополнительное время на перезарядку рабочих органов и устранение перекосов решетки. В результате снижаются производительность и точность постановки решетки.
Рисунок 5 – Кинематическая схема ПРУ ВПР-02 1 – гидроцилиндр подъема пути; 2 – вертикальная направляющая; 3 – кронштейн; 4 – гидроцилиндр привода захватов; 5 – балансир; 6 – захватные ролики; 7 – рихтующий гидроцилиндр
Рисунок 6 – Кинематическая схема ПРУ ВПО-3-3000 1 – гидроцилиндр подъема пути; 2 – реактивный кронштейн; 3 – гидроцилиндр сдвига пути; 4 – электромагнитные роликовые захваты; 5 – рихтующие ролики; 6 – траверса; 7 – центральная балка; 8 - шарнирный узел крепления центральной балки и реактивного кронштейна Сброс решетки электромагнитным захватом происходит по нескольким причинам. На пути с асбестовым балластом происходит налипание металлических включений к магниту. Электромагнитное поле рассеивается, подъемная сила захвата уменьшается. Необходима очистка пространства в зоне рельса от балласта.
Рисунок 7 – Электромагнитный рельсовый захват 1 – электромагнитная катушка; 2 – опорный ролик; 3 – корпус электромагнита
Рисунок 8 – Роликовый рельсовый захват 1 – гидроцилиндр привода захвата; 2 – рихтующий ролик; 3 – захватный ролик Одной из причин сброса решетки является также неравномерность нагрузок на катушки по длине захвата. При изгибе решетки наибольший ее прогиб смещается в сторону более длинного свободного пролета и практически может находиться вне рельсового захвата. В результате задние катушки нагружаются больше, чем передние и это способствует отрыву от рельса всего магнита. Отрыву захвата способствует также неравномерность зазоров по его длине между нижней пластиной магнита и головкой рельса. По концам захвата они больше, чем в середине. Выравнивание нагрузок на катушки и равномерность зазоров можно обеспечить использованием секционных рельсовых захватов небольшой длины. При односекционном захвате эти недостатки можно устранить применением одноконсольного захвата. Консоль у захвата должна быть только с задней стороны. Отрыв захвата от рельса происходит также вследствие неудачной конструкции подвески корпуса захвата к поперечной балке. Усилие на перемещение захвата вдоль рельса передается в верхней части его корпуса. При увеличении сопротивления перемещению захвата (особенно на стыках) создается дополнительный момент, разворачивающий магнит в вертикальной плоскости относительно переднего ролика. Это способствует отрыву захвата от рельса. Указанный недостаток можно устранить присоединением подвески к нижней части его корпуса. При такой конструкции существенно уменьшается момент, разворачивающий магнит. С этой же целью можно использовать захват с несимметричным расположением катушек относительно его подвески. Повышает надежность работы электромагнитного захвата также использование дублирующих рельсозахватных роликов. Роликовые захваты используются в основном на машинах циклического действия. Они приводятся в действие при остановке машины во время рабочего цикла. В настоящее время делается попытка использования этих захватов на машинах непрерывного действия. Однако разработанные конструкции имеют ряд недостатков. В частности, не отработана конструкция, надежно удерживающая решетку в вывешенном состоянии при проходе рельсовых стыков. Не предусмотрены устройства для регулировки зазоров между роликами и рельсами в случае использования машин на путях с различным типом рельсов или при износе роликов. Как и в электромагнитных захватах, наиболее нагруженными являются ролики со стороны меньшего свободного пролета. В конструкции захвата должны быть предусмотрены устройства, выравнивающие нагрузки по его длине на захватных и рихтующих роликах. Нагрузки на один захватный ролик находятся в пределах 25...30 кН, на рихтующий ролик - 10...15 кН [10]. Надежность работы роликов зависит от их конструкции и взаимного расположения. Для свободного прохода захватами кривых участков пути и наибольшего вывешивания решетки с меньшим усилием необходимо захватывать рельс на небольшой длине. Однако сближение роликов может привести к тому, что оба комплекта захватных роликов будут находиться на рельсовой накладке. Надежность захвата и удержания решетки при этом резко снижается. Конструкции захватов должны обеспечивать возможность прохода машиной кривых участков пути и участков с изменением ширины колеи, без заклинивания роликов. Особенно это важно в устройствах с электромеханическим приводом [4]. Следует отметить, что усовершенствование захватов делается с учетом типа машины и условий производства работ. Так, многосекционные захваты целесообразно применять на машинах с большими свободными пролетами (балластировочные и щебнеочистительные машины). На машинах с малой базой захваты должны быть небольшой длины и иметь дублирующие элементы. 2 РАЗРАБОТКА СТЕНДА 2.1 Геометрическая компоновка рабочего оборудования на раме Основу стенда составляет удлиненная рама грузовой платформы (рисунок 9), состоящая из двух боковых балок и двух хребтовых изготовленных из двутавра № 60 с переменным по высоте сечением.
Рисунок 9 – Грузовая платформа Длина рамы стандартной платформы была увеличена на 10250 мм и составляет 23650 мм, для того чтобы обеспечить базу стенда Lм =19950 мм. ПРУ взято с выправочно-подбивочной машины ВПР-02 и смонтировано с опорой на раму стенда Кинематическая схема ПРУ представлена на рисунке 5. Как уже говорилось в аналитическом обзоре, расположение подъемно-рихтовочного устройства в пролете путевых машин зависит от типа машины и ее назначения. У щебнеочистительных и балластировочных машин ПРУ расположено в середине пролета, а у выправочно-подбивочных машин ПРУ находится ближе к задней тележке. Схема компоновки подъемно-рихтовочного устройства на раме стенда изображена на рисунке 10.
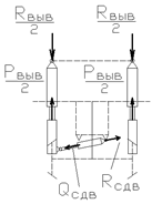
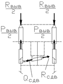
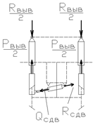
Рисунок 10 – Общая схема компоновки лабораторного стенда Проектируемый мной в дипломном проекте лабораторный стенд будет иметь переднюю стационарную тележку и заднюю перемещаемою вдоль рамы стенда. Задняя тележка фиксируется в одном из трех возможных положений, для этого на раме стенда дополнительно находятся еще две шкворневых балки. При максимальной базе платформы Lм = 19950 мм, ось ПРУ находится в середине пролета как у щебнеочистительных и балластировочных машин. При минимальной базе платформы Lм =14570 мм, ось ПРУ расположена на расстоянии 4595 мм, что равнозначно расположению ПРУ у машины ВПР-02. 2.2 Расчет усилий вывешивания и сдвига бесстыкового пути 2.2.1 Расчет усилий вывешивания 2.2.1.1 Расчетный случай №1 Исходные данные: длина защемленного рельса в пролете стенда L: 18,1м; расстояние от оси ПРУ до ближайшей точки защемления рельса колесной парой передней тележки ар : 9,05 м; расстояние от оси ПРУ до ближайшей точки защемления рельса колесной парой задней тележки bp : 9,05 м; величины вывешивания путевой решетки Hвыв , м: 0,01; 0,05; 0,1; 0,15; 0,2; 0,25. Расчетная схема изображена на рисунке 11.
Рисунок 11 – Расчетная схема №1 к определению усилия вывешивания РШР Суммарное усилие вывешивания Рсум , Н [10]:
где Р - основное усилие вывешивания путевой решетки Р, Н [10]; Рдоп - дополнительное усилие вывешивания путевой решетки Рдоп , Н [10].
где q - погонное сопротивление подъему путевой решетки q, Н/м [10]; Е – модуль упругости рельсовой стали,
где qпр – погонный вес путевой решетки, qпр = 6500 Н/м [10]; qб – погонное сопротивление балласта подъему, qб = 9500 Н/м [10]; к – коэффициент, зависящий от типа верхнего строения пути, к = 196 Н/м [10].
где кд
– поправочный коэффициент, кд
= 1,2 [10]; дополнительные изгибающие моменты Мда
и Мдб
,
где Рпр
- продольное усилие растяжения двух рельсовых нитей, Н [10];
где М1
- реактивный изгибающий момент ,
Реактивное усилие R2 , Н [10]:
Расчет усилий вывешивания рельсошпальной решетки по формулам (1) – (11) при различных величинах Hвыв сведен в таблицу 1. Таблица 1 – Усилия вывешивания РШР при величине L=18,1 м
Вывод: из расчетов, приведенных в таблице 1, видно, что при базе платформы 19950 мм, подъемно-рихтовочное устройство сможет произвести вывешивание решетки на величину меньше 200 мм при максимальном усилии на штоках гидроцилиндров вывешивания – 250 кН. 2.2.1.2 Расчетный случай №2 Исходные данные: длина защемленного рельса в пролете стенда L: 15,41 м; расстояние от оси ПРУ до ближайшей точки защемления рельса колесной парой передней тележки ар : 9,05 м; расстояние от оси ПРУ до ближайшей точки защемления рельса колесной парой задней тележки bp : 6,36 м; величины вывешивания путевой решетки Hвыв , м: 0,01; 0,05; 0,1; 0,15; 0,2, 0,25. Расчетная схема изображена на рисунке 12. Расчет усилий вывешивания рельсошпальной решетки сведен в таблицу 2. Расчет усилий вывешивания Рсум произведен по формулам (1) – (11) и сведен в таблицу 2. Рисунок 12 – Расчетная схема №2 к определению усилия вывешивания РШР Рисунок-12. Расчётная схема №3.для определения усилий вывешивания Таблица 2 – Усилия вывешивания РШР при величине L=15,41 м
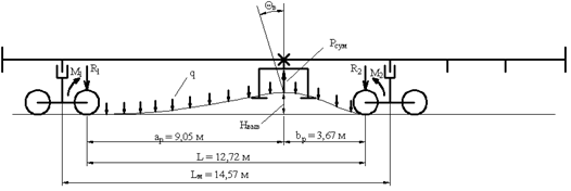
Вывод: из расчетов, приведенных в таблице 2, видно, что при базе платформы 17260 мм, подъемно-рихтовочное устройство сможет произвести вывешивание решетки на величину меньше 150 мм при максимальном усилии на штоках гидроцилиндров вывешивания – 250 кН. 2.2.1.3 Расчетный случай №3 Исходные данные: длина защемленного рельса в пролете стенда L: 12,72 м; расстояние от оси ПРУ до ближайшей точки защемления рельса колесной парой передней тележки ар : 9,05 м; расстояние от оси ПРУ до ближайшей точки защемления рельса колесной парой задней тележки bp : 3,67 м; величины вывешивания путевой решетки Hвыв , м: 0,01; 0,05; 0,1; 0,15; 0,2, 0,25. Расчетная схема изображена на рисунке 13. Расчет усилий вывешивания рельсошпальной решетки Рсум произведен по формулам (1) – (11) и сведен в таблицу 3.
Рисунок 13 – Расчетная схема №3 к определению усилия вывешивания РШР Таблица 3 – Усилия вывешивания РШР при величине L=12,72 м
Вывод: из расчетов, приведенных в таблице 3, видно, что при базе платформы 14570 мм, подъемно-рихтовочное устройство сможет произвести вывешивание решетки на величину около 50 мм при максимальном усилии на штоках гидроцилиндров вывешивания – 250 кН. 2.2.2 Расчет усилий сдвига 2.2.2.1 Расчетный случай №1 Исходные данные: длина защемленного рельса в пролете стенда L: 18,1 м; расстояние от оси ПРУ до ближайшей точки защемления рельса колесной парой передней тележки ар : 9,05 м; расстояние от оси ПРУ до ближайшей точки защемления рельса колесной парой задней тележки bp : 9,05 м; величины сдвига путевой решетки Sсдв , м: 0,01; 0,03; 0,06; 0,09; 0,12; 0,15. Расчетная схема изображена на рисунке 14.
Рисунок 14 – Расчетная схема №1 к определению усилия сдвига РШР Суммарное расчетное усилие сдвига путевой решетки Qсум , Н [10]:
где Q - расчетное усилие на сдвиг путевой решетки, Н [10]; Qдоп
- дополнительное усилие сдвига путевой решетки в плане
где
где кд
- поправочный коэффициент,
где
где F - площадь поперечного сечения одного рельса Р65,
где
Расчет усилий сдвига путевой решетки по формулам (12) – (20) при других величинах Sсдв сведен в таблицу 4. Таблица 4 – Усилия сдвига РШР при величине L=18,1 м
Вывод: из расчетов, приведенных в таблице 4, видно, что при базе платформы 19950 мм, подъемно-рихтовочное устройство сможет произвести сдвиг решетки на величину 150 мм при максимальном усилии на штоках гидроцилиндров вывешивания – 170 кН. 2.2.2.2 Расчетный случай №2 Исходные данные: длина защемленного рельса в пролете стенда L: 15,41 м; расстояние от оси ПРУ до ближайшей точки защемления рельса колесной парой передней тележки ПРУ ар : 9,05 м; расстояние от оси ПРУ до ближайшей точки защемления рельса колесной парой задней тележки bp : 6,36 м; величины сдвига путевой решетки Sсдв , м: 0,01; 0,03; 0,06; 0,09; 0,12; 0,15.
Рисунок 15 – Расчетная схема №2 к определению усилия сдвига РШР Расчетная схема изображена на рисунке 15. Расчет усилий сдвига рельсошпальной решетки по формулам (11) – (19) при других величинах Sсдв и сведен в таблицу 5. Таблица 5 – Усилия сдвига РШР при величине L=15,41 м
Вывод: из расчетов, приведенных в таблице 3, видно, что при базе платформы 17260 мм, подъемно-рихтовочное устройство сможет произвести вывешивание решетки на величину 150 мм при максимальном усилии на штоках гидроцилиндров вывешивания – 170 кН. 2.2.2.3 Расчетный случай №3 Исходные данные: длина защемленного рельса в пролете стенда L: 12,72 м; расстояние от оси ПРУ до ближайшей точки защемления рельса колесной парой передней тележки ПРУ ар : 9,05 м; расстояние от оси ПРУ до ближайшей точки защемления рельса колесной парой задней тележки bp : 3,67 м; величины сдвига путевой решетки Sсдв , м: 0,01; 0,03; 0,06; 0,09; 0,12; 0,15.
Рисунок 16 – Расчетная схема №4 к определению усилия сдвига РШР Расчет усилий сдвига путевой решетки по формулам (11) – (19) при других величинах Sсдв сведен в таблицу 6. Таблица 6 – Усилия сдвига РШР при величине L=12,72 м
Вывод: из расчетов, приведенных в таблице 6, видно, что при базе платформы 14570 мм, подъемно-рихтовочное устройство сможет произвести сдвиг решетки на величину между 90 и 120 мм при максимальном усилии на штоках гидроцилиндров вывешивания – 170 кН. 2.3 Конструирование элементов стенда 2.3.1 Прочностной расчет боковых и хребтовых балок рамы стенда Исходные данные: материал: сталь 09Г2; тип сечения: двутавр №60; усилие вывешивания решетки Рвыв : 150 кН; усилие сдвига Qсдв : 170 кН. Цель расчета: проверка несущей способности боковых и хребтовых балок.
Рисунок 17 – Расчетная схема для базы стенда 19950 мм
Рисунок 18 – Расчетная схема для базы стенда 17260 мм
Рисунок 19 – Расчетная схема для базы стенда 14570 мм
h – высота сечения, м; h1 – расстояние между полками, м; b – ширина сечения, м; tст – толщина стенки, м; tп – толщина полки, м; 1, 2, 3 – рассматриваемые в расчете точки Рисунок 20 – Сечение рамы Металлоконструкция стенда была спроектирована и рассчитана в программе APM WinMachine. Результаты расчетов приведены в Приложениях А и Б. На металлоконструкцию действуют реакции от усилий вывешивания и сдвига рельсошпальной решетки, а также вес конструкции. Вес металлоконструкции стенда Gп , Н:
где mмк – масса металлоконструкции, mмк = 10600 кг; g – ускорение свободного падения, g = 9,8 м/с2 .
Расчет на прочность металлоконструкции стенда произведен по методу допускаемых напряжений. Из Приложений А и Б были выбраны наиболее нагруженные стержни, их расчет приведен ниже. Расчетные схемы приведены на рисунках 17 – 19. 2.3.1.1 Проверка прочности сечения стержня Rod 57 Таблица 7 – Исходные данные для стержня Rod57
Рисунок 21 – Геометрические характеристики сечения стержня Rod57 Условие прочности [5]:
где
где
где
где А - площадь сечения, м2 [5] ; Iх - момент инерции относительно главной центральной оси х-х, м [5]; у – расстояние от главной центральной оси х-х до рассматриваемой точки, м [5]; Iу - момент инерции относительно главной центральной оси у-у, м4 [5] ; х – расстояние от главной центральной оси у-у до рассматриваемой точки, м [5].
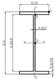
где b – ширина сечения, b=0,19 м [5]; tп – толщина полки, tп = 0,0178 м [5]; h1 – расстояние между полками, h1 =0,264 м [5]; tст – толщина стенки, tc т =0,012 м [5].
где h – высота сечения, h=0,3 м.
где
где
где Аотс – площадь отсеченной части сечения для рассматриваемой точки, м2 [5]; ус – расстояние от оси х-х до центра тяжести отсеченной части, м [5];. Схемы для определения статического момента приведены на рисунках 21 и 22.
Рисунок 22 - Схема к определению статического момента для точки 2
Рисунок 23 - Схема к определению статического момента для точки 3
где h – высота рассматриваемого сечения, м [5]; у – расстояние от главной центральной оси х-х до рассматриваемой точки, м [5]. Касательные напряжения 2.3.1.2 Расчет эквивалентных напряжения для точки 1 Суммарные нормальные напряжения по формуле (25) при y=0,15 м, x = 0,095 м:
Статический момент по формуле (31) Sотс =0 при Аотс = 0. Касательные напряжения по формуле (32) при tст =0,012 м, h=0,3 м, y=0,15 м:
Суммарные касательные напряжения по формуле (29) Эквивалентные напряжения по формуле (23):
2.3.1.3 Расчет эквивалентных напряжения для точки 2 Суммарные нормальные напряжения по формуле (25) при y=0,132 м, х=0,006 м:
Площадь отсеченной части:
Статический момент по формуле (31) при ус =0,1411м:
Касательные напряжения по формуле (30) при
Касательные напряжения по формуле (32) при tст =0,012 м, h=0,3 м, y=0,15 м:
Суммарные касательные напряжения по формуле (29):
Эквивалентные напряжения по формуле (23):
2.3.1.4 Расчет эквивалентных напряжения для точки 3 Суммарные нормальные напряжения по формуле (25) при y=0 м, х=0,006 м:
Площади отсеченных частей:
Статический момент по формуле (31) при ус 1 =0,1411 м; ус 2 =0,066 м:
Касательные напряжения по формуле (32) при
Касательные напряжения по формуле (33) при tст =0,012 м, h=0,3 м, y=0:
Суммарные касательные напряжения по формуле (29):
Эквивалентные напряжения по формуле (23):
В результате расчетов, выяснилось, что самая нагруженная точка 1. Проверка выполнения условия прочности (22):
Условие прочности соблюдается. 2.3.1.5 Расчет эквивалентных сечений Опасные сечения, сходные по геометрическим параметрам с сечением стержня Rod57 рассчитаны по формулам (22) – (32). Расчетные схемы для соответствующих значений базы платформы изображены на рисунках (17) – (19). Максимальные усилия в стержнях взяты из Приложения А и приведены в таблице 8. Результат расчетов сведен в таблицу 9. Таблица 8 – Максимальные нагрузки в стержнях
Таблица 9 – Результаты расчетов
Вывод: расчеты показывают, что прочность боковых и хребтовых балок рамы в рассматриваемых сечениях достаточна. 2.3.1.6 Проверка прочности сечения стержня Rod 211 Таблица 10 – Максимальные усилия в стержне Rod211
Рисунок 24 – Геометрические характеристики сечения стержня Rod211
Рисунок 25 – Схема к определению статического момента для точки 2
Рисунок 26 – Схема к определению статического момента для точки 3 Площадь сечения по формуле (26):
Момент инерции относительно главной центральной оси х-х по формуле (27):
Момент инерции относительно главной центральной оси у-у по формуле (28):
2.3.1.7 Расчет эквивалентных напряжения для точки 1 Суммарные нормальные напряжения по формуле (25) при y=0,3 м, x=0,095 м:
Статический момент по формуле (31) Sотс =0 при Аотс = 0. Касательные напряжения по формуле (32) при tст =0,012 м, h=0,6 м, y=0,3 м:
Суммарные касательные напряжения по формуле (29) Эквивалентные напряжения по формуле (23):
2.3.1.8 Расчет эквивалентных напряжения для точки 2 Суммарные нормальные напряжения по формуле (25) при y=0,282 м, х = 0,006 м:
Площадь отсеченной части:
Статический момент по формуле (31) при ус =0,291м:
Касательные напряжения по формуле (30) при
Касательные напряжения по формуле (32) при tст =0,012 м, h=0,6 м, y=0,282 м:
Суммарные касательные напряжения по формуле (29):
Эквивалентные напряжения по формуле (23):
2.3.1.9 Расчет эквивалентных напряжения для точки 3 Суммарные нормальные напряжения по формуле (25) при y=0 м, х=0,006 м:
Площади отсеченных частей:
Статический момент по формуле (31) при ус 1 =0,291 м; ус 2 =0,141 м:
Касательные напряжения по формуле (30) при
Касательные напряжения по формуле (32) при tст =0,012 м, h=0,6 м, y=0:
Суммарные касательные напряжения по формуле (29):
Эквивалентные напряжения по формуле (23):
В результате расчетов, выяснилось, что самая нагруженная точка 1. Проверка выполнения условия прочности (22):
Условие прочности соблюдается, т.к. в металлоконструкции машин допускается превышение допускаемых напряжений на 5%. В данном случае превышение напряжений составляет 2,6 МПа, что составляет 1,19%. 2.3.1.10 Проверка прочности эквивалентных сечений Максимальные усилия в рассматриваемых стержнях взяты из Приложения А и сведены в таблице 11 Таблица 11 – Максимальные усилия в стержнях
Опасные сечения, сходные по геометрическим параметрам с сечением стержня Rod211 рассчитаны по формулам (21) – (31). Максимальные усилия в стержнях приведены в таблице 11. Результат расчетов сведен в таблицу 12. Таблица 12 – Результат расчетов
Вывод: расчеты показывают что прочность боковых и хребтовых балок рамы в рассматриваемых сечениях достаточна. 2.3.2 Прочностной расчет поперечных балок рамы стенда Исходные данные: материал: сталь 09Г2; тип сечения: квадратная труба 150 х 8; усилие вывешивания решетки Рвыв : 150 кН; усилие сдвига Qсдв : 170 кН.
h – высота сечения, м; t – толщина стенки, м; 1, 2 – рассматриваемые в расчете точки. Рисунок 27 – Сечение поперечной балки 2.3.2.1 Проверка прочности сечения стержня Rod 177 Таблица 13 – Исходные данные для стержня Rod177
Рисунок 28 – Геометрические характеристики сечения Площадь сечения А, м2 :
где h – высота сечения, h=0,15 м; t – толщина стенки, t=0,008 м.
Моменты инерции относительно главных центральных осей Iх и Iу м4 :
2.3.2.2 Расчет эквивалентных напряжения для точки 1 Суммарные нормальные напряжения по формуле (25) при y=0,075 м, x = 0,075 м:
Касательные напряжения
где b – расстояние между стенками, b=0,142 м; y – расстояние от горизонтальной оси х-х до рассматриваемой точки, y=0,075 м.
Касательные напряжения
Касательные напряжения
Суммарные касательные напряжения по формуле (29):
Эквивалентные напряжения по формуле (23):
2.3.2.3 Расчет эквивалентных напряжения для точки 2 Суммарные нормальные напряжения по формуле (25) при y=0 м, х=0,075 м:
Рисунок 29 – Схема к определению статического момента Площади отсеченных частей:
Статический момент по формуле (31) при ус1 =0,071м, ус2 =0,034м:
Касательные напряжения по формуле (30) при
Касательные напряжения по формуле (35) при b=0,142 м, y=0:
Касательные напряжения по формуле (36):
Суммарные касательные напряжения по формуле (29):
Эквивалентные напряжения по формуле (23):
В результате расчетов, выяснилось, что самая нагруженная точка 1. Проверка выполнения условия прочности (22): 226,4 МПа > 217,9 МПа. Условие прочности соблюдается, т.к. в металлоконструкции машин допускается превышение допускаемых напряжений на 5%. В данном случае напряжения превышают на 8,5 МПа, что составляет 3,9%. 2.3.2.4 Проверка прочности эквивалентных сечений Таблица 14 – Максимальные нагрузки в стержнях
Опасные сечения, сходные по геометрическим параметрам с сечением стержня Rod177 рассчитаны по формулам (22) – (32). Максимальные усилия в стержнях взяты из приложения А и приведены в таблице 14. Результат расчетов сведен в таблицу 15. Таблица 15 – Результаты расчетов
Вывод: расчеты показывают что прочность боковых и хребтовых балок рамы в рассматриваемых сечениях достаточна. 2.3.3 Проверка жесткости боковых и хребтовых балок рамы стенда Исходные данные: номера стержней в месте максимального прогиба и их узлов, а также величина максимального перемещения в пролете взяты из Приложения В и приведены в таблице 16. Таблица 16 – Исходные данные
Цель расчета: проверка жесткости рамы стенда. Условие расчета: в APM WinMachine установлено, что на раму стенда воздействуют самые неблагоприятные нагрузки при вывешивании путевой решетки на 20 мм и сдвиг на 150 мм. Усилие вывешивание 150 кН, усилие сдвига 170 кН.
Рисунок 30 – Расчетная схема Проверка жесткости заключается в сравнении допустимого прогиба с относительным расчетным прогибом. Условие жесткости:
где f – максимальный прогиб, м; L – расстояние между заделками балки, м; Результаты расчетов приведены в таблице 17. Таблица 17 – Результаты расчетов
Вывод: из таблицы 17 видно, что относительный прогиб меньше допускаемого, следовательно, жесткость балок рамы достаточна. 3 Порядок проведения работ на стенде 1. Провести инструктаж по технике безопасности со студентами под их личную роспись. 2. Перед началом работы, учитель обязан осмотреть и проверить техническое состояние узлов и деталей стенда и убедиться в их исправности. 3. Если стенд исправен, то можно приступать к выполнению лабораторных работ на нем. 4. Для работы на стенде необходимо запустить двигатель насосной станции. 5. Вывешивание и сдвиг рельсошпальной решетки производится подъемно-рихтовочным устройством, управление которым осуществляется с помощью сервоуправления насосной станции. 6. Величину вывешивания или сдвижки рельсошпальной решетки определяют визуально по стационарно установленным вертикальной и горизонтальной линейке. 7. Усилие на штоках гидроцилиндров вывешивания и сдвига вычисляют, зная диаметр поршня и давление в напорной линии трубопровода определяемое по манометрам с помощью известных формул по дисциплине «Гидропривод». 6. Вывешивание и сдвиг рельсошпальной решетки можно производить при трех различных положениях задней тележки стенда. Для изменения положения тележки необходимо: а) с помощью сервоуправления насосной станции привести в работу аутригеры и поднять раму стенда на величину необходимую для того чтобы вывести из соединения шкворень тележки из шкворневой балки рамы стенда; б) убедиться что шкворень вышел из соединения и соблюдая технику безопасности произвести вручную перекатывание задней тележки в одну из двух дополнительных позиций; в) визуально убедиться, что шкворень тележки расположен соосно с отверстием в шкворневой балке и произвести опускание рамы стенда с помощью аутригеров; г) произвести лабораторные испытания при новом положении задней тележки; д) для установки задней тележки в другое положение и проведение новых испытаний, произвести операции указанные в пунктах а – г. 4 ЭКОНОМИЧЕСКИЙ РАСЧЕТ Целью экономического расчета является определение затрат на изготовление металлоконструкции стенда для вывешивания и сдвига рельсошпальной решетки. Основными затратами на изготовление являются затраты на приобретение материалов, проектно - конструкторские работы, а также на оплату труда производственного персонала и накладные расходы. К покупным изделиям относятся: сортовой прокат (двутавры, квадратные трубы, уголки), листовой прокат, гидроцилиндры и тележки. Стоимость покупных изделий сведена в таблицу 18. В расчетах цены приведены 2010 года. Таблица 18 - Стоимость покупных комплектующих
Таблица 19 - Стоимость узлов
Основная заработная плата производственных рабочих на изготовление сварных конструкций Зпл1 , руб: Зпл1 = Cтч ∙ ti 1 ∙ mi 1 ∙ kp ∙ kпр ∙ kнач , (37) где Cтч - часовая тарифная ставка 4 разряда, Cтч = 60 руб./ч; ti 1 - трудоемкость изготовления 1 т сварной конструкции, ti 1 = 100 чел. – ч [14]; mi 1 - масса сварных узлов, mi 1 = 7,1 т; kp - районный коэффициент, kp = 1,25 [14]; kпр - коэффициент премирования, kпр = 1,5 [14]; kнач - коэффициент, учитывающий начисления на заработную плату, kнач = 1,262 [14]. Зпл1 = 60 ∙ 100 ∙ 7,1∙ 1,25 ∙ 1,5 ∙ 1,262 = 100802,3 руб. Основная заработная плата производственных рабочих на механическую обработку Зпл2 , руб: Зпл2 = Cтч ∙ ti 2 ∙ mi 2 ∙ kp ∙ kпр ∙ kнач , (38) где Cтч - часовая тарифная ставка, Cтч = 60 руб.; ti 2 - трудоемкость изготовления узлов подлежащих механической обработке, ti 2 = 300 чел. – ч [14]; mi 2 - масса узлов, механической обработки, mi = 3,5 т; kp - районный коэффициент, kp = 1,25 [14]; kпр - коэффициент премирования, kпр = 1,5 [14]; kнач - коэффициент, учитывающий начисления на заработную плату, kнач = 1,262 [14]. Зпл2 = 60 ∙ 300 ∙ 3,5 ∙ 1,25 ∙ 1,5 ∙ 1,262 = 149073,8 руб. Основная заработная плата производственных рабочих на сборку Зпл3 , руб: Зпл3 = Cтч ∙ ti 2 ∙ mi 2 ∙ kp ∙ kпр ∙ kнач , (39) где Cтч - часовая тарифная ставка, Cтч = 60 руб.; ti 2 - трудоемкость прочих узлов, ti 2 = 80 чел. – ч [14]; mi 2 - масса узлов сборки, mi = 2 т; kp - районный коэффициент, kp = 1,25 [14]; kпр - коэффициент премирования, kпр = 1,5 [14]; kнач - коэффициент, учитывающий начисления на заработную плату, kнач = 1,262 [14]. Основная заработная плата производственных рабочих на сборку Зпл3 : Зпл3 = 60 ∙ 80 ∙ 2 ∙ 1,25 ∙ 1,5 ∙ 1,262 =22716 руб. К перечисленным выше расходам необходимо добавить расходы на проектно-конструкторские работы Зпр-кон , тыс. руб.: Зпр-кон = ТРп-к ∙ Ст ∙ kp ∙ kпр ∙ kнач , (40) где ТРп-к - трудоемкость, ТРп-к = 80 ч; Сm - часовая оплата, Сm = 150 руб/ч [14]; kp - районный коэффициент, kp = 1,25 [14]; kпр - коэффициент премирования, kпр = 1,5 [14]; kнач - коэффициент, учитывающий начисления на заработную плату, kнач = 1,262 [14]. Зпр-кон = 80 ∙ 150 ∙ 1,25 ∙ 1,5 ∙ 1,262 = 28395 руб. Итого основная заработная плата производственных рабочих Зпло , руб.: Зпло = Зпл1 + Зпл2 + Зпл3 +Зпр-кон , (41) Зпло = 100802,3 +149073,8+22716+28395 = 300987,1 руб. Дополнительная заработная плата производственных рабочих ЗПЛД : ЗПЛД = Зпло ∙ НДЗ , (42) где НДЗ - норматив дополнительной заработной платы, НДЗ = 0,15 [14]. ЗПЛД = 300987,1 ∙ 0,15 = 45148,1 руб. Накладные расходы Нр , руб.: Нр = Зпло ∙ ННР , (43) где ННР - норматив накладных расходов, ННР = 0,3 [14]. Нр = 300987,1 ∙ 0,3 = 90296,1 руб. Полная себестоимость изготовления Сп , руб.: Сп = См + СКОМ + Зпло + ЗПЛД + НР , (44) где СКОМ - суммарные затраты на комплектующие, руб. Сп = 438200 + 868716,1+ 300987,1 + 45148,1 + 90296,1 = 1743347,4 руб. Для учета в составе себестоимости прибыли в размере 35 % определим себестоимость за вычетом материальных затрат: Свм = Сп - См -СКОМ , (45) Свм = 1743347,4 – 438200 – 868716,1 = 436431,3 руб. Прибыль П, руб: П = 0,35∙Свм , (46) П = 0,35 ∙ 436431,3 = 152750,9 руб. Капитальные затраты на изготовление рабочего оборудования для удержания установки К, руб: К = Сп + П, (47) К = 1743347,4 + 152750,9= 1896098,3 руб. Таким образом, расчетная себестоимость изготовления стенда для вывешивания рельсошпальной решетки составит 1896098,3 руб. 5 ОХРАНА ТРУДА 5.1 Состояние условий труда при стендовых испытаниях При испытании на стенде в ряде случаев возникают условия, неблагоприятные для исполнителей работ. Опасности, имеющие место на рабочем месте, при испытании подразделяются на импульсные и аккумулятивные [1]. Источниками импульсных опасностей являются подвижные массы, потоки газов и жидкостей, неправильное размещение оборудования на рабочем месте. Импульсная опасность, приводящая к травме, мгновенно реализуется в случайные моменты времени и может быть представлена дискретной случайной функцией производственного процесса. Источниками аккумулятивных опасностей являются: повышенный шум, загрязненность воздушной среды газами и парами. В результате действия этих факторов организм человека переутомляется, нарушается координация движений, притупляется реакция организма на внешние раздражители. Аккумулятивная опасность реализуется на протяжении всего производственного процесса, представляя его непрерывную функцию и приводит к повышенному утомлению, заболеваниям. 5.2 Анализ вредных и опасных факторов Таблица 20 – Анализ вредных и опасных факторов при работе на стенде
5.3 Требования нормативно-технической документации по охране труда Таблица 21 – Требования нормативно-технической документации по охране труда.
5.4. Мероприятия по защите работающих от опасных и вредных факторов Для того чтобы уменьшить или исключить вообще влияние опасных и вредных факторов на человека необходим целый комплекс мер по охране труда . Методы борьбы с шумом. Одним из методов борьбы с шумом является применение наушников снижающих уровень звукового давления от 3 до 36 дБ [2]. Освещение. Проводить испытания на стенде только в дневное время. Предотвращение возникновения пожара. Необходимо строгое выполнение требований безопасности при хранении и использовании горюче-смазочных материалов. Необходимо оборудовать противопожарный щит средствами пожаротушения. На рабочем месте запрещается пользоваться открытым огнем и курить. Обтирочный материал хранить только в металлических закрытых ящиках. Мероприятия по защите работающих при подъемно-рихтовочных работах. Перед пользованием подъемно-рихтовочного устройства, необходимо проверить его состояние и в случае необходимости провести ремонт. Для безопасной эксплуатации подъемно-рихтовочного устройства, необходимо находится на расстоянии не менее 3 – 5 м от стенда, во избежание получения травм в результате вывешивания и сдвига рельсошпальной решетки . Мероприятия по защите работающих при работе аутригеров. Во избежание травмы необходимо находится на безопасном расстоянии (3-5 м) 5.5.1 Общие требования 1. Не допускаются к управлению стендом лица, не прошедшие обучение и не аттестованные по профессии стропальщика и станочника, а также лица, моложе 18 лет [1]. 2. Запрещается разборка и ремонт гидросистемы, находящейся под давлением. 3. Запрещается работа на неисправном гидроприводе, при неисправном манометре, а также на не рекомендуемой жидкости. 5.5.2 Требования перед началом работы 1. Перед началом работы учитель обязан осмотреть и проверить техническое состояние узлов и деталей стенда и убедиться в их исправности. 2. Проверке на исправность и надежность подлежат: ограждения и защитные кожухи перемещающихся узлов стенда, а также их крепление; трубопроводы и соединения гидросистемы; система управления стендом. 3. Работать на стенде, имеющем неисправности, запрещается. 4. Необходимо убедиться в наличии на рабочем месте средств индивидуальной защиты, средств пожаротушения и средств оказания первой медицинской помощи. 5.5.3 Требования во время работы 1. При появлении во время работы стенда посторонних шумов, стуков и т.д. необходимо отключить стенд и проверить откуда исходят данные признаки неисправности. 2. Во время работы стенда запрещается: - отвлекаться от выполнения прямых обязанностей; - передавать управление стендом лицам, не имеющим на это разрешение. 5.5.4 Требования по окончании работ 1. По окончании работ учитель обязан: - перевести подъемно-рихтовочное устройство в транспортное положение; - заглушить двигатель насосной станции; 5.5.5 Требования в аварийной ситуации При возникновении аварийной ситуации учитель обязан заглушить двигатель насосной станции. Заключение В разработанном мной дипломном проекте стенд стоимостью 1993368,3 рублей, получился вполне работоспособным и готовым к проведению лабораторных работ на нем. Прочностной расчет и расчет на жесткость показывают, что металлоконструкция стенда сможет выдержать те нагрузки, которые возникают при вывешивании и сдвиге рельсошпальной решетки на требуемые в задание величины (вывешивание на 250 мм и сдвиг на 150 мм) с помощью подъемно-рихтовочного устройства. Данный дипломный проект требует доработок по уменьшею металлоемкости не в ущерб прочности и жесткости, а также снижение денежных затрат на изготавление данного лабораторного стенда. Список использованных источников 1. Безопасность жизнедеятельности. Производственная безопасность и охрана труда / П.П. Кукин, В.Л. Лапин, Н.Л. Пономарев и др. М., 2001. 431 с. 2. Васильев И.В., Хальзов В.Л., Петриченко Н.А. Вопросы чрезвычайных ситуаций и гражданской обороны в дипломных проектах: учебно-методическое пособие. Новосибирск. 2001. 130 с. 3. Глотов В.А. Выбор сталей для металлоконструкций машин: Учеб. пособие. Новосибирск: Изд-во СГУПСа. 1997. 20 с. 4. Задорин Г.П. Путеподъемные и выправочные устройства: Учеб. пособие. Новосибирск: Из-во СГУПСа. 1998. 52 с. 5. Краснов Л.А. Справочник для решения задач по сопротивлению материалов: Учеб. пособие. Новосибирск: Изд-во СГУПСа. 2004. 118 с. 6. Машина выправочно-подбивочно-рихтовочная: ВПР-02: Техническое описание и инструкция по эксплуатации / Министерство путей сообщения РФ. М., 1995. 415 с. 7. Машины и механизмы для путевого хозяйства / Соломонов С.А., Хабаров В.П., Малицкий Л.Я., Нуждин Н.М. М., 1984. 440 с. 8. ООО "Склад металла" // http://www.skladmetalla.ru/ . 9. Раздорожный А.А. Охрана труда и производственная безопасность: учебно-методическое пособие. М., 2006. 512 с. 10. Соломонов С.А., Попович М.В., Бугаенко В.М. Путевые машины: Учебник. Москва: Изд-во Желдориздат. 2000. 756 с. 11. СТО СГУПС 1.01 – 2007. Курсовой и дипломный проекты. Требования к оформлению. Новосибирск. 2007. 59с. 12. СТО СГУПС 1.02 – 2008. Система управления качеством. Работа выпускная квалификационная по специальности «Подъемно-транспортные, строительные, дорожные машины и оборудование». Новосибирск. 2007. 28с. 13. Сырейщиков Ю.П. Новые путевые машины : подбивочно-выправочные и рихтовочная ВПР-1200, ВПРС-500 и Р-2000. М., 1984. 319 с. 14. Экономическая эффективность внедрения новой (модернизированной) техники / Ядрошникова Г.Г., Хекало О.Ю., Шаламова О.А., Юркова Е.О. Новосибирск: Изд-во СГУПСа. 2004. 12 с. Приложение А Распечатка усилий в опасных сечениях стержней Индекс стержня 44 (Rod 57)
Индекс стержня 156 (Rod 255)
Индекс стержня 157 (Rod 256)
Индекс стержня 45 (Rod 60)
Индекс стержня 4 (Rod 7)
Индекс стержня 14 (Rod 19)
Индекс стержня 34 (Rod 42)
Индекс стержня 24 (Rod 31)
Индекс стержня 130 (Rod 211)
Индекс стержня 128 (Rod 209)
Индекс стержня 126 (Rod 207)
Индекс стержня 124 (Rod 205)
Индекс стержня 5 (Rod 8)
Индекс стержня 15 (Rod 20)
Индекс стержня 35 (Rod 43)
Индекс стержня 25 (Rod 32)
Индекс стержня 89 (Rod 153)
Индекс стержня 87 (Rod 151)
Индекс стержня 85 (Rod 149)
Индекс стержня 83 (Rod 147)
Индекс стержня 102 (Rod 177)
Индекс стержня 100 (Rod 175)
Индекс стержня 101 (Rod 176)
Индекс стержня 79 (Rod 138)
Индекс стержня 80 (Rod 139)
Индекс стержня 81 (Rod 140)
Приложение Б Напряжения в узлах стержней Название документа: Рама платформы-19.FRM Напряжение в стержне (макс.) [Н/мм^2] (Загружение 1)
Напряжение в стержне (макс.) [Н/мм^2] (Загружение 2)
Напряжение в стержне (макс.) [Н/мм^2] (Загружение 3)
Приложение В Перемещение в узлах стержней Название документа: Рама платформы-19.FRM Перемещения узлов (Загружение 1)
Перемещения узлов (Загружение 2 )
Перемещения узлов (Загружение 3 )
|
|||||||||||||||||||||||||||||||||||||||||||||||||||||||||||||||||||||||||||||||||||||||||||||||||||||||||||||||||||||||||||||||||||||||||||||||||||||||||||||||||||||||||||||||||||||||||||||||||||||||||||||||||||||||||||||||||||||||||||||||||||||||||||||||||||||||||||||||||||||||||||||||||||||||||||||||||||||||||||||||||||||||||||||||||||||||||||||||||||||||||||||||||||||||||||||||||||||||||||||||||||||||||||||||||||||||||||||||||||||||||||||||||||||||||||||||||||||||||||||||||||||||||||||||||||||||||||||||||||||||||||||||||||||||||||||||||||||||||||||||||||||||||||||||||||||||||||||||||||||||||||||||||||||||||||||||||||||||||||||||||||||||||||||||||||||||||||||||||||||||||||||||||||||||||||||||||||||||||||||||||||||||||||||||||||||||||||||||||||||||||||||||||||||||||||||||||||||||||||||||||||||||||||||||||||||||||||||||||||||||||||||||||||||||||||||||||||||||||||||||||||||||||||||||||||||||||||||||||||||||||||||||||||||||||||||||||||||||||||||||||||||||||||||||||||||||||||||||||||||||









, (2)
Н.
, (4)
, (8)
, (9)
, (10)




, (13)
, (14)
, (17)
.
, (18)
, (19)
, (20)
.
.
.
.











, (24)
МПа.
, (25)
, (27)
м4
.
, (28)
м4
.
, (30)

, (32)
МПа.
МПа.
МПа.
МПа.
МПа.
МПа.
МПа.
МПа.


м4
.
м4
.
МПа.
МПа.
МПа.
МПа.
МПа.
МПа.
МПа.
МПа.
, (34)
м4
.
МПа.
, (35)
МПа.
, (36)
МПа.
МПа.
МПа.
МПа.
, (37)