Дипломная работа: Проектирование механического цеха по изготовлению деталей для запорно-регулирующей арматуры газо
|
Название: Проектирование механического цеха по изготовлению деталей для запорно-регулирующей арматуры газо Раздел: Промышленность, производство Тип: дипломная работа | |||||||||||||||||||||||||||||||||||||||||||||||||||||||||||||||||||||||||||||||||||||||||||||||||||||||||||||||||||||||||||||||||||||||||||||||||||||||||||||||||||||||||||||||||||||||||||||||||||||||||||||||||||||||||||||||||||||||||||||||||||||||||||||||||||||||||||||||||||||||||||||||||||||||||||||||||||||||||||||||||||||||||||||||||||||||||||||||||||||||||||||||||||||||||||||||||||||||||||||||||||||||||||||||||||||||||||||||||||||||||||||||||||||||||||||||||||||||||||||||||||||||||||||||||||||||||||||||||||||||||||||||||||||||||||||||||||||||||||||||||||||||||||||||||||||||||||||||||||||||||||||||||||||||||||||||||||||||||||||||||||||||||||||||||||||||||||||||||||||||||||||||||||||||||||||||||||||||||||||||||||||||||||||||||||||||||||||||||||||||||||||||||||||||||||||||||||||||||||||||||||||||||||||||||||||||||||||||||||||||||||||||||||||||||||||||||||||||||||||||||||||||||||||||||||||||||||||||||||||||||||||||||||||||||||||||||||||||||||||||||||||||||||||||||||||||||||||||||||||||
Федеральное агентство по образованию РЫБИНСКАЯ ГОСУДАРСТВЕННАЯ АВИАЦИОННАЯ ТЕХНОЛОГИЧЕСКАЯ АКАДЕМИЯ им. П. А. СОЛОВЬЁВА Факультет Авиатехнологический Кафедра технологии авиационных двигателей общего машиностроения Дипломный проект Механический цех по изготовлению деталей для запорно-регулирующей арматуры газо- и нефтепроводов Соискатель, студент группы ТБ-02 Разживина Н.В. Рыбинск 2007 Реферат Выпускная квалификационная работа. Дипломный проект на тему «Механический цех по производству деталей для запорно-регулирующей арматуры газо- и нефтепроводов. Пояснительная записка 170 с., 13 рис., 30 табл., 21 источник. ДЕТАЛЬ, ЗАГОТОВКА, ТЕХНОЛОГИЧЕСКИЙ ПРОЦЕСС, ОПЕРАЦИЯ, УСТАНОВКА, СТАНОК, СЕБЕСТОИМОСТЬ, ОБРАБОТКА. Цель работы – проектирование механического цеха по изготовлению данной детали на основе разрабатываемого технологического процесса. В процессе работы разрабатывался технологический процесс изготовления детали и проектировался механический цех. В результате работы спроектирована новая заготовка для данной детали, новый технологический процесс, контрольное и станочное приспособления, спроектирован механический цех, проведены экономические расчеты по технологическому процессу и расчеты по охране труда и технике безопасности. 1. ВведениеУсловия жесткой конкуренции в условиях рыночной экономики требуют все большего сокращения затрат на производство. Современные достижения науки позволяют сокращать затраты на основные, вспомогательные материалы, снижать затраты на изготовление путем совершенствования технологических процессов, использования методов унификации, применение типовых и групповых технологий. При этом растут и требования по точности и качеству изготавливаемых деталей и изделий. С целью повышения качества применяется метод концентрации операций, который позволяет избавиться от погрешностей, возникающих при повторном базировании. Использование этого метода также сокращает вспомогательное время. В настоящее время все большее распространение получает применение комбинированного инструмента. Применение такого инструмента резко увеличивает производительность путем сокращения вспомогательного времени и повышает точность изготовления. Сейчас производственные предприятия все меньше отдают предпочтение крупносерийному и массовому производству и переходят к мелко- и среднесерийному производству. Это происходит в результате быстрых темпов развития новых технологий и роста требований потребителей к качеству продукции. В таких условиях требуется применение быстро переналаживаемого оборудования. Таким оборудованием являются станки с числовым программным управлением, достоинством которых является быстрая переналадка при переходе с производства изделий одного наименования на другие путем введения в устройство ЧПУ новой программы. Эти станки имеют возможность обрабатывать поверхности сложной пространственной формы с высокой точностью. С целью уменьшения времени на разработки применяются методы машинного проектирования, которые не только сокращают время на проектирование, но и оберегают от случайных ошибок, которые может допустить человек. Условия рыночных взаимоотношений требуют проведения расчетов применения того или иного метода обработки. Это условие повышает требования к знаниям и квалификации инженеров, конструкторов и технологов при постоянном росте количества различных методов обработки. Все чаще применяется автоматизированное оборудование, которое позволяет облегчить труд человека, уменьшает вероятность появления брака из-за устранения субъективного фактора и уменьшает влияние вредных веществ и опасных факторов на рабочего. Все это требует постоянного совершенствования и пополнения базы знаний о новых процессах, технике, возможностях и своевременного внедрения их в производство. Целью дипломного проектирования является разработка проекта цеха, имеющего более высокие технико-экономические показатели по сравнению с существующими цехами, т. е. обладающего перед ними конкурентными преимуществами, которые проявляются в уменьшении всех материальных и денежных затрат, рациональном использовании площадей и увеличении скорости оборачиваемости оборотных средств, что достигается максимальным сокращением производственного цикла и снижением стоимости выполнения действий, составляющих производственный процесс. Таким образом, все разработки дипломного проекта следует выполнять с учётом этих направлений. Методы и приёмы проектирования должны максимально соответствовать реальным, применяемым на практике. 2. Производственная программа цеха проект механический цех В проектируемом цехе предполагается изготавливать детали кулисно-винтового механизма типа корпусов, крышек, рычагов и кронштейнов. Масса деталей от 5 до 12 кг, габаритные размеры от 50 до 150 мм. Материалы деталей алюминиевые сплавы, стали. Проектирование производится по условной программе. В качестве условного представителя взят корпус кулисно-винтового механизма. Кулисно-винтовой механизм, в который входит условный представитель – корпус, входит в привод со струйным двигателем, предназначенного для поворота затвора шарового крана на угол Детали типа корпус используются в блоке «Привода со струйным двигателем» для запорно-регулирующей арматуры газо- и нефтепроводов. Данная деталь применяется для установки и пространственного размещения редуктора, ходовой гайки, выходного вала привода, кулисы и других деталей, входящих в привод. Корпус изготавливается из материала: сплав АК74 (АЛ9) ГОСТ 1583-93. ХИМИЧЕСКИЙ СОСТАВ СПЛАВА АК74 (АЛ9). (содержание элементов в %) Al(алюминий) основа Сu(медь) _ Mn(марганец) _ Mg(магний) 0,2…0,4 Fe(железо) 1,5 Si(кремний) 6,0…8,0 Ti(титан) _ Механические свойства алюминиевого сплава АЛ9 (ГОСТ 1583-93)
Одним из основных факторов, определяющих особенности проектируемого производства является его тип. В соответствии с заданной программой изготовления детали – условного представителя оно серийное. [1]. Вид серийного производства устанавливается по величине партии запуска, которая подсчитывается по формуле с учётом того, что деталь изготавливается “на сборку”. Определим количество деталей в партии по формуле [1], с.9:
где n – количество деталей в партии;
По данным источника [2], тип производства – мелкосерийное. Для такого случая метод производства – непоточный. Движение деталей по рабочим местам принимаем последовательное, поскольку у нас отсутствуют сведения о программе изготовления других деталей. В целом цех для определённого типа производства целесообразно организовать по смешанному признаку, а отдельные участки – по предметному. 4. Технологический процесс 4.1 Анализ технологического процесса – прототипа (базового) Определение количества операций в технологическом процессе является одной из главных задач при составлении маршрутной технологии. При определении количества операций и содержания каждой операции существует два принципа: 1. Принцип концентрации операций. 2. Принцип дифференциации операций. Сущность концентрации операций заключается в том, что при разработке технологического процесса стараются в одной операции сосредоточить обработку возможно большего числа поверхностей. Пределом концентрации операций является обработка всей детали за одну операцию. Сущность дифференцированного принципа построения операций заключается в разукрупнении обработки, в упрощении каждой операции и, следовательно, в увеличении числа операций. Пределом дифференциации операций является разделение технологического процесса на такие простые операции, когда каждая из них будет состоять только лишь из одного простого перехода. Базовый технологический процесс относится к дифференцированному принципу построения операций, т. к. состоит из большого числа простых операций, что даёт определённые преимущества: 1. Возможность использовать рабочих низкой квалификации для выполнения несложных операций. 2. Использовать универсальные станки для специальных наладок. 3. Упрощается наладка станков. На промежуточных слесарных операциях по снятию заусенцев и притуплению острых кромок широко используется ручной труд, что приводит к увеличению трудоемкости деталей. Станочные приспособления, применяемые на операциях для зажима деталей, в подавляющем большинстве имеют ручные зажимы, что приводит не только к увеличению вспомогательного времени на операцию, но и к нестабильному усилению зажима, следствием чего является снижение точности обработки. Инструмент, применяемый на операциях для контроля размеров, в основном является универсальным шкальным, что приводит к увеличению времени на измерение размеров детали и, следовательно, к увеличению вспомогательного времени на операцию. По результатам анализа можно сделать следующие замечания: - на операциях применяются устаревшие станки. - операции нарезки резьбы производятся вручную на слесарных верстаках. Это малопроизводительно и требует высокой квалификации рабочих. - в техпроцессе не используются быстродействующие приспособления. Эти недостатки выявляют низкий уровень механизации и автоматизации производства. Таким образом, существующий технологический процесс позволяет получать годные детали, но не является оптимальным. Этому технологическому процессу присущи выше перечисленные недостатки, устранение которых позволит получить достаточно прогрессивный технологический процесс изготовления корпусов. 4.2 Выбор вида и способа изготовления заготовки В цехе, занимающемся производством корпусов, исторически сложилось так, что ряд однотипных деталей, например: корпусов, обрабатывается в разных производственных группах. Состав оборудования в этих группах различен и технологи, которые разрабатывали технологические процессы, исходили в первую очередь из имеющегося оборудования. Заготовкой является отливка с размерами Сравним два варианта получения заготовок: 1. Литьё в обычные земляные формы и кокили; 2. Литьё под давлением. Стоимость заготовок
где Сi – базовая стоимость одной тонны заготовок, руб.;
Q
– масса заготовки, кг q
– масса готовой детали, кг
Введём поправочный коэффициент для цен 1. При литье в обычные земляные формы и кокили:
Группа сложности по [1], стр. 132 – 3, Тогда по [2]
Подставляем данные для заготовок, полученных методом литья в обычные земляные формы и кокили, в формулу (4.1) и получим:
2. При литье под давлением:
Группа сложности по [1], стр. 132 – 3, Тогда по [2]
Подставляем данные для заготовок, полученных методом литья под давлением, в формулу (4.1) и получим:
Экономический эффект для сопоставления способов получения заготовок
где
Подставим полученные выше данные в формулу (4.2) и получим:
Экономически выгодным является вариант получения заготовки литьём под давлением. Для данной детали принята литая заготовка, т.к. литьём можно получить детали самой сложной конфигурации, невыполняемые другими способами формообразования, литейный процесс производителен и недорог. Коэффициент использования металла при изготовлении сложных корпусных заготовок при литье почти в два раза выше, чем при ковке и горячей объёмной штамповке. По своей геометрии отливка максимально приближена к детали, что значительно сокращает расход металла и объём механической обработки (резания, фрезерования и т.д.). Точность размеров отливки зависит от качества изготовления формы. Поступающие на обработку заготовки должны соответствовать утверждённым техническим требованиям. Поэтому заготовки подвергают техническому контролю по соответствующей инструкции, устанавливающей метод контроля, периодичность, количество проверяемых заготовок в процентах к выпуску и т.д. Проверке подвергают химический состав и механические свойства материала, структуру, наличие дефектов, размеры, массу заготовки. Отклонения размеров и формы поверхностей заготовки должны соответствовать требованиям чертежа заготовки. Заготовки не должны иметь внутренних дефектов: раковин, посторонний включений и т.д. Дефекты, влияющие на прочность, подлежат исправлению. В технических условиях должны быть указаны вид дефекта, его количественная характеристика и способы исправления (вырубка, заварка, правка). Поверхность отливки должна быть чистой и не иметь пригаров, механических повреждений и т.д. Заготовка должна быть очищена и обрублена, места подводов литниковой системы, заливы, заусенцы должны быть зачищены, удалена окалина. На заключительном этапе отливки грунтуют с целью защиты их поверхностей от коррозии. 4.3 Установление методов обработки поверхностей заготовки, содержания технологических операций и их последовательности На результаты этих действий одновременно оказывают влияние форма детали, заданные точность и шероховатость поверхностей её элементов, напряжённое состояние материала и тип производства. Новый технологический процесс разработан для детали, которая включает в себя все поверхности, характеризующие детали корпус. Весь процесс разбит на 2 этапа: Черновой; Чистовой; На черновом этапе достигается равномерное распределение припуска на последующую обработку. На этом этапе готовятся базовые поверхности, которые на чистовом этапе позволяют получить точность обработки поверхностей. На чистовом этапе получается деталь заданной точности и необходимой чистоты в соответствии с чертежом. Исходя из свойств детали, то есть материала детали, конфигурации детали, требований к точности размеров, формы, расположения поверхностей, требований к шероховатости детали и оборудования назначаем следующую последовательность обработки детали на станке XCEEDER 900-RT (5-координатный станок с ЧПУ): Сторона 1
Рисунок 4.1 – Эскиз детали с обозначением поверхностей Сторона 2 Сторона 4
Рисунок 4.2 – Эскиз детали с обозначением поверхностей Сторона 5
Рисунок 4.3 – Эскиз детали с обозначением поверхностей Сторона 6
Рисунок 4.4 – Эскиз детали с обозначением поверхностей - Фрезеровать корпус по периметру начерно (элемент 8, сторона 1); - Сверлить 4 отверстия Ø 12,8 мм (элемент 1, сторона 1); - Зенковать фаски в отверстиях Ø 12,8 мм; - Нарезать резьбу М14´1,25 в отверстиях Ø 12,8 мм; - Фрезеровать корпус по периметру начисто (элемент 8, сторона 1); - Фрезеровать корпус по периметру начерно (элемент 8, сторона 3); - Фрезеровать по периметру начерно (элемент 30, сторона 4); - Фрезеровать поверхность начерно (элемент 42, сторона 6); - Фрезеровать по периметру начерно (элемент 25, сторона 2); - Фрезеровать поверхности начерно (элементы 35, 38, сторона 5); - Фрезеровать по контуру занижения (элементы 9, 10, 12, 13, 15, 18, 19, 20, 21, 22, 23, 24, сторона 3); - Фрезеровать плоскости занижений (элементы 5, 6, 7, сторона 3) начерно; - Фрезеровать плоскости занижений (элементы 5, 6, 7, сторона 3) начисто; - Фрезеровать плоскости 4 занижений (элемент 14, сторона 3); - Фрезеровать скосы начерно (элемент 41, сторона 6), а также фрезеровать поверхность (элементы 18, 19, сторона 3); - Расточить отверстие Ø 72 мм до Ø 85 мм (элемент 26, сторона 2), расточить отверстие Ø 72 мм до Ø 85 мм (элемент 31, сторона 4) начерно; - Расточить канавку Ø 91 мм в отверстии Ø 63 мм (сторона 2), расточить канавку Ø 91 мм в отверстии Ø 63 мм (сторона 4); - Расточить отверстие Ø 63 мм до Ø 81 мм (элемент 29, сторона 2), расточить отверстие Ø 63 мм до Ø 81 мм (элемент 34, сторона 4) начерно; - Фрезеровать скругления (элемент 11, сторона 3); - Фрезеровать скругления (элементы 12, 15, сторона 3), фрезеровать занижения (элемент 16, сторона 3), проточить 4 фаски в занижениях (элемент 17, сторона 3), фрезеровать плоскости 4 занижений (элемент 14, сторона 3); - Сверлить 4 отверстия Ø 12,8 мм (элемент 1, сторона 3); - Нарезать резьбу М14´1,25 в отверстиях Ø 12,8 мм; - Сверлить 4 отверстия Ø 22 мм (элемент 27, сторона 2), сверлить 6 отверстий Ø 22 мм (элемент 32, сторона 4); - Зенковать фаски в отверстиях Ø 12,8 мм; - Фрезеровать корпус по периметру начисто (элемент 8, сторона 3); - Фрезеровать поверхности начерно (элемент 40, сторона 6); - Фрезеровать по контуру занижения (элементы 9, 10, 12, 13, 15, 18, 19, 20, 21, 22, 23, 24, сторона 1) начерно; - Фрезеровать плоскости занижений (элементы 5, 6, 7, сторона 1) начерно; - Фрезеровать плоскости занижений (элементы 5, 6, 7, сторона 1) начисто; - Фрезеровать плоскости 4 занижений (элемент 14, сторона 1); - Фрезеровать поверхность (элементы 18, 19, сторона 3); - Фрезеровать скосы начисто (элемент 41, сторона 6); - Фрезеровать скругления (элементы 12, 15, сторона 3); - Фрезеровать скругления (элементы 12, 15, сторона 1), фрезеровать занижения (элемент 16, сторона 1), проточить 4 фаски в занижениях (элемент 17, сторона 1), фрезеровать плоскости 4 занижений (элемент 14, сторона 1); - Фрезеровать по контуру занижения (элементы 9, 10, 12, 13, 15, 18, 19, 20, 21, 22, 23, 24, сторона 1) начисто; - Сверлить 4 отверстия Ø 30 мм (элемент 36, сторона 5); - Фрезеровать скругления (элемент 12, сторона 1); - Сверлить 13 отверстий Ø 8,5 мм (элемент 2, сторона 1); - Сверлить 8 отверстий Ø 4,2 мм (элемент 4, сторона 1); - Сверлить 4 отверстия Ø 4 мм (элемент 3, сторона 1); - Зенковать фаски в отверстиях Ø 8,5 мм, Ø 4,2 мм; - Снять заусенцы по контуру детали; - Нарезать резьбу М10 – 7Н в отверстиях Ø 8,5 мм; - Нарезать резьбу М5 – 7Н в отверстиях Ø 4,2 мм; - Нарезать резьбу М33´3 – 6Н в отверстиях Ø 30 мм; - Расточить отверстие Ø 72 мм до Ø 85 мм (элемент 26, сторона 2), расточить отверстие Ø 72 мм до Ø 85 мм (элемент 31, сторона 4), расточить отверстие Ø 63 мм до Ø 81 мм (элемент 29, сторона 2), расточить отверстие Ø 63 мм до Ø 81 мм (элемент 34, сторона 4) начисто; - Фрезеровать поверхность (элементы 18, 19, сторона 3); - Фрезеровать по контуру занижения (элементы 9, 10, 12, 13, 15, 18, 19, 20, 21, 22, 23, 24, сторона 3) начисто; - Фрезеровать скругления (элемент 12, сторона 3); - Фрезеровать скругления (элемент 13, сторона 3); - Сверлить 4 отверстия Ø 12,8 мм (элемент 33, сторона 4); сверлить 4 отверстия Ø 12,8 мм (элемент 39, сторона 5); - Сверлить 13 отверстий Ø 8,5 мм (элемент 2, сторона 3); - Сверлить 2 отверстия Ø 5 мм (элемент 37, сторона 5); - Сверлить 8 отверстий Ø 4,2 мм (элемент 4, сторона 3); - Сверлить 4 отверстия Ø 4 мм (элемент 3, сторона 3); - Сверлить 9 отверстий Ø 3,3 мм (элемент 28, сторона 2); - Снять заусенцы в отверстиях Ø 22 мм, Ø 81 мм, Ø 85 мм, снять заусенцы в отверстиях Ø 22 мм, Ø 81 мм, Ø 85 мм, Ø 12,8 мм, снять заусенцы в отверстиях Ø 30 мм, Ø 12,8 мм; - Зенковать фаски в отверстиях Ø 3,3 мм (сторона 2), зенковать фаски в отверстиях Ø 5 мм (сторона 5), зенковать фаски в отверстиях Ø 12,8 мм, Ø 4,2 мм, Ø 4 мм (сторона 3). - Нарезать резьбу М24´2 – 7Н в отверстиях Ø 22 мм (сторона 2), нарезать резьбу М24´2 – 7Н в отверстиях Ø 22 мм (сторона 4); - Нарезать резьбу М14´1,25 – 7Н в отверстиях Ø 12,8 мм (сторона 2), нарезать резьбу М14´1,25 – 7Н в отверстиях Ø 12,8 мм (сторона 4); - Нарезать резьбу М10 – 7Н в отверстиях Ø 8,5 мм (сторона 3); - Нарезать резьбу М6 – 7Н в отверстиях Ø 5 мм (сторона 5); - Нарезать резьбу М5 – 7Н в отверстиях Ø 4,2 мм (сторона 3); - Нарезать резьбу М4 – 7Н в отверстиях Ø 3,3 мм (сторона 2); - Фрезеровать корпус по периметру начисто (элемент 8, сторона 3; элемент 25, сторона 2; элемент 30, сторона 4; элементы 35, 38, сторона 5; элемент 42, сторона 6); - Расточить канавку Ø 88,5 мм в отверстии Ø 85 мм (сторона 2), расточить канавку Ø 88,5 мм в отверстии Ø 85 мм (сторона 4); - Контрольная. Для выполнения операций обработки резанием на металлорежущих станках часто применяют схему установки заготовок, когда технологической базой является плоскость и цилиндрическая поверхность. При этом базирование заготовок производится на опорные пластины, установочные пальцы (цилиндрические и срезанные), центрирующие втулки с гарантированным зазором, а также на цилиндрические оправки (с гарантированным зазором или натягом). 4.4 Выбор технологических баз, расчёт припусков на обработку и операционных размеров Заготовка детали в процессе обработки должна занять и сохранять в течение всего времени обработки определенное положение относительно деталей станка или приспособления. Для этого необходимо исключить возможность трех прямолинейных движений заготовки в направлении выбранных координатных осей и трех вращательных движений вокруг этих, или параллельных им осей (т.е. лишить заготовку шести степеней свободы). Для определения положения жесткой заготовки необходимо наличие шести опорных точек. Для их размещения требуются три координатных поверхности (или заменяющие их три сочетания координатных поверхностей) в зависимости от формы и размеров заготовки эти точки могут быть расположены на координатной поверхности различными способами. На операции 010 базирование детали осуществляем в координатный угол, на всех последующих операциях – базирование по плоскости и 2 отверстиям. Наиболее точным методом определения величины припуска, оптимизирующим размеры заготовки и процесс обработки, является расчётно-аналитический, дифференцированный по элементам, составляющим припуск. В зависимости от вида обрабатываемой поверхности на величину операционного припуска будут влиять определённые факторы. При одностороннем, несимметричном расположении припуска (обработка плоских и торцевых поверхностей) операционный припуск назначается на сторону и определяется выражением:
где
Схема №1
Рисунок 4.5 – Схема обработки детали Далее строим граф исходных структур (исходное «дерево») соответствующий исходной структуре, образованной связями между поверхностями в виде чертежных размеров и припусков. На графе исходных структур соединяющих поверхности 1 и 2 волнистыми ребрами, характеризующими величину припуска 1z2, поверхности 3 и 4 дополнительными ребрами, характеризующими величину припуска 3z4. А также проводим толстые ребра чертежного размера 2с1.
Рисунок 4.6 – Граф исходных структур - - "z" - Соответствует величине операционного припуска, а "c" – чертежному размеру. На основании разработанной схемы обработки строится граф произвольных структур. Построение производного древа начинается с поверхности заготовки, к которой на схеме обработки не подводится ни одной стрелки. На рисунке 4.7 такая поверхность обозначена цифрой «4». От этой поверхности проводим те ребра графа, которые касаются её. На конце этих ребер указываем стрелки и номера тех поверхностей, до которых указанные размеры проведены. Аналогичным образом достраиваем граф согласно схеме обработки.
Рисунок 4.7 – Граф производных структур
В результате наложения исходного «дерева» на производное «дерево» получим композицию «деревьев», называемую графом размерных цепей (рисунок 4.8):
Рисунок 4.8 Граф размерных цепей - Вершина графа. Характеризует поверхность детали.
Схема №2
Рисунок 4.9 – Схема обработки детали Далее строим граф исходных структур (исходное «дерево») соответствующий исходной структуре, образованной связями между поверхностями в виде чертежных размеров и припусков. На графе исходных структур соединяющих поверхности 5 и 6 волнистыми ребрами, характеризующими величину припуска 5z6, поверхности 7 и 8 дополнительными ребрами, характеризующими величину припуска 7z8. А также проводим толстые ребра чертежных размеров 6с7.
Рисунок 4.10 – Граф исходных структур - - "z" - Соответствует величине операционного припуска, а "c" – чертежному размеру. На основании разработанной схемы обработки строится граф произвольных структур. Построение производного древа начинается с поверхности заготовки, к которой на схеме обработки не подводится ни одной стрелки. На рисунке 4.11 такая поверхность обозначена цифрой «8». От этой поверхности проводим те ребра графа, которые касаются её. На конце этих ребер указываем стрелки и номера тех поверхностей, до которых указанные размеры проведены. Аналогичным образом достраиваем граф согласно схеме обработки.
Рисунок 4.11 – Граф производных структур
В результате наложения исходного «дерева» на производное «дерево» получим композицию «деревьев», называемую графом размерных цепей (рисунок 4.12):
Рисунок 4.12 – Граф размерных цепей - Вершина графа. Характеризует поверхность детали.
Схема №3
Рисунок 4.13 – Схема обработки детали Далее строим граф исходных структур (исходное «дерево») соответствующий исходной структуре, образованной связями между поверхностями в виде чертежных размеров и припусков. На графе исходных структур соединяющих поверхности 9 и 10 волнистыми ребрами, характеризующими величину припуска 9z10, поверхности 11 и 12 дополнительными ребрами, характеризующими величину припуска 11z12 и т. д. А также проводим толстые ребра чертежных размеров 13с10, 10с11.
Рисунок 4.14 – Граф исходных структур - - "z" - Соответствует величине операционного припуска, а "c" – чертежному размеру. На основании разработанной схемы обработки строится граф произвольных структур. Построение производного древа начинается с поверхности заготовки, к которой на схеме обработки не подводится ни одной стрелки. На рисунке 4.15 такая поверхность обозначена цифрой «9». От этой поверхности проводим те ребра графа, которые касаются её. На конце этих ребер указываем стрелки и номера тех поверхностей, до которых указанные размеры проведены. Аналогичным образом достраиваем граф согласно схеме обработки.
Рисунок 4.15 – Граф производных структур - вершина графа. Характеризует поверхность детали. Цифра в круге обозначает номер поверхности на схеме обработки.
В результате наложения исходного «дерева» на производное «дерево» получим композицию «деревьев», называемую графом размерных цепей (рисунок 4.16):
Рисунок 4.16 – Граф размерных цепей - Вершина графа. Характеризует поверхность детали.
Припуски на операции. Фрезерование черновое: Фрезерование чистовое: Приблизительные значения операционных размеров:
Допуски на операционные размеры в зависимости от метода обработки по таблицам экономической точности:
Расчёт операционных размеров Схема №1. 1. Определение операционного размера
Результаты записываем в графу 7. Определяем значение принятого операционного размера В графе 3 указываем размеры 2. Определение операционного размера
Результаты записываем в графу 7. Величина корректировки составляет Определяем значение принятого операционного размера Определяем значение максимальной и минимальной величины припуска
2. Определение операционного размера 3.
Результаты записываем в графу 7. Величина корректировки составляет Определяем значение принятого операционного размера Определяем значение максимальной и минимальной величины припуска
Схема №2 1. Определение операционного размера
Результаты записываем в графу 7. Определяем значение принятого операционного размера В графе 3 указываем размеры 2. Определение операционного размера
Результаты записываем в графу 7. Величина корректировки составляет Определяем значение принятого операционного размера Определяем значение максимальной и минимальной величины припуска
3. Определение операционного размера
Результаты записываем в графу 7. Величина корректировки составляет Определяем значение принятого операционного размера Определяем значение максимальной и минимальной величины припуска
Схема №3 1. Определение операционного размера
Результаты записываем в графу 7. Определяем значение принятого операционного размера В графе 3 указываем размеры 2. Определение операционного размера
Результаты записываем в графу 7. Определяем значение принятого операционного размера В графе 3 указываем размеры 3. Определение операционного размера
Результаты записываем в графу 7. Величина корректировки составляет Определяем значение принятого операционного размера Определяем значение максимальной и минимальной величины припуска
4. Определение операционного размера
Результаты записываем в графу 7. Величина корректировки составляет Определяем значение принятого операционного размера Определяем значение максимальной и минимальной величины припуска
5. Определение операционного размера
Результаты записываем в графу 7. Величина корректировки составляет Определяем значение принятого операционного размера Определяем значение максимальной и минимальной величины припуска
Составление ведомости расчета операционных размеров . Подготовка к расчету операционных размеров заключается в заполнении граф с номерами: 1,2,4,5,6 в следующей последовательности: сначала заполняются графы 4,5,6, а затем 1 и 2. Графа 1. Указывается обозначение всех чертежных размеров и операционных припусков из уравнений размерных цепей для соответствующего операционного размера. Графа 2. Чертежные размеры с допусками берутся в соответствии с рабочим чертежом детали. Допуски операционных припусков берутся из графа размерных цепей и указываются только со знаком (+). Графа 4. Указываются обозначения всех операционных размеров согласно схеме обработки (рис. 1.5.2.). Графа 5. Указывается величина поля допуска на операционные размеры в соответствии с графом размерных цепей (рис. 1.5.2.3.). Графа 6. Заносятся уравнения размерных цепей, при помощи которых производятся расчеты операционных размеров. Заполнение граф 7, 8, 9 и 3 связано с непосредственным расчетом каждого операционного размера, и поэтому должно проводиться в следующей последовательности: Заполняются все графы 7, 8, 9 и 3 для первого операционного размера. Затем заполняются все графы для второго размераи далее для всех операционных размеров. 4.5 Выбор оборудования, приспособлений и инструментов Выбор станочного оборудования является одной из важнейших задач при разработке технологического процесса механической обработки заготовки. От правильного его выбора зависит производительность изготовления детали, экономическое использование производственных площадей, механизации и автоматизации ручного труда, электроэнергии и в итоге себестоимость изделия. Тип производства оказывает решающее влияние на степень автоматизации и специализации оборудования и оснастки, применяемых при изготовлении деталей. В мелкосерийном производстве становится выгодным применение специализированных станков (в том числе станков с числовым программным управлением (ЧПУ)) и инструментов, а также универсально-сборных и универсально-переналаживаемых приспособлений. В зависимости от объема выпуска изделий выбирают станки по степени специализации и высокой производительности, а также станки с числовым программным управлением (ЧПУ). Для разработанного технологического процесса выбираем станок XCEEDER 900-RT (5-координатный станок с ЧПУ). Этот обрабатывающий центр с подвижным мостом и 5-тью интерполированными осями используется для выполнения высокоскоростных фрезеровочных операций. Машина специально предназначена для обработки сложных трёхмерных элементов, нуждающихся в высокой точности, как это бывает в отрасли изготовления пресс-форм или в авиационном секторе.
Рисунок 4.17 – Общий вид станка XCEEDER 900-RT Таблица 4.2 – Технические данные
Рисунок 4.18 – Габаритные размеры станка XCEEDER 900-RT Этот станок обеспечит выполнение заданных технических требований, а также мы уменьшим разнообразие используемых средств производства, т. е. все переходы выполняем на одном станке. Для контроля параллельности сторон используем специальное контрольное приспособление, а для проверки правильности выполнения всех остальных размеров используем систему RENISHAW, которая имеется на станке. Однако станки с ЧПУ имеют существенный недостаток – высокую стоимость, – преодолеть который можно их максимальной загрузкой. Приспособление для обработки детали «корпус» – специальное. Оно просто по конструкции, удобно в эксплуатации. Инструмент для обработки данной детали – нормальный, т. е. имеет стандартные размеры, стандартную конструкцию и применяется вне зависимости от конструкции детали. Размеры, получаемые в процессе технологической обработки, должны измеряться и контролироваться для того, чтобы не допустить отклонения формы, размеров, шероховатости детали от требуемой величины. 4.6 Выбор смазочно-охлаждающих технологических средств Смазочно-охлаждающие технологические средства, используемые чаще всего в виде смазочно-охлаждающих жидкостей (СОЖ), применяются для предотвращения возникновения дефектов поверхностей деталей, изготавливаемых резанием, повышения стойкости режущих инструментов, увеличения скорости резания и подачи.
Каждая рецептура СОЖ имеет достаточно сложный состав, оптимальный для определённого сочетания материалов заготовки и инструмента, а также вида обработки. Для обработки детали корпус на станке XCEEDER 900-RT будем использовать СОЖ: Укринол – 1 (3 – 5%). 4.7 Определение режимов обработки При назначении режимов резания учитывают характер обработки, тип и размеры инструмента, материал его режущей части, материал и состояние заготовки, тип и состояние оборудования. При расчете режимов резания устанавливают глубину резания, минутную подачу, скорость резания. Приведем пример расчета режимов резания для трёх операций. Для остальных операций режимы резания назначаем согласно [5], т.2, стр. 265-303. Сверлильная Глубина резания при сверлении определяется по формуле:
где
При сверлении отверстий без ограничивающих факторов выбираем максимально допустимую по прочности сверла подачу по таблице 25, [1], с. 277:
Скорость резания при сверлении:
Значения коэффициентов
а значение периода стойкости
Общий поправочный коэффициент на скорость резания, учитывающий фактические условия резания,
где
Крутящий момент и осевую силу рассчитываем по формулам:
Значения коэффициентов
Коэффициент, учитывающий фактические условия обработки, в данном случае зависит только от материала обрабатываемой заготовки и определяется выражением
Значения коэффициента
Мощность резания определяем по формуле
где частота вращения инструмента или заготовки
Мощность шпинделя станка XCEEDER 900-RT составляет 20 кВт, поэтому мощность привода станка достаточна:
Фрезерная Конфигурация обрабатываемой поверхности и вид оборудования определяют тип применяемой фрезы. Её размеры определяются размерами обрабатываемой поверхности и глубиной срезаемого слоя. Диаметр фрезы для сокращения основного технологического времени и расхода инструментального материала выбирают по возможности наименьшей величины, учитывая при этом жёсткость технологической системы, схему резания, форму и размеры обрабатываемой заготовки. Выбираем торцевую фрезу Ø 50 мм для фрезерования поверхности шириной 176 мм, длиной 365 мм. Модель станка XCEEDER 900-RT. Обрабатываемый материал АЛ9. 1. Глубина резания:
2. Подача на один зуб
3. Подача на оборот:
4. Скорость резания – окружная скорость фрезы
Значения коэффициента
где
где
Т. к. угол в плане
Главная составляющая силы резания при фрезеровании – окружная сила
где
Значения коэффициента
Крутящий момент на шпинделе
где
Мощность при фрезеровании (эффективная)
где
Мощность шпинделя станка XCEEDER 900-RT составляет 20 кВт, поэтому мощность привода станка достаточна:
Резьбонарезание Нарезание резьбы производим метчиком. Скорость резания при нарезании метрической резьбы метчиком
Значения коэффициента
Общий поправочный коэффициент
где
Крутящий момент при нарезании резьбы метчиком
где
Коэффициент
Поправочный коэффициент
Мощность при нарезании резьбы метчиком
где
Мощность шпинделя станка XCEEDER 900-RT составляет 20 кВт, поэтому мощность привода станка достаточна:
4.8 Расчёт норм времени на выполнение операций Под нормой времени понимается продолжительность отрезка времени для выполнения производственной операции в конкретных условиях. Состав нормы времени По своему содержанию и назначению различают две нормы на каждую операцию: 1. Норма штучного времени – Штучное время включает в себя только ту норму времени, которая необходима для непосредственного выполнения производственной операции. 2. Калькуляционная норма времени – В калькуляционное время включается помимо штучного времени также и часть подготовительно-заключительного времени ( В подготовительно-заключительное время включается тот отрезок времени, который затрачивается рабочим на ознакомление с работой и наладку станка для обработки партии деталей. Следовательно, можно записать:
где Расчёт норм времени при обработке на станках с ЧПУ имеет особенности, которые нужно учитывать. Подготовительно-заключительное время состоит из трёх слагаемых:
где
Состав штучного времени В состав штучного времени ( - основное технологическое (машинное) время – - вспомогательное время – - время обслуживания рабочего места – - время перерывов и отдыха – Следовательно, можно записать:
где
При станочной операции это есть время, в течение которого непосредственно происходит изменение формы и состояния обрабатываемой детали. Основное технологическое время для механической обработки определяется по формуле:
где
Вспомогательное время включает в себя время, затрачиваемое на выполнение различных действий, связанных с выполнением основной, технологической работы. К таким действиям могут относиться: - установка, закрепление и снятие детали; - управление станком; - подвод и отвод инструмента; - промер деталей и т. д. Вспомогательное время определяется по формуле:
где
Время обслуживания рабочего места – это есть время, затрачиваемое рабочим на уход за рабочим местом, и приходящееся на одну деталь. Время обслуживания рабочего места распределяется на два вида работ: - время технического обслуживания – - время организационного обслуживания –
Время технического обслуживания ( - смена притупившегося инструмента; - подналадка станка; - сметание стружки в процессе работы. Величина времени на техническое обслуживание определяется в процентах от основного времени по следующей формуле:
Значение величины Время организационного обслуживания ( - подготовка рабочего места в начале смены; - уборка рабочего места в конце смены; - чистка станка и др. Величина времени на организационное обслуживание определяется в процентах от суммы основного и вспомогательного времени по формуле:
Значение величины Время на перерыв и отдых рабочего в течение смены определяется по формуле:
Значение величины Сверлильная Исходные данные . Деталь – корпус. Операция – обработка отверстия Станок – XCEEDER 900-RT (станок с ЧПУ). Род заготовки – отливка АЛ9, НВ 50…60. Инструмент – сверло спиральное 1. Подготовительно-заключительное время: 1.1 Организационная подготовка
4,0 мин на ознакомление с документами и осмотр заготовки; 2,0 мин на инструктаж мастера; 4,0 мин на установку рабочих органов станка или зажимного приспособления по двум координатам в нулевое положение. 1.2 Установить приспособление и снять 5,0 мин. 1.3 Установить исходные режимы работы станка (число оборотов шпинделя) 0,2 мин. 1.4 Установить инструментальные блоки в магазине и снять 21 инструмент 1.5 Установить исходные координаты X и Y (настроить нулевое положение) по цилиндрической поверхности 4,0 мин. 1.6 Установить инструмент на длину обработки (по оси Z для 8 инструментов) Итого 1.7 Количество групп отверстий, обрабатываемых расточным инструментом – 2 8-10 квалитета точности: Количество групп отверстий, обрабатываемых сверлом – 2 8-10 квалитета точности: Итого
2. Вспомогательное время:
0,06 мин на одновременное перемещение крестового стола по осям X и Y ускоренное; 0,04 мин на подвод инструмента в зоне резания по оси Z; 0,12 мин на ускоренный и установочный поворот стола на 0,4 мин на смену инструмента из магазина автоматическую.
3. Основное время:
4. Оперативное время:
5. Время обслуживания рабочего места:
6. Время на перерыв и отдых рабочего в течение смены:
7. Штучное время:
8. Штучно-калькуляционное время:
Фрезерование Исходные данные Деталь – корпус. Операция – фрезерование плоскости шириной 176 мм. Станок – XCEEDER 900-RT (станок с ЧПУ). Род заготовки – отливка АЛ9, НВ 50…60. Инструмент – фреза 1. Подготовительно-заключительное время: 1.1 Организационная подготовка
4,0 мин на ознакомление с документами и осмотр заготовки; 2,0 мин на инструктаж мастера; 4,0 мин на установку рабочих органов станка или зажимного приспособления по двум координатам в нулевое положение. 1.2 Установить приспособление и снять 5,0 мин. 1.3 Установить исходные режимы работы станка (число оборотов шпинделя) 0,2 мин. 1.4 Установить инструментальные блоки в магазине и снять 21 инструмент 1.5 Установить исходные координаты X и Y (настроить нулевое положение) по цилиндрической поверхности 4,0 мин. 1.6 Установить инструмент на длину обработки (по оси Z для 8 инструментов) Итого 1.7 Количество групп отверстий, обрабатываемых расточным инструментом – 2 8-10 квалитета точности: Количество групп отверстий, обрабатываемых сверлом – 2 8-10 квалитета точности: Итого
2. Вспомогательное время:
0,06 мин на одновременное перемещение крестового стола по осям X и Y ускоренное; 0,04 мин на подвод инструмента в зоне резания по оси Z; 0,12 мин на ускоренный и установочный поворот стола на 0,4 мин на смену инструмента из магазина автоматическую.
3. Основное время:
4. Оперативное время:
5. Время обслуживания рабочего места:
6. Время на перерыв и отдых рабочего в течение смены:
7. Штучное время:
8. Штучно-калькуляционное время:
Резьбонарезание Исходные данные Деталь – корпус. Операция – нарезание резьбы Станок – XCEEDER 900-RT (станок с ЧПУ). Род заготовки – отливка АЛ9, НВ 50…60. Инструмент – метчик. 1. Подготовительно-заключительное время: 1.1 Организационная подготовка
4,0 мин на ознакомление с документами и осмотр заготовки; 2,0 мин на инструктаж мастера; 4,0 мин на установку рабочих органов станка или зажимного приспособления по двум координатам в нулевое положение. 1.2 Установить приспособление и снять 5,0 мин. 1.3 Установить исходные режимы работы станка (число оборотов шпинделя) 0,2 мин. 1.4 Установить инструментальные блоки в магазине и снять 21 инструмент 1.5 Установить исходные координаты X и Y (настроить нулевое положение) по цилиндрической поверхности 4,0 мин. 1.6 Установить инструмент на длину обработки (по оси Z для 8 инструментов) Итого 1.7 Количество групп отверстий, обрабатываемых расточным инструментом – 2 8-10 квалитета точности: Количество групп отверстий, обрабатываемых сверлом – 2 8-10 квалитета точности: Итого
2. Вспомогательное время:
0,06 мин на одновременное перемещение крестового стола по осям X и Y ускоренное; 0,04 мин на подвод инструмента в зоне резания по оси Z; 0,12 мин на ускоренный и установочный поворот стола на 0,4 мин на смену инструмента из магазина автоматическую.
3. Основное время:
4. Оперативное время:
5. Время обслуживания рабочего места:
6. Время на перерыв и отдых рабочего в течение смены:
7. Штучное время:
8. Штучно-калькуляционное время:
4.9 Определение квалификации работы Для того чтобы операции технологического процесса были успешно выполнены, необходимо определить их сложность, т. е. квалификацию работы, которая выражается квалификационным разрядом. Правильное определение квалификации, кроме того, даёт возможность объективно оплатить труд рабочих. Поскольку станок XCEEDER 900-RT – станок с ЧПУ, то для выполнения работ по данному технологическому процессу требуется оператор станков с программным управлением 4 разряда. 4.10 Проектирование карты наладки станка Расчетно-технологическая карта (РТК) содержит выполняемую графически траекторию движения инструмента, расположенную в системе координат, удобной для программирования, за начало отчета принимается нулевая точка шпинделя станка. РТК содержит законченный план обработки детали на станке с ЧПУ, в виде графического изображения траектории движения инструмента со всеми необходимыми пояснениями и расчетными размерами. РТК оформляется в следующем порядке: - вычерчивается деталь в прямоугольной системе координат с ориентацией относительно осей OX и OZ, расположенных параллельно осям координат станка. Выбирается исходная точка обработки, контуры детали, заготовки вычерчиваются в масштабе 1:1 и указываются все необходимые для программирования размеры. - наносится траектория движения режущей кромки резца в системе координат XOY и XOZ. Начало и конец траектории являются исходной точкой обработки. - на траектории движения инструмента необходимо цифрами обозначить опорные точки. Опорные точки необходимо отличать по геометрическим и технологическим признакам. На РТК наносятся дополнительные данные: тип станка, материал детали, путь резца, режимы резания и др. При построении РТК необходимо соблюдать следующие правила: - длина перемещений холостого хода должна быть минимальной; - при обработке наружный контур необходимо обходить по часовой стрелке, а внутренний против часовой стрелки. Расчет траектории инструмента Задачей расчета является: - определение координат опорных точек. - определение перемещений между опорными точками: Наладка станка производится на операции №010. Обработка ведется на фрезерном станке с ЧПУ модель XCEEDER 900-RT. Для станков с ЧПУ расчет перемещения программируемой точки инструмента ведется по средним значениям размеров, которые необходимо обеспечить. Эскиз детали с исходными положениями инструмента относительно начала координат и размерами, получаемыми при обработке, показан на плакате расчетно-технологическая карта. Расчет величин перемещения инструмента по осям координат Х и Yпроизводится в соответствии с формулами. Результаты заносятся в графы соответствующих таблиц на РТК к соответствующим переходам. 5. Технологическая и контрольно-измерительная оснастка 5.1 Исходные данные для проектирования станочного приспособления Требуется разработать компоновку приспособления для выполнения фрезерования, сверления, резьбонарезания элементов детали «корпус». Производство мелкосерийное. Материал детали алюминиевый сплав АЛ9. 5.1.1 Принципиальная схема станочного приспособления Для установки корпуса при фрезерной, сверлильной, резьбонарезной обработке используем базирование детали в координатный угол. Тип производства, программа выпуска, а так же затраты времени на операцию, определяющие уровень быстродействия приспособления при установке и снятии детали, повлияли на решение механизировать приспособление, то есть прижим заготовки к установочной базе, осуществляющийся с помощью прижима от пневмоцилиндра. Приспособление устанавливается на стол станка посредством центрирующей шпонки и четырёх болтов в проушинах основания приспособления. Приспособление используется для установки только одной детали. Использование таких приспособлений имеет ряд преимуществ: - позволяет сократить время на закрепление заготовки; - обеспечение постоянного положения заготовки относительно режущего инструмента, так как величина зажимающего усилия не зависит от обслуживающего рабочего; - стабильность в работе и надежность; - простота управления.
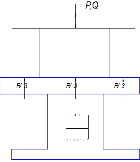
Рисунок 5.1 – Принципиальная схема приспособления Прижим заготовки к установочной базе осуществляется силами R/3 и прижимом от цилиндра. 5.1.2 Расчет станочного приспособления 5.1.2.1 Силовой расчет приспособления Определяем силу зажима:
где Р1 – сила резания, Р1 =441Н, k – коэффициент запаса,
k 1 - коэффициент, учитывающий увеличение сил резания из-за неровностей на заготовке, k 1 =1,2; k 2 - коэффициент, учитывающий увеличение сил резания от затупления инструмента, k 2 =1,3; k 3 - коэффициент, учитывающий увеличение сил резания при прерывистом резании, k 3 =1,2; k 4 - коэффициент, учитывающий непостоянство усилия зажима при использовании пневморычажных систем, k 4 =1,3; k 5 - коэффициент, учитывающий наличие моментов, поворачивающих заготовку, установленную на развитую поверхность, k 5 =1; k 6 - коэффициент, учитывающий наличие моментов, стремящихся повернуть заготовку, k 6 =1.
Определяем внутренний диаметр пневмокамеры:
где Т
k
– сила трения зависящая от твердости уплотняющего кольца и его относительного сжатия p – давление воздуха, р=0,63 МПа; d 1 – внутренний диаметр пневмокамеры, d п – диаметр штока, d п = 16 мм.
Принимаем d 1 =216 мм. 5.1.2.2 Расчет станочного приспособления на точность Исходя из точности выдерживаемого размера обрабатываемой детали, предъявляют требования к соответствующим размерам приспособления. Для нахождения точности отдельных элементов, необходимо найти сначала суммарную погрешность Эта погрешность для каждого выдерживаемого при помощи приспособления размера детали не должна превышать величины заданного допуска Топ
: Топ
≥
Все погрешности, входящие в состав суммарной, могут быть разделены на следующие погрешности: 1. Погрешность установки 2. Погрешность обработки 3. Суммарная погрешность приспособления 4. Погрешность 5. Погрешность от размерного износа инструмента По теории вероятности допуск на размер обрабатываемой детали Топ должен быть больше или равен сумме вышеперечисленных погрешностей, возникающих при механической обработке деталей на металлорежущих станках, то есть:
Откуда:
5.2 Исходные данные для проектирования контрольного приспособления Требуется разработать компоновку приспособления для выполнения контроля параллельности наружных сторон детали корпус. Производство мелкосерийное. Материал детали алюминиевый сплав АЛ9. 5.2.1 Принципиальная схема контрольного приспособления Контрольное приспособление проектируется для контроля параллельности наружных сторон детали корпус. Деталь устанавливается на плиту. Поверхности имеют достаточную протяженность и имеется возможность замерять отклонения в нескольких точках, поэтому настройка головки по эталону не требуется. Используется рычажно-пружинная измерительная головка с длинным наконечником и погрешностью измерения 1мкм.
Рисунок 5.2 – Схема измерения 5.2.2 Расчет контрольного приспособления Важнейшим условием, которому должны удовлетворять контрольные приспособления, является обеспечение необходимой точности измерения. Точность в значительной степени зависит от принятого метода измерения, от степени совершенства принципиальной схемы и конструкции приспособления, а так же от точности его изготовления. Не менее важным фактором, влияющим на этот параметр, является точность изготовления поверхности, используемой в качестве измерительной базы. Точность измерения определяется, главным образом, следующими составляющими погрешностями: 1. Погрешность, связанная с данным измерительным средством 2. Погрешность индикатора Используя положения теории вероятности, погрешность контрольного приспособления определяют по формуле:
Допускаемая величина отклонения от параллельности 0,1мм.
Следовательно, данное контрольное приспособление обеспечивает необходимую точность измерения.
В основу приспособления положена плита 2 из комплекта универсально-сборочных приспособлений (УСП) средней серии с пазом 12 мм, на которой закреплены: стойки для ИГ 3, планка 6. Контролируемая деталь 7 устанавливается на плиту 2. ИГ 3с удлиненной рычажной системой закрепляется в кронштейне 1 на стойке 3с помощью гайки. Стойка 3 вставляется в паз плиты 2 и фиксируется гайкой 5. Данная рычажная система предохраняет ИГ от случайных ударов и преждевременного износа. Параллельность поверхностей А и А ¢ проверяется путем прикосновения двух упоров 4 к противоположным сторонам детали. 6. Структура цеха Структура механического цеха – это логические взаимоотношения уровней его управления и функциональных служб, построенные в такой форме, которая позволяет наиболее эффективно реализовать технологические процессы изготовления деталей. Следовательно, структура проектируемого цеха определяется содержанием технологического процесса изготовления заданной детали, т. е. все без исключения элементы технологического процесса должны выполняться соответствующими цеховыми или иными подразделениями.
Рисунок 6.1. – Схема структуры цеха Вертикаль «начальник цеха – заместитель начальника по производству – производственные участки» является линейной частью структуры, а правая часть структуры, ограниченная штриховой линией – штаб (аппарат) цеха, помогающий цеху в реализации технологических процессов. Весь цех как большая система делится на три подсистемы: а) перерабатывающую, в которой изготовляются детали. Это производственные участки, т. е. основное производство; б) планирования и контроля, занятую выполнением управленческих функций; в) обеспечения, предназначенную для реализации вспомогательных технологических процессов. Её можно назвать вспомогательным производством и обслуживанием работающих. Эти подсистемы сами представляют собой системы, поскольку состоят из многих частей. Функциональные и административные связи в структуре цеха переплетены между собой так, что одни элементы и работники аппаратных подразделений входят в состав системы планирования и контроля, другие – в состав системы обеспечения, что зависит от особенностей выполняемых ими действий и предусматривается для оптимизации работы. В общем случае система планирования и контроля состоит из специалистов и руководителей технологического бюро (ТБ), планово-диспетчерского бюро (ПДБ), бюро труда и заработной платы (БТ и З), бюро цехового контроля (БЦК), бухгалтерии. В состав БТ и З входит табельная, в БЦК – контрольно-поверочный пункт (КПП), контрольное отделение и контрольные площадки на территории производственных участков. Система обеспечения состоит из систем: инструментального обеспечения, ремонтного обслуживания, обеспечения смазочно-охлаждающими жидкостями (СОЖ), сбора и переработки стружки, складской, транспортной, хозяйственного обслуживания, обслуживания работающих. В систему инструментального обеспечения входят инструментально-раздаточный склад (ИРС), заточное отделение, мастерская по ремонту приспособлений и инструментов (РЕМПРИ), отделение сборки, настройки и кодирования инструментальных блоков; в систему ремонтного обслуживания – цеховая ремонтная база (ЦРБ) и склад запасных частей; в систему обеспечения СОЖ – отделение для их приготовления и средства раздачи на рабочие места; в систему сбора и переработки стружки – средства транспортировки и отделение переработки; в складскую – склады материалов и заготовок, межоперационный, готовых деталей и вспомогательных материалов; в систему обслуживания работающих входят системы санитарно-бытового, медицинского, культурного обслуживания и общественного питания. Руководство системой инструментального обеспечения осуществляет начальник БИХ; системами сбора и переработки стружки, складом вспомогательных материалов, хозяйственным обслуживанием производственного и вспомогательного зданий – начальник хозяйственной службы; складами материалов и заготовок, межоперационным, готовых деталей и транспортной системой – начальник ПДБ. 7. Основное производство 7.1 Оборудование 1. Рассчитывается суммарное количество производственного оборудования цеха
где
Рассчитанное дробное количество оборудования округляется до целого числа Принятое количество оборудования распределяется по производственным участкам с учётом того, что каждый из них должен состоять из 20-30 единиц, т. е. в среднем из 25. Таблица 7.1 – Распределение оборудования по участкам
2. Распределяется по операциям оборудование участка изготовления детали, технологический процесс изготовления которой разработан. Таблица 7.2 – Распределение по операциям оборудования участка изготовления деталей типа «корпус»
Таблица 7.4 – Ведомость производственного оборудования участка изготовления деталей типа «корпус»
Распределение по операциям оборудования участка изготовления деталей типа «крышек». Таблица 7.5 – Ведомость производственного оборудования участка изготовления деталей типа «крышек».
Таблица 7.6 – Ведомость производственного оборудования участка изготовления деталей типа «крышек».
Распределение по операциям оборудования участка изготовления деталей типа «рычагов». Таблица 7.7 – Ведомость производственного оборудования участка изготовления деталей типа «рычагов».
Таблица 7.8 – Ведомость производственного оборудования участка изготовления деталей типа «рычагов».
Распределение по операциям оборудования участка изготовления деталей типа «кронштейнов». Таблица 7.9 – Ведомость производственного оборудования участка изготовления деталей типа «кронштейнов».
Таблица 7.10 – Ведомость производственного оборудования участка изготовления деталей типа «кронштейнов».
7.2 Состав и численность работников Работниками основного производства являются производственные рабочие, вспомогательные рабочие и руководители. Категорию производственных составляют рабочие, выполняющие операции, связанные с изменением состояния и (или) свойств деталей, а также заготовок и полуфабрикатов, из которых они изготовляются. В механических цехах к ним относятся: операторы автоматизированных станков, в том числе станков с ЧПУ; токари; фрезеровщики; сверловщики; расточники; протяжники; зуборезчики – рабочие на зубо- и шлицеобрабатывающих станках; шлифовщики – рабочие на плоско-, кругло-, внутри- и универсально-шлифовальных станках; полировщики; доводчики; балансировщики; разметчики; слесари; сборщики межоперационной сборки; мойщики – рабочие на моечных машинах и др. Их численность
где
К вспомогательным рабочим в основном производстве относятся наладчики при наличии токарно-револьверных и автоматизированных станков. Руководителями участков являются начальники участков – старшие мастера и сменные мастера. Таблица 7.11 – Ведомость работников основного производства
7.4 Определение площади цеха и его места в производственном комплексе завода Производственная площадь цеха (или участка)
а общая площадь
Удельная площадь – это площадь, приходящаяся на единицу оборудования. Для цехов производящих средние и тяжёлые детали, удельная производственная площадь – 18 – 210 м2 , а удельная общая – 22 – 260 м2 . 8. Система планирования и контроля 8.1 Технологическое бюро В функции технологического бюро входят: разработка технологических процессов изготовления деталей, контролирование правильности их выполнения и внесения в них необходимых изменений. Работниками бюро являются инженеры-технологи, количество которых принимается по одному на каждый участок. Возглавляет бюро его начальник. Все они работают в первую смену. Площадь технологического бюро составляет в среднем 6м2 на одного человека. Принимаем количество работников технического бюро равным 5 чел. (Начальник ТБ, 4 технолога). Тогда, площадь технологического бюро составит:
8.2 Планово-диспетчерское бюро Планово-диспетчерское бюро предназначено для оперативного планирования работы основного производства цеха, обеспечения движения по рабочим местам и складирования заготовок, полуфабрикатов и готовых деталей. В штат ПДБ входят: плановик – один человек, диспетчеры (распределители работ) – по одному человеку на каждый участок в каждую смену, кладовщики и рабочие транспортной системы цеха. Руководит бюро его начальник. Количество работников планово-диспетчерского бюро принимаем равным 11 чел. (начальник ПДБ, диспетчер – 8 чел., транспортники – 2 чел.) Площадь, занимаемая планово-диспетчерским бюро составит:
8.3 Бюро труда и заработной платы Функциями бюро труда и заработной платы являются: планирование заработной платы работников цеха и контролирование соблюдения распорядка рабочего дня (затрат труда). В штат бюро входят: нормировщик, табельщики (по одному на каждую смену), нарядчик. Руководит работой БТ и З его начальник. Общее число работников БТ и З составит 5 чел. (начальник БТ и З, нормировщик – 1 чел., табельщик – 1 чел, нарядчик – 2 чел.) Площадь, занимаемая БТ и З (без табельной) составит:
Площадь табельной:
8.4 Бюро цехового контроля Назначение БЦК – планирование мероприятий по обеспечению изготовления деталей требуемого качества и контролю этого качества. В зависимости от особенностей применяемых в цехе контрольно-измерительных средств и изготовляемых деталей, в составе БЦК могут быть контрольное отделение и контрольно-поверочный пункт. В число руководителей входит и начальник БЦК, имеющий обычно права старшего контрольного мастера. В пределах каждого производственного участка предусматривается контрольная площадка с размерами Примем количество работников БЦК (без начальника) равным 6% от числа производственных рабочих. Таким образом, численность работников БЦК составит: - Начальник БЦК – 1 чел.; - Контролеры – 3 человека в каждую смену; - Контрольный мастер – 1 чел.; Площадь кабинета начальника БЦК: Площадь, занимаемая БЦК в производственной зоне составит: 8.5 Бухгалтерия Бухгалтерия осуществляет фиксирование и контроль потоков материальных и денежных средств, проходящих через цех, и расчёт издержек производства. Её штатными работниками являются два бухгалтера и экономист, руководимые старшим бухгалтером-экономистом. Вследствие низкой загруженности, организуется общекорпусная бухгалтерия. 9. Система обеспечения 9.1 Система инструментального обеспечения Функциями системы инструментального обеспечения цеха являются определение потребности цеха в инструментальной оснастке – режущем, вспомогательном, измерительном инструменте и приспособлениях; хранение и подготовка оснастки к работе, обеспечение рабочих мест и текущий ремонт. Система оформляется в виде бюро инструментального хозяйства (БИХ), в состав которого, как было указано выше, входят инструментально-раздаточный склад (ИРС), заточное отделение, мастерская по ремонту приспособлений и инструментов, отделение сборки, настройки и кодирования инструментальных блоков. В штат БИХ входят: его начальник, инженер по оснастке и работники этих подразделений. 9.1.1 Инструментально-раздаточный склад Инструментально-раздаточный складслужит для снабжения рабочих мест (станочников и слесарей) инструментом и приспособлениями. В небольших и средних механических цехах для всех видов инструмента – режущего, вспомогательного и измерительного, а также для приспособлений устраивается один инструментально-раздаточный склад. Площадь склада инструмента определяется из расчета 0,5 м2 на один металлорежущий станок обслуживаемого цеха при работе в две смены. Для обслуживания слесарно-сборочных участков площадь склада может быть принята равной 0,15 м2 на одного слесаря. Площадь склада приспособлений принимается равной 0,4 м2 на один металлорежущий станок обслуживаемого цеха при работе в две смены. Площадь кладовой для абразивов (шлифовальных и полировальных кругов) принимается из расчета 0,4 м2 на один шлифовальный станок. Определим общую площадь помещения инструментально-раздаточного склада:
9.1.2 Заточное отделение Заточное отделение предназначено для централизованной заточки и текущего ремонта режущих инструментов. Организуется централизованное корпусное заточное отделение из-за низкой загруженности оборудования. 9.1.3 Мастерская по ремонту приспособлений и инструментов Функцией мастерской по ремонту приспособлений и инструментов (РЕМПРИ) является мелкий ремонт оснастки. Организуется централизованное корпусное РЕМПРИ вследствие низкой загруженности оборудования. 9.2 Система ремонтного обслуживания Система ремонтного обслуживания предназначена для своевременного выполнения планово-предупредительных ремонтов и межремонтного обслуживания всего оборудования и промышленных проводок. В механических цехах часть этих функций выполняют цеховые ремонтные базы (ЦРБ). В малых механических цехах, в которых количество оборудования не превышает 150 единиц ЦРБ создавать не целесообразно. Однако в штате цеха должен быть специальный персонал: механик, дежурные электрики-ремонтники – по 1 в каждую смену, дежурные слесари-ремонтники – по 1 в каждую смену. Площадь рабочей комнаты механика цеха принимается 20 м2 , комнаты дежурных электрика-ремонтника и слесаря-ремонтника также принимаем по 20 м2 каждая. 9.3 Система обеспечения смазочно-охлаждающими жидкостями Функциями системы обеспечения смазочно-охлаждающими жидкостями (СОЖ) является: приготовление СОЖ в специальном отделении; подача их к металлорежущим станкам; возврат отработанных жидкостей в отделение; разложение и нейтрализация жидкостей; очистка и регенерация СОЖ. В малых механических цехах по экономическим соображениям система включает в себя только склад, оборудованный емкостями для хранения СОЖ. Площадь склада СОЖ рассчитывается исходя из среднесуточного расхода жидкостей 2 кг на один станок. Принимаем площадь склада СОЖ 28 м2 . 9.4 Система сбора, транспортировки и переработки стружки Стружка, образующаяся при изготовлении деталей, должна быть со станков удалена и переработана в состояние, требуемое для утилизации; если она металлическая, то для переплавки. Стружку металлов разных видов и состава необходимо собирать отдельно, поскольку их смешивание недопустимо по металлургическим требованиям. От станков к месту переработки стружка перемещается с помощью различных транспортных средств. Конструкция транспортеров зависит от особенностей образующейся стружки. Скребковые цепные, скребковые штанговые, одношнековые и двухшнековые применяются для перемещения стружки в виде мелких частиц и коротких (длинной до 40 мм) спиралей. Штанговые транспортеры ершового типа используются для перемещения стружки в виде длинных лент и спиралей. С помощью инерционных и вибрационных транспортеров перемещают мелкую и длинную стружку разной формы. В качестве магистральных транспортеров, размещаемых в проходных тоннелях, применяют пластинчатые. Для мелкой стружки в виде отдельных частиц целесообразно использование пневматического транспорта, когда стружка отсасывается непосредственно из зоны обработки (в особенности шлифованных станков) и перемещается по трубопроводам к месту переработки. Однако такой способ требует применения противопожарных и противовзрывных мер. Из зоны обработки стружка удаляется, кроме описанного пневматического способа, самопроизвольно, т. е. под действием собственного веса. В автоматизированном производстве часто применяется для этой цели смывание стружки обильной струей смазочно-охлаждающей жидкости. Со станков на транспортеры или в соответствующую тару стружка удаляется станочниками по окончании смены, если её образуется немного. Когда же количество стружки большое и её требуется удалять со станков несколько раз в смену, то эти действия выполняют специальные рабочие, занимающиеся транспортировкой стружки. Процесс подготовки и переработки стружки зависит от её материала, состояния и формы. Участки для переработки стружки могут быть комплексные и некомплексные, цеховые и общезаводские. В цехе участок организуется при количестве образующейся стружки более одной тонны в час. Интенсивность образования стружки
где
Виды и количество оборудования на участке переработки стружки определяются исходя из его производительности, количества перерабатываемой стружки и перечня операций переработки. Число рабочих подсчитывается по нормам обслуживания оборудования. Размеры площади участка устанавливаются на основании плана расположения оборудования и рабочих мест. Общее руководство участком осуществляется мастером, а в сменах – бригадирами. Сбор и вывоз стружки от станков на участок переработки производят рабочие, находящиеся в подчинении начальника хозяйственной службы (завхоза) цеха. В сменах эти рабочие работают по бригадно. 9.5 Складская система и заготовительное отделение Складская система цеха включает в себя склады материалов и заготовок межоперационный, промежуточный и вспомогательных материалов. Склад материалов и заготовок предназначен для хранения запасов прокатных материалов (пруткового, трубчатого, листового, профильного, полосового и др.), а также отливок, поковок и штамповок. Межоперационный склад создается для хранения полуфабрикатов деталей по их возвращении в механический цех после выполнения операций в других цехах, например операций электрохимической, электроэрозионной, термической обработки, окраски, гальванических покрытий и др. Полуфабрикаты ждут в межоперационном складе продолжения механической обработки вследствие несинхронности выполнения операций производственного процесса. Промежуточный склад (ПРОСК), или склад готовых деталей (СГД), служит для хранения с целью накопления до экономически выгодного для транспортировки в сборочный цех или заводской склад количества полностью изготовленных и прошедших окончательный контроль деталей. Склад вспомогательных материалов (хозяйственный) предназначен для хранения материалов и предметов, необходимых для содержания производственных и обслуживающих помещений цеха, а также хозяйственного инвентаря – вёдер, лопат, щёток, мётел и др. Площадь склада материалов и заготовок подсчитывается по [1], с. 43:
межоперационного –
готовых деталей –
где
где
Эти три склада входят в состав планово-диспетчерского бюро цеха. Работниками складов являются кладовщики, количество которых принимается по одному на каждую смену в каждом складе. Управление заготовительным отделением в каждой смене осуществляют бригадиры из числа его рабочих, а общее руководство складом материалов и заготовок и заготовительным отделением возлагается на мастера. 9.6 Транспортная система Цеховой транспорт предназначен для перемещения грузов внутри цеха. Он обслуживает станки, рабочие места, цеховые и складские помещения. В качестве общецехового транспорта используются электрические тележки, т.к. они просты в управлении и бесшумны. Грузоподъемность тележек до 2 т. Количество электрических тележек принимаем равное 2. Они легко маневрируют в цехе, не требуя широких проходов. Для их использования в цехе предусмотрены гладкие бетонные дорожки. Скорость движения тележек по цеху 6-15 км/ч. В качестве межоперационного транспорта в каждом пролете цеха имеется мостовой кран грузоподъемностью 5 т. Рабочими транспортной системы цеха являются водители электрических тележек, их численность принимается по одному на каждое транспортное средство, то есть 2 человека. 9.7 Система хозяйственного обслуживания Система хозяйственного обслуживания обеспечивает уборку производственных, вспомогательных и обслуживающих помещений; осуществляет надзор за техническим состоянием помещений и выполнением плановых и внеплановых ремонтных работ конторского инвентаря, строительных конструкций и санитарно-технических систем цеха. Работниками хозяйственной службы являются: начальник хозяйственной части (завхоз) – 1 человек; техник смотритель – 1 человек; уборщики стружки – 3 человека в каждую смену; уборщики обслуживающих помещений – 2 человека; гардеробщики – 1 человек на каждую смену; а также кладовщики, количество которых было определено в предыдущих разделах. Площадь общей комнаты завхоза и техника-смотрителя 20 м2 . 10. Состав работающих в цехе Составим сводную ведомость работников цеха. Работники показываются по категориям: рабочие, служащие, специалисты, руководители. Рабочие делятся на 2 группы: производственные и вспомогательные. Сводная ведомость представлена в таблице 10.1. Таблица 10.1 – Сводная ведомость состава работающих
Продолжение таблицы 10.1
11. Система обслуживания работающих 11.1 Административные помещения К административным помещениям относятся: кабинет начальника цеха; кабинет заместителей начальника цеха; приемная при кабинетах; комната старших мастеров; места сменных мастеров отделений и участков. Общая площадь этих помещений рассчитывается путем умножения количества человек на 4 м2 на человека, но не менее 10 м2 . Площадь кабинета начальника цеха принимаем S НАЧ = 30 м2 . Площадь кабинета заместителей начальника цеха принимаем S ЗАМ = 24 м2 . Площадь кабинета секретаря принимаемS СЕКР = 20 м2 . Площадь кабинета главного механика принимаемS ГЛ.МЕХ = 20 м2 . Площадь комнаты старших мастеров принимаем S СТ.М. = 20 м2 . Для сменных мастеров участков предусматриваются на их территории ничем не огороженные рабочие места, имеющие размеры в плане 2×2 м. 11.2 Санитарно-бытовые помещения В состав санитарно-бытовых помещений механического цеха входят: гардеробная; душевые; санитарные узлы (туалеты); комната для курения. 11.2.1 Гардеробные Гардеробные предназначены для хранения одежды. Способ хранения одежды – закрытый в двойных шкафах, оборудованных скамьями. В цехе работают 70 % мужчин и 30 % женщин. Количество шкафчиков берется равным количеству работающих в обе смены. Размеры шкафчиков 350х500х1650 по [1], с.50. Шкафы располагаем перпендикулярно стене с оконными проемами, чтобы создать необходимую освещенность естественным светом. Площадь гардероба: - мужского: S =146∙0,7∙1,5∙0,33=80 м2 ; - женского: S =63∙0,3∙1,5∙0,3=30 м2 . Гардеробы размещаем на первом этаже. 11.2.2 Умывальные Умывальные устраиваются отдельно для мужчин и женщин. В них устанавливаются индивидуальные или групповые умывальники с подводом холодной и горячей воды. Число кранов в умывальных принимаем 6 для рабочих в мужской умывальной и 3 в женской. Для руководителей и служащих принимаем по одному крану в женской и мужской умывальных. Площадь мужской умывальной принимаем 10 м2 , женской – 7 м2 . 11.2.3 Душевые Душевые располагаем в изолированном помещении, смежным с гардеробами. На 20 человек, работающих в 1 смену, принимаем одну душевую сетку по [1], с.52. Кабинки имеют размер 0,9×0,9 м ; проход между ними 1 м . При душевых предусматриваются помещения для переодевания с установленными в них скамьями шириной 0,6 м и длиной каждого места 0,9 м . Принимаем площадь мужской душевой 16 м2 , женской душевой 14 м2 . 11.2.4 Туалеты Туалеты для мужчин и женщин устанавливаем на каждом этаже. Расстояние до них от наиболее удаленных мест не превышает 100-120 м . Число унитазов рассчитываем по нормам в зависимости от числа работающих в наиболее многочисленной смене. Для мужского туалета - 5 штук, для женского – 4 штуки. Унитазы располагаем в отдельных кабинках размером 1,2×0,9 м . Ширина прохода между рядами кабин 1,5 м по [1], с.52. В шлюзах при туалетах ставим умывальники из расчета один умывальник на 20 человек. Число туалетов: 3 мужских и 3 женских. Площадь мужского туалета принимаем 24 м2 , площадь женского – 18 м2 . 11.2.5 Комнаты для курения По условиям производства курить в рабочих помещениях не разрешается, поэтому устраиваются комнаты для курения. Площадь комнаты для курения 16 м2 . 11.3 Помещения медицинского обслуживания В число помещений медицинского обслуживания входят медицинские пункты и помещения для личной гигиены женщин. Так как проектируемый цех относится к категории малых, организуется общезаводской медпункт. Помещения для личной гигиены женщин располагаются смежно с женскими туалетами с входом через общий тамбур. Общую площадь комнаты личной гигиены женщин принимаем 18 м2 . 11.4 Помещения общественного питания К помещениям общественного питания относятся столовые, буфеты, комнаты приема пищи. Число посадочных мест в столовых и буфетах следует принимать из расчета 1 место на 4 человек, работающих в наиболее многочисленной смене. В проектируемом цехе работающих в наиболее многочисленной смене 118 человек, следовательно, организуется буфет общей площадью:S буф = 40 м2 . Также в цехе предусмотрены устройства питьевого водоснабжения в виде фонтанчиков. Принимаем их количество равное 2. 11.5 Помещения культурного обслуживания К помещениям культурного обслуживания относятся комнаты отдыха. Их площадь определяется в зависимости от числа работающих в наиболее многочисленной смене. При количестве работающих до 100 человек площадь комнаты принимается 24 м2 . 12. Размещение цеха Проектируемый цех будет располагаться в промышленных зданиях двух видов: производственном и вспомогательном. Производственные и вспомогательные участки и отделения, а также склады цеха размещаются в производственном здании. Во вспомогательных зданиях размещаются только обслуживающие помещения. Здания обоих видов строятся на основе полного каркаса на основе модульной системы М=600мм . Применяется ширина пролетов 24 м , шаг колонн 12 м . По периметру здания между основными колоннами ставятся дополнительные колонны усиления (фахверка) таким образом, что расстояние между их осями 6 м . Общая высота здания с учетом перекрытий 15 м . Естественное освещение одноэтажных производственных зданий осуществляется через окна, выполненные в виде ленты.. Вспомогательное здание строиться многоэтажным в виде пристройки к торцовой стене производственного здания с сеткой колонн (6+6)×6 м . Высота этажей принимается 3,3 м . Естественное освещение помещений осуществляется через окна, выполненные в виде отдельных проемов. На первом этаже вспомогательного здания размещаются туалеты, комната для курения, табельная, гардеробно-душевые блоки. На верхних этажах расположены рабочие комнаты специалистов. Помещения, в которых используется вода, размещают по одной вертикали. Сообщение между этажами осуществляется с помощью лестниц. 13. Компоновочный план Под компоновочным планом понимается чертеж горизонтальной проекции объекта, на котором изображается расположение его составных частей. Выбираем производственный корпус 144х144 м с сеткой колонн 24х12 м . Компоновочный план корпуса выполнен схематично в масштабе М 1:800 с целью демонстрации расположения цеха в производственном здании. На компоновочном плане корпуса показано так же расположение центральных подразделений систем обеспечения: заточное отделение, мастерская РЕМПРИ, корпусная ремонтная база. На компоновочном плане изображают также поперечный разрез части здания, в которой размещается проектируемый цех. Высота от пола до низа несущих конструкций перекрытий здания – 10300 мм, до головки рельса подкрановых путей – 12000 мм и общей высоты здания – 18000 мм. Уровень окружающей здание территории – минус 400 мм. 14. План расположения оборудования и рабочих мест Планировка – фактическое размещение оборудования и рабочих мест на цеховой площади, пространства, необходимого для передвижения подсобных рабочих, перемещения материалов и их складирования, а также вспомогательных служб по обслуживанию производственного персонала и оборудования. Оборудование на проектируемом участке "дисков" располагаем по группам с учетом хода технологического процесса, чтобы обеспечить минимальное число возвратов и пересечений путей движения детали по участку. По краям участков, перпендикулярно их расположению предусмотрены проезды шириной 3 м. Расстояние между станками вдоль линии их расположения 800-1500 мм. Ширина проездов между участками составляет 2,5 м. Минимальное расстояние между станками, расположенными тыльными сторонами друг к другу 800-1000 мм. При вычерчивании габаритов станков принимаем его контур по крайним выступающим частям с учетом крайнего положения перемещающихся частей. Каждому станку соответствует свое условное обозначение. На планировке цеха так же показываются: - место рабочего у станка; - площади для контролеров; - места мастеров; - мостовые краны; - бункеры под стружку; - пожарные краны. Для применения пневмоаппаратуры и для обдува заготовок в цехе есть подвод сжатого воздуха с давлением в сети 4-6 атмосфер. В цехе есть пожарные краны, расположенные через 24 м. Таким образом, при разработке планировки цеха мы постарались учесть следующие требования: - наиболее выгодно расположить все подразделения цеха; - максимально сократить переходы и перемещения деталей по рабочим местам; - учесть производственные и естественные интересы и потребности работающих; - по возможности уменьшить площади, для сокращения цеховых расходов. Спецификацию оборудования к проекту планировки цеха представим в таблице 14.1. Таблица 14.1 – Спецификация оборудования цеха
15. Специальные части проекта 15.1 Безопасность жизнедеятельности 15.1.1 Анализ электробезопасности проектируемого цеха Действие электрического тока на живую ткань носит разносторонний и своеобразный характер. Проходя через организм человека, электроток производит термическое, электролитическое, механическое и биологическое действия. Термическое действие тока проявляется ожогами отдельных участков тела, нагревом до высокой температуры органов, расположенных на пути тока, вызывая в них значительные функциональные расстройства. Электролитическое действие тока выражается в разложении органической жидкости, в том числе крови, в нарушении её физико-химического состава. Механическое действие тока приводит к расслоению, разрыву тканей организма в результате электродинамического эффекта, а также мгновенного взрывоподобного образования пара из тканевой жидкости и крови. Биологическое действие тока проявляется раздражением и возбуждением живых тканей организма, а также нарушением внутренних биологических процессов. Электротравмы условно разделяют на общие и местные. К общим относят электрический удар, при котором процесс возбуждения различных групп мышц может привести к судорогам, остановке дыхания и сердечной деятельности. Остановка сердца связана с фибрилляцией – хаотическим сокращением отдельных волокон сердечной мышцы (фибрилл). К местным травмам относят ожоги, металлизацию кожи, механические повреждения, электроофтальмии. Металлизация кожи связана с проникновением в неё мельчайших частиц металла при его расплавлении под влиянием чаще всего электрической дуги. Исход поражения человека электротоком зависит от многих факторов: силы тока и времени его прохождения через организм, характеристики тока (переменный или постоянный), пути тока в теле человека, при переменном токе – от частоты колебаний. Ток, проходящий через организм, зависит от напряжения прикосновения, под которым оказался пострадавший, и суммарного электрического сопротивления, в которое входит сопротивление тела человека. Величина последнего определяется в основном сопротивлением рогового слоя кожи, составляющим при сухой коже и отсутствии повреждений сотни тысяч ом. Если эти условия состояния кожи не выполняются, то её сопротивление падает до 1 кОм. При высоком напряжении и значительном времени протекания тока через тело сопротивление кожи падает ещё больше, что приводит к более тяжёлым последствиям поражения током. Внутреннее сопротивление тела человека не превышает нескольких сотен ом и существенной роли не играет. На сопротивление организма воздействию электрического тока оказывает влияние физическое и психическое состояние человека. Нездоровье, утомление, голод, опьянение, эмоциональное возбуждение приводят к снижению сопротивления. Характер воздействия тока на человека в зависимости от силы и вида тока приведён в таблице. Таблица 15.1 Характер воздействия тока на человека
Допустимым считается ток, при котором человек может самостоятельно освободиться от электрической цепи. Его величина зависит от скорости прохождения тока через тело человека: при длительности воздействия более 10 с – 2 мА, при 10 с и менее – 6 мА. Ток, при котором пострадавший не может самостоятельно оторваться от токоведущих частей, называется неотпускающим. Переменный ток опаснее постоянного, однако при высоком напряжении (более 500 В) опаснее постоянный ток. Из возможных путей протекания тока через тело человека (голова – рука, голова – ноги, рука – рука, нога – рука, нога – нога и т. д.) наиболее опасен тот, при котором поражается головной мозг (голова – руки, голова – ноги), сердце и лёгкие (руки – ноги). Неблагоприятный микроклимат (повышенная температура, влажность) увеличивает опасность поражения током, так как влага (пот) понижает сопротивление кожных покровов. При гигиеническом нормировании ГОСТ 12.1.038 – 82* устанавливает предельно допустимые напряжения прикосновения и токи, протекающие через тело человека (рука – рука, рука – нога) при аварийном режиме работы электроустановок производственного и бытового назначения постоянного и переменного тока частотой 50 и 400 Гц. Таблица 15.2 Предельно допустимые уровни напряжения и тока
Знаки безопасности установлены ГОСТ 12.4.026 – 01*. Они могут быть запрещающими, предупреждающими, предписывающими, указательными пожарной безопасности, эвакуационными, а также медицинского и санитарного назначения, и отличаются друг от друга формой и цветом. В производственном оборудовании и в цехах применяют предупредительные знаки, представляющие собой жёлтый треугольник с чёрной полосой по периметру, внутри которого располагается какой-либо символ (чёрного цвета). При электрической опасности – это молния. Защита от опасностей автоматизированного и роботизированного производства обеспечивается, прежде всего, технологией проведения работ. Для периодической смены инструмента, регулировки и подналадки станков с ЧПУ и автоматов, их смазывания и чистки, а также для мелкого ремонта в цикле работы автоматической линии должно быть предусмотрено специальное время. Все перечисленные работы должны выполняться на обесточенном оборудовании. Требования безопасности к промышленным роботам и робототехническим комплексам установлены ГОСТ 12.2.072 – 82. Средства электробезопасности. Согласно Правил устройства электроустановок (ПУЭ), для защиты от поражения электрическим током в нормальном режиме должны быть применены по отдельности или в сочетании следующие меры защиты от прямого прикосновения (прикосновения к токоведущим частям): изоляция токоведущих частей; исключение доступа к ним с помощью ограждений и оболочек либо за счёт установки барьеров; размещение токоведущих частей вне зоны досягаемости; применение сверхнизкого (малого) напряжения (в системах освещения, в ручном электрофицированном инструменте и в некоторых других случаях). Для дополнительной защиты от прямого прикосновения в электроустановках напряжением до 1 кВ, при наличии требований ПУЭ следует применить устройства защитного отключения (УЗО) с номинальным отключающим током не более 30 мА. Для защиты от поражения электрическим током в случае повреждения изоляции должны быть применены по отдельности или в сочетании следующие меры защиты (случай косвенного прикосновения): защитное заземление; автоматическое отключение питания; уравнение потенциалов (электрическое соединение проводящих частей для достижения равенства их потенциалов); выравнивание потенциалов (снижение шагового напряжения при помощи защитных проводников, проложенных в земле, в полу или на их поверхности); двойная или усиленная изоляция; сверхнизкое (малое) напряжение; защитное электрическое разделение цепей (отделение одной цепи от другой с помощью изоляции или защитных экранов); изолирующие (непроводящие ток) помещения, зоны площадки. Согласно Правил безопасности, при эксплуатации электроустановок необходимо использование также знаков безопасности и предупредительных плакатов и надписей. Требования к устройству защитного заземления и зануления электрооборудования определены ПУЭ, в соответствии с которыми они должны устраиваться при номинальном напряжении выше 50 В переменного и выше 120 В постоянного тока – во всех электроустановках. В условиях работ в помещениях с повышенной опасностью и особо опасных они должны выполняться, как правило, в установках с напряжением питания > 25 В переменного тока и > 60 В постоянного тока. Последнее требование относится и к наружным электроустановкам. По степени опасности поражения электрическим током цех относится к помещениям особо опасным, так как имеются в наличии существующие условия: наличие токопроводящих полов; возможность одновременно прикосновение человека к имеющим соединение с землей, технологическим аппаратам, и с металлическим корпусом электрооборудования – с другой. Основным напряжением в сети является напряжение 380 В. Напряжение местного освещения 36 В. В связи с этим необходимо принятие следующих мер безопасности: требуется тщательное заземление и блокировка (во избежание перехода высокого напряжения на электроды при пробе); обеспечение высокой изоляции полюсов от земли; электрическая изоляция узлов станка; защита от перехода напряжения с токоведущих на нетоковедущие части станка; устройство изолирующих полов на рабочем месте; применение индивидуальных средств защиты; сигнализации о наличии напряжения; наличие на участке не менее двух работающих; устранение опасности поражения остаточным напряжением. По степени опасности поражения электрическим током механообрабатывающий цех относится к опасным, так как в нем имеется возможность одновременного прикосновения человека к имеющим соединение с землей, технологическим аппаратам и металлическим корпусам электрооборудования. Фактором, повышающим риск при повреждении электрическим током, служит высокое напряжение сети (380 В) переменного тока. В связи с этим необходимо принятие мер безопасности: - использование пониженного напряжения для переносных или местных осветительных приборов; - сигнализация о наличии напряжения; - разделение силовых цепей с цепями управления, которые питаются пониженным напряжением; - обеспечение изолирующих полов на рабочем месте в виде деревянных трапов на всю длину рабочей зоны; - обеспечение надежной изоляцией полюсов от земли; - применение индивидуальных средств защиты по ГОСТ 12. 4.011 – 75; - тщательное заземление и защитное отключение во избежание перехода высокого напряжения на электроды при пробое; - наличие на участке не менее двух рабочих, прошедших соответствующий инструктаж. 15.1.2 Расчёт и проектирование системы общего искусственного освещения проектируемого механического цеха Наиболее распространёнными источниками света являются лампы накаливания, люминесцентные лампы и дуговые ртутные лампы. Предпочтение отдают люминесцентным лампам из-за их световой отдачи, срока службы и т.д. В качестве светильника для люминесцентных ламп выберем открытые двухламповые светильники ОД или ОДОР – для помещений с хорошим отражением, уменьшенной влажности и запылённости. Люминесцентные лампы располагаем рядами с разрывами 25-50 см, параллельно стенам и окнам. Расстояние L между лампами определяем из соотношения
где λ – оптимальное отношение расстояния, λ = λЭ + λС ; λС – наивыгоднейшее соотношение с точки зрения светотехники; λЭ – с точки зрения экономичности. По [20], стр. 13, табл. 3.1 λС = 1,5 λЭ = 0. h – высота подвеса светильника, м. По [20], стр. 13, табл. 3.1 h = 4м. α = h∙λ = 4 ∙ 1,5 = 6м. Расстояние от стен помещения до крайних светильников принимаем L/3, т.е. 2м. Тогда схема расположения люминесцентных ламп будет иметь вид: 30м
35м Длина люминесцентных ламп l = 1350 мм. Исходя из вышесказанного, определяем количество светильников. Получим 8 рядов по 26 светильников, т.е. их число N = 8∙26 = 208 штук. Расчёт осветительной установки произведём с использованием метода коэффициента светового потока. Световой поток двух люминесцентных ламп определяется по формуле
где ЕН – нормируемая освещённость, лк; S – площадь помещения, м2 ; К – коэффициент запаса; z – коэффициент неравномерности освещения; n – число светильников; η – коэффициент использования светового потока ламп. ЕН определяем из [20], стр. 14, табл. 3.2. ЕН = 150 лк. Здесь же находим К = 1,3. Площадь помещения S = 35 ∙ 30 = 1050 м2 z = 1,1 – 1,15 ([20], стр. 16). η определяем по [20], стр. 17, табл. 3.3 в зависимости от индекса помещения i
где А, В – соответственно длина и ширина помещения, м
Определяем η = 0,69 Определяем световой поток
Световой поток одной лампы F1 = F/2 = 3622/2 = 1811 лм По [20], стр. 18, табл. 3.4 выбираем лампу таким образом, чтобы отклонение светового потока было в пределах от -10% до +20%. Выбираем ЛД 30. Её световой поток 1640 лм, мощность 30 Вт. Отклонение светового потока
Фактическая минимальная освещённость
где Fфакт. – световой поток выбранной лампы; Fрасч. – световой поток по расчёту.
Мощность всей осветительной установки Р∑ = Рл ∙ n, где Рл – мощность выбранной лампы, Рл = 30 Вт n – число ламп. Р∑ = 30∙2∙208 = 12480 Вт. 15.2 Экономические показатели проекта 15.2.1 Расчет технико-экономических показателей цеха В данном разделе должны быть решены две задачи: 1) определение структуры цеха (состав, численность оборудования и персонала, производственные площади и пр.); 2) расчет и анализ себестоимости продукции. 15.2.1.1 Расчет производственной программы Расчет показателей цеха выполняют с использованием разработанного технологического процесса детали, т.е. представителя, на основе которого проектируют цех. Таким образом, производственная программа является условной. Предварительно рассчитывают трудоемкость изготовления детали-представителя по отдельным операциям и разрядам работ (таблица 16.1). Таблица 15.1 – Трудоемкость изготовления детали
Суммарная трудоемкость изготовления одной детали-представителя по n операциям процесса:
где
Условная годовая производственная программа
где
15.2.1.2 Затраты на материал Величина условной годовой программы позволяет рассчитать затраты на материалы за вычетом стоимости отходов
где
15.2.2 Технологическое оборудование 15.2.2.1 Расчет количества технологического оборудования Расчет выполняют по отдельным операциям техпроцесса. При совпадении моделей станков на операциях учитывают суммарные затраты времени для таких операций.
где
где
Таблица 15.2 – Необходимое количество оборудования
Анализ установленных сроков полезного использования позволяет для большинства металлорежущих станков принять годовую норму амортизации – 10 %.
где 15.2.2.2 Вспомогательное оборудование Количество вспомогательного оборудования для заточки инструмента, ремонта принимают в соотношении 5 – 10 % от числа основного технологического оборудования.
Стоимость единицы вспомогательного оборудования принимаем как 30 % от средней стоимости основного оборудования. 15.2.3 Персонал цеха Персонал цеха, как и предприятия в целом, представлен следующими категориями: рабочие (основные и вспомогательные), руководители, специалисты, служащие. 15.2.3.1 Состав и численность персоналаНормы времени или выработки позволяют наиболее объективно определить число занятых для нормированной деятельности. Именно так определяют количество требуемых основных рабочих:
где
где
15.2.3.2 Основные рабочие Используя выражение 15.7 определяем необходимое число основных рабочих по профессиям и разрядам (Ро ij ) и результаты заносим в таблицу 15.3. 15.2.3.3 Вспомогательные рабочие Определяем состав и число вспомогательных рабочих по профессиям и разрядам - Рв ij и результаты заносим в таблицу 15.4. Число участков:
где
15.2.3.4 Оплата труда персонала Сегодняшнее законодательство расширяет права предприятий по выбору форм, систем и размера оплаты труда. Регламентируется одно условие – минимальная тарифная зарплата или оклад не должен быть меньше установленного государством минимального размера оплаты труда (МРОТ = 1100 р/мес. в 2007 г.). Ряд законодательных ограничений приведены в Трудовом кодексе РФ по доплатам за условия труда (сверхурочные, оплата в выходные и праздничные дни и пр.) 15.2.3.5 Оплата труда основных и вспомогательных рабочих Для основных рабочих при сдельно-премиальной форме оплаты труда базой заработной платы является тарифная часть
где
Тарифные ставки по разрядам основных рабочих (1..6) ТСj :
Полученные данные заносим в таблицу 15.4. Тарифные ставки по разрядам вспомогательных рабочих (1..6) ТСj :
где
Тарифная часть по разрядам:
Полученные данные заносим в таблицу 15.5. Основной фонд оплаты труда
Доплаты учитывают расходы на сверхурочные работы, работы в выходные дни, за совмещение и т. д. Рекомендуемая часть доплат и премий составляет 0,5 от
На практике сейчас эта часть нередко равна или превышает 100 % от
Для основных рабочих
Для вспомогательных рабочих
Фонд оплаты труда
Для основных рабочих
Для вспомогательных рабочих
Для основных рабочих
Для вспомогательных рабочих
Полученные данные заносим в таблицы 15.4 и 15.5. Таблица 15.4 – Основные рабочие
Таблица 15.5 – Вспомогательные рабочие
Таблица 15.6 – Руководители, специалисты и служащие цеха
5.2.3.6 Оплата труда руководителей, специалистов, служащих Доплаты и премии для руководителей и специалистов сегодня существенно зависят от эффективности хозяйственной деятельности подразделения и предприятия в целом. По величине могут составлять от 50 процентов до 150 процентов от окладной части. Тогда фонд оплаты труда для аппарата цеха
где
15.2.3.7 Отчисления на социальные нуждыОтчисления и социальные нужды составляют 26 % от фонда оплаты труда с учетом доплат, премий и дополнительной зарплаты. В расчетах себестоимости выделяются отдельной строкой.
Для основных рабочих
Для вспомогательных рабочих
Для руководителей и специалистов
15.2.4 Основные фонды цеха и их содержание К основным фондам цеха относятся средства труда, которые непосредственно участвуют в производственном процессе (машины, оборудование) и создают условия его нормального осуществления (здания, сооружения). 15.2.4.1 Стоимость электроэнергии технологической
где
15.2.4.2 Стоимость вспомогательных материалов Стоимость вспомогательных материалов включает затраты на смазочные, обтирочные материалы и, если не делаются специальные расчеты, на воду, сжатый воздух. Укрупненно можно принять 3000 руб/год на единицу оборудования.
15.2.4.3 Технологическая оснастка Технологическая оснастка это затраты на приспособления, режущий, вспомогательный и измерительный инструменты существенно изменяются в зависимости от типа производства, сложности и ответственности продукции, применяемого оборудования. Эти расходы (приобретение, проектирование, изготовление, амортизация, ремонт) можно принять укрупненно:
15.2.4.4 Затраты на ремонт оборудования
15.2.4.5 Затраты на транспортные средства Затраты на транспортные средства это стоимость кран-балок, автокар, конвейеров, которая составляет:
Затраты на их ремонт:
Затраты на амортизацию:
15.2.4.6 Затраты на амортизацию, ремонт и содержание зданий 15.2.4.6.1 Размер и стоимость зданий Размер цеха в основном зависит от средней площади, занимаемой одним станком Тогда производственная площадь
Рекомендуемая величина Общая площадь зданий S определяют по формуле:
Стоимость здания определяют по формуле
где
15.2.4.6.2 Затраты на освещение Определяются из норматива 15 Вт/м2
где
15.2.4.6.3 Расходы на отопление, воду для бытовых нужд
где
При высоте здания 8 м
Расходы на воду для бытовых нужд определяют исходя из потребления 30 литров в сутки на одного работника цеха и 250 рабочих дней в году.
где
15.2.4.6.4 Затраты на амортизацию, содержание и ремонт помещений Амортизационные отчисления
Затраты на содержание и ремонт
15.2.5 Расчет себестоимости продукции Для расчета себестоимости на предприятии регламентирующим документом является «Положение о составе затрат по производству и реализации продукции, включаемых в себестоимость продукции, учитываемых при налогообложении прибыли» (1992 г. и последующие дополнения). По калькуляционным статьям затрат Министерство экономики РФ рекомендует типовую форму (табл. 15.6), которая модифицирована для расчета цеховой себестоимости. Затраты на единицу продукции определяют делением годовых затрат на условную годовую программу Таблица 15.6 – Затраты на единицу продукции
где
15.2.6 Технико-экономический анализ Удельный вес технологического процесса
где
Критическая безубыточность программы
где
где
Себестоимость единицы продукции:
где
Уровень оптовой цены:
где
15.3 Технологические процессы механической обработки 15.3.1 Технико-экономическое обоснование разработанного процесса механической обработки
Сравнение базового и разработанного технологического процесса в основном выполняется путём анализа технологической себестоимости. Технологическая себестоимость может включать все элементы затрат, касающиеся реализации техпроцесса, если они подвергаются изменениям. Поэтому при рассмотрении технологической себестоимости необходимо анализировать все возможные, как положительные, так и отрицательные эффекты, но учитываются при сравнении только существенно изменяющиеся элементы затрат. 15.3.2 Сравнение технологических процессов Исходные данные: · годовой объем производства детали-представителя –
· средняя заработная плата с доплатами и премиями – · коэффициент многостаночного обслуживания для станков с ЧПУ – · отчисления на социальные нужды – 26% от основной зарплаты · затраты на амортизацию и ремонт технологического оборудования в течение года составят 10% от цены оборудования; · действительный фонд времени оборудования при двухсменной работе · стоимость электроэнергии Сравним базовый и новый техпроцесс при изменении: 1. коэффициента использования материала (КИМ); 2. капитальных затрат на оборудование, т. суммарной стоимости технологического оборудования 3. суммарного штучно-калькуляционного времени Указанные факторы окажут наибольшее влияние на материальные затраты
С учётом годового выпуска
где 15.3.3 Затраты на материал Величина годовой программы позволяет рассчитать затраты на материалы за вычетом стоимости отходов. Цена отходов обычно составляет
Исходные данные.
Данные таблицы говорят о значительных положительных изменениях в технологическом процессе: - уменьшилось количество операций; - сократилось количество применяемого оборудования и его суммарная стоимость; - уменьшились затраты времени по технологическому процессу. 15.3.4 Затраты на оплату труда и отчисления Разработка тарифной сетки. Пусть месячная зарплата с учётом доплат и премий составляет для 1 разряда 10000 р/мес, тогда
Часовая тарифная ставка 1 разряда:
Используем линейный рост тарифных ставок от 1 к 6 разряду с общим коэффициентом 2,5. Тогда
Определим средний разряд работ
Тарифные ставки для данных разрядов:
Тогда фонд основной заработной платы:
С учётом 10% отчислений на дополнительную заработную плату фонд оплаты труда:
Отчисления на социальные нужды – 26%
Суммарные затраты на оплату и отчисления:
Эффективность по оплате труда:
15.3.5 Затраты на оборудование и оснастку Данные затраты наряду с материальными имеют значительный вес в технологической себестоимости. Это определяется высокими ценами на оборудование и зависимостью ряда расходов от капитальных вложений в оборудование:
где
Амортизационные отчисления:
Затраты на ремонт и обслуживание:
Расчёт аналогичен амортизационным отчислениям:
Затраты на оснастку
Расчёты по трём основным составляющим позволяют оценить экономический эффект для разработанного техпроцесса:
Необходимо отметить, что оборудование занято новым техпроцессом всего лишь малую часть эффективного фонда времени, поэтому условная ожидаемая эффективность многократно выше.
Рисунок 15.1 – Результаты расчётов 15.3.6 Обоснование разработанных приспособлений Оснащение технологического процесса станочными и контрольно-измерительными приспособлениями обеспечивает более высокое качество продукции, обычно приводит к росту производительности из-за уменьшения составляющих Изменения в трудоёмкости, как правило, незначительны при относительно высокой стоимости приспособлений. Уменьшение трудоёмкости будет сказываться на затратах по энергии, зарплате с отчислениями, амортизации и ремонте. После использования разработанного немеханизированного приспособления ценой Затраты на энергию:
где
Затраты на зарплату и отчисления:
Затраты на амортизацию и ремонт:
Экономия по данным элементам себестоимости составит:
На годовой объём выпуска эффект без учёта стоимости приспособления:
Пусть приспособление относится к классу специальных. Тогда
где
тогда
т. е. при данной программе использование специального приспособления эффективно. 16. Технико-экономические показатели проекта Показатели подразделяются на основные данные, характеризующие мощность цеха, и относительные показатели, демонстрирующие технико-экономическую эффективность принятых в проекте решений. Показатели представлены в таблице 16.1. Таблица 16.1 – Технико-экономические показатели
Сравнение технико-экономических показателей спроектированного и сравниваемого цехов дает возможность подсчитать экономическую эффективность выполненных разработок. Экономия удельной общей площади: Э = 51 - 35,88 = 15,12 м2 . Экономия площади на все оборудование: Э = 15,12∙104 = 1572,48 руб. Экономическая эффективность от рационального размещения оборудования при стоимости содержания 1 м2 площади 697,34 руб./год составила: Э = 1572,48∙697,34 = 1096553 руб./год Заключение В процессе дипломного проектирования был проведен анализ существующего технологического процесса изготовления детали «Полумуфта» и выявлены возможности для его совершенствования: 1) применение более экономичной заготовки; 2) изменение последовательности обработки поверхностей детали; 3) объединение операций. Проведено сравнение вариантов получения заготовки для данной детали и показана экономическая эффективность применения вместо поковки штампованной заготовки. Разработано приспособление для долбежной операции, позволяющее сократить время установки и закрепления детали. Для примененного приспособления проведены расчеты на точность и обеспечение требуемого усилия зажима. Также спроектировано контрольное приспособление для проверки торцового и радиального биений, выполнены все необходимые расчеты на точность. Для токарной операции, выполняемой на станке с ЧПУ, разработана карта наладки. При проведении экономических расчетов по дипломному проекту составлена калькуляция затрат на производство, определена себестоимость изготовления детали, выручка от её продажи и прибыль. На основе спроектированного технологического процесса выполнен проект планировки цеха с расстановкой оборудования и рабочих мест, определен состав и площадь вспомогательных и технических служб цеха и санитарно-бытовых помещений. В разделе «Безопасность жизнедеятельности» проведен анализ возможных чрезвычайных ситуаций в спроектированном цехе, а также разработан проект рабочего места в соответствии с требованиями ССБТ и эргономики. Список использованных источников 1. Никифоров А.В. Дипломное проектирование механического цеха: Учебное пособие. – Рыбинск: РГАТА, 2005. – 114 с. 2. Курсовое проектирование по технологии машиностроения. Издание 3-е, дополн. и переработ. Под общей редакцией канд. техн. наук, доц. А. Ф. Горбацевича. Минск, «Высшая школа», 1975. – 288 с. 3. Справочник технолога-машиностроителя в 2-х томах. Т. 2 /Под редакцией А.Г. Косиловой и Р.К. Мещерякова. – 4-е изд., перераб. и доп. – М.: Машиностроение, 1986. 496 с., ил. 4. В.Ф. Безъязычный, В.Д. Корнеев, Ю.П. Чистяков, И.Н. Аверьянов. Технология машиностроения: Учебное пособие. – Рыбинск: РГАТА, 2005. – 139 с 5. Панов А.А. Обработка металлов резанием: Справочник технолога – М.: Машиностроение, 1988 – 736 с. 6. Режимы резания металлов: Справочник / Под ред. Ю.В. Барановского. – 4-е изд., перераб. и доп.- М.: Машиностроение, 1972. – 456 с. 7. Добрыднев И.С. Курсовое проектирование по предмету «Технология машиностроения»: Учебное пособие. – М: Машиностроение,1985 г. – 184 с. 8. Общемашиностроительные нормативы времени вспомогательного, на обслуживание рабочего места и подготовительно-заключительного для технического нормирования станочных работ. Серийное производство. Изд. 2-е – М.: Машиностроение, 1974. – 412 с. 9. Горошкин А.К. Приспособления для металлорежущих станков : Справочник. – М.: Машиностроение, 1979. - 322 с. 10. Ансеров М.А. Приспособления для металлорежущих станков.: Справочник технолога. - М., Машиностроение, 1965 – 547с 11. Безопасность жизнедеятельности: Учебник для вузов/ С.В. Белов, А.В. Ильницкая, А.Ф. Козьяков и др.; Под общ. ред. С.В. Белова. 7-е изд., стер. – М.: Высш. шк., 2007. – 616 с.: ил. 12. ГОСТ 22269—76 Общие требования к размещению органов управления. Введ. 01.07.78. – 11 с. 13. ГОСТ 12.2.033-78 Рабочее место при выполнении работ стоя. Введ. 01.07.79 – 6 с. 14. Жогин А.С., Никифоров А.В., Соколова Е.Ю. Технико-экономические расчеты в дипломных проектах технологического направления: Пособие. – Рыбинск: РГАТА, 2004. – 40с. 15. Жогин А.С., Соколова Е.Ю. Технико-экономическое обоснование инженерных решений в машиностроении: Пособие. – Рыбинск: РГАТА, 2005.– 100с. 16. Гуревич Я.Л., Горохов М.В. и др. Режимы резания трудно обрабатываемых материалов: Справочник – М.: Машиностроение, 1976. – 176 с. 17. Егоров М.Е. Основы проектирования машиностроительных заводов. Изд. 6-е, переработ. и доп. Учебник для машиностроительных вузов. М., Высшая школа, 1969 – 480с, с илл. 1вкл. Размещено на |
|||||||||||||||||||||||||||||||||||||||||||||||||||||||||||||||||||||||||||||||||||||||||||||||||||||||||||||||||||||||||||||||||||||||||||||||||||||||||||||||||||||||||||||||||||||||||||||||||||||||||||||||||||||||||||||||||||||||||||||||||||||||||||||||||||||||||||||||||||||||||||||||||||||||||||||||||||||||||||||||||||||||||||||||||||||||||||||||||||||||||||||||||||||||||||||||||||||||||||||||||||||||||||||||||||||||||||||||||||||||||||||||||||||||||||||||||||||||||||||||||||||||||||||||||||||||||||||||||||||||||||||||||||||||||||||||||||||||||||||||||||||||||||||||||||||||||||||||||||||||||||||||||||||||||||||||||||||||||||||||||||||||||||||||||||||||||||||||||||||||||||||||||||||||||||||||||||||||||||||||||||||||||||||||||||||||||||||||||||||||||||||||||||||||||||||||||||||||||||||||||||||||||||||||||||||||||||||||||||||||||||||||||||||||||||||||||||||||||||||||||||||||||||||||||||||||||||||||||||||||||||||||||||||||||||||||||||||||||||||||||||||||||||||||||||||||||||||||||||||||









































































ч, (15.1)
, (шт./год) (15.2)

