Реферат: Проектирование активных RC-фильтров
|
Название: Проектирование активных RC-фильтров Раздел: Рефераты по коммуникации и связи Тип: реферат | |
Санкт-Петербургский государственный электротехнический университет Кафедра САПР Пояснительная записка Курсовая работа на тему: «Проектирование активных RC-фильтров » Преподаватель Хорьков Г. И. Студент гр. 5361 Трухин С. Н. -1997- Введение Активные RC-фильтры относятся к широко распространенному классу частотно избирательных цепей и , наряду с построенными на основе их использования генераторами синусоидальных колебаний , находят применение в системах передачи информации , автоматического управления и регулирования , технике измерения и различного рода функциональных преобразователях . Активные RC-фильтры (АФ) содержат пассивные избирательные RC-цепи и активные устройства (усилители , гираторы , конверторы отрицательного сопротивления) , при помощи которых получают требуемую добротность звеньев второго порядка . Основной задачей при проектировании АФ является получение заданной формы амплитудно-частотной характеристики . Цель курсового проекта состоит в практическом ознакомлении с основами синтеза активных RC-фильтров и генераторов синусоидальных сигналов , способами ручного и машинного анализа характеристик разработанного устройства . Проектирование активных RC-фильтров Аппроксимация Под электрическим фильтром понимается четырехполюсник , модуль передаточной функции которого остается практически постоянным в определенной области частот , называемой полосой пропускания , и достаточно резко падает с удалением от границ этой области . Границы области пропускания именуются граничными частотами . Область частот с достаточно большим подавлением амплитуды сигнала называется полосой заграждения . Между полосами пропускания и заграждения находится переходная область . Синтез частотно-избирательных цепей связан с решением двух задач : —задачи образования функции , так называемой аппроксимации функции , по исходным данным ; —задачи реализации найденной аппроксимирующей функции электрической цепью . В данной работе проектируется фильтр нижних частот (ФНЧ) и используется аппроксимация по Чебышеву . Исходными данными для проектирования фильтра на этапе аппроксимации обычно являются : в - определяет неравномерность коэффициента передачи фильтра в полосе пропускания; w1,w2 - определяют ширину промежуточной зоны между полосой задерживания и полосой пропускания ; êH(jw2) ê - модуль коэффициента передачи фильтра на границе полосы задерживания . Техническое задание к курсовому проектированию Вид аппроксимации - аппроксимация по Чебышеву Входной сигнал - в цифровой форме d<0.15 êH(jw2)ï <0.08 F1=0.50 kHz F2=0.75 kHz Uвх.макс = 2.0 В Uвых.макс = 12 В D = 65 дБ Rн = 10 кОм Rг = 2 кОм Температурный диапазон +5...+35 °C Аппроксимация по Чебышеву. При аппроксимации по Чебышеву используется следующее выражение для H(jwн) :
где Un(wн) = cos (n arcos wн) — полином Чебышева . Нахождение порядка полинома n при аппроксимации по Чебышеву производится следующим образом . На границе полосы пропускания полагаем wн1 = 1, отсюда
Т. к. H(jwн2) << 1, то
Т. о. порядок n полинома находится из следующего выражения :
Т. к. wн2 = 1.46 ( f1 = 0.5 кГц ,f2 = 0.73 кГц ) , то
Примем n = 3 Полюса передаточной функции H(pн) при аппроксимации по Чебышеву имеют вид
p1,2 = -0.235±j0.937 p3 = -0.470 Расположение корней на элипсе
Данные значения получены для pн
Аппроксимирующая функция имеет вид
Расчет АЧХ и ФЧХ
Графики амплитудно- и фазо- частотных характеристик передаточных функций первого и второго звеньев . АЧХ первого звена
ФЧХ первого звена
АЧХ второго звена
ФЧХ второго звена
АЧХ двух звеньев в целом
ФЧХ двух звеньев в целом
Расчет схемы в системе Pspice . Графики АЧХ и ФЧХ для 1го звена
Графики АЧХ и ФЧХ для 2го звена .
Графики АЧХ , ФЧХ и статическая характеристика для системы в целом .
Расчет чувствительности схемы на наихудший случай . Расчет чувствительности схемы при максимальном разбросе значений резисторов : Амплитудно - частотная характеристика
Фазо - частотная характеристика
Расчет чувствительности схемы при максимальном разбросе значений конденсаторов : Амплитудно - частотная характеристика
Фазо - частотная характеристика
Расчет чувствительности схемы при максимальном разбросе значений резисторов и конденсаторов . Амплитудно - частотная характеристика
Фазо - частотная характеристика
Расчет динамического диапазона схемы Выражение для расчета динамического диапазона : D= 20 * log (Uвых.макс / Uвых.0) Uвых.макс = 12 В Uвых0 возьмем из графика статической характеристики .
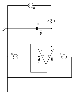
Uвых0 = 8*(10^-6) Полученное значение динамического диапазона : D=123 На вход схемы ставится Цифро-аналоговый преобразователь (двенадцатиразрядный ЦАП К572ПА2А ), так как в техническом задании указано условие цифровой формы входного сигнала . Для согласования напряжения на выходе ЦАП и входе фильтра на выход ЦАП ставится ОУ с резистором в цепи обратной связи . R=Uвх.фильтра / I вых.цап = 1/(0.0008)=1.25 Ком
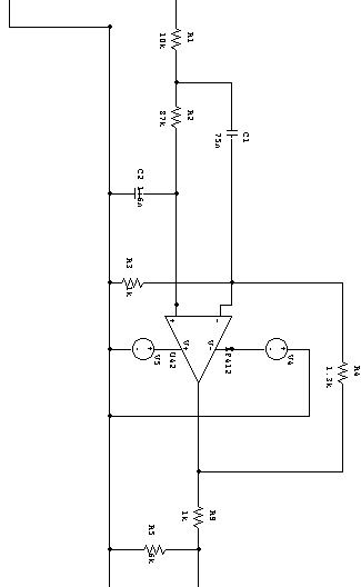
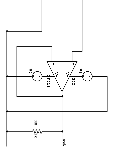
Схема фильтра
Выходной файл данных Pspice **** 12/14/97 08:52:23 ********* PSpice 5.1 (Jan 1992) ******** ID# 62539 **** * C:\PS-PICE\kurs_pro.sch **** CIRCUIT DESCRIPTION ****************************************************************************** * Schematics Version 5.1 - January 1992 * Sun Dec 14 06:00:06 1997 * From [SCHEMATICS NETLIST] section of msim.ini: .lib .INC "C:\PS-PICE\kurs_pro.net" **** INCLUDING C:\PS-PICE\kurs_pro.net **** * Schematics Netlist * R_R1 $N_0003 $N_0002 r 10k R_R2 $N_0002 $N_0004 r 87k R_R3 0 $N_0005 r 1k C_C1 $N_0002 $N_0005 c 75n C_C2 0 $N_0004 c 1.6n R_R4 $N_0005 $N_0007 r 1.3k R_R5 0 $N_0008 r 6k v_V4 0 $N_0009 dc 15 v_V5 $N_0010 0 dc 15 v_V1 $N_0011 0 dc 1 ac 1 v_V2 $N_0012 0 dc 15 v_V3 0 $N_0013 dc 15 C_C3 0 $N_0014 c 100n R_R6 $N_0011 $N_0014 r 7k X_U29 $N_0014 $N_0003 $N_0012 $N_0013 $N_0003 LF411 X_U42 $N_0004 $N_0005 $N_0010 $N_0009 $N_0007 LF412 X_U43 $N_0008 out $N_0017 $N_0018 out LF411 v_V7 0 $N_0018 dc 15 v_V8 $N_0017 0 dc 15 R_R8 0 out r 1k R_R9 $N_0007 $N_0008 r 1k .model r res(r=1 dev=5%) .model c cap(c=1 dev=10%) .wcase ac V([out]) Ymax **** RESUMING kurs_pro.cir **** .INC "C:\PS-PICE\kurs_pro.als" **** INCLUDING C:\PS-PICE\kurs_pro.als **** * Schematics Aliases * .ALIASES R_R1 R1(1=$N_0003 2=$N_0002 ) R_R2 R2(1=$N_0002 2=$N_0004 ) R_R3 R3(1=0 2=$N_0005 ) C_C1 C1(1=$N_0002 2=$N_0005 ) C_C2 C2(1=0 2=$N_0004 ) R_R4 R4(1=$N_0005 2=$N_0007 ) R_R5 R5(1=0 2=$N_0008 ) v_V4 V4(+=0 -=$N_0009 ) v_V5 V5(+=$N_0010 -=0 ) v_V1 V1(+=$N_0011 -=0 ) v_V2 V2(+=$N_0012 -=0 ) v_V3 V3(+=0 -=$N_0013 ) C_C3 C3(1=0 2=$N_0014 ) R_R6 R6(1=$N_0011 2=$N_0014 ) X_U29 U29(+=$N_0014 -=$N_0003 V+=$N_0012 V-=$N_0013 5=$N_0003 ) X_U42 U42(+=$N_0004 -=$N_0005 V+=$N_0010 V-=$N_0009 5=$N_0007 ) X_U43 U43(+=$N_0008 -=out V+=$N_0017 V-=$N_0018 5=out ) v_V7 V7(+=0 -=$N_0018 ) v_V8 V8(+=$N_0017 -=0 ) R_R8 R8(1=0 2=out ) R_R9 R9(1=$N_0007 2=$N_0008 ) _ _(out=out) .ENDALIASES **** RESUMING kurs_pro.cir **** ** Analysis setup ** .ac LIN 1000 1 1K .DC LIN v_V1 -10v 10v 1v .END **** 12/14/97 08:52:23 ********* PSpice 5.1 (Jan 1992) ******** ID# 62539 **** * C:\PS-PICE\kurs_pro.sch **** Diode MODEL PARAMETERS ****************************************************************************** X_U29.dx X_U43.dx IS 800.000000E-18 800.000000E-18 RS 1 1 X_U42.x_lf412.dx IS 800.000000E-18 RS 1 **** 12/14/97 08:52:23 ********* PSpice 5.1 (Jan 1992) ******** ID# 62539 **** * C:\PS-PICE\kurs_pro.sch **** Junction FET MODEL PARAMETERS ****************************************************************************** X_U29.jx X_U43.jx NJF NJF VTO -1 -1 BETA 743.300000E-06 743.300000E-06 IS 12.500000E-12 12.500000E-12 X_U42.x_lf412.jx NJF VTO -1 BETA 743.300000E-06 IS 12.500000E-12 **** 12/14/97 08:52:23 ********* PSpice 5.1 (Jan 1992) ******** ID# 62539 **** * C:\PS-PICE\kurs_pro.sch **** Resistor MODEL PARAMETERS ****************************************************************************** r R 1 **** 12/14/97 08:52:23 ********* PSpice 5.1 (Jan 1992) ******** ID# 62539 **** * C:\PS-PICE\kurs_pro.sch **** Capacitor MODEL PARAMETERS ****************************************************************************** c C 1 **** 12/14/97 08:52:23 ********* PSpice 5.1 (Jan 1992) ******** ID# 62539 **** * C:\PS-PICE\kurs_pro.sch **** SMALL SIGNAL BIAS SOLUTION TEMPERATURE = 27.000 DEG C SENSITIVITY NOMINAL ****************************************************************************** NODE VOLTAGE NODE VOLTAGE NODE VOLTAGE NODE VOLTAGE ( out) 1.9714 ($N_0002) 1.0000 ($N_0003) 1.0000 ($N_0004) 1.0000 ($N_0005) 1.0000 ($N_0007) 2.3000 ($N_0008) 1.9714 ($N_0009) -15.0000 ($N_0010) 15.0000 ($N_0011) 1.0000 ($N_0012) 15.0000 ($N_0013) -15.0000 ($N_0014) 1.0000 ($N_0017) 15.0000 ($N_0018) -15.0000 (X_U29.6)-125.9E-06 (X_U29.7) 1.0000 (X_U29.8) 1.0000 (X_U29.9) 0.0000 (X_U43.6)-267.1E-06 (X_U43.7) 2.0699 (X_U43.8) 2.0699 (X_U43.9) 0.0000 (X_U29.10) 1.6604 (X_U29.11) 14.6590 (X_U29.12) 14.6590 (X_U29.53) 13.5000 (X_U29.54) -13.5000 (X_U29.90)-76.64E-09 (X_U29.91) 25.0000 (X_U29.92) -25.0000 (X_U29.99) 0.0000 (X_U43.10) 2.6310 (X_U43.11) 14.6570 (X_U43.12) 14.6570 (X_U43.53) 13.5000 (X_U43.54) -13.5000 (X_U43.90) 1.9714 (X_U43.91) 25.0000 (X_U43.92) -25.0000 (X_U43.99) 0.0000 (X_U42.x_lf412.6)-302.2E-06 (X_U42.x_lf412.7) 2.3664 (X_U42.x_lf412.8) 2.3664 (X_U42.x_lf412.9) 0.0000 (X_U42.x_lf412.10) 1.6604 (X_U42.x_lf412.11) 14.6590 (X_U42.x_lf412.12) 14.6590 (X_U42.x_lf412.53) 13.5000 (X_U42.x_lf412.54) -13.5000 (X_U42.x_lf412.90) 1.3285 (X_U42.x_lf412.91) 25.0000 (X_U42.x_lf412.92) -25.0000 (X_U42.x_lf412.99) 0.0000 VOLTAGE SOURCE CURRENTS NAME CURRENT v_V4 -2.170E-03 v_V5 -2.171E-03 v_V1 3.932E-11 v_V2 -2.171E-03 v_V3 -2.170E-03 v_V7 -2.170E-03 v_V8 -2.172E-03 X_U29.vb -1.259E-09 X_U29.vc 1.250E-11 X_U29.ve 1.450E-11 X_U29.vlim -7.664E-11 X_U29.vlp -2.500E-11 X_U29.vln -2.500E-11 X_U43.vb -2.671E-09 X_U43.vc 1.153E-11 X_U43.ve 1.547E-11 X_U43.vlim 1.971E-03 X_U43.vlp -2.303E-11 X_U43.vln -2.697E-11 X_U42.x_lf412.vb -3.022E-09 X_U42.x_lf412.vc 1.120E-11 X_U42.x_lf412.ve 1.580E-11 X_U42.x_lf412.vlim 1.329E-03 X_U42.x_lf412.vlp -2.367E-11 X_U42.x_lf412.vln -2.633E-11 TOTAL POWER DISSIPATION 1.95E-01 WATTS NODE VOLTAGE NODE VOLTAGE NODE VOLTAGE NODE VOLTAGE ( out) 1.9714 ($N_0002) 1.0000 ($N_0003) 1.0000 ($N_0004) 1.0000 ($N_0005) 1.0000 ($N_0007) 2.3000 ($N_0008) 1.9714 ($N_0009) -15.0000 ($N_0010) 15.0000 ($N_0011) 1.0000 ($N_0012) 15.0000 ($N_0013) -15.0000 ($N_0014) 1.0000 ($N_0017) 15.0000 ($N_0018) -15.0000 (X_U29.6)-125.9E-06 (X_U29.7) 1.0000 (X_U29.8) 1.0000 (X_U29.9) 0.0000 (X_U43.6)-267.1E-06 (X_U43.7) 2.0699 (X_U43.8) 2.0699 (X_U43.9) 0.0000 (X_U29.10) 1.6604 (X_U29.11) 14.6590 (X_U29.12) 14.6590 (X_U29.53) 13.5000 (X_U29.54) -13.5000 (X_U29.90)-76.64E-09 (X_U29.91) 25.0000 (X_U29.92) -25.0000 (X_U29.99) 0.0000 (X_U43.10) 2.6310 (X_U43.11) 14.6570 (X_U43.12) 14.6570 (X_U43.53) 13.5000 (X_U43.54) -13.5000 (X_U43.90) 1.9714 (X_U43.91) 25.0000 (X_U43.92) -25.0000 (X_U43.99) 0.0000 (X_U42.x_lf412.6)-302.2E-06 (X_U42.x_lf412.7) 2.3664 (X_U42.x_lf412.8) 2.3664 (X_U42.x_lf412.9) 0.0000 (X_U42.x_lf412.10) 1.6604 (X_U42.x_lf412.11) 14.6590 (X_U42.x_lf412.12) 14.6590 (X_U42.x_lf412.53) 13.5000 (X_U42.x_lf412.54) -13.5000 (X_U42.x_lf412.90) 1.3285 (X_U42.x_lf412.91) 25.0000 (X_U42.x_lf412.92) -25.0000 (X_U42.x_lf412.99) 0.0000 VOLTAGE SOURCE CURRENTS NAME CURRENT v_V4 -2.170E-03 v_V5 -2.171E-03 v_V1 3.932E-11 v_V2 -2.171E-03 v_V3 -2.170E-03 v_V7 -2.170E-03 v_V8 -2.172E-03 X_U29.vb -1.259E-09 X_U29.vc 1.250E-11 X_U29.ve 1.450E-11 X_U29.vlim -7.664E-11 X_U29.vlp -2.500E-11 X_U29.vln -2.500E-11 X_U43.vb -2.671E-09 X_U43.vc 1.153E-11 X_U43.ve 1.547E-11 X_U43.vlim 1.971E-03 X_U43.vlp -2.303E-11 X_U43.vln -2.697E-11 X_U42.x_lf412.vb -3.022E-09 X_U42.x_lf412.vc 1.120E-11 X_U42.x_lf412.ve 1.580E-11 X_U42.x_lf412.vlim 1.329E-03 X_U42.x_lf412.vlp -2.367E-11 X_U42.x_lf412.vln -2.633E-11 TOTAL POWER DISSIPATION 1.95E-01 WATTS NODE VOLTAGE NODE VOLTAGE NODE VOLTAGE NODE VOLTAGE ( out) 1.9714 ($N_0002) 1.0000 ($N_0003) 1.0000 ($N_0004) 1.0000 ($N_0005) 1.0000 ($N_0007) 2.3000 ($N_0008) 1.9714 ($N_0009) -15.0000 ($N_0010) 15.0000 ($N_0011) 1.0000 ($N_0012) 15.0000 ($N_0013) -15.0000 ($N_0014) 1.0000 ($N_0017) 15.0000 ($N_0018) -15.0000 (X_U29.6)-125.9E-06 (X_U29.7) 1.0000 (X_U29.8) 1.0000 (X_U29.9) 0.0000 (X_U43.6)-267.1E-06 (X_U43.7) 2.0699 (X_U43.8) 2.0699 (X_U43.9) 0.0000 (X_U29.10) 1.6604 (X_U29.11) 14.6590 (X_U29.12) 14.6590 (X_U29.53) 13.5000 (X_U29.54) -13.5000 (X_U29.90)-76.64E-09 (X_U29.91) 25.0000 (X_U29.92) -25.0000 (X_U29.99) 0.0000 (X_U43.10) 2.6310 (X_U43.11) 14.6570 (X_U43.12) 14.6570 (X_U43.53) 13.5000 (X_U43.54) -13.5000 (X_U43.90) 1.9714 (X_U43.91) 25.0000 (X_U43.92) -25.0000 (X_U43.99) 0.0000 (X_U42.x_lf412.6)-302.2E-06 (X_U42.x_lf412.7) 2.3664 (X_U42.x_lf412.8) 2.3664 (X_U42.x_lf412.9) 0.0000 (X_U42.x_lf412.10) 1.6604 (X_U42.x_lf412.11) 14.6590 (X_U42.x_lf412.12) 14.6590 (X_U42.x_lf412.53) 13.5000 (X_U42.x_lf412.54) -13.5000 (X_U42.x_lf412.90) 1.3285 (X_U42.x_lf412.91) 25.0000 (X_U42.x_lf412.92) -25.0000 (X_U42.x_lf412.99) 0.0000 VOLTAGE SOURCE CURRENTS NAME CURRENT v_V4 -2.170E-03 v_V5 -2.171E-03 v_V1 3.932E-11 v_V2 -2.171E-03 v_V3 -2.170E-03 v_V7 -2.170E-03 v_V8 -2.172E-03 X_U29.vb -1.259E-09 X_U29.vc 1.250E-11 X_U29.ve 1.450E-11 X_U29.vlim -7.664E-11 X_U29.vlp -2.500E-11 X_U29.vln -2.500E-11 X_U43.vb -2.671E-09 X_U43.vc 1.153E-11 X_U43.ve 1.547E-11 X_U43.vlim 1.971E-03 X_U43.vlp -2.303E-11 X_U43.vln -2.697E-11 X_U42.x_lf412.vb -3.022E-09 X_U42.x_lf412.vc 1.120E-11 X_U42.x_lf412.ve 1.580E-11 X_U42.x_lf412.vlim 1.329E-03 X_U42.x_lf412.vlp -2.367E-11 X_U42.x_lf412.vln -2.633E-11 TOTAL POWER DISSIPATION 1.95E-01 WATTS NODE VOLTAGE NODE VOLTAGE NODE VOLTAGE NODE VOLTAGE ( out) 1.9714 ($N_0002) 1.0000 ($N_0003) 1.0000 ($N_0004) 1.0000 ($N_0005) 1.0000 ($N_0007) 2.3000 ($N_0008) 1.9714 ($N_0009) -15.0000 ($N_0010) 15.0000 ($N_0011) 1.0000 ($N_0012) 15.0000 ($N_0013) -15.0000 ($N_0014) 1.0000 ($N_0017) 15.0000 ($N_0018) -15.0000 (X_U29.6)-125.9E-06 (X_U29.7) 1.0000 (X_U29.8) 1.0000 (X_U29.9) 0.0000 (X_U43.6)-267.1E-06 (X_U43.7) 2.0699 (X_U43.8) 2.0699 (X_U43.9) 0.0000 (X_U29.10) 1.6604 (X_U29.11) 14.6590 (X_U29.12) 14.6590 (X_U29.53) 13.5000 (X_U29.54) -13.5000 (X_U29.90)-76.64E-09 (X_U29.91) 25.0000 (X_U29.92) -25.0000 (X_U29.99) 0.0000 (X_U43.10) 2.6310 (X_U43.11) 14.6570 (X_U43.12) 14.6570 (X_U43.53) 13.5000 (X_U43.54) -13.5000 (X_U43.90) 1.9714 (X_U43.91) 25.0000 (X_U43.92) -25.0000 (X_U43.99) 0.0000 (X_U42.x_lf412.6)-302.2E-06 (X_U42.x_lf412.7) 2.3664 (X_U42.x_lf412.8) 2.3664 (X_U42.x_lf412.9) 0.0000 (X_U42.x_lf412.10) 1.6604 (X_U42.x_lf412.11) 14.6590 (X_U42.x_lf412.12) 14.6590 (X_U42.x_lf412.53) 13.5000 (X_U42.x_lf412.54) -13.5000 (X_U42.x_lf412.90) 1.3285 (X_U42.x_lf412.91) 25.0000 (X_U42.x_lf412.92) -25.0000 (X_U42.x_lf412.99) 0.0000 VOLTAGE SOURCE CURRENTS NAME CURRENT v_V4 -2.170E-03 v_V5 -2.171E-03 v_V1 3.932E-11 v_V2 -2.171E-03 v_V3 -2.170E-03 v_V7 -2.170E-03 v_V8 -2.172E-03 X_U29.vb -1.259E-09 X_U29.vc 1.250E-11 X_U29.ve 1.450E-11 X_U29.vlim -7.664E-11 X_U29.vlp -2.500E-11 X_U29.vln -2.500E-11 X_U43.vb -2.671E-09 X_U43.vc 1.153E-11 X_U43.ve 1.547E-11 X_U43.vlim 1.971E-03 X_U43.vlp -2.303E-11 X_U43.vln -2.697E-11 X_U42.x_lf412.vb -3.022E-09 X_U42.x_lf412.vc 1.120E-11 X_U42.x_lf412.ve 1.580E-11 X_U42.x_lf412.vlim 1.329E-03 X_U42.x_lf412.vlp -2.367E-11 X_U42.x_lf412.vln -2.633E-11 TOTAL POWER DISSIPATION 1.95E-01 WATTS NODE VOLTAGE NODE VOLTAGE NODE VOLTAGE NODE VOLTAGE ( out) 1.9714 ($N_0002) 1.0000 ($N_0003) 1.0000 ($N_0004) 1.0000 ($N_0005) 1.0000 ($N_0007) 2.3000 ($N_0008) 1.9714 ($N_0009) -15.0000 ($N_0010) 15.0000 ($N_0011) 1.0000 ($N_0012) 15.0000 ($N_0013) -15.0000 ($N_0014) 1.0000 ($N_0017) 15.0000 ($N_0018) -15.0000 (X_U29.6)-125.9E-06 (X_U29.7) 1.0000 (X_U29.8) 1.0000 (X_U29.9) 0.0000 (X_U43.6)-267.1E-06 (X_U43.7) 2.0699 (X_U43.8) 2.0699 (X_U43.9) 0.0000 (X_U29.10) 1.6604 (X_U29.11) 14.6590 (X_U29.12) 14.6590 (X_U29.53) 13.5000 (X_U29.54) -13.5000 (X_U29.90)-76.64E-09 (X_U29.91) 25.0000 (X_U29.92) -25.0000 (X_U29.99) 0.0000 (X_U43.10) 2.6310 (X_U43.11) 14.6570 (X_U43.12) 14.6570 (X_U43.53) 13.5000 (X_U43.54) -13.5000 (X_U43.90) 1.9714 (X_U43.91) 25.0000 (X_U43.92) -25.0000 (X_U43.99) 0.0000 (X_U42.x_lf412.6)-302.2E-06 (X_U42.x_lf412.7) 2.3664 (X_U42.x_lf412.8) 2.3664 (X_U42.x_lf412.9) 0.0000 (X_U42.x_lf412.10) 1.6604 (X_U42.x_lf412.11) 14.6590 (X_U42.x_lf412.12) 14.6590 (X_U42.x_lf412.53) 13.5000 (X_U42.x_lf412.54) -13.5000 (X_U42.x_lf412.90) 1.3285 (X_U42.x_lf412.91) 25.0000 (X_U42.x_lf412.92) -25.0000 (X_U42.x_lf412.99) 0.0000 VOLTAGE SOURCE CURRENTS NAME CURRENT v_V4 -2.170E-03 v_V5 -2.171E-03 v_V1 3.932E-11 v_V2 -2.171E-03 v_V3 -2.170E-03 v_V7 -2.170E-03 v_V8 -2.172E-03 X_U29.vb -1.259E-09 X_U29.vc 1.250E-11 X_U29.ve 1.450E-11 X_U29.vlim -7.664E-11 X_U29.vlp -2.500E-11 X_U29.vln -2.500E-11 X_U43.vb -2.671E-09 X_U43.vc 1.153E-11 X_U43.ve 1.547E-11 X_U43.vlim 1.971E-03 X_U43.vlp -2.303E-11 X_U43.vln -2.697E-11 X_U42.x_lf412.vb -3.022E-09 X_U42.x_lf412.vc 1.120E-11 X_U42.x_lf412.ve 1.580E-11 X_U42.x_lf412.vlim 1.329E-03 X_U42.x_lf412.vlp -2.367E-11 X_U42.x_lf412.vln -2.633E-11 TOTAL POWER DISSIPATION 1.95E-01 WATTS NODE VOLTAGE NODE VOLTAGE NODE VOLTAGE NODE VOLTAGE ( out) 1.9714 ($N_0002) 1.0000 ($N_0003) 1.0000 ($N_0004) 1.0000 ($N_0005) 1.0000 ($N_0007) 2.3000 ($N_0008) 1.9714 ($N_0009) -15.0000 ($N_0010) 15.0000 ($N_0011) 1.0000 ($N_0012) 15.0000 ($N_0013) -15.0000 ($N_0014) 1.0000 ($N_0017) 15.0000 ($N_0018) -15.0000 (X_U29.6)-125.9E-06 (X_U29.7) 1.0000 (X_U29.8) 1.0000 (X_U29.9) 0.0000 (X_U43.6)-267.1E-06 (X_U43.7) 2.0699 (X_U43.8) 2.0699 (X_U43.9) 0.0000 (X_U29.10) 1.6604 (X_U29.11) 14.6590 (X_U29.12) 14.6590 (X_U29.53) 13.5000 (X_U29.54) -13.5000 (X_U29.90)-76.64E-09 (X_U29.91) 25.0000 (X_U29.92) -25.0000 (X_U29.99) 0.0000 (X_U43.10) 2.6310 (X_U43.11) 14.6570 (X_U43.12) 14.6570 (X_U43.53) 13.5000 (X_U43.54) -13.5000 (X_U43.90) 1.9714 (X_U43.91) 25.0000 (X_U43.92) -25.0000 (X_U43.99) 0.0000 (X_U42.x_lf412.6)-302.2E-06 (X_U42.x_lf412.7) 2.3664 (X_U42.x_lf412.8) 2.3664 (X_U42.x_lf412.9) 0.0000 (X_U42.x_lf412.10) 1.6604 (X_U42.x_lf412.11) 14.6590 (X_U42.x_lf412.12) 14.6590 (X_U42.x_lf412.53) 13.5000 (X_U42.x_lf412.54) -13.5000 (X_U42.x_lf412.90) 1.3285 (X_U42.x_lf412.91) 25.0000 (X_U42.x_lf412.92) -25.0000 (X_U42.x_lf412.99) 0.0000 VOLTAGE SOURCE CURRENTS NAME CURRENT v_V4 -2.170E-03 v_V5 -2.171E-03 v_V1 3.932E-11 v_V2 -2.171E-03 v_V3 -2.170E-03 v_V7 -2.170E-03 v_V8 -2.172E-03 X_U29.vb -1.259E-09 X_U29.vc 1.250E-11 X_U29.ve 1.450E-11 X_U29.vlim -7.664E-11 X_U29.vlp -2.500E-11 X_U29.vln -2.500E-11 X_U43.vb -2.671E-09 X_U43.vc 1.153E-11 X_U43.ve 1.547E-11 X_U43.vlim 1.971E-03 X_U43.vlp -2.303E-11 X_U43.vln -2.697E-11 X_U42.x_lf412.vb -3.022E-09 X_U42.x_lf412.vc 1.120E-11 X_U42.x_lf412.ve 1.580E-11 X_U42.x_lf412.vlim 1.329E-03 X_U42.x_lf412.vlp -2.367E-11 X_U42.x_lf412.vln -2.633E-11 TOTAL POWER DISSIPATION 1.95E-01 WATTS NODE VOLTAGE NODE VOLTAGE NODE VOLTAGE NODE VOLTAGE ( out) 1.9703 ($N_0002) 1.0000 ($N_0003) 1.0000 ($N_0004) 1.0000 ($N_0005) 1.0000 ($N_0007) 2.2987 ($N_0008) 1.9703 ($N_0009) -15.0000 ($N_0010) 15.0000 ($N_0011) 1.0000 ($N_0012) 15.0000 ($N_0013) -15.0000 ($N_0014) 1.0000 ($N_0017) 15.0000 ($N_0018) -15.0000 (X_U29.6)-125.9E-06 (X_U29.7) 1.0000 (X_U29.8) 1.0000 (X_U29.9) 0.0000 (X_U43.6)-266.9E-06 (X_U43.7) 2.0688 (X_U43.8) 2.0688 (X_U43.9) 0.0000 (X_U29.10) 1.6604 (X_U29.11) 14.6590 (X_U29.12) 14.6590 (X_U29.53) 13.5000 (X_U29.54) -13.5000 (X_U29.90)-76.64E-09 (X_U29.91) 25.0000 (X_U29.92) -25.0000 (X_U29.99) 0.0000 (X_U43.10) 2.6299 (X_U43.11) 14.6570 (X_U43.12) 14.6570 (X_U43.53) 13.5000 (X_U43.54) -13.5000 (X_U43.90) 1.9703 (X_U43.91) 25.0000 (X_U43.92) -25.0000 (X_U43.99) 0.0000 (X_U42.x_lf412.6)-302.1E-06 (X_U42.x_lf412.7) 2.3650 (X_U42.x_lf412.8) 2.3650 (X_U42.x_lf412.9) 0.0000 (X_U42.x_lf412.10) 1.6604 (X_U42.x_lf412.11) 14.6590 (X_U42.x_lf412.12) 14.6590 (X_U42.x_lf412.53) 13.5000 (X_U42.x_lf412.54) -13.5000 (X_U42.x_lf412.90) 1.3274 (X_U42.x_lf412.91) 25.0000 (X_U42.x_lf412.92) -25.0000 (X_U42.x_lf412.99) 0.0000 VOLTAGE SOURCE CURRENTS NAME CURRENT v_V4 -2.170E-03 v_V5 -2.171E-03 v_V1 3.932E-11 v_V2 -2.171E-03 v_V3 -2.170E-03 v_V7 -2.170E-03 v_V8 -2.172E-03 X_U29.vb -1.259E-09 X_U29.vc 1.250E-11 X_U29.ve 1.450E-11 X_U29.vlim -7.664E-11 X_U29.vlp -2.500E-11 X_U29.vln -2.500E-11 X_U43.vb -2.669E-09 X_U43.vc 1.153E-11 X_U43.ve 1.547E-11 X_U43.vlim 1.970E-03 X_U43.vlp -2.303E-11 X_U43.vln -2.697E-11 X_U42.x_lf412.vb -3.021E-09 X_U42.x_lf412.vc 1.120E-11 X_U42.x_lf412.ve 1.580E-11 X_U42.x_lf412.vlim 1.327E-03 X_U42.x_lf412.vlp -2.367E-11 X_U42.x_lf412.vln -2.633E-11 TOTAL POWER DISSIPATION 1.95E-01 WATTS NODE VOLTAGE NODE VOLTAGE NODE VOLTAGE NODE VOLTAGE ( out) 1.9725 ($N_0002) 1.0000 ($N_0003) 1.0000 ($N_0004) 1.0000 ($N_0005) 1.0000 ($N_0007) 2.3013 ($N_0008) 1.9725 ($N_0009) -15.0000 ($N_0010) 15.0000 ($N_0011) 1.0000 ($N_0012) 15.0000 ($N_0013) -15.0000 ($N_0014) 1.0000 ($N_0017) 15.0000 ($N_0018) -15.0000 (X_U29.6)-125.9E-06 (X_U29.7) 1.0000 (X_U29.8) 1.0000 (X_U29.9) 0.0000 (X_U43.6)-267.2E-06 (X_U43.7) 2.0711 (X_U43.8) 2.0711 (X_U43.9) 0.0000 (X_U29.10) 1.6604 (X_U29.11) 14.6590 (X_U29.12) 14.6590 (X_U29.53) 13.5000 (X_U29.54) -13.5000 (X_U29.90)-76.64E-09 (X_U29.91) 25.0000 (X_U29.92) -25.0000 (X_U29.99) 0.0000 (X_U43.10) 2.6321 (X_U43.11) 14.6570 (X_U43.12) 14.6570 (X_U43.53) 13.5000 (X_U43.54) -13.5000 (X_U43.90) 1.9725 (X_U43.91) 25.0000 (X_U43.92) -25.0000 (X_U43.99) 0.0000 (X_U42.x_lf412.6)-302.4E-06 (X_U42.x_lf412.7) 2.3677 (X_U42.x_lf412.8) 2.3677 (X_U42.x_lf412.9) 0.0000 (X_U42.x_lf412.10) 1.6604 (X_U42.x_lf412.11) 14.6590 (X_U42.x_lf412.12) 14.6590 (X_U42.x_lf412.53) 13.5000 (X_U42.x_lf412.54) -13.5000 (X_U42.x_lf412.90) 1.3287 (X_U42.x_lf412.91) 25.0000 (X_U42.x_lf412.92) -25.0000 (X_U42.x_lf412.99) 0.0000 VOLTAGE SOURCE CURRENTS NAME CURRENT v_V4 -2.170E-03 v_V5 -2.171E-03 v_V1 3.932E-11 v_V2 -2.171E-03 v_V3 -2.170E-03 v_V7 -2.170E-03 v_V8 -2.172E-03 X_U29.vb -1.259E-09 X_U29.vc 1.250E-11 X_U29.ve 1.450E-11 X_U29.vlim -7.664E-11 X_U29.vlp -2.500E-11 X_U29.vln -2.500E-11 X_U43.vb -2.672E-09 X_U43.vc 1.153E-11 X_U43.ve 1.547E-11 X_U43.vlim 1.972E-03 X_U43.vlp -2.303E-11 X_U43.vln -2.697E-11 X_U42.x_lf412.vb -3.024E-09 X_U42.x_lf412.vc 1.120E-11 X_U42.x_lf412.ve 1.580E-11 X_U42.x_lf412.vlim 1.329E-03 X_U42.x_lf412.vlp -2.367E-11 X_U42.x_lf412.vln -2.633E-11 TOTAL POWER DISSIPATION 1.95E-01 WATTS NODE VOLTAGE NODE VOLTAGE NODE VOLTAGE NODE VOLTAGE ( out) 1.9717 ($N_0002) 1.0000 ($N_0003) 1.0000 ($N_0004) 1.0000 ($N_0005) 1.0000 ($N_0007) 2.3000 ($N_0008) 1.9717 ($N_0009) -15.0000 ($N_0010) 15.0000 ($N_0011) 1.0000 ($N_0012) 15.0000 ($N_0013) -15.0000 ($N_0014) 1.0000 ($N_0017) 15.0000 ($N_0018) -15.0000 (X_U29.6)-125.9E-06 (X_U29.7) 1.0000 (X_U29.8) 1.0000 (X_U29.9) 0.0000 (X_U43.6)-267.1E-06 (X_U43.7) 2.0702 (X_U43.8) 2.0702 (X_U43.9) 0.0000 (X_U29.10) 1.6604 (X_U29.11) 14.6590 (X_U29.12) 14.6590 (X_U29.53) 13.5000 (X_U29.54) -13.5000 (X_U29.90)-76.64E-09 (X_U29.91) 25.0000 (X_U29.92) -25.0000 (X_U29.99) 0.0000 (X_U43.10) 2.6313 (X_U43.11) 14.6570 (X_U43.12) 14.6570 (X_U43.53) 13.5000 (X_U43.54) -13.5000 (X_U43.90) 1.9717 (X_U43.91) 25.0000 (X_U43.92) -25.0000 (X_U43.99) 0.0000 (X_U42.x_lf412.6)-302.2E-06 (X_U42.x_lf412.7) 2.3664 (X_U42.x_lf412.8) 2.3664 (X_U42.x_lf412.9) 0.0000 (X_U42.x_lf412.10) 1.6604 (X_U42.x_lf412.11) 14.6590 (X_U42.x_lf412.12) 14.6590 (X_U42.x_lf412.53) 13.5000 (X_U42.x_lf412.54) -13.5000 (X_U42.x_lf412.90) 1.3283 (X_U42.x_lf412.91) 25.0000 (X_U42.x_lf412.92) -25.0000 (X_U42.x_lf412.99) 0.0000 VOLTAGE SOURCE CURRENTS NAME CURRENT v_V4 -2.170E-03 v_V5 -2.171E-03 v_V1 3.932E-11 v_V2 -2.171E-03 v_V3 -2.170E-03 v_V7 -2.170E-03 v_V8 -2.172E-03 X_U29.vb -1.259E-09 X_U29.vc 1.250E-11 X_U29.ve 1.450E-11 X_U29.vlim -7.664E-11 X_U29.vlp -2.500E-11 X_U29.vln -2.500E-11 X_U43.vb -2.671E-09 X_U43.vc 1.153E-11 X_U43.ve 1.547E-11 X_U43.vlim 1.972E-03 X_U43.vlp -2.303E-11 X_U43.vln -2.697E-11 X_U42.x_lf412.vb -3.022E-09 X_U42.x_lf412.vc 1.120E-11 X_U42.x_lf412.ve 1.580E-11 X_U42.x_lf412.vlim 1.328E-03 X_U42.x_lf412.vlp -2.367E-11 X_U42.x_lf412.vln -2.633E-11 TOTAL POWER DISSIPATION 1.95E-01 WATTS NODE VOLTAGE NODE VOLTAGE NODE VOLTAGE NODE VOLTAGE ( out) 1.9714 ($N_0002) 1.0000 ($N_0003) 1.0000 ($N_0004) 1.0000 ($N_0005) 1.0000 ($N_0007) 2.3000 ($N_0008) 1.9714 ($N_0009) -15.0000 ($N_0010) 15.0000 ($N_0011) 1.0000 ($N_0012) 15.0000 ($N_0013) -15.0000 ($N_0014) 1.0000 ($N_0017) 15.0000 ($N_0018) -15.0000 (X_U29.6)-125.9E-06 (X_U29.7) 1.0000 (X_U29.8) 1.0000 (X_U29.9) 0.0000 (X_U43.6)-267.1E-06 (X_U43.7) 2.0699 (X_U43.8) 2.0699 (X_U43.9) 0.0000 (X_U29.10) 1.6604 (X_U29.11) 14.6590 (X_U29.12) 14.6590 (X_U29.53) 13.5000 (X_U29.54) -13.5000 (X_U29.90)-76.64E-09 (X_U29.91) 25.0000 (X_U29.92) -25.0000 (X_U29.99) 0.0000 (X_U43.10) 2.6310 (X_U43.11) 14.6570 (X_U43.12) 14.6570 (X_U43.53) 13.5000 (X_U43.54) -13.5000 (X_U43.90) 1.9714 (X_U43.91) 25.0000 (X_U43.92) -25.0000 (X_U43.99) 0.0000 (X_U42.x_lf412.6)-302.2E-06 (X_U42.x_lf412.7) 2.3664 (X_U42.x_lf412.8) 2.3664 (X_U42.x_lf412.9) 0.0000 (X_U42.x_lf412.10) 1.6604 (X_U42.x_lf412.11) 14.6590 (X_U42.x_lf412.12) 14.6590 (X_U42.x_lf412.53) 13.5000 (X_U42.x_lf412.54) -13.5000 (X_U42.x_lf412.90) 1.3285 (X_U42.x_lf412.91) 25.0000 (X_U42.x_lf412.92) -25.0000 (X_U42.x_lf412.99) 0.0000 VOLTAGE SOURCE CURRENTS NAME CURRENT v_V4 -2.170E-03 v_V5 -2.171E-03 v_V1 3.932E-11 v_V2 -2.171E-03 v_V3 -2.170E-03 v_V7 -2.170E-03 v_V8 -2.172E-03 X_U29.vb -1.259E-09 X_U29.vc 1.250E-11 X_U29.ve 1.450E-11 X_U29.vlim -7.664E-11 X_U29.vlp -2.500E-11 X_U29.vln -2.500E-11 X_U43.vb -2.671E-09 X_U43.vc 1.153E-11 X_U43.ve 1.547E-11 X_U43.vlim 1.971E-03 X_U43.vlp -2.303E-11 X_U43.vln -2.697E-11 X_U42.x_lf412.vb -3.022E-09 X_U42.x_lf412.vc 1.120E-11 X_U42.x_lf412.ve 1.580E-11 X_U42.x_lf412.vlim 1.329E-03 X_U42.x_lf412.vlp -2.367E-11 X_U42.x_lf412.vln -2.633E-11 TOTAL POWER DISSIPATION 1.95E-01 WATTS NODE VOLTAGE NODE VOLTAGE NODE VOLTAGE NODE VOLTAGE ( out) 1.9714 ($N_0002) 1.0000 ($N_0003) 1.0000 ($N_0004) 1.0000 ($N_0005) 1.0000 ($N_0007) 2.3000 ($N_0008) 1.9714 ($N_0009) -15.0000 ($N_0010) 15.0000 ($N_0011) 1.0000 ($N_0012) 15.0000 ($N_0013) -15.0000 ($N_0014) 1.0000 ($N_0017) 15.0000 ($N_0018) -15.0000 (X_U29.6)-125.9E-06 (X_U29.7) 1.0000 (X_U29.8) 1.0000 (X_U29.9) 0.0000 (X_U43.6)-267.0E-06 (X_U43.7) 2.0698 (X_U43.8) 2.0698 (X_U43.9) 0.0000 (X_U29.10) 1.6604 (X_U29.11) 14.6590 (X_U29.12) 14.6590 (X_U29.53) 13.5000 (X_U29.54) -13.5000 (X_U29.90)-76.64E-09 (X_U29.91) 25.0000 (X_U29.92) -25.0000 (X_U29.99) 0.0000 (X_U43.10) 2.6310 (X_U43.11) 14.6570 (X_U43.12) 14.6570 (X_U43.53) 13.5000 (X_U43.54) -13.5000 (X_U43.90) 1.9694 (X_U43.91) 25.0000 (X_U43.92) -25.0000 (X_U43.99) 0.0000 (X_U42.x_lf412.6)-302.2E-06 (X_U42.x_lf412.7) 2.3664 (X_U42.x_lf412.8) 2.3664 (X_U42.x_lf412.9) 0.0000 (X_U42.x_lf412.10) 1.6604 (X_U42.x_lf412.11) 14.6590 (X_U42.x_lf412.12) 14.6590 (X_U42.x_lf412.53) 13.5000 (X_U42.x_lf412.54) -13.5000 (X_U42.x_lf412.90) 1.3285 (X_U42.x_lf412.91) 25.0000 (X_U42.x_lf412.92) -25.0000 (X_U42.x_lf412.99) 0.0000 VOLTAGE SOURCE CURRENTS NAME CURRENT v_V4 -2.170E-03 v_V5 -2.171E-03 v_V1 3.932E-11 v_V2 -2.171E-03 v_V3 -2.170E-03 v_V7 -2.170E-03 v_V8 -2.172E-03 X_U29.vb -1.259E-09 X_U29.vc 1.250E-11 X_U29.ve 1.450E-11 X_U29.vlim -7.664E-11 X_U29.vlp -2.500E-11 X_U29.vln -2.500E-11 X_U43.vb -2.670E-09 X_U43.vc 1.153E-11 X_U43.ve 1.547E-11 X_U43.vlim 1.969E-03 X_U43.vlp -2.303E-11 X_U43.vln -2.697E-11 X_U42.x_lf412.vb -3.022E-09 X_U42.x_lf412.vc 1.120E-11 X_U42.x_lf412.ve 1.580E-11 X_U42.x_lf412.vlim 1.329E-03 X_U42.x_lf412.vlp -2.367E-11 X_U42.x_lf412.vln -2.633E-11 TOTAL POWER DISSIPATION 1.95E-01 WATTS NODE VOLTAGE NODE VOLTAGE NODE VOLTAGE NODE VOLTAGE ( out) 1.9711 ($N_0002) 1.0000 ($N_0003) 1.0000 ($N_0004) 1.0000 ($N_0005) 1.0000 ($N_0007) 2.3000 ($N_0008) 1.9711 ($N_0009) -15.0000 ($N_0010) 15.0000 ($N_0011) 1.0000 ($N_0012) 15.0000 ($N_0013) -15.0000 ($N_0014) 1.0000 ($N_0017) 15.0000 ($N_0018) -15.0000 (X_U29.6)-125.9E-06 (X_U29.7) 1.0000 (X_U29.8) 1.0000 (X_U29.9) 0.0000 (X_U43.6)-267.0E-06 (X_U43.7) 2.0696 (X_U43.8) 2.0696 (X_U43.9) 0.0000 (X_U29.10) 1.6604 (X_U29.11) 14.6590 (X_U29.12) 14.6590 (X_U29.53) 13.5000 (X_U29.54) -13.5000 (X_U29.90)-76.64E-09 (X_U29.91) 25.0000 (X_U29.92) -25.0000 (X_U29.99) 0.0000 (X_U43.10) 2.6307 (X_U43.11) 14.6570 (X_U43.12) 14.6570 (X_U43.53) 13.5000 (X_U43.54) -13.5000 (X_U43.90) 1.9711 (X_U43.91) 25.0000 (X_U43.92) -25.0000 (X_U43.99) 0.0000 (X_U42.x_lf412.6)-302.2E-06 (X_U42.x_lf412.7) 2.3664 (X_U42.x_lf412.8) 2.3664 (X_U42.x_lf412.9) 0.0000 (X_U42.x_lf412.10) 1.6604 (X_U42.x_lf412.11) 14.6590 (X_U42.x_lf412.12) 14.6590 (X_U42.x_lf412.53) 13.5000 (X_U42.x_lf412.54) -13.5000 (X_U42.x_lf412.90) 1.3285 (X_U42.x_lf412.91) 25.0000 (X_U42.x_lf412.92) -25.0000 (X_U42.x_lf412.99) 0.0000 VOLTAGE SOURCE CURRENTS NAME CURRENT v_V4 -2.170E-03 v_V5 -2.171E-03 v_V1 3.932E-11 v_V2 -2.171E-03 v_V3 -2.170E-03 v_V7 -2.170E-03 v_V8 -2.172E-03 X_U29.vb -1.259E-09 X_U29.vc 1.250E-11 X_U29.ve 1.450E-11 X_U29.vlim -7.664E-11 X_U29.vlp -2.500E-11 X_U29.vln -2.500E-11 X_U43.vb -2.670E-09 X_U43.vc 1.153E-11 X_U43.ve 1.547E-11 X_U43.vlim 1.971E-03 X_U43.vlp -2.303E-11 X_U43.vln -2.697E-11 X_U42.x_lf412.vb -3.022E-09 X_U42.x_lf412.vc 1.120E-11 X_U42.x_lf412.ve 1.580E-11 X_U42.x_lf412.vlim 1.329E-03 X_U42.x_lf412.vlp -2.367E-11 X_U42.x_lf412.vln -2.633E-11 TOTAL POWER DISSIPATION 1.95E-01 WATTS **** 12/14/97 08:52:23 ********* PSpice 5.1 (Jan 1992) ******** ID# 62539 **** * C:\PS-PICE\kurs_pro.sch **** SORTED DEVIATIONS OF V(out) TEMPERATURE = 27.000 DEG C SENSITIVITY SUMMARY ****************************************************************************** Mean Deviation = -389.2200E-06 Sigma = 1.3877E-03 RUN MAX DEVIATION FROM NOMINAL C_C2 c C 2.2769E-03 (1.64 sigma) lower at F = 536 ( 1.5366% change per 1% change in Model Parameter) R_R2 r R 2.1449E-03 (1.55 sigma) lower at F = 540 ( 1.4811% change per 1% change in Model Parameter) C_C1 c C 1.7247E-03 (1.24 sigma) higher at F = 410 ( .875 % change per 1% change in Model Parameter) C_C3 c C 1.5812E-03 (1.14 sigma) lower at F = 452 ( .7976% change per 1% change in Model Parameter) R_R6 r R 1.5812E-03 (1.14 sigma) lower at F = 452 ( .7976% change per 1% change in Model Parameter) R_R1 r R 1.5261E-03 (1.10 sigma) higher at F = 405 ( .7778% change per 1% change in Model Parameter) R_R4 r R 1.1653E-03 ( .84 sigma) higher at F = 437 ( .584 % change per 1% change in Model Parameter) R_R3 r R 1.1132E-03 ( .80 sigma) lower at F = 1 ( .5647% change per 1% change in Model Parameter) R_R9 r R 285.1500E-06 ( .21 sigma) lower at F = 435 ( .1429% change per 1% change in Model Parameter) R_R5 r R 284.9100E-06 ( .21 sigma) higher at F = 433 ( .1428% change per 1% change in Model Parameter) R_R8 r R 119.2100E-09 ( .00 sigma) higher at F = 8 ( 60.4920E-06% change per 1% change in Model Parameter) **** 12/14/97 08:52:23 ********* PSpice 5.1 (Jan 1992) ******** ID# 62539 **** * C:\PS-PICE\kurs_pro.sch **** WORST CASE ANALYSIS TEMPERATURE = 27.000 DEG C WORST CASE ALL DEVICES ****************************************************************************** **** 12/14/97 08:52:23 ********* PSpice 5.1 (Jan 1992) ******** ID# 62539 **** * C:\PS-PICE\kurs_pro.sch **** UPDATED MODEL PARAMETERS TEMPERATURE = 27.000 DEG C WORST CASE ALL DEVICES ****************************************************************************** DEVICE MODEL PARAMETER NEW VALUE C_C1 c C 1.1 (Increased) C_C2 c C .9 (Decreased) C_C3 c C .9 (Decreased) R_R1 r R 1.05 (Increased) R_R2 r R .95 (Decreased) R_R3 r R .95 (Decreased) R_R4 r R 1.05 (Increased) R_R5 r R 1.05 (Increased) R_R6 r R .95 (Decreased) R_R8 r R 1.05 (Increased) R_R9 r R .95 (Decreased) **** 12/14/97 08:52:23 ********* PSpice 5.1 (Jan 1992) ******** ID# 62539 **** * C:\PS-PICE\kurs_pro.sch **** SMALL SIGNAL BIAS SOLUTION TEMPERATURE = 27.000 DEG C WORST CASE ALL DEVICES ****************************************************************************** NODE VOLTAGE NODE VOLTAGE NODE VOLTAGE NODE VOLTAGE ( out) 2.1175 ($N_0002) 1.0000 ($N_0003) 1.0000 ($N_0004) 1.0000 ($N_0005) 1.0000 ($N_0007) 2.4368 ($N_0008) 2.1175 ($N_0009) -15.0000 ($N_0010) 15.0000 ($N_0011) 1.0000 ($N_0012) 15.0000 ($N_0013) -15.0000 ($N_0014) 1.0000 ($N_0017) 15.0000 ($N_0018) -15.0000 (X_U29.6)-125.9E-06 (X_U29.7) 1.0000 (X_U29.8) 1.0000 (X_U29.9) 0.0000 (X_U43.6)-285.9E-06 (X_U43.7) 2.2183 (X_U43.8) 2.2183 (X_U43.9) 0.0000 (X_U29.10) 1.6604 (X_U29.11) 14.6590 (X_U29.12) 14.6590 (X_U29.53) 13.5000 (X_U29.54) -13.5000 (X_U29.90)-76.64E-09 (X_U29.91) 25.0000 (X_U29.92) -25.0000 (X_U29.99) 0.0000 (X_U43.10) 2.7770 (X_U43.11) 14.6570 (X_U43.12) 14.6570 (X_U43.53) 13.5000 (X_U43.54) -13.5000 (X_U43.90) 2.0166 (X_U43.91) 25.0000 (X_U43.92) -25.0000 (X_U43.99) 0.0000 (X_U42.x_lf412.6)-320.0E-06 (X_U42.x_lf412.7) 2.5062 (X_U42.x_lf412.8) 2.5062 (X_U42.x_lf412.9) 0.0000 (X_U42.x_lf412.10) 1.6604 (X_U42.x_lf412.11) 14.6590 (X_U42.x_lf412.12) 14.6590 (X_U42.x_lf412.53) 13.5000 (X_U42.x_lf412.54) -13.5000 (X_U42.x_lf412.90) 1.3887 (X_U42.x_lf412.91) 25.0000 (X_U42.x_lf412.92) -25.0000 (X_U42.x_lf412.99) 0.0000 VOLTAGE SOURCE CURRENTS NAME CURRENT v_V4 -2.170E-03 v_V5 -2.171E-03 v_V1 3.932E-11 v_V2 -2.171E-03 v_V3 -2.170E-03 v_V7 -2.170E-03 v_V8 -2.172E-03 X_U29.vb -1.259E-09 X_U29.vc 1.250E-11 X_U29.ve 1.450E-11 X_U29.vlim -7.664E-11 X_U29.vlp -2.500E-11 X_U29.vln -2.500E-11 X_U43.vb -2.859E-09 X_U43.vc 1.138E-11 X_U43.ve 1.562E-11 X_U43.vlim 2.017E-03 X_U43.vlp -2.298E-11 X_U43.vln -2.702E-11 X_U42.x_lf412.vb -3.200E-09 X_U42.x_lf412.vc 1.106E-11 X_U42.x_lf412.ve 1.594E-11 X_U42.x_lf412.vlim 1.389E-03 X_U42.x_lf412.vlp -2.361E-11 X_U42.x_lf412.vln -2.639E-11 TOTAL POWER DISSIPATION 1.95E-01 WATTS **** 12/14/97 08:52:23 ********* PSpice 5.1 (Jan 1992) ******** ID# 62539 **** * C:\PS-PICE\kurs_pro.sch **** SORTED DEVIATIONS OF V(out) TEMPERATURE = 27.000 DEG C WORST CASE SUMMARY ****************************************************************************** RUN MAX DEVIATION FROM NOMINAL ALL DEVICES .7441 higher at F = 478 ( 139.19% of Nominal) JOB CONCLUDED TOTAL JOB TIME 171.25 Вывод. Полученная схема активного RC фильтра соответствует техническому заданию.При Rn=10 kOm и Rг=2 кОм, а также в температурном диапазоне +5..+35 °С схема сохраняет свои характеристики. Литература. 1. Л.П. Хьюлсман “Теория и расчет активных RC цепей” М.: “Связь” 1973г. 2. Конспект лекций по дисциплине “Микросхемотехника”. Содержение Введение 1 Проектирование активных RC-фильтров 2 Аппроксимация 2 Техническое задание 3 Аппроксимация передаточной функции полиномом Чебышева 3 Реализация в системе Pspice 8 Расчет чувствительности схемы на наихудший случай . 11 Расчет динамического диапазона схемы 14 Схема фильтра 15 Перечень элементов 16 Выходной файл данных Pspice 17 Вывод 45 Литература 45 |































