Курсовая работа: Система автоматики регулирования давления
|
Название: Система автоматики регулирования давления Раздел: Промышленность, производство Тип: курсовая работа | ||||||||||||||||||||||||||||||||||||||||||||||||||||||||||||||||||||||||||||||||||||||||||||||||||||||||||||||||||||||||||||||||||||||||||||||||||||||||||||||||||||||||||||||||||||||||||||||||||||||||||||||||||||||||||||||||||||||||||||||||||||||||||||||||||||||||||||||||||
Введение Совершенствование технологии и повышение производительности труда относится к важнейшим задачам технологического процесса. Эффективное решение этих задач возможно при внедрении систем автоматического управления и регулирования как отдельными объектами и процессами, так и производством в целом. Автоматизация является качественно новым этапом в совершенствовании производства. Основные обязанности человека в этом случае – наблюдение за параметрами процесса выполнения внештатных операций. Применение средств автоматизации позволяет увеличить число агрегатов и механизмов, обслуживаемых одним человеком. Основные операции, которые выполняет человек в этом процессе – включение и отключение агрегатов, а в случае возникновения внештатных ситуаций – отключение регулятора и принятия на себя функции регулирования. Для этого он пользуется средствами дистанционного управления механизированными приводами различных регулирующих органов. Применение средств технологической защиты, блокировки и автоматического включения резервных механизмов позволяет автоматизировать и сам процесс ликвидации аварийных положений. Современная автоматическая система должна выполнять две задачи: 1) обеспечить требуемой точностью изменение выходной величины системы в соответствии с поступающей извне входной величиной, играющей роль программы. При этом необходимо преодолеть инерцию объекта управления и других элементов системы, а также компенсировать искажение, возникающее вследствие неточного знания характеристик отдельных элементов и нестабильности их параметров. Иногда это называется управлением в узком смысле или слежением; 2) при заданном значении входной величины система должна, по возможности, нейтрализовать действие внешних возмущений, стремящихся отклонить выходную величину системы от предписываемого ей в данный момент значения. В этом смысле говорят о задаче регулирования или стабилизации. В данное время при развитии компьютерной промышленности существенно облегчен контроль за техническими процессами на производстве. Развитие вычислительной техники привело к созданию больших автоматических систем для управления сложными производственными процессами и целыми отраслями промышленности. 1. Технологический процесс В современной промышленности строительных материалов при производстве асбестоцементрых изделий широкое применение нашли конвейеры воздушного твердения. В конвейерах воздушного твердения асбестоцементные трубы поступают с трубоформовочной машины. Конвейер воздушного твердения асбестоцементных труб представляет собой цепной роликовый конвейер, имеющий 3 яруса, полотно которого является опорой для труб. Конвейер смонтирован в галерее, которая облицована теплоизоляционным материалом. В галерею по трубопроводу попадает насыщенный пар с парового котла по трубопроводу для увлажнения воздуха, создания среды с температурой равной плюс 300 C и с давлением равным 0,5 мПа. Процесс предварительного твердения в конвейере совмещается с операцией по поддержанию цилиндрической формы трубы. Ролики конвейера представляют собой бесконечную цепь, которая передвигается по металлическому или деревянному настилу, вдоль конвейера, вращаясь вокруг собственной оси. На ролики укладывается сформованная асбестоцементная труба с трубоформовочной машины, которая приводится или во вращение и передвигается при этом вдоль верхнего яруса конвейера. Дойдя до конца, труба по направляющему щиту укладывается на ролики второго яруса конвейера, движущиеся в противоположном направлении, он затем так же попадает на ролики третьего яруса. За время прохождения конвейера, трубы набирают прочность, достаточную для дальнейшего транспортирования. Готовые трубы подвергают различным испытанием. Основным испытанием является определение пробного гидравлического давления, при этом трубы не должны обнаруживать признаков водопроницаемости. Предел прочности при сжатии образцов, вырезанных из асбестоцементных труб высокой плотности и выдержанных более трех месяцев, равен от 300 до 700 кг/см3 , в зависимости от приложения нагрузки. Удельный вес асбестоцементных изделий составляет около 2,75 кг/м3 . Их объемный вес равен от 1600 до 2200 кг/м3 . Асбестоцементные трубы являются огнестойкими, отличаются малой тепло- и энергопроводимостью, значительной стойкостью к атмосферному давлению. 2. Выбор параметров Для повышения качества выпуска асбестовых труб необходимо поддерживать стабильные технологические параметры, с этой целью осуществляется их контроль и регулирование. Контролируемые параметры могут отклоняться от нормы, что приводит к браку изделий. Системы автоматики предназначены для поддержания определенной температуры в конвейере. За счет этого в конвейере воздушного твердения обеспечивается твердение асбестовых труб. В случае отклонения от заданной температуры может появиться брак изделий. Система автоматики регулирования давления предназначена для поддержания давления пара в системе регулирования. За счет этого в конвейере воздушного твердения обеспечивается испарение влаги из изделия. Эта система сушки исключает образование трещин на изделиях и их деформацию. Регулирующий режим сушки изменяется количеством подачи пара. В конвейере контролируются следующие параметры: – давление пара, – расход пара, – влажность воздуха, – температура пара. От влажности температуры и давления зависит качество изделий. Технологические параметры, подлежащие контролю и регулированию сведены в таблицу 1. Таблица 1
3. Выбор первичных устройств и вторичных приборов Для качественной работы конвейера твердения необходимо наиболее точно произвести контроль и регулирование технологических параметров. Для этого нужно подобрать оптимальные первичные и вторичные приборы. 3.1 Регулирование и контроль давления пара Для измерения давления пара в паровой магистрали применяют тензорезисторный преобразователь давления Метран-100, который предназначен для преобразования давления пара в унифицированный токовый сигнал. Датчик состоит из тензопреобразователя и электронного блока. Чувствительным элементом тензопреобразователя является пластина из монокристаллического сапфира с кремневыми плёночными тензопреобразователями, прочно соединенная с металлической мембраной тензопреобразователя. Электронный преобразователь датчика преобразует это изменение сопротивления в унифицированный токовый выходной сигнал. Технические характеристики преобразователя Метран-100ДИ сведены в таблицу 2. Таблица 2
Для работы в комплекте с первичным прибором используется вторичный прибор – КСУ2. КСУ2 – компенсатор самопишущий с унифицированным си-гналом, малогабаритного исполнения с ленточной диаграммой. КСУ2 предназначен для измерения и записи давления. Конструктивно прибор выполнен из отдельных модулей и блоков (модуль измерительной системы, блок питания, усилительный), соединенные между собой проводами через штепсельные разъемы. Технические параметры прибора КСУ2 сведены в таблицу 3. Таблица 3
3.2 Контроль расхода пара на вводе паровой магистрали Для измерения расхода пара используют сужающее устройство (СУ) предназначенные для создания перепада давления. Принцип де-йствия основан на изменении энергии при прохождении вещества через СУ. Пред и после СУ в трубопроводе делают отверстия и им-пульсными трубками соединяют с дифманометром который измеряет перепад давления ΔР, Па, на СУ по зависимости
где Р1 – давление до СУ, Па; Р2 -давление после СУ, Па. Технические характеристики сужающего устройства сведены в таблицу 4. Таблица 4
Импульсные трубки предназначены для перепада давления Р1 и Р2 к дифманометру. Импульсные трубки предаствляют собой бесшовные стальные трубки. Технические характеристики импульсных трубок сведены в таблицу 5 Таблица 5
Конденсационные сосуды входят в комплект дифманометра при измерении расхода пара. Импульсные трубки предназначены для поддержания постоянного уровня конденсатора пара над уровнем заполняющей дифманометр жидкости. В данном проекте используются конденсационные сосуды модель 5560, выполненные из конструкционной качественной стали – сталь 20 ГОСТ 1050–2005. Дифманометр предназначен для дистанционного перепада давления. Чувствительным элементом является мембранный блок из двух коробов, сваренных из двух мембран, профили которых совпадают. Мембранные коробки разделены подушкой, образующей две камеры – нижнею и верхнею. Внутренние полости коробов соединены между собой и заполнены дисцилированой водой. С центром верхней мембраны связан сердечник дифференциального – трансформатора. Под действием давления в верхней и нижней камерах нижняя коробка сжимается, жидкость из неё перетекает в верхнею, что приводит к пе-ремещению сердечника и изменению напряжения и фазы на выходе первичного устройства. Технические характеристики мембранного дифманометра-расходомера ДМ-3574 представлены в таблице 6.
Для работы в комплекте с первичным прибором используют вторичный прибор – КСД2. КСД2 – компенсатор самопишущий с дифференциальной – трансформаторной схемой, миниатюрного исполнения с ленточной идеограммой. КСД предназначен для измерения и записи давления. Конструктивно прибор выполнен из отдельных модулей и блоков (модуль измерительной системы, модуль расхода, блок питания, усилительный и исполнительный механизм), соединенные между собой проводами через штепсельные разъемы. Технические характеристики компенсатора КСД2 сведены в таблицу 7 Таблица 7
3.3 Контроль температуры в камере твердения и в бассейне В качестве первичного преобразователя для измерения температуры используется ТСМ – термометр сопротивления медный. Принцип действия термометра сопротивления основан на свойстве металлических проводников изменять своё электрическое сопротивление при изменении температуры. При росте температуры увеличивается сопротивление металлического проводника Rt , Ом, по следующей зависимости
где Ro – сопротивление медной проволоки при t=0˚C, Ом; α – температурный коэффициент, град-1 . Технические характеристики ТСМ сведены в таблицу 8 Таблица 8
Для работы в комплекте с первичным прибором используют вторичный прибор – КСМ2. КСМ2 – компенсатор самопишущий с мостовой схемой, миниатюрного исполнения с ленточной идеограммой. КСМ предназначен для измерения и записи давления. Конструктивно прибор выполнен из отдельных модулей и блоков (модуль измерительной системы, модуль расхода, блок питания, усилительный и исполнительный механизм), соединенные между собой проводами через штепсельные разъемы. Технические параметры компенсатора КСМ2 приведены в таблице 9. Таблица 9
3.4 Контроль влажности воздуха в камере твердения Для определения влажности воздуха в камере твердения применяют психрометры. Конструктивно он состоит из двух платиновых термометров «сухой» измеряет температуру воздуха, влажности которого определяется. Другой термометр «влажный» непрерывно увлажняется. Между этими термометрами возникает психрометрическая разность их показаний. Измерительная схема психрометра состоит из двух мостов, имеющих два общих плеча. «Сухой» ТСП в одном плече моста, «влажный» в другом. Напряжение на диагонали А – В моста, пропорционально температуре «сухого» термопреобразователя сопротивления, находиться в противофазе с напряжением, снятым с диагонали А – С моста, пропорциональное температуре «влажного» термопреобразователя сопротивления. Технические характеристики прибора ТСМ2 приведены в таблице 10 Таблица 10
Для работы в комплекте с первичным прибором используют вторичный прибор – КСМ2 технические характеристики приведены в таблице 9. 4. Свойства объекта управления Для стабилизации давления в курсовом проекте использован первичный преобразователь датчик давления Метран-100Ди, который передает сигнал на регулирующий прибор. Электрический сигнал, передаваемый на регулирующий прибор, является сигналом закона управления, который формируется регулирующим прибором. Для определения сигнала закона управления определяются динамические параметры объекта управления. Динамическими параметрами является: 1) Запаздывание, 2) постоянная времени, 3) коэффициент передачи объекта управления, Конвейер воздушного твердения является многоемкостным объектом управления. Для определения динамических параметров строится кривая разгона, изображенная на рисунке 2.
Рисунок 1-Статическая характеристика объекта
Рисунок 2 – Кривая разгона Отношение времени запаздывания к постоянной времени τ/т рассчитывается по формуле
где T– постоянная времени, с. По формуле определяется передаточный коэффициент объекта Коб
Δμ, где ΔP – разность давления, кПа; Δμ – разность положения регулирующего органа, %.
На основании расчетов применяется пропорциональный интегральный дифференциальный закон управления. Качество управления согласно выбранному закону управления зависит от настроечных параметров. По технологическим требованиям время регулирования давления Время регулирования для выбранного пропорционального интегрального дифференциального закона управления определяется по графическим зависимостям
На основании расчетов применяется пропорциональный интегральный дифференциальный закон управления. Качество управления согласно выбранному закону управления зависит от настроечных параметров. Целью настройки регулирующего прибора является обеспечение наивыгоднейшего переходного процесса, т.е. длительность переходного процесса является минимальной, а колебание отклонения давления затухают достаточно интенсивно. Настроечными параметрами пропорционально интегрального дифференциального закона управления является: – Кр - коэффициент передачи регулирующего прибора; – Т – постоянная времени интегрирования; – Тд – постоянная времени дифференцирования. Расчетное время регулирования не превышает требуемого времени 30cек, следовательно, для данного объекта управления применяется пропорционально интегрально дифференциальный закон управления, имеющий Rд = 0,56 и tp = 0,4 сек, т. к. обеспечивает оптимальное время. Коэффициент пропорциональности регулирующего прибора Кр рассчитывается по формуле:
Кр проверяется по графическим зависимостям.
где Кс – коэффициент системы.
Расчет параметров настройки по приближенным формулам и графическим зависимостям примерно одинаковы. 5. Выбор регулирующего устройства В соответствии с выбранным законом управления и на основании математических расчетов выбираем РМ Ремиконт Р-130. Ремиконт Р-130 – это компактный малоканальный микропроцессорный контроллер, предназначенный для автоматического регулирования и логического управления технологическими процессами. Регулирующая модель Р-130 позволяет вести локальное, каскадное, программное, многосвязное регулирования. Причем все эти операции и выполняются безударно. Р-130 позволяет выполнять преобразование сигналов и вырабатывать импульсные и дискретные команды управления. Регулирующая модели Р-130 содержит средства оперативного управления расположения на лицевой панели контроллера. Эти средства позволяют изменять вручную режим работы, устанавливать задание, управлять ходом программы, вручную управлять исполнительными устройствами, контролировать сигналы и индуцировать ошибки. Конроллер рассчитан на приему и выдачу аналоговых и дискретных сигналов. Формирование импульсных сигналов на выходе импульсного регулятора используется программно, и все эти сигналы поступают на исполнительный механизм через дискретные выходы контроллера. Состав ремиконта Р-130 описан ниже. В регулирующей модели Р-130 предусмотрено: 1) до четырех независимых контуров регулирования, каждый из которых может быть локальным или каскадным, с аналоговым или импульсным входом, с ручным или программным задатчиком; 2) разнообразное сочетание по заказу аналоговых и дискретных входов выходов; 3) 76 «защитных» в ПЗУ алгоритмов непрерывной и дискретной обработки информации; 4) до 99 алгометрических блоков со свободным заполнением любыми алгоритмами из библиотеки со свободным конфигурированием между собой и входами преобразования, выполнение математических функций и выработки логических регулирующих воздействий. Монтаж прибора Ремиконт-130 производится на пульт настройки. Пульт настройки это инструмент оператора наладчика. С помощью него можно программировать контроллер, выполняют настройку его параметров, а так же контролировать сигналы во внутренних точках виртуальной структуры. Система автоматического управления должна обеспечивать надежность и устойчивость. С помощью уравнения проверяется устойчивость системы управления с использованием критериев Гурвица и Михайлова. 5.1 Критерии устойчивости Гурвица Система автоматического управления описана уравнением
11p3 +55p2 -10p+35=0, Уравнение решается с помощью матрицы. а1 а3 0 а1 = 11; а2 = 55; а3 = 10 0 а2 0Δ1 = а1 = 11 > 0 0 а1 а3 Δ2 = а1 ∙ а2 – 0∙ а3 = 11*55 – 0*10=605 > 0 Δ3 = а1∙ ∙а2 ∙ а3 + 0 ∙а1 ∙0 + 0∙0 ∙а3 – 0 ∙а2 ∙0 – 0∙ а1 ∙ а1 - а3 ∙0 ∙ а3 = =11*55*10+0*11*0+0*0*10–0*55*0–0*11*11–10*0*10=6050>0 Согласно условиям критерия Гурвица система устойчива. 5.2 Критерии устойчивости Михайлова Уравнением определяется и критерии устойчивости Михайлова 11p3 +55p2 -10p+35=0 11jw3 +55p2–10p+35=0 -11jw3 -55w2 -10p+35=0 Исходное уравнение делится на два равенства действительное и мнимое. U(ω) = -55jω2 + 35 = 0 V(ω) = -11jw3 -10jw = 0 Результаты расчетов сведены в таблицу 11. Годограф изображен на рисунке 3. Таблица 11
Рисунок 3 – Годограф Так как годограф проходит через три квадранта, что соответствует степени уравнения, то система является устойчивой. 6. Выбор средств автоматизации 6.1 Автоматический выключатель Автоматический выключатель используется в качестве защиты аппаратов от коротких замыканий и перегрузок, а также для нечастых оперативных отключений электрических цепей и отдельных электроприемников при нормальных режимах работы. Выполняется в пластмассовом корпусе и в дополнительном металлическом корпусе. Имеют двух-, трехканальное исполнение, тепловыми и комбинированными расцепителями на токи от 1.5 до 50А, изготавливаются так же и с другими расцепителями и без них. Чувствительным элементом является биметаллическая пластина. Таблица 11
6.2 Ключ выбора режима В качестве ключа для выбора режима используется переключатель ПП2–10. Переключатель состоит из валика 5, на котором насажена секция для переключения цепей. Число цепей определяется числом подводимых к переключателю электрических линий. Секции разделяют перегородками 2 из пластмассы, а подними по всей длине переключателя положена рейка 6 на которой неподвижные контакты 5 проходящие через все платы. Поворотом рукоятки изменяют положение кулачковых шайб и следовательно контактов 3 и 4. подвижные контакты 4 положены по всей длине оси 3, 1. Технические характеристики ключа выбора режима ПП2–10 сведены в таблицу 12. Таблица 12
6.3 Указатель положения регулирующего органа Дистанционный указатель положения ДУП предназначен для передачи на щит оператора сведений о положение регулирующего органа в системе регулирования. Показания измерительного прибора ИП, включенного в измерительную диагональ моста соответствуют положению выходного вала исполнительного механизма в процентах от полного угла поворота вала. Дуп состоит из двухсекциооной катушки, расположенной на каркасе из изоляционного материала. Внутрь катушки входит плунжер из ферромагнитного материала. Верхняя секция катушки имеет сопротивление 21Ом, а нижняя – 22Ом. Число витков верхней и нижний секций одинаковое. При дистанционной передачи сигнала измерительной информации секции катушки включаются в мостовую измерительную схему (рисунок 6.2). Технические характеристики ДУП сведены в таблицу 13.
Рисунок 6.2 – Принципиальная электрическая схема ДУП Таблица 13
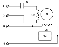
6.4 Пускатель бесконтактный реверсивный Пускатель бесконтактный реверсивный типа ПБР-2 предназначен для управления асинхронным однофазным конденсаторным электродвигателем, который используется в качестве приводов исполнительном механизме типа МЭО-25/10–0,25. Принципиальная электрическая схема пускателя ПБР-2 изображена на рисунке 6.3.
Рисунок 6.3 Принципиальная электрическая схема пускателя ПБР-2 ПБР-2 состоит из клемм, на которые поступают регулирующие сигналы, два тирристорных ключа. Обмотка электродвигателя обесточена. Выпрямители, которые предназначены для включения того или иного тирристорного ключа. Разделительные трансформаторы, на них поступает напряжение с выпрямителей. Пускатель имеет специальный выход для управления электромагнитным тормозом МЭО. Технические характеристики пускателя ПБР-2 сведены в таблицу 14. Таблица 14
6.5 Регулирующий орган В качестве регулирующего органа используется круглая поворотная заслонка. Она служит для регулирования потоков газа и пара в трубопроводах большого диаметра, когда допустимы небольшие потери давления.
Рисунок 6.4 – Регулирующий орган 6.6 Исполнительный механизм Для перемещения регулирующего органа применяется электрический однооборотный исполнительный механизм типа МЭО-25/10–0.25
Рисунок 6.5 – Схема исполнительного механизма На клеммах 1 и 2 выведены концы обмоток возбуждения, последовательно которым включен конденсатор. Обмотка управления выведена на клеммы 3 и 4, параллельно с обмоткой управления включен электромагнит тормозного механизма. При включении обмотки возбуждения ротор двигателя начинает вращаться, и через привод управляет регулирующим органом. Технические характеристики исполнительного механизма МЭО-25/10–0,25 приведены в таблице 15. Таблица 15
7. Описание принятой схемы контроля и регулирования системы 7.1 Контроль влажности воздуха в камере предварительного твердения Для определения влажности воздуха в камере твердения применяют психрометр, который состоит из двух платиновых термометров «сухой» и «влажный» (поз. 1а). «Сухой» термометр находится в измерительной среде и измеряет температуру воздуха. «Влажный» Между этими термометрами возникает психрометрическая разность их показаний. Измерительная схема психрометра состоит из двух мостов, имеющих два общих плеча (поз. 1б). «Сухой» ТСП в одном плече моста, «влажный» в другом. С мостовой схемы сигнал поступает на КСМ2 (поз. 1в). 7.2 Контроль температуры в камере предварительного твердения Для контроля температуры в этой зоне в качестве первичного преобразователя используется ТСМ – термометр сопротивления медный (поз. 2а), он преобразует тепловую энергию в электрическое сопротивление, которое подаётся на КСМ2 – компенсатор самопишущий с мостовой схемой (поз. 2б), на дисплее которого отображается значение температуры. 7.3 Контроль давления теплоносителя в паровой магистрали Для контролирования давления в паровой магистрали в качестве первичного преобразователя используем датчик давления «Метран-100ДИ» (поз. 3а), который вырабатывает токовый сигнал и посылает его на вторичный прибор КСУ2 – компенсатор самопишущий с унифицированным выходным сигналом (поз. 3б). Компенсатор показывает значение давления. 7.4 Регулирование давления в паровой магистрали Для контролирования давления в паровой магистрали качестве первичного преобразователя используем датчик давления «Метран-100ДИ» (поз. 4а), который вырабатывает токовый сигнал и посылает его на вторичный прибор КСУ2 – компенсатор самопишущий с унифицированным выходным сигналом (поз. 4б). Компенсатор показывает значение давления. Далее унифицированный сигнал поступает на регулятор «Ремиконт Р-130», который регулирует подачу пара на конвейер (поз. 4в). Выбор автоматического или дистанционного (ручного) регулирования осуществляется ключом выбора режима типа ПВ1–10 (поз. 4д). Ручное управление осуществляется тумблером типа ТВ1–2 (поз. 4 е.). В случае неравенства регулируемой температуры с заданной, в регулирующем устройстве «Р-130» формируется сигнал рассогласования по пропорциональному (П) закону управления и подается на реверсивный пускатель. Реверсивный пускатель типа ПБР-2 (поз. 4ж) включает исполнительный механизм типа МЭО-4/10–0,25 (поз. 4з) который приводит в действие регулирующий орган (заслонка) (поз. 4 и.), отвечающий за подачу пара. Положение регулирующего органа указывает дистанционный показатель положения ДУП (поз. 4г). 7.5 Контроль температуры в бассейне твердения Для контроля температуры в бассейне твердения в качестве первичного преобразователя используется ТСМ – термометр сопротивления медный (поз. 5а), он преобразует тепловую энергию в электрическое сопротивление, которое подаётся на КСМ2 – компенсатор самопишущий с мостовой схемой (поз. 5б), на дисплее которого отображается значение температуры. 7.6 Контроль расхода теплоносителя (водный пар) Для контроля расхода теплоносителя в качестве первичного преобразователя используем сужающее устройство ДК6-Ду (поз. 8а), с помощью которого образуется перепад давления. С помощью импульсных трубок перепад давления подается на дифманометр ДМ-3574 (поз. 8б), где происходит преобразование перепада давления в электрический сигнал. Сигнал поступает на вторичный прибор КСД2 – компенсатор самопишущий с дифференциально-трансформаторной схемой (поз. 8в), который регистрирует показания. 8. Техника безопасности и противопожарная техника в условиях эксплуатации системы Техника безопасности включает организационные и технические мероприятия и средства, предотвращающие воздействие на работающих вредных производственных факторов. 8.1 Электробезопасность При автоматизации конвейеров воздушного твердения возникает необходимость подключения электроустановок к электросети. Предупреждение электротравм является важной задачей охраны труда, которая на производстве реализуется в виде системы организационных и технических мероприятий, обеспечивающих защиту людей от поражения электрическим током. Опасность эксплуатации электроустановок определяется тем, что токоведущие проводники (или корпуса машин, оказавшиеся под напряжением в результате повреждения изоляции) не подают сигналов опасности, на которые реагирует человек. Реакция на электрический ток возникает после его прохождения через ткани человека. Степень поражения человека зависит от рода и величины напряжения и тока, частоты электрического тока, пути тока через человека, продолжительности действия тока, условий внешней среды. Как показывает практика, спасение человека возможно, если время, в течение которого человек находится под действием электрического тока, не превышает 4…5 минут. Причинами злектротравматизма являются: 1) появление напряжения на частях установок и машин, не находящихся под напряжением в нормальных условиях эксплуатации (корпуса, пульты и др.); 2) появление шагового напряжения на поверхности земли, в результате замыкания токоведущих проводов на землю. К прочим причинам можно отнести несогласованные и ошибочные действия персонала, оставление электроустановки под напряжением без надзора и ряд других организационных причин. На производстве разработаны следующие меры электробезопасности. Защитное заземление должно обеспечить защиту людей от поражения электрическим током при прикосновении к металлическим нетоковедущим частям оборудования, которые могут оказаться под напряжением в результате повреждения изоляции. Защитное заземление выполняют путём преднамеренного электрического соединения (металлическими проводниками) нетоковедущих частей электроустановок с «землёй» или её эквивалентом. Защитное отключение – это система быстродействующей защиты, автоматически (за 0,2 и менее) отключающая электроустановку при возникновении в ней опасности поражения человека электрическим током. Применяется в тех случаях, когда невозможно или трудно осуществить защитное заземление. Защита от замыкания между обмотками трансформатора – при автоматизации туннельных печей используются приборы, которые потребляют пониженное напряжение. Для этого применяются понижающие трансформаторы. В качестве средств защиты применяют заземление нейтрали вторичной обмотки трансформатора, которое выполняют в виде глухого присоединения к заземлению, либо нейтраль присоединяют к пробивному предохранителю. Перед проведением электроремонтных работ проводят следующие мероприятия: оформляют наряд-допуск; ремонт производят не менее чем двое рабочих; отключают электропитание; вынимают плавкие предохранители; замыкают накоротко токоведущие провода (после снятия напряжения); токоведущие (замкнутые накоротко провода или части электроустановки) заземляют. На распределительных устройствах, рубильниках вывешивают предупредительный плакат «Не включать – работают люди». 8.2 Пожарная безопасность Пожары возникают по различным причинам и в ряде случаев приносят значительный материальный ущерб, а иногда приводят к гибели людей. Конвейер воздушного твердения относится к категории Б по взрывоопасности. На предприятии должно быть организовано обучение всех рабочих и служащих правилами пожарной безопасности и действиям на случай возникновения пожара. Лица, не прошедшие инструктаж о соблюдении мер пожарной безопасности, не допускают к работе. Для конвейера воздушного твердения допускается проектировать один эвакуационный выход, если расстояние от наиболее удалённого рабочего места до этого выхода не превышает 25 м и количество работающих в смене не более 50 человек. А при возникновении пожара используются огнетушители типов: – ОУ-2 (огнетушитель углекислотный 2 литров); – ОП-5 (огнетушитель порошковый 5 литров). 9. Расчет специальных устройств автоматизации Для регулирования параметра давления в качестве РО используется круглая поворотная заслонка. Круглая поворотная заслонка устанавливается на трубопроводе диаметром равным Dy=120 мм. Заслонка выполнена из стали 20ХМ, плотность стали р=7.85 кг/дм3 . Для перемещения круглой поворотной заслонки необходимо выполнить силовой расчет с целью определения перестановочного усилия, которое должен развивать исполнительный механизм. Поворотная заслонка имеет следующие характеристики диаметр и толщину. Диаметр заслонки d, мм, рассчитывается по формуле
d=0,95*Дy , где Дy -диаметр трубопровода, мм. d=0,95*120=114 мм=11,4 см Толщина заслонки δ, мм, определяется по формуле
δ=0,02*Ду , δ=0,02*120=2,4 мм=0,24 см Площадь диска заслонки S, мм2 , определяется по формуле площади круга
S=π*R2 , где R – радиус заслонки, см2 S=3,14*602 =11304мм2 =113,04см2 Объем заслонки V, мм3 , определяется по формуле
V=11304*2,4=27129,6мм3 =27,13см3 Вес заслонки N, кг, определяется по формуле
N=V*p, N=0,27*7,85=2,12 кг, N=2,12*9,81=20,8 кгс. На основании веса круглой поворотной заслонки необходимо выбрать соответствующий исполнительный механизм. Для перемещения РО выбирается ИМ типа МЭО-25/10–0.25 – механизм электрический однооборотный, имеющий номинальный крутящий момент на выходном валу 25 кгс*м, время полного хода выходного вала 10 сек, число оборотов выходного вала 0,25. На основании расчетов проверяется условие: обеспечит ли электродвигатель выбранного ИМ необходимый вращающий момент M, Нм, который определяется по формуле
где Pдв – активная мощность электродвигателя, КВт; nдв – число оборотов электродвигателя, об/мин;
i– передаточное число редуктора.
Передаточное число i рассчитывается по формуле
где nред – число оборотов выходного вала редуктора, об/мин.
Вращающий момент ИМ должен обеспечивать запас, т. к. при работе электродвигателя возможен стопорный режим, когда нагрузка превышает номинальную в 2.5 раза.
где Mн – номинальный крутящий момент, Н*м.
M > Mc , значит выбранный исполнительный механизм МЭО-25/10–0,25 удовлетворяет требованием для перемещения круглой поворотной заслонки. 10. Охрана окружающей среды на данном предприятии Проблема защиты окружающей среды, и прежде всего воздушного бассейна, в условиях научно-технической революции приобретает всё большую остроту и актуальность. В общем балансе загрязнений атмосферного воздуха на долю предприятий промышленности асбестоцементных материалов приходится более 8% загрязнений. На этих предприятиях в больших количествах выделяется пыль при эксплуатации технологического оборудования. Многие технологические процессы сопровождаются выделением вредных газов. Существует два инженерных метода защиты окружающей среды от загрязнения: 1) создание безотходной технологии, функционирующей без выбросов вредных веществ в окружающее среду; 2) применение комплекса технических средств для локализации источников выделения вредностей и глубокой очистки отходящих газов. Однако создание безотходной технологии – задача очень сложная и полностью решена быть не может. 10.1 Технические средства для очистки воздуха Очистка запыленных выбросов в атмосферу имеет свои специфические особенности. В этом случае содержащаяся в воздухе пыль может иметь широкий диапазон размера частиц, ее концентрация может быть очень высока. Очистка его от пыли производится с помощью пылеуловителей и фильтров. Циклоны – более эффективные пылеулавливающие аппараты, основаны на отделении частиц пыли от воздуха за счёт центробежных сил. Эффективность циклонов составляет 80…90%. В рукавных фильтрах очистка воздуха от пыли производится путём его фильтрации через ткань, сшитую в виде отдельных рукавов, которые встраиваются в герметичный корпус фильтра. Очищаемый воздух отсасывается из фильтра и выбрасывается в атмосферу. Эффективность пылеулавливания довольно высока от 95 до 99%. При невысоких концентрациях пыли в очищаемых газах рукавные фильтры являются единственной ступенью очистки, а при высоких концентрациях перед ними устанавливаются циклоны. Мокрые пылеуловители – наиболее широкий класс оборудования, предназначенного для очистки воздуха. В этих аппа-ратах благодаря контакту жидкости с пылевыми частицами последние смачиваются, утяжеляются и в виде шлама выводятся из аппаратов. В производстве применяется циклон с водяной плёнкой. Частицы пыли, как и в обычном сухом циклоне, отбрасываются к стенкам аппарата под действием центробежных сил. Здесь они увлекаются водой и уносятся в бункер. Наличие водяной плёнки повышает эффективность пылеулавливания таких циклонов по сравнению с сухими циклонами и равна в среднем от 99,0 до 99,5%. Пенные пылеуловители имеют высокую эффективность пылеулавливания при очистке воздуха от смачивающейся пыли. Степень очистки воздуха составляет от 95 до 95,99%. Электрофильтры применяют для очистки вентиляционных и промышленных выбросов в атмосферу. Принцип действия основан на явлении ионизации газов в межэлектродном пространстве. Они имеют высокую эффективность до 99,9%. Электрофильтры экономичны и позволяют очищать газы при высоких температурах. Абсорбционные (адсорбционные) методы основаны на поглощении газообразных примесей различными жидкостями (твердыми поглотителями). Их эффективность от 99,5 до 99,8%. Методы высокотемпературного сжигания (от плюс 95О до плюс 11ОО°С) вредных примесей применяют в том случае, когда их концентрация в отходящих газов высока и они обладают способностью окисляться. Сжигание газообразных примесей чаще всего осуществляется в пламенных печах. Низкотемпературное каталитическое дожигание (от плюс 200 до плюс 300 °С) применяют при низких концентрациях горячих примесей. Дожигание производят в специальных установках в присутствии катализатора. При этом токсичные вещества окисляются, превращаясь в другие, безвредные вещества. Если применение комплекса технологических и санитарно – гигиенических мероприятий не удаётся снизить загрязнение отходящих газов до требуемых уровней, то такие газы приходится выбрасывать в верхние слои атмосферы с целью их максимального рассеивания и ослабления вредного воздействия на окружающую среду. Заключение Основная цель автоматизации производственных процессов – это обеспечение экономии сырьевых и топливно-энергетических ресурсов, сокращение ручных операций, улучшение труда обслужи-вающего персонала, улучшение условий при управлении агрегатами, процессами и производством в целом, т.е. повышение технико-экономических показателей технологического передела, цеха, пред-приятия. Вместе тем при создании системы автоматизации требуется производить затраты на научно-исследовательские, проектные рабо-ты, дополнительные капитальные вложения на применяемые средст-ва, на строительство помещений для размещения вычислительного центра (ВЦ), служб КИП и средств автоматизации. Эти затраты долж-ны быть соизмеримы с возможностями предприятия по эффективности их использования. Автоматизация производства – необходимая, основная часть любого технологического процесса. Назначение автоматизации состоит в обеспечении выпуска продукции высокого качества при оптимальных технико-экономических показателях работы оборудования. Основное влияние при организа-ции контроля производства, уделяется обязательному использованию контрольных данных, для оперативного управления производствен-ными процессами. В результате ввода в эксплуатацию данной системы, достигнуто следующее: сокращение ручных операций улучшает условие труда при управлении агрегатами, процессами и производством в целом, т.е. повышаются технико-экономические показатели цеха предприятия. Внедрение средств автоматизации ведёт к повышению экономического эффекта, который представляет собой совокупность всех производственных ресурсов живого материалов. Список источников 1 Горошков, Б.И. Автоматическое управление: Учебник для студ. Учреждений сред. проф. образования «Академия»/ Б.И Горошков. – М.: ИРПО: Издательский центр, 2003. – 304 с. 2 Евстафьев, К.Ю. Автоматическое регулирование: Учебник./ К.Ю. Евстафьев, И.И. Горюнов, А.А. Рульнов. – М.: ИНФРА-М, 2005.-219 с. – (Среднее профессиональное образование). 3 Келим, Ю.М. Типовые элементы систем автоматического управления: Учебное пособие для студентов учреждений среднего профессионального образования. – М: ФОРУМ: ИНФРА-М, 2002. – 384 с. 4 Клюев, А.С. Проектирование систем автоматизации технологических процессов: Справочное пособие/А.С. Клюев, Б.В. Глазов, А.Х. Дубровский, А.А. Клюев. – М: Энергоавтомиздат, 1990. – 464 с. 5 Шишмарев, В.Ю Типовые элементы систем автоматического управления: Учебник для сред. проф. Образования /В.Ю. Шишмарев. - М.: Издательский центр «Академия», 2004.-304 с. |





