| СОДЕРЖАНИЕ
1. Введение 2
2. Техническое задание и исходные данные 3
3. Обзор литературных источников 4
I Междолинный переход электронов 4
II Дипольные домены и возможные режимы работы диодов Ганна 7
IIIРежим с обогащенным слоем 10
IV Мощность и КПД диодов Ганна 12
4. Выбор структуры автогенератора и типа диода 13
5. РАСЧЁТ АВТОГЕНЕРАТОРА И РЕЗОНАНСНОЙ СИСТЕМЫ 14
I Расчёт параметров варактора 14
II Определение пределов перестройки частоты автогенератора 15
III Определение нелинейности статической модуляционной характеристики 16
IV Расчёт резонатора автогенератора 18
V Расчёт оптимального сопротивления нагрузки и КПД резонансной системы 19
6. Заключение 23
7. Список литературы 24
|
| |
|
|
|
|
|
| |
|
|
|
|
| |
|
|
|
|
| |
|
|
|
|
Разработка и расчёт автогенератора на диоде Ганна с перестройкой частоты
|
Литера
|
Масса
|
Масштаб
|
| Из
м
|
Лист
|
№ документ
а
|
Подпись
|
Дата
|
|
|
|
|
|
| Разработал
|
|
|
|
| Проверил
|
|
|
|
| Т
. Контр
|
|
|
|
Лист 1
|
Листов 24
|
| |
|
|
|
|
|
| Н. Контр
|
|
|
|
| Утвердил
|
|
|
|
| ВВЕДЕНИЕ
В цепи, с подключенным диодом Ганна, возникает переменный ток. Причем частота изменения тока равняется величине, обратной времени пролёта электронов от катода до анода. Далее в курсовой будет показано, что генерация переменного тока обусловлена эффектом междолинного перехода электронов, стимулированного сильным электрическим током. Данный эффект бил использован для построения на основе Диодов Ганна высокочастотных генераторов. Так как эти генераторы обладали хорошими шумовыми характеристиками, то это и позволило применение таких генераторов на аппаратуре с высокой чувствительностью, а также такие генераторы не требовали применения высоковольтных источников питания.
Конечно, кроме выше перечисленных преимуществ в диодов Ганна были и некоторые недостатки. Основными недостатками генераторов на основе диодов Ганна была их малая выходная мощность и КПД. Но это не повлияло на пренебрежение их, как ключевого звена современной СВЧ техники. Они превосходили иных генераторов своим гарантийным сроком службы, который может достигать сотню лет, а иногда и превышать его.
Целью данного курсового проекта является расчёт автогенератора на диоде Ганна с перестройкой частоты в диапазоне частот от 11,4 до 11,6 ГГц (сантиметровый диапазон), с мощностью не менее 5 мВт.
|
| Лист
|
| 2
|
| Изм
|
Лист
|
№ докум
|
Подпись
|
Дата
|
| ТЕХНИЧЕСКОЕ ЗАДАНИЕ
Разработать и рассчитать автогенератор на диоде Ганна с перестройкой частоты.
Исходные данные
1) Диапазон перестройки частоты от 11,4 до 11,6 ГГц
2) Выходная мощность не менее 5 мВт
|
| Лист
|
| 3
|
| Изм
|
Лист
|
№ докум
|
Подпись
|
Дата
|
| Диоды Ганна
Приборы на эффекте междолинного
перехода электронов.
В 1963 г. Ганн установил, что при наложении постоянного электрического поля, с напряжённостью выше некоторого порогового значения, на монокристаллический образец из арсенида галлия или фосфида индия его сопротивление начинает периодически изменяться с частотой, лежащей в СВЧ - диапазоне. В результате в цепи, в которую включён такой образец, возникает переменный ток СВЧ - диапазона. Причем частота изменения тока равняется величине, обратной времени пролёта электронов от катода до анода. В дальнейшем было показано, что генерация переменного тока обусловлена эффектом междолинного перехода электронов, стимулированного сильным электрическим током.
Междолинный переход электронов


Эффект междолинного перехода рассматривается на примере арсенида галлия и фосфида индия, структура энергетических зон которых представлена на рис [ 1 ]
. При малой напряжённости электрического поля в образце все электроны находятся в нижней долине зоны проводимости, расположенной в точке Г
(рис [ 1 ]
).
Здесь они обладают малой эффективной массой и высокой подвижностью. Если напряжённость поля достигнет некоторой пороговой величины (Еп
), то появятся горячие электроны, способные перейти в верхнюю долину зоны проводимости, расположенную в точке L
. Дальнейшее увеличение Е
будет сопровождаться непрерывным ростом концентрации электронов в верхней долине. При переходе в верхнюю долину эффективная масса электронов значительно возрастает, а подвижность падает.
Следовательно, скорость дрейфа электронов по мере увеличения Е
при Е>Еп
должна уменьшаться. Это приведёт к появлению на вольт - амперной характеристике образца участка с отрицательным дифференциальным сопротивлением (ОДС).
|
| Лист
|
| 4
|
| Изм
|
Лист
|
№ докум
|
Подпись
|
Дата
|
| Для получения зависимости от E
введём следующие обозначения:
m1
*
и m2
*
- эффективные массы
k1
и k2
- подвижности
n1
и n2
- концентрации электронов в нижней и верхней долинах соответственно.
Из выражения для плотности тока в образце при Еп
>Е
(1)
с учётом того, что n0
= n1
+ n2
, получим
(2)
так как k1
>> k2
. Будем считать, что электронные температуры (Те
) в обеих долинах одинаковы. Тогда, исходя из статистики Максвелла - Больцмана, можно записать следующее выражение для отношения заселённостей электронами верхней и нижней долин:
(3)
где предэкспоненциальный множитель определяет отношение плотностей состояний в долинах, а М1
и М2
- число верхних и нижних долин соответственно.
Для GaAS
M
1
=1,
M
2
=4, m1
*
=0,067
m
0
, m2
*
=0,55
m
0
и (
M
2/
M
1)(m2
*
/m1
*
)3/2
=94.
Из (2)
и (3)
имеем
(4)
Выражение для Те
получим, используя условие баланса энергии, приобретаемой электронами в электрическом поле в единицу времени и теряемой в это же время за счёт столкновений:
(5)
где
- время релакса энергии (порядка 10-12
с)
Подстановка (4)
в (5)
приводит к следующему выражению
(6)
|
| Лист
|
| 5
|
| Изм
|
Лист
|
№ докум
|
Подпись
|
Дата
|
| Отсюда можно рассчитать зависимость Те
от Е
при любой температуре.


Зависимости от Е
для GaAs
рассчитанные с помощью (4)
и (6)
приведены на рисунке [2].
Здесь же штриховой линией показана зависимость заселённости верхней долины от Е. Из результатов расчёта следует, что пороговое значение напряжённости поля увеличивается с ростом температуры (см рис [2]
). Кроме того, при достаточно высокой температуре должен исчезать участок ВАХ с ОДС, так как в этом случае показатель экспоненты в (4)
мал даже в области слабых полей, когда Те
~Т
, и поэтому экспонента меняется незначительно при увеличении Е
и Те
. Но тогда как следует из (4)
, ~ Е
, то есть выполняется закон Ома. Фактически это означает, что при высоких температурах заселённость электронами верхней долины велика даже в области слабых полей и практически не изменяется, с увеличением Е. Такая же картина будет реализовываться при малых значениях d
Е1,2
. Таким образом, участок ОДС на ВАХ полупроводника может возникнуть за счёт междолинных переходов только при достаточно низких температурах, когда большинство электронов находится в основном минимуме зоны проводимости.
Из (4)
также следует, что плотность состояний в основном минимуме зоны проводимости должна быть мала, а в побочном - велика. В противном случае член с экспонентой в (4)
будет значительно меньше единицы и не сможет эффективно влиять на величину . И наконец необходимо отметить, что d
Е1,2
должно быть меньше ширины запрещённой зоны полупроводника, чтобы величина порогового поля не оказалась сравнимой с напряжённостью поля лавинного пробоя. Требование к резкому неравенству подвижностей электронов в основной и побочной долинах является очевидным.
Значения параметров, характеризующих ВАХ образцов из арсенида галлия и фосфида индия соответственно равны:
напряжённость порогового поля - 3,2 *
103
и 10,5*
103
В/см
максимальная величина дрейфовой скорости - 2,2*
107
и 2,5*
107
см/с
максимальная величина отрицательной дифференциальной подвижности - 2400 и 2000 см2
.(В*
с).
|
| Лист
|
| 6
|
| Изм
|
Лист
|
№ докум
|
Подпись
|
Дата
|
| Дипольные домены и возможные режимы работы диодов Ганна
.
Анализ механизма возникновения периодических изменений сопротивления образца с ОДС проведём на примере однородно легированного полупроводника с омическими контактами, в котором приложенная разность потенциалов создаёт электрическое поле Е=Еп
Предположим, что в некоторый момент времени вследствие тепловой флуктуации группа электронов сместилась в сторону катода относительно неподвижно ионизованных доноров (рис [3], а
). Тогда возникшая таким образом избыточная концентрация электронов (рис [3], б
) должна изменятся во времени с известным соотношением
(7)
представляющим собой закон релаксации основных носителей заряда в полупроводнике. Если в рассматриваемом образце справедлив закон Ома, то время релаксации Максвелла . В противном случае следует заменить на дифференциальную удельную проводимость и для образца с ОДС
(8)


где µ
-
- отрицательная дифференциальная подвижность, соответствующая падающему участку ВАХ. Из (7)
и (8)
следует, что в образце с ОДС первоначальная тепловая флуктуация концентрации электрона должна не убывать с ростом t
, а увеличиваться, так как µ
-<0
.
Этот факт объясняется следующими обстоятельствами. В области возникшего дипольного объёмного заряда напряжённость электрического поля, как это следует из уравнения Пуассона, возрастает и станет больше порогового значения, а в остальной части образца Е
слегка уменьшится
|
| Лист
|
| 7
|
| Изм
|
Лист
|
№ докум
|
Подпись
|
Дата
|
| и станет меньше Еп
(рис [3], в
), так как напряжения, подаваемое на образец, поддерживается постоянным. В результате этого дрейфовая скорость электронов и плотность тока в области существования объёмного заряда уменьшается, а в остальной части образца изменятся незначительно. Это приведёт к дальнейшему увеличению концентрации электронов в левой части объёмного заряда (за счёт их подтока от катода) и концентрации некомпенсированных доноров в правой части его. Этот процесс увеличения dn
и dNd
+
прекратится и дипольный слой достигнет стабильной конфигурации, когда плотность тока внутри и вне его станет одинаковой и будет соответствовать точкам ВАХ, лежащим вне участка ОДС (рис [4], например, точки Е=Ев
и Е=Ед
). Спад силы тока в цепи при формировании диполя или домена сильного поля обусловлен резким уменьшением подвижности электронов в нём и, следовательно, увеличением сопротивления образца. Логично предположить, что наиболее стабильное состояние домена соответствует минимальной мощности, потребляемой образцом от источника питания, то есть, когда плотность тока в образце имеет наименьшее возможное значение - (см рис [4]
). Тогда максимальная напряжённость поля внутри домена сильного поля будет равняться Ед
, а вне его - Ев
(см рис [3],в и [4]
).


Ширину или толщину домена (d
дм
) можно оценить исходя из того, что падение напряжения на образце до и после образования домена одно и то же, то есть
(9)
где исходная напряжённость поля Еи
~ Еп
. Из (9)
(10)
Распределение напряжённости электрического поля в домене, как показывает решение уравнения Пуассона, зависит от концентрации электронов в данном образце. При больших n
0
максимум Е
располагается в центре домена и зависимость Е
от x
имеет симметричный вид. Если n
0
мало, то кривая принимает форму, близкую к прямоугольному треугольнику ( см рис [3], в
).
В процессе формирования и после его окончания дипольный домен дрейфует от катода к аноду. Если предположить, что домен возникает у катода за счёт имеющейся здесь неоднородности в распределении примеси (пониженное значение Nd
и повышенная напряжённость поля), то за время пролёта
|
| Лист
|
| 8
|
| Изм
|
Лист
|
№ докум
|
Подпись
|
Дата
|
| (11)
где - некоторая средняя скорость дрейфа домена, он достигнет анода и исчезнет, после чего в образце восстановится однородное распределение поля и первоначальное (до формирования домена) значение тока. Затем за счёт тепловой флуктуации у катода начнёт формироваться следующий домен и т. д. Периодически повторяющиеся процессы формирования домена у катода и рассасывания его у анода приведут к соответствующему изменению сопротивления образца и силы тока (рис [5]
).


Для того чтобы первоначальная тепловая флуктуация концентрация электронов заметно возросла, необходим интервал времени, превосходящий - (см (7)
). Отсюда следует, что периодическое изменение силы тока через образец будет возникать лишь в том случае, когда или в соответствии с (11
) и (8
)
(12)
Это неравенство иногда называют критерием Кремера. Не останавливаясь на методах оценки , отметим, что после подстановки всех величин в правую часть (12
) для арсенида галлия и фосфида индия получается величина порядка 1012
см-2
.
Режим работы диода на эффекте междолинного перехода электронов ( или диода Ганна), при котором уверенно выполняется неравенство
(13)
называется пролётным режимом. Для его реализации необходимо включить диод в параллельную резонансную цепь, например в СВЧ - резонатор с высокой добротностью, настроенный на пролётную частоту . Отметим, что в пролётном режиме на кривой зависимости тока от времени будут наблюдаться резкие всплески (см рис [5]
), если длина образца значительно превышает длину домена. Для получения формы колебаний тока, близкой к синусоидальной, необходимо уменьшать длину образца или увеличивать ширину домена. Последнее можно реализовать, уменьшая концентрацию электронов (n
0
) в образце.
|
| Лист
|
| 9
|
| Изм
|
Лист
|
№ докум
|
Подпись
|
Дата
|
| При работе диода в резонаторе к нему кроме постоянного внешнего смещения оказывается приложенным также СВЧ - поле, возникающее в резонаторе за счёт колебания тока, протекающего через диод. Предположим, что СВЧ - поле меняется во времени по гармоническому закону, а резонатор настроен на частоту выше пролётной . Тогда при достаточно большой амплитуде СВЧ - поля дипольный момент в образце может рассосаться, не доходя до анода. Для этого необходимо, чтобы в полупериод, когда векторы напряжённости постоянного и СВЧ - поля противоположны, суммарная напряжённость поля была бы меньше некоторой величины, а длительность полупериода была бы больше , соответствующего положительной подвижности. С точностью до численного коэффициента последнее условие можно записать так:
. или
(14)
Для GaAs
и InP
. Неравенство (14
) является условием реализации режима работы диода с подавлением домена. В этом режиме в каждый “положительный” полупериод СВЧ - поля в диоде Е>Еп
и у катода зарождается домен, а в каждый “отрицательный” полупериод он рассасывается на пути к аноду. Таким образом, генерация переменного тока в этом случае происходит на частоте, определяемой параметрами резонансной цепи.
Если обеспечить одновременное выполнение двух неравенств:
(15)
то диод Ганна будет работать в режиме ограниченного накопления объёмного заряда. Для GaAs
и InP
из (15) следует что . Поскольку в (15) период СВЧ – сигнала меньше , соответствующего отрицательной дифференциальной подвижности, то в полупериод, когда Е>Еп
, домен сильного поля не успевает полностью сформироваться, а в следующий полупериод (Е<Еп
) он полностью рассасывается. При этом будет наблюдаться возрастание сопротивления образца в один полупериод СВЧ – сигнала и спад его в другой, что и вызывает эффективную генерацию мощности на частоте, определяемой параметрами внешней цепи.
Режим с обогащенным слоем
Этот режим соответствует случаю, когда не выполняется условие (12), следовательно, домен сильного поля не успевает сформироваться, доменная неустойчивость не возникает и образец не является генератором. При однородном распределении концентрации носителей вдоль образца (n
0
y не зависит от x
) его ВАХ в соответствии с (1) повторяла бы зависимость от Е
(рис [2]). Однако в реальных случаях катод (обычно контакт n
+
-
n
-типа
) инжектирует в образец электроны, что приводит к совершенно иному виду ВАХ.
Из условия непрерывности тока в образце следует, что там, где концентрация носителей заряда выше, напряжённость поля должна быть меньше. Полагая в первом приближении, что у катода, инжектирующего электроны, Е=0
и численно решая систему уравнений
(16)
(17)
|
| Лист
|
| 10
|
| Изм
|
Лист
|
№ докум
|
Подпись
|
Дата
|
| получим распределение напряжённости поля и концентрации электронов вдоль образца, которые качественно представлены на рис [6] . Если напряжённость поля всюду меньше Еп
, то в большей части образца она слабо зависит от х
(рис [6], а, кривая 1), а концентрация электронов вдали от катода равна равновесной (рис [6], б, кривая 1).
Как только в некоторой точке Е
станет больше Еп
, скорость дрейфа электрона здесь уменьшится и соответственно должна увеличиваться их концентрация, чтобы сила тока при любом х оставалась постоянной. Подток избыточных электронов от катода в данную точку вызовет увеличение плотности избыточного заряда и dE
/
dx
[(см 17)]. Во всех остальных точках, расположенных правее рассматриваемой, сила тока также поддерживаться постоянной за счёт роста n
(
x
)
и dE
/
dx
(рис [6], а и б, кривые 2). Причём как следует из (16) и (17), чем выше плотность тока, тем больше должно быть dE
/
dx
, то есть нелинейность кривой, изображающей зависимость Е
от х
, должна увеличиваться (рис [6], а, кривые 2,3). В этой области образца, где Е<Еп
,
и концентрация электронов уменьшается с ростом х.


|
| Лист
|
| 11
|
| Изм
|
Лист
|
№ докум
|
Подпись
|
Дата
|
| ВАХ таких образцов при Е<Еп
подчиняется закону Ома (рис [7]), а затем ток практически выходит на насыщение, если равновесная концентрация электронов не очень мала.


Если же n0
меньше некоторой величины при фиксированной длине образца, то на ВАХ вслед за линейным должен наблюдаться участок, соответствующий току, ограниченному пространственным зарядом. Таким образом, в реальных образцах за счёт инжекции электронов с катода и подтока их к области с пониженной подвижностью, где Е>Еп
, на ВАХ исчезает участок с ОДС. У анода таких образцов, как видно из рис [6], существует статический (неподвижный) домен сильного электрического поля с повышенной концентрацией электронов. Иногда такой домен называют статическим доменом обогащённого слоя.
Нарисованная выше картина реализуется при наличие лишь постоянного напряжения на образце. Стационарное неоднородное распределение электрического поля и концентрации электронов вдоль образца, приводящее к исчезновению участка ВАХ с ОДС, устанавливается приблизительно за время пролёта (см. (11)). Поэтому если к диоду кроме постоянного смещения приложить ещё и малое переменное поле с частотой, близкой к пролётной ( ), то объёмный заряд не будет успевать стабилизировать образец. В этом случае небольшая флуктуация объёмного заряда, появившаяся у катода за счёт наличия переменного поля, будет нарастать по мере продвижения к аноду, что приведёт к усилению переменного сигнала. Следовательно, такой диод будет играть роль усилителя СВЧ сигнала с частотой, совпадающей с пролётной или с её гармониками. Эксперимент подтверждает наличие отрицательной активной проводимости на соответствующих частотах для образцов арсенида галлия, у которых n
0
W
<1012
см-2
.
Мощность и КПД диодов Ганна
СВЧ – мощность, генерируемую диодом Ганна, можно представить как , где R – сопротивление диода. В пролётном режиме работы и . Это соотношение между мощностью и частотой сопровождается экспериментом для диодов из GaAs
и InP
. Для диодов из GaAs
с достаточно длинной базой при подаче импульсного смещения получена максимальная СВЧ – мощность порядка 6 кВт на частоте около 2 ГГц. В непрерывном режиме работы, когда на диод подаётся постоянное напряжение смещения, на частоте 10 ГГц СВЧ – мощность равна приблизительно 2 Вт.
Как следует из оценок, верхний предел рабочей частоты диодов Ганна составляет примерно 150 ГГц. Он определяется инерционностью процесса передачи энергии электрического поля
|
| Лист
|
| 12
|
| Изм
|
Лист
|
№ докум
|
Подпись
|
Дата
|
| электронам и процесса перехода последних из основного минимума зоны проводимости в побочные. Реально достигнутая частота генерации порядка 100 ГГц. Оценки также показывают, что в пролётном режиме работы максимально достижимая величина КПД диодов Ганна составляет 10%, а в режиме с разрушением домена – 13%.
Необходимо отметить, что конкретный вид ВАХ диода Ганна, его режим работы, СВЧ – мощность и КПД существенным образом зависят от условий на контактах и от профиля распределения примеси в активной области.
Выбор структуры автогенератора и типа диода
В соответствии с техническим заданием, мощность генератора не должна быть менее 5 мВт, а рабочим диапазоном частот быть в пределах от 11,4 до 11,6 ГГц. ДЛ я построения такого генератора, оптимальным вариантом является диод Ганна типа А703Б
, с минимальной выходной мощностью 20 мВт и рабочим диапазоном част 9.2 … 12.5 ГГц.

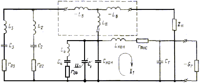
Эквивалентная схема замещения диода Ганна (рис 8 )
Параметры схемы: rпос
=1,5 Ом, СГ
=0,4 пФ, Скон
=0,4 пФ, Lкон
=0,6 нГн.
Генераторные свойства диода учтены на этой схеме отрицательной проводимостью GГ
, СГ
– «горячая» реактивность диода. Параметры rпос
, Lкон,
, Скон
обусловлены структурой корпуса диода.
На рис. 9 приведена эквивалентная схема волноводного автогенератора на диоде Ганна, учитывающая собственный контур диода и ёмкость варактора (rпос
, Lкон,
, Скон
, СГ
, С’в
), два соседних обертона резонатора волновода (r02
, L2,
, С2
, и r03
, L3,
, С3
,) и квазикоаксиальный резонанс узла крепления диода Ганна (штырь крепящий диод) – элементы Lа
, Lв
. Квазикоаксиальный резонанс узла крепления варактора обычно не учитывают , т. К. характеристическое сопротивление штыря с варикапом во много раз меньше характеристического сопротивления штыря с диодом Ганна и штырь с варикапом лишь незначительно снижает добротность всего устройства.

Рис. 9
|
| Лист
|
| 13
|
| Изм
|
Лист
|
№ докум
|
Подпись
|
Дата
|
| На рис. 9 Zн
обозначает сопротивление нагрузки, равное входному сопротивлению тракта нагрузки в плоскости включения диода. Если Zн
и входное сопротивление тракта различаются , необходимо предусмотреть подключение нагрузки к автогенератору через трансформатор сопротивлений.
РАСЧЁТ АВТОГЕНЕРАТОРА И РЕЗОНАНСНОЙ СИСТЕМЫ.
Расчёт параметров варактора.
Для применения в автогенераторе выбран варактор АА603Б, с такими техническими характеристиками: , и предельной мощности: . Средняя ёмкость при напряжении смещения равна . Максимальное допустимое напряжение смещения . Параметры эквивалентной схемы , можно определить по и .
Стандартная схема замещения варактора (рис. 10
)
В состав схемы замещения варактора входят нелинейная ёмкость р-п – перехода Св
, сопротивление потерь в полупроводнике rпос в
, индуктивность выводов Lв
кон
, и емкость корпуса варактора Cв
кон
.
Индуктивность в Lв
кон
имеет небольшое значение и обычно исключается из схемы замещения.
Сопротивление rпос в
можно определить по следующей формуле:

Где и – соответственно предельная частота при напряжении смещения Un
=-6 В (частота, на которой добротность варактора Qв
=1 ) и значение нелинейной ёмкости варактора Св
при том же напряжении смещения.
В силу малости rпос в
его можно не учитывать при дальнейшем рассмотрении варактора, т. к. в диапазоне рабочих частот рассчитываемого автогенератора ёмкостное сопротивление Св
значительно больше rпос в
(далее это будет доказано).
Таким образом , исключая из схемы замещения варактора элементы rпос в
и Lв
кон
, приходим к схеме замещения варактора одной нелинейной емкостью (1)
Для варакторов, изготовленных на основе арсенида галлия (GaAs) зависимость нелинейной ёмкости Св
от напряжения смещения Uп
определяется зависимостью , где – значение ёмкости Св
при напряжении смещения Un
; – значение ёмкости Св
при напряжении смещения U0
; – контактная разность потенциалов; – константа.
Принимая за U0
и С0
соответственно -6 В и С-6
=0,85 пФ, можем записать: (2).
|
| Лист
|
| 14
|
| Изм
|
Лист
|
№ докум
|
Подпись
|
Дата
|
| Формула (2) даёт значение в пФ, если Un
задано в В.
Получаем что в нашем случае варактор можно представить эквивалентной ёмкостью.
(3).
Формула (3) даёт значение в пикофарадах, если Un
задано в вольтах.
Найдём граничные значения при изменении Un
в пределах от 0 В до Un
max
:
(4)
(5)
Определение пределов перестройки частоты автогенератора
Эквивалентная схеме замещения диода Ганна приведена на рис.8. Так как в выбранной структуре генератора варактор с диодом Ганна соединены параллельно по высокой частоте , то, подключая параллельно схеме рис.8 эквивалентную ёмкость варактора, получаем схему замещения рис.11

рис.11
Для определения границ перестройки автогенератора определим зависимость резонансной частоты генератора от напряжения смещения на варакторе. Для этого представим колебательный контур рис. 11 последовательной схемой рис. 6,

рис. 12
объединив последовательно включенные ёмкости СГ
и в одну ёмкость (6)
Определим максимальное и минимальное значение , соответствующее (4) и (5):
(7)
(8)
|
| Лист
|
| 15
|
| Изм
|
Лист
|
№ докум
|
Подпись
|
Дата
|
| Согласно схеме рис.6 резонансные частоты колебаний равны (7)
Верхний предел частоты определяется , а нижний предел определяется , так как обратно пропорциональна . Имеем:

Согласно техническому заданию автогенератор должен перекрывать диапазон частот 11,4 … 11,6 ГГц. Полученный результат (11,2 … 11,7 ГГц ) даёт полное право утверждать что техническое задание удовлетворено.
Определение нелинейности статической модуляционной характеристики
Для построения статической модуляционной характеристики задаёмся значениями Un
от 0 В до -20 В. Для каждого из этих значений по формуле (3) определяем С’Г
и .
График статической модуляционной характеристики приведён на рис.13.

рис.13
Найдём крайние значения Un
, обеспечивающие перестройку в диапазоне 11,4 … 11,6 ГГц.
Из (7) выразим С’Г
: (8)
Затем по (6) определяем С’в
:
(9)
|
| Лист
|
| 16
|
| Изм
|
Лист
|
№ докум
|
Подпись
|
Дата
|
| Из (3) определяем Un
:
(10)
Последняя формула даёт значение Un
в вольтах , если С’в
Выражена в пикофарадах.
Из рис.13 видно, что в пределах 11,4 – 11,6 ГГц модуляционная характеристика обладает средней степенью нелинейностью. Для её оценки необходимо найти , как писалось выше, значения Un
в
и Un
н
, обеспечивающие частоты генерации и .
Используя формулы (8) - (10), находим:
,
,
,
,


Имеем, что для перестройки частоты автогенератора в пределах 11,4 … 11,6 ГГц необходимо изменять напряжение смещения на варакторе в пределах от -3,4 по -11,4 В.
Среднее значение напряжения смещения . Изменение напряжения смещения от среднего его значения при наибольшем отклонении частоты 
.
Относительное наибольшее изменение напряжения смещения .
Значение частоты , соответствующее , находим по формулам (3), (6), (7): ,


Найдём нормирование значения отклонения частоты генерации от fГ
ср
:


|
| Лист
|
| 17
|
| Изм
|
Лист
|
№ докум
|
Подпись
|
Дата
|
| Можно определить нелинейность модуляционной характеристики:

Рассмотрим, верно ли мы исключили из схемы замещения варактор сопротивления rпос в
(рис.10)
Сопротивление ёмкости на частоте равно:

На частоте сопротивление емкости равно:

Так как в диапазоне рабочих частот генератора rпос в
=1,25 Ом более чем в 10 раз меньше ёмкостного сопротивления варактора , то rпос в
действительно можно не учитывать при расчёте генератора.
Расчёт резонатора автогенератора.
Расчёт резонатора будем производить на среднюю (центральную) частоту диапазона рабочих частот

Длина волны в свободном пространстве , где с- скорость света в вакууме (11)
Длина волны в прямоугольном волноводе (типа H10
) , где (12)
– длина волны в свободном пространстве
а – ширина волновода
Рассчитаем по (11) длины волн, соответствующие частотам , , :



Выберем прямоугольный волновод размером , пропускающий длины волн 2,3 – 4,41 см, и рассчитанный на допускаемую мощность 300 кВт ()при заполнении воздухом)
Найдём длины волн в волноводе, соответствующие частотам , ,


|
| Лист
|
| 18
|
| Изм
|
Лист
|
№ докум
|
Подпись
|
Дата
|
| 
Длина резонатора , где п – номер обертона ; – длина волны в волноводе на центральной частоте. У нас автогенератор строится на первом (основном) обертоне (Н101
), поэтому п=1 и 
Можно определить размер . Размер желательно сделать как можно меньшим – тогда расстояние между варактором и диодом Ганна близко к . При этом они оба попадают в пучность и эффективней взаимодействуют.
Так как , то влиянием квазикоаксиального резонанса можно пренебречь. Частота этого резонанса находится выше диапазона рабочих частот. Это означает, что из схемы (рис 9) можно исключить контур .
Расчёт оптимального сопротивления нагрузки и КПД резонансной системы
Произведём анализ оптимального сопротивления нагрузки и КПД резонансной системы на частоте .
Характеристическое сопротивление резонатора .
Сопротивление потерь 
Так как , то можно приближенно считать, что сопротивление, вносимое в собственный контур, .
Полное сопротивление собственного контура диода 
На центральной частоте характеристическое сопротивление резонатора 
Коэффициент связи собственного контура диода

Нормированная относительная расстройка собственного контура

Эквивалентное характеристическое сопротивление резистора на первом обертоне

|
| Лист
|
| 19
|
| Изм
|
Лист
|
№ докум
|
Подпись
|
Дата
|
| Добротность резонатора на обертоне Н101
в волноводе 23ģ10 мм равна 2000…3000.
Припустим что в нашем случае Q2
=1500. Тогда собственное сопротивление контура первого обертона .
Для штыря диаметром 3 мм в волноводе шириной 23 мм, в диапазоне частот 11,4…11,6 ГГц параметры штыря Ха
=42,2 Ом, Хв
= -22,2 Ом
Так как Ха
+Хв
=42,2-22,2=20 Ом и Ха
+ Х1Н
=42,2-8,1=34,1 Ом намного меньше , то можно считать, что сопротивление вносимое во второй контур (контур первого обертона) .
Полное сопротивление второго контура .
Отношение сопротивлений контуров .
Нормированная относительная расстройка второго контура 
Входное сопротивление нагрузки ,
где 
Имеем: 
Оптимальное сопротивление нагрузки должно быть сравнимо с , где
– Сопротивление диода Ганна. Для выбранного типа диода =3…20 Ом, поэтому .
Так как , то делаем вывод, что в нижнем диапазоне рабочих частот достигнуто оптимальное согласование диода с нагрузкой.
КПД колебательной системы

Мощность, отдаваемая в нагрузку, .
В соответствии с техническим заданием выходная мощность должна быть не менее 5 мВт, в нашем случае в нижней части рабочего диапазона частот эта мощность составляет 8,8 мВт, что полностью удовлетворяет техническому заданию.
Произведём анализ оптимального сопротивления нагрузки и КПД резонансной системы на частоте .
Характеристическое сопротивление резонатора 
|
| Лист
|
| 20
|
| Изм
|
Лист
|
№ докум
|
Подпись
|
Дата
|
| .
Сопротивление потерь 
Так как , то можно приближенно считать, что сопротивление, вносимое в собственный контур, .
Полное сопротивление собственного контура диода 
Нормированная относительная расстройка собственного контура

Эквивалентное характеристическое сопротивление резистора на первом обертоне

собственное сопротивление второго контура .
Так как Ха
+Хв
=42,2-22,2=20 Ом и Ха
+ Х1И
=42,2-9,4=32,8 Ом намного меньше , то можно считать, что сопротивление вносимое во второй контур .
Отношение сопротивлений контуров .
Нормированная относительная расстройка второго контура 
Входное сопротивление нагрузки ,
где 
Имеем: 
Так как , то делаем вывод, что в верхнем диапазоне рабочих частот достигнуто оптимальное согласование диода с нагрузкой.
КПД колебательной системы

Мощность, отдаваемая в нагрузку, .
|
| Лист
|
| 21
|
| Изм
|
Лист
|
№ докум
|
Подпись
|
Дата
|
| В соответствии с техническим заданием выходная мощность должна быть не менее 5 мВт, в нашем случае в верхней части рабочего диапазона частот эта мощность составляет 9,2 мВт, что полностью удовлетворяет техническому заданию.
Так как требование по выходной мощности генератора в верхней и в нижней части рабочего диапазона частот удовлетворяется, то это требование должно выполняться и во всём диапазоне перестройки частоты, соответственно в автогенераторе подобрано оптимальное согласование диода Ганна и резонансной схемы.
|
| Лист
|
| 22
|
| Изм
|
Лист
|
№ докум
|
Подпись
|
Дата
|
| Заключение
В данном курсовом проекте был разработан и рассчитан автогенератор на диоде Ганна с варакторной перестройкой частоты в диапазоне от 11,4 до 11,6 ГГц. Все технические требования были полностью рассчитаны и выполнены.
Перестройка частоты по рабочему диапазону вызывает изменение выходной мощности, поэтому применение генератора в режиме частотного модулятора сопровождается паразитной амплитудной модуляцией выходного сигнала, которая может быть устранена с помощью амплитудного ограничителя.
|
| Лист
|
| 23
|
| Изм
|
Лист
|
№ докум
|
Подпись
|
Дата
|
| Литература
- Уткин Г.М. «Проектирование радиопередающих устройств СВЧ», Москва., Советское радио, 1979
- Благовещенский М.В., Уткин Г.М. «Радиопередающие устройства», Москва., Радио и связь, 1979
- Валитов Р.А. «Радиопередающие устройства на полупроводниковых приборах», Москва., Советское радио, 1973
- Пасынков В.В.: «Полупроводниковые приборы», Москва, Высшая школа, 1981.
|
| Лист
|
| 24
|
| Изм
|
Лист
|
№ докум
|
Подпись
|
Дата
|
|