Курсовая работа: Проектирование двухступенчатой баллистической ракеты с ЖРД
|
Название: Проектирование двухступенчатой баллистической ракеты с ЖРД Раздел: Промышленность, производство Тип: курсовая работа | ||||||||||||||||||||||||||||||||||||||||||||||||||||||||||||
ФЕДЕРАЛЬНОЕ АГЕНСТВО ПО ОБРАЗОВАНИЮ РОССИЙСКОЙ ФЕДЕРАЦИИ ОМСКИЙ ГОСУДАРСТВЕННЫЙ ТЕХНИЧЕСКИЙ УНИВЕРСИТЕТ Кафедра «Авиа- и ракетостроение» Специальность 160801- «Ракетостроение» Курсовая работа по дисциплине «Основы проектирования, конструирования и производства ЛА» на тему: “Проектирование двухступенчатой баллистической ракеты с ЖРД” КР–2068998.45.32.00.00.000.ПЗ Выполнил: студент гр. дата__________Подпись__________ Руководитель: к.т.н, доцент дата__________Подпись__________ Омск 2006 Содержание Введение........................................................................................................... 3 1. Баллистический расчёт................................................................................ 4 1.1 Выбор конструктивно – компоновочной схемы ракеты......................... 4 1.2 Определение характеристик топлива....................................................... 5 1.3 Выбор проектных параметров ракеты..................................................... 6 1.4 Проектировочный и проверочный баллистический расчёты................. 6 1.5 Весовой расчёт ракеты............................................................................ 20 1.6 Анализ результатов расчёта по минимуму стартовой массы............... 22 2. Весовой расчёт ракеты при выбранных оптимальных проектных параметрах........................................................................................................................ 29 2.1 Определение основных весовых характеристик ракеты........................ 29 2.2 Определение основных геометрических характеристик ракеты........... 30 2.3 Определение основных тяговых характеристик ракеты........................ 33 3. Объёмный расчёт ракеты.......................................................................... 35 3.1 Объёмный расчёт головной части.......................................................... 35 3.2 Объёмный расчёт топливных отсеков.................................................... 39 3.3 Прикидочный расчёт габаритных размеров ДУ................................... 50 3.4 Объёмный расчёт приборного, переходного и хвостового отсеков..... 54 3.5 Эскизный чертёж проектируемой ракеты.............................................. 54 3.6 Центровочный расчёт ракеты................................................................. 54 Заключение.................................................................................................... 60 Список использованных источников............................................................ 61 Целью данной расчётно – графической работы является проектирование двухступенчатой баллистической ракеты с ЖРД, определение её массы и основных габаритов. Данная БР предназначена для доставки полезной нагрузки массой 1. Баллистический расчёт Исходные данные: 1. Максимальная дальность полёта 2. Масса полезной нагрузки 3. Топливная параКислород + НДМГ. 1.1 Выбор конструктивно – компоновочной схемы ракеты Остановим свой выбор на двухступенчатой ракете, так как дальность полёта одноступенчатых ракет ограничена 8500 километрами, а трёхступенчатые ракеты с ЖРД, начиная с дальностей в 2000 – 3000 км, хотя и обладают несколько меньшей стартовой массой, чем двухступенчатые, но этот выигрыш в стартовой массе не превышает 10%; к тому же с увеличением числа ступеней надёжность изделия снижается (рис.1).
Рис.1. Компоновочная схема двухступенчатой баллистической ракеты с ЖРД: ДУ1, ДУ2 – двигательная установка первой и второй ступеней; ХО – хвостовой отсек; БГ1, БГ2 – бак горючего первой и второй ступеней; БО1,БО2 – бак окислителя первой и второй ступеней; ПО1, ПО2 – приборный отсек первой и второй ступеней; МБ2 – межбаковый отсек второй ступени; ГЧ – головная часть. Выбираем схему с последовательным соединением ступеней, так как она имеет хорошую компактность, наименьшую стартовую массу по сравнению с другими схемами за счет простоты узлов соединения и рациональной схемы ракеты, сравнительно небольшие возмущения при разделении ступеней, небольшое лобовое аэродинамическое сопротивление, простое стартовое устройство, возможность лёгкого монтажа (демонтажа), что упрощает транспортировку ракеты от места изготовления до места старта. Недостатками же данной схемы являются: необходимость отработки и проектирования каждой ступени в отдельности, запуск двигателя второй ступени при низком давлении, большая длина ракеты, чувствительность к поперечным перегрузкам. В качестве органов управления первой ступени выберем управляющие двигатели, работающие на основных компонентах топлива. Органами управления второй ступени будут являться управляющие сопла, работающие от основного газогенератора. 1.2 Определение характеристик топлива Стандартный удельный импульс тяги Газовая постоянная Показатель адиабаты Температура горения Плотность окислителя Плотность горючего Плотность топлива Коэффициент соотношения компонентов топлива 1.3 Выбор проектных параметров ракеты Используя программу RAKETA-2, выбираем следующие проектные параметры в соответствии с минимальной стартовой массой: Начальная тяговооружённость первой субракеты на земле Начальная тяговооружённость второй субракеты в пустоте Давление в камере сгорания двигателя первой ступени Давление в камере сгорания двигателя второй ступени Давление на срезе сопла двигателя первой ступени Давление на срезе сопла двигателя второй ступени Коэффициент соотношения относительных весов топлива Начальная поперечная нагрузка на мидель ракеты 1.4 Проектировочный и проверочный баллистический расчёты Определение действительной температуры горения топлива в камере сгорания первой и второй ступени:
Определение расчётного удельного импульса тяги двигателей первой и второй ступеней:
где параметр
Определение удельного импульса тяги на Земле (только для первой ступени):
где Определение удельного импульса тяги двигателей в пустоте:
Начальная тяговооружённость первой субракеты в пустоте:
Средний удельный импульс тяги двигателей:
где m =2 – число ступеней ракеты. Проектировочный баллистический расчёт Цель проектировочного баллистического расчёта состоит в определении приближённых значений относительных весов топлива субракет по заданным параметрам. Исходными параметрами для расчета служат следующие величины: Удельные импульсы для каждой ступени Коэффициент соотношения относительных весов топлива смежных субракет Максимальная дальность полёта БР Число ступеней ракеты n. Используя табл.1 [1], определяем ориентировочную величину высоты и сферической дальности конца АУТ:
Так как величины
где Учитывая величину поправочного коэффициента
Используя следующие формулы вычислим требуемую скорость в конце АУТ:
где
Определим величину приведённого коэффициента заполнения ракеты топливом:
где Относительный вес топлива первой ступени:
Относительный вес топлива второй ступени:
Таким образом, после проведения проектировочного баллистического расчёта мы получили следующие величины:
Проверочный баллистический расчёт Цель проверочного баллистического расчёта состоит в уточнении полученных в предыдущем расчёте относительных весов топлива субракет. Исходные данные, необходимые для проведения данного расчёта: Число ступеней ракетыm = 2; Относительный вес топлива первой субракеты Относительный вес топлива второй субракеты Удельный импульс тяги двигателя первой ступени в пустоте Удельный импульс тяги двигателя второй ступени в пустоте Начальная тяговооружённость в пустоте первой субракеты Начальная тяговооружённость в пустоте второй субракеты Начальная поперечная нагрузка на мидель ракеты Программа движения ракеты на АУТ. Для приближённых расчётов многоступенчатой ракеты можно использовать следующую программу движения ракеты на АУТ:
Вычислим скорость и координаты конца АУТ первой ступени:
Принимаем Значения вспомогательных функций При
Значения вспомогательных функций
Высота АУТ первой ступени:
Эллиптическая дальность АУТ первой ступени:
Вычисляем скорость и координаты конца АУТ второй ступени:
где
По формулам эллиптической теории рассчитываем полную дальность полёта ракеты:
Определим величину относительного отклонения расчётной дальности полёта
Анализируя полученное значение величины Определим поправку
Частную производную
Для заданной дальности полёта Следовательно, величина поправки
Уточнённая величина
Уточнённое значение
Проверочный баллистический расчет (2-е приближение) Проводим проверочный баллистический расчёт при уточнённых значениях коэффициентов заполнения ступеней ракеты топливом Определяем скорость в конце АУТ первой ступени:
где
Высота активного участка первой ступени:
где Эллиптическая дальность активного участка первой ступени:
где Вычисляем скорость и координаты конца АУТ второй ступени ракеты при уточнённом значении
где
где
По формулам эллиптической теории рассчитываем полную дальность полёта ракеты:
Определим величину относительного отклонения расчётной дальности полёта
1.5 Весовой расчёт ракеты Целью данного расчёта является установление взаимосвязи между стартовой массой (весом) ракеты, её проектными параметрами и относительными весами топлива ракеты Для определения начальной массы рассматриваемой субpакеты используем метод последовательного приближения. При анализе уравнения
видно, что в правой и левой частях этого уравнения находится неизвестная величина Запишем представленное весовое уравнение применительно ко второй ступени проектируемой ракеты:
где Определяем среднюю плотность топлива:
Принимаем, что начальная масса второй субракеты равна 10 т. Используя математический редактор MathCAD 2001, находим методом итерации с точностью
Рис.2. Листинг расчёта начальной массы второй субракеты в математическом редакторе MathCAD 2001 Таким образом, Определение стартовой массы первой субракеты Запишем весовое уравнение применительно к первой субракете:
Вычисление стартовой массы первой субракеты проводим способом, аналогичным способу определения начальной массы второй субракеты (рис.3). Таким образом, 1.6 Анализ результатов расчёта по минимуму стартовой массы Выбор оптимальных проектных параметров осуществляем по минимальной стартовой массе ракеты. В табл.1 приведены значения стартовой массы ракеты Ниже приведены данные файла “Data.txt” программы RAKETA-2. Исходные данные Lм - max дальность полета, км 13500 Mп - масса полезной нагрузки, кг1800 Ns - число ступеней ракеты 2 Топливо: Кислород + Н Д М Г Ro - плотность окислителя, кг/м3 1142 Rg - плотность горючего, кг/м3 808 Km - коэф-т соотнош-я расходов О и Г 2.14 Jуд.s - cтанд-й импульс тяги, м/с 3156 R - газовая постоянная 359 Tst - ст. тем-ра горения топлива, гр.К 3575 Ka - показатель адиабаты 1.11 Основные проектные параметры L01-тяговооруженность 1-й с-ни на З-ле 0.550 0.750 Lп -тяговооруженность I ст-ни в пус-т 0.000 0.700 Pk - давление в К С (н г), МПа 8.00 7.00 Pk - давление в К С (в г), МПа 6.00 5.00 Pa - давление на срезе сопла (н г), МПа 0.045 0.010 Pa - давление на срезе сопла (в г), МПа 0.070 0.020 HI - соотношение весов ступеней 1.200 Pм1-нагрузка на мидель, кг/м2 13000 PмS-эталонная нагрузка на мидель, кг/м2 12000 Таблица 1 Результаты расчёта стартовой массы ракеты
Рис.4. График изменения величины
Рис.5. График изменения параметра
Рис.6. График изменения параметров
Рис.7. График изменения величины Из табл.1 определяем параметры, соответствующие минимальной массе ракеты. Оптимальные параметры: Начальная тяговооружённость первой субракеты на земле Начальная тяговооружённость второй субракеты в пустоте Давление в камере сгорания двигателя первой ступени Давление в камере сгорания двигателя второй ступени Давление на срезе сопла двигателя первой ступени Давление на срезе сопла двигателя второй ступени Коэффициент соотношения относительных весов топлива Начальная поперечная нагрузка на мидель ракеты 2. Весовой расчёт ракеты при выбранных оптимальных проектных параметрах 2.1 Определение основных весовых характеристик ракеты Стартовая масса ракеты:
Масса первой ступени:
Масса второй ступени:
Заправка топливом первой ступени:
Заправка окислителем первой ступени:
Заправка горючим первой ступени:
Заправка топливом второй ступени:
Заправка окислителем второй ступени:
Заправка горючим второй ступени:
Суммарная заправка ракеты горючим:
Суммарная заправка ракеты окислителем:
Сухой вес ракеты (без полезной нагрузки):
2.2 Определение основных геометрических характеристик ракеты Считаем, что проектируемая ракета имеет одинаковые диаметры ступеней. Определяем диаметр ракеты:
где:
Для ракет с кислородным топливом при Принимаем: Вычислим длину ракеты:
Уточняем величину начальной поперечной нагрузки на мидель ракеты:
Так как уточнённая величина начальной поперечной нагрузки на мидель ракеты
выбранной в качестве проектного параметра, то необходимо вычислить величину поправки к скорости ракеты в конце АУТ, вызванную погрешностью выбора параметра
Учитывая то, что скорость в конце АУТ второй ступени возросла на По формулам для эллиптической теории вычисляем полную (уточнённую) дальность полёта:
Определим величину относительного отклонения расчётной дальности полёта
2.3 Определение основных тяговых характеристик ракеты Тяга двигателя первой ступени на Земле:
Тяга двигателя первой ступени в пустоте:
Тяга двигателя второй ступени в пустоте:
Массовый секундный расход топлива двигателя первой ступени:
Массовый секундный расход топлива двигателя второй ступени:
Время работы двигателя первой ступени:
Время работы двигателя второй ступени:
3. Объёмный расчёт ракеты 3.1 Объёмный расчёт головной части Проведём расчёт головной части (ГЧ), заполненной взрывчатым веществом (рис.8). Головная часть должна быть спроектирована так, чтобы при полёте на нисходящем участке траектории она была статически устойчива.
Рис.8. Расчётная схема ГЧ Угол конусности ГЧ выбираем из диапазона Принимаем Длина ГЧ:
Объём ГЧ:
Координата центра тяжести конуса ГЧ относительно его вершины:
В качестве взрывчатого вещества (ВВ) выбираем гексоген. Он относится к классу бризантных ВВ, возбуждение детонации которого производится взрывом капсюля-детонатора или заряда другого бризантного ВВ. Гексоген (циклотриметилентринитрамин) - мелкокристаллическое вещество белого цвета, негигроскопичное, не растворимое в воде. Гексоген химически стоек, с металлами не взаимодействует. Чувствительность гексогена к механическим воздействиям несколько ниже, чем ТЭНа. При простреле пулей гексоген может взрываться. Гексоген энергично горит белым пламенем, горение может перейти в детонацию. В чистом виде гексоген применяется для снаряжения капсюлей-детонаторов. Для снаряжения инженерных боеприпасов применяется флегматизированный гексоген или его сплавы с тротилом (сплавы ГГ). Флегматизаторы служат для уменьшения чувствительности ВВ к внешним воздействиям, что повышает безопасность их применения. В качестве флегматизаторов применяются парафин, стеарин, вазелин и другие вещества. Для повышения энергии взрывчатого превращения в некоторые сплавы гексогена с тротилом добавляется порошок алюминия (морская смесь МС и сплав ТГА). Гексоген применяется также для изготовления пластичных ВВ. В состав пластичных ВВ входят гексоген и пластифицирующие добавки (пластификаторы). Энергия взрыва, кДж/моль5440 Скорость детонации, м/с8360 Объём продуктов взрыва, л/кг908 Плотность Считаем, что масса ВВ составляет 85% от массы полезной нагрузки:
Объём ВВ:
Объём, занимаемый зарядом, является усечённым конусом с параметрами:
Центр тяжести заряда относительно большего основания:
Центр тяжести заряда относительно носка ГЧ:
Общий центр тяжести ГЧ:
Длина отделяемой ГЧ:
где 3.2 Объёмный расчёт топливных отсеков Топливный отсек первой ступени Определение массовых секундных расходов окислителя и горючего:
Бак горючего первой ступени Полный объём бака горючего
где
Принимаем
Принимаем
Принимаем Принимаем
Принимаем Полный объём бака окислителя По аналогии с расчётом объёма бака горючего рассчитываем объём бака окислителя.
где
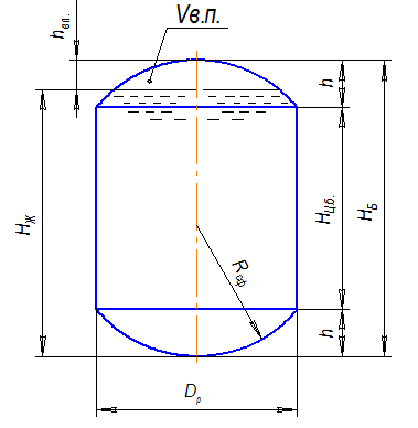
Принимаем Принимаем Расчёт продольных размеров баков первой ступени Определяем радиус сферы верхнего и нижнего днищ баков (рис.9):
где Высота верхнего и нижнего днищ баков:
Объём сферического сегмента днищ:
Размеры бака горючего первой ступени Высота цилиндрической части бака горючего:
Полная высота бака горючего:
Объём заправляемого горючего:
Объём воздушной подушки:
Высоту воздушной подушки от зеркала жидкости до полюса верхнего днища бака найдём из выражения:
Получаем
Рис.9. Расчётная схема топливного бака Высота уровня жидкости в баке:
Размеры бака окислителя первой ступени По аналогии с расчётом размеров бака горючего рассчитываем размеры бака окислителя. Высота цилиндрической части бака окислителя:
Полная высота бака окислителя:
Объём заправляемого окислителя:
Объём воздушной подушки:
Высоту воздушной подушки от зеркала жидкости до полюса верхнего днища бака найдём из выражения:
Получаем Высота уровня жидкости в баке:
Топливный отсек второй ступени Определение массовых секундных расходов окислителя и горючего:
Бак горючего второй ступени Полный объём бака горючего
где
Принимаем
Принимаем
Принимаем Принимаем
Принимаем Полный объём бака окислителя По аналогии с расчётом объёма бака горючего рассчитываем объём бака окислителя.
где
Принимаем Принимаем Расчёт продольных размеров баков второй ступени Радиус сферы верхнего и нижнего днищ баков принимаем таким же как и для баков первой ступени. Размеры бака горючего второй ступени Высота цилиндрической части бака горючего:
Полная высота бака горючего:
Объём заправляемого горючего:
Объём воздушной подушки:
Высоту воздушной подушки от зеркала жидкости до полюса верхнего днища бака найдём из выражения:
Получаем Высота уровня жидкости в баке:
Размеры бака окислителя первой ступени По аналогии с расчётом размеров бака горючего рассчитываем размеры бака окислителя. Высота цилиндрической части бака окислителя:
Полная высота бака окислителя:
Объём заправляемого окислителя:
Объём воздушной подушки:
Высоту воздушной подушки от зеркала жидкости до полюса верхнего днища бака найдём из выражения:
Получаем Высота уровня жидкости в баке:
3.3 Прикидочный расчёт габаритных размеров ДУ ДУ первой ступени ДУ первой ступени имеет четыре двигателя: Определим диаметр критического сечения сопла:
где Определим диаметр на срезе сопла:
где Определим диаметр КС:
Длина цилиндрической части КС:
Высота форсуночной головки:
Радиус кривизны контура сопла:
где
Длина сверхзвуковой части сопла:
Длина входа в сопло:
Длина двигателя:
Длина двигательной установки от среза сопла до узла крепления.
ДУ второй ступени ДУ второй ступени имеет два двигателя: Определим диаметр критического сечения сопла:
где Определим диаметр на срезе сопла:
где Определим диаметр КС:
Длина цилиндрической части КС:
Высота форсуночной головки:
Радиус кривизны контура сопла:
где
Длина сверхзвуковой части сопла:
Длина входа в сопло:
Длина двигателя:
Длина двигательной установки от среза сопла до узла крепления.
3.4 Объёмный расчёт приборного, переходного и хвостового отсеков Размер приборного отсека первой ступени выбираем равным Lпо =0,268 м. Приборный отсек второй ступени отсутствует. Размеры хвостовых отсеков первой и второй ступеней зависят от габаритов ДУ, размещаемых в этих отсеках. После прорисовки эскиза ракеты примем длину хвостового отсека первой ступени равной 1,782 м, длину хвостового отсека второй ступени – 1,6 м. Длина переходного отсека равна - 0,2 м. 3.5 Эскизный чертёж проектируемой ракеты После проведения объёмных расчётов составляем эскизный чертёж ракеты, а также эскизы двигателей ДУ первой и второй ступеней. 3.6 Центровочный расчёт ракеты Для определения центра тяжести ракеты первоначально определяем центры масс отдельных отсеков ракеты. Отсчёт размеров производим от носка ракеты.
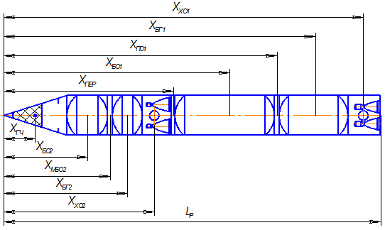
Рис.10. Расчётная схема для определения центра масс ракеты Центр тяжести ракеты определяем по формуле:
где
В это уравнение входят как постоянные составляющие, так и переменные. Переменными составляющими будут положения центров масс топлива в баках. Координата центра тяжести ракеты:
После определения центра тяжести ракеты, определяем коэффициент её центра масс:
Результаты расчета приведены в таблице 2. Таблица 2
Рис.11. График изменения центра масс первой субракеты
Рис.12. График изменения коэффициента центра масс первой субракеты
Рис.13. График изменения центра масс второй субракеты
Рис.14. График изменения коэффициента центра масс второй субракеты Заключение В ходе данной курсовой работы были подобраны оптимальные проектные параметры ракеты из условия её минимальной массы и определены основные весовые, геометрические и тяговые характеристики ракеты. Также были произведены объёмные расчёты головной части и топливных отсеков, прикидочный расчет ДУ ступеней, в результате которых был выполнен эскизный чертёж ракеты и выполнен её центровочный расчёт. Список использованных источников 1. Основы проектирования баллистических ракет: Методические указания к курсовому и дипломному проектированию по дисциплине “Основы устройства и конструирования ракет” для специальностей 130600 – Ракетостроение, 130400 – Ракетные двигатели/ Сост. И.Н.Гречух. – Омск, 2002.-56 с.: ил. 2. Конспект лекций по курсу “Устройство летательных аппаратов”. |
||||||||||||||||||||||||||||||||||||||||||||||||||||||||||||






;
;
;
,
.
.
;
.
;
.
.


;
;
;
.
.
;
,






;
;
,
.





.
.
;
;
.
;
.
.
.
.
.
- радиус большего основания усечённого конуса ВВ.
- высота усечённого конуса ВВ.
.
.

.
.
.
.
,

,
.

.


