Контрольная работа: Расчет гидравлического насоса
|
Название: Расчет гидравлического насоса Раздел: Промышленность, производство Тип: контрольная работа | ||||||||||||||||||||||||||||||||||||||||||||||||||||||||||||||||||||||||||||||
КОНТРОЛЬНАЯ РАБОТА Дисциплина: Гидропневмоавтоматика Курган 2010 г. 1. Насос работает на гидравлическую сеть. Напорная характеристика насоса задана в безразмерных единицах в таблице 1. Таблица 1
По заданным параметрам Qo
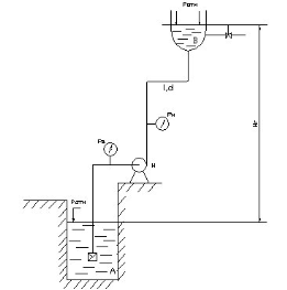
и Дано: Q0 = 0,02 м3 /с; d = 100 мм;
Н0 = 40 м; Нг = 15 м; λ = 0,02; ∑ζ = 10.
Схема насосной установки: Н – насос; А – питающий резервуар; В-приемный резервуар; Рм – манометр; Рв – вакуумметр; Нг – геометрическая высотаподъема; L– длина трубопровода, d– диаметр трубопровода. Решение: Построим характеристику насоса в абсолютных единицах:
Определим площадь сечения трубопровода:
Среднюю скорость течения воды в трубе определим по формуле:
Потери напора в трубе определяем по формуле:
где g =9,8 м/с2 – ускорение свободного падения. Потребныйнапор определяем по формуле:
Результаты вычислений сводим в таблицу:
По результатам расчета строим характеристику насоса, и график потребного напора в месте их пересечения определяет рабочую точку насоса. Q = 0,062 м3 /с; H= 41 м.
Полезную мощность насоса определяем по формуле:
Примем КПД насоса = 0,7. Тогда мощность на валу насоса:
2. В приводах многих машин (прессах, бульдозерах, скреперах подъемниках, станках) применяется схема гидропривода, изображенная на рисунке:
Гидропривод состоит из бака масляного Б, насоса Н, обратного клапана КО, гидрораспределителя Р, гидроцилиндров ГЦ, трубопроводов, предохранительного клапана КП, фильтра Ф.Значения усилия на штоке F, скорости перемещения рабочего органа (поршня) V, рабочего давления в гидроприводе Р и длины трубопроводов l приведены в таблице:
Для заданной гидросхемы необходимо: 1. Рассчитать и выбрать стандартный гидроцилиндр; 2. Рассчитать диаметр трубопровода; 3. Подобрать стандартную аппаратуру: КО, Р, КП, Ф; 4. Рассчитать потери давления в гидроприводе; 5. Выбрать стандартный насос по результатам расчета. Решение: По заданному усилию и давлению определяем диаметр поршня:
где 0,5 F – усилие на штоке одного гидроцилиндра; p– заданное давление;
Принимаем по ГОСТ 12447–80 диаметр гидроцилиндра D= 80 мм., диаметр штока dшт = 0,5D = 40 мм. Принимаем стандартный гидроцилиндр ГЦ2–80х40х320. Выбираем рабочую жидкость. Примем масло индустриальное И-50 с кинематической вязкостью ν = 0,45 Выбор насоса производим по общему расходу жидкости и заданному давлению. Мощность гидроцилиндра определяется по формуле:
где Vп – скорость поршня, м/с;
Мощность насоса Nн
= 2 Кс = 1,2 – коэффициент запаса по скорости; Ку = 1,1 – коэффициент запаса по усилию. Nн
= 2 Определим подачу насоса:
Выбираем насос НПлР 50/16 (насос пластинчатый, регулируемый) с рабочим объёмом Vp = 15–50 см3 , подачей Qном = 63,5 л/мин и давлением Рном = 16МПа. Определим размер соединительных трубопроводов, приняв предварительно скорость течения масла за v = 3 м/с: Диаметр условного прохода: dтр
= Принимаем по ГОСТ 16516–80 условный проход dусл = 20 мм. Фактическая скорость течения масла: vфакт
= Определим режим течения жидкости по числу Рейнольдса:
Коэффициент гидравлического трения: λлам
= Определяем гидравлические потери в трубах по формуле:
Тогда Потери в местных сопротивлениях примем 20% от линейных, тогда суммарные потери в трубах Обратный клапан выбираем Г51–33 (ТУ2–053–1649–83Е) с диаметром Dy
= 16 мм., расходом Q = 63 л/мин, рабочим давлением Гидрораспределитель берем ПГ73–24 (ТУ2–053–1443–79) с диаметром Dy
= 20 мм., расходом Q = 80 л/мин, рабочим давлением Выбираем фильтр по расходу рабочей жидкости: 0,12Г41–15 (ГОСТ 21329–75) расходом Q = 100 л/мин и потерей давления Определяем давление, на которое следует отрегулировать насос: Ргц
= pн
+ Σ КПД данного гидропривода
Использованная литература 1. Свешников В.К., УсовА.А. «Станочные гидроприводы»: Справочник. – 2-е изд. М.:Машиностроение, 1988.-512 с. 2. Свешников В.К., «Станочные гидроприводы»: Справочник. – 3-е изд. М.:Машиностроение, 1995.-488 с. 3. Наврецкий К.Л. «Теория и проектирование гидро- и пневмоприводов»:М.: Машиностроение, 1991.-384 с. |



,
= 0,074 м. = 74 мм.
= 0,021 м. = 21 мм.