Реферат: Проектирование привода машины
|
Название: Проектирование привода машины Раздел: Рефераты по строительству Тип: реферат | |||||||||||||||||||||||||||||||||||||||||||||||||||||||||||||||||||||||||||||||||
Федеральное агентство по рыболовству Российской Федерации Дальневосточный государственный технический рыбохозяйственный университет Кафедра «Основы конструирования» ДЕТАЛИ МАШИН Пояснительная записка к курсовому проекту ПРОЕКТИРОВАНИЕ ПРиводА машины КП. 2.01.00.00.00. ПЗ Руководитель проекта ________________С.Н. Зиборов «____»______________2011 г. ______ Студент группы ХТ31 ______________ Д.А. Ажимов «____»______________2011 г. Владивосток 2011 СОДЕРЖАНИЕ Федеральное агентство по рыболовству Российской Федерации Дальневосточный государственный технический рыбохозяйственный университет Кафедра «Основы конструирования» ТЕХНИЧЕСКОЕ ЗАДАНИЕ на выполнение курсового проекта по дисциплине « Детали машин» Проектирование привода машины КП. 2.01.00.00.00
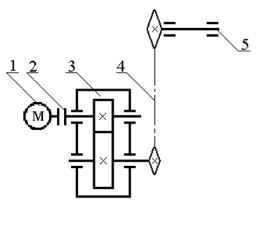
1 – электродвигатель; 2 – муфта; 3 – редуктор зубчатый; 4 – передача цепная; 5 – ведущий вал машины (выходной вал привода) Рисунок 1 – Структурная схема привода Исходные данные: Мощность на ведущем валу машины Р3 , кВт…...................................... 8,0 Частота вращения ведущего вала машины n3 , об/мин............................ 115 Угол наклона цепной передачи к горизонту, Срок службы привода Перечень отчетной конструкторской документации. Представить пояснительную записку и 2 листа чертежей (формат А1): 1) сборочный чертеж редуктора (один лист); 2) рабочие чертежи деталей привода редуктора – быстроходного вала (вала-шестерни); тихоходного вала редуктора, зубчатого колеса; крышки подшипника глухой, крышки подшипника сквозной. Стадии разработки курсового проекта
Сроки защиты проекта декабря 2011 г. Дата выдачи технического задания сентября 2011 года
1. ВЫБОР ЭЛЕКТРОДВИГАТЕЛЯ. КИНЕМАТИЧЕСКИЙ И СИЛОВОЙ РАСЧЁТ ПРИВОДА. Общий КПД привода
где
Требуемая мощность электродвигателя
Принимаем электродвигатель марки 4A160S6Y3 [1,табл.18.1], мощность которого Номинальная частота вращения вала электродвигателя
Номинальная угловая скорость двигателя
Общее передаточное отношение привода
где (принимаем согласно рекомендаций [1,табл.10.1]);
Расчётное передаточное отношение цепной передачи
Кинематические параметры привода по валам: Быстроходный вал редуктора
Тихоходный вал редуктора
выходной вал привода (ведущий вал машины)
Силовые параметры привода по валам:
Данные расчёта сводим в таблицу 1. Таблица 1- Кинематические и силовые параметры привода по валам
2. РАСЧЁТ ЦЕПНОЙ ПЕРЕДАЧИ Исходные данные для расчёта: Число зубьев: ведущей звёздочки
ведомой звёздочки
Принимаем Предварительный шаг приводной роликовой цепи (типа ПР)
Принимаем цепь ПР-38,1-127,0 ГОСТ 13568-75,[1, табл.13.1] для которой t=38,1 мм; Q=127 kH; q=5,5 кг/м; Скорость цепи
Окружная сила
Расчётный коэффициент нагрузки
где
[ 1,табл.13.4] ;
[ 1,табл.13.4];
Давление на шарнире цепи
Допускаемое давление
где Условие работоспособности p£[p] выполнено. Необходимое число звеньев цепи
где Расчётное число звеньев( округляем до чётного числа) Расчётное межосевое расстояние цепной передачи
Диаметры делительных окружностей звёздочек
Геометрическая характеристика зацепления
где Диаметры наружных окружностей звёздочек
где К=0,565- коэффициент высоты зуба [ 1,табл.13.8]. Силы в цепной передаче: окружная(определена выше) от центробежных нагрузок от провисания цепи где
[ 1,табл.13.10]. Расчётная нагрузка на валы
Коэффициент запаса прочности цепи
где [s]=8,8- нормативный коэффициент запаса [ 1,табл.13.5]. Размеры ведущей звёздочки: диаметр ступицы
где длина ступицы с учётом исполнения шпонки
где ширина зуба(для однорядной звёздочки) [ 1,табл.13.8]
где [ 1,табл.13.1]. 3 РАСЧЁТ РЕДУКТОРА 3.1 Расчёт зубчатой передачи 3.1.1 Выбор материала и расчёт допускаемых напряжений Так как в техническом задании нет ограничений по габаритам, то выбираем материал с твёрдостью до 350 HB [1,табл.10.2]: принимаем для шестерни сталь 45, термическая обработка- улучшение, средняя твёрдость Допускаемые контактные напряжения
где
Ресурсы привода
где
Действительное число циклов нагружения: для колеса для шестерни Число циклов нагружений , соответствующее пределу контактной выносливости, Допускаемые контактные напряжения для материала шестерни колеса Расчётные допускаемые контактные напряжения (передача косозубая и разность твёрдости материалов шестерни и колеса более 70 HB) [1,табл.10.3]
Требуемое условие Допускаемые напряжения изгиба (нагрузка односторонняя)
Предел выносливости при изгибе при базовом числе циклов для стали 45 [1,табл.10.4]: для шестерни для колеса Число циклов нагружения, соответствующее пределу выносливости при изгибе, для всех сталей
где
Допускаемые напряжения изгиба для шестерни для колеса 3.1.2 Проектировочный расчёт передачи Принимаем коэффициент концентрации нагрузки при симметричном расположении колёс Межосевое расстояние из условия прочности по контактным напряжениям
где Стандартное межосевое расстояние Нормальный модуль зацепления с учётом твёрдости колёс [1,табл.10.1].
принимаем Угол наклона зубьев должен находиться от Предварительно принимаем угол наклона зубьев Число зубьев шестерни
принимаем Число зубьев колеса Фактическое значение Угол наклона зубьев
Основные размеры шестерни и колеса Диаметры делительные
проверка диаметры вершин зубьев
диаметры впадин зубьев
ширина зубчатого венца колеса и шестерни
3.1.2 Проверочный расчёт зубьев колёс по контактным напряжениям Коэффициент ширины шестерни по диаметру
Окружная скорость колёс
При данной скорости принимаем 8-ю степень точности [1,табл.10.7]. Коэффициент нагрузки
где
Прочность зубьев по контактным напряжениям
Недогрузка Допускается недогрузка не более 15%, а перегрузка не более 5%. 3.1.3 Силы в зацеплении Силы, действующие в зацеплении: окружная радиальная осевая 3.1.4 Проверочный расчёт зубьев колёс по напряжениям изгиба Коэффициент нагрузки
где
Эквивалентное число зубьев у шестерни у колеса Коэффициенты формы зуба Коэффициент наклона зуба
Прочность зуба шестерни и колеса на изгиб
Условие прочности выполнено. 3.2 Проектировочный расчёт валов редуктора Материал валов принимаем сталь 45, термическая - обработка улучшение. Проектировочный расчёт валов выполняем по касательным напряжениям от кручения, то есть не учитываем напряжения от изгиба, влияние концентраторов напряжений и циклический характер действия напряжений. Поэтому для компенсации приближённости проектировочного расчёта допускаемые напряжения принимаем заниженными : [t]=15...25 МПа. 3.2.1 Быстроходный вал Диаметр выходного конца вала
Так как быстроходный вал редуктора соединён муфтой с валом электродвигателя ( С учётом типоразмеров подшипников качения и необходимости на валу буртика определённой высоты [1,табл.14.1] для упора ступицы полумуфты при сборке редуктора, принимаем диаметр вала под подшипниками Предполагаемый диаметр вала под шестернёй Расстояние от впадин зубьев шестерни до шпоночного паза
где
Так как X0,то изготовляем вал-шестерню (материал сталь 45). Диаметры остальных участков вала назначаем исходя из конструктивных соображений при компоновке редуктора. 3.2.2 Тихоходный вал Диаметр выходного конца вала
Принимаем из стандартного ряда [1,табл.14.1] Диаметр вала под колесом Диаметры остальных участков вала назначаем исходя из конструктивных соображений при компоновке редуктора. 3.3 Проектировочный расчёт шпоночных соединений Размеры сечений шпонок и пазов и длины шпонок принимаем по ГОСТ 23360-78 [1,табл.7.1]. Материал шпонок- сталь 45, термическая обработка- нормализация. Рабочая длина шпонки из условия прочности
где Т- вращающий момент на валу; d- диаметр цапфы вала в месте шпоночного соединения ; h, Допускаемые напряжения смятия неподвижных шпоночных соединений при циклическом нагружении и стальной ступице Быстроходный вал.
Шпонка на выходном конце вала, сопряжение “вал- полумуфта”. Рабочая длина шпонки
Минимальная расчётная длина шпонки (исполнение 1)
С учётом длины полумуфты и стандартного ряда длин шпонок принимаем шпонку длиной Тихоходный вал.
Шпонка под колесом, сопряжение “ вал- ступица зубчатого колеса “. Рабочая длина шпонки
Минимальная расчётная длина шпонки (исполнение 1)
С учётом стандартного ряда длин шпонок принимаем шпонку длиной Шпонка на выходном конце вала, сопряжение “ вал- ступица звёздочки “. сталь 45. Рабочая длина шпонки
Минимальная расчётная длина шпонки (исполнение 3)
С учётом стандартного ряда длин шпонок принимаем шпонку длиной 3.4 Конструктивные размеры зубчатых колёс Шестерня, размеры которой определены выше, выполнена заодно с валом. Геометрические параметры зубчатого колеса [1,табл.10.12] : диаметр ступицы длина ступицы с учётом ширины зубчатого венца (см.п.3.1.2) и длины шпонки в сопряжении “ вал-ступица зубчатого колеса “(см.п.3.4)
толщина обода принимаем толщина диска диаметр центровой окружности
диаметр отверстий
3.5 Конструктивные размеры корпуса редуктора Толщина стенок корпуса и крышки [1,табл.17.1]:
принимаем Толщина фланцев поясов корпуса и крышки [1,табл.17.1]: верхнего пояса корпуса и крышки
нижнего пояса корпуса без бобышек p=2,35d=2,358»19мм. Диаметры болтов[1,табл.17.1]: фундаментных
принимаем болты с резьбой М 18 [1,табл.6.13]; крепящих крышку к корпусу у подшипника
принимаем болты с резьбой М 14[1,табл.6.13]; соединяющих крышку с корпусом
принимаем болты с резьбой М 12 [1,табл.6.13]. 3.6 Эскизная компоновка редуктора В соответствии с рекомендациями [1,табл.15.14] для опор валов редуктора назначаем шариковые радиальные подшипники. Габариты подшипников выбираем по диаметру вала в месте посадки подшипников В соответствии с рекомендациями [1,табл.19.3] смазывание подшипников осуществляем маслом в картере за счёт брызг при работе редуктора, так как окружная скорость зубчатого колеса n1 м/с (см.п.3.1.3). Таблица 2 – Параметры подшипников
Эскизную компоновку (рис.2) выполняем в двух проекциях в следующей последовательности : а) намечаем расположение проекций компоновки в соответствии со схемой привода и наибольшим размером зубчатых колёс; б) на горизонтальной проекции проводим две вертикальные параллельные линии на расстоянии в) вычерчиваем упрощённо зубчатую пару колёс в виде прямоугольников в соответствии с геометрическими параметрами, полученными в результате проектировочного расчёта (см.п.3.1.2), с учётом того, что шестерня выполнена заодно с валом; г) проводим контур внутренней стенки корпуса на расстоянии А=10 мм от торцов колёс для предотвращения их контакта во время работы редуктора; при этом зазор между наружным диаметром подшипников и контуром стенок должен быть не менее величины А; расстояние между дном корпуса редуктора и поверхностью колёс должен быть не менее д) вычерчиваем контуры подшипников согласно размерам, приведённым в таблице 2; в соответствии с принятой системой смазки размещаем подшипники в корпусе редуктора, углубив их от внутренней стенки корпуса на 5 мм; е) на выходных концах быстроходного и тихоходного валов вычерчиваем гнёзда под подшипники; глубина гнезда ж) вычерчиваем торцовые крышки узлов подшипников в соответствии с размерами [1,табл.17.6]; з) вычерчиваем ступени валов на соответствующих осях по размерам, полученным выше (см.п.2 и п.3.2); ступени выходных концов быстроходного и тихоходного валов располагаем на расстоянии 5 мм от внешнего торца крышки подшипников, при этом длина ступени соответственно равна длине полумуфты и) измерением устанавливаем расстояние между точками приложения реакций опор валов и силами в зацеплении зубчатых колёс:
3.7 Проверочный расчёт подшипников 3.7.1 Опоры быстроходного вала Из предыдущих расчётов: Нагрузка на вал от муфты [1,табл.16.3]
Реакции опор от сил в зубчатом зацеплении (рис.3,б): в плоскостях xz
проверка: в плоскости yz
проверка: Реакции опор от силы
проверка: Суммарные реакции опор
Эквивалентная нагрузка
в которой Отношение Рассмотрим подшипник опоры 1.
Рассмотрим подшипник опоры 2.
Так как
Расчётная долговечность в часах
что больше ресурса привода 3.7.2 Опоры тихоходного вала Из предыдущих расчётов: Нагрузка на вал от цепной передачи Составляющие нагрузки на вал от цепной передачи по осям (рис.4)
Реакции опор (рис.4): в плоскости xz
проверка: в плоскости yz
проверка: Суммарные реакции опор
Эквивалентная нагрузка
в которой Отношение
Рассмотрим подшипник опоры 3.
Рассмотрим подшипник опоры 4.
Так как
Расчётная долговечность в часах
что больше ресурса привода 3.8 Конструктивная компоновка редуктора Используем чертёж эскизной компоновки (см.рис.2 ). На данном этапе компоновки необходимо конструктивно рассмотреть основные детали редуктора, что будет затем использовано при проверочном расчёте валов на прочность и оформлении сборочного чертежа. Схема смазки зацепления и подшипников принята в п.3.6. В нижней части корпуса устанавливаем пробку для спуска масла [1,табл.17.2] и жезловый маслоуказатель [1,табл.17.9]. Конструкция корпуса должна обеспечить сборку редуктора. Геометрические размеры некоторых элементов корпуса определены в п.3.5, а остальных- принимаем конструктивно. Основные конструктивные размеры валов и зубчатых колёс определены в п.3.2 и п.3.4. Для фиксации зубчатого колеса в осевом направлении предусматриваем заплечики вала с одной стороны и установку распорной втулки с другой; место перехода вала под распорной втулкой смещаем на 1…2 мм внутрь ступицы колеса с тем, чтобы гарантировать прижатие торца втулки к торцу ступицы колеса, а не к галтели вала. Крышки подшипниковых узлов на валах с одной стороны глухие, а с другой ( на быстроходном и тихоходном валах ) сквозные с манжетными уплотнениями. Под крышки устанавливаем набор металлических прокладок для регулирования зубчатого зацепления при сборке редуктора. 3.9 Выбор посадок сопряжений основных деталей Посадки назначаем в соответствии с указаниями, данными в табл.3.8 [1]: - посадка зубчатых колёс на вал – Н7/r6. - посадка звёздочки цепной передачи на тихоходный вал редуктора – Н7/h6 - посадка полумуфты на быстроходный вал – Н7/k6. - посадка подшипников на вал (нагружение внутреннего кольца- циркуляционное) – L0/k6 [1,табл.15.16], - посадка подшипников в корпусе редуктора (нагружение наружного кольца – местное) – H7/l 0. - посадка распорных втулок на вал – Н8/h8. - посадка шпонок в паз вала – N9/h9, а в паз ступицы – Js9/h9 [1,табл.7.4]. 3.10 Проверочный расчёт валов Расчёт производим для предположительно опасных сечений каждого из валов. Проверочный расчёт валов состоит в определении коэффициентов запаса прочности s для опасных сечений и сравнении их с допускаемыми значениями [s]. Прочность обеспечена при s³[s]. Результирующий коэффициент запаса прочности
где Коэффициенты запаса прочности по нормальным напряжениям (нормальные напряжения от изгиба изменяются по симметричному циклу и поэтому средние напряжения цикла (касательные от кручения изменяются по отнулевому циклу)
где
Коэффициенты концентрации напряжений для данного сечения вала
где
Быстроходный вал (см.рис.3). Материал вала тот же, что и для шестерни (шестерня выполнена заодно с валом), то есть сталь 45, термическая обработка- улучшение. При диаметре заготовки до 80 мм (в нашем случае Пределы выносливости материала
Сечение А-А.
Диаметр вала в этом сечении Коэффициенты концентрации напряжений для данного сечения вала
Изгибающий момент (см.рис.3)
где
Полярный и осевой моменты сопротивления сечения (
Амплитуда и среднее напряжение цикла касательных напряжений
Амплитуда нормальных напряжений изгиба
Коэффициент запаса прочности по нормальным напряжениям
Коэффициент запаса прочности по касательным напряжениям
Результирующий коэффициент запаса прочности
Большой коэффициент запаса прочности объясняется тем, что диаметр выходного конца вала был увеличен при конструировании для соединения его стандартной муфтой с валом электродвигателя (см.п.3.2.1). По этой же причине проверять прочность в сечении Б – Б нет необходимости. Прочность вала обеспечена. Тихоходный вал ( см.рис.4 ). Материал вала – сталь 45, термическая обработка – улучшение. Наибольший диаметр вала [1,табл.14.1]
где При диаметре заготовки до 80 мм предел прочности Пределы выносливости материала
Сечение В - В.
Диаметр вала в этом сечении
[1,табл.14.5]; отношения Коэффициенты концентрации напряжений для данного сечения вала
Изгибающий момент (см.рис.4)
Полярный и осевой моменты сопротивления сечения (
Амплитуда и среднее напряжение цикла касательных напряжений
Амплитуда нормальных напряжений изгиба
Коэффициент запаса прочности по нормальным и касательным напряжениям
Результирующий коэффициент запаса прочности
Сечение Г – Г.
Диаметр вала в этом сечении Коэффициенты концентрации напряжений для данного сечения вала
Изгибающий момент (см.рис.4)
где
Полярный и осевой моменты сопротивления сечения (
Амплитуда и среднее напряжение цикла касательных напряжений
Амплитуда нормальных напряжений изгиба
Коэффициент запаса прочности по нормальным и касательным напряжениям
Результирующий коэффициент запаса прочности
Сечение Д – Д.
Диаметр вала в этом сечении Коэффициенты концентрации напряжений для данного сечения вала
Изгибающий момент (см.рис.4)
Полярный и осевой моменты сопротивления сечения (
Амплитуда и среднее напряжение цикла касательных напряжений
Амплитуда нормальных напряжений изгиба
Коэффициент запаса прочности по нормальным и касательным напряжениям
Результирующий коэффициент запаса прочности
Прочность вала обеспечена. 3.11 Выбор смазочных материалов Так как окружная скорость зубчатого колеса v1 м/с( см.п.3.1.3), то смазывание зубчатого зацепления производится окунанием зубчатого колеса в масло, заливаемое внутрь корпуса редуктора до уровня, обеспечивающего погружение колеса примерно на 10 мм. По табл.19.4 [1] устанавливаем вязкость масла. При контактных напряжениях 3.12 Сборка редуктора Перед сборкой внутреннюю полость корпуса редуктора тщательно очищают и покрывают маслостойкой краской. Сборку производят в соответствии со сборочным чертежом редуктора, начиная с узлов валов: - на быстроходный вал напрессовывают подшипники, предварительно нагретые в масле; - в тихоходный вал закладывают шпонки и напрессовывают зубчатое колесо до упора в бурт вала; затем надевают распорные втулки и напрессовывают подшипники, предварительно нагретые в масле. Собранные валы укладывают в основание корпуса редуктора и устанавливают крышку корпуса, покрывая предварительно поверхности стыка крышки и корпуса спиртовым лаком. Для центровки устанавливают крышку на корпус с помощью двух конических штифтов; затягивают болты, крепящие крышку к корпусу. После этого устанавливают крышки подшипников с комплектом металлических прокладок для регулировки положения зубчатого зацепления. Перед постановкой сквозных крышек в проточки закладывают манжетные уплотнения. Проверяют проворачиванием валов отсутствие заклинивания подшипников (валы должны проворачиваться от руки) и закрепляют крышки винтами. Затем ввёртывают пробку маслоспускного отверстия с прокладкой и жезловый маслоуказатель. Заливают в корпус масло и закрывают смотровое отверстие крышкой с прокладкой из технического картона; закрепляют крышку болтами. Собранный редуктор обкатывают и подвергают испытанию на стенде по программе, устанавливаемой техническими условиями. 4 ВЫБОР МУФТЫ Исходя из характера выполняемого производственного процесса машиной и технического задания на проектирование привода, для соединения выходных концов выходного вала привода и быстроходного вала редуктора, установленных на общей раме, принимаем упругую втулочно-пальцевую муфту (МУВП). Эта муфта обладает достаточными упругими свойствами и малым моментом инерции, что снижает действие пусковых нагрузок на валы. Типоразмер муфты выбираем с учётом диаметров соединяемых валов (см.п.3.2.2) и по величине расчётного вращающего момента
где
С учётом длины шпонки в сопряжении “ вал-ступица полумуфты” (см.п.3.1), принимаем муфту МУВП 250-38-1.1-32-1.2-У3 ГОСТ 21424-93 [1,табл.16.1]. 5 СБОРКА ПРИВОДА Сборку привода производим в соответствии со сборочным чертежом в следующей последовательности: - в шпоночный паз выходных концов вала электродвигателя и быстроходного вала редуктора закладываем шпонки и устанавливаем полумуфты; - в шпоночный паз выходных концов выходного вала привода и тихоходного вала редуктора закладываем шпонки, напрессовываем соответственно ведомую и ведущую звёздочки цепной передачи и закрепляем их от осевого сдвига торцовым креплением; - устанавливаем электродвигатель и редуктор на раму машины, производим сборку и центровку муфты и цепной передачи; - производим крепление узлов привода на раме машины при помощи фундаментных болтов. После сборки привода устанавливаем по месту кожух ограждения цепной передачи. Собранную машину подвергнуть испытанию по программе, установленной технической документацией. СПИСОК ИСПОЛЬЗОВАННЫХ ИСТОЧНИКОВ 1. Арон А.В. Справочное руководство по проектированию деталей машин: Уч.пос. – Владивосток, Морской государственный университет им.адм. Г.И.Невельского, 2002. 200с. |
|||||||||||||||||||||||||||||||||||||||||||||||||||||||||||||||||||||||||||||||||






