Контрольная работа: Электрические системы и сети
|
Название: Электрические системы и сети Раздел: Рефераты по физике Тип: контрольная работа | |||||||||||||||||||||||||||||||||||||||||||||||||||||||||||||||||||||||||||||||||||||||||||||||||||||||||||||||||||||||||||||||||||||||||||||||||||||||||||||||||||||||||||||||||||||||||||||||||||||||||||||||||||||||||||||||||||||||||||||||||||||||||||||||||||||||||||||||||||||||||||||||||||||||||||||||||||||||||||||||||||||||||||||||||||||||||||||||||||||||||||||||||||||||||||||||||||||||||||||||||||||||||||||||||||||||||||||||||||||||||||||||||||||||||||||||||||||||||||||||||||||||||||||||||||||||||||||||||||||||||||||||||||||||||||||||||||||||||||||||||||||||||||||||||||||||||||||||||||||||||||||||||||||||||||||||||||||||||||||||||||||||||||||||||||||||||||||||||||||||||||||||||||||||||||||||||||||||||||||||||||||||||||||||||||||||||||||||||||||||||||||||||||||||||||||||||||||||||||||||||||||||||||||||||||||||||||||||||||||||||||||||||||||||||||||||||||||||||||||||||||||||||||||||||||||||||||||||||||||||||||||||||||||||||||||||||||||||||||||||||||||||||||||||||||||||||||||||||||||||
1 Расчет баланса мощности и выбор компенсирующих устройствСоставим и рассчитаем баланс активной мощности:
Расчет суммарной активной мощности:
Потери активной мощности в линиях и трансформаторах принимаем в размере от 2% от суммарной активной мощности i-го потребителя:
Находим активную мощность, которую необходимо потребить у РПП:
Составим и рассчитаем баланс реактивной мощности:
Определяем реактивную мощность первого потребителя:
Аналогично производим расчеты потребляемой реактивной мощности для остальных потребителей и заносим результаты в таблицу 1. Определяем полную мощность каждого потребителя:
Аналогично производим расчеты для остальных потребителей и заносим результаты в таблицу 1. Полная мощность всех потребителей:
Определяем потери реактивной мощности в трансформаторах. Потери реактивной мощности в трансформаторах потребителей принимаем равными 10% от полной мощности:
Определяем потребляемую реактивную мощность:
Далее определяем реактивную мощность, получаемую от системы:
Сравнив реактивную мощность, получаемую от системы, с потребляемой, приходим к выводу, что имеется дефицит реактивной мощности, и необходима установка компенсирующих устройств (БСК). Определяем необходимую мощность компенсирующих устройств:
Определяем необходимую мощность компенсирующих устройств для каждого потребителя:
Для первого потребителя:
Аналогично производим расчеты для остальных потребителей и заносим результаты в таблицу 1. Принимаем к установке компенсирующие устройства с единичной мощностью 0,4 Мвар. Определяем количество компенсирующих устройств для первого потребителя:
Произведем уточненный расчет необходимой мощности компенсирующего устройства для первой подстанции:
Аналогично производим расчеты для остальных потребителей и заносим результаты в таблицу 1. Определим уточненную мощность компенсирующих устройств:
Проверяем баланс, исходя из условия:
0,033<0,2 значит будем считать, что баланс сошелся Определим реактивную мощность, потребляемую на подстанциях потребителей после компенсации:
Для первого потребителя:
Аналогично производим расчеты для остальных потребителей и заносим результаты в таблицу 1. Таблица 1 – Расчет баланса и выбор компенсирующих устройств
2 Составление вариантов конфигурации сети с анализом каждого варианта
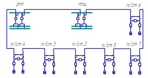
Длины участков: РПП-4=52 км; РПП-6=18 км; РПП-ТЭЦ=19 км; РПП-3=55 км; ТЭЦ-6=16 км; ТЭЦ-1=17 км; ТЭЦ-4=46 км; 6-5=80 км; 6-1=20 км; 5-1=68 км; 5-2=116 км; 2-3=42 км; 2-4=56 км; 4-3=28 км. Рисунок 1. Взаимное расположение источников и потребителей Составление вариантов конфигурации сети.
Вариант 1. Радиально-магистральная сеть Вариант 1 представляет собой радиально-магистральную сеть, характеризующуюся тем, что все ЛЭП прокладываются по кратчайшим трассам. Все линии двухцепные. Определяем общую длину линий:
Общая длина линий, приведенная в экономическом соотношении к одноцепному исчислению:
Вариант 2. Комбинированная сеть Вариант 2 представляет собой комбинированную сеть, в ней потребители 4,2,3 и РПП объединены в кольцевую сеть, а также в кольцевую сеть объединены потребители 1,5,6 и ТЭЦ. Общая длина линий:
Длина линий, приведенная в экономическом соотношении к одноцепному исчислению:
Вариант 3. Комбинированная сеть Вариант 3 представляет собой комбинированную сеть, в нем потребители 4,3,2 объединены в кольцевую сеть, а также в кольцевую сеть объединены потребители 6,1 включающие в себя РПП и ТЭЦ. Общая длина линий:
Длина линий, приведенная в экономическом соотношении к одноцепному исчислению:
Вариант 4. Комбинированная сеть Вариант 4 представляет собой комбинированную сеть, в нем потребители 4,6,1 объединены в кольцевую сеть связывающую их с ТЭЦ и РПП. Общая длина линий:
Длина линий, приведенная в экономическом соотношении к одноцепному исчислению:
Вариант 5. Кольцевая сеть Вариант 5 представляет собой кольцевую сеть, связывающую всех потребителей с ТЭЦ и РПП.
Существенный недостаток этого варианта – большая протяженность кольца. Есть опасение, что в послеаварийном режиме, возникающем после отключения одного из головных участков, общая потеря напряжения в сети окажется недопустимо большой. Варианты 2,3,4 относятся к одному принципу конфигурации сети. В них часть потребителей питается по кольцевой сети, часть – по радиально-магистральной. Среди вариантов этой группы сеть с наименьшей протяженностью линий является сеть, представленная вариантом 4. Варианты 1 и 5 аналогов не имеют, сравнивать их не с чем, поэтому оставляем оба варианта для дальнейшего рассмотрения. Таким образом, предварительный расчет и технико-экономическое сравнение будем проводить для вариантов 1, 4 и 5. 3 Приблизительный приближенный расчет трех отобранных вариантов
Расчетная схема варианта 1. Потоки мощности определяем по первому закону Кирхгофа, двигаясь от наиболее удаленных потребителей к источнику. Так, поток мощности на участке 3-2 равен мощности потребителя 2, то есть:
Поток мощности на участке 4-3 определяем суммированием двух потоков, вытекающих из узла 3:
Поток мощности на остальных участках определяем аналогично. Результаты помещаем в таблицу 2, а также наносим на расчетную схему. Далее, с помощью формулы Илларионова, определяем целесообразную величину номинального напряжения на участке 1-2:
Принимаем ближайшее наибольшее стандартное значение 110 кВ. Аналогично проводим расчеты для остальных участков, и результаты помещаем в таблицу 2. Таблица 2 – Выбор номинального напряжения на участках цепи для варианта 1.
Теперь выбираем сечения проводов линий. При этом используем метод экономических интервалов. Определяем токи на каждом участке сети в режиме максимальных нагрузок по формуле:
Ток на участке 1-2:
Аналогично определяем токи на остальных участках. Результаты помещаем в таблицу 3. Определяем расчетную токовую нагрузку линии.
принимаем 1,3. Расчетная токовая нагрузка участка цепи:
Аналогично определяем расчетную токовую нагрузку на остальных участках. Результаты помещаем в таблицу 3. Будем считать, что по климатическим условиям район сооружения сети соответствует II району по гололеду, и будут использоваться двухцепные ВЛ на железобетонных опорах. Расчетная токовая нагрузка участка не должна превышать токовую нагрузку выбираемого сечения. Выбранные таким образом сечения заносим в таблицу 3, в эту же таблицу заносим допустимую токовую нагрузку для данного сечения. Таблица 3 – Сечения и марки проводов
Проверка по потере напряжения выполняется как для нормального, так и для послеаварийного режимов работы сети.
Погонные активные и индуктивные сопротивления выбираем по справочным материалам и для удобства заносим их в таблицу 4.
Если потери напряжения в сети будут больше допустимых значений, то нужно предусмотреть дополнительные устройства регулирования напряжения или рассмотреть другой вариант сети. Определяем активное и индуктивное сопротивления участка 1-2:
Определяем потерю напряжения на участке 1-2:
Определяем потерю мощности на участке 1-2:
Аналогичные расчеты проводим для остальных участков, результаты заносим в таблицу 4. Таблица 4 – Параметры линий
Потеря напряжения в радиально-магистральной сети считается от источника до самого удалённого потребителя:
Для расчета берём участки, у которого самая большая потеря напряжения.
Потери напряжения при аварийном режиме меньше допустимых (20%).
Расчетная схема варианта 5. Расчет потокораспределения производим, начиная с головного участка:
Поток мощности на участке ТЭЦ-6 определяем по первому закону Кирхгофа:
Потоки на остальных участках определяем аналогично. Результаты помещаем в таблицу 5, а также наносим на расчетную схему. Выполним проверку посредством баланса мощностей. Рассчитаем поток мощности, протекающей через участок В-4:
Поток мощности, рассчитанный таким образом, практически совпадает с потоком мощности этого же участка, рассчитанным по первому закону Кирхгофа. Балансы активной и реактивной мощностей:
Будем считать, что баланс по обеим мощностям сошелся (табл.1). Целесообразную величину напряжения определяем по участку В-4:
Принимаем номинальное напряжение для всей линии 220 кВ. Теперь выбираем сечения проводов линий. При этом используем метод экономических интервалов аналогично нахождению в радиально-магистральной схеме. Как видно из расчетов, для всех проводов выполняется условие: Таблица 5 – Параметры линий в нормальном режиме
Самым тяжелым считается аварийный режим. За аварию примем выход из строя участка В-4. Тогда сеть превращается в радиально-магистральную.
Расчетная схема послеаварийного режима варианта 5. Определяем потоки мощности на всех участках по первому закону Кирхгофа. Определяем потерю напряжения на каждом из участков. Таблица 6 – Некоторые параметры линий в аварийном режиме
Из полученных данных видно, что проверка по потере напряжения выполняется:
Потеря напряжения в аварийном режиме меньше допустимых (20%).
Расчетная схема варианта 3. Этот вариант сети представляет собой комбинированную сеть, одна часть которой является кольцевой, а другая – радиально-магистральной. На участках 4-2 и 1-5 находим мощности по первому закону Кирхгофа:
Поскольку остальная часть сети кольцевая, то разворачиваем кольцо, превращая кольцевую сеть в магистральную линию с двухсторонним питанием. Учитываем то, что мощности в точках 1 и 4 соответственно:
Расчет потокораспределения производим, начиная с головного участка:
На всех оставшихся участках цепи находим потокораспределение по первому закону Кирхгофа, аналогично тому, как мы это делали, при расчете кольцевой сети. Проверка:
Будем считать, что баланс по мощностям сошелся. Целесообразную величину напряжения кольцевого участка цепи определяем по головному участку А-4:
Принимаем номинальное напряжение кольцевого участка 220 кВ. По этой же формуле выбираем величину напряжения участков 3-6 и 2-1 соответственно:
Принимаем ближайшее наибольшее стандартное значение 110кВ для обоих участков. Теперь выбираем сечения проводов линий. При этом используем метод экономических интервалов аналогично нахождению в радиально-магистральной и кольцевой схемах. Таблица 6 – Параметры линий в нормальном режиме
Потеря напряжения до точки потокораздела равна:
1,73<15, условие для номинального режима по потерям выполняется. Отключаем головной участок В-6, тогда расчетная схема будет иметь вид:
Расчетная схема аварийного режима варианта 3. Рассчитаем потоки мощности на участках по первому закону Кирхгофа аналогично ранее рассмотренным вариантам и нанесем их на расчетную схему аварийного режима. Далее рассчитаем некоторые параметры линий в аварийном режиме аналогично предыдущим двум вариантам и сведем результаты расчетов в таблицу 7. Таблица 7 – Параметры линий в аварийном режиме
Выбранные провода всех участков удовлетворяют условию по нагреву Посчитаем суммарные потери напряжения до самых удаленных подстанций. Ими будут подстанции 2 и 4, т.к. протяженность линий до каждого из этих участков от РПП 61 км. Суммарная потеря напряжения подстанции 5:
Суммарная потеря напряжения подстанции 6:
В послеаварийном режиме условие
4 Выбор трансформаторов на подстанциях потребителей Теперь выбираем трансформаторы на подстанциях. На каждой из подстанций предусматриваем установку двух трансформаторов, по причине наличия на каждой подстанции потребителей или I,или II категорий, или I и II категорий одновременно. Номинальная мощность трансформаторов должна удовлетворять условию:
Sном i – номинальная мощность i-той подстанции, Sнагр i – нагрузочная мощность i-той подстанции (см. п1. табл.1). ПС1:
Выбираем два трансформатора ТМН-6300/110 для 1 варианта сети, для остальных ТРДН-40000/220. ПС2:
Выбираем два трансформатора ТДН-10000/110 для 1 и 2 вариантов сети, для 5 варианта ТРДН-40000/220. ПС3:
Выбираем два трансформатора ТДН-16000/110 для 1 и 2 вариантов сети, для 5 варианта ТРДН-40000/220. ПС4:
Выбираем два трансформатора ТРДН-25000/110 для 1 варианта сети, для остальных ТРДН-40000/220. ПС5:
Выбираем два трансформатора ТДН-16000/110 для 1 и 2 вариантов сети, для 5 варианта ТРДН-40000/220. ПС6:
Выбираем два трансформатора ТРДН-25000/110 для 1 варианта сети, для остальных ТРДН-40000/220. 5 Технико-экономическое сравнение вариантов и выбор из них лучшего Сравнение различных вариантов и выбор лучшего из них будем производить с использованием минимума дисконтированных издержек:
К – капиталовложения в строительство сети;
i – норматив приведения разновременных затрат ( Капитальные затраты на строительство сети определяются по формуле:
КЛЭП – капиталовложения в линии электропередачи; КТР – капиталовложения в трансформаторы; КОРУ – капиталовложения в открытые распределительные устройства; КПЧЗ – капиталовложения в постоянную часть затрат.
Куд – удельная стоимость ЛЭП; L – длина линии; n – количество параллельно работающих цепей; h– индекс перехода от базовых цен 1991 г. к ценам 2004 г.(h=36,38)
Куд – стоимость трансформатора; nТ – количество трансформаторов; h– индекс перехода от базовых цен 1991 г. к ценам 2004 г.(h=36,38)
nяч – количество ячеек; h– индекс перехода от базовых цен 1991 г. к ценам 2004 г.(h=36,38)
h– индекс перехода от базовых цен 1991 г. к ценам 2004 г.(h=36,38) 5.1 Радиально-магистральная сеть
Рисунок - Однолинейная схема радиально-магистральной сети Рассчитываем капиталовложения в ВЛ для участка 1-5. Удельная стоимость ВЛ выбирается исходя из напряжения ВЛ, сечения провода, количества цепей на опоре и материала опоры. Необходимости сооружения ВЛ для участка 1-5 на отдельно стоящих опорах нет, экономически выгоднее будет сооружение двух цепей на одной железобетонной опоре. Тогда удельная стоимость ВЛ напряжением 110 кВ, с сечением проводов до 150 мм2 равна 57 тыс. руб./км (стоимость на 1991 г.). Таким образом капиталовложения в ВЛ с учетом индекса перехода к ценам 2004 г. для участка 1-5 определятся:
Аналогично определяем капитальные затраты на ВЛ остальных участков сети, результаты расчета заносим в таблицу 8. Таблица 8 – Стоимость ЛЭП
Рассчитываем капиталовложения в трансформаторы подстанции 1. Стоимость одного трансформатора выбираем, исходя из его мощности и высшего напряжения. Для подстанции 1 выбраны два трансформатора марки ТМН-6300/110 (стоимость одного такого трансформатора на 1991 г. составляла 136 тыс. руб.), тогда капиталовложения в трансформаторы подстанции 1 с учетом индекса перехода к ценам 2004 г. определятся:
Аналогично определяем капитальные затраты на трансформаторы остальных подстанций сети, результаты расчета заносим в таблицу 9. Таблица 9 – Капиталовложения в трансформаторы подстанций
Для всех ОРУ на подстанциях выбираем элегазовые выключатели. Рассчитываем капиталовложения в ОРУ подстанции 1 (количество ячеек считаем по однолинейной принципиальной схеме):
Аналогично рассчитываем капиталовложения в ОРУ подстанций 3,4,6 а также РПП и ТЭЦ. Результаты расчета заносим в таблицу 10. На подстанциях 2 и 5 используется мостиковая схема РУ (два блока с выключателями и неавтоматической перемычкой со стороны линии). Стоимость ОРУ напряжением 110 кВ для данной мостиковой схемы на 1991 г. составляла 198 тыс. руб. Капиталовложения в ОРУ с учетом индекса перехода к ценам 2004 г. для подстанций 2 и 5 составят:
Таблица 10 – Капиталовложения в ОРУ
Рассчитываем постоянную часть затрат по подстанциям, исходя из схемы подстанции на стороне ВН, высшего и низшего напряжения. На 1,2,3,4 подстанциях примем напряжение 110/10, на подстанциях 5,6 примем напряжение 110/6. На подстанциях 2 и 5 используется мостиковая схема, постоянная часть затрат на нее для данного напряжения на 1991 г. составляла 395 тыс. руб. Тогда с учетом индекса перехода к ценам 2004 г. ПЧЗ для подстанций 2 и 5 составит:
На остальных подстанциях используются сборные шины, ПЧЗ для каждой такой подстанции на 1991 составляла 515 тыс. руб. Тогда с учетом индекса перехода к ценам 2004 г. ПЧЗ для каждой подстанций 1 и 6 составит:
Общая постоянная часть затрат составит:
Найдем общие капитальные затраты:
Определим издержки на ремонт и обслуживание линий электропередачи:
Определим издержки на ремонт и обслуживание трансформаторов:
Определим издержки на ремонт и обслуживание открытых распределительных устройств:
Определим общие издержки на ремонт и обслуживание:
Рассчитаем издержки на потери электроэнергии в линии. Для этого найдем время максимальных потерь:
Издержки на потери в линии:
Рассчитываем издержки на потери в трансформаторах подстанции 1. Рассчитываем потери в обмотках трансформатора:
На подстанции 1 два параллельно работающих трансформатора, следовательно, потери на холостой ход увеличатся в два раза, а потери в обмотках уменьшатся в два раза. Таким образом, издержки на потери в трансформаторах подстанции 1 составят:
Аналогично определяем издержки на потери электроэнергии в трансформаторах для остальных подстанций. Результаты расчета сводим в таблицу 11. Таблица 11. Издержки на потери в трансформаторах
Общие издержки на потери электроэнергии:
Дисконтированные издержки для радиально-магистральной сети составят:
5. 2 Кольцевая сеть
Рисунок - Однолинейная схема кольцевой сети Рассчитываем капитальные вложения в ВЛ кольцевой сети проводим аналогично расчету радиально-магистральной сети. Результаты расчетов помещаем в таблицу 12. Таблица 12 – Стоимость ЛЭП
Капиталовложения в трансформаторы подстанций рассчитываем аналогично радиально-магистральной сети результаты сводим в таблицу 13. Таблица 13 – Капиталовложения в трансформаторы подстанций
Рассчитываем капиталовложения в ОРУ кольцевой сети (количество ячеек считаем по однолинейной принципиальной схеме). Таблица 14 – Капиталовложения в ОРУ
Рассчитываем постоянную часть затрат по подстанциям, исходя из схемы подстанции на стороне ВН, высшего и низшего напряжения. Т.к. в кольцевой схеме у нас используется везде мостиковая схема, то постоянная часть затрат:
Найдем общие капитальные затраты:
Определим издержки на ремонт и обслуживание линий электропередачи:
Определим издержки на ремонт и обслуживание трансформаторов:
Определим издержки на ремонт и обслуживание открытых распределительных устройств:
Определим общие издержки на ремонт и обслуживание:
Издержки на потери в линии:
Аналогично определяем издержки на потери электроэнергии в трансформаторах как и в предыдущем расчете. Результаты расчета сводим в таблицу 15. Таблица 15. Издержки на потери в трансформаторах
Общие издержки на потери электроэнергии:
Дисконтированные издержки для кольцевой сети составят:
5.3 Комбинированная сеть
Рисунок - Однолинейная схема комбинированной сети Расчет дисконтированных издержек комбинированной сети проводим аналогично расчету дисконтированных издержек радиально-магистральной сети в п. 5.1. и кольцевой сети в п. 5.2. Результаты расчетов помещаем в соответствующие таблицы. Таблица 16. Капиталовложения в ВЛ.
Аналогично определяем капитальные затраты на трансформаторы как в предыдущих расчетах, результаты расчета заносим в таблицу 17. Таблица 17 – Капиталовложения в трансформаторы подстанций
Рассчитываем капиталовложения в ОРУ комбинированной сети (количество ячеек считаем по однолинейной принципиальной схеме). Расчеты ведем аналогично расчетам радиально-магистральной и кольцевой сетей. Результаты заносим в таблицу 17. Таблица 17 – Капиталовложения в ОРУ
Рассчитываем постоянную часть затрат по подстанциям, исходя из схемы подстанции на стороне ВН, высшего и низшего напряжения.
Найдем общие капитальные затраты:
Определим издержки на ремонт и обслуживание линий электропередачи:
Определим издержки на ремонт и обслуживание трансформаторов:
Определим издержки на ремонт и обслуживание открытых распределительных устройств:
Определим общие издержки на ремонт и обслуживание:
Издержки на потери в линии:
Издержки на потери в трансформаторах комбинированной сети считаются так же, как и в ранее представленных вариантах. Результаты приведены в таблице 18. Таблица 18. Издержки на потери в трансформаторах
Общие издержки на потери электроэнергии:
Дисконтированные издержки для комбинированной сети составят:
Таким образом, минимум дисконтированных издержек мы получили в кольцевой сети (она является экономически выгоднее радиально-магистральной примерно на 28,72%, а комбинированной – на 45,38%). Дальнейшие расчеты будем производить для кольцевой сети. |
|||||||||||||||||||||||||||||||||||||||||||||||||||||||||||||||||||||||||||||||||||||||||||||||||||||||||||||||||||||||||||||||||||||||||||||||||||||||||||||||||||||||||||||||||||||||||||||||||||||||||||||||||||||||||||||||||||||||||||||||||||||||||||||||||||||||||||||||||||||||||||||||||||||||||||||||||||||||||||||||||||||||||||||||||||||||||||||||||||||||||||||||||||||||||||||||||||||||||||||||||||||||||||||||||||||||||||||||||||||||||||||||||||||||||||||||||||||||||||||||||||||||||||||||||||||||||||||||||||||||||||||||||||||||||||||||||||||||||||||||||||||||||||||||||||||||||||||||||||||||||||||||||||||||||||||||||||||||||||||||||||||||||||||||||||||||||||||||||||||||||||||||||||||||||||||||||||||||||||||||||||||||||||||||||||||||||||||||||||||||||||||||||||||||||||||||||||||||||||||||||||||||||||||||||||||||||||||||||||||||||||||||||||||||||||||||||||||||||||||||||||||||||||||||||||||||||||||||||||||||||||||||||||||||||||||||||||||||||||||||||||||||||||||||||||||||||||||||||||||||





























































