Реферат: Усилители постоянного тока 2
|
Название: Усилители постоянного тока 2 Раздел: Промышленность, производство Тип: реферат |
Мордовский государственный университет имени Н.П. Огарева Факультет электронной техники Кафедра микроэлектроники КУРСОВАЯ РАБОТА Усилители постоянного тока Автор курсовой работы _________________________________Кутяшов К.В. дата, подпись Специальность 200200 Микроэлектроника и полупроводниковые приборы Обозначение курсовой работы КР-02069964-200200-06-03 Руководитель работы ____________________________________Ионычев В.К. дата, подпись Оценка__________________ Саранск 2003 Мордовский государственный университет имЕНИ Н.П. ОгареваФакультет электронной техники Кафедра микроэлектроники Задание на курсовую работуСтудент Кутяшов К.В. группа МПП 403 1. Тема усилители постоянного тока 2. Срок представления работы к защите20.06.2003 3. Исходные данные для научного исследования научно–техническая литература 3.1. Забродин Ю.С. Промышленная электроника. – М.: Высшая школа, 1982.-496с. 3.2. Виноградов Ю.В. Основы электронной и полупроводниковой техники. – М.: Энергия, 1972. –535с. 3.3. Цыкина А.В. Проектирование транзисторных усилителей. – М.: Высшая школа, 1965. –375с. 3.4 Полупроводниковые приборы и их применение, сб. статей под ред. Я.А.Федотова, - «Советское радио», 1956 –1969 4. Содержание курсовой работы 4.1.Основные параметры и характеристики 4.2. Особенности непосредственной связи в усилителях постоянного тока 4.3. Дифференциальные усилительные каскады 4.4. Дифференциальный каскад с динамическими нагрузками 5. Перечень графического материала: нет Руководитель работы ____________________________________Ионычев В.К. дата, подпись Задание принял к исполнению ____________________________Кутяшов К.В. дата, подпись Мордовский государственный университет имени Н.П. Огарева Факультет электронной техники Кафедра микроэлектроники ПОЯСНИТЕЛЬНАЯ ЗАПИСКА К КУРСОВОЙ РАБОТЕ на тему усилители постоянного тока по дисциплине твердотельная электроника Автор курсового проекта ________________________________Кутяшов К.В. дата, подпись Специальность 200200 Микроэлектроника и полупроводниковые приборы Обозначение курсовой работы КР-02069964-200200-06-03 Руководитель работы ____________________________________Ионычев В.К. дата, подпись Проект защищен___________________ Оценка____________________ дата
СОДЕРЖАНИЕ 1.ОСНОВНЫЕ ПАРАМЕТРЫ И ХАРАКТЕРИСТИКИ 7 2. ОСОБЕННОСТИ НЕПОСРЕДСТВЕННОЙ СВЯЗИ В УСИЛИТЕЛЯХ ПОСТОЯННОГО ТОКА 9 3. ДИФФЕРЕНЦИАЛЬНЫЕ УСИЛИТЕЛЬНЫЕ КАСКАДЫ 12 4.ДИФФЕРЕНЦИАЛЬНЫЙ КАСКАД С ДИНАМИЧЕСКИМИ НАГРУЗКАМИ 15 СПИСОК ИСПОЛЬЗОВАННЫХ ИСТОЧНИКОВ 18 ВВЕДЕНИЕ При разработке усилителей постоянного тока приходится решать две основные проблемы: согласование потенциальных уровней в разных частях схемы и уменьшение нестабильности (дрейфа) выходного уровня напряжения или тока в отсутствие сигнала. В данной курсовой работе рассмотрим основные параметры и характеристики усилителя постоянного тока, особенности непосредственной связи в УПТ, дифференциальные усилительные каскады и дифференциальный каскад с динамическими нагрузками. Для усиления сигналов, медленно изменяющихся во времени, т.е. сигналов, эквивалентная частота которых приближается к нулю и предназначены усилители постоянного тока. Для передачи медленно изменяющегося сигнала по тракту усиления необходимы непосредственная (по постоянному току) связь источника входного сигнала с входной цепью усилителя и аналогичная связь между усилительными каскадами. Радикальным средством уменьшения дрейфа УПТ является применение параллельно-балансных (дифференциальных) каскадов. При создании многокаскадных УПТ широко используют транзисторы, выполняющие функцию динамических нагрузок каскада. В настоящее время техника усиления электрических сигналов базируется на интегральной электронике. Как известно, реактивные элементы трудны в интегральной реализации. Учитывая это, подавляющее большинство усилителей различного назначения выполняют на основе УПТ с непосредственной связью. По такому принципу, в частности, создают усилители звуковых частот, усилители высокой частоты, широкополосные и линейные импульсные усилители, узкополосные (избирательные) усилители. На базе УПТ с непосредственной связью выполняют также генераторы синусоидальных колебаний и многие импульсные схемы. 1.ОСНОВНЫЕ ПАРАМЕТРЫ И ХАРАКТЕРИСТИКИ Усилителем называют устройство, предназначенное для увеличения параметров электрического сигнала (напряжения, тока, мощности). Усилитель имеет входную цепь, к которой подключается усиливаемый сигнал, и выходную цепь, с которой выходной сигнал снимается и подаётся в нагрузку. Основными параметрами усилителя являются коэффициент усиления по напряжению KU = Uвых/Uвх, коэффициент усиления по току КI = Iвых/Iвх и коэффициент усиления по мощности KP =Pвых/Pвх = UвыхIвых/UвхIвх = КUKI.[1] У
Амплитудно-частотная характеристика усилителя постоянного тока
Рис.1.1. Связь источника сигнала с входом усилителя и межкаскадные связи не могут быть осуществлены в УПТ посредством конденсаторов и трансформаторов, поскольку это обеспечило бы амплитудно-частотную характеристику, у которой KU = 0 при f = 0.[2] Для передачи медленно изменяющегося сигнала по тракту усиления необходимы непосредственная (по постоянному току) связь источника входного сигнала с входной цепью усилителя и аналогичная связь между усилительными каскадами. Наличие непосредственной связи обуславливает особенности задания точки покоя транзисторов в УПТ в сравнении с ранее рассмотренными усилителями. Так, в усилителях с конденсаторной связью режим каждого каскада по постоянному току (режим покоя) определяется только элементами каскада, и параметры этого режима рассчитывают индивидуально для каждого каскада. Конденсаторы, связывающие усилительные каскады по переменному току, отделяют их одновременно по постоянному току. Благодаря этому изменение по какой-либо причине режима по постоянному току одного из усилительных каскадов не влияет на режимы по постоянному току других каскадов и практически не сказывается на величине выходного напряжения усилителя. В УПТ отсутствуют элементы, предназначенные для отделения усилительных каскадов по постоянному току. В связи с этим выходное напряжение определяется здесь не только усиленным полезным сигналом, но и ложным сигналом, создаваемым за счёт изменения режима по постоянному току. Очевидно, что особенно нежелательны здесь изменения режима по постоянному току в первых каскадах, поскольку эти изменения усиливаются последующими каскадами. Самопроизвольное изменение выходного напряжения УПТ при неизменном напряжении входного сигнала называется дрейфом усилителя. Причинами дрейфа являются нестабильность напряжений питания схемы, температурная и временная нестабильности параметров транзисторов и резисторов. Напряжение дрейфа выходного напряжения Непосредственная связь каскадов в УПТ обуславливает особенности расчёта их режима покоя (напряжения и токов при eг= 0). Параметры режима покоя каскада рассчитывают с учётом элементов, относящихся к выходной цепи предыдущего каскада и входной цепи последующего каскада. При выборе схемы каскада особое внимание уделяется обеспечению стабильности параметров режима покоя в отношении влияния всех дестабилизирующих факторов и особенно изменения напряжения питания и температуры окружающей среды.[3] Особенности непосредственной связи каскадов в УПТ рассмотрим на примере трёхкаскадного усилителя (рис.2.1). В схеме усилителя выводы коллектора и базы транзисторов соседних каскадов соединены непосредственно. В этих условиях резисторы Rэ каждого последующего каскада (осуществляющие внутрикаскадные отрицательные обратные связи по постоянному току) предназначены также для создания необходимого напряжения Uбэп в режиме покоя. Это достигается повышением отрицательного потенциала на эмиттере каждого транзистора от протекания через резистор Rэ эмиттерного тока до величины, меньшей по абсолютному значению потенциала его базы или, что то же, потенциала коллектора транзистора предыдущего каскада. Так, для транзистора T2 второго каскада имеем: Uбэп2 = Uкп1 – Uэп2 = Uкп1 – Iэп2Rэ2. (1.1) Во входную цепь усилителя (рис.2.1) последовательно с источником входного сигнала включен источник входного компенсирующего напряженияUкомп.вх. его вводят для того, чтобы при eг = 0 напряжение Uбп1 соответствовало требуемому значению напряжения в режиме покоя и ток через источник был равен нулю. С этой целью компенсирующее напряжение выбирают равным Uбп1. Нагрузка Rн усилителя включена в диагональ моста, образованного элементами выходной цепи оконечного каскада и резисторами R3, R4. Такой способ подключения нагрузки используют в тех случаях, когда необходимо обеспечить условие Uн = 0 при eг =0. Резисторы R3, R4 в схеме выполняют роль делителя для создания компенсирующего напряжения выходной цепи каскада, равного Uкп3 при eг = 0. Сопротивление Rэ1, рассчитываемое по режиму температурной стабилизации первого каскада, имеет величину от нескольких сотен Ом до 1-3 кОм. Сопротивления Rэ последующих каскадов используют не только для температурной стабилизации, но также для обеспечения требуемых значений Uбэп в режиме покоя. При связи базы транзистора последующего каскада с коллектором транзистора предыдущего каскада (рис.2.1) напряжение на эмиттере, так же как и напряжение на коллекторе каждого последующего каскада, увеличивается (по абсолютной величине в случае транзисторов типа p-n-p).
Простейшая схема. многокаскадного УПТ.
- ЕК R3 RК3 RК2 RК1 R1 RН Т3 Т2 Т1 Uн Iкп1 Iбп2 RГ eГ Uкомп.вх R2 Rэ1 Rэ2 Rэ3 R4 Uбп1 Uкп1 Uбэп2 Uкп3 Iэп2 Uкомп.н
Рис.2.1.
Способы повышения коэффициентов усиления усилительных каскадов, входящих в УПТ. -Ек Rд Rк2 Rк1 Т1 Т2 Rэ1 Uкп1 Uэп2 Iд -Ек Rк1 Rк2 Rд Т2 Т1 Rэ2 Iд
Рис.2.2. Rэ2 Iэп2 Rэ1 Д _-_________ + Iэп2 а) б) Это вызывает необходимость повышения сопротивления Rэ в каждом последующем каскаде с целью получения требуемых значений Uэп. Возникающие при этом трудности связаны с тем, что увеличение Rэ приводит к уменьшению коэффициентов усиления последующих каскадов и общего коэффициента усиления усилителя. Указанный недостаток схемы может быть исключён при некотором видоизменении её каскадов, как показано на рис.2.2,а,б. В схеме рис.2.2,а сопротивление Rэ уменьшается за счёт включения резистора Rд и пропускания через резистор Rэ дополнительной составляющей тока Iд. Для схемы рис.2.2,б задачу решают включением в цепь эмиттера стабилитрона. Способ построения УПТ на основе непосредственной связи простейших усилительных каскадов может быть использован для получения сравнительно невысокого коэффициента усиления (порядка нескольких десятков) при относительно большом усиливаемом сигнале 0,05 – 0,1 В. При необходимости получения больших коэффициентов усиления (сотни и тысячи) применение этого способа построения УПТ невозможно ввиду сильного проявления дрейфа усилителя, вызываемого нестабильностью напряжения питания и особенно температурной нестабильностью параметров транзисторов, в частности Iк0(э) = (1+B)Iк0. Минимальные изменения напряжения на коллекторах транзисторов первых каскадов, возникающие под воздействием температурных изменений тока Iк0(э), усиливаются последующими каскадами, создавая недопустимые изменения выходного напряжения усилителя. Применение же температурной компенсации здесь затруднено по технологическим соображениям. Она основана на том, что при Температурная компенсация предполагает включение в схему усилителя термочувствительных элементов, например терморезисторов. Она основана на том, что при изменении температуры приращения токов и напряжений в схеме под влиянием изменения параметров вводимых элементов действуют в направлении, обратном их приращениям, вследствие температурной нестабильности параметров транзисторов. В условиях разброса параметров используемых элементов температурная компенсация требует тщательного подбора термокомпенсирующих элементов для каждого отдельного усилителя с учётом всего температурного диапазона его работы, что неприемлемо при серийном производстве и эксплуатации аппаратуры (из-за трудностей ремонта).[1] 3. ДИФФЕРЕНЦИАЛЬНЫЕ УСИЛИТЕЛЬНЫЕ КАСКАДЫРадикальным средством уменьшения дрейфа УПТ являетсяприменениепараллельно-балансных (дифференциальных)каскадов. Одна из наиболее распространённых схем дифференциальных усилительных каскадов представлена на рис.3.1. По этой схеме построены каскады, выпускаемые в виде отдельных микросхем (например, К1УТ181, К1УТ221); она используется также во входных каскадах многих УПТ интегрального исполнения.[4] Дифференциальный усилительный каскад выполняют по принципу сбалансированного моста, два плеча которого образованы резисторами Rк1 и Rк2, а два других – транзисторами Т1 и Т2. Выходное напряжение снимается между коллекторами транзисторов (т.е. с диагонали моста) или с коллекторов. На транзисторе Т3 собрана схема источника стабильного тока Iэ1 и Iэ2 транзисторов Т1, Т2.в схему источника стабильного тока входят резисторы R1, R2, R3 и источник питания Eк2. Транзистор Т4 в диодном включении предназначен для повышения стабильности тока Iэ в зависимости от изменения температуры (элемент температурной компенсации). Дифференциальный каскад допускает подачу входных сигналов от двух источников (на оба входа Uвх1, Uвх2) или от одного источника входного сигнала (рис.3.1, 3.2). в последнем случае входной сигнал подаётся на базу одного из транзисторов или между обеими базами. Входы Uвх1 и Uвх2 при схемах соединения по рис.3.3, 3.4 называются дифференциальными. Питание каскада производится от источников + Ек1 и – Ек2 с равными напряжениями. С помощью напряжения питания Ек2 снижают потенциал эмиттеров транзисторов Т1, Т2 относительно общей точки схемы («земли»). Это позволяет подавать сигналы на входы усилителя без введения дополнительных компенсирующих напряжений, что требовалось, в частности, в схеме рис.3.1. Схема дифференциального каскада требует применения близких по параметрам транзисторов Т1, Т2 и равенства сопротивлений Rк1, Rк2 (рис.3.2). Благодаря этому при входных сигналах, равных нулю, достигается баланс моста, напряжения на коллекторах обоих транзисторов равны и выходное напряжение, снимаемое с диагонали, Uвых = Uвых1 – Uвых2 = 0. Высокая стабильность схемы в отношении изменения напряжения питания, температуры и прочих факторов объясняется тем, что при одинаковом дрейфе по обоим усилительным каналам каскада напряжения на коллекторах изменяются на одну и ту же величину и дрейф на выходе каскада отсутствует. В реальных условиях за счёт существующего разброса параметров транзисторов или их неодинакового изменения во времени некоторый дрейф в каскаде всё же имеется. Однако он существенно меньше, чем в предыдущих схемах, поскольку величина дрейфа здесь определяется разностным дрейфом двух близки по параметрам усилительных каналов. Идентичность параметров транзисторов Т1, Т2 легко достигается при интегральном (микросхемном) исполнении, когда их изготовление осуществляется в едином технологическом процессе на общем кристалле полупроводника.
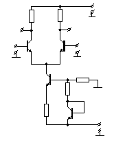
Упрощённая схема параллельно-балансного (дифференциального) усилительного каскада.
Схема параллельно-балансного (дифференциального) усилительного каскада. ![]() + - Ек1 Rк1 Rк2 R1 Т2 Т1 Т3 Uвх2 Uвх1 Uк2=Uвых2 Uк1=Uвых1 Uвых Iк1 Iк2 Iэ1 + - Ек1 Rк2 Rк1 Т2 Т1 Uвх2 Uвх1 Uк2=Uвых2 Uк1=Uвых1 Iэ1 Iэ2 Iк1 Iк2 Uвых
Рис.3.1 Рис.3.2. R2 R3 Т4 - + Ек2 Iэ I1 - + Eк2 Iэ
Способы подачи дифференциального входного сигнала. UВХ1 UВХ2 Т1 Т2 Т1 Т2 IЭ IЭ а) б)
Рис.3.3. Схема дифференциального усилительного каскада допускает подачу входных сигналов одновременно на оба входа (рис.3.2). Дифференциальное входное напряжение при сигналах Uвх 1, Uвх2 неодинаковой полярности будет равно Uвх = Uвх1 + Uвх2 (3.1), а дифференциальное входное напряжение: Uвых = KUд(Uвх1+Uвх2) (3.2) Представляет интерес также подключение входных напряжений одинаковой полярности, т.е. двух совпадающих по фазе (синфазных) сигналов. Дифференциальный каскад позволяет решать часто встречающуюся на практике задачу сравнения с высокой степенью точности значений напряжений входных сигналов или увеличения их разности. Это, в частности, объясняет название «дифференциальный каскад». При наличии двух синфазных входных сигналов дифференциальное выходное напряжение пропорционально разности Uвх1 – Uвх2: Uвых = KUд(Uвх1 – Uвх2) (3.3) При подаче на входы двух сигналов одинаковой полярности необходимо учитывать возможность появления на выходах Uвых1, Uвых2 так называемой выходной синфазной ошибки. Она обусловливается наличием на обоих входах одинакового постоянного напряжения (постоянной составляющей), равному наименьшему из напряжений Uвх1, Uвх2. Синфазную ошибку усиления оценивают коэффициентомсинфазной передачи каскада Ксинф = При интегральном исполнении дифференциальных усилительных каскадов вместо резисторов Rк широко используют транзисторы, выполняющие функцию динамических нагрузоккаскада. Подобные схемы позволяют обеспечить существенно большие значения коэффициента усиления RUд по сравнению с рассмотренной схемой, имеющей резистивные нагрузки, что важно при создании многокаскадных УПТ. Пример построения одной из схем таких каскадов показан на рис.4.1.
Схема дифференциального каскада с динамическими нагрузками. Т4 Т3 + - _ ЕК1 RН + _ IН UВЫХ UВХ1 IВХ eг + RГ Т1Т2 IЭ1 IЭ2
Рис.4.1. IЭ _ + ЕК2 ______- _ Транзисторы Т3, Т4 p-n-p-типа, выполняющие функцию динамических нагрузок каскада, близки по параметрам. При этом транзистор Т3 используется в качестве диода. Ток Iк1 транзистора Т1, протекающий также через транзистор Т3, создаёт напряжение Uбэ3, определяющее входное напряжение Uбэ4. Поскольку транзисторы Е3, Т4 близки по параметрам, ток Iк4 будет близок к Iк1 (это свойство получило название токового зеркала). В этом, в частности, заключается главная особенность рассматриваемой схемы. Выходной дифференциальный сигнал снимается с коллектора транзистора Т2. При eг = 0 схема находится в режиме покоя (баланса). Токи Iк1 = Iк2 = Iк4 В многокаскадных УПТ Rн является входным сопротивлением последующего каскада, величина которого с помощью средств современной схемотехники может быть обеспечена порядка нескольких сотен килом. В настоящее время техника усиления электрических сигналов базируется на интегральной электронике. Как известно, реактивные элементы трудны в интегральной реализации. Учитывая это, подавляющее большинство усилителей различного назначения выполняют на основе УПТ с непосредственной связью. По такому принципу, в частности, создают усилители звуковых частот, усилители высокой частоты, широкополосные и линейные импульсные усилители, узкополосные (избирательные) усилители. На базе УПТ с непосредственной связью выполняют также генераторы синусоидальных колебаний и многие импульсные схемы.[2] ЗАКЛЮЧЕНИЕ В данной курсовой работе были кратко изложены основные понятия и характеристики усилителя постоянного тока. Рассмотренная тема даёт представление о работе усилителей. Из работы следует, что характерной особенностью УПТ является способность усиливать сигналы с нижней частотой, приближающейся к нулю (fн В настоящее время усилительная техника базируется на линейных (аналоговых) интегральных микросхемах, что учитывается смысловой направленностью представленного материала. Однако вследствие того, что объём данной курсовой работы не позволяет включить в себя объём всего материала, изученного при работе над данной темой, то большое количество не менее важных аспектов, по данному вопросу, окажутся не включёнными в излагаемый материал. СПИСОК ИСПОЛЬЗОВАННЫХ ИСТОЧНИКОВЗабродин Ю.С. Промышленная электроника. – М.: Высшая школа, 1982.-496с. Виноградов Ю.В. Основы электронной и полупроводниковой техники. – М.: Энергия, 1972. –535с. Цыкина А.В. Проектирование транзисторных усилителей. – М.: Высшая школа, 1965. –375с. Полупроводниковые приборы и их применение, сб.статей под ред. Я.А.Федотова, - «Советское радио», 1956 –1969.
18 |







