Курсовая работа: Типы понижающих трансформаторов для питания тяговых районных и нетяговых железнодорожных потребителей
|
Название: Типы понижающих трансформаторов для питания тяговых районных и нетяговых железнодорожных потребителей Раздел: Рефераты по физике Тип: курсовая работа | ||||||||||||||||||||||||||||||||||||||||||||||||||||||||||||||||||||||||||||||||||||||||||||||||||||||||||||||||||||||||||||||||||||||||||||||||||||||||||||||||||||||||||||||||||||||||||||||||||||||||||||||||||||||||||||||||||||||||||||||||||||||||||||||||||||||||||||||||||||||||||||||||||||||||||||||||||||||||||||||||||||||||||||||||||||||||||||||||||||||||||||||||||||||||||||||||||||||||||||||||||||||||||||||||||||||||||||||||||||||||||||||||||||||||||||||||||||||||||||||||||||||||||||||||||||||||||||
Федеральное Агентство Железнодорожного Транспорта Иркутский Государственный Университет Путей Сообщения Курсовой проект По дисциплине: Тяговые и трансформаторные подстанции Выполнил: ст. группы ЭНС-07-2 Горшков В.К. Проверил(а): Пузина Е.Ю. г. Иркутск 2010 г. Содержание Введение Исходные данные Глава 1. Однолинейная схема главных электрических соединений 1.1 Структурная схема тяговой подстанции 1.2 Выбор типа силового оборудования 1.3 Разработка однолинейной схемы тяговой подстанции 1.4 Описание назначения основных элементов схемы тяговой подстанции 1.5 Выбор трансформатора собственных нужд 1.6 Схемы питания потребителей собственных нужд Глава 2. Расчет токов короткого замыкания 2.1 Расчетная схема тяговой подстанции 2.2 Электрическая схема замещения 2.3 расчет сопротивления элементов схемы замещения 2.4 расчет токов КЗ на шинах РУ 2.5 Расчет токов КЗ в цепях собственных нужд Глава 3. Выбор аппаратуры и токоведущих частей подстанции 3.1 Расчет максимальных рабочих токов основных присоединений подстанции 3.2 Расчет величины теплового импульса для всех РУ 3.3 Выбор сборных шин и токоведущих элементов. Выбор изоляторов 3.4 Выбор коммутационных аппаратов 3.4.1 Выключатели 3.4.2 Разъединители 3.4.3 Предохранители 3.5 Выбор измерительных трансформаторов 3.5.1 Выбор объема измерений 3.5.2 Разработка схем измерений 3.5.3 Выбор трансформаторов тока 3.5.4 Выбор трансформаторов напряжения 3.6 Выбор ограничителей перенапряжения 3.7 Выбор аккумуляторной батареи и зарядно-подзарядного агрегата Глава 4. План тяговой подстанции 4.1 Разработка плана тяговой подстанции 4.2 Расчет площади открытой части тяговой подстанции Глава 5. Расчет заземляющего устройства Глава 6. Экономическая часть проекта 6.1 Определение стоимости тяговой подстанции 6.2 Основные технико-экономические показатели тяговой подстанции Список используемой литературы Введение Энергию на тягу поездов получают от энергосистем через их высоковольтные линии и районные подстанции, непременно, через специальные тяговые подстанции, являющиеся элементами системы электроснабжения электрифицированных железных дорог. Каждая тяговая подстанция является ответственным электротехническим сооружением (электроустановкой), оснащенной мощной современной силовой (трансформаторы, автотрансформаторы, полупроводниковые преобразователи, батареи конденсаторов), коммутационной (выключатели переменного и постоянного тока, разъединители, короткозамыкатели) и вспомогательной аппаратурой, большая часть которой работает в режиме автотелеуправления. Насыщенность тяговых подстанций разнообразной по назначению аппаратурой существенно выше, чем равных по мощности и классу первичного питающего напряжения подстанций энергосистем. Это объясняется многофункциональностью тяговых подстанций - от них получают питание не только электрические поезда, но также районные и нетяговые потребители железных дорог. К схемам и конструкциям тяговых подстанций предъявляют определенные технические требования. Так, установленная мощность их трансформаторов и преобразователей должна соответствовать спросу потребителей электроэнергии (электрических поездов, районных и нетяговых железнодорожных потребителей), коммутационная и вспомогательная аппаратура обеспечивать бесперебойное питание потребителей электроэнергии на требуемом уровне надежности. Очень важно также, чтобы качество электрической энергии соответствовало установленным нормам. Основной задачей системы электроснабжения является обеспечение эксплуатационной работы железной дороги для этого необходимо, что бы мощность всех элементов системы электроснабжения была достаточной для обеспечения потребной каждому локомотиву мощности при самых разнообразных условиях работы железной дороги. Эти задачи могут быть решены только при правильно выбранных параметрах системы электроснабжения, т.е. обеспечивающих работу оборудования в допустимых для него пределах по нагрузке и необходимое качество электроэнергии, а также при обеспечении необходимого резерва. Известно, что недопустимое для данного элемента электрической установки увеличение нагрузки может привести к выходу его из строя. С другой стороны, увеличение номинальной мощности любого элемента и, следовательно, допустимой для него нагрузки связано с увеличением затрат. Поэтому необходимо уметь выбирать параметры всех устройств системы электроснабжения так, чтобы они бесперебойно работали в течение времени, определяемого их нормальным сроком службы, при минимальных затратах. Проектирование тяговой подстанции выполняется с учетом действующих правил и норм на основании имеющегося опыта эксплуатации и имеющихся достижений науки и технике в области электрифицированного железнодорожного транспорта. Целью курсового проекта являются обобщения и углубления студентами знаний по дисциплине, изучение современных проблем проектирования. Грамотно эксплуатировать оборудование тяговой подстанции, уметь наблюдать и анализировать происходящие в нем процессы, при необходимости наметить пути усовершенствования отдельных узлов и иметь уверенность в том, что их осуществление возможно только после тщательного целенаправленного изучения принципа действия и устройства всего того единого целого, что объясняется названием тяговая подстанция. Тяговые подстанции выполняются в соответствии с действующими нормами и правилами. Исходные данные 1. Схема питания.
Двухцепная ЛЭП-110кВ 2. Тяговая подстанция: №2 3. Род тока: переменный ( 4. Характеристика источников питания. ИП 1; ИП 2: 5. Данные по понизительным трансформаторам, фидерам районной нагрузки и количеству перерабатываемой электроэнергии.
6. Длины ЛЭП: l1 = 50 км; l2 = 55 км; l3 = 55 км; l4 = 45 км; 7. Данные по цепям собственных нужд.
8. Данные для расчёта заземляющих устройств. Сопротивление верхнего слоя земли: Сопротивление нижнего слоя земли: Толщина верхнего слоя земли: Время протекания 9. Выдержка времени релейной защиты. Вводы 110 кВ – 2,5 с. Вводы 27.5 кВ – 1,5 с. Вводы 10 кВ – 1,0 с. Фидер 27.5 кВ – 0,5 с. Фидер 10 кВ – 0,5 с. Глава 1. Однолинейная схема главных электрических подстанций 1.1 Структурная схема тяговой подстанции
1.2 Выбор типа силового трансформатора
1.3 Разработка однолинейной схемы тяговой подстанции Согласно ПУЭ электрифицированные железных дороги относится к потребителям первой категории, для которых перерыв в электроснабжении не допускается, поэтому схемы электроснабжения выполняют таким образом, что при повреждении или ремонте любого элемента обеспечивалось непрерывное питание ЭПС. Конфигурация и основные особенности схемы внешнего электроснабжения тяговых подстанций зависят от значения питающего напряжения и надежности элементов системы, в частности ЛЭП и коммутационных аппаратов. Однолинейная схема определяет состав необходимого высоковольтного оборудования, а дальнейшие расчеты позволяют выбрать тип оборудования. Проектируемая транзитная подстанция переменного тока имеет три распределительных устройства напряжением 110, 27,5 и 10 кВ. ОРУ-110 кВ выполнено по схеме два ввода с двумя перемычками: рабочей перемычкой содержащей выключатель и ремонтной перемычкой без выключателя, а также имеется дополнительная перемычка для подключения дополнительного трансформатора. ОРУ-27.5 кВ выполнено по схеме одна трёхфазная рабочая система сборных шин секционированная разъединителями и одна обходная система сборных шин. При этом в рабочей системе сборных шин две фазы выполняются воздушными проводами. Третья фаза выполняется в виде отрезка рельса заглубленного в землю. РУ-10 кВ выполнено по схеме одна рабочая система сборных шин, секционированная выключателем. 1.4 Описание назначения основных элементов схемы тяговой подстанции К основным элементам тяговой подстанции относятся: Силовые трансформаторы предназначены для преобразования электрической энергии по уровню напряжения. Для компенсации колебания напряжения в питающей сети, трансформаторы оборудуют устройством для регулирования напряжения под нагрузкой. Высоковольтные выключатели переменного тока – предназначены для включения и отключения высоковольтных цепей переменного тока в нормальном и аварийном режимах работы. Разъединители – аппараты, применяемые в электроустановках выше 1000 В и предназначенные для коммутации предварительно обесточенных электрических цепей, а также для создания видимого разрыва цепи, обеспечивающего безопасность работы персонала. Трансформаторы тока – предназначены для преобразования электрической энергии по уровню тока с целью уменьшения первичного тока до значений наиболее удобных для питания измерительных приборов и реле, а также для отделения цепей измерения и защиты от первичных цепей высокого напряжения. Трансформаторы напряжения – предназначены для преобразования электрической энергии по уровню напряжения с целью понижения первичного напряжения до величины, удобной для питания приборов и реле, а также для изоляции цепей обмоток вольтметров, счётчиков, реле и других приборов от сети первичного напряжения. Ограничители перенапряжений – предназначены для защиты изоляции электрических цепей, электрооборудования и аппаратуры от атмосферных и коммутационных перенапряжений. Токоведущие части – неизолированные и изолированные проводники, предназначенные для соединения источников с приёмниками энергии через различные переключающие аппараты. Изоляторы – электротехнические устройства предназначенные для электрической изоляции и механического крепления электроустановок или их отдельных частей, находящихся под разными электрическими потенциалами. ТСН – предназначены для преобразования электрической энергии по уровню напряжения до значения 380/220 В и для питания собственных нужд тяговой подстанции. 1.5 Выбор трансформатора собственных нужд На тяговой подстанции устанавливают два ТСН с вторичным напряжением 380/220 В, каждый из которых рассчитан на полную мощность собственных нужд. Питание ТСН на тяговых подстанциях переменного тока осуществляем от шин 27,5 кВ. Необходимая мощность для питания собственных нужд переменного тока может быть определена суммированием всех мощностей потребителей подстанции. Расчётная мощность для питания собственных нужд (мощность ТСН) определяется: Расчётную мощность ТСН определим по формуле:
где: Sу – установленная мощность ТСН:
где:
где:
Мощность подогрева элегаза и приводов высоковольтных выключателей: Таблица 1
Итого: Робщ = 45,08 кВт Данные по цепям собственных нужд:
По рассчитанной мощности выбираем ТСН типа: ТМ –160/27,5 – 74 У1.
1.6 Схемы питания потребителей собственных нуждПитание потребителей собственных нужд переменного тока осуществляется от системы сборных шин 380/220 В. В качестве резервного источника электроэнергии собственных нужд переменного тока используют дизель – генератор. Собственные нужды постоянного тока 110(220) В питаются от аккумуляторной батареи (рис. 1, 2, 3).
Рис. 1 - Принципиальная схема питания СН переменного тока открытой части тяговой подстанции: 1 и 10 – шкафа СН в здании подстанции; 2 – обдува понижающих трансформаторов; 3 – ВЛ СЦБ; 4 – освещения камер 10 кВ и СЦБ; 5 – резервный; 6 – освещения открытой части подстанции; 7 – передвижного масляного хозяйства; 8 – питания дистанций контактной сети; 9 – подогрева масла и приводов высоковольтных выключателей
Рис. 2- Принципиальная схема питания СН переменного тока закрытой части тяговой подстанции. Фидеры: 1 – сверлильного и наждачного станков; 2 – электрических печей щитовой и подсобных помещений; 3 – насоса откачки воды из баков для слива масла; 6,7 и 8 – питания соответственно пульта дистанционного управления разъединителями контактной сети, стоек телемеханики и автоматики; 9 – питания подзарядных устройств; 10 – калориферов и вентиляторов помещения аккумуляторной батареи; 11 – освещения здания тяговой подстанции; 12 – электрических печей помещения дизель – генератора; 13 – вентиляторов помещения дизель – генератора. Вводы: I и III – фидеров СН от ТСН на открытой части тяговой подстанции; II – резервный от дизель – генератора
Рис. 3 - Принципиальная схема питания СН постоянного тока. Цепи питания: 1 – приводов высоковольтных выключателей; 2 – устройств управления и сигнализации; 3 – аварийного освещения; 4 – земляной защиты; 5 – унифицированного преобразователя напряжения устройств автоматики и телемеханики. Глава 2. Расчет токов короткого замыкания 2.1 Расчетная схема тяговой подстанции
Рис. 4 2.1 Расчетная схема тяговой подстанции
Рис. 5 2.3 Расчёт сопротивлений элементов схемы замещения. Для расчетов относительных сопротивлений примем Относительные сопротивления энергосистемы :
Относительные сопротивления ЛЭП :
где: l – длина линии, км. Расчётные значения напряжения К.З.
Относительные сопротивления обмоток тягового трансформатора:
где: Преобразуем схему замещения до точки К1 (рис. 6).
Рис. 6 Преобразуем треугольник сопротивлений
Рис. 7
в). Звезду сопротивлений
Рис. 8
Ветвь, содержащую сопротивление, убираем, так как точки источников питания равнопотенциальны, и ток через эту ветвь не потечёт, значит сопротивлением можно пренебречь. Преобразуем схему замещения до точки К2 (рис. 9, 10, 11):
Рис. 9
Рис. 10
Преобразуем звезду сопротивлений
Рис. 11
Ветвь, содержащую сопротивление, убираем, так как точки источников питания равнопотенциальны, и ток через эту ветвь не потечёт, значит сопротивлением можно пренебречь. Преобразуем схему замещения до точки К3 (рис. 12, 13):
Рис. 12
Рис. 13
в).Преобразуем звезду сопротивлений
Рис. 14
Ветвь, содержащую сопротивление, убираем, так как точки источников питания равнопотенциальны, и ток через эту ветвь не потечёт, значит сопротивлением можно пренебречь. 2.4 Расчёт токов короткого замыкания на шинах РУ 2.4.1 РУ-110 кВ Проверяем на удалённость точку короткого замыкания К1:
где: а).При расчёте токов короткого замыкания от первого источника используем метод типовых кривых, так как короткое замыкание неудалённое. 1. Определяем конкретное значение критерия удалённости, используя выражение:
Тогда
2. Время отключения тока короткого замыкания:
где
3. По типовым кривым в соответствии с полученным значением времени отключения и выбранной кривой определяем относительное значение периодической составляющей: n * = 1,02; 4. Периодическая составляющая тока короткого замыкания:
5. Апериодической составляющая:
где 6. Ударный ток.
где 7. Полный ток короткого замыкания.
б).При расчёте токов короткого замыкания от второго источника используем приближенный метод, так как короткое замыкание неудалённое. 1. Периодическая составляющая.
2. Время отключения тока короткого замыкания:
Для выключателя ВЭБ-110-40/2000
3. Апериодическая составляющая:
4. Ударный ток:
5. Полный ток короткого замыкания:
Суммарные токи к.з. от двух источников питания:
2.4.2 РУ-27,5 кВ Проверяем на удалённость точку короткого замыкания К2:
следовательно, короткое замыкание по отношению к ИП2 - удалённое. где: При расчёте токов короткого замыкания от первого и второго источников используем приближенный метод, так как короткое замыкание неудалённое. 1. Периодическая составляющая.
2. Время отключения тока короткого замыкания:
Для выключателя ВГБЭ-35-12,5/600
3. Апериодическая составляющая:
Для ветви электрической системы, присоединённой к сборным шинам мощных электростанций воздушными линиями 35 кВ: 4.Ударный ток:
5. Полный ток короткого замыкания:
Суммарные токи к.з. от двух источников питания:
Токи двухфазного короткого замыкания:
2.4.3. РУ-10 кВ
следовательно, короткое замыкание по отношению к ИП2 - удалённое. где: При расчёте токов короткого замыкания от первого и второго источников используем приближенный метод, так как короткое замыкание неудалённое. 1. Периодическая составляющая.
2. Время отключения тока короткого замыкания:
Для выключателя LF2
3. Апериодическая составляющая:
4.Ударный ток:
6. Полный ток короткого замыкания:
Суммарные токи к.з. от двух источников питания:
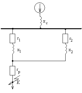
2.5 Расчет токов КЗ в цепях собственных нужд Составляем схему замещения (рис. 15):
Рис. 15 Преобразуем схему замещения (рис. 16):
Рис. 16 Для определения сопротивлений элементов цепи короткого замыкания рассчитаем максимальный рабочий ток вторичной обмотки трансформатора:
где: кпер – коэффициент перегрузки трансформатора, равный 1,5; SнТСН – номинальная мощность трансформатора собственных нужд, кВА; Uc р – среднее напряжение вторичной обмотки ТСН, равное 0,38 кВ. Полное сопротивление ТСН определим по формуле:
где u к – напряжение короткого замыкания ТСН, %
Найдём сопротивление трансформатора тока: ТК – 20 – 400/5 rтт = 0,11 Ом хтт = 0,17 Ом Найдём сопротивление автоматического выключателя: А3790С – 400 rАВ = 0,15 Ом хАВ = 0,1 Ом Найдём сопротивление материала кабеля:
где:
ААГУ-3´185 В качестве четвёртой жилы используем алюминиевую оболочку кабеля
380 > 365 А
где: х0 – 0,0602 [2]
Найдём сопротивление рубильника: РПЦ – 32 – 400 r р = 0,2 мОм
где
Определяем суммарное активное и реактивное сопротивления:
Найдём периодическую составляющую:
где: z – полное сопротивление цепи короткого замыкания Ом; – коэффициент, учитывающий возможность повышения напряжения на 5 %.
Для определения ударного тока и апериодической составляющей тока короткого замыкания определим постоянную времени затухания апериодической составляющей по формуле:
где:
Определим ударный коэффициент:
Апериодическую составляющую тока короткого замыкания определим по формуле:
Определим ударный ток короткого замыкания.
где:
Определим полный ток короткого замыкания по формуле:
Определим ударный коэффициент
Апериодическую составляющую тока короткого замыкания определим по формуле:
Определим ударный ток короткого замыкания.
где:
Определим полный ток короткого замыкания по формуле:
Глава 3. Выбор аппаратуры и токоведущих частей подстанции 3.1 Расчет максимальных рабочих токов основных присоединений подстанции Максимальный рабочий ток вводов и перемычек тяговой подстанции :
где
Максимальный рабочий ток обмоток тягового трансформатора определим по формуле:
где:
- Максимальный рабочий ток обмотки высокого напряжения:
- Максимальный рабочий ток обмотки среднего напряжения:
- Максимальный рабочий ток обмотки низкого напряжения:
- Сборные шины среднего напряжения (27,5 кВ):
где:
- Сборные шины низкого напряжения (10 кВ):
- Максимальный рабочий ток фидера районных потребителей :
де
- Максимальный рабочий ток контактной сети :
3.2 Расчет величины теплового импульса для всех РУ Для проверки аппаратуры и токоведущих частей выполняется расчёт величины теплового импульса для всех РУ по выражению:
где
где
Определение величины теплового импульса в РУ – 110 кВ. Используя выражение (3.2.1.) определим величину теплового импульса РУ – 110 кВ, где
где
Согласно выражению (3.2.2.) получим:
Согласно выражению (3.2.1.) будем иметь:
Определение величины теплового импульса в РУ –27.5 кВ. Согласно выражению (3.2.1.) определим величину теплового импульса вводов в РУ – 27.5 кВ, где
где
Согласно выражению (3.2.2.) получим:
Используя выражение (3.2.1.) получим:
Используя выражение (3.2.1.) определим величину теплового импульса фидеров контактной сети; где
где
Согласно выражению (3.2.2.) получим:
Согласно выражению (3.2.1.) получим:
Используя выражение (3.2.1.) определим величину теплового импульса фидеров ДПР в РУ – 27.5 кВ, где
где
Согласно выражению (3.2.2.) получим:
Согласно выражению (3.2.1.) будем иметь:
Определение величины теплового импульса в РУ – 10 кВ . Величину теплового импульса вводов в РУ – 10 кВ определим по формуле (3.2.1.), где
где
Согласно выражению (3.2.2.) получим:
Согласно выражению (3.2.1.) получим:
Используя выражение (3.2.1.) определим величину теплового импульса фидеров 10 кВ, где
где
Согласно выражению (3.2.2.) получим:
Согласно выражению (3.2.1.) будем иметь:
Таблица 2
3.3 Выбор сборных шин и токоведущих элементов. Выбор изоляторов 3.3.1 Токоведущие элементы. Изоляторы РУ-110 кВ Вводы ТП, перемычки:
Выбираем гибкие сталеалюминевые провода марки АС-240/32 ( Осуществим проверку на термическую устойчивость :
где С
– константа, значение которой для алюминиевых шин равно 90
Условие проверки выполняется Осуществим, кроме того, проверку по условию коронирования :
где E 0 – максимальное значение начальной критической напряженности электрического поля, при котором возникает разряд в виде короны, кВ/см; E – напряжённость электрического поля около поверхности нерасщепленного провода, кВ/см
где m – коэффициент, учитывающий шероховатость поверхности провода (для многопроволочных проводов m = 0.82); r пр – радиус провода, см. Для АС-240/32 r пр = 1,08 см
где U – номинальное линейное напряжение, кВ; D – расстояние между проводами фаз, см;
Т.о. условие проверки выполняется. Ввод высокого напряжения силового трансформатора:
Выбираем гибкие сталеалюминевые провода марки АС-70/11 ( Осуществим проверку на термическую устойчивость :
Условие проверки выполняется Осуществим, кроме того, проверку по условию коронирования :
Т.о. условие проверки выполняется. Изоляторы: Для подвешивания проводов выбираем подвесные стеклянные изоляторы марки ПС-70. Количество изоляторов в гирлянде – 9 шт. Расстояние между проводами фаз – 300 см РУ-27,5 кВ Ввод среднего напряжения силового трансформатора:
Выбираем гибкие сталеалюминевые провода марки АС-400/22 ( Осуществим проверку на термическую устойчивость :
Условие проверки выполняется Осуществим, кроме того, проверку по условию коронирования :
r пр – радиус провода, для АС-400/22 r пр = 2,66 см
Т.о. условие проверки выполняется. Сборные шины среднего напряжения:
Выбираем гибкие сталеалюминевые провода марки АС-240/32 ( Осуществим проверку на термическую устойчивость :
Условие проверки выполняется Осуществим, кроме того, проверку по условию коронирования :
r пр – радиус провода, см. Для АС-240/32 r пр = 1,08 см
Т.о. условие проверки выполняется. Фидеры контактной сети:
Выбираем гибкие сталеалюминевые провода марки АС-185/29 ( Осуществим проверку на термическую устойчивость :
Условие проверки выполняется Осуществим, кроме того, проверку по условию коронирования :
r пр – радиус провода, см. Для АС-400/22 r пр = 0,94 см
Т.о. условие проверки выполняется. Изоляторы: Для подвешивания проводов выбираем подвесные стеклянные изоляторы марки ПС-70. Количество изоляторов в гирлянде – 3 шт. Расстояние между проводами фаз – 160 см РУ-10 кВ Ввод низкого напряжения силового трансформатора:
Выбираем жёсткие алюминиевые шины прямоугольного сечения А-120´10. Число полос на фазу – 1. ( Осуществим проверку на термическую устойчивость :
Условие проверки выполняется Осуществим проверку на электродинамическую устойчивость : Определим механическое напряжение, возникающее в них при к.з.:
где l – расстояние между соседними опорными изоляторами, м ( РУ - 10 кВ: l = 1м); а – расстояние между осями шин соседних фаз, м ( РУ - 10 кВ: а = 0.25 м ); i у – ударный ток трёхфазного короткого замыкания, кА; W – момент сопротивления шины относительно оси, перпендикулярной действию усилия, м3 . При расположении шин на ребре:
где b и h –толщина и ширина шины, м
Тогда
Шины механически устойчивы, т.к. для алюминиевого сплава АДО: Условие проверки выполняется Сборные шины низкого напряжения:
Выбираем жёсткие алюминиевые шины прямоугольного сечения А-80´10. Число полос на фазу – 1. ( Осуществим проверку на термическую устойчивость :
Условие проверки выполняется Осуществим проверку на электродинамическую устойчивость : Определим механическое напряжение, возникающее в них при к.з.:
где l – расстояние между соседними опорными изоляторами, м ( РУ - 10 кВ: l = 1м); а – расстояние между осями шин соседних фаз, м ( РУ - 10 кВ: а = 0.25 м ); i у – ударный ток трёхфазного короткого замыкания, кА; W – момент сопротивления шины относительно оси, перпендикулярной действию усилия, м3 . При расположении шин на ребре:
где b и h –толщина и ширина шины, м
Тогда
Шины механически устойчивы, т.к. для алюминиевого сплава АДО: Условие проверки выполняется Фидеры районных потребителей:
Выбираем жёсткие алюминиевые шины прямоугольного сечения А-15´3. Число полос на фазу – 1. ( Осуществим проверку на термическую устойчивость :
Условие проверки не выполняется Поэтому выбираем шины А-30´4. Осуществим проверку на электродинамическую устойчивость : Определим механическое напряжение, возникающее в них при к.з.:
где l – расстояние между соседними опорными изоляторами, м ( РУ - 10 кВ: l = 1м); а – расстояние между осями шин соседних фаз, м ( РУ - 10 кВ: а = 0.25 м ); i у – ударный ток трёхфазного короткого замыкания, кА; W – момент сопротивления шины относительно оси, перпендикулярной действию усилия, м3 . При расположении шин на ребре:
где b и h –толщина и ширина шины, м
Тогда
Шины механически устойчивы, т.к. для алюминиевого сплава АДЗ1Т1: Условие проверки выполняется Изоляторы: Жёсткие шины РУ- 10 кВ крепятся на опорных изоляторах ОНШ 10 – 5УХЛ1 Осуществим проверку изоляторов по допускаемой нагрузке. Проверка выполняется по условию:
где
где
Согласно выражению (3.3.12) получим:
Условие проверки выполняется: В РУ – 10 кВ выбираем проходные изоляторы ИП –10 / 3150 – 3000 У
Осуществим проверку изоляторов по допускаемой нагрузке. Проверка выполняется по условию:
где
где Согласно выражению (3.3.13) получим:
Условие проверки выполняется: 3.4 Выбор коммутационных аппаратов 3.4.1 Выключатели РУ-110 кВ Вводы ТП, перемычки:
Выбираем выключатели ВЭБ –110 – 40/2000 УХЛ1. Условия выбора: 1) 2) 1. Осуществим проверку на электродинамическую стойкость Проверку на электродинамическую стойкость выполним по формуле:
где
Условие проверки выполняется: 2. Проверка на термическую стойкость Проверку на термическую стойкость выполним по формуле:
где
где
Согласно выражению (3.4.3.) получим:
Согласно выражению (3.4.2.) получим: Условие проверки выполняется 3. Проверка на отключающую способность. а) Проверка на отключение периодической составляющей. Проверку на отключение периодической составляющей выполним, используя выражение:
где
Условие проверки выполняется: б) Проверка на отключающую способность апериодической составляющей. Проверку выполним по формуле:
где
где
Согласно выражению (3.4.7.) получим:
Та =0.05 с постоянная времени апериодической составляющей тока короткого замыкания при t = 0. Используя выражение (3.4.6.) получим:
где
Согласно выражению (3.4.9.) получим:
Используя выражение (3.4.8.) получим:
Условие проверки (3.4.5) выполняется:
в) Проверка на отключающую способность полного тока Проверку выполним по формуле:
где Условие проверки (3.4.10.) выполняется:
4. Проверка на включающую способность Проверку на включающую способность выполним по формулам:
где
Условие проверки (3.4.11.) выполняется:
Ввод высокого напряжения силового трансформатора:
Выбираем выключатели ВЭБ –110 – 40/2000 УХЛ1. Условия выбора: 1) 2) Проверка для данного выключателя уже проведена. РУ-27,5 кВ Ввод среднего напряжения силового трансформатора:
Выбираем выключатели ВГБЭ –35 – 12,5/1000 УХЛ1. Условия выбора: 1) 2) Осуществим проверку на электродинамическую стойкость Проверку на электродинамическую стойкость выполним по формуле:
Условие проверки выполняется: 1. Проверка на термическую стойкость Проверку на термическую стойкость выполним по формуле:
б Согласно выражению (3.4.3.) получим: Согласно выражению (3.4.2.) получим: Условие проверки выполняется 2.Проверка на отключающую способность. а) Проверка на отключение периодической составляющей.
где
Условие проверки выполняется: б) Проверка на отключающую способность апериодической составляющей. Проверку выполним по формуле:
где
где
Согласно выражению (3.4.7.) получим:
Та =0.05 с постоянная времени апериодической составляющей тока короткого замыкания при t = 0. Используя выражение (3.4.6.) получим:
где
Согласно выражению (3.4.9.) получим:
Используя выражение (3.4.8.) получим:
Условие проверки (3.4.5) выполняется:
в) Проверка на отключающую способность полного тока Проверку выполним по формуле:
где Условие проверки (3.4.10.) выполняется:
3. Проверка на включающую способность Проверку на включающую способность выполним по формулам:
где
Условие проверки (3.4.11.) выполняется:
Фидеры контактной сети:
Выбираем выключатели ВГБЭ –35 – 12,5/600 УХЛ1. Условия выбора: 1) 2) Осуществим проверку на электродинамическую стойкость Проверку на электродинамическую стойкость выполним по формуле:
где
Условие проверки выполняется: 1.Проверка на термическую стойкость Проверку на термическую стойкость выполним по формуле:
где
где
Согласно выражению (3.4.3.) получим:
Согласно выражению (3.4.2.) получим: Условие проверки выполняется 2.Проверка на отключающую способность. а) Проверка на отключение периодической составляющей. Проверку на отключение периодической составляющей выполним, используя выражение:
где
Условие проверки выполняется: б) Проверка на отключающую способность апериодической составляющей. Проверку выполним по формуле:
где
где
Согласно выражению (3.4.7.) получим:
Та =0.05 с постоянная времени апериодической составляющей тока короткого замыкания при t = 0. Используя выражение (3.4.6.) получим:
где
Согласно выражению (3.4.9.) получим:
Используя выражение (3.4.8.) получим:
Условие проверки (3.4.5) выполняется:
в) Проверка на отключающую способность полного тока Проверку выполним по формуле:
где Условие проверки (3.4.10.) выполняется:
3.Проверка на включающую способность Проверку на включающую способность выполним по формулам:
где
Условие проверки (3.4.11.) выполняется:
Фидеры ДПР:
Выбираем выключатели ВГБЭ –35 – 12,5/600 УХЛ1. Условия выбора: 1) 2) Осуществим проверку на электродинамическую стойкость Проверку на электродинамическую стойкость выполним по формуле:
где
Условие проверки выполняется: 1.Проверка на термическую стойкость Проверку на термическую стойкость выполним по формуле:
где
где
Согласно выражению (3.4.3.) получим:
Согласно выражению (3.4.2.) получим: Условие проверки выполняется 2. Проверка на отключающую способность. а) Проверка на отключение периодической составляющей. Проверку на отключение периодической составляющей выполним, используя выражение:
где
Условие проверки выполняется: б) Проверка на отключающую способность апериодической составляющей. Проверку выполним по формуле:
где
где
Согласно выражению (3.4.7.) получим:
Та =0.05 с постоянная времени апериодической составляющей тока короткого замыкания при t = 0. Используя выражение (3.4.6.) получим:
где
Согласно выражению (3.4.9.) получим:
Используя выражение (3.4.8.) получим:
Условие проверки (3.4.5) выполняется:
в) Проверка на отключающую способность полного тока Проверку выполним по формуле:
где Условие проверки (3.4.10.) выполняется:
3.Проверка на включающую способность Проверку на включающую способность выполним по формулам:
где
Условие проверки (3.4.11.) выполняется:
РУ-10 кВ Ввод низкого напряжения силового трансформатора:
Выбираем выключатели ВГП –10 – 40/3200 УХЛ1. Условия выбора: 1) 2) Осуществим проверку на электродинамическую стойкость Проверку на электродинамическую стойкость выполним по формуле:
где
Условие проверки выполняется: 1.Проверка на термическую стойкость Проверку на термическую стойкость выполним по формуле:
где
где
Согласно выражению (3.4.3.) получим:
Согласно выражению (3.4.2.) получим: Условие проверки выполняется 2.Проверка на отключающую способность. а) Проверка на отключение периодической составляющей. Проверку на отключение периодической составляющей выполним, используя выражение:
где
Условие проверки выполняется: б) Проверка на отключающую способность апериодической составляющей. Проверку выполним по формуле:
где
где
Согласно выражению (3.4.7.) получим:
Та =0.05 с постоянная времени апериодической составляющей тока короткого замыкания при t = 0. Используя выражение (3.4.6.) получим:
где
Согласно выражению (3.4.9.) получим:
Используя выражение (3.4.8.) получим:
Условие проверки (3.4.5) выполняется:
в) Проверка на отключающую способность полного тока Проверку выполним по формуле:
где Условие проверки (3.4.10.) выполняется:
3.Проверка на включающую способность Проверку на включающую способность выполним по формулам:
где
Условие проверки (3.4.11.) выполняется:
Сборные шины низкого напряжения:
Выбираем выключатель LF-2. Условия выбора: 1) 2) Осуществим проверку на электродинамическую стойкость Проверку на электродинамическую стойкость выполним по формуле:
где
Условие проверки выполняется: 1. Проверка на термическую стойкость. Проверку на термическую стойкость выполним по формуле:
где
где
Согласно выражению (3.4.3.) получим:
Согласно выражению (3.4.2.) получим: Условие проверки выполняется 2.Проверка на отключающую способность. а) Проверка на отключение периодической составляющей. Проверку на отключение периодической составляющей выполним, используя выражение:
где
Условие проверки выполняется: б) Проверка на отключающую способность апериодической составляющей. Проверку выполним по формуле:
где
где
Согласно выражению (3.4.7.) получим:
Та =0.05 с постоянная времени апериодической составляющей тока короткого замыкания при t = 0. Используя выражение (3.4.6.) получим:
где
Согласно выражению (3.4.9.) получим:
Используя выражение (3.4.8.) получим:
Условие проверки (3.4.5) выполняется:
в) Проверка на отключающую способность полного тока Проверку выполним по формуле:
где Условие проверки (3.4.10.) выполняется:
3.Проверка на включающую способность Проверку на включающую способность выполним по формулам:
где
Условие проверки (3.4.11.) выполняется:
Фидеры районных потребителей :
Выбираем выключатель LF-1. Условия выбора: 1) 2) Осуществим проверку на электродинамическую стойкость Проверку на электродинамическую стойкость выполним по формуле:
где
Условие проверки выполняется: 1.Проверка на термическую стойкость Проверку на термическую стойкость выполним по формуле:
где
где
Согласно выражению (3.4.3.) получим:
Согласно выражению (3.4.2.) получим: Условие проверки выполняется 2.Проверка на отключающую способность. а) Проверка на отключение периодической составляющей. Проверку на отключение периодической составляющей выполним, используя выражение:
где
Условие проверки выполняется: б) Проверка на отключающую способность апериодической составляющей. Проверку выполним по формуле:
где
где
Согласно выражению (3.4.7.) получим:
Та =0.05 с постоянная времени апериодической составляющей тока короткого замыкания при t = 0. Используя выражение (3.4.6.) получим:
где
Согласно выражению (3.4.9.) получим:
Используя выражение (3.4.8.) получим:
Условие проверки (3.4.5) выполняется:
в) Проверка на отключающую способность полного тока Проверку выполним по формуле:
где Условие проверки (3.4.10.) выполняется:
3.Проверка на включающую способность Проверку на включающую способность выполним по формулам:
где
Условие проверки (3.4.11.) выполняется:
3.4.2 Разъединители РУ-110 кВ Вводы ТП, перемычки:
Выбираем разъединители РГП-110. Условия выбора: 1) 2) 1. Проверка на электродинамическую стойкость Проверку на электродинамическую стойкость выполним по формуле
где
Условие проверки выполняется: 2. Проверка на термическую стойкость Проверку на термическую стойкость выполним по формуле (3.4.2.) где Согласно выражению (3.4.3.) получим:
где
Согласно выражению (3.4.2.) получим: Условие проверки выполняется Ввод высокого напряжения силового трансформатора:
Выбираем разъединители РГП-110. Условия выбора: 1) 2) Проверка на электродинамическую стойкость Проверку на электродинамическую стойкость выполним по формуле
где
Условие проверки выполняется: Проверка на термическую стойкость Проверку на термическую стойкость выполним по формуле (3.4.2.) где Согласно выражению (3.4.3.) получим:
где
Согласно выражению (3.4.2.) получим: Условие проверки выполняется РУ-27,5 кВ Ввод среднего напряжения силового трансформатора:
Выбираем разъединители РГП-35. Условия выбора: 1) 2) 1.Проверка на электродинамическую стойкость Проверку на электродинамическую стойкость выполним по формуле
где
Условие проверки выполняется: 2.Проверка на термическую стойкость Проверку на термическую стойкость выполним по формуле (3.4.2.) где Согласно выражению (3.4.3.) получим:
где
Согласно выражению (3.4.2.) получим: Условие проверки выполняется Сборные шины среднего напряжения:
Выбираем разъединители РГП-35. Условия выбора: 1). 2). 1.Проверка на электродинамическую стойкость Проверку на электродинамическую стойкость выполним по формуле
где
Условие проверки выполняется: 2.Проверка на термическую стойкость Проверку на термическую стойкость выполним по формуле (3.4.2.) где Согласно выражению (3.4.3.) получим:
где
Согласно выражению (3.4.2.) получим: Условие проверки выполняется Фидеры контактной сети:
Выбираем разъединители РГП-35. Условия выбора: 1) 2) 1.Проверка на электродинамическую стойкость Проверку на электродинамическую стойкость выполним по формуле
где
Условие проверки выполняется: 2.Проверка на термическую стойкость Проверку на термическую стойкость выполним по формуле (3.4.2.) где Согласно выражению (3.4.3.) получим:
где
Согласно выражению (3.4.2.) получим: Условие проверки выполняется Фидеры ДПР:
Выбираем разъединители РГП-35. Условия выбора: 1) 2) 1.Проверка на электродинамическую стойкость Проверку на электродинамическую стойкость выполним по формуле
где
Условие проверки выполняется: 2.Проверка на термическую стойкость Проверку на термическую стойкость выполним по формуле (3.4.2.) где Согласно выражению (3.4.3.) получим:
где
Согласно выражению (3.4.2.) получим: Условие проверки выполняется РУ-10 кВ Ввод низкого напряжения силового трансформатора:
Выбираем разъединители RUHRTAL. Условия выбора: 1) 2) 1.Проверка на электродинамическую стойкость Проверку на электродинамическую стойкость выполним по формуле
где
Условие проверки выполняется: 2.Проверка на термическую стойкость Проверку на термическую стойкость выполним по формуле (3.4.2.) где Согласно выражению (3.4.3.) получим:
где
Согласно выражению (3.4.2.) получим: Условие проверки выполняется 3.4.3 Предохранители Предохранители на напряжение свыше 1000 В используют для защиты трансформаторов напряжения в РУ – 6; 10 кВ, при этом применяют предохранители типа ПКН, ПК и ПКТ (трубчатые с кварцевым заполнителем). Предохранители выбирают по номинальному току:
80 > 56,358 А Проверяют по номинальному току отключения:
10,9 < 31,5 кА Выбираем трубчатый предохранитель с кварцевым заполнителем, для ТН типа: ПКТ 101 – 10 –2-31,5 У3. 3.5 Выбор измерительных трансформаторов 3.5.1 Выбор объема измерений Контрольно-измерительные приборы устанавливаются для контроля за электрическими параметрами в схеме подстанции и расчётов за электроэнергию, потребляемую и отпускаемую тяговой подстанцией. 1. Измерение тока выполняется на вводах силовых трансформаторов со стороны всех ступеней напряжения: на всех питающих и отходящих линиях, фидерах контактной сети, ТСН (с низкой стороны). 2. Измерение напряжения осуществляется на шинах всех РУ. 3. Учет активной и реактивной энергии с помощью счётчиков выполняется на вводах низшего напряжения понизительных, тяговых трансформаторов; фидерах потребителей, ТСН (счётчик активной энергии – устанавливается с низкой стороны). 3.5.2 Разработка схем измерений Схемы измерений необходимы для определения расчетных длин проводов, зависящих от схемы подключения. 3.5.3 Выбор трансформаторов тока Трансформаторы тока выбирают: 1. по номинальному напряжению установки:
2. по номинальному току: 3. 4. по роду установки 5. по классу точности Выбранные трансформаторы тока проверяется: 1. На электродинамическую стойкость:
где:
2. Проверка на термическую стойкость:
где:
где:
3. Проверка на соответствие классу точности для номинальной нагрузки:
где:
Так как индуктивное сопротивление токовых цепей невелико, то:
где:
где: qпр - сечение проводов, которое не должно быть меньше 4 ´10-6 м2 для алюминия и 2,5 ´10-6 м2 для меди, но не более 10 ´10-6 м2 ;
Встроенные ТТ на электродинамическую и термическую стойкости не проверяем. Рабочая перемычка транзитной тяговой подстанции 110 кВ : Тип ТТ: ТВ – 110 – II-600/5 1. по номинальному напряжению установки:
110 = 100 кВ 2. по номинальному току:
600 > 512 А 3. на соответствие классу точности для номинальной нагрузки:
Класс точности: 0,5 Амперметр Э8021: Счётчик активной энергии СА3У-И670: Счётчик реактивной энергии СР4-И673:
1 > 0.83 Ом Обмотка среднего напряжения тягового трансформатора 1 ´ 27,5 кВ: Тип ТТ: ТВ – 35 – 750/5 1. по номинальному напряжению установки:
35 > 27,5 кВ 2. по номинальному току:
750 > 736 А 3. на соответствие классу точности для номинальной нагрузки:
Класс точности: 0,5 Амперметр Э377: Счётчик активной энергии СА3У-И670: Счётчик реактивной энергии СР4-И673:
1,2 > 1,0 Ом Сборные шины среднего напряжения 1 ´ 27,5 кВ. Тип ТТ: ТВ – 35 – 600/5 1. по номинальному напряжению установки:
35 > 27,5 кВ 2. по номинальному току:
600 > 526 А 3. на соответствие классу точности для номинальной нагрузки:
Класс точности: 0,5 Амперметр Э377:
1,2 > 0,80 Ом Фидеры контактной сети 1 ´ 27,5 кВ. Тип ТТ: ТВ – 35 – 600/5 1. по номинальному напряжению установки:
35 > 27,5 кВ 2. по номинальному току:
400 = 400 А 3. на соответствие классу точности для номинальной нагрузки:
Класс точности: 0,5 Амперметр Э377:
1,2 > 0,8 Ом Фидеры районного потребителя 10 кВ : Тип ТТ: ТЛК – 10 – 75/5 1. по номинальному напряжению установки:
10 = 10 кВ 2. по номинальному току:
75 >57 А 3. на электродинамическую стойкость:
26,502 < 52 кА 4. проверка на термическую стойкость:
71,221 < 400 кА2 с 5. на соответствие классу точности для номинальной нагрузки:
Класс точности: 0,5 Амперметр Э8021: Счётчик активной энергии СА3У-И670: Счётчик реактивной энергии СР4-И673:
0,4 > 0,35 Ом Сборные шины 10 кВ : Тип ТТ: ТЛМ – 10 – 1500/5 1. по номинальному напряжению установки:
10 = 10 кВ 2. по номинальному току:
1500 > 1445 А 3. на электродинамическую стойкость:
26,502 < 100 кА 4. проверка на термическую стойкость:
130,571 < 2028 кА2 с 5. на соответствие классу точности для номинальной нагрузки:
Класс точности: 0,5 Амперметр Э8021: Счётчик активной энергии СА3У-И670: Счётчик реактивной энергии СР4-И673:
0,4 > 0,35 Ом 3.5.4 Выбор трансформаторов напряжения Трансформаторы напряжения выбираются: 1. по номинальному напряжению установки:
2. по конструкции и схеме соединения обмоток; 3. по классу точности; 4. по нагрузке вторичных цепей:
где: S 2ном – номинальная мощность ТН в выбранном классе точности, ВА; S 2 – суммарная мощность, потребляемая подключенными к ТН приборами, ВА.
где: S приб – мощность потребляемая всеми катушками одного прибора;
Выбор ТН в РУ – 110 кВ Таблица 3
Тип ТН: 3´ЗНОГ – 110 82У3
450 > 59 ВА 110 = 110 кВ Выбор ТН в РУ – 27.5 кВ Таблица 4
Тип ТН: 2´ЗНОЛ – 35
300 > 148,84 ВА 35 > 27,5 кВ Выбор ТН в РУ – 10 кВ Таблица 5
Тип ТН: 6´НОЛ – 10 (2´3´ НОЛ – 10)
450 > 308,8 ВА 10 = 10 кВ Так как мощность нагрузки вторичной цепи осталась большой, то принимаем две группы по три однофазных ТН. Всего три комплекта однофазных ТН (два в работе и один в резерве). 3.6 Выбор ограничителей перенапряжения Для защиты изоляции токоведущих частей, аппаратуры и оборудования от коммутационных и атмосферных перенапряжений. ОПН выбирают по условию:
ОРУ -110 кВ: ОПН – У/TEL – 110-УХЛ 1 110 = 110 кВ ОРУ - 27.5 кВ: ОПН – У/TEL – 27,5-УХЛ 1 27,5 = 27,5 кВ РУ-10 кВ: ОПН – PC/TEL – 10 10 = 10 кВ 3.7 Выбор аккумуляторной батареи и зарядно-подзарядного агрегата Число элементов АБ, работающей в режиме постоянного подзаряда, определим по формуле:
где
Согласно выражения (3.7.1.) получим:
Номер аккумуляторной батареи определим, исходя из расчётной ёмкости
где
где
где Согласно выражению (3.7.2.) получим:
Номер АБ по условиям длительного режима:
где Наибольший ток при кратковременном режиме разряда АБ:
где Номер АБ по условиям кратковременного режима:
Выбираем аккумуляторы СК – 3. Наибольший ток подзарядного агрегата
Согласно выражению (3.7.3.) получим:
Мощность зарядного агрегата:
где где
Используя выражение (3.7.4.) получим:
Мощность подзарядного преобразователя
Выбираем зардно-подзарядный преобразователь типа ВАЗП – 380/260 – 40/80.
Sн = 20,8 кВт Sн > Sзар 20,8 > 3,03264 кВт Iн = 80 А Iн > Iзар 80 > 21,864 А Глава 4. План тяговой подстанции 4.1 Разработка плана тяговой подстанции План тяговой подстанции (транзитной переменного тока) системы электроснабжения 1х27,5 кВ разрабатываем в соответствии с рекомендациями в [4]. Открытую часть подстанции монтируем на конструкциях, распластанного типа с соблюдением всех стандартов на минимальные расстояния между токоведущими частями элементами и землей. 4.2 Расчет площади открытой части тяговой подстанции Площадь подстанции равна 10185 м2 . Площадь контура заземления равна 9393 м2 . Глава 5. Расчет заземляющего устройства Расчёт заземляющего устройства в курсовом проекте выполняем графо-аналитическим методом, основанный на применении теории подобия, которая предусматривает: 1. Замену реального грунта с изменяющимся по глубине удельным сопротивлением эквивалентной двухслойной структурой с сопротивлением верхнего слоя r1 , толщиной h и сопротивлением нижнего слоя земли r2 , значение которых определяется методом вертикального электрического зондирования. 2. Замену реального сложного заземляющего контура, состоящего из системы вертикальных электродов, объединённых уравнительной сеткой с шагом 4 – 20 м, и любой конфигурации – эквивалентной квадратной расчётной моделью с одинаковыми ячейками, однослойной структуры земли (r3 ) при сохранении их площадей (S), общей длины вертикальных (LВ ), горизонтальных (Lр ) электродов, глубины их залегания (hг ), значения сопротивления растекания (Rэ ) и напряжения прикосновения (Uпр ). Предварительно определяем следующие величины: 1) длина горизонтальных заземлителей
2) число вертикальных электродов
3) длина вертикального электрода
где: h – толщина верхнего слоя земли; S – площадь контура заземления.
4) общая длина вертикальных электродов
5) расстояние между вертикальными электродами
6) глубину заложения горизонтальных электродов Площадь заземляющего контура S принимается по плану открытой части тяговой подстанции, сохраняя при этом расстояние от границы контура до ограждения не менее 2 м. Сопротивление заземляющего контура:
где:
А
= (0.444 – 0.84× А
= (0.355 – 0.25×
А
= (0.444 – 0.84×
Окончательным критерием безопасности электроустановки является величина напряжения прикосновения, определяемая по формуле:
где: кпр – коэффициент прикосновения.
где: b – коэффициент, характеризующий условие контакта человека с землёй.
где: Rчел – расчётное сопротивление человека, равное 1000 Ом; Rст
– сопротивление растекания тока со ступнёй человека, равное 1,5
Допустимое напряжение прикосновения определяем по нормативным таблицам в зависимости от времени протекания тока к.з. Для t=0.4 c
123 В < 150 В Т.о. условие выполняется. Глава 6. Экономическая часть проекта 6.1 Определение стоимости тяговой подстанции Определение стоимости проектируемой тяговой подстанции производится по укрупнённым показателям стоимости строительства объектов электрификации железнодорожного транспорта с учётом основных узлов и элементов подстанции. В связи с изменением стоимости, монтажных работ и оборудования тяговой подстанции, значение стоимости, приведённых в указанной литературе [2] необходимо умножить на следующие коэффициенты: Сстр *100 Смонт *100 Собор *100 Стоимость тяговой подстанции определяется по формуле: СТП = Сстр + Смонт + Собор Годовые эксплуатационные расходы: Сэ = СW + Сa + Срем + СЗП где: СW – стоимость потерь электроэнергии
где: b - стоимость 1 кВт*ч (0,64 руб/кВт*ч); W – перерабатываемое за год количество электроэнергии; Сa - стоимость амортизационных отчислений:
где: Срем - стоимость годового обслуживания и ремонта тяговой подстанции:
где: СЗП – годовой фонд заработной платы зависящий от метода обслуживания, штата должностных лиц и окладов, с учётом средств материального поощрения в размере 40 % от ФЗП. При расчёте СЗП учитывается 13-ая зарплата, равная месячному ФЗП:
Себестоимость перерабатываемой электроэнергии за год:
где: Сэ – годовые эксплуатационные расходы. Стоимость 1 кВА установленной мощности рассчитываем:
где: Sу – установленная мощность всех силовых трансформаторов ТП, питающегося от входного РУ.
6.2 Основные технико-экономические показатели тяговой подстанции
Список используемой литературы 1. Бей Ю.М., Мамошин П.П. и др. Тяговые подстанции: учебник для вузов железнодорожного транспорта. – М.: Транспорт, 1986 – 319 с. 2. Гринберг – Басин М.М. Тяговые подстанции: Пособие по дипломному проектированию. – М: Транспорт, 1986 – 168 с. 3. Давыдов И.К., Попов Б.М., Эрлих В.М. Справочник по эксплуатации тяговых подстанций и постов секционирования. – М: Транспорт, 1987 – 416 с. 4. Неклепаев Б.Н., Крючков И.П. Электрическая часть электростанций и подстанций: Справочные материалы для курсового и дипломного проектирования; Учебное пособие для вузов. – М.: Энергоатомиздат,1989. – 608 с. 5. Прохорский А.А. Тяговые и трансформаторные подстанции. - М: Транспорт, 1983 – 496 с. 6. Справочник по электроснабжению железных дорог / Под ред. К.Г. Марквардта. –М.: Транспорт, 1982.Т2 – 392 с. 7. Пузина Е.Ю. Методические указания с заданием на курсовой проект для студентов 3-го курса специальности «Электроснабжение железнодорожного транспорта» Г. Иркутск 2003 г. 8. Н.И. Белорусов., А.Е. Саакян., А.И. Яковлева. Электрические кабели, провода и шнуры. – М.: Энергоатомиздат, 1988. – 536 с. |
||||||||||||||||||||||||||||||||||||||||||||||||||||||||||||||||||||||||||||||||||||||||||||||||||||||||||||||||||||||||||||||||||||||||||||||||||||||||||||||||||||||||||||||||||||||||||||||||||||||||||||||||||||||||||||||||||||||||||||||||||||||||||||||||||||||||||||||||||||||||||||||||||||||||||||||||||||||||||||||||||||||||||||||||||||||||||||||||||||||||||||||||||||||||||||||||||||||||||||||||||||||||||||||||||||||||||||||||||||||||||||||||||||||||||||||||||||||||||||||||||||||||||||||||||||||||||||

















кА;


Ом
Ом = 65 мОм
Ом = 16,6 мОм.







