Реферат: Модернизация лабораторного стенда для исследования характеристик АМ-ЧМ приемника
|
Название: Модернизация лабораторного стенда для исследования характеристик АМ-ЧМ приемника Раздел: Рефераты по коммуникации и связи Тип: реферат | ||||||||||||||||||||||||||||||||||||||||||||||||||||||||||||||||||||||||||||||||||||||||||||||||||||||||||||||||||||||||||||||||||||||||||||||||||||||||||||||||||||||||||||||||||||||||||||||||||||||||||||||||||||||||||||||||||||||||||||||||||||||||||||||||||||||||||||||||||||||||||||||||||||||||||||||||||||||||||||||||||||||||||||||||||||||||||||||||||||||||||||||||||||||||||||||||||||||||||||||||
Введение В настоящее время практически все радиотехнические системы, в которых происходит обмен информацией по радиоканалу, такие как наземные (сотовые, транкинговые, пейджинговые) системы связи, вещательные (радиостанции, звуковое сопровождение телевидения), служебные (полиция, такси, троллейбусы, скорая медицинская помощь, дальние грузоперевозки и др.), радиорелейные, бытовые (радиотелефоны, радиомикрофоны и др.) используют для передачи информации частотную модуляцию. Такая популярность частотной кодировки передаваемой информации обусловлена многими факторами. Основной из них – это более высокая помехозащищенность систем, использующих частотную модуляцию и, следовательно, возможность передавать информацию более качественно и очень надежно (для сравнения: полоса передаваемых частот звукового диапазона при АМ-модуляции составляет лишь около 6 кГц, в то время как при использовании ЧМ-модуляции – до 15 кГц). В то же время частотной модуляции присущи и недостатки. Так, модулированный по частоте сигнал занимает полосу частот, большую, чем при применении амплитудной модуляции, поэтому использование частотной модуляции на частотах ниже 30МГц нерационально. Поскольку частотная модуляция (ЧМ) используется весьма широко , то ее изучение имеет для студентов очень большое значение – при хорошем понимании процессов, происходящих в современных приемопередающих устройствах инженер с подобными знаниями останется востребованным. В частности, встает вопрос о разработке методик исследования основных отличительных узлов, характерных для ЧМ-приемника, таких как частотный детектор, ограничитель амплитуды, система автоматической подстройки частоты, а также проектирования и сборки практических лабораторных макетов, позволяющих студентам проводить подобные исследования и облегчить им понимание процессов, происходящих при приеме и модуляции ЧМ-сигналов. Имеющиеся на кафедре нашего института лабораторные стенды для проведения исследований и лабораторных работ не позволяют производить такие исследования, так как они рассчитаны лишь на изучение узлов приемника с амплитудной модуляцией. Имеющиеся же макеты работают на высоких частотах, что затрудняет проведение лабораторных исследований студентам, не имеющим еще достаточных навыков при работе с измерительной аппаратурой. Следовательно, встает вопрос о переделке (модернизации) части учебных стендов в приемники ЧМ-сигналов, работающих на нестандартных, возможно более низких частотах.. При этом ставится задача свести все переделки к минимуму для уменьшения материальных затрат, максимально использовать готовые узлы стенда. Данная задача – разработка методик исследования узлов ЧМ-приемника, а именно амплитудного ограничителя, частотного детектора, системы автоматической подстройки частоты, а также разработка и практическое проведение модернизации лабораторного макета, и являются основной задачей данной дипломной работы. 1 Краткое описание лабораторного макета1.1 Функциональная схема
Рисунок 1.1.1 - Структурная схема лабораторного макетаОсновные функциональные узлы приемника: ВЦ – входная цепь; УРЧ – широкополосный усилитель радиочастотного сигнала; ПрЧ – преобразователь частоты; Г – перестраиваемый гетеродин; ПФ – полосовой фильтр промежуточной частоты с полосой пропускания около 5-6 кГц; УПЧ – усилитель промежуточной частоты; Д – детектор; УЗЧ – усилитель колебаний звуковых частот; ДАРУ – детектор системы автоматической регулировки усиления; ФНЧ – фильтр нижних частот системы АРУ; Гр – громкоговоритель; Rн – эквивалент сопротивления нагрузки. Большая часть функциональных узлов приемника реализована на трех интегральных микросхемах . Усилитель радиочастотного сигнала, преобразователь частоты и перестраиваемый гетеродин собраны на микросхеме К237ХА1. Гетеродин можно перестраивать по частоте при помощи резистора R17 («Частота гетер») путем изменения обратного напряжения, подводимого к варикапу. Усилитель промежуточной частоты и детектор собраны на микросхеме К237ХА2. В усилителе колебаний звуковых частот применяется ИС К174УН7 в типовом включении. Принципиальная схема лабораторного стенда (без блока питания) приведена на Приложении 1. Для проведения экспериментов в лабораторном макете предусмотрены контрольные точки (КТ1-КТ7), к которым можно подключать измерительную аппаратуру через соответствующие коаксиальные разъемы на верхней панели макета. Во избежание нарушения нормальной работы приемника при подключении измерительной аппаратуры некоторые контрольные точки выведены через унифицированные контрольные модули (U1-U3 в Приложении 1) с коэффициентом передачи, равным примерно единице. Принципиальная схема согласующего модуля приведена на рисунке 1.1.2. Модуль обладает высоким значением входного сопротивления (около 100 кОм), и не ухудшает избирательных свойств колебательных систем входной цепи, гетеродина и преобразователя частоты. Высокое входное сопротивление модуля
Рисунок 1.1.2 - Принципиальная схема согласующего модуля обеспечивается транзисторами VT1 и VT2 в соответствующем включении (составной истоково-эмиттерный повторитель). Напряжение на выходах 2 и 3 модуля практически равно напряжению на входе 1. Таким образом, вольтметр, подключенный к выходу 2 модуля , измеряет напряжение на выходе исследуемого узла. При этом емкость вольтметра не вызывает смещения резонансной частоты контура. В то же время сигнал с выхода 3 модуля поступает на вход следующего каскада приемника. Модуль также может быть использован для подачи сигнала на вход следующего каскада от генератора, подключаемого к выводу 2 модуля. Макет имеет следующие органы регулировки, индикации и коммутации (см. схему в Приложении 1): - регулятор частоты гетеродина (потенциометр R17), осуществляющий перестройку гетеродина по частоте; - регулятор громкости (R42); - выключатель системы АРУ (S1); - выключатель напряжения питания гетеродина и преобразователя частоты (S2). Этот выключатель конструктивно совмещен с потенциометром R17 («Частота гетер.»). Гетеродин выключается при повороте потенциометра против часовой стрелки до упора; - переключатель нагрузки (S3) с громкоговорителя на эквивалент нагрузки (R48); - выключатель питающего напряжения (на принципиальной схеме не показан); - индикатор включения электропитания (тоже не показан); - индикатор настойки приемника (VD2). 1.2 Принципиальная схема Входной сигнал через гнездо X1 или X2 (Приложение 1) поступает на входной неперестраиваемый контур L1C1, настроенный на середину рабочего диапазона приемника (около 1,1 МГц). Резистор R3 служит для снижения добротности входного контура, следовательно, для расширения полосы пропускания. Далее сигнал через разделительный конденсатор C2 поступает на вход унифицированного контрольного модуля U1, служащего для согласования входной цепи с измерительными приборами, подключаемыми к гнездам Х3, Х4. Далее сигнал через разделительный конденсатор С3 подается на вывод 1 микросхемы К237ХА1. Микросхема DA1 выполняет функции усилителя радиочастоты и преобразователя частоты. С выхода усилителя радиочастоты (VT1) через конденсатор С6 сигнал подается на вход балансного смесителя (вывод 11 микросхемы DA1, VT2, VT3). Смеситель нагружен на колебательный контур L2L3C8. Для обеспечения требуемой полосы пропускания в схеме применяется фильтр Z1. Гетеродинная часть микросхемы (VT4, VT5, VT6) работает совместно с балансным смесителем. Частота гетеродина задается колебательным контуром L4C11C12 и емкостью варикапа VD1. Частотой гетеродина можно управлять с помощью резистора R17, изменяющего обратное напряжение на варикапе, а следовательно, его емкость. Частота гетеродина через унифицированный контрольный модуль U3 подается на гнезда Х7, Х8 для последующего наблюдения и контроля. Сигнал промежуточной частоты с фильтра Z1, имеющего полосу пропускания около 6 кГц, поступает на вывод 1 микросхемы DA2 (К237ХА2). На данной микросхеме выполнен усилитель промежуточной частоты (VT7-VT11), детектор (VT12) и предварительный усилитель звуковой частоты (VT13). В усилителе предусмотрена система автоматической регулировки усиления, управляющее напряжение с которой снимается с вывода 10 микросхемы DA2 и подается на вывод 13 микросхемы DA1, а также через дифференцирующую цепочку R53C33 на гнёзда Х11, Х12 для последующего контроля и наблюдения. Продетектированный сигнал с вывода 13 микросхемы DA2 поступает на вход усилителя низкой частоты, собранного на микросхеме К174УН7 в типовом включении. Резистор R42 служит для регулировки уровня выходного сигнала. Переключатель S3 служит для переключения динамической головки и эквивиалента нагрузки на резисторе R48. 1.3 Сравнение гетеродинных приемников АМ и ЧМ сигналов Структурные схемы приемников АМ и ЧМ сигналов приведены на рисунке 1.3.1, а и б соответственно. Из схем видно, что на функциональном уровне различия не очень существенны: для обоих систем характерно наличие таких узлов, как: входная цепь, усилитель радиочастоты, смеситель, гетеродин, узкополосный фильтр, усилитель промежуточной частоты, усилитель звуковой частоты, оконечное устройство. Однако существуют отличия: в приемнике ЧМ сигналов отсутствует система автоматической регулировки усиления (АРУ) и амплитудный детектор, в то же время установлены система автоподстройки частоты (АПЧ) и частотный детектор. На более глубоком уровне сравнения различия состоят и в том, приемники работают в разных диапазонах частот (АМ приемник – в области ДВ,СВ,КВ; ЧМ приемник – в УКВ диапазоне) и имеют различные промежуточные частоты ( как правило, 465 кГц для приемников АМ и 10,7 МГц – для приемников ЧМ). Такая разница в промежуточных частотах обусловлена тем, что ЧМ сигнал имеет гораздо большую занимаемую полосу – до 250 кГц, а АМ-сигнал – около 6 кГц. Также требования, предъявляемые к усилителю звуковых частот при АМ приеме гораздо ниже (усилитель должен иметь полосу воспроизводимых частот 0,3-6,4 кГц), чем при ЧМ-приеме (полоса 50-10000 Гц). Таким образом, полноценная переделка (с получением всех характеристик, существующих существующим стандартам) приемника АМ сигналов в приемник ЧМ сигналов не имеет смысла, т.к. придется не модернизировать, а заново изготовлять все блоки, за исключением блока питания и выходного устройства. Однако в данном случае нам не требуется получить приемник ЧМ сигналов, который соответствовал бы существующим требованиям, а необходим соответствовал бы существующим требованиям, а необходим лабораторный стенд, который бы
облегчил студентам понимание принципов работы и устройства отдельных узлов приемника ЧМ, а именно: амплитудного ограничителя на диодах; амплитудного ограничителя на транзисторах; частотного детектора; системы автоматической подстройки частоты. Рассмотрим возможность модернизации имеющегося лабораторного макета для получения возможности решать данные задачи. Для исследования амплитудного ограничителя на диодах и полупроводниковых транзисторах, а также частотного детектора необходимы соответствующие узлы. Так как они отсутствуют принципиально в приемнике АМ сигналов, то их придется рассчитать и смонтировать отдельно. Это будет сделано далее в соответствующей главе. Подключить их входные и выходные точки можно через продублированные разъемы на стенде. После монтажа вышеперечисленных узлов для получения системы автоматической подстройки частоты мы уже будем иметь практически все необходимые узлы. Ввиду того, что в лабораторном макете присутствует перестраиваемый по частоте гетеродин, наша задача еще больше упрощается. Так как гетеродин перестраивается по частоте подаваемым на варикап VD1 (см. рисунок 1.1.2) напряжением, то будет достаточно получить требуемую зависимость выходного напряжения частотного детектора от частоты и подать этот управляющий сигнал на варикап. Дополнительно потребуется расширить полосу пропускания усилителя промежуточной частоты, для того, чтобы статическая характеристика определялась только характеристикой частотного детектора. Это можно сделать, исключив из схемы узкополосный фильтр Z1. 2 Разработка принципиальной схемы 2.1 Расчет амплитудного ограничителя Принципиальная схема транзисторного ограничителя амплитуды приведена на рисунке 2.1.1. Методика расчета взята из [3]. Для уменьшения порогового напряжения и увеличения коэффициента ограничения транзистор работает при пониженном коллекторном напряжении порядка 2-3 В за счет использования резистора Rф . Выбираем транзистор КТ339А. Его справочные данные, необходимые для расчетов, следующие: обратный ток коллектора, мкА 2 статический коэффициент передачи тока ОЭ 50 граничная частота передачи тока в схеме с ОЭ, Мгц 550 емкость коллекторного перехода, пФ 0,65 модуль прямой проводимости на частоте 465 кГц, мСм 0,033 Входная и выходная характеристики приведены на рисунке 2.1.2. Зададимся напряжением питания Eко =6 В и сопротивлением Rф фильтра 1 кОм. Согласно равенству arctg α1 =1/Rф arctg α1 =1/1000, чему соответствует линия 1 на рисунке 2.1.2. По выходной характеристике, приведенной на рисунке 2.1.2, выбираем рабочую точку А, для которой Iка =2,2 мА и
Рисунок 2.1.1 – Принципиальная схема амплитудного ограничителя
Рисунок 2.1.2 – Характеристики транзистора КТ339А
pк ≤(0,75…0,85)√Rф gэ1 где gэ1 – эквивалентная проводимость коллекторного контура. gэ1 =δэ g/δ где δэ – эквивалентное затухание контура; δ – собственное затухание контура (принимается равным 0,01); g – собственная резонансная активная проводимость колебательного контура. Эквивалентное затухание контура определяется по формуле: δэ =2 δ(1+g21 /g) где g21 – выходная проводимость транзистора, определяется по справочнику (g21 =7*10-6 См). Собственная резонансная активная проводимость колебательного контура g рассчитывается как g=δωo Cэ где ωo – резонансная частота (принимается 465 кГц); Cэ – эквивалентная емкость входного контура (принимается равной 20 пФ). g=0,01*465000*6,28*20*10-12 =0,58*10-6 См δэ =2*0,01(1+7/0,56)=0,27 gэ1 =0,27/0,01*0,58*10-6 =15,6*10-6 См
Емкость конденсатора фильтра вычисляется по формуле: Сф ≥(10…20)/(fo Rф )=15/465000/1000=32*10-9 =32 нФ Выбираем из стандартного ряда номиналов конденсатор емкостью 33 нФ.
Сопротивление в цепи базы находится по формуле: Нагрузочная характеристика для переменного тока проходит через точку А (рисунок 2.1.2) и имеет угол наклона, равный arctg α2 = gэ1 /p2 к arctg α2 =15,6*10-6 /0,01=0,0156 Этому углу соответствует линия 2 на рисунке 2.1.2. Для точки Б получаем Iкмакс =16 мА, Iбмакс =0,35 мА.Максимальная амплитуда входного сигнала, с которой начинается ограничение, равна: Uмвх.л =0,5(Uбб -Uбв )=0,5(0,9-0,4)=0,25 В. Rб =(6-0,8)/((16-2,2)*10-3 )*25=10 кОм Амплитуда напряжения на коллекторном контуре определяется по формуле: Umвых.л =рк Y21 Uмax.вх /gэ1 Umвых.л =0,1*0,033*0,25/15,6*10-6 =5,3 В Когда амплитуда входного сигнала превышает Uмax.вх , транзистор работает с отсечкой обоих полупериодов, и выходной сигнал соответствует уравнению Umвых.н =Umвых.л Н(Umвх.н /Umвх.л ) где Umвых.н – амплитуда напряжения на выходе ограничителя, В при входной амплитуде Umвх.н , В; Umвых.л – максимальная амплитуда напряжения на входе, В, при работе в линейном участке; Н(Umвх.н /Umвх.л ) – коэффициент, определяемый по рисунку 2.1.3. Он представляет собой часть амплитудной характеристики ограничителя, работающего в нелинейном режиме. Пороговое напряжение ограничителя, при котором он еще работает в линейном режиме, определяется по формуле: Uпор =1,5Umвх.л =1,5*0,25=0,375 В При отношении Umвх.н /Umвх.л равном двум, находим по рисунку 2.1.3 величину Н. Н=1,25. Следовательно, напряжение на выходе ограничителя составит Umвых.н =Umвых.л Н(Umвх.н /Umвх.л )=5,3*1,25=6,62 В Проведя ряд аналогичных вычислений для разных значений входного напряжения, заносим результаты в таблицу 2.1.1. Таблица 2.1.1
По этим данным строим график зависимости Uвых =f(Uвх ). График этой функции приведен на рисунке 2.1.4. Окончательная принципиальная схема с указанием номиналов деталей приведена в Приложении 2.
Рисунок 2.1.3 – График для нахождения коэффициента Н
0 0,1 0,2 0,3 0,4 0,5 0,6 0,7 0,8 0,9 1 Рисунок 2.1.4 – Зависимость Uвых =f(Uвх ) 2.2 Расчет частотного детектора В качестве частотного детектора выбираем частотный детектор с фазовым детектированием, как простой в настройке и не критичный к параметрам применяемых элементов. принципиальная схема частотного детектора приведена на рисунке 2.2.1. Рассчитаем все элементы данной схемы. Методика расчета взята из [14]. Зададим следующие характеристики для расчета: - номинальная рабочая частота детектора fo =465 кГц; - максимальная девиация частоты Δfмакс =50 кГц; - верхняя частота модуляции Fмакс =10 кГц; Параметры транзистора КТ339А выходного каскада УПЧ (амплитудного ограничителя, рассчитанного выше): - выходное сопротивление R’вых =1,8Rвых =1,8*1,1=2 кОм; - Рисунок 2.2.1 – Принципиальная схема частотного детектора - ток коллектора Iк =2,2 мА (см. расчет амплитудного ограничителя); Входные параметры усилителя постоянного тока: - входное сопротивление Rвх =1 МОм; - входная емкость Свх =1000 пФ. 1) Задаемся оптимальной величиной обобщенного коэффициента связи контуров β=1. 2) Определяем максимальную величину обобщенной расстройки: αмакс =0,5 β=0,5
3) Эквивалентная добротность контуров определяется по формуле: Qэ =4,65*105 *0,5/(2*5*104 )=2,32 4) Величина конструктивного коэффициента связи равна: kсв = β/Qэ =1/2,32=0,1 5) Выбираем диоды КД522, их крутизна Sд =5мА/В и емкость Сд =1,0 пФ. 6) Принимаем сопротивления нагрузки R2 =R3 =10 кОм, емкость монтажа См =5 пФ и собственная добротность контуров Qк =150. 7) Величины емкостей нагрузки диодов (в пикофарадах) равны; C3 =C4 =(4…5)*105 /(Fмакс R2 ) где Fмакс – максимальная частота модуляции в килогерцах; R1 – сопротивление нагрузки в килоомах. C3 =C4 =4,5*105 /(10*10)=4500 пФ Выбираем стандартное значение 4,7 нФ, условие C3 =C4 ≥Сд *10-См =10-5=5 пФ при этом соблюдается.
9) Коэффициент передачи детекторов по напряжению вычисляется по формуле: Кд =cos θ=cos 0,57=0,84 10) Определяем собственное и резонансное эквивалентные сопротивления контуров: Rк =2пfo L1 Qк =2*3,14*465000*0,12*10-3*150=52,6 кОм Rэ =2пfo L1 Qэ =2*3,14*465000*0,12*10-3*2,32=813 Ом 11) m вх =1,55, принимаем m вх =1.
13) Определяем максимальное напряжение на выходе дискриминатора: Uвыхд =0,33Iк Rэ m2 вк Кд φ(αмакс , β) Uвыхд =0,33*2,2*0,813*1*0,84*0,169=83,8 мВ 14) Емкость С1 находим по формуле: С1 =(3…5)*104 /(fo Rэ )=80 нФ Выбираем стандартный конденсатор 100 нФ. 15) Индуктивность L3 дросселя определяется как L3 =(10…20)L1 =10*0,12=1,2 мГн 16) Находим емкость резонансного контура: Ск =2,53*104 /(f2 o L1 ) – m2 вк Cвых - Cм =1960 пФ Выбираем стандартное значение 2200 пФ. Для увеличения крутизны выходного напряжения применяется усилитель постоянного тока с изменяемым коэффициентом усиления от 2 до 12, собранный на операционном усилителе К548УН1Б. Полная принципиальная схема частотного детектора приведена в Приложении 3. 2.3 Расчет системы автоподстройки частоты Для расчета системы автоматической подстройки частоты непрерывного типа используется методика, приведенная в [12]. Исходными данными для расчета системы являются: - номинальное значение частоты принимаемого сигнала fос =4500 кГц; - изменение частоты сигнала fс по каким-либо причинам на величину Δfс =fc -foc =100 кГц; - допустимая остаточная ошибка системы АПЧ Δfо =5 Гц; - статическая характеристика регулятора частоты (приведена на рисунке 4.2.1) - крутизна статической характеристики регулятора частоты Sрч =30 кГц/В; - граничные значения изменения частоты гетеродина fг1 , fг2 , управляющего напряжения Uупр1 и Uупр2 , определяющие диапазон перестройки частоты гетеродина 2Δfг =Δfг1 +Δfг2 и диапазон изменения управляющего напряжения ΔUупр =ΔUупр1 +ΔUупр2 Δfг1 =110 кГц, Δfг2 =70 кГц; 2Δfг =180 кГц ΔUупр1 =3,5 В; ΔUупр2 =2,4 В; ΔUупр =5,9 В - номинальное значение частоты гетеродина fог и напряжение (опорное напряжение) Uор на регуляторе частоты, fог = 4400 кГц при Uор =2 В. Чтобы обеспечить заданную в техническом задании остаточную ошибку Δfо =5кГц при начальной расстройке Δfнач =40 кГц, коэффициент подстраивающего действия системы АПЧ должен равняться: К= Δfнач /Δfо =30/5=6 Для выбранного гетеродина известна крутизна регулятора частоты (определяется экспериментально из графика рис.4.2.2) Sрч =30 кГц/В На основании рассчитанного коэффициента подстройки К определяется требуемое значение крутизны частотного детектора системы АПЧ: Sчд =(К-1)/ Sрч =(6-1)/30=0,17 В/кГц Экспериментальное определение крутизны Sчд =0,2 В/кГц было проведено в пункте 4.2. Как видно, эта величина превышает необходимую, поэтому в систеие АПЧ можно применить данный частотный детектор. Определим основные параметры системы АПЧ. 1) Псх =0,8 √ 4Iк Sрч Кд dэ min fчд /Ск
Частоты, соответствующие экстремумам статической характеристики частотного детектора: f1,2 =fчд (1±0,5dэ min )=465*(1±0,5*0,27)=257 кГц и 400 кГц Полоса удержания определяется по формуле: Пу =0,46*Ск *П3 сх /(Iк *Sрч *Кд ) Пу =0,46*10-12 *(56000)3 /(2,2*0,2*0,84)=218570 кГц 2.4 Указания к проведению модернизации Для подключения системы АПЧ к лабораторному стенду необходимо провести следующие изменения в принципиальной схеме стенда (см. Приложения 1-4): 1. Собрать расчитанные в п.п.2.1-2.3 схемы; 2. Подключить питание к от стенда; 3. Параллельно варикапной матрице КВС111А (VD1) подключить варикап КВ104Г для увеличения крутизны регулировки частоты гетеродина; 4. Аноды варикапов подключаются к общему проводу (см. Приложение 4) через параллельно соединенные резистор номиналом 100кОм и конденсатор емкостью 0.033 мкФ для подключения к ним сигнала управления от частотного детектора; 5. Отключить полосовой фильтр Z1, вместо него подключить конденсатор емкостью 1000 пФ для увеличения полосы пропускания усилителя промежуточной частоты. 3 Разработка методик проведения лабораторных работ 3.1 Разработка методики исследования амплитудного ограничителя и частотного детектора Рекомендуемая методика проведения исследования амплитудного ограничителя при проведении лабораторной работы следующая. 1) Расчетная часть – предполагает проведение студентами теоретического расчета амплитудного ограничителя. Студенту необходимо рассчитать и построить амплитудную характеристику амплитудного ограничителя с шунтирующими диодами и амплитудную характеристику транзисторного ограничителя. Методические указания к расчетам изложены ниже. Характеристики амплитудного ограничителя с шунтирующими диодами рассчитывается в следующем порядке: - задаваясь рядом значений косинуса угла отсечки токов шунтирующих диодов cosθ = 1 ; 0,96 ; 0,92 ; 0,88 ; 0,84 ; 0,8 и, зная напряжение запирания диодов Uз , определить соответствующие амплитуды выходного напряжения ограничителя Uвых.огр. = Uз / cosθ
и приведенными в таблице 3.1.1 значениями Здесь Sд – крутизна характеристики прямого тока диода. Таблица 3.1.1
- по заданным dэ1 , Сэ1 и fo рассчитать сопротивление первого контура Rэ1 , затем рассчитать значения R’э , d’э , и β1 для всех выбранных значений cosθ по формулам: где dэ1 – эквивалентное затухание первого контура с учетом влияния шунтирующих диодов; dэ2 – эквивалентное затухание второго контура. - по найденным Uвых.огр. , R’э , β и заданной крутизне транзистора VT1 рассчитать ряд значений амплитуд входного напряжения, соответствующих выбранным cosθ и, следовательно, Uвых.огр. , пользуясь соотношением
где S – крутизна характеристики коллекторного тока транзистора. - построить амплитудную характеристику ограничителя Uвых.огр. =f(Uвх ) Характеристики амплитудного ограничителя на транзисторах рассчитывается по формуле: Рекомендуется следующая последовательность расчетов: - при аппроксимации характеристики транзистора вида рисунка 3.1.3 Iк =Ψ(Uвх ) найти крутизну ее наклонного участка S и напряжение отсечки Uo ; - задаваясь рядом значений угла отсечки (cosθ = 1 ; 0,8 ; 0,6 ; 0,4 ; 0,2 ; 0,1) найти соответствующие им значения амплитуды входного напряжения Uвх = Uо /cosθ, Uо =|U1 |=U2 на рисунке 3.1.3;
Таблица 3.1.2
Характеристики частотного детектора рассчитываются с помощью обобщенных кривых Ψ(α , β), рисунок 3.1.4 - на обобщенной характеристике, соответствующей заданному β, выбрать 5-6 точек и найти их абсциссы и ординаты;
- выходные напряжения частотного детектора, соответствующие выбранным точкам обобщенной характеристики, рассчитывают, подставляя найденные значения ординат функции Ψ(α , β), в формулу Uвых =±I1 Rэ Kд Ψ(α , β) где Kд – заданный в п. коэффициент передачи диодных амплитудных детекторов; Rэ – резонансное сопротивление колебательных контуров частотного детектора, рассчитываемое на основании исходных данных; I1 – амплитуда первой гармоники тока коллектора транзистора VT1.
2) Экспериментальная часть – производится следующим образом. Перед началом работы собрать схему, представленную на рисунке 3.1.1. Включить питание генератора сигналов, вольтметров, осциллографа и лабораторной установки.
Пробник вольтметра переменного напряжения В1 подключить к гнезду Х1 лабораторного макета. Пробник вольтметра В2 подключить к гнезду Х2. Рисунок 3.1.1 - Схема для исследования амплитудного ограничителя Подвести сигнал от генератора сигналов ГС к гнезду Х1 макета, установив входное напряжение Uвх при отсутствии модуляции равным 20-30 мВ. Установить частоту ГС равной резонансной частоте контура ограничителя fo . Плавно изменяя входное напряжение от ГС от 20 мВ до 3 В, снять 7-10 значений напряжения на выходе ограничителя. Результаты занести в таблицу 3.1.3 Таблица 3.1.3
Для снятия характеристик частотного детектора необходимо собрать схему, представленную на рисунке 3.1.2. Соединить гнезда Х2 и Х3, к гнезду Х4 подсоединить вольтметр переменного тока В2.
Рисунок 3.1.2 - Схема для исследования частотного детектора.
Рисунок 3.1.3
|
||||||||||||||||||||||||||||||||||||||||||||||||||||||||||||||||||||||||||||||||||||||||||||||||||||||||||||||||||||||||||||||||||||||||||||||||||||||||||||||||||||||||||||||||||||||||||||||||||||||||||||||||||||||||||||||||||||||||||||||||||||||||||||||||||||||||||||||||||||||||||||||||||||||||||||||||||||||||||||||||||||||||||||||||||||||||||||||||||||||||||||||||||||||||||||||||||||||||||||||||
| fчд , кГц |
| Uвых.чд , мВ |
Экспериментальную и расчетную характеристики исследуемых узлов строят на одном графике.
Содержание отчета
Отчет по работе должен содержать цель работы, схему лабораторной установки, расчет характеристик амплитудного ограничителя и частотного детектора, таблицы расчетных и экспериментальных данных, графики расчетных и экспериментальных зависимостей, результаты сопоставления расчетных полученных в ходе эксперимента характеристик с указанием возможных причин расхождения эксперимента с расчетными данными.
Контрольные вопросы
1. Объясните принцип работы амплитудного ограничителя с шунтирующими диодами.
2. От чего зависит порог ограничения амплитудного ограничителя с шунтирующими диодами?
3. Почему рабочая часть характеристики амплитудного ограничителя с шунтирующими диодами не может быть горизонтальной и от чего зависит ее наклон?
4. Объясните принцип действия транзисторного амплитудного ограничителя.
5. От чего зависит порог ограничения транзисторного амплитудного ограничителя?
6. Объясните принцип действия балансного частотного детектора со связанными контурами.
7. Как и почему изменяется форма характеристики частотного детектора при изменении коэффициента связи между контурами?
8. От чего зависит крутизна характеристики частотного детектора?
9. От чего зависит протяженность рабочего участка характеристики частотного детектора?
10. Чем определяется эквивалентное затухание каждого из контуров?
11. Нарисовать форму напряжений на входе ЧД, на входе первого АМ детектора, на входе второго АМ детектора при изменении частоты подводимого колебания.
Исходные данные для расчетов:
- резонансная частота контуров ограничителя и детектора 465 кГц;
- эквивалентная емкость контуров Сэ=220 пФ;
- эквивалентные затухания контуров dэ=0,05;
- крутизна характеристики транзистора VT1 в рабочей точке на рабочей частоте S=15 мА/В;
- коэффициент передачи по напряжению каждого из диодных детекторов Кд =0,8.
Остальные данные, необходимые для расчетов, приведены в литературе.
Фактор связи β в интервале 1,0…2,5 задается преподавателем.
3.2 Разработка методики исследования системы автоматической подстройки частоты
Для исследования системы автоматической подстройки частоты (АПЧ) с помощью модернизированного лабораторного стенда рекомендуется следующая методика. Она представлена в виде методических указаний к проведению лабораторных работ.
Целью данной работы является определение основных характеристик системы автоподстройки частоты следящего типа; коэффициента автоподстройки, полосы схватывания, статической характеристики управления частотой гетеродина и остаточной расстройки, полосы удержания.
Структурная схема системы АПЧ приведена на рисунке 3.2.1.
Рисунок 3.2.1 – Структурная схема системы АПЧ
Рабочее задание на лабораторную работу:
1. Снять статические характеристики управителя-частотного детектора;
2. Снять резонансную характеристику преобразователя без АПЧ и с АПЧ, определить полосу удержания и полосу схватывания.
К п.1. Соединить гнезда КТ5 с Х1, Х2 с Х3, тумблер «АПЧ» поставить в положение «вкл».
К гнезду КТ4 присоединить генератор сигналов и частотометр, установить частоту немодулированного входного сигнала около 400 кГц амплитудой 10-15 мВ.
К гнезду Х4 подключить милливольтметр постоянного напряжения.
Включить питание всех приборов.
Плавно меняя частоту генератора, снять характеристики Uвыхчд =ξ(fпч ) и fгет =φ(Uвыхчд ). Результаты занести в таблицу 3.2.1. При измерении частоты гетеродина частотометр подключается к гнезду КТ4. Значения fпчо =fпч =465 кГц при Uвыхчд =Uо ; fгето =fгет при Uд =Uo где Uo – постоянное напряжение на варикапе, измеряемое на гнезде Х4 при положении «выкл» тумблера «АПЧ».
По результатам экспериментов построить графики зависимостей Δfгет =ξ(Uвыхчд ), Uвыхчд =φ(Δ fпч ).
По графикам определить статическую крутизну управителя
Sу = Δfгет / ΔUвыхчд , и различителя Sд = ΔUвыхчд / Δfпч
для линейных участков снятых характеристик.
Коэффициент автоподстройки Капч вычисляется по формуле
Капч =1+ Sу Sд
Таблица 3.2.1
| fпч , кГц |
| Uвыхчд , В |
| fгет , кГц |
| Δ fпч , кГц |
| Δ Uвыхчд , В |
К п.2. Тумблер «АПЧ» выключить. Установить на генераторе сигналов частоту в районе 4,5 Мгц, амплитуду сигнала на выходе 1-1,5 мВ, подать ее на гнездо КТ2, подключить вольтметр переменного тока к гнезду КТ5. Установить регулятор «Частота гетеродина» в среднее положение.
Плавно меняя частоту генератора или вращением ручки «Частота гетеродина» настроиться в резонанс по максимуму показаний вольтметра. Снять значение напряжения на вольтметре U1 .
Плавно перестраивая генератор, снять резонансную характеристику преобразователя Uвых =F(fc ), начиная с уровня U1 /10 и заканчивая таким же уровнем. Результаты занести в таблицу 3.2.2.
Тумблер «АПЧ» поставить в положение «ВКЛ». Снять резонансную характеристику с включенной системой автоподстройки частоты. Результаты занести в таблицу 3.2.3. С АПЧ характеристика снимается дважды:
а – при увеличении частоты;
б – при уменьшении частоты.
Таблица 3.2.2 - Характеристики без АПЧ
| fc , кГц |
| Uвых , В |
Таблица 3.2.3 – Характеристики с АПЧ
| fc , кГц | |
| Uвых , В | а |
| Uвых , В | б |
Построить все отснятые резонансные кривые на одном графике, откладывая по оси ординат отношение напряжения при расстройках к максимальному (резонансному) значению напряжения на выходе, а по оси абсцисс абсолютные значения частоты входного сигнала. Пользуясь этими кривыми, построить характеристику АПЧ: зависимость отклонения промежуточной частоты относительно номинального значения остаточной расстройки от отклонения частоты входного сигнала относительно частоты точной настройки. Для этого из точки произвольного значения частоты восстановить перпендикуляр до пересечения с резонансной характеристикой, снятой с АПЧ, и определить относительную величину входного сигнала, соответствующую данной частоте или данной начальной расстройке: Δfн =fс1 -fс0
где fс1 – произвольное значение частоты;
fс0 – частота сигнала, соответствующая точной настройке.
Абсцисса точки пересечения прямой, проведенной через эту точку параллельно оси абсцисс и резонансной характеристикой, снятой без АПЧ, будет определять остаточную расстройку по формуле:
Δfс =fс2 -fс1
где fс2 – частота сигнала, определенная в результате последнего построения. Пользуясь построенной характеристикой АПЧ, определить коэффициент автоподстройки, полосу схватывания и полосу удержания.
Содержание отчета
Отчет должен содержать цель работы, схему исследуемого макета, результаты экспериментов, краткие выводы по проделанной работе.
Контрольные вопросы
1. Какова методика снятия статической характеристики управления варикап-гетеродин?
2. Какой вид имеет вольт-фарадная характеристика варикапа?
3. Какова методика снятия статической характеристики различителя – частотного детектора?
4. Какова методика снятия резонансной характеристики усилителя при работающей АПЧ?
5. Как изменится резонансная характеристика усилителя при работающей АПЧ по сравнению с резонансной характеристикой усилителя без АПЧ?
6. Какова методика экспериментального определения полосы схватывания и полосы удержания?
7. Как объяснить кажущееся ухудшение избирательности усилителя промежуточной частоты при действии АПЧ?
8. Как изменится характеристика АПЧ, если изменить полярность напряжения, подаваемого от частотного детектора на варикап?
9. Что понимается под полосой схватывания и полосой удержания АПЧ?
10. Как влияет форма характеристики частотного детектора на величину полосы схватывания и удержания?
11. Чему равен коэффициент автоподстройки частоты?
12. От чего зависит остаточная расстройка и как определить ее величину по характеристикам частотного детектора и управления при заданной начальной расстройке?
4 Экспериментальные результаты
4.1 Экспериментальные данные, полученные при исследовании амплитудного ограничителя и частотного детектора
При проведении исследований амплитудного ограничителя использовалась методика, разработанная в пункте 3.1 данного дипломного проекта. Полученные данные приведены в таблице 4.1.1. График зависимости Uвых =f(Uвх ) приведен на рисунке 4.1.1.
Таблица 4.1.1
| Uвх , мВ | 8 | 30 | 80 | 275 | 350 | 600 | 750 | 900 | |||||||||
| Uвых , мВ | 2.5 | 8 | 30 | 1900 | 6500 | 7000 | 7200 | 6900 | |||||||||
Uвых, В |
|||||||||||||||||
| 8 | |||||||||||||||||
| 7 | |||||||||||||||||
| 6 | |||||||||||||||||
| 5 | |||||||||||||||||
| 4 | |||||||||||||||||
| 3 | |||||||||||||||||
| 2 | |||||||||||||||||
| 1 | |||||||||||||||||
| Uвх ,В | |||||||||||||||||
0 0,1 0,2 0,3 0,4 0,5 0,6 0,7 0,8 0,9 1
Рисунок 4.2.1 – График зависимости U вых = f ( U вх )
При исследовании частотного детектора полученные результаты заносились в таблицу 4.1.2. График зависимости Uвых.чд = F(fвх ) приведен на рисунке 4.1.2.
Таблица 4.1.2
| fчд , кГц | 410 | 420 | 430 | 440 | 450 | 460 | 470 | 480 | 490 |
| Uвых.чд , В | 0,92 | 2,0 | 3,3 | 4,0 | 4,5 | 4,4 | 4,0 | 3,4 | 2,5 |
Uвых, В |
| 5,5 |
| 5,0 |
| 4,5 |
| 4,0 |
| 3,5 |
| 3,0 |
| 2,5 |
| 2,0 |
| 1,5 |
| 1,0 |
| 0,5 |
| fвх ,кГц |
400 410 420 430 440 450 460 470 480 490
Рисунок 4.2.2 – График зависимости U вых = F ( f вх )
4.2 Экспериментальные данные, полученные при исследовании системы АПЧ
Исследования системы автоматической подстройки частоты проводились по методике, приведенной в разделе 3.2 данного проекта. Полученные данные представлены в таблицах 4.2.1, 4.2.2, 4.2.3. Графики зависимостей Δfгет =ξ(Uвыхчд ), Uвыхчд =φ(Δ fпч ) приведены на рисунках 4.2.1 и 4.2.2 соответственно. Определенная по графикам статическая крутизна управителя
Sу = Δfгет / ΔUвыхчд = 60/2=30 кГц/В
и различителя
Sд = ΔUвыхчд / Δfпч = 2/10=0,2 В/кГц
Коэффициент автоподстройки Капч
Капч =1+ Sу Sд = 1+30*0,2=7
Таблица 4.2.1
| fпч , кГц | 445 | 455 | 465 | 475 | 480 |
| Uвыхчд , В | 6,5 | 5 | 3 | 1 | 0,6 |
| fгет , кГц | 4300 | 4360 | 4410 | 4470 | 4480 |
| Δ fпч , кГц | -20 | -10 | 0 | 10 | 15 |
| Δ fгет , кГц | 110 | 60 | 0 | -60 | -70 |
Таблица 4.2.2 - Характеристики без АПЧ
| fc , кГц | 4711 | 4820 | 4884 | 4950 | 5003 | 5066 | 5266 |
| Uвых , В | 0,15 | 0,5 | 1,1 | 1,5 | 1 | 0,5 | 0,15 |
Таблица 4.2.3 – Характеристики с АПЧ
| fc , кГц | 4720 | 4860 | 4900 | 4950 | 5000 | 5080 | 5450 | |
| Uвых , В | а | 0,15 | 0,5 | 1 | 1,5 | 1 | 0,5 | 0,15 |
| Uвых , В | б | |||||||
5 Безопасность жизнедеятельности
5.1 Создание оптимальных условий труда на участке травления печатных плат
При внедрении модернизированного лабораторного макета в серийное производство, одним из этапов изготовления макета будет травление печатных плат для последующей сборки электронной части лабораторного макета. Рассмотрим условия труда и возможные вредные факторы, которые могут возникнуть при работе на участке по травлению печатных плат.
1. Освещение – недостаточное освещение вызывает уменьшение производительности труда, усиливает утомляемость, увеличивает количество ошибочных действий, могущих привести к браку или несчастному случаю, также может развиться близорукость. Для недопущения возникновения этих факторов на участке по травлению печатных плат применяется комбинированная система – естественное и искусственное освещение .
2. Микроклимат – отклонения отдельных параметров микроклимата от рекомендованных значений снижают работоспособность, ухудшают самочувствие , и могут привести к профессиональным заболеваниям. Так, при низкой температуре воздуха происходит охлаждение организма, что способствует возникновению простудных заболеваний. При высокой температуре возникает перегрев организма, что ведет к повышенному потоотделению и снижению работоспособности. Работник теряет внимание, что может стать причиной несчастного случая. Повышенная влажность воздуха затрудняет испарение влаги с поверхности кожи и легких, что ведет к нарушению терморегуляции организма, и к ухудшению состояния человека и снижению работоспособности. При пониженной относительной влажности у человека появляется ощущение сухости слизистых оболочек верхних дыхательных путей. Скорость движения воздуха также имеет немаловажное значение, при температуре до 35-36о С оказывает на человека освежающее действие, а при температуре более 40 о С – неблагоприятное. По характеру выполняемая на участке работа относится к легкой физической категории 1б (производится сидя, стоя или связана с ходьбой и сопровождается некоторым физическим напряжением). В помещении где производятся работы такой категории, установлены следующие нормированные значения микроклиматических условий:[1]
- температура воздуха в холодный период года 23-25о С;
- относительная влажность 40-60%;
- температура воздуха в теплый период года 22-24о С;
- скорость движения воздуха не более 0,2 м/с.
3. Выделения вредных веществ – при работе на участке травления печатных плат выделяется большое количество вредных веществ. Травление происходит в растворе соляной кислоты,. температура раствора составляет 60-70 о С. При этом выделяются хлорид меди CuCl2 , водород H2 , возможно выделение хлора Cl2 . Водород при смешивании с атмосферным кислородом образует взрывоопасную смесь. Хлор относится ко второму классу опасности (высокоопасные вещества), его нормированная предельно допустимая концентрация в воздухе рабочей зоны составляет 1 мг/м3 [1]. Он может вызвать тяжелые отравления со смертельным исходом. Для защиты от воздействия на человека вредных веществ необходимо применение не только общей, но и местной вентиляции.
Для эффективного отвода загрязненного воздуха от участка по травлению печатных плат применим двубортовые отсосы, расположенные около каждой из четырех ванн для травления печатных плат. Ванны имеют одинаковые размеры 500Х200 мм. Схема двубортового отсоса приведена на рисунке 5.1.1. Количество воздуха L (м3/час), удаляемого одним двубортовым отсосом, определяется по формуле:[8]
L=1400(0,53Bl2 /(B+l2 )+H)1/3 Bl2 k1 k2 kΔT ,
где B – расчетная ширина ванны, м;
l2 – длина ванны, м;
H – расстояние от зеркала электролита до оси щели, м (по конструктивным соображениям принимаем 100 мм);
k1 - коэффициент учета конструкции отсоса, принимаемый равным 1 для двубортового отсоса;
k2 – коэффициент учета токсичности выделяющихся вредных веществ, принимается равным 1,25;
![]()
Рисунок 5.1.1 - Схема двустороннего бортового отсоса:
1 – корпус ванны; 2 – кожух бортового отсоса: 3 – вытяжной воздуховод; 4 – сборник для улавливания раствора; 5 – конус в сборнике; 6 – удале-ние конденсата: 7 – заслонка.
kΔT - коэффициент учета температуры электролита, при разности температур электролита и окружающего воздуха в 50о С принимается равным 1.79.
Окончательно, имеем:
L=1400*(0,53*0,5*0,2/(0,5+0,2)+0,1)1/3 *0,5*0,2*1,79*1,25*1= 175 м3 /ч
Общее количество удаляемого воздуха, м3 /ч,равно
Lобщ=L*n
где n – количество двубортовых отсосов.
Lобщ=175*8=1400 м3 /ч
В качестве вентилятора, удаляющего такой объем воздуха, можно применить вентилятор марки К315L фирмы «VENTRADE» (адрес в глобальной сети ИНТЕРНЕТ: http://www.aha.ru/~ventrade), имеющий следующие техничес-кие характеристики:
Потребляемая мощность, Вт 319
Поток, м3 /ч 1660
Частота вращения, об/мин 2645
Звуковое давление, dB(А) 46
Вес, кг 5
Меры безопасности при работе с ваннами для травления печатных плат и травильными растворами:
- вентиляция в цехе включается до начала работ, а выключается только после их окончания;
- категорически запрещается работа с неисправной вентиляцией, так как в этом случае выделяемый хлор может вызвать отравление людей, а водород создает с атмосферным кислородом взрывоопасную смесь;
- все работы производятся в резиновых перчатках и стеклянных очках во избежание попадания травильного раствора на кожу и в глаза;
- в случае попадания раствора в глаза или на кожу, поврежденные участки тела необходимо промыть водой в течение 15-20 минут и обратиться к врачу;
- емкости с травильным раствором хранятся в плотно закупоренных емкостях в местах, исключающих их возможное повреждение;
- все работники обязаны знать технику безопасности и меры оказания первой помощи пострадавшим при отравлениях хлором и другими химическими веществами, а также при поражении электрическим током.
5.2 Защита окружающей среды от выбросов вредных веществ
Как уже сказано выше, при работе участка выделяются вредные вещества: водород, хлорид меди, пары соляной кислоты. Также возможно выделение хлора. Соляная кислота и хлор относятся к классу высокоопасных химических веществ. Они оказывают раздражающее воздействие на слизистые оболочки, поверхность кожи и органы дыхания. В сточных водах присутствуют хлорид меди, соляная кислота. Попадание этих веществ в водоемы изменяет уровень кислотности рН, что влечет за собой изменение биологического равновесия и может привести к гибели живых организмов. Поэтому прямой сброс сточных вод в канализацию недопустим.
Для очистки сточных вод участка по травлению печатных плат от солей меди и соляной кислоты применим ионообменный метод очистки. Этот метод позволяет обеспечить высокую эффективность очистки , а также получать выделенные из сточной воды металлы в виде относительно чистых концентрированных солей.
Для ионообменной очистки сточных вод используют синтетические ионообменные смолы. На рисунке 5.2.1 представлена схема ионообменной очистки сточных вод ванн травления от соединений меди. Сточные воды поступают в приемный резервуар 1, откуда насосом 2 подаются в фильтр 3 для очистки от механических примесей. Очищенная от механических примесей сточная вода поступает в последовательно расположенные анионитовые фильтры 4 и 5, заполненные ионообменной смолой в ОН-форме. Очищенная таким образом сточная вода вновь подается в ванну омеднения 12. Вспомогательный катионитовый фильтр 6 предназначен для дополнительной обработки сточной воды в пусковой период. В бак 7 поступают выделенные соединения меди. Бак 8 предназначен для сбора отработанного раствора. Емкости 13 – со щелочью и 14 – с кислотой предназначены для промывки фильтров. Промывной раствор нейтрализуется в баке 11, куда через дозатор 9 одновременно подается необходимое для нейтрализации количество извести из бака 10. Данная схема позволяет задерживать до 95% солей металлов, образующихся при работе участка по производству печатных плат.
![]()
Рисунок 5.2.1 Схема ионообменной очистки сточных вод ванн травления
5.3 Меры электробезопасности
Помещение производственного участка по травлению печатных плат химическим методом – относится к особо опасному помещению, так как в нем:
1. Присутствует активная химическая среда (хлорное железо, соляная кислота), которая способна вызвать разрушение изоляции и уменьшение ее сопротивления.
2. Возможно прикосновение человека к имеющим соединение с землей металлоконструкциям здания ( батареям центрального отопления и др.), технологическим аппаратам, механизмам с одной стороны, и к металлическим корпусам электрооборудования, находящегося под напряжением;
3. Имеется бетонный пол, который при определенных условиях может стать электропроводящим (повышенная влажность и др.);
По характеру окружающей среды помещение относится к классу помещений с активной химической средой.
По степени доступности участок относится к производственным помещениям (оборудование доступно для обслуживающего персонала неэлектротехнических специальностей, не имеющих достаточного представления о безопасности при работе с электрооборудованием).
В помещении данного класса используется четырехпроводная электросеть с глухо-заземленной нейтралью и с нулевым защитным проводником, т.к. невозможно обеспечить хорошую изоляцию проводов вследствие наличия агрессивной химической среды. Сеть электропитания – трехфазная, 380/220 В.
Поражение электрическим током может произойти при коротком замыкании проводки на металлический корпус аппаратуры, при неумелом обращении с электрообо-рудованием, при случайном касании токоведущих частей. Для защиты персонала от поражения электрическим током применяются зануление, обеспечивающее быстрое отключение аппарата при замыкании токоведущих частей на металлический корпус, устройства защитного отключения, автоматически отключающие электроустановку при потенциальной возможности соприкосновения человека с токоведущими частями, а также защитное заземление.
Рассчитаем сопротивление защитного заземления.
Расчет ведется по формулам, приведенным в [1]. Заземляющее устройство использует естественные заземлители (части металлических конструкций, находящиеся в земле), измеренное сопротивление растеканию которых Re=25 Ом.
Требуемое сопротивление защитного заземляющего устройства для этого случая (согласно ГОСТ121.038-81 ) должно быть не более 4 Ом. Следовательно, дополнительно к естественному заземлителю монтируется искусственный из вертикальных стальных стержней длиной L=2.5 м, диаметром 15 мм, верхние концы которых соединяются стальной полосой сечением 20х4 мм2 , уложенной в грунт (суглинок) с удельным сопротивлением ρ=120 Ом*м и на глубине t=0,5 м.
Контурный заземлитель размещается по периметру здания предприятия связи, длина которого Lг =70 м.
При расстоянии между заземлителями а=5м необходимое количество вертикальных электродов составит
n= Lг /a=70/5=14 штук
Требуемое сопротивление искусственного зазаемляющего устройства:
Rи.тр = Re Rз /(Re -Rз )=25*4/(25-4)=4,76 Ом
Сопротивление растеканию вертикальных (Rв ) и горизонтальных (Rг ) электродов определяется по формулам:
Rв =(ρ/2пL)*(ln(2L/d)+1/2ln((4t+L)/(4t-L)))=
=120/2/2.5/3.1415*(ln (2*2.5/0,015)+0.5*ln((4*1.75+2.5)/
/(4*1.75-2.5)))=42 Ом;
Rг =ρ/(2пLг )ln2Lг 2 /bto =120/(2*3,1415*70)ln2*70*70/(0,004*0,5)=
=4.2 Ом.
где ρ – расчетное удельное сопротивление грунта, Ом*м:
Lг – длина горизонтального заземлителя;
b – ширина полосы, м;
to – глубина заложения полосы горизонтального заземлителя, м;
t - глубина заложения вертикального заземлителя;
d – диаметр вертикального заземлителя, м.
Коэффициенты использования электродов ηз = 0.66 и ηс = 0.36 [1, рисунок 12.7б и 12.8б].
Сопротивление растеканию группового искусственного заземлителя определяется по формуле [1]:
Rи = Rг Rв /( Rг ηс + Rв ηз n)=42*4.2/(0.36*42+4.2*0.66*14)=3.27 Ом. Это сопротивление меньше заданного (4.76 Ом), что значительно повышает безопасность.
Общее сопротивление заземляющего устройства:
Rз.д =Re Rи /(Re +Rи )=25*3.27/(25+3.27)=2.9 Ом, что меньше требуемого по ГОСТ 121.030-81.
5.4 Меры противопожарной безопасности
Помещение, где производится травление печатных плат, относится к взрывоопасному, так как выделяемый при травлении водород с атмосферным кислородом образует взрывоопасную смесь. Однако это может произойти лишь при отключении вентиляции, т.е. при авариях. Следовательно, помещение относится к классу В-Iа. По степени пожарной опасности данное производство согласно СНиП 11-90-81 может быть отнесено к категории Д, так как характеризуется наличием только несгораемых веществ и материалов в холодном состоянии.
Причинами пожара в цехе могут стать короткое замыкание в цепях питания электрооборудования; значительные перегрузки проводки; плохие контакты в местах соединения проводников, приводящие к увеличению переходного сопротивления, на котором выделяется большое количество тепла; небрежное обращение с огнем; удары молнии и др.
Так как на производственном участке имеется большое количество электрооборудования, а также кислота, использование воды для тушения пожара опасно. Поэтому предполагается использовать установку газового объемного пожаротушения, В качестве огнегасительного вещества используется комбинированный углекислотно-хладоновый состав (85% двуокиси углерода, 15% хладона 111В2).
Рассчитаем необходимую массу огнегасительного вещества. Производственный участок – помещение размером 5х10 метров, высота потолков – 3 м.
1. Требуемая масса комбинированного углекислотно-хладонового состава md , кг, для объемного пожаротушения определяется по формуле [15]
md =k6 qn V,
где k6 – коэффициент компенсации неучитываемых потерь углекислотно-хладонового состава, принимается равным 1.2;
qn – нормативная массовая огнетушащая концентрация углекислотно-хладонового состава, принимается 0.27 кг/м3 при времени заполнения помещения , равным 30 сек;
V – объем защищаемого помещения, м3 .
md =1.2*0.27*10*5*3=48.6 кг
2. Количество ξ1 баллонов определяется из расчета вместимости в 40-литровый баллон 25 кг углекислотно-хладонового состава
ξ1 = md /25=48.6/25=2 полных баллона
3. Внутренний диаметр магистрального трубопровода di , мм, определяется по формуле
di
=d1
√ξ2
где d1 – диаметр сифонной трубки баллона, мм (30 мм)
ξ2 – число одновременно разряжаемых баллонов.
di
=30*√2=42.4=43 мм
4. Эквивалентная длина магистрального трубопровода l2 , м, определяется по формуле:
l2 =k7 l
где k7 – коэффициент увеличения длины трубопровода для компенсации неучитываемых местных потерь (принимается равным 1.1):
l – длина трубопровода по проекту, м (принимается равной 30 м).
l2 =1.1*30=33 м
5. Площадь сечения выходного отверстия оросителя Аз, мм2 , определяется по формуле
Аз=S/ξ1
где S – площадь сечения магистрального трубопровода, мм2 ;
ξ1 – число оросителей (8).
Аз=3.1415*2*33/8=26 мм2
6. Расход углекислотно-хладонового состава Q, кг/с, в зависимости от эквивалентной длины и диаметра трубопровода определяется по черт.3 [15]
Q=5,6 кг/с
7. Расчетное время подачи углекислотно-хладонового состава t, мин, определяется по формуле:
t=md /60Q
где md – расчетная масса углекислотно-хладонового состава, кг;
Q – расход углекислотно-хладонового состава, кг/с.
t=48,6/5,6=8,7 мин
8. Масса основного запаса углекислотно-хладонового состава, m, кг, определяется по формуле:
m = 1,1md (1+k8 /k6 )
где k8 – коэффициент, учитывающий остаток углекислотно-хладонового состава в баллонах и трубопроводах, равен 0.2;
m = 1,1*48,6*(1+0.2/1.2)=62,4 кг
Насадки расположены на потолке в два ряда по четыре штуки в ряду на расстоянии 1.5 м от стен и 2м друг от друга. Они соединены последовательно магистральной трубой диаметром 33 мм, баллоны с газом расположены в соседнем помещении.
Определим технические и организационные мероприятия на участке по травлению печатных плат. К техническим мероприятиям относятся противопожарные меры, применяемые при строительстве цеха. В частности, при строительстве цеха необходимо соблюсти следующее:
- территорию цеха необходимо постоянно содержать в чистоте, горючий мусор должен систематически удаляться на специально отведенные участки и по мере накопления вывозиться;
- все токоведущие части, распределительные устройства, рубильники и другие пусковые аппараты монтируются на негорючих основаниях (мрамор, текстолит, гетинакс, асбест, и т.п.);
- измерение сопротивления изоляции электросети проводится не реже двух раз в год. Неисправные участки обесточиваются и заменяются новыми;
- вся электрическая аппаратура, установленная в цехе, выполняется взрывозащищенной;
- для осветительной проводки в цехе применяются только провода в кислотноупорной оболочке;
- для устранения возможности проникновения паров и газов из цеха в соседние помещения выводы проводов сквозь стены делаются с применением фарфоровых трубок, отверстия которых закрываются кислотноупорной замазкой;
- отопление аккумуляторного помещения делается централизованным (водяным или паровым) в виде целых сварных труб без фланцев и вентилей;
- на дверях цеха выполняется крупная надпись «Огнеопасно, с огнем не входить!»;
- курение в помещении строго воспрещается;
- на случай возникновения пожара необходимо предусмотреть возможность эвакуации людей. Эвакуационные пути должны обеспечивать эвакуацию всех людей, находящихся в помещении цеха в течение необходимого времени. Число эвакуационных путей не менее двух;
- двери на путях эвакуации навешиваются так, чтобы открывались по направлению выхода из здания;
- устройство раздвижных и подъездных дверей на путях эвакуации не допускается;
- минимальная ширина дверей на путях эвакуации не менее 0,8м;
- высота перехода на путях эвакуации не менее 2 м;
- устройство винтовых лестниц и забежных ступеней на путях эвакуации не допускается;
- схема эвакуации людей тщательно разрабатывается и вывешивается на видных местах;
- весь трудовой коллектив проходит обучение мерам противопожарной безопасности.
6 Технико-экономическое обоснование дипломного проектирования
В данном дипломном проекте разрабатывается оптимальный способ модернизации лабораторного стенда, имеющегося на кафедре «Радиотехника». Данный проект представляет определенную ценность для Алматинского Института Энергетики и Связи, поэтому имеет смысл рассчитать рыночную стоимость и себестоимость производимой модернизации.
6.1 Трудозатраты
Представим организацию выполнения научно-исследовательской работы в виде таблицы 6.1. В этой таблице представлены наименования этапов разработки, трудоемкость и исполнители разработки.
6.2 Трудоемкость
Определяем оклады руководителю, консультанту и инженеру. Считая, что в месяце 24 рабочих дня, определяем дневной заработок, а также трудоемкость. Месячный оклад руководителя составляет 12000 тенге, консультанта - 6000 тенге, инженера - 6000 тенге.
Результаты расчета приведены в таблице 6.2.
Таблица 6.1
| № | Наименование этапов | Исполнители | Трудоемкость чел*дн |
| 1 | Постановка задачи | руководитель | 1 |
| 2 | Обзор научно-технической литературы | инженер | 5 |
| 3 | Подбор теоретических сведений | инженер | 5 |
| 4 | Разработка принципиальной схемы | инженер | 3 |
| 5 | Сборка схемы и ее настройка | инженер | 22 |
| 6 | Консультации по специальной части | руководитель | 5 |
| 7 | Консультации по БЖД | консультант | 2 |
| 8 | Консультация по экономике | консультант | 2 |
| 9 | Проведение нормоконтроля | консультант | 2 |
| 10 | Сдача работы | руководитель | 1 |
| всего | 83 |
6.3 Смета затрат
Фонд оплаты труда (ФОТ) определяется суммой основной заработной платы (ОЗП) и дополнительной заработной платы
Таблица 6.2.
| № | Исполнители | Дневной заработок, тенге | Участие, дни | Заработная плата, тенге |
| 1 | Руководитель | 500 | 7 | 3500 |
| 2 | Инженер | 250 | 35 | 8750 |
| 3 | Консультант по экономике | 250 | 2 | 500 |
| 4 | Консультант по БЖД | 250 | 2 | 500 |
| 5 | Консультант по нормоконтролю | 250 | 2 | 500 |
| Итого | 83 | 13750 |
(ДЗП); ДЗП составляет 30% от основной заработной платы (ОЗП) [2]:
ДЗП=0,3*ОЗП
ДЗП=0,3*13750=4125 тенге
ФОТ=ОЗП+ДЗП
ФОТ=13750+4125=17878 тенге
Отчисления в фонд социального страхования (ФСС) определяется в размере 30% от фонда оплаты труда:
ФСС=0.3*ФОТ
ФСС=0.3*17878=5362.5 тенге
Отчисления в фонд занятости составляют 2% от ФОТ
ЗФЗ=0.02*ФОТ
ЗФЗ=0.02*17878=357.56 тенге
Затраты на электроэнергию определяются по формуле
СЭ=W*T*S*КИМ,
где W - мощность всех приборов, Вт;
Т - фонд времени работы прибора, час;
S - стоимость киловатт-часа электроэнергии, S=6.0 тенге/час;
КИМ - коэффициент использования мощности, КИМ=0.9.
Результаты расчета затрат на электроэнергию сведены в таблицу 6.3.
Таблица 6.3 Затраты на электроэнергию.
Оборудование |
Потребляемая мощность, кВт |
Фонд времени, час | Расход электроэнергии, кВт/час | Затраты на электроэнергию, тенге |
| Электропаяльник | 0.025 | 50 | 1.25 | 7.5 |
| Осциллограф | 0.07 | 50 | 3.5 | 21 |
| Генератор сигналов | 0.05 | 50 | 2.5 | 15 |
| Частотометр | 0.05 | 50 | 2.5 | 15 |
| Итого | 58.5 |
СЭ=58.5*0.9=52.65 тенге.
6.4 Расчет стоимости специального оборудования и его амортизации
В процессе модернизации лабораторного макета были использованы:
- электропаяльник типа ЭПСН-25;
- осциллограф ОСЦ-51;
- генератор сигналов высокочастотный ГС-106;.
- частотометр Ч-42.
На проведение экспериментальных работ выделено 20 дней или 0.055 года. Результаты работы сведены в таблицу 6.4. Норма амортизации составляет 8% [2]
Таблица 6.4. Амортизационные отчисления
| Наименование оборудования | Цена за единицу, тенге | Время использов., года | Норма аморт., % | Год. сумма аморт. тенге | Аморт. отчисления, тенге |
| Электропаяльник | 250 | 0.055 | 8 | 20 | 1.1 |
| Осциллограф | 9000 | 0.055 | 8 | 720 | 39.6 |
| Генератор сигналов | 4200 |
0.055 |
8 |
336 |
18.48 |
| Частотометр | 6500 | 0.055 | 8 | 520 | 28.6 |
| Итого | 87.8 |
Время дипломного проектирования 3 месяца, что составляет 0.25 лет. Затраты на специальное оборудование в соответствии с [1] составляют:
Зсп.об. =(Агод *Тисп )/Тгод ,
где Зсп.об. - затраты на специальное оборудование, тенге;
Агод - амортизационные отчисления, тенге;
Тисп - время использования по теме, год;
Тгод - длительность работы над дипломом, лет.
Зсп.об =(87.8*0.055)/0.25=19 тенге.
Общая сумма всех затрат:
Зобщ =ФОТ+Зсп.об +СЭ+ЗФЗ
Зобщ =17878+19+53+357=18307 тенге.
Накладные расходы составляют 75% от затрат:
Зн =Зобщ *0.75;
Зн =18307*0.75=13730 тенге.
Полная себестоимость:
S=Зобщ +Зн =13730+17878=31608 тенге.
Полученные результаты расчета основных технико-экономических показателей разработки сводим в таблицу 6.5.
6.5 Расчет цены реализации разработки
Определим лимитную цену разработки по формуле:
Цл =S+П
где П - прибыль предприятия:
П=0.4*S.
Цл =S+0.4*S=1.4*31608=44251.2 тенге.
Цена реализации разработки модернизации:
Цр =Цл +НДС,
где НДС - налог на добавленную стоимость, НДС составляет 20% от лимитной цены разработки.
Цр =Цл +0.2*Цл =1.2*44251.2=53101 тенге.
Из учета рыночных отношений разумно перевести цену в доллары США и в последующем реализовать продукт по цене в зависимости от рыночного курса государственной валюты.
На момент проведения работ по модернизации курс тенге по отношению к доллару США составлял 116.8 тенге за один американский доллар. Следовательно цена разработки будет составлять $455.
Таблица 6.5. Себестоимость затрат
| № | Статьи затрат | Сумма, тенге |
| 1 | Основная заработная плата | 13750 |
| 2 | Дополнительная заработная плата | 4125 |
| 3 | Фонд оплаты труда | 17878 |
| 4 | Отчисления в фонд социального страхования | 5362.5 |
| 5 | Амортизационные отчисления | 87.8 |
| 6 | Затраты на электроэнергию | 52.6 |
| 7 | Отчисления в фонд занятости | 357.56 |
| 8 | Накладные расходы | 13730 |
| Всего затрат | 31608 | |
| Лимитная цена | 44251.2 | |
| Цена разработки | 53101 | |
Заключение
В результате проделанной работы была проведена реальная модернизация лабораторного стенда «Исследование приемника АМ сигналов» в приемник ЧМ сигналов. Были рассчитаны, изготовлены и настроены составные узлы приемника ЧМ колебаний – амплитудный ограничитель, частотный детектор, система автоподстройки частоты; также разработаны методики исследования вышеупомянутых узлов. Причем теперь лабораторный макет может использоваться как для исследования узлов АМ-приемника, так и для исследования приемника ЧМ-сигналов. Это позволит включить в учебную программу дополнительные лабораторные работы, которые позволят студенту лучше понять процессы, происходящие при приеме сигналов с ЧМ-модуляцией, а следовательно, поднять уровень его квалификации и увеличить рыночную цену его труда, что тоже имеет немаловажное значение.
Произведен расчет стоимости разработки модернизации стенда, проведен ряд экспериментов на модернизированной установке, полученные данные достаточно хорошо согласуются с расчетными, что позволяет говорить о правильной выборке методик расчета и хорошем проведении сборки и настройки макета.
Список использованной литературы
1. Баклашов Н.И., Китаева Н.Ж., Терехов Б.Д.. Охрана труда на предприятиях связи и охрана окружающей среды. – М.:Радио и связь, 1989.
2. Барамысова Г.А. Методические указания к экономической части дипломного проекта для специальности 23.05 всех форм обучения. - Алма-Ата: АЭИ, 1990 г./
3. Бобров Н.В. Расчет радиоприемников. – М.: Радио и связь, 1981.
4. Богданович Б.М., Ваксер Э.Б. Краткий радиотехнический справочник. – Минск, 1968.
5. Бродский М.А. Аудио и видеомагнитофоны. – Минск. Вышейшая школа, 1995.
6. Воронина А.А., Шибенко Н.Ф. Охрана труда в энергосистемах. – М.: Энергия, 1973.
7. Долин П.А. Основы техники безопасности в электроустановках. – М.: Энергоатомиздат, 1984.
8. Методические указания по конструированию местных воздухоприемников, встроенных в оборудование для пайки и лужения. – Л.:ВНИИОТ. 1980.
9. Охрана окружающей среды. Под ред. Белова С.В. – М.: Высшая школа, 1983.
10. Охрана труда в электроустановках. Под ред. Князевского. – М.: Энргия, 1977.
11. Полупроводниковые приборы: транзисторы. Справочник. Под ред. Горюнова Н.Н. - М.: Энергоатомиздат, 1985.
12. Проектирование радиоприемных устройств. Под ред. Сиверса А.П. – М. Советское радио, 1976.
13. Радиоприемные устройства. Под ред. Жуковского А.П. – М.: Высшая школа, 1989.
14. Радиоприемные устройства на полупроводниковых приборах. Проектирование и расчет. Под ред. Валитова Р.А., Куликовского А.А. – М.: Советское радио, 1988.
15. СниП 2.04.09-84.-М.:1985.
16. Современные линейные интегральные микросхемы и их применение. Под ред. Гальперина. – М.: Энергия, 1980.
17. Шило В.Л. Линейные интегральные схемы в радиоэлектронной аппаратуре. – М.: Советское радио, 1979.
18. Щербаков В.И., Грезов Г.И. Электронные схемы на операционных усилителях. Справочник. – Киев.: Технiка, 1983.
Приложение 4
К проведению модернизации
Приложение 2
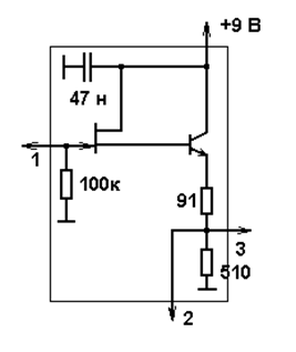
Амплитудный ограничитель. Блок питания. Схемы электрические принципиальные.
Рисунок П.1.1 - Амплитудный ограничитель. Схема электрическая принципиальная.
Рисунок П.1.2 - Блок питания. Схема электрическая принципиальная.
Приложение 1
Лабораторный макет. Схема электрическая принципиальная.
![]()
Приложение 3
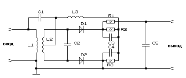
Частотный детектор. Схема электрическая принципиальная.








8) Определяем угол отсечки токов диодов по формуле:
Коэффициент включения контура в коллекторную цепь транзистора:
12) Находим значение функции φ(αмакс
, β):
- для всех Uвх
, при которых cosθ< 0,1, можно считать амплитуду первой гармоники тока коллектора приблизительно постоянной и равной
- при всех Uвх
≤ Uо
, то есть в отсутствие ограничения, рассчитываемое устройство имеет резонансный коэффициент усиления, равный:
- найденные абсциссы выбранных точек выразить в значениях расстроек 
Вначале определяют расстройку Δfмежду центральной частотой частотного детектора f0
=f01
=f02
– частотой входного сигнала, при прохождении которой выходное напряжение ЧД изменяет знак, обращаясь в нуль – и 
Рисунок 3.1.4