Дипломная работа: Разработка интегральной микросхемы истокового повторителя для слухового аппарата
|
Название: Разработка интегральной микросхемы истокового повторителя для слухового аппарата Раздел: Рефераты по коммуникации и связи Тип: дипломная работа | |||||||||||||||||||||||||||||||||||||||||||||||||||||||||||||||||||||||||||||||||||||||||||||||||||||||||||||||||||||||||||||||||||||||||||||||||||||||||||||||||||||||||||||||||||||||||||||||||||||||||||||||||||||||||||||||||||||||||||||||||||||||||||||||||||||||||||||||||||||||||||||||||||||||||||||||||||||||||||||||||||||||||||||||||||||||||||||||||||||||||||||||||||||||||||||||||||||||||||||||||||||||||||||||||||||||||||||||||||||||||||||||||||||||||||||||||||||||||||||||||||||||||||||||||||||||||||||||||||||||||||||||||||||||||||||||||||||||||||||||||||||||||||||||||||||||||||||||||||||||||||||||||||||||||||||||||||||||||||||||||||||||||||||||||||||||||||||||||||||||||||||||||||||||||||||||||||||||||||||||||||||||||
ЗАДАНИЕ НА ДИПЛОМНЫЙ ПРОЕКТ1. Тема: Разработка интегральной микросхемы истокового повторителя для слухового аппарата. 2. Срок представления проекта к защите –. 3. Исходные данные для дипломного проектирования: Справочные данные и кристалл ИМС истокового повторителя, коэффициент передачи по напряжению более 0,7; ток потребления 20 ¸ 40 мкА; полное входное сопротивление не менее 30 МОм; выходное сопротивление менее 3,5 кОм. 4. Содержание пояснительной записки дипломного проекта: 4.1 ИМС истокового повторителя 4.1.1 Согласующие ИМС для электретных микрофонов 4.1.2 Полевой транзистор с управляющим p-n-переходом 4.1.3 Физическая структура и топология ИМС 4.1.4 Измерение электрических параметров и характеристик ИМС 4.2 Метод экстракции параметров модели полевого транзистора из измерений параметров ИМС истокового повторителя 4.2.1 Расчет параметров модели ПТУП и диода 4.2.2 Моделирование схемы ИП 4.3 Выбор физической структуры и технологического маршрута изготовления ИМС 4.4 Разработка эскиза топологии ИМС истокового повторителя 4.5 Анализ организации дипломного проекта и расчет затрат, необходимых для его выполнения 4.6 Анализ опасных и вредных факторов при работе с ПЭВМ 5. Перечень графического материала 5.1 Принципиальные схемы ИМС истокового повторителя 5.2 Эквивалентная схема ИМС истокового повторителя 5.3Топология ИМС истокового повторителя РефератПояснительная записка содержит 66 листов, 20 рисунков, 17 таблиц, 12 источников, 1 приложение. Перечень ключевых слов: слуховой аппарат, электретный микрофон, интегральная микросхема, истоковый повторитель, полевой транзистор c управляющим p-n-переходом, усилитель низкой частоты, биполярный транзистор. Объект разработки: ИМС истокового повторителя для слуховых аппаратов. Цель работы: разработка ИМС истокового повторителя с параметрами: коэффициент передачи по напряжению AV > 0,7; ток потребления ISS = 20-40 мкА, полное входное сопротивление Ri ³ 30 МОм; выходное сопротивление RO £ 3,5 кОм Методы разработки: экстракция параметров модели ПТУП из измерений ИМС истокового повторителя, моделирование схемы истокового повторителя в системе программ OrCAD 9.2, выбор физической структуры ИМС. Полученные результаты: параметры ИМС истокового повторителя: коэффициент передачи по напряжению AV = 0,715; ток потребления ISS = 30,65 мкА; полное входное сопротивление Ri = 28,86 МОм; выходное сопротивление RO = 6,69 кОм. Степень внедрения: не внедрено. Эффективность: не рассчитывалась. Область применения: электретные микрофоны, входные каскады операционных усилителей. Основные конструктивные и технико-эксплуатационные характеристики: ИМС содержит 4 элемента, в том числе 1 транзистор, 1 диод, 2 резистора; размер кристалла – 0,71´0,71 мм; масса микросхемы не более 0,2 г. СодержаниеВведение 1 ИМС истокового повторителя 1.1 Согласующие ИМС для электретных микрофонов 1.2 Полевой транзистор с управляющим p-n-переходом (ПТУП). Физические принципы функционирования 1.3 Статические характеристики ПТУП 1.4 Физическая структура и топология ИМС 1.5 Измерение электрических параметров и характеристик ИМС 2 Метод экстракции параметров модели ПТУП из измерений параметров ИМС истокового повторителя 2.1 Расчет параметров модели ПТУП и диода 2.2 Моделирование схемы ИП 3 Выбор физической структуры и технологического маршрута изготовления ИМС 4 Разработка эскиза топологии ИМС истокового повторителя 5 Анализ организации дипломного проекта и расчета затрат, необходимых для его выполнения 5.1 Организационная часть 5.2 Экономическая часть 6 Анализ опасных и вредных факторов при работе с ПЭВМ Заключение Список использованных источников ВведениеОслаблением слуха в той или иной форме страдают многие люди. Этот дефект становятся критическим, когда начинает препятствовать нормальному речевому общению между людьми. Современный уровень технологий слухопротезирования позволяет значительно улучшить жизнь примерно 90 % людей с нарушением слуха. Снижение слуха в подавляющем большинстве случаев может быть компенсировано с помощью слухового аппарата (СА) [1]. В большинстве слуховых аппаратов источником сигнала для последующего усиления является электретный микрофон (ЭМ). Уменьшение габаритов электретных микрофонов позволяет перейти от карманных и заушных слуховых аппаратов к более удобным внутриушным и создавать другие микрогабаритные и высокочувствительные приборы. Для этих приборов необходимо согласующее устройство – интегральная микросхема (ИМС) истокового повторителя (ИП). Опытные партии ИМС истокового повторителя производились на ОАО «Орбита» г. Саранск, при этом коэффициент передачи по напряжению, который они обеспечивали, составлял 0,4 при проценте выхода годных кристаллов порядка 10 %. Коэффициент передачи ИП в идеальном случае должен стремиться к единице, а процент выхода должен быть не менее 60 %, тогда производство ИМС будет технологически и экономически выгодным. Поэтому актуальной задачей является разработка ИМС, которая имела бы наибольший коэффициент передачи при наибольшем проценте выхода годных кристаллов. Целью дипломного проекта является разработка ИМС истокового повторителя с параметрами: коэффициент передачи более 0,7 и ток потребления 20 – 40 мкА. Основой для разработки является ИМС истокового повторителя производства ОАО «Орбита». При разработке данной ИМС проводились следующие этапы: 1. Проводились измерения электрических параметров ИМС. 2. Рассчитывались параметры модели полевого транзистора с управляющим p-n-переходом (ПТУП) из результатов измерений ИМС. 3. В системе программ схемотехнического анализа OrCAD 9.2 моделировалась схема включения ИП. 4. Проводилось сравнение расчетных и экспериментальных значений электрических параметров ИП. 5. Разрабатывался эскиз топологии, выбиралась физическая структура и технологический маршрут изготовления ИМС. Параметры модели ПТУП в схеме ИП можно рассчитать, измерив его выходные характеристики. Для этого помимо изготовления ИМС нужно изготовить и тестовые образцы ПТУП, а это экономически невыгодно. Научная новизна дипломного проекта заключается в том, что здесь предлагается новый метод экстракции параметров модели ПТУП из измерений параметров ИМС истокового повторителя, не требующий измерения характеристик самого ПТУП. Практическая значимость заключается в использовании полученных параметров модели ПТУП при моделировании схемы и физической структуры ИП в программной среде ISE TCAD 7.0. 1 ИМС истокового повторителя1.1 Согласующие ИМС для электретных микрофоновВ большинстве слуховых аппаратов источником сигнала для последующего усиления является ЭМ. Микрофоном называется устройство, выполняющее функцию преобразования акустических колебаний в электрические. По принципу преобразования звуковой энергии в электрическую они подразделяются на электродинамические, электромагнитные, электростатические (конденсаторные и электретные), угольные и пьезоэлектрические [2]. Микрофоны характеризуются следующими параметрами: Чувствительность микрофона – это отношение напряжения на выходе микрофона к воздействующему на него звуковому давлению при заданной частоте (как правило, 1000 Гц), выраженное в милливольтах на Паскаль (мВ/Па). Чем больше это значение, тем выше чувствительность микрофона. Номинальный диапазон рабочих частот – диапазон частот, в котором микрофон воспринимает акустические колебания, и в котором нормируются его параметры. Неравномерность частотной характеристики – разность между максимальным и минимальным уровнем чувствительности микрофона в номинальном диапазоне частот. Модуль полного электрического сопротивления – нормированное значение выходного или внутреннего электрического сопротивления на частоте 1 кГц. Характеристика направленности – зависимость чувствительности микрофона (в свободном поле на определённой частоте) от угла между осью микрофона и направлением на источник звука. Уровень собственного шума микрофона – выраженное в децибелах отношение эффективного значения напряжения, обусловленного флуктуациями давления в окружающей среде и тепловыми шумами различных сопротивлений в электрической части микрофона, к напряжению, развиваемому микрофоном на нагрузке при давлении 1 Па при воздействии на микрофон полезного сигнала с эффективным давлением 0,1 Па.
ЭМ являются разновидностью конденсаторных микрофонов. На рисунке 1 приведена схема, объясняющая принцип работы конденсаторного микрофона. 1 – мембрана, 2 – электрод, 3 – изолирующее кольцо Рисунок 1 – Схема включения конденсаторного микрофонаВыполненные из электропроводного материала мембрана – 1 и электрод – 2 разделены изолирующим кольцом – 3 представляют собой конденсатор. Жёстко натянутая мембрана под воздействием звукового давления совершает колебательные движения относительно неподвижного электрода. Конденсатор включен в электрическую цепь последовательно с источником напряжения постоянного тока VB и активным нагрузочным сопротивлением R. При колебаниях мембраны ёмкость конденсатора меняется с частотой воздействующего на мембрану звукового давления. В электрической цепи появляется переменный ток той же частоты и на нагрузочном сопротивлении возникает переменное напряжение, являющееся выходным сигналом микрофона. Отличие ЭМ от конденсаторных состоит в том, что постоянное напряжение в них обеспечивается зарядом электрета – тонким слоем, нанесённым на мембрану и сохраняющим этот заряд продолжительное время. Не все материалы пригодны для создания электретов, поэтому обычно приходится идти на компромисс между сложностью производства и качеством звука. Существуют также ЭМ, которые относятся к тыльно-электретным, в которых из электрета сделана только тыльная пластина конденсатора. ЭМ являются наиболее высокочувствительными преобразователями звуковых колебаний в электрический сигнал и имеют повышенные электроакустические и технические характеристики, такие как: – широкий частотный диапазон; – малую неравномерность частотной характеристики; – низкие нелинейные и переходные искажения; – высокую чувствительность; – низкий уровень собственных шумов. Однако из-за высокого выходного сопротивления они требуют наличия в своем составе согласующего элемента, снижающего выходное сопротивление и повышающего мощность выходного сигнала до уровня, который обеспечивал бы нормальную работу последующего усилителя низкой частоты. Такими согласующими элементами обычно являются интегральные микросхемы усилителей, построенные по схеме ИП и монтируемые непосредственно в корпусе ЭМ [3] В прошлом широкое применение имели усилители-повторители КБ1402УЕ и КБ1403УЕ, выпускаемые предприятиями в Таллине и Ташкенте соответственно. Эти интегральные микросхемы использовались в микрофонах типа М4 с емкостью мембраны порядка 10 пФ, при этом коэффициент передачи по напряжению, который они обеспечивали, составлял, соответственно, 0,4÷0,5 и 0,34÷0,4. Микросхема КБ1402УЕ имеет отрицательную полярность питания, что не совсем удобно при ее подсоединении к усилителю низкой частоты (УНЧ), которые, как правило, имеют положительное питание. Миниатюризация ЭМ, как правило, сопровождается уменьшением емкости микрофонной мембраны. Это приводит к уменьшению вырабатываемого ею сигнала и к ухудшению соотношения «сигнал-шум» на выходе согласующего усилителя. Ухудшение соотношения «сигнал-шум» ставит проблему повышения качества согласующих микросхем, что означает увеличение коэффициента передачи по напряжению и уменьшение собственного шума микросхемы при малой емкости источника сигнала. Значение коэффициента передачи согласующей микросхемы, работающей в миниатюрном микрофоне, определяется в первую очередь значением ее входной емкости, которая в паре с емкостью мембраны микрофона образует емкостной делитель, шунтирующий входную цепь микросхемы по переменному сигналу. Поэтому разработка согласующей микросхемы для миниатюрных ЭМ, в первую очередь связана с решением задач уменьшения ее эффективной входной емкости и снижения входного тока утечки, который определяет основную составляющую собственного шума микросхемы. В микросхеме ИП типа КБ1402УЕ входная емкость складывается из емкости p-n-перехода затвора ПТУП и паразитных емкостей контактных площадок стока, истока и общей относительно затвора. Величина входной емкости снижена за счет минимизации размеров затвора транзистора до 1 – 1,2 мкм и контактных площадок. При этом достаточно высокие усилительные характеристики ПТУП обеспечены за счет оптимизации его топологии – соотношения геометрических размеров и концентрационных профилей в активных слоях. Кроме того, микросхема, как и последующий УНЧ, рассчитана на положительную полярность питания, то есть, применен n-канальный вариант ПТУП. Все это дало возможность, не ухудшая шумовые характеристики микросхемы по сравнению с КБ1402УЕ, достичь уровня КУ 0,60÷0,72 при емкости источника сигнала 10 пФ. Дальнейшая минимизация размеров элементов микросхемы в таком топологическом варианте уже практически невозможна, как с точки зрения технологии присоединения выводов при сборке микросхемы, так и из-за неизбежного ухудшения параметров ПТУП и микросхемы в целом [3]. 1.2 Полевой транзистор с управляющим p-n-переходом. Физические принципы функционирования
ПТУП – полупроводниковый прибор, принцип работы которого заключается в управлении тока электрическим полем. Структура полевого транзистора с n-каналом показана на рисунке 2 [4]. VDS – напряжение перехода затвор-сток, VGS – напряжение перехода затвор-исток, IS – ток истока, ID – ток стока, IG – ток затвора. Рисунок 2 – Базовая структура ПТУП с n-каналомОна состоит из проводящего канала, который имеет два омических контакта, один из которых является истоком, а другой стоком, между которыми приложено напряжение сток-исток. Третий электрод, затвор, формирует область канала p-n-перехода. Таким образом, ПТУП – по существу резистор, управляемый напряжением, и его сопротивление изменяется с изменением ширины обедненной области, простирающейся внутрь канала. Так как процессы проводимости преимущественно осуществляется одним типом носителей заряда, в отличие от биполярного транзистора (БТ), в котором используются оба типа носителей, ПТУП также называется униполярным транзистором. Обозначения и полярности напряжений переходов для n-канального и p-канального ПТУП показаны на рисунке 3.
а) б) а) ПТУП с n-каналом. б) ПТУП с p-каналом. Рисунок 3 – Обозначения ПТУП и полярности напряжений переходовНаправление стрелки затвора ПТУП указывает направление протекания тока затвора, если переход затвора смещен в прямом направлении. Таким образом, для n-канального ПТУП напряжение затвор-исток должно быть нулевым или отрицательным, а напряжение сток-исток положительным. P-канальный ПТУП требует противоположных полярностей напряжения. Чтобы проанализировать физические принципы функционирования ПТУП, для полевого транзистора с n-каналом рассмотрим сначала очень малые напряжения сток-исток Vds (рисунок 2). В этом режиме смещение затвор-канал, а, следовательно, и ширина обедненной области у затвора одинаковы по всему каналу. Вид канала в разрезе показан на рисунке 4.
Рисунок 4 – Область канала ПТУП с обедненными областямиРассмотрим одномерную структуру с длиной затвора L между областями истока и стока. Ширина Z перпендикулярна к плоскости бумаги (обычно Z > L), ток стока протекает вдоль направления y . Также рассмотрим резкий асимметричный переход затвора с концентрацией акцепторов Na в p-области много большей, чем концентрация доноров Nd в канале, Na >> Nd . Поэтому, обедненная область простирается, прежде всего, в n-канал. Расстояние между затвором p-типа и подложкой d, толщина обедненной области затвора в n-канале W, и толщина нейтральной части канала Xw . Для того чтобы сосредоточиться на роли затвора, предположим, что обедненная область перехода подложки простирается, прежде всего, в подложку, так что Xw ~ в – W,(1) что обычно выполняется на практике. Сопротивление области канала может быть записано как
где ρ – удельное сопротивление канала. Следовательно, ток стока равен
Зависимость W от напряжения затвора определяется соотношением
где φ0 – встроенный потенциал. Подставим (4) в (1), а (1) в (3). Ток теперь может быть записан как функция напряжений на затворе и на стоке.
Коэффициенты перед скобками представляют выходную проводимость GO n-области, таким образом, уравнение (5) перепишется как
Следовательно, зависимость ID (VDS ) линейная при условии малых напряжений сток-исток. Квадратичная зависимость ID (VGS ) в уравнении (6) следует из предположения о резком характере перехода затвор-канал. Из уравнения (6) видно, что ID будет максимальным при напряжении VGS = 0, будет уменьшаться с увеличением Vgs и станет равным нулю при таком Vgs , при котором вся область канала будет обеднена. Теперь рассмотрим произвольные значения Vds и Vgs при условии, что Vgs < 0.
Когда значения напряжения Vds произвольные, напряжение затвор-канал – функция координаты y . Следовательно, ширина обедненной области, а, следовательно, и поперечное сечение канала также изменяется с координатой. В данном n-канальном ПТУП падение напряжения на обедненной области вблизи стока больше, чем вблизи истока. Поэтому, вблизи стока обедненная область шире, как показано на рисунке 5. Рисунок 5 – Изменение ширины обедненной области вдоль канала, когда напряжение на стоке больше напряжения на истокеПри рассмотрении физических принципов работы используется аппроксимация плавного канала. Эта аппроксимация предполагает, что ширина канала и обедненной области изменяются медленно от истока к стоку так, что ширина обедненной области зависит только от полей в вертикальном направлении, а не от полей, простирающихся от стока к истоку. Другими словами, поле в обедненной области в направлении y – намного меньше, чем в направлении x , и ширина обедненной области может быть выражена, проведя одномерный анализ структуры. В пределах этой аппроксимации, выражение для приращения падения напряжения на малом сечении канала длиной dy в направлении y может быть записано как
Ширина обедненной области теперь изменяется напряжением [Vgs – V(y)], где V(y) – потенциал канала в точке y , таким образом
Это выражение подставим в уравнение (7), которое затем, интегрируя в пределах от истока до стока, мы получим вольтамперную характеристику ПТУП
После интегрирования и преобразования,
При малых напряжениях стока, уравнение (10) упрощается до (6); при больших напряжениях стока, уравнение (10) показывает, что ток максимален при VGS = 0 и начинает уменьшаться с увеличением VGS . Из рисунка 6 видно, что с увеличением напряжения стока, ширина проводящего канала вблизи стока уменьшается, пока, наконец, канал полностью не перекроется в этой области (рисунок 6 б).
а) VDS очень мало, канал почти эквипотенциален и размеры обедненных областей одинаковы. б) VDS увеличивается до VD , sat , обедненные области с двух сторон канала перекрываются в точке отсечки y = L . в) VDS >VD , sat , точка отсечки y = L’ медленно движется ближе к истоку. Рисунок 6 – Поведение обедненных областей в ПТУПКогда это происходит, уравнение (6) становится неопределенным (W →d). Поэтому эти формулы справедливы только для Vds ниже напряжения стока, которое перекрывает канал. Ток продолжает протекать, когда канал перекрылся, так как нет никакого барьера для переноса электронов, перемещающихся по каналу к стоку. Поскольку они достигают края сомкнутой области, они перемещаются через нее полем, направленным от стока к истоку. Если смещение стока далее увеличивать, любое дополнительное напряжение падает на обедненной области – области высоких полей вблизи стока, и точка, в которой канал полностью обедняется, медленно перемещается к истоку (рисунок 6 в). Если пренебречь таким медленным перемещением, ток стока остается постоянным (насыщается), в то время как напряжение стока увеличивается, и условие смещения называется режимом насыщения. Напряжение стока, при котором канал полностью обедняется вблизи стока, находится из уравнения (8)
где Vp = qND d2 /2es – напряжение отсечки и Vto = VP – f0 – пороговое напряжение. Из выражений (10) и (11) ток стока насыщения находится как
Максимальное значение Id,sat определяется Idss = GO VP /3 и достигается при Vgs = 0. Если построить нормированную зависимость Id,sat /Idss от Vgs /Vp , то результирующая кривая будет выглядеть, как показано на рисунке 7.
Рисунок 7 – Нормированная передаточная характеристика ПТУП с резким p-n-переходом, сравниваемая с квадратичной характеристикой Также на рисунке 7 построена квадратичная передаточная характеристика, определяемая соотношением
Две характеристики находятся очень близко друг к другу, и уравнение (13) обычно используется как аппроксимация характеристики ПТУП в области насыщения. Характеристика Id от Vds может быть разделена на три области, как показано на рисунке 8: 1 – линейная область при малых напряжениях стока; 2 – нелинейная область увеличения тока стока с увеличением напряжения стока; 3 – область насыщения, где ток стока относительно постоянен с дальнейшим увеличением напряжения на стоке. |
|||||||||||||||||||||||||||||||||||||||||||||||||||||||||||||||||||||||||||||||||||||||||||||||||||||||||||||||||||||||||||||||||||||||||||||||||||||||||||||||||||||||||||||||||||||||||||||||||||||||||||||||||||||||||||||||||||||||||||||||||||||||||||||||||||||||||||||||||||||||||||||||||||||||||||||||||||||||||||||||||||||||||||||||||||||||||||||||||||||||||||||||||||||||||||||||||||||||||||||||||||||||||||||||||||||||||||||||||||||||||||||||||||||||||||||||||||||||||||||||||||||||||||||||||||||||||||||||||||||||||||||||||||||||||||||||||||||||||||||||||||||||||||||||||||||||||||||||||||||||||||||||||||||||||||||||||||||||||||||||||||||||||||||||||||||||||||||||||||||||||||||||||||||||||||||||||||||||||||||||||||||||||
![]() |
1 – плюс напряжение питания; 2 – выход; 3 – общий; 4 – вход
Рисунок 11 – Принципиальная схема ИМС истокового повторителя
Основные электрические параметры ИМС, а также режимы их измерений должны соответствовать нормам, приведенным в таблице 1.1.
Таблица 1.1 – Электрические параметры ИМС и режимы их измерений
| Наименование параметра, единица измерения |
Буквенное обозначение |
Норма |
||
| не менее |
не более |
|||
| 1. Коэффициент передачи по напряжению |
VSS = 1,2 В±10 %; Vi = 30 мВ; RL ≥ 1 МОм; f = 1 кГц; CS = 10 пФ±5 % |
AV |
0,4 |
|
| 2. Ток потребления, мкА |
VSS = 1,2 В±10 %; RL ≥ 1 МОм; CS = 10 пФ±5 % |
ISS |
5 |
70 |
| 3. Полное входное сопротивление, МОм |
VSS = 1,2 В±10 %; Vi = 30 мВ; f = 1 кГц |
Ri |
30 |
|
| 4. Выходное сопротивление, кОм |
VSS = 1,2 В±10 %; Vi = 30 мВ; f = 1 кГц |
RO |
3,5 |
|
| 5. Напряжение шума на выходе в полосе «А», мкВ |
VSS = 1,2 В±10 %; CS = 10 пФ |
Uno |
2,5 |
|
| 6. Коэффициент неравномерности АЧХ: в диапазоне 100÷ 1 кГц, дБ в диапазоне 50÷100 Гц и 1000÷20 кГц, дБ |
VSS = 1,2 В±10 %; Vi = 30 мВ; RL ≥ 1 МОм; CS = 10 пФ±5 % |
AFM |
0,5 1 |
|
![]() |
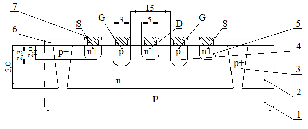
Физическая структура ИМС показана на рисунке 12. Основные топологические размеры приведены в мкм.
S – исток; в – сток; G – затвор.
Рисунок 12 – Физическая структура ИМС [6]
Технологические параметры физической структуры ИМС и их нормы в соответствии с рисунком 12 приведены в таблице 1.2.
Таблица 1.2 – Технологические параметры физической структуры ИМС
| Обозначение слоя |
Наименование слоя |
Технологические параметры слоя |
Примечание |
| 1 |
p-подложка |
480 КДБ10 Ø100 мл. |
|
| 2 |
n-эпитаксиальный |
r = 3 ± 0,5 Ом×см; hэс = 3 ± 0,4 мкм |
|
| 3 |
p+-разделение |
RS = 15 ± 3 Ом/ð; xJ ≥ hэс |
изоляция |
| 4 |
p-базовый |
RS = 100 ± 10 Ом/ð; xJБ = 2,3 ± 0,2 мкм |
область затвора |
| 5 |
n+-эмиттерный |
RS = 5 ± 1 Ом/ð; xJЭ = 1 – 2 мкм |
область стока, истока |
| 6 |
окись кремния, SiO2 |
h = 0,5 ± 0,03 мкм |
изоляция |
| 7 |
металлизация, Al |
h = 1,2 ± 0,2 мкм |
проводники и контактные площадки |
1.5 Измерение электрических параметров и характеристик ИМС
Измерение электрических параметров проводилось по методу 500-1 ОСТ 11.073.013-83 на ИМС истокового повторителя производства ОАО «НИИМЭ и «Микрон» г. Зеленоград. При этом измерение коэффициента передачи по напряжению, тока потребления, а также входного и выходного сопротивлений проводились при двух значениях напряжения питания VSS1 = 1,5 В, VSS2 = 2,0 В по установившемуся значению выходного напряжения [5].
Измерение коэффициента передачи по напряжению AV и тока потребления ISS проводились согласно ГОСТ 19799-74, метод 2570 в режимах и условиях, указанных в таблице 1.1. Схема включения ИМС приведена на рисунке 13.
G1 – стабилизированный источник питания; PA – прибор комбинированный Щ68000;
![]() |
G2 – генератор сигналов Г3-107; PV1, PV2 – милливольтметр В3-59; D1 – измеряемая ИМС.
Рисунок 13 – Схема включения ИМС при измерении коэффициента
передачи AV и тока потребления I SS
2. Измерение полного входного сопротивления Ri проводились согласно ГОСТ 19799-74, метод 7500 в режимах и условиях, указанных в таблице 1.1. Схема включения ИМС приведена на рисунке 14.
![]() |
G1 – стабилизированный источник питания; G2 – генератор сигналов Г3-107; PV – милливольтметр В3-59; D1 – измеряемая ИМС.
Рисунок 14 – Схема включения ИМС при измерении полного входного
сопротивления Ri
Значения напряжений на выходе ИМС представлены в таблице 1.3, где VO ’ и VO ” – напряжения на выходе ИМС соответственно при разомкнутом и при замкнутом переключателе В1 .
Таблица 1.3 – Значения V O ’ и V O ”, измеренные при VSS 1 и VSS 2
| Напряжение питания |
Напряжение на выходе |
|
| VO ’, мВ |
VO ”, мВ |
|
| VSS 1 = 1,5 В |
7,300 |
4,124 |
| VSS 2 = 2,0 В |
7,364 |
4,230 |
Полное входное сопротивление ИП определяется по формуле [5]
.(23)
Подставив в (23) значения VO ’ и VO ” , измеренные при VSS1 = 1,5 В
(таблица 1.3), получим
.(24)
3. Измерение выходного сопротивления RО проводят согласно ГОСТ 19799-74, метод 7510 в режимах и условиях, указанных в таблице 1.1. Цепочка C3 R3 через переключатель В2 шунтирует переменный сигнал на общую шину. Схема включения ИМС приведена на рисунке 15.
![]() |
G1 – стабилизированный источник питания; G2 – генератор сигналов Г3-107; PV – милливольтметр В3-59; D1 – измеряемая ИМС.
Рисунок 15 – Схема включения микросхем при измерении выходного
сопротивления RО
Значения напряжений на выходе ИМС представлены в таблице 1.4, где VO1 и VO2 – напряжения на выходе ИМС соответственно при разомкнутом и при замкнутом переключателе В2 .
Таблица 1.4 – Значения V O1 и V O2 , измеренные при VSS 1 и VSS 2
| Напряжение питания |
Напряжение на выходе |
|
| VO 1 , мВ |
VO 2 , мВ |
|
| VSS 1 = 1,5 В |
7,304 |
4,672 |
| VSS 2 = 2,0 В |
7,364 |
4,732 |
Выходное сопротивление ИП определяется по формуле [5]
.(25)
Подставив в (25) значения VO1 и VO2 , измеренные при VSS2 = 1,5 В
(таблица 1.4), получим
.(26)
Результаты измерений электрических параметров ИП представлены в таблице 1.5.
Таблица 1.5 – Результаты измерений электрических параметров ИМС
| Параметр |
AV |
ISS , мкА |
Ri , МОм |
RО , кОм |
||||
| Напряжение питания |
VSS1 = 1,5 В |
VSS2 = 2,0 В |
VSS1 = 1,5 В |
VSS2 = 2,0 В |
VSS1 = 1,5 В |
VSS2 = 2,0 В |
VSS1 = 1,5 В |
VSS2 = 2,0 В |
| Значение |
0,730 |
0,736 |
30,76 |
31,28 |
20,87 |
21,70 |
1,97 |
1,95 |
| Процентное изменение |
+0,8 % |
+1,7 % |
+4,0 % |
–1,0 % |
||||
Из таблицы 1.5 видно, что с увеличением напряжения питания от 1,5 до 2 В коэффициент передачи по напряжению, ток потребления возрастают соответственно на 0,8 и 1,7 %, полное входное сопротивление возрастает на 4 %, а выходное сопротивление уменьшается на 1 %.
Параметры ISS и AV , а также значения напряжений на выходе ИМС VO ’ и VO ”, измеренные по вышеуказанным методикам, требуются в дальнейшем для расчета параметров модели ПТУП.
2 Метод экстракции параметров модели ПТУП из измерений
параметров ИМС истокового повторителя
Предлагаемый метод позволяет рассчитать параметры модели ПТУП из результатов измерений параметров ИМС истокового повторителя. Он включает следующие этапы:
1. Расчет параметров модели ПТУП, используя результаты измерений ИМС истокового повторителя.
2. Моделирование схемы ИП в системе программ OrCAD 9.2, используя рассчитанные параметры модели ПТУП.
3. Проверка соответствия экспериментальных и расчетных значений параметров ИМС истокового повторителя из результатов моделирования.
Величина коэффициента передачи истокового повторителя определяется входной емкостью, которая последовательно с емкостью мембраны образует емкостной делитель, шунтирующий входную цепь микросхемы по переменному сигналу, и выходным сопротивлением ПТУП, образующим с нагрузочным сопротивлением RL резистивный делитель. Принципиальная электрическая схема истокового повторителя показана на рисунке 16, а эквивалентная схема для схемотехнического расчета на рисунке 17.

Рисунок 16 – Принципиальная электрическая схема ИМС истокового повторителя
Рисунок 17 – Эквивалентная схема ИМС истокового повторителя
где CS – разделительная емкость, отражающая выходную емкость электретного микрофона;
Cp – паразитная емкость контактной площадки и соединительной дорожки относительно общей шины и шины питания;
Cjd – барьерная емкость диода VD1;
Cgs – барьерная емкость p-n перехода затвор-исток ПТУП;
rO = 1/gfs – выходное сопротивление истока ПТУП;
gfs – крутизна прямой передачи ПТУП при рабочем токе через ПТУП;
RL – сопротивление нагрузки ПТУП;
VD1– диод, задающий смещение затвора.
Все емкости можно заменить одной эквивалентной входной емкостью
Ci = Cp + Cjd + Cgd +Cgs .(27)
Как следует из рисунка 17, коэффициент передачи истокового повторителя можно представить как произведение двух коэффициентов передачи
,(28)
где A1 – коэффициент передачи, задаваемый емкостным делителем CS , Ci
,(29)
A2 – коэффициент передачи, зависящий от крутизны ПТУП и сопротивления нагрузки RL :
.(30)
Как следует из (29) и (30), для увеличения коэффициента передачи AV необходимо увеличивать крутизну прямой передачи ПТУП gfs и уменьшать входную емкость Ci .
Из результатов измерения коэффициента передачи истокового повторителя можно выделить крутизну прямой передачи gfs и входную емкость ПТУП – Ci . Если разделительную емкость CS выбрать достаточно большой, так чтобы выполнялось условие
,(31)
то A1 ≈ 1 и коэффициент передачи ИП в основном будет определяться коэффициентом передачи A2
.(32)
Тогда из выражения (30) можно рассчитать крутизну
.(33)
Измерив, коэффициент передачи при номинальном значении разделительной емкости CS1 = 10 пФ, можно рассчитать коэффициент передачи, обусловленный емкостным делителем на входе
,(34)
а по значению A1 рассчитать величину входной емкости с использованием соотношения (29)
.(35)
Из эквивалентной входной емкости можно вычленить емкости Cp , Cjd , Cgd , Cgs , зная геометрические размеры ПТУП, диода, контактных площадок и величины удельных емкостей p-n переходов и окислов.
В системе программ схемотехнического анализа OrCAD 9.2 заложена для ПТУП модель Шихмана-Ходжеса. Основными параметрами модели, влияющими на коэффициент передачи, являются [7]:
1.β – коэффициент пропорциональности, определяющий крутизну
ПТУП;
2.VTO – пороговое напряжение;
3.λ – коэффициент модуляции длины канала, определяющий
выходную стоковую проводимость;
4.Cgd – емкость перехода затвор-сток при нулевом смещении;
5.Cgs – емкость перехода затвор-исток при нулевом смещении;
6.IS – ток насыщения p-n перехода затвора;
7.ISR – параметр тока рекомбинации p-n перехода затвора.
Последовательность экстракции параметров модели ПТУП Шихмана-Ходжеса из результатов измерения коэффициента передачи истокового повторителя будет следующая:
ПТУП, работающий в режиме насыщения нормального включения, имеет следующую зависимость тока стока Id от напряжения затвор-исток и сток-исток
.(36)
Крутизна прямой передачи, как следует из (36)
,(37)
Откуда
,(38)
гдеgfs определяется по соотношению (33);
Id – ток стока, равный току потребления истокового повторителя;
Vds – напряжение сток-исток ПТУП
Vds = VSS – Id RL ;(39)
VSS – напряжение питания ИП;
RL – сопротивление, включенное последовательно истоку ПТУП.
В качестве начального приближения примем, что
λVds << 1.(40)
Тогда в первом приближении рассчитаем β из (38) с учетом (40)
.(41)
Далее на основе соотношения (36) рассчитывается пороговое напряжение
,(42)
где напряжение затвор-исток Vgs , которое трудно замерить из-за очень малых токов затвора, можно оценить в соответствии со схемой ИП как
Vgs = Vg – Vs = ΔVD – Id RL ,(43)
где Vg = ΔVD – напряжение на затворе ПТУП, равное прямому падению напряжения на диоде смещения VD1;
Vs = Id RL – напряжение на истоке ПТУП.
С учетом (43) пороговое напряжение будет рассчитываться как
,(44)
которое в первом приближении с учетом неравенства (40) упрощается до соотношения
.(45)
Падение напряжения на диоде смещения рассчитывается исходя из анализа схемы замещения элементов ИП математическими моделями. Она показана на рисунке 18 [8].
Рисунок 18 – Схема замещения элементов ИП математическими моделями
Схема замещения (рисунок 18) описывается следующей системой уравнений в режиме насыщения и нормального включения.
Нормальный ток стока через идеальный диод VD3 описывается выражением
.(46)
Ток генерации стока и коэффициент генерации стока неидеального диода VD4
,(47)
где nr = 2 – коэффициент неидеальности.
Ток стока в режиме насыщения
.(48)
Нормальный ток через идеальный диод VD5 определяется соотношением
.(49)
Ток генерации и коэффициент генерации неидеального диода VD6:
.(50)
Прямой ток через идеальный диод VD2 и рекомбинационный ток через неидеальный диод VD1 описываются соответственно соотношениями
,(51)
.(52)
Коэффициенты генерации неидеальных диодов стока VD4 и истока VD6 определяются соответственно
,(53)
.(54)
Коэффициент рекомбинации неидеального диода VD1 определяется
,(55)
где pb = 1 В – контактная разность потенциалов.
Поскольку ISRD >> ISD , то ID r >> ID n и обратный ток затвора течет в основном через неидеальный диод VD1. Следовательно, напряжение на затворе определяется из соотношения (52) и равно прямому падению напряжения на неидеальном диоде VD1
.(56)
Ток через диод VD1
.(57)
Учитывая, что IS << ISR , и подставляя (46), (47), (49), (50) в (57), получим
.(58)
Подставив (58) в (56), получим
,(59)
Отношение генерационно-рекомбинационных токов пропорционально отношению площадей p-n-переходов канала ПТУП и диода смещения затвора
,(60)
где Acan , Adiod – площади p-n-переходов соответственно ПТУП и диода смещения затвора.
Подставив (60) в (59)
.(61)
Далее определяется коэффициент модуляции длины канала. Его можно оценить из измерения зависимости коэффициента передачи от напряжения питания. Если ПТУП работает в режиме насыщения (Vds > Vgs –VT O ), токи стока будут определяться соотношениями:
,(62)
,(63)
из которых крутизна
,(64)
,(65)
Поделив соотношение (64) на (65) и учитывая, что крутизна прямой передачи связана с коэффициентом передачи истокового повторителя соотношением (33)
,(66)
,(67)
получим уравнение
,(68)
где
Vds1 = VSS1 – Id1 RL ,(69)
Vds2 = VSS2 – Id2 RL ,(70)
Vgs1 = VD1 – Id1 RL ,(71)
Vgs 2 = VD 2 – Id 2 RL ,(72)
VD1 , VD2 – падение напряжения на диоде смещения затвора при двух значениях напряжения питания истокового повторителя.
Введем обозначение
.(73)
С учетом (73) уравнение (68) перепишется
.(74)
Из уравнения (74) можно выразить λ
.(75)
С учетом соотношений (69) – (73) уравнение (75) перепишется
,(76)
где Id1 , Id2 – токи стока при двух значениях напряжения питания VSS1 и VSS2 ;
A1 , A2 – коэффициенты передачи при двух значениях напряжения питания VSS1 и VSS2 и проходной емкости CS2 >> Ci , где Ci – входная емкость ПТУП;
ΔVD1 , ΔVD2 – падение напряжения на диоде смещения при двух значениях напряжения питания.
Падение напряжения на диоде смещения затвора определяется по соотношению (61). Разность падений напряжения на диоде при изменении напряжения питания истокового повторителя
,(77)
и при изменении VSS от 1,5 до 2 В падение напряжения на диоде изменяется не более чем на 20 мВ.
С учетом полученного значения λ уточняются параметры β и пороговое напряжение VT O по соотношениям (38) и (44), а также самого λ для лучшего соответствия экспериментальных результатов и результатов моделирования.
Токи насыщения диодов IS, ISR ПТУП и диода смещения ISD , ISRD практически не влияют на передаточные характеристики ИП, поэтому они могут быть выбраны произвольно, но пропорционально площадям соответствующих p-n переходов, поскольку это отношение влияет на величину напряжения затвор-исток и ток потребления. Остальные параметры модели ПТУП можно выбрать по умолчанию, поскольку они еще менее (кроме емкостей) влияют на передаточную характеристику ИП [7].
2.1 Расчет параметров модели ПТУП и диода
Параметры модели ПТУП, рассчитанные из соотношений, указанных выше с учетом уточнения: b = 8,71·10-5 А/В2 ; VTO = –1,21 В; l = 0,11 В-1 .
Емкости в модели ПТУП и диода CP , CGD , CGS , CJD вычленяются из величины эквивалентной входной емкости ИП.
Эквивалентная входная емкость рассчитывается по формуле (35). Подставляя в нее значение A1 = 0,565 и CS 1 = 9,9 пФ, получаем
.(78)
Емкость CP , описывающая емкость контактной площадки затвора, рассчитывается по формуле
,(79)
где ε0 = 8,85·10-14 Ф/см – диэлектрическая постоянная,
ε = 3,8 – диэлектрическая проницаемость окисла кремния SiO2 ,
S – площадь контактной площадки затвора ИМС, мкм2 ,
d – толщина окисла, мкм.
Подставляя эти значения в (79), получаем
.(80)
Таким образом, из формулы (27) емкость переходов ПТУП и барьерная емкость диода
.(81)
Для вычленения этих емкостей оценим соотношение площадей p-n-переходов ПТУП и диода по топологии измеряемой ИМС.
Площадь p-n-перехода затвора ПТУП Scan = 3,504·10-5 см2 . Площадь p-n-перехода диода Sdiod = 5,28·10-6 см2 . Соотношение площадей p-n-переходов
.(82)
Так как площади переходов затвор-исток и затвор-сток равны, то емкость диода в 6,64 раза меньше емкости переходов ПТУП
.(83)
Барьерная емкость резкого p-n-перехода зависит от приложенного к переходу напряжения по закону
,(84)
где С0 – барьерная емкость p-n-перехода при нулевом смещении;
V – приложенное напряжение;
pb – контактная разность потенциалов.
С учетом (81), (83), (84), а также напряжений на диоде и переходах ПТУП, запишем уравнение для вычисления С0
,(85)
откуда С0 = 8,934 пФ. Умножая полученное значение на соответствующий коэффициент, получаем значения барьерных емкостей при нулевом смещении для переходов ПТУП и диода: СJ0 = 1,34 пФ, СGS = 3,80 пФ, СGD = 3,80 пФ.
Рассчитанные параметры модели ПТУП и диода представлены соответственно в таблице 2.1 и 2.2.
Таблица 2.1 – Параметры модели ПТУП
| BETA |
VTO |
LAMBDA |
IS |
ISR |
CGD |
CGS |
| А/В2 |
В |
1/В |
А |
А |
Ф |
Ф |
| 8,71·10-5 |
–1,21 |
0,11 |
6,64∙10-16 |
6,64·10-14 |
3,8∙10-12 |
3,8∙10-12 |
Таблица 2.2 – Параметры модели диода
| IS |
ISR |
CJO |
| А |
А |
Ф |
| 10-16 |
10-14 |
1,34∙10-12 |
2.2 Моделирование схемы ИП
Моделирование схемы ИП проводится в системе программ схемотехнического анализа OrCAD 9.2. Рассчитанные значения параметров задаем в модели ПТУП и диода, и проводим моделирование схемы ИП при двух значениях напряжения питания: VSS 1 = 1,5 В, VSS 2 = 2,0 В.
Схема включения истокового повторителя при моделировании представлена на рисунке 19.
Рисунок 19 – Схема включения ИП при моделировании
где VT1 – полевой транзистор с n-каналом;
D1 – диод смещения перехода затвора;
V1 = 10 мВ – источник синусоидального напряжения;
V2 = 1,5 В – источник постоянного напряжения;
C1 = 1500 пФ – входная разделительная емкость;
С2 = 0,8 пФ – емкость, описывающая емкость контактной площадки
затвора;
C3 = 3,3 нФ – выходная разделительная емкость;
R1 = 25,71 кОм – сопротивление нагрузки истокового повторителя,
измерялось вольтметром В7-23, погрешность не более
±0,5 %;
R2 = 4 МОм – входное сопротивление измерительного прибора.
Схема моделируется при двух значениях напряжения питания VSS1 = 1,5 В и VSS2 = 2,0 В. При определении полного входного сопротивления сначала схема моделируется при значении входной разделительной емкости C1 = 1500 пФ, а затем при C1 = 10 пФ (рисунок 19).
Для сравнения расчетных и экспериментальных значений, параметры схемы ИП, полученные при моделировании, а также в ходе измерений приведены в таблице 2.3.
Таблица 2.3 – Сравнительная характеристика экспериментальных и расчетных параметров ИП
| Значение |
AV |
ISS , мкА |
Ri , МОм |
RO , кОм |
||||
| VSS1 = 1,5 В |
VSS2 = 2,0 В |
VSS1 = 1,5 В |
VSS2 = 2,0 В |
VSS1 = 1,5 В |
VSS2 = 2,0 В |
VSS1 = 1,5 В |
VSS2 = 2,0 В |
|
| Измеренное |
0,730 |
0,736 |
30,76 |
31,28 |
20,87 |
21,70 |
1,97 |
1,95 |
| Расчетное |
0,715 |
0,722 |
30,65 |
31,11 |
28,86 |
30,21 |
6,69 |
6,55 |
| Погрешность % |
-2,0 |
-1,9 |
-0,4 |
-0,5 |
38 |
39 |
240 |
236 |
Из таблицы 2.3 видно, что расчетные значения коэффициента передачи по напряжению AV и тока потребления ISS из результатов моделирования практически полностью соответствуют их экспериментальным значениям (погрешность не более 2 %). Однако значительное несоответствие между расчетом и экспериментом наблюдается у двух параметров: полное входное сопротивление Ri (погрешность 38 %) и выходное сопротивление RO (погрешность 240 %).
Погрешность двух последних параметров оказалась значительной ввиду того, что при экстракции параметров модели ПТУП в теории допускались некоторые приближения, и для достижения соответствия расчетных значений Ri и RO необходимо несколько преобразовать соотношения вышеописанной методики.
3 Выбор физической структуры и технологического маршрута
изготовления ИМС
Основным элементом ИМС истокового повторителя является ПТУП. Поэтому, исходя из требований, предъявляемых к ПТУП, производят выбор физической структуры различных областей.
В физическую структуру разрабатываемой ИМС входят 7 технологических слоев: эпитаксиальный слой, p+ -разделение, p-базовый слой, n+ -эмиттерный слой, окисел SiO2 , контактные окна, металлизация.
Все эти слои формируются на p-подложке 480 КДБ10 Ø100 мл., причем изоляция элементов осуществляется p+-разделительными слоями, тип проводимости которых противоположен типу проводимости эпитаксиального слоя и совпадает с типом проводимости подложки.
Резисторы в ИМС создаются на основе базового слоя.
В схеме использован диод смещения затвора ПТУП на основе перехода база-эпитаксиальный слой и применяется однослойная металлизация.
В качестве основы для разрабатываемой ИМС была использована физическая структура ИМС истокового повторителя, которая изготавливалась на предприятии ОАО «Орбита», г. Саранск.
Выбор физической структуры был обусловлен тем, что:
1. В микросхемах рабочие напряжения не превышают 2 В.
2. Параметры физической структуры разрабатываемой ИМС приблизительно соответствуют параметрам ИМС истокового повторителя.
3. Минимальная проектная норма – 3 мкм.
Технологический маршрут изготовления и нормы на контролируемые параметры ИМС истокового повторителя приведены в таблице 3.1.
Таблица 3.1 – Маршрут изготовления и нормы на контролируемые параметры ИМС истокового повторителя. Подложка 480 КДБ10 Ø100 мл
| № п/п |
Наименование операции |
Нормы на параметры |
| 1, 2 |
х/о, Эпитаксиальное наращивание |
ρ = 3 ± 0,5 Ом/ÿ hэс = 3 ± 0,4 мкм |
| 1, 2 |
х/о, окисление |
h = 0,5 ± 0,03 мкм |
| 3 |
Фотолитография I под разделение |
|
| 4, 5 |
х/о, разделительная диффузия |
RS = 15 ± 3 Ом/ÿ; xJ ³ hэс |
| 6 |
Снятие SiO2 |
|
| 7 |
Контроль UИЗ |
UИЗ > 80 В |
| 8, 9 |
х/о, окисление |
h = 0,5 ± 0,03 мкм |
| 10 |
Фотолитография II под затвор |
|
| 11, 12 |
х/о, подокисление |
hок = 0,12 мкм |
| 13 |
Ионное легирование бором |
xJ = 2,3 ± 0,2 мкм |
| 14, 15 |
Обработка в Каро, х/о |
|
| 16 |
Диффузия бора, II ст. |
RS = 100 ± 10 Ом/ڤ; hок = 0,35 ÷ 0,52 мкм |
| 17 |
Фотолитография III под исток-сток |
|
| 18 |
Контроль RS , UПР , JКАНАЛА |
|
| 19, 20 |
х/о, диффузия фосфора |
RS = 5 ± 1 Ом/ڤ; hок = 0,3 ÷ 0,4 мкм; xJ = 1,0 ÷ 2 мкм |
| 21 |
Фотолитография IV под контактные окна |
|
| 22 |
Контроль RS , JКАНАЛА |
JКАНАЛА2зонд. ≈ 80 – 120 мкА; JКАНАЛА3зонд. ≈ 200 – 600 мкА |
| 23, 24 |
х/о, напыление Al |
hAl = 1,2 ± 0,2 мкм |
| 25 |
Фотолитография V по Al |
|
| 26 |
Вплавление Al |
|
| 27 |
Контроль качества конактов |
|
| 28 |
Обезжиривание |
|
| 29 |
Осаждение SIO2 |
h = 0,4 – 0,6 мкм |
| 30 |
Химутонение |
h = 400 – 40 мкм |
| 31 |
Фотолитография VI |
|
| 32 |
Термообработка |
|
| 33 |
Контроль параметров |
JКАНАЛАна крист ≈ 200 – 600 мкА |
| 34 |
Функционирование |
4 Разработка эскиза топологии ИМС истокового повторителя
При создании эскиза топологии разрабатываемой ИМС использовались топологии двух микросхем: 1 – ИМС производства ОАО «Орбита», г. Саранск; 2 – ИМС производства ОАО «НИИМЭ и «Микрон» г. Зеленоград. В качестве эскиза топологии разрабатываемой ИМС предлагается топология ИМС истокового повторителя производства ОАО «Орбита». Эскиз топологии разрабатываемой ИМС приведен в приложении А.
Принципиальная схема ИМС 1 содержит следующие элементы: VT1 – полевой транзистор, VD1 – диод, R1 , R2 – резисторы. Принципиальная схема ИМС 2 содержит: VT1 – полевой транзистор, VD1 – диод, R1 – резистор. Таким образом, принципиальная схема ИМС 1 отличается от ИМС 2 числом резисторов. В первой схеме их два: R1 = 4,8 кОм; R2 = 10,6 кОм, а во второй один: R1 = 25 кОм.
Различия между ИМС существуют и в топологии. Топология этих микросхем различается по конструкции основного активного элемента – ПТУП. В ИМС 1 применена конструкция ПТУП шахматного типа, в то время как в ИМС 2 полевой транзистор выполнен в виде гребенчатой структуры. Также наблюдаются различия в конструкции резисторов.
Разрабатываемая ИМС выполняется по биполярной технологии, она имеет 4 вывода на кристалле: 1 – напряжение питания, 2 – выход, 3 – общий, 4 – вход.
Размеры кристалла разрабатываемой ИМС 0,71×0,71 мм.
5 Анализ организации дипломного проекта и расчета затрат,
необходимых для его выполнения
5.1 Организационная часть
В процессе выполнения дипломного проекта определим рациональность своего труда. Для этого необходимо сопоставить запланированное время на проектирование ИМС и оформление дипломного проекта с фактически затраченным. На первом этапе составим план работы, определим исполнителей и рассчитаем плановую трудоемкость выполнения отдельных этапов работы, рассчитаем удельный вес каждого этапа в общем времени, отведенном на дипломное проектирование. А затем проведем аналогичные расчеты по фактическим данным. Результаты расчетов приведены в таблице 5.1 [9].
Таблица 5.1 – Трудоемкость работы
| Этап |
Содержание работы |
Исполнитель |
Трудоемкость |
||||||||||
| плановая |
фактическая |
||||||||||||
| Чел.ч |
% |
Чел.ч |
% |
||||||||||
| 1-й |
Составление задания на дипломный проект |
Руководитель на кафедре Дипломник |
0,5 0,5 |
0,08 0,08 |
0,5 0,5 |
0,10 0,10 |
|||||||
| 2-й |
Обзор литературы по тематике проекта |
Дипломник |
66,5 |
12,31 |
60,5 |
11,66 |
|||||||
| 3-й |
Снятие зависимостей и характеристик |
Руководитель на кафедре Дипломник |
3,0 120,0 |
0,56 22,22 |
3,0 130,0 |
0,58 25,05 |
|||||||
| 4-й |
Анализ и обработка результатов эксперимента |
Дипломник |
150,0 |
27,78 |
130,0 |
25,05 |
|||||||
| 5-й |
Консультации по экологичности и безопасности |
Консультант Дипломник |
1,0 1,0 |
0,19 0,19 |
1,0 1,0 |
0,19 0,19 |
|||||||
| 6-й |
Консультации по организационно-экономической части |
Консультант Дипломник |
1,0 1,0 |
0,19 0,19 |
1,0 1,0 |
0,19 0,19 |
|||||||
| 7-й |
Консультации по написанию дипломного проекта |
Руководитель на кафедре Дипломник |
20,5 75,0 |
3,80 13,89 |
20,5 75,0 |
3,95 14,45 |
|||||||
| 8-й |
Оформление дипломного проекта (на компьютере) |
Дипломник |
100,0 |
18,52 |
95,0 |
18,30 |
|||||||
| ИТОГО: |
540,0 |
100,0 |
519,0 |
100,0 |
|||||||||
Из данной таблицы видно, что фактическая трудоемкость составила 519 человекочасов, что на 21 час меньше запланированной.
Отклонения произошли на 2-м, 3-м, 4-м и 8-м этапах. На обзор литературы по тематике проекта было потрачено времени немного меньше, чем было запланировано, что объясняется наличием необходимых библиографических источников в сети «Интернет». Больше времени потребовалось для снятия зависимостей и характеристик, и меньше для анализа и обработки результатов эксперимента. Оформление дипломного проекта заняло немного меньше времени ввиду модернизации компьютера.
5.2 Экономическая часть
Затраты, связанные с проектированием и моделированием схемы рассчитываются по смете, которая включает следующие статьи:
Материалы (в том числе затраты на электроэнергию).
Расходы на оплату труда.
Единый социальный налог.
Амортизационные отчисления.
Прочие расходы.
Затраты на материалы рассчитываются по формуле:
ЗМ = СМ + СЭЛ , (86)
где СМ – стоимость материалов, руб;
СЭЛ – стоимость электроэнергии, руб.
Расчет стоимости материалов приведен в таблице 5.2.
Таблица 5.2 – Расчет стоимости материалов
| Материал |
Ед.изм. |
Цена за единицу, руб. |
Норма расхода |
Сумма, руб. |
| Клей токопроводящий Ток 2 |
г |
12,38 |
0,8631 |
10,69 |
| Отходы золота |
г |
2,76 |
0,083 |
0,23 |
| Проволока золотая ЗР999.9, 40 мкм |
г |
73,28 |
0,3974 |
29,12 |
| Технологический брак (золото) |
г |
2,76 |
0,1236 |
0,34 |
| Отходы ленты |
кг |
2,5 |
0,2138 |
0,53 |
| N,N-диметилацетамид, ХЧ |
кг |
50,3 |
0,2192 |
11,03 |
| Очиститель ЕМЕС (Япония) |
кг |
154,48 |
0,0225 |
3,48 |
| Крошка косточковая размер зерна 1-2 |
кг |
2,15 |
0,0151 |
0,03 |
| Щетка зубная |
шт. |
5,23 |
0,0213 |
0,11 |
| Лента киперная ЛЭ 25-3806 |
м |
0,59 |
0,378 |
0,22 |
| Рамка выводная |
шт. |
0,52 |
973,0 |
505,96 |
| Кристалл |
шт. |
1,66 |
973,0 |
1615,18 |
| Водород 1 |
м3 |
5,49 |
2,1126 |
11,6 |
| Азот 3 |
м3 |
1,05 |
0,0302 |
0,03 |
| Воздух сжатый |
м3 |
0,15 |
0,756 |
0,11 |
| Вода питьевая ГОСТ 2874-80 |
л |
0,0028 |
0,0296 |
- |
| Спирт этиловый ректификационный технический экстра |
л |
4,5 |
0,0355 |
0,16 |
| Батист отбеленный |
м |
34,0 |
0,0014 |
0,05 |
| Полотно холстопрошивное х/б |
м |
15,0 |
0,0441 |
0,66 |
| Бязь отбеленная |
м |
14,2 |
0,0499 |
0,71 |
| ИТОГО: |
2190,24 |
|||
Стоимость материалов составила 2190,24 рублей.
Стоимость расходов на электроэнергию вычисляется по формуле:
,(87)
гдеW – потребляемая мощность оборудования, кВт;
CЭН – стоимость 1 кВт.ч энергии (с учетом НДС, руб.);
t – время работы оборудования, ч.
Расчет затрат на электроэнергию определяется исходя из мощности оборудования, времени его работы и стоимости 1 кВт.ч энергии. Для проведения моделирования ИМС был использован компьютер Intel Celeron 333 MHz.
Стоимость 1 кВт.ч энергии для данного дипломного проекта составила 1,18 руб. с НДС по 30 марта и с 1 апреля – 1,63 руб. с НДС. Расчет затрат на электроэнергию приведен в таблице 5.3.
Таблица 5.3 – Расчет затрат на электроэнергию
| Оборудование |
Мощность W,кВт |
Время эксплуатации оборудования t, ч |
Сумма, руб. |
| Компьютер |
0,30 |
175 |
85,57 |
| Генератор сигналов НЧ |
0,06 |
40 |
3,91 |
| Вольтметр В7-23 |
0,05 |
2 |
0,16 |
| Прибор комбинированный Щ68000 |
0,08 |
40 |
5,22 |
| Милливольтметр В3-59 |
0,05 |
40 |
3,26 |
| ИТОГО: |
98,12 |
||
Затраты на электроэнергию составили 98,12 рублей.
Итого затраты на материалы согласно формуле (86) составляют:
2190,24 + 98,12 = 2288,36 руб.
2. Расчет расходов на оплату труда.
Самое непосредственное отношение к написанию дипломной работы имеют студент-дипломник, руководитель на кафедре (к.ф.-м.н.), консультант по БЖД и консультант по организационно-экономической части.
Рассчитаем для каждого из них среднечасовую ставку по формуле:
,(88)
где ЗП – заработная плата исполнителя за месяц (складывается из суммы оклада, должностных начислений и премий);
t – количество рабочих часов в месяц (t = 90 ч в месяц).
Данные для расчета суммы расходов на оплату труда приведены в таблице 5.4.
Таблица 5.4 – Расходы на оплату труда
| Должность |
Заработная плата, руб. |
Трудоемкость, t, чел.ч |
Средняя часовая ставка (СЧС), руб. |
Сумма, руб. |
| Студент-дипломник |
250,0 |
493,0 |
3,33 |
1641,62 |
| Кандидат физико-математических наук (руководитель) |
3000,0 |
24,0 |
40,0 |
960,0 |
| Консультант по БЖД |
1250,0 |
1,0 |
16,67 |
16,67 |
| Консультант по экономической части |
1250,0 |
1,0 |
16,67 |
16,67 |
| ИТОГО: |
2635,03 |
|||
Расходы на оплату труда составили 2635,03 рублей, из них наибольшие расходы на оплату труда составили: 1641,62 рублей – студенту-дипломнику; 960,00 рублей – руководителю дипломного проекта.
3. Расчет единого социального налога.
Сумма отчислений на социальные нужды рассчитывается как процент от расходов на оплату труда людей, занятых в работе над дипломным проектом. Результаты расчетов по единому социальному налогу приведены в таблице 5.5.
Таблица 5.5 – Отчисления на единый социальный налог
| Вид отчислений |
Сумма расходов на оплату труда, руб. |
Ставка налога, % |
Сумма отчислений, руб. |
| В Фонд социального страхования РФ |
2635,03 |
4,0 |
105,40 |
| В Пенсионный фонд РФ |
2635,03 |
28,0 |
737,81 |
| В Фонд обязательного медицинского страхования РФ |
2635,03 |
3,6 |
94,86 |
| ИТОГО: |
35,6 |
938,07 |
Отчисления на единый социальный налог составили 938,07 рублей, из них наибольшие составляют отчисления в Пенсионный фонд, 737,81 рублей.
4. Расчет амортизационных отчислений.
Сумма амортизационных отчислений рассчитывается по формуле:
ААМ = CМ.Ч · t, (89)
где CМ.Ч – стоимость одного машино-часа работы оборудования и установок, руб.;
t – время работы машин, установок и другого оборудования в процессе дипломного проектирования, ч.
Стоимость одного часа работы машин и оборудования рассчитывается по формуле:
,(90)
гдеЦ – стоимость оборудования;
Тч.дн – количество рабочих часов в день;
Тдн.г – количество рабочих дней в году ( для расчетов примем 280 дней);
Тсл – срок службы оборудования.
Расчет сумм амортизационный отчислений приведен в таблице 5.6.
Таблица 5.6 – Расчет сумм амортизационных отчислений
| Оборудование |
Стоимость оборудования, руб. |
Срок службы оборудования, лет |
Количество рабочих часов в день, ч |
Стоимость 1 машино-часа, руб. |
Время работы оборудования для выполнения дипломного проекта, ч |
Сумма амортизации, руб. |
| Компьютер |
20000,0 |
25 |
2 |
1,42 |
175 |
248,5 |
| Генератор сигналов НЧ Г3-107 |
3500,0 |
15 |
4 |
0,21 |
40 |
8,40 |
| Вольтметр В7-23 |
3000,0 |
10 |
0,5 |
2,14 |
2 |
4,28 |
| Прибор комбинированный Щ68000 |
3000,0 |
10 |
4 |
0,27 |
40 |
10,80 |
| Милливольтметр В3-59 |
4000,0 |
15 |
4 |
0,24 |
40 |
9,60 |
| ИТОГО: |
281,58 |
|||||
Сумма амортизационных отчислений составила 281,58 рублей, из них наибольшие составили амортизационные отчисления компьютера, 248,50 рублей.
5. Прочие расходы.
В эту статью включаются расходы на канцелярские принадлежности, необходимые для оформления дипломной работы (таблица 5.7).
Таблица 5.7 – Расчет прочих расходов
| Материал |
Цена за единицу, руб. |
Количество |
Сумма, руб. |
| Дискета, шт. |
10,0 |
1 |
10,0 |
| Бумага, кол-во листов |
0,2 |
100 |
20,0 |
| Картридж для принтера, шт. |
80,0 |
1 |
80,0 |
| Ручка, шт. |
3,0 |
1 |
3,0 |
| Карандаш, шт. |
5,0 |
1 |
5,0 |
| Ластик, шт. |
1,0 |
1 |
1,0 |
| Папка для диплома, шт. |
100,0 |
1 |
100,0 |
| ИТОГО: |
219,0 |
Сумма прочих расходов составила 219,00 рублей.
Составим смету затрат на выполнение дипломной работы, используя данные расчетов затрат по каждому элементу. Результаты представим в таблицу 5.8.
Таблица 5.8 – Смета затрат
| Статья затрат |
Сумма, руб. |
Удельный вес, % |
| Материалы |
2288,36 |
35,97 |
| Расходы на оплату труда |
2635,03 |
41,42 |
| Единый социальный налог |
938,07 |
14,74 |
| Амортизационные отчисления |
281,58 |
4,43 |
| Прочие расходы |
219,00 |
3,44 |
| ИТОГО: |
6362,04 |
100,0 |
Общая сумма затрат на выполнение дипломного проекта составила 6362,04 рублей. Наибольший удельный вес (41,42 %) в смете затрат занимают расходы на оплату труда, затем – расходы на материалы (35,97 %). Сумма затрат по данным статьям не может являться слишком высокой. Затраты на выполнение дипломной работы можно считать обоснованными, так как в результате проектирования ИМС уменьшилась стоимость кристалла ИМС. Поэтому, уменьшатся и затраты на изготовление ИМС, а значит ее производство будет выгодным с экономической точки зрения.
6 Анализ опасных и вредных факторов при работе с ПЭВМ
В настоящее время стремительно растет число специалистов, в работе которых часто используется персональный компьютер. Однако, несмотря на все удобства и достоинства работы с персональным компьютером имеются также и вредные факторы при работе с ПЭВМ, влияющие на организм человека [10].
Многочисленными исследованиями российских и зарубежных специалистов доказано, что важнейшим условием безопасности человека перед экраном является правильный выбор визуальных параметров дисплея и светотехнических условий рабочего места.
Работа с дисплеями – и это доказано однозначно – при неправильном выборе яркости и освещенности экрана, контрастности знаков, цветов знака и фона, при наличии бликов на экране, дрожании и мелькании изображения – приводит к зрительному утомлению, головным болям, к значительной физиологической и психической нагрузкам, к ухудшению зрения. Особенно серьезные последствия отмечаются у детей, часами играющих на компьютерах [11].
Визуальные параметры и световой климат определяют зрительный дискомфорт, который может проявляться при использовании любых типов экранов дисплеев – на электроннолучевых трубках, жидкокристаллических, газоразрядных, электролюминесцентных панелях или на других физических принципах.
В новых Государственных стандартах России (ГОСТ Р 50948-96. «Средства отображения информации индивидуального пользования. Общие эргономические требования и требования безопасности» и ГОСТ Р50949-96. «Средства отображения информации индивидуального пользования. Методы измерений и оценки эргономических параметров и параметров безопасности») и в утвержденных и введенных в действие санитарных правилах и нормах СанПиН 2.2.2.542-96. «Гигиенические требования к видеодисплейным терминалам, персональным электронно-вычислительным машинам и организация работы», гармонизированных с международным и европейским стандартами, установлены требования к двум группам визуальных параметров:
Первая группа: яркость, контраст, освещенность, угловой размер знака и угол наблюдения;
Вторая группа: неравномерность яркости, блики, мелькание, расстояние между знаками, словами, строками, геометрические, и нелинейные искажения, дрожание изображения и т. д. (всего более 20 параметров).
Однако не только конкретное значение каждого из перечисленных параметров определяет эргономическую безопасность. Главное, совокупность определенных сочетаний значений основных визуальных параметров, отнесенных к первой группе. Можно утверждать, что каждому значению рабочей яркости соответствуют определенные значения освещенности, углового размера знака (расстояния наблюдения), угла наблюдения, обеспечивающие оптимальные условия работы. И так для каждого из этих визуальных параметров.
Существенно влияет на зрительный дискомфорт выбор сочетаний цветов знака и фона, причем некоторые пары цветов не только утомляют зрение, но и могут привести к стрессу (например, зеленые буквы на красном фоне).
Визуальные параметры дисплеев могут быть также улучшены путем установки специальных антибликовых контрастирующих фильтров.
От значения коэффициента пропускания фильтра и коэффициента зеркального отражения зависит контрастность изображения, интенсивность бликов от внешних источников света и заметность мельканий, т. е., в конечном счете, зрительное утомление. В электронно-лучевых трубках передовые фирмы мира начали использовать с теми же целями темные стекла, чернение зазоров между ячейками люминофоров, антибликовые покрытия.
Электронно-лучевая трубка монитора является потенциальным источником рентгеновского излучения, однако, уровень излучения очень низок из-за поглощения лучей стеклом, расположенным в передней части электронно-лучевой трубки монитора.
Все мониторы, соответствующие требованиям безопасности, снабжаются специальной схемой защиты пользователя в случае неисправности. Если напряжение на аноде становится слишком высоким, уровень рентгеновского излучения может повыситься. Поэтому мониторы снабжаются разрядниками, которые обеспечивают стекание энергии на землю в том случае, если напряжение становится избыточным. Иногда, особенно в условиях влажности, эта схема самопроизвольно срабатывает и вызывает помехи. Это проявляется как мгновенное «сворачивание» и последующее восстановление изображения.
Электробезопасность предусматривает исключение возможности поражения человека электрическим током. При поражении человека электрическим током основным поражающим фактором является ток, проходящий через его тело. При этом степень отрицательного воздействия тока на органы человека увеличивается с ростом тока. Вместе с тем исход поражения определяется и длительностью воздействия тока, его частотой, а также некоторыми другими факторами. Сопротивление тела человека и приложенное к нему напряжение также влияют на исход поражения, но лишь постольку, поскольку они определяют значение тока, проходящего через человека.
Электрический ток, вызывающий при прохождении через организм ощутимые раздражения, называется ощутимым током, а его минимальное значение пороговым ощутимым током [12].
Увеличение тока сверх порогового ощутимого вызывает у человека судороги мышц и неприятные болезненные ощущения, которые с ростом тока усиливаются и распространяются на все большие участки тела.
Электрический ток, вызывающий при прохождении через человека непреодолимые судорожные сокращения мышц руки, в которой зажат проводник, называется не отпускающим током, а наименьшее его значение - пороговым не отпускающим током. Средние значения пороговых не отпускающих токов составляют: для мужчин 16 мА при 50 Гц и 80 мА при постоянном токе, для женщин (соответственно) 11 мА, 50 мА, для детей 8 мА, 40 мА.
Для обеспечения электробезопасности при работе с электрооборудованием, питающимся от трехфазной четырехпроводной сети применяется защитное зануление.
Опасность поражения током при прикосновении к корпусу и другим нетоковедущим металлическим частям электрооборудования, оказавшимся под напряжением вследствие замыкания на корпус или по другим причинам, может быть устранена быстрым отключением поврежденной электроустановки от питающей сети и вместе с тем снижением напряжения корпуса относительно земли. Этой цели служит зануление, принципиальная схема которого в сети трехфазного тока показана на рисунке 20.
Зануление – преднамеренное электрическое соединение с нулевым защитным проводником металлических нетоковедущих частей, которые могут оказаться под напряжением.
Нулевым защитным проводником, называется проводник, соединяющий зануляемые части с глухо заземленной нейтральной точкой источника тока или ее эквивалентом. Эквивалентом нейтральной точки источника тока могут быть: средняя точка источника постоянного тока, заземленный вывод источника однофазного тока и т.п.
![]()
Рисунок 20 – Принципиальная схема защитного зануления
Принцип действия зануления – превращения замыкания на корпус в однофазное короткое замыкание (т.е. между фазным и нулевым защитным проводниками) с целью вызвать большой ток, способный обеспечить срабатывание защиты и тем самым автоматически отключить поврежденную электроустановку от питающей сети. Такой защитой являются: плавкие предохранители или автоматы, устанавливаемые для защиты от токов короткого замыкания.
Заключение
Основными результатами дипломного проекта являются:
1. Разработана экспериментальная установка. Измерены электрические параметры ИМС истокового повторителя. При напряжении питания VSS = 1,5 В типовые значения параметров следующие: коэффициент передачи по напряжению AV = 0,73; ток потребления ISS @ 30,7 мкА, полное входное сопротивление Ri @ 21 МОм, выходное сопротивление RO @ 2 кОм.
2. Предложен метод экстракции параметров модели ПТУП и диода из результатов измерения электрических параметров ИМС истокового повторителя. Параметры модели ПТУП: β = 8,71·10-5 А/В2 ; VTO = –1,21 В; λ = 0,11 В-1 ; IS = 6,64·10-16 А; ISR = 6,64·10-14 А; CGS = 3,8 пФ; CGD = 3,8 пФ.
Параметры модели диода: IS = 10-16 А; ISR = 10-14 А; CJ0 = 1,34 пФ.
3. Проведено моделирование схемы ИП в системе программ схемотехнического анализа OrCAD 9.2, используя параметры модели ПТУП, полученные в ходе экстракции. Выполнена проверка соответствия результатов моделирования и экспериментально измеренных значений параметров ИМС. Погрешность расчетных значений коэффициента передачи по напряжению AV и тока потребления ISS по отношению к экспериментальным не более 2 %, полного входного сопротивления Ri – 38 %, выходного сопротивления RO – 240 %. Большое расхождение результатов по выходному сопротивлению требует дополнительного исследования.
4. Для увеличения коэффициента передачи ИМС рекомендуется уменьшить толщину эпитаксиальной пленки с 5 до 3 мкм и уменьшить разброс ее толщины до 5 %.
5. Проведен анализ организации дипломного проекта и расчет затрат, необходимых для его выполнения, которые составили 6,4 тыс. руб.
6. Проанализированы опасные и вредные факторы при работе с ПЭВМ.
Список использованных источников
1. О слухе. Причины снижения слуха и методы выявления / Сурдотехника // http://www.DeafNet.ru. – 1999-2003
2. Меллор Д. / Микрофонные технологии // www.era.ru. – 2002
3. Согласующие ИС для миниатюрных электретных микрофонов / В.Б.Вяхирев, В.А.Гудков и др. // Электронная промышленность. – 1995. – №6. – С. 33 – 35.
4. Massobrio G., Antognetti P. Semiconductor Device Modeling with SPICE. Second Edition. McGraw-Hill, Inc. 1988. – 479 p.
5. ТУ на микросхемы интегральные бескорпусные типа П-94. – 1994.
6. ОКР «Сюлгам». 4-х выводная бескорпусная ИМС n-канального истокового повторителя типа П-94. – 1994.
7. Падеров В.П., Владимиров Д.П., Никитанов С.В. Расчет параметров модели полевого транзистора в ИМС истокового повторителя для слухового аппарата // Электроника и информационные технологии – 2002: Сборник научных трудов. – Саранск: СВМО, 2002. – С. 147 – 152.
8. Разевиг В.Д. Система проектирования OrCAD 9.2. – М.: Солон-Р, 2001. – 528 с.
9. Мелькина Н. Н. Методические указания к технико-экономическому обоснованию дипломных проектов. – Саранск: Изд-во Мордов. ун-та, 2003. – 28 с.
10. Белов С.В., Ильницкая А.В., Козьяков А.Ф. Безопасность жизнедеятельности: Учебник для вузов / Под общ. ред. С.В. Белова. 2-е изд., испр. и доп. – М.: Высш. шк., 1999. – 448 с.
11. Пермогоров А. / О мониторах // Компьютеры от СПТК. – www.sptc.ru. – 2000
12. Долин П.А. Основы техники безопасности в электроустановках: Учеб. пособие для вузов. – М.: Энергия, 1979. – 408 с.




(2)
,(4)
.(5)
.(6)
(7)
.(8)
.(9)
.(10)
(11)
.(12)
.(13)
.(14)
.(15)
,(18)
.(19)
.(20)
,(21)
,(22)



