Книга: Метрология и метрологическое обеспечение
|
Название: Метрология и метрологическое обеспечение Раздел: Промышленность, производство Тип: книга | |||||||||||||||||||||||||||||||||||||||||||||||||||||||||||||||||||||||||||||||||||||||||||||||||||||||||||||||||||||||||||||||||||||||||||||||||||||||||||||||||||||||||||||||||||||||||||||||||||||||||||||||||||||||||||||||||||||||||||||||||||||||||||||||||||||||||||||||||||||||||||||||||||||||||||||||||||||||||||||||||||||||||||||||||||||||||||||||||||||||||||||||||||||||||||||||||||||||||||||||||||||||||||||||||||||||||||||||||||||||||||||||||||||||||||||||||||||||||||||||||||||||||||||||||||||||||||||||||||||||||||||||||||||||||||||||||||||||||||||||||||||||||||||||||||||||||||||||||||||||||||||||||||||||||||||||||||||||||||||||||||||||||||||||||||||||||||||||||||||||||||||||||||||||||||||||||||||||||||||||||||||||||||||||||||||||||||||||||||||||||||||||||||||||||||||||||||||||||||||||||||||||||||||||||||||||||||||||||||||||||||||||||||||||||||||||||||||||||||||||||||||||||||||||||||||||||||||||||||||||||||||||||||||||||||||||||||||||||||||||||||||||||||||||||||||||||||||||||||||||
ФЕДЕРАЛЬНОЕ АГЕНТСТВО ПО ОБРАЗОВАНИЮ Пензенская государственная технологическая академия Система дистанционного обучения МЕТРОЛОГИЯ, СТАНДАРТИЗАЦИЯ И СЕРТИФИКАЦИЯ Метрология и метрологическое обеспечение Пенза 2008 Рекомендовано учебно-методическим советом академии в качестве учебника для студентов специальности 230101 «Вычислительные машины, комплексы, системы и сети» УДК 658.516:389 Каршаков В.П. Метрология, стандартизация и сертификация: Конспект лекций. В 3 частях. Часть 3. Метрология и метрологическое обеспечение. - Пенза: Изд-во Пенз. гос. технол. академии, 2008. - с. 62; Ил. 30, табл.29, библиогр. 11 назв. Издание подготовлено на кафедре «Техническое управление качеством» Пензенской государственной технологической академии и предназначено для студентов специальности 230101 «Вычислительные машины, комплексы, системы и сети». В части 3 рассматриваются теоретические основы и основные понятия метрологии, методы нормирования метрологических характеристик средств измерений и оценки погрешностей средств и результатов измерений, основы обеспечения единства измерений. Лабораторные работы составлены по учебно-практическому пособию: Рыжаков В.В., Ларкин С.Е. Метрология, стандартизация, сертификация. Руководство по выполнению лабораторных работ «Исследование метрологических характеристик измерительных цепей при помощи ElectronicsWorkbench». - Пенза: Изд-во ПГТА, 2008 Рекомендовано научно-методическим советом академии в качестве учебника при обучении студентов с использованием элементов дистанционных образовательных технологий. Рецензенты: Кафедра метрологии и систем качества Пензенского государственного университета. В.А.Чулков, канд. техн. наук, доцент, декан факультета вечернего и заочного обучения ПГТА
Оглавление 1. Теоретические основы метрологии. Определяющие признаки, элементы и этапы измерений. Основные понятия, связанные с объектами и средствами измерений. 2. Классификация измерений. Методы и средства измерений. 3. Метрологические характеристики средств измерений. 4. Погрешности и классы точности средств измерений. Погрешности технических измерений. 5. Методики выполнения измерений. Выбор средств измерений. 6. Обработка результатов многократных и косвенных измерений. 7. Метрологическое обеспечение. Закон «Об обеспечении единства измерений». Структура и функции метрологических служб. 8.Самостоятельные работы Тренировочные задания Контрольная работа Лабораторные работы Рекомендуемая литература Приложение. Моделирующая программа ElectronicsWorkbench 1. Теоретические основы метрологии. Определяющие признаки, элементы и этапы процесса измерений. Основные понятия, связанные с объектами и средствами измерений Метрология – наука об измерениях, методах и средствах обеспечения их единства и способах достижения требуемой точности (РМГ 29-99). Измерение - совокупность операций, выполняемых для определения количественного значения величины (ФЗ от 26.06.2008 № 102-ФЗ). Единство измерений – состояние измерений, при котором их результаты выражены в допущенных к применению в Российской Федерации единицах величин, а показатели точности измерений не выходят за установленные пределы (ФЗ от 26.06.2008 № 102-ФЗ). В современной практике принято различать три раздела метрологии: теоретическая метрология, прикладная метрология, законодательная метрология. Из наименований этих разделов ясно, что теоретическую основу метрологии составляет теоретическая метрология, имеющая в свою очередь сложную структуру, включающую ряд взаимосвязанных направлений и областей исследований.
К числу важнейших принципов метрологии следует отнести: - принцип измеримости – не существует таких материальных процессов и объектов, которые не могли бы стать объектом измерений; - принцип относительности результатов измерений – проявляется в двух аспектах: 1) необходимо учитывать возмущающее воздействие средства измерений на объект, 2) главенствующая роль априорной информации в процессе измерений; - принцип единства объективного и субъективного в измерении – проявляется в структуре измерения, включающей звенья системы «объект – средство измерений – условия – экспериментатор»; - принцип неопределенности измерительной информации – история измерений не знает результатов, которые можно было бы принять за абсолютную истину и которые не могли бы в последующем быть уточнены. На базе приведенных принципов сформулированы два постулата метрологии: α – истинное значение измеряемой величины существует. β - истинное значение измеряемой величины отыскать невозможно. В философском аспекте измерения – один из способов познания окружающего нас мира. Процесс познания может осуществляться на теоретическом и экспериментальном уровнях. Измерения обязательно связаны с экспериментом, обеспечивают связь теоретического и экспериментального знания, теоретических расчетов с практикой. В производственной практике в основном присутствуют три вида экспериментов: измерения, контроль и испытания. Измерения являются преобладающим видом экспериментальных работ. Если в эксперименте выявляется количественная определенность какого-либо свойства явления или объекта, имеет место измерительный эксперимент. Например, если информация, получаемая при контроле, имеет четко выраженное числовое значение, следует говорить об измерительном контроле, включающем в себя измерение и последующее сравнение с нормой. Измерения могут составлять основное содержание и цель эксперимента, и могут быть основой или составной частью других видов экспериментальных работ. Для отличия измерений от других способов получения информации выделим характерные признаки и особенности измерений, которые позволяют объединить этим термином технические операции разной степени сложности – от простого прикладывания линейки до определения скорости движения элементарной частицы или параметров орбиты небесного тела.
В перечне этапов только этап 3) является экспериментальным, остальные этапы – теоретические, но очень важные для правильной организации и проведения измерительного эксперимента, определяющие качество процесса измерений. Содержание этапов 1) и 2), предваряющих измерительный эксперимент, - это поиск ответов на ряд последовательно поставленных вопросов. 1. Что измерить? Отвечая на этот вопрос, мы создаем в своем сознании модель объекта, то есть упрощенное и приближенное отображение реального объекта. На основе априорной информации мы конкретизируем объект до определенной физической величины, подлежащей измерению, ограничиваем возможный диапазон реальных значений ФВ, то есть задаемся исходной степенью неопределенности информации об объекте. При полном отсутствии априорной информации измерение в принципе невозможно. 2. Как измерить? Выбирается метод измерений – прием или совокупность приемов сравнения измеряемой величины с ее единицей, принцип измерений – физическое явление или эффект, положенное в основу измерений, другие параметры измерительного эксперимента – число измерений, моменты времени и пространственные точки выполнения измерений. 3. Чем измерить? Выбирается средство измерений (СИ) – техническое средство, предназначенное для измерений, имеющее нормированные метрологические характеристики, воспроизводящее и (или) хранящее единицу физической величины, размер которой принимают неизменным в пределах установленной погрешности в течение известного интервала времени. 4. Кто измерит? Определяется субъект измерений, его ответственность и квалификация. 5. Как обработать данные измерений? На этапе планирования измерений закладывается метод обработки полученных данных и оценки степени достижения цели измерений. С позиций и представлений теории информации цель и сущность измерений состоит в уменьшении неопределенности (энтропии) информации о значении измеряемой величины (Эапост << Эапр). Оценить степень достижения цели – значит определить неопределенность измерений – параметр, связанный с результатом измерений и характеризующий рассеяние значений, которые можно приписать измеряемой величине. Пример – доверительные границы погрешности результата измерений. Результат измерения – значение физической величины, полученное путем ее измерения. Погрешность результата измерений – отклонение результата измерений от истинного (действительного) значения измеряемой величины. Во многих массовых измерениях этапы планирования и оценки погрешностей измерений выполняются заранее и оформляются в виде специального документа. Методика выполнения измерений (МВИ) – установленная совокупность операций и правил при измерении, выполнение которых обеспечивает получение результатов измерений с гарантированной точностью. Но даже при отсутствии какого-либо регламентирующего документа эти этапы незримо присутствуют при любом измерении. В измерениях следует различать две ветви процесса – ветвь реальных измерений и ветвь их модельных отражений. Субъект измерений объединяет эти ветви и обеспечивает завершенность процесса, то есть представление результата измерений с оценкой его неопределенности. К числу основных понятий метрологии, используемых при измерениях и представлении результатов измерений, относятся также понятия «шкала» и «система единиц». Шкала физической величины – упорядоченная совокупность значений физической величины, служащая исходной основой для измерений данной величины. Типы шкал: 1. Шкала наименований (классификации). Применяется для неколичественных сравнений. Пример – атлас цветов, образцы шероховатости. 2. Шкала рангов (порядка). Монотонно возрастающая или убывающая последовательность величин, для которой не определена единица измерений, но могут быть выделены отдельные опорные значения (реперные точки). Пример – условная шкала Бофорта (сила ветра – 12 баллов), шкала вязкости Энглера, шкала твердости минералов Мооса (10 опорных значений от талька – 1, до алмаза – 10). Эти две шкалы – неметрические (условные), по ним возможно только сравнение или оценка, измерение в соответствии с определением данного термина невозможно из-за отсутствия единиц величин. 3. Шкала интервалов (разности). Имеет две опорные точки (основные реперы), одна из которых принята за начало отсчета, а значение [Q] = (Q1 -Q0 )/n – за единицу измерений (n – целое число). Пример – температурные шкалы Цельсия, Реомюра, Фаренгейта. 4. Шкала отношений. Имеет естественный критерий нулевого состояния физической величины и единицу измерений (шкала интервалов с естественным нулем). Шкалы отношений - самые совершенные и распространенные при измерениях шкалы. 5. Абсолютная шкала – для относительных величин, единица измерений безразмерная. Система единиц величин – совокупность основных и производных единиц величин, образованная в соответствии с установленными принципами. Применяемые в России единицы величин установлены в ГОСТ 8.417-2002 «ГСИ. Единицы величин». Символы (размерность) основных величин системы единиц СИ: L – длина (м), M – масса (кг), T – время (с), I – электрический ток (А), Q – термодинамическая температура (К), J – сила света (кд), N – количество вещества (моль). Когерентная производная единица физической величины - производная единица физической величины, связанная с другими единицами системы единиц уравнением связи, в котором числовой коэффициент равен 1. Примеры когерентных производных единиц физических величин:
2. Классификация измерений. Методы и средства измерений Классификация измерений, позволяющая облегчить изучение всего их многообразия и упорядочить знания, возможна на основе общих признаков и условий выполнения измерений.
Неотъемлемым и важнейшим элементом измерений, определяющим его суть (см. определение термина «измерение») является средство измерений – техническое средство, предназначенное для измерений, имеющее нормированные метрологические характеристики, воспроизводящее и (или) хранящее единицу физической величины, размер которой принимают неизменным в пределах установленной погрешности в течение известного интервала времени. В средстве измерений реализуется физический принцип измерений и основной метод измерений – сравнение с мерой. Средство измерений реализует и другие операции, составляющие процесс измерения.
Х Q = F(X)Измерительная
Операции, представленные в обобщенной структурной схеме средства измерений, не всегда очевидны, иногда выполнены заранее, дополнены и совмещены с другими операциями, но всегда присутствуют в процессе измерений. В частности, измерительное преобразование, обеспечивающее приведение в соответствие размеров в общем случае неоднородных измеряемой и воспроизводимой ФВ, может применяться не только к измеряемой, но и к воспроизводимой ФВ. Измерительное преобразование может включать в себя операции изменения физического рода преобразуемой величины, масштабное или масштабно-временное преобразование, модуляцию, дискретизацию или квантование и др. В РМГ 29-99 введено обобщающее понятие «средства измерительной техники», охватывающее технические средства, предназначенные для измерений. Оно объединяет средства измерений, их совокупности в виде измерительных систем, измерительных установок, измерительные устройства и принадлежности. К средствам измерений относятся следующие их разновидности. Мера физической величины – средство измерений, предназначенное для воспроизведения и (или) хранения физической величины одного или нескольких заданных размеров. Различают однозначные меры, многозначные меры, наборы мер и магазины мер. Стандартный образец – хранит значения одной или нескольких ФВ, характеризующих состав или свойства вещества. Измерительный прибор – средство измерений, предназначенное для получения значений измеряемой физической величины. По способу индикации значений измеряемой величины приборы разделяют на показывающие и регистрирующие, аналоговые и цифровые. Измерительный преобразователь – техническое средство с нормированными метрологическими характеристиками, служащее для преобразования измеряемой величины в другую величину или измерительный сигнал, удобный для обработки, дальнейших преобразований, хранения, передачи или индикации. Отдельную категорию составляют первичные измерительные преобразователи (датчики, детекторы). Промежуточные – масштабирующие, АЦП, ЦАП и др. Средство сравнения (компаратор) – техническое средство или среда, с помощью которой осуществляется сравнение размеров однородных ФВ или показаний средств измерений. Примеры: рычажные весы, температурное поле термостата. Индикатор - техническое средство или вещество, предназначенное для установления наличия или превышения порогового значения ФВ (сигнализаторы). Совокупности функционально объединенных средств измерительной техники образуют измерительные установки (машины), измерительные системы, измерительно-вычислительные комплексы (в составе измерительной системы). Все средства измерений делятся на рабочие СИ для измерений, не связанных с передачей размера единицы ФВ другим СИ, и эталоны. 3. Метрологические характеристики средств измерений Метрологическая характеристика (м.х.) – характеристика свойства средства измерений, влияющая на результат и погрешность измерений. М.х., устанавливаемые в НД, называют нормируемыми м.х. (н.м.х.). Для каждого типа СИ устанавливают комплекс н.м.х. – рациональную совокупность м.х. Рациональность комплекса н.м.х. определяется задачами нормирования 1.Возможность определения результата и расчетной погрешности измерений в известных рабочих условиях измерений. 2.Возможность оценки (расчета) м.х. и погрешностей каналов ИС по м.х. отдельных структурных элементов (отдельных СИ) 3.Возможность сравнения СИ по точности и оптимальный выбор СИ для каждой измерительной задачи. 4.Возможность контроля СИ при выпуске из производства и ремонта на соответствие установленным требованиям. Требования к нормированию и состав комплексов н.м.х. установлены в ГОСТ 8.009-84 «ГСИ. Нормируемые метрологические характеристики средств измерений». Характеристики для определения результата измерений : - номинальное значение однозначной меры; - цена деления шкалы аналогового прибора или многозначной меры. Сопутствующие характеристики: начальное и конечное значения шкалы, то есть наименьшее и наибольшее значения измеряемой величины, которые могут быть отсчитаны по шкале и определяющие диапазон показаний СИ. Диапазон измерений СИ – область значений величины, в пределах которой нормированы допускаемые пределы погрешности СИ. Значения величины, ограничивающие диапазон измерений – нижний и верхний пределы измерений. Для многопредельных СИ цена деления устанавливается для каждого предела измерений. Для неравномерной шкалы устанавливается минимальная цена деления; - кодовые характеристики цифрового СИ: вид выходного кода, число разрядов, номинальная цена единицы младшего разряда; - функция преобразования измерительного преобразователя – зависимость между выходным сигналом и измеряемой величиной, представленная формулой, таблицей или графиком. Различаются номинальная (приписанная) и реальная (индивидуальная) функции преобразования. Градуировочная характеристика – зависимость, полученная экспериментально. Сопутствующие характеристики: чувствительность СИ – отношение изменения выходного сигнала СИ к вызывающему его изменению измеряемой величины: S = ∆у/∆х – абсолютная, S = (∆у/∆х)/х – относительная. Порог чувствительности – наименьшее значение изменения ФВ, начиная с которого может осуществляться ее измерение. Разрешение СИ (временное или пространственное) – наименьшие интервалы, которые фиксируются СИ раздельно. Характеристики погрешности СИ . Погрешности СИ по источникам возникновения можно представить в виде трех составляющих: ∆си = ∆о * ∑∆(ξί) * ∆τ. ∆о – погрешность СИ в нормальных условиях (основная погрешность). ∑∆(ξί) – совокупность погрешностей, обусловленных чувствительностью СИ к влияющим величинам, действующим на СИ в рабочих условиях измерений (дополнительные погрешности). ∆τ – динамическая погрешность, обусловленная инерционными свойствами СИ при возрастании скорости изменения измеряемой величины, то есть при переходе от статических измерений к динамическим. К рассматриваемой группе н.м.х. относятся характеристики основной погрешности СИ, которая в свою очередь описывается моделью, включающей три составляющие: ∆о = ∆с * ∆º * ∆вар., и нормируется отдельно характеристиками каждой составляющей: характеристиками систематической, случайной погрешностей и вариации. Систематическая погрешность ∆с – составляющая погрешности, принимаемая за постоянную или закономерно изменяющуюся. Ее источники – в методике передачи размера единицы величины («сдвиг» шкалы или отдельных отметок), в неидеальности функции преобразования (нелинейность), ее изменении во времени. Нормируемой характеристикой является предел систематической погрешности (предельное значение). Для множества СИ данного типа систематическая погрешность рассматривается как случайная величина, для которой нормируются математическое ожидание М(∆с) и среднее квадратическое отклонение σ(∆с). Наряду с систематическими в СИ возникают непредсказуемые ни по знаку, ни по размеру погрешности, называемые случайными. Они определяются совокупностью причин, трудно поддающихся анализу (случайность – непознанная закономерность). Нормируемая характеристика – предел среднего квадратического отклонения (СКО) случайной погрешности σ(∆º). Кроме того могут быть установлены автокорреляционная функция или спектральная плотность случайной составляющей погрешности для СИ данного типа. Вариация показаний измерительного прибора – разность показаний в одной и той же точке диапазона измерений при плавном приближении к этой точке со стороны меньших и больших значений измеряемой величины. Причины вариации – трение, люфты в измерительных механизмах, гистерезис в магнитных материалах. Вариация – тоже случайная величина, но нормируется предел допускаемой вариации. Если СИ не предназначено для использования в измерительной системе и СКО случайной составляющей – достаточно малая величина, допускается вместо отдельных составляющих нормировать предел основной погрешности ∆о или интервал, в котором она находится с заданной вероятностью Р < 1 (Р = 0,95 или Р = 0,9). Кроме того могут быть установлены М(∆о), σ (∆о) для СИ данного типа. Характеристики чувствительности СИ к влияющим величинам . Влияющие величины (ВВ), характеризующие условия измерений, вызывают определенные изменения выходного сигнала или показаний СИ. В ГОСТ 8.009-84 предусмотрено два способа нормирования характеристик чувствительности СИ к ВВ: функцией влияния Ψ(ξί), либо пределом допускаемого изменения характеристики (например, погрешности) при изменении ВВ в заданном интервале (предел допускаемого значения дополнительной погрешности). Дополнительная погрешность по характеру своему чаще всего проявляется как систематическая погрешность. Нормируемые характеристики связаны между собой односторонней зависимостью: ∆(ξί)max= Ψ(ξί)∙(ξί)max. Обратное преобразование, то есть определение функции влияния по пределу дополнительной погрешности, некорректно. Динамические характеристики Различают полные и частные динамические характеристики (ДХ). К полным относятся функции динамического преобразования, функции связи между входом и выходом СИ в динамическом режиме измерений: -передаточная функция К(јω)=У(јω)/Х(јω) – отношение операторных изображений сигналов на выходе и на входе СИ; -переходная характеристика h(t) – реакция СИ на скачок измеряемой величины; -импульсная переходная характеристика g(t) – реакция СИ на единичный импульс измеряемой величины; -совокупность АЧХ А(ω) и ФЧХ φ(ω). Примеры частных ДХ: время установления показаний (tу), постоянная времени Т (по переходной характеристике), АЧХ А(ω), значение резонансной частоты собственных колебаний ωо , верхний предел частотного диапазона измерений f max, и другие. Для известных видов сигналов измеряемых величин (например, синусоидального) может быть нормирована динамическая погрешность. Характеристики связи СИ с объектом измерений К числу н.м.х. отнесены: - входной Ζвх и выходной Ζвых импедансы (сопротивления); - неинформативные параметры входного сигнала. 4. Погрешности и классы точности средств измерений. Погрешности технических измерений Наряду с нормированием полного комплекса н.м.х. по ГОСТ 8.009-84 для СИ массового применения практикуется упрощенное нормирование м.х. в виде класса точности по ГОСТ 8.401-80. Класс точности – обобщенная характеристика типа средств измерений, выражаемая пределами допускаемых основной и дополнительных погрешностей, а также другими характеристиками, влияющими на точность. Классы точности удобны для сравнительной оценки при выборе СИ, но недостаточны для достоверной оценки погрешностей каналов измерительной системы, введения поправок в результаты измерений с целью исключения систематических составляющих основной и дополнительных погрешностей, расчета погрешностей динамических измерений. Пределы допускаемых основной и дополнительных погрешностей выражают в форме абсолютных, относительных или приведенных погрешностей. Абсолютная погрешность – разность между показаниями прибора и истинным значением измеряемой величины, выраженная в единицах измеряемой величины. Пределы допускаемой абсолютной основной погрешности устанавливают в виде Δ = ±а или Δ = ±(а+bx). Если абсолютная погрешность СИ во всем диапазоне измерений ограничена постоянным пределом ±а, такая погрешность называется аддитивной. Погрешность или составляющая погрешности, возрастающая пропорционально значениям измеряемой величины (Δ = ±bx), называется мультипликативной. Абсолютная погрешность сама по себе не дает четкого представления о точности СИ, необходимо ее соотнесение с размером измеряемой величины. Поэтому чаще устанавливают пределы допускаемой приведенной погрешности γ = (Δ/ХN )100 = ±p,%. Реально приведенная погрешность характеризует погрешность только в одной точке диапазона измерений - ХN . Для остальных значений измеряемой величины это допускаемый предел (не более). Нормирующее значение ХN задается по следующим правилам. ХN = хк , если хн ≥ 0, то есть нулевая точка на краю или вне диапазона измерений. ХN = max{|хн |,|хк |}, если нулевая точка внутри диапазона измерений ХN = | хк - хн |, для СИ с условным нулем. ХN = хном , если установлено номинальное значение (для меры). Наиболее наглядной характеристикой является предел относительной погрешности δ = (Δ/х)100 = ±q,%. При мультипликативной полосе погрешностей δ=±q=b. При одновременном присутствии аддитивной и мультипликативной составляющих предел относительной погрешности нормируется двучленной формулой Δ = 100( а+bx)/х = γн |хк /х|+ γs = γк + γн (|хк /х|-1) = ±[с+d(|хк /х|-1)],%. Физический смысл: с – приведенная к |хк | погрешность в конце шкалы (γк ), в – приведенная погрешность в начале шкалы (γн ). с = b+d; в = а/|хк |. ГОСТ 8.401-80 определил и нормируемые числовые значения пределов допускаемых погрешностей р, q, c, d, которые должны выбираться из ряда:1· 10ⁿ; 1,5· 10ⁿ; (1,6· 10ⁿ); 2· 10ⁿ; 2,5· 10ⁿ; (3· 10ⁿ); 4· 10ⁿ; 5· 10ⁿ; 6· 10ⁿ (n = 1; 0; -1; -2 и т.д.). Примеры обозначения в документации на СИ
δ = ±[0,02+0,01(|хк /х|-1)]% класс точности 0,02/0,01 0,02/0,01
В частности, личная погрешность оператора средней квалификации при считывании показаний прибора с равномерной шкалой принимается Δл = 0,2 Хцд (0,2 цены деления). Источниками методической погрешности являются: 1.Отличие фактически измеряемой величины от подлежащей измерению – погрешность модели объекта измерения. 2. Погрешность передачи размера измеряемой величины от объекта к СИ (отличие значений измеряемой величины на входе СИ и в точке «отбора» на объекте). 3. Погрешности обработки данных (отличие алгоритма вычислений от функции, связывающей результат измерений с измеряемой величиной).
Результат измерений представляют именованным (неименованным в обоснованных случаях) числом совместно с характеристикой приписанной погрешности или статистической оценкой погрешности. При массовых технических измерениях указывают приписанную, заранее рассчитанную погрешность, при исследовательских – статистическую оценку погрешности. Результат измерений могут сопровождать: - точечные характеристики погрешности (СКО погрешности измерения σΔ или характеристики неисключенной систематической σ[Δс ] и случайной σ[Δ°] составляющих погрешности), если результат измерений подлежит дальнейшей обработке (например, расчету результата и погрешностей косвенных или других функциональных измерений); - интервальная характеристика погрешности - границы, в пределах которых погрешность измерений находится с заданной вероятностью, если результат измерений является окончательным. Характеристики погрешности указывают в единицах измеряемой величины (абсолютная Δ) или в процентах от результата измерения (относительная δ). Примеры записи результатов измерений: Расход жидкости 10,75 м3 /с; |∆н |=|∆в |=0,15 м3 /с; Рд=0,95, или 10,75 м3 /с; Δ=±0,15 м3 /с; Рд=0,95, или 10,75 м3 /с; -0,12 ≤ Δ ≤ 0,18 м3 /с; Рд=0,95. Электрическое напряжение 220,0 В; δ=±1%; Рд=0,95, или 220,0 В; σ[Δс ]=0,2 В; σ[Δ°]=0,1 В. Допускается (для исследовательских измерений) представление результата измерений доверительным интервалом, покрывающим с указываемой доверительной вероятностью истинное значение измеряемой величины, например: температура от 260 до 280 °С, Рд=0,95. При этом погрешности не указываются. Характеристики погрешности выражают числом, содержащим не более двух значащих цифр: если число начинается с цифр 1 или 2, то в нем оставляют две значащих цифры с округлением в большую сторону, если число ≥3, оно округляется до одной значащей цифры по общим правилам округления. Пример – ряд числовых значений классов точности. Результат измерения округляется до того же десятичного знака, которым оканчивается округленное значение абсолютной погрешности измерения. Округление проводится только в окончательной записи. 5. Методики выполнения измерений. Выбор средств измерений Методика выполнения измерений – совокупность операций и правил, выполнение которых обеспечивает получение результатов измерений с установленной погрешностью (неопределенностью). Следует различать МВИ как приведенное выше понятие, и МВИ как отдельный документ, содержащий описание и все необходимые данные для реализации МВИ. Общие положения и требования к их разработке и метрологической аттестации установлены в ГОСТ Р 8.563-96 «ГСИ. Методики выполнения измерений». Документ на МВИ должен содержать разделы: - вводную часть (назначение и область применения МВИ); - характеристики погрешности измерений; - средства измерений, вспомогательные устройства и др.; - метод измерений; - требования безопасности и охраны окружающей среды; - требования к квалификации оператора; - условия измерений; - подготовка к выполнению измерений; - выполнение измерений; - обработка результатов измерений; - контроль погрешности результатов измерений; - оформление результатов измерений. Важнейшим этапом в разработке МВИ является выбор методов и средств измерений, который осуществляется в соответствии с рекомендацией МИ 1967-89. При этом целью и основным критерием выбора является достижение заданной или минимально возможной погрешности измерений. Погрешность результата измерений как при априорной оценке (при разработке МВИ), так и на этапе обработки результатов измерений определяют расчетным объединением характеристик всех составляющих, образующих результирующую погрешность. Поэтому важно определить единые правила суммирования составляющих. При оценке результирующей погрешности СИ или результата измерений следует предполагать наличие как систематических, так и случайных составляющих, поэтому Δ Σ = ∆СΣ + ∆ºΣ . Общая формула для СКО суммы случайных составляющих σΣ
= где ρij
–коэффициент корреляции между составляющими случайной погрешности. Если составляющие независимы или корреляционная связь слабая (|ρij
|<0,7), принимается ρij
= 0 и σΣ
= Интервальная характеристика случайной погрешности результата измерений, то есть границы, в пределах которых случайная погрешность измерений находится с заданной вероятностью, определяется выражением ∆ºΣ = tp σΣ , где tp – коэффициент Стьюдента, зависящий от доверительной вероятности Рд оценки границ значений погрешности. Значения коэффициента Стьюдента можно принять 1,6 для Рд = 0,9 и 2,0 для Рд = 0,95. Для суммирования элементарных систематических погрешностей используется несколько способов. Арифметическое суммирование предельных значений систематических составляющих дает гарантированную оценку «сверху». Такая оценка завышена и возникновение таких погрешностей на практике маловероятно. Арифметическое суммирование применяется только для составляющих с точно известными значениями и знаками, которые могут быть использованы в виде поправок к результату измерений и исключены из оценки погрешности. Для неисключенных систематических составляющих применяют рандомизацию, то есть их перевод в разряд случайных величин с равномерным законом распределения. Тогда, если известны пределы ±∆Сi
систематических составляющих погрешности, интервальная характеристика погрешности ΔСΣ
= К В случае суммирования неисключенных систематических и случайных составляющих целесообразно определить дисперсии неисключенных систематических погрешностей и далее выполнить геометрическое суммирование по формуле σΣ
= Дисперсия случайной величины с равномерным законом распределения σi ² = Δ²Сi /3, если заданы симметричные предельные значения величины ±∆Сi , или σi ² = Н²i /12, если известен размах значений этой величины (например, Н – цена деления шкалы прибора). Пример 1. Определить погрешность вольтметра с пределом измерений 1,5 В при измерении падения напряжения 0,8 В на участке цепи с активным сопротивлением R = 4 Ом при температуре от 15 до 35 °С. Для вольтметра нормированы м.х. по ГОСТ 8.009-84: предел систематической составляющей основной погрешности γс = ±0,4%; СКО случайной составляющей σ(∆º) = 0,2%; предел допускаемой вариации Н = 0,4%; номинальная функция влияния температуры Ψ(t) = +0,03%/°С; входное сопротивление вольтметра 1000 Ом. Нормальное значение температуры tну = 20°С. Инструментальная погрешность измерения, обусловленная погрешностью вольтметра, будет складываться из трех составляющих: основной погрешности вольтметра, дополнительной погрешности в диапазоне изменений температуры, погрешности согласования сопротивлений вольтметра и объекта измерений. Основную погрешность определим как сумму систематической, случайной составляющих и вариации, применив принцип рандомизации к составляющим систематической погрешности и вариации. Тогда дисперсия основной погрешности составит значение σо ² = γс ²/3+ σ²(∆º)+Н²/12 = 0,16/3+0,04+0,16/12 ≈ 0,106 (%)² Дополнительную погрешность рандомизируем, приняв равновероятный закон распределения температуры в заданном интервале. Тогда математическое ожидание дополнительной погрешности М(∆t) = Ψ(t)[М(t) - tну] = 0,03[(35+15)/2 - 20] = +0,15%. Дисперсия дополнительной погрешности D(∆t) = Ψ²(t) σ²(t) = 0,03²·(35-15)²/12 = 0,03 (%)² Погрешность согласования определим из формулы, определяющей показание вольтметра Uv = UxRv/(R+Rv): ΔR = Uv-Uх = - UхR/(R+Rv), или отнесенную к Uх: δR = - (4/1004)100 = - 0,4%. Это значение можно использовать для расчета поправки к результату измерений или просуммировать с другими составляющими, приведя их тоже в форму относительной погрешности. δ = δR
+[М(∆t)±tp Пример 2. Выбрать метод и средство измерений для измерения падения напряжения 0,8…1,2 В на участке цепи с активным сопротивлением R = 4 Ом при температуре от 15 до 35 °С с погрешностью δ не более 1,5 %. 1. Выбираем метод измерений – прямые измерения с использованием вольтметра с пределом измерений 1,5 В. Полагаем методическую и личную погрешности пренебрежимо малыми. 2. Ориентировочно определяем необходимый класс точности вольтметра γтр ≤ δХн/Хк = 1,5·0,8/1,5 = 0,8 и выбираем вольтметр класса точности 0,5. Класс точности определяет основную приведенную погрешность γо = ±0,5%. Пусть для этого вольтметра дополнительная температурная погрешность нормируется в виде γt = 0,6γо /10ºС. Предельное значение дополнительная погрешность будет иметь при температуре 35ºС: γt = ±0,6·0,5(35-20)/10 = ±0,45%. Погрешность согласования при Rv = 1000 Ом составит δR = - (4/1004)100 = - 0,4%. 3. Оценим погрешность результата измерений для Хн = 0,8 В (в этой точке заданного диапазона измерений она будет максимальной) с Рд = 0,9: δ = δR
±[tp В итоге получим -1,6≤ δ ≤0,8, то есть требование δ ≤ ±1,5 % не выполнено. Вольтметр класса точности 0,5 может быть использован только при введении поправок Δ = 0.004Х в результаты измерений. В этом случае δ = ±1,2%. Если класс точности вольтметра, то есть нормирована относительная погрешность δо = 0,5 %, которая имеет место для любого значения в заданном диапазоне измерений, в выражении суммирования погрешностей исключается множитель Хк/Хн. Тогда δ = ±0,62 ≈ 0,6% Рассмотрим случай нормирования класса точности двучленным выражением, например 0,5/0,2. В этом случае δо = 0,5+0,2[(Хк/ Х)-1]. Для Х = 0,8В δо = 0,5+0,2[(1,5/0,8)-1] = 0,675%. Дополнительная погрешность δt = 0,6·0,675(35-20)/10 = ±0,61%. Тогда после введения поправок Δ = ±1,6 Другой способ суммирования неисключенных систематических погрешностей (суммирования пределов относительных погрешностей) дает значение погрешности измерений δ = ±К 6. Обработка результатов многократных и косвенных измерений Качество измерений характеризуются рядом показателей. Сходимость результатов измерений – близость друг к другу результатов измерений, выполненных повторно в тех же условиях. Воспроизводимость результатов измерений – близость результатов измерений одной и той же величины, полученных в разное время, в разных местах, разными операторами и средствами. Точность измерений – близость результата измерений к истинному значению измеряемой величины. Правильность измерений – близость к нулю систематической погрешности измерений. Достоверность измерений – близость к нулю случайной или отнесенной к случайной неисключенной систематической погрешности. Достоверность измерений характеризуется доверительной вероятностью того, что истинное значение лежит в указанных доверительных границах: Рд = Р{(х – tσ) ≤ Х ≤ (х + tσ)}. Возможность повышения достоверности результатов измерений обеспечивается при проведении многократных измерений. Результат многократных измерений определяется как параметр положения центра распределения полученных данных (Хц). Преимущество и основной смысл многократных измерений заключается в том, что координата центра распределения совокупности результатов измерений одного и того же значения физической величины имеет меньшую полосу неопределенности, чем каждый отдельно взятый результат однократного измерения. Существуют соотношения: D(Хц) = D(хi
)/n и σ(Хц) = σ(хi
)/ Последовательность обработки результатов многократных измерений следующая: - исправление результатов наблюдений, если это возможно (внесение поправок); - вычисление оценки параметра положения центра выборки Хц (среднее арифметическое, медиана или другая оценка); - вычисление выборочного СКО оценки параметра положения центра по формуле σ(Хц) = - определение границ доверительного интервала для случайной погрешности ∆сл = ±tpn σ(Хц). Следует помнить, что при многократных измерениях уменьшаются только случайные погрешности, а систематические остаются без изменения и должны суммироваться со случайными. Следующие этапы обработки данных: - сравнение ∆сл с неисключенными систематическими составляющими погрешности измерений и выявление значимых составляющих; - суммирование неисключенных систематических погрешностей Δ СΣ
= К - определение суммарной погрешности Δ Σ
= Результат измерений записывается в виде Хц± Δ Σ, Рд. Пример. При многократном измерении тока получены значения в мА: 98, 100, 97, 101, 99, 102, 103. Определить доверительные границы для истинного значения измеряемой величины с вероятностью Р = 0,95 (tp = 2,45). Параметр положения центра выборки Хц (среднее арифметическое) Хц =100 мА. СКО оценки параметра положения центра σ(Хц) = Границы доверительного интервала для случайной погрешности ∆сл = ±tp σ(Хц) = ±(2,45∙0,816) ≈ ±2 мА. Результат измерений: 100±2 мА, Р = 0,95. Результат косвенного измерения определяется расчетом по известной функции Ζ = f(х1 , х2 , …) и измеренным значениям аргументов хi . Так как каждое значение хi измерено с погрешностью, задача расчета погрешности результата измерений сводится также к суммированию погрешностей измерения аргументов. Отличие косвенных измерений состоит в том, что в зависимости от вида функции вклад отдельных аргументов в результат и его погрешность может быть различным. Поэтому при расчете погрешности результата косвенных измерений вводятся коэффициенты влияния аргументов на результат измерений, представляющие собой частные производные функции по соответствующим аргументам: Δ(Ζ) = Для дисперсий: σ²(Ζ) = Метод частных производных правомерен для суммирования абсолютных погрешностей линейных функций, в которые аргументы входят в первой степени и коэффициенты влияния ∂f/∂хi не зависят от аргументов. Для нелинейных функций проводится сначала логарифмирование (или другая операция линеаризации функции, в общем случае – разложение в ряд Тейлора), затем дифференцирование. Пусть Ζ = ∏( хª1 , хⁿ2 , …). Логарифмирование: lnΖ = alnх1 +nlnх2 , … Дифференцирование: dΖ/Ζ = a(dх1 /х1 )+ n(dх2 /х2 ) +…, после чего, перейдя к малым приращениям (погрешностям), получим формулу расчета относительных погрешностей: δ(Ζ) = a δ(х1 ) + n δ(х2 ) +… Для дисперсий: σ²( δ Ζ
) = Итак, расчет погрешности косвенного измерения проводится в два этапа: 1) вывод формулы для расчета абсолютной погрешности (дифференцирование) или относительной погрешности (логарифмирование + дифференцирование) в зависимости от вида функции связи измеряемых величин; 2)расчет погрешности в соответствии с полученной формулой по правилам суммирования составляющих. При этом, если составляющие погрешности рассматриваются как случайные величины, знаки, полученные при дифференцировании, не учитываются. Пример. Оценить значение и погрешность измерения мощности, поглощаемой на сопротивлении R = 100 Ом при напряжении U = 10 В. СКО относительных погрешностей измерений напряжения и сопротивления составляют: σ(δU ) = 0,5%, σ(δR ) = 1%. Поглощаемая мощность W = U²/ R = 1Вт. Для оценки погрешности измерения проведем линеаризацию функции: lnW= 2lnU- lnR. Тогда относительная погрешность измерения мощности δW = 2δU +δR, а дисперсия относительной погрешности: σ²(δW ) = 4 σ² (δU )+σ² (δR ) СКО относительной погрешности σ(δW
) = Приняв доверительную вероятность Р=0,9 (tp =1,6), запишем результат измерений: W = 1 Вт; δ = ±2,3%, Р = 0,9. 7. Метрологическое обеспечение. Закон «Об обеспечении единства измерений». Структура и функции метрологических служб Обеспечение единства измерений - деятельность метрологических служб, направленная на достижение и поддержание единства измерений в соответствии с законодательными актами, правилами и нормами, установленными национальными стандартами и другими нормативными документами по обеспечению единства измерений. Содержание метрологической деятельности более полно раскрывает понятие метрологическое обеспечение – установление и применение научных и организационных основ, технических средств, правил и норм для достижения единства и требуемой точности измерений.
Государственное регулирование метрологической деятельности осуществляется на основе закона «Об обеспечении единства измерений», впервые принятого в 1993 и в новой редакции – в 2008 году (Федеральный Закон от 26.06.2008 №102-ФЗ). В законе определены формы государственного регулирования, требования, порядок и правила практически по всем вопросам метрологической деятельности и основам метрологического обеспечения. В главе 1 «Общие положения» установлены цели принятия и сфера действия, даны определения основных понятий метрологии, применяемых в тексте закона. Целями Федерального Закона являются: 1) установление правовых основ обеспечения единства измерений; 2) защита прав и законных интересов граждан, общества и государства от отрицательных последствий недостоверных результатов измерений; 3) обеспечение потребности граждан, общества и государства в получении объективных, достоверных и сопоставимых результатов измерений, используемых в целях защиты жизни и здоровья граждан, охраны окружающей среды, животного и растительного мира, обеспечения обороны и безопасности государства, в том числе экономической безопасности; 4) содействие развитию экономики и научно-техническому прогрессу. Государственное регулирование обеспечения единства измерений распространяется на измерения, выполняемые при осуществлении деятельности: - в области здравоохранения, ветеринарии, охраны окружающей среды; - по обеспечению безопасных условий и охраны труда, производственного контроля за соблюдением требований промышленной безопасности к эксплуатации опасного производственного объекта; - в области обороны и безопасности государства, обеспечения безопасности при чрезвычайных ситуациях; - торговли и товарообменных операций, расфасовки товаров; - государственных учетных, банковских, налоговых и таможенных операций, услуг почтовой связи и электросвязи; - в области геодезии, картографии и гидрометеорологии; - оценки соответствия продукции и иных объектов обязательным требованиям, мероприятий государственного контроля (надзора); - измерений, проводимых по поручению суда, органов прокуратуры, государственных органов исполнительной власти; - проведении официальных спортивных соревнований. Глава 2 имеет заглавие «Требования к измерениям, единицам величин, эталонам единиц величин, стандартным образцам, средствам измерений». Измерения, относящиеся к сфере государственного регулирования, должны осуществляться по аттестованным методикам измерений, с применением средств измерений утвержденного типа, прошедших поверку. Результаты измерений должны быть выражены в единицах величин, допущенных к применению в Российской Федерации. Закон допускает к применению единицы величин Международной системы единиц, принятые Генеральной конференцией по мерам и весам и рекомендованные МОЗМ. Правительством РФ могут быть допущены к применению внесистемные единицы. Для передачи размеров единиц всем средствам измерений на территории РФ используются государственные первичные эталоны единиц величин (национальные эталоны), воспроизводящие единицу с наивысшей точностью. Эталонную базу страны составляют государственные первичные и вторичные эталоны, получающие размер единицы непосредственно от первичных. Государственные первичные эталоны являются исключительной федеральной собственностью и не подлежат приватизации. Передача размера единицы величины рабочим средствам измерений осуществляется от рабочих эталонов, прослеживаемых к государственным первичным эталонам в соответствии с поверочной схемой, устанавливающей соподчинение средств измерений, участвующих в передаче размера единицы, методы и погрешности передачи размеров. Наряду с государственными поверочными схемами могут разрабатываться и применяться локальные поверочные схемы (в регионе, отрасли, или на отдельном предприятии). Эталон, обладающий наивысшими метрологическими свойствами в поверочной схеме называют исходным эталоном. Государственные первичные эталоны применяются в качестве исходных на территории Российской Федерации. Глава 3 «Государственное регулирование в области обеспечения единства измерений» устанавливает следующие формы государственного регулирования: - утверждение типа средств измерений или стандартных образцов, - поверка средств измерений, - метрологическая экспертиза, - государственный метрологический надзор, - аттестация методик (методов) измерений, - аккредитация юридических лиц и индивидуальных предпринимателей на выполнение работ и (или) оказание услуг в области обеспечения единства измерений. Средства измерений (СИ), применяемые в сферах государственного регулирования, должны пройти испытания с последующим утверждением типа СИ (ПР50.2.009-94). Утверждение типа СИ – документально оформленное решение о признании соответствия типа СИ метрологическим и техническим требованиям (характеристикам) на основании результатов испытаний в целях утверждения типа. При утверждении типа СИ устанавливаются показатели точности, межповерочный интервал и утверждается методика поверки данного типа СИ. Испытания проводят организации, аккредитованные в качестве государственных центров испытаний - ГЦИ СИ. По результатам испытаний оформляется свидетельство об утверждении типа СИ, сведения об утвержденных типах СИ вносятся в Федеральный информационный фонд по обеспечению единства измерений. На СИ наносится знак утверждения типа. До ввода в эксплуатацию или после ремонта каждый экземпляр СИ утвержденного типа, применяемых в сфере государственного регулирования, подвергается первичной поверке, а в период эксплуатации – периодической поверке (ПР 50.2.006-94). Поверка – совокупность операций, выполняемых в целях подтверждения соответствия СИ метрологическим требованиям. Поверку осуществляют аккредитованные в установленном порядке юридические лица или индивидуальные предприниматели. Конкретное физическое лицо, осуществляющее поверку, должно быть аттестованным в качестве поверителя. Результаты поверки оформляются протоколом и свидетельством о поверке, а также специальным знаком о поверке, наносимым поверителем на СИ или на свидетельство о поверке. Юридические лица или индивидуальные предприниматели, применяющие СИ в сфере государственного регулирования в области обеспечения единства измерений (владельцы СИ), обязаны своевременно представлять эти СИ на поверку. Обязательной метрологической экспертизе подлежат требования к измерениям, средствам измерений или стандартным образцам, содержащиеся в проектах нормативных правовых актов Российской Федерации, стандарты, продукция, проектная, конструкторская, технологическая документация и другие объекты в порядке и случаях, предусмотренных законодательством Российской Федерации. В других случаях метрологическая экспертиза может проводиться в добровольном порядке. Государственный метрологический надзор осуществляется в сфере государственного регулирования в области обеспечения единства измерений за: 1) соблюдением обязательных требований к измерениям, единицам величин, а также к эталонам единиц величин, средствам измерений и стандартным образцам при их выпуске из производства, ввозе на территорию Российской Федерации, продаже и применении; 2) наличием и соблюдением аттестованных методик измерений; 3) за количеством фасованных товаров в упаковках (отклонениями от заявленного значения). В этой главе установлены права и обязанности должностных лиц при осуществлении государственного метрологического надзора, а также обязанность юридических лиц или индивидуальных предпринимателей, осуществляющих выпуск из производства, ввоз и продажу эталонов, средств измерений и стандартных образцов, уведомлять о своей деятельности органы государственного метрологического надзора в трехмесячный срок. В главе 4 «Калибровка средств измерений» определен порядок действий с СИ, не предназначенными к применению в сфере государственного регулирования. Калибровка средств измерений - совокупность операций, выполняемых в целях определения действительных значений метрологических характеристик средств измерений. Калибровка средств измерений выполняется с использованием эталонов, прослеживаемых к государственным первичным эталонам единиц величин, а при их отсутствии – к национальным эталонам иностранных государств. Результаты калибровки, выполненной аккредитованным юридическим лицом или индивидуальным предпринимателем могут быть использованы при поверке средства измерений. Глава 5 «Аккредитация в области обеспечения единства измерений» определяет работы и услуги, для выполнения которых требуется официальное признание компетентности (аккредитация). Это – 1) аттестация методик измерений; 2) испытания в целях утверждения типа; 3) поверка; 4) обязательная метрологическая экспертиза. Принципы аккредитации в области обеспечения единства измерений полностью совпадают с принципами аккредитации, установленными в Федеральном законе «О техническом регулировании». В главе 6 «Федеральный информационный фонд по обеспечению единства измерений» определено его содержание, порядок создания и ведения, предоставления сведений заинтересованным лицам. Важнейшие информационные базы данных фонда: - единый перечень измерений, относящихся к сфере государственного регулирования; - сведения о государственных эталонах единиц величин; - сведения об утвержденных типах СИ и стандартных образцов; - сведения об аттестованных методиках измерений; - сведения о результатах поверки СИ. Глава 7 «Организационные основы обеспечения единства измерений» устанавливает состав и задачи организаций и служб, осуществляющих деятельность по обеспечению единства измерений. К ним относятся: 1. Федеральные органы исполнительной власти, осуществляющие функции: - по выработке государственной политики и нормативно-правовому регулированию в области обеспечения единства измерений (Министерство промышленности и энергетики), - по оказанию государственных услуг и управлению государственным имуществом в области обеспечения единства измерений (Федеральное агентство по техническому регулированию и метрологии – Ростехрегулирование), - государственного метрологического надзора (в настоящее время – Ростехрегулирование). 2. Государственные научные метрологические институты (ГНМИ), подведомственные Ростехрегулированию, основными задачами которых являются: - проведение фундаментальных и прикладных научных исследований, экспериментальных разработок, разработка проектов нормативных документов, обязательная метрологическая экспертиза, другая научно-техническая деятельность и международное сотрудничество в области метрологии и обеспечения единства измерений; - создание, совершенствование, содержание, сличение и применение государственных первичных эталонов единиц величин. Наиболее известные ГНМИ - это Всероссийский НИИ метрологической службы (ВНИИМС, г. Москва), Всероссийский НИИ метрологии (ВНИИМ им. Д.И.Менделеева, г. Санкт-Петербург), Уральский НИИ метрологии (УНИИМ, г. Екатеринбург), Сибирский НИИ метрологии (СНИИМ, г. Новосибирск), Всероссийский НИИ физико-технических и радиоизмерений (ВНИИФТРИ, пос. Менделеево Московской области), Всероссийский НИИ оптико-физических измерений (ВНИИОФИ, г. Москва), Всероссийский НИИ расходометрии (ВНИИР, г. Казань) и др. 3. Государственные региональные центры метрологии (в составе ЦСМ – территориальных центров стандартизации и метрологии) – решают основные задачи: - поверка средств измерений в соответствии с областью аккредитации; - совершенствование, содержание, и применение государственных эталонов единиц величин, находящихся в ведении регионального центра. 4. Государственная служба времени, частоты и определения параметров вращения Земли, Государственная служба стандартных образцов состава и свойств веществ и материалов, Государственная служба стандартных справочных данных о физических константах и свойствах веществ и материалов осуществляют деятельность в целях обеспечения единства измерений в закрепленных за ними областях. 5. Метрологические службы федеральных органов исполнительной власти организуют деятельность по обеспечению единства измерений в пределах своей компетенции в областях деятельности, относящихся к сфере государственного регулирования. 6. Метрологические службы юридических лиц и индивидуальные предприниматели, аккредитованные в установленном порядке в области обеспечения единства измерений. В новой редакции закона «Об обеспечении единства измерений» требования по обязательности создания метрологической службы в составе юридических лиц и ее функции не установлены. Метрологические службы юридических лиц создаются для выполнения работ по обеспечению единства измерений на предприятии (в организации). Типовые задачи метрологической службы юридического лица: - калибровка СИ (при наличии соответствующих рабочих эталонов); - планирование, организация и проверка своевременности работ по поверке и калибровке СИ, разработке и аттестации методик измерений (МВИ); - внутренний надзор за состоянием и применением СИ, МВИ, рабочих эталонов, соблюдением метрологических правил и норм с выдачей обязательных к исполнению предписаний по устранению выявленных нарушений; - управление парком СИ; - организация и проведение метрологической экспертизы стандартов, конструкторской, технологической документации и др. Новой редакцией закона для метрологической службы в составе юридического лица открыта возможность осуществления деятельности по обеспечению единства измерений в интересах не только своей, но и других организаций в случае соответствующей аккредитации. 8. Самостоятельные работы Тренировочные задания 1. Назовите основные принципы метрологии и поясните их суть. 2. Сформулируйте основные постулаты метрологии. 3. Приведите определение понятия «измерение». 4. Назовите общие признаки измерений, присущие измерениям любой степени сложности и отличающие их от других способов получения информации. 5. Дайте определение физической величины. 6. Приведите и поясните выражение, называемое основным уравнением измерений. 7. Приведите последовательность основных этапов измерений. В каком документе могут быть представлены результаты выполнения «теоретических» этапов для технических измерений? 8. Дайте определение понятиям неопределенности и погрешности результата измерений. Приведите пример характеристики неопределенности результата измерений. 9. Перечислите известные вам шкалы физических величин. Какие шкалы называют «неметрическими» и почему? 10. Назовите когерентные производные единицы системы СИ, имеющие специальные названия. 11. Перечислите признаки, по которым могут быть классифицированы измерения. Приведите примеры разновидностей измерений по этим признакам. 12. Дайте определения прямых, косвенных, совокупных и совместных измерений. 13. Дайте определение термина «метод измерений». Какие методы измерений вам известны? 14. Дайте определение термина «принцип измерений». 15. Дайте определение термина «средство измерений». 16. Назовите виды средств измерений. К каким видам средств измерений относятся гиря, линейка, секундомер, термометр медицинский, магазин сопротивлений? 17. Что такое «датчик»? К какому виду средств измерений он относится? 18. Для каких измерений предназначены рабочие средства измерений и эталоны? 19. Сформулируйте определения понятий «метрологическая характеристика», «комплекс нормируемых метрологических характеристик средств измерений». 20. Перечислите, в каких целях устанавливаются комплексы нормируемых метрологических характеристик средств измерений. 21. Назовите, какие группы метрологических характеристик включаются в комплексы нормируемых метрологических характеристик средств измерений в соответствии с ГОСТ 8.009-84. 22. Укажите, для каких видов средств измерений устанавливаются перечисленные характеристики для определения результата измерений: а) номинальное значение меры, б) номинальная цена единицы младшего разряда, в) цена деления шкалы, г) функция преобразования. 23. Назовите нормируемые в соответствии с ГОСТ 8.009-84 характеристики основной погрешности средств измерений. Что такое вариация показаний средства измерений? 24. Укажите два способа нормирования характеристик чувствительности средства измерений к влияющим величинам. Как взаимосвязаны характеристики, нормируемые этими способами? 25. Перечислите полные динамические характеристики, нормируемые в соответствии с ГОСТ 8.009-84. 26. Дайте определение понятию «класс точности». 27. Дайте определение абсолютной, приведенной и относительной погрешностей и продемонстрируйте, как они взаимосвязаны друг с другом. 28. Изобразите возможные границы изменения погрешности в диапазоне измерений при аддитивном и мультипликативном характере погрешности средства измерений. 29. Приведите двучленную формулу для оценки предела относительной погрешности средства измерений при одновременном присутствии аддитивной и мультипликативной погрешности. 30. Назовите три источника и составляющих погрешности результата измерений. Что включает понятие «инструментальная погрешность»? 31. Дайте определение понятию «единство измерений». 32. Приведите примеры точечных и интервальных характеристик погрешности результата измерений. 33. Перечислите и охарактеризуйте показатели качества измерений. 34. Поясните, что такое методика выполнения измерений и какие разделы должен содержать документ на МВИ в соответствии с ГОСТ Р 8.563-96. 35. Приведите формулы для расчета среднего квадратического отклонения суммы случайных составляющих погрешности и интервальной характеристики случайной погрешности результата измерений. 36. Приведите формулу расчета интервальной характеристики погрешности при суммировании пределов неисключенных систематических составляющих. 37. Напишите формулу для расчета среднего квадратического отклонения погрешности результата многократных измерений. 38. Приведите формулу и пример расчета погрешности результата косвенных измерений в случае линейной функциональной зависимости искомой физической величины от измеряемых величин. 39. Поясните, в чем состоит метод линеаризации функции при обработке результатов косвенных измерений. 40. Дайте определение понятиям «обеспечение единства измерений» и «метрологическое обеспечение». Что составляет научную, организационную, нормативно-правовую и техническую основы метрологического обеспечения? 41. Объясните, для чего предназначены первичный эталон, вторичный эталон, рабочий эталон, исходный эталон. В чем отличие государственной и локальной поверочных схем? 42. Назовите организации (учреждения), входящие в структуру организаций и служб, осуществляющих деятельность по обеспечению единства измерений и их основные задачи. 43. Укажите, какие виды деятельности относятся к формам государственного регулирования в области обеспечения единства измерений. 44. Объясните, какие средства измерений должны подвергаться поверке, кто проводит и как оформляются результаты поверки средств измерений. Что общего и в чем отличие поверки и калибровки средств измерений? 45. Назовите основные функции метрологической службы юридического лица? Контрольная работа Задача 1. Оценка интервала, в котором находится основная погрешность средства измерений с заданной вероятностью (суммирование составляющих погрешности) Для измерительного прибора нормированы характеристики основной погрешности по ГОСТ 8.009-84: предел допускаемых значений систематической составляющей погрешности γс , предел среднего квадратического отклонения случайной составляющей погрешности σ, предел допускаемой вариации Н. Определите границы интервала значений основной погрешности измерительного прибора, в котором она находится с доверительной вероятностью Р.
Примечание. Для определения доверительных границ погрешности используйте значения коэффициента t, зависящего от доверительной вероятности Р: 1,6 при Р = 0,9; 2,0 при Р = 0,95; 2,3 при Р = 0,98. Задача 2. Определение функции преобразования и погрешностей измерительного преобразователя по градуировочной характеристике. Постройте график и определите коэффициенты функции преобразования измерительного преобразователя вида U = Sx+b по данным, полученным при его градуировке. Постройте графики зависимости абсолютной и относительной погрешности от входной величины х. Варианты 1 – 10
Варианты 11 – 20
Варианты 21 – 30
Примечание. Для определения коэффициентов функции преобразования можно воспользоваться методом наименьших квадратов:
Задача 3. Определение характеристик дополнительной погрешности средства измерений по нормированной функции влияния Для датчика силы, используемого в диапазоне температур от Тmin до Тmax нормирована функция влияния Ψ(t) = S %/°С. Нормальное значение температуры +20°С. Определить предельное значение γtmax , математическое ожидание М(γt ) и среднее квадратическое отклонение σ(γt ) дополнительной погрешности в заданном интервале температуры.
Задача 4. Выбор вольтметра для измерения с наибольшей точностью Выберите из трех имеющихся вольтметр для измерения напряжения в интервале от Umin до Umax с наименьшей относительной погрешностью.
Задача 5. Оценка погрешности средства измерений в рабочих условиях В паспорте электронного милливольтметра указаны следующие нормируемые метрологические характеристики и рабочие условия его применения: - верхний предел измерений 300 мВ; - основная приведенная погрешность прибора – γ,%; - дополнительная погрешность, вызванная отклонением влияющей величины от ее нормального значения, не превышает: 0,6 основной погрешности на каждые 10°С изменения температуры; 0,6 основной погрешности на каждые 10% изменения напряжения питания; 1,0 основной погрешности на 1% изменения частоты питающего напряжения; - рабочие условия эксплуатации милливольтметра: температура окружающей среды от 10 до 35°С; напряжение питания частота питающего напряжения 50±1 Гц; - нормальные условия характеризуются значениями влияющих величин: температуры - 20°С, напряжения питания – 220 В, частоты питающего напряжения 50 Гц. Определить предельную относительную погрешность милливольтметра в рабочих условиях при измерении напряжения U мВ.
Задача 6. Оценка погрешности результата многократных измерений Варианты 1 – 10. При многократном измерении тока получены значения в мА: 98, 100, 97, 101, 99, 102, 103. Определить доверительные границы для истинного значения измеряемой величины с вероятностью Р.
Варианты 11 - 20 При многократном измерении получены отклонения от настроенного размера ΔD в мкм: 0, +1, +2, +3, +1, -1. Определить доверительные границы для истинного значения измеряемой величины с вероятностью Р.
Варианты 21 - 30 При многократном измерении влажности воздуха получены значения 65, 64, 66, 65, 63, 64, 66, 67%. Определить доверительные границы для истинного значения измеряемой величины с вероятностью Р.
Примечания. 1. Результат многократных измерений представить в виде Х - tpn σ(Х) ≤ Х ≤ Х+ tpn σ(Х), Р=0,хх. 2. Значения распределения Стьюдента выберите из таблицы
Задача 7. Оценка погрешности результата косвенных измерений При косвенном измерении мощности в активной нагрузке Р = U²/ R получены значения сопротивления R ±1 Ом, напряжения U±3В. Определите предельные значения абсолютной и относительной погрешности результата измерений мощности. Задачу решите двумя способами: а) сложением (с учетом коэффициентов влияния) относительных погрешностей прямых измерений сопротивления и напряжения, после чего рассчитывается предел абсолютной погрешности результата измерений; б) расчетом предельных значений мощности по уравнению косвенных измерений: Pmax = U²max/Rmin, Pmin = U²min/Rmax, и предела абсолютной погрешности результата измерения ΔP = ±( Pmax – Pmin)/2, после чего определяется относительная погрешность. Сравните полученные двумя способами результаты.
Пример выполнения контрольной работы Задача 1. Для измерительного прибора нормированы характеристики основной погрешности по ГОСТ 8.009-84: предел допускаемых значений систематической составляющей погрешности γс =±1%, предел среднего квадратического отклонения случайной составляющей погрешности σ=0,5%, предел допускаемой вариации Н=1%. Определите границы интервала значений основной погрешности измерительного прибора, в котором она находится с доверительной вероятностью Р=0,95. Для определения доверительных границ основной погрешности применим метод рандомизации в отношении систематической составляющей погрешности и вариации, приняв их случайными величинами с равномерным законом распределения. Тогда γо
= Задача 2. Постройте график и определите коэффициенты функции преобразования измерительного преобразователя вида U=Sx+b по данным, полученным при его градуировке. Постройте графики зависимости абсолютной и относительной погрешности от входной величины х.
Коэффициенты S и b определяем методом наименьших квадратов. Для расчета коэффициентов функции преобразования измерительного преобразователя составляем таблицу
Погрешность измерительного преобразователя (по выходу) определяем, как отклонения значений выходного сигнала в каждой точке диапазона измерений от значений, рассчитанных по функции преобразования:
Для расчета значений погрешностей составляем таблицу
Зависимость абсолютной и относительной погрешности от входной величины х представим графически (относительная погрешность в точке 3 показана условно).
Задача 3. Для датчика силы, используемого в диапазоне температур от Тmin до Тmax нормирована функция влияния Ψ(t) = 0,05 %/°С. Нормальное значение температуры +20°С. Определить предельное значение γtmax , математическое ожидание М(γt ) и среднее квадратическое отклонение σ(γt ) дополнительной погрешности в заданном интервале температуры: Тmin = - 60°С, Тmax = +150°С. Предельное значение дополнительной погрешности в диапазоне температур определяем по формуле γtmax = Ψ(t) (Тmax – Тну) = 0,05(150-20) = 6,5%. Математическое ожидание дополнительной погрешности в диапазоне температур определяем по той же формуле, заменив Тmax значением математического ожидания температуры М(t) = ( Тmax + Тmin)/2 = (150 – 60)/2 = 45°С. М(γt ) = Ψ(t) (М(t) – Тну) = 0,05(45 - 20) = 1,25% Среднее квадратическое отклонение σ(γt ) дополнительной погрешности в заданном интервале температуры определяем по формуле
где D(t) – дисперсия значений температуры в заданном интервале. Приняв температуру в заданном интервале случайной величиной с равномерным законом распределения, определяем D(t) = ( Тmax - Тmin)²/12 = (150 + 60)²/12 = 3675 (°С)². Проведя вычисления, получим
Задача 4. Выберите из трех имеющихся вольтметр для измерения напряжения в интервале от Umin = 24 В до Umax = 28 В с наименьшей относительной погрешностью.
Для вольтметров №1 и №2, класс точности которых нормирован в виде приведенных погрешностей, пределы допускаемой абсолютной погрешности будут постоянны во всем диапазоне измерений: Δ = Для вольтметра №3 относительную погрешность измерения напряжения определим по формуле δ = 0,5 + 0,2 (
Наименьшей относительной погрешностьюпри измерении напряжения в интервале от Umin = 24 В до Umax = 28 В обладает вольтметр №3. Задача 5. В паспорте электронного милливольтметра указаны следующие нормируемые метрологические характеристики и рабочие условия его применения: - верхний предел измерений 300 мВ; - основная приведенная погрешность прибора – γ = 0,2%; - дополнительная погрешность, вызванная отклонением влияющей величины от ее нормального значения, не превышает: 0,6 основной погрешности на каждые 10°С изменения температуры; 0,6 основной погрешности на каждые 10% изменения напряжения питания; 1,0 основной погрешности на 1% изменения частоты питающего напряжения; - рабочие условия эксплуатации милливольтметра: температура окружающей среды от 10 до 35°С; напряжение питания частота питающего напряжения 50±1 Гц; - нормальные условия характеризуются значениями влияющих величин: температуры - 20°С, напряжения питания – 220 В, частоты питающего напряжения 50 Гц. Определить предельную относительную погрешность милливольтметра в рабочих условиях при измерении напряжения 100 мВ. Предельную относительную погрешность милливольтметра в рабочих условиях при измерении напряжения 100 мВ определим как сумму предельных значений основной и дополнительных относительных погрешностей по формуле
Рассчитаем значения составляющих погрешности.
Подставляя расчетные значения, получим
Задача 6. При многократном измерении тока получены значения в мА:10,09; 10,12; 10,15; 10,11; 10,13; 10,08; 10,16. Определить доверительные границы для истинного значения измеряемой величины с вероятностью Р = 0,95 (t= 2,45). За результат измерений принимаем среднее из полученных значений тока: I= 10,12 мА. Среднее квадратическое отклонение результата измерений (среднего) находим по формуле
Доверительные границы погрешности результата измерений Δ = ±tσ = ±2,45∙0,0111≈ ±0,03 мА Доверительные границы для истинного значения измеряемой величины представим в виде: 10,09 ≤ I ≤ 10,15; Р = 0,95. Задача 7. При косвенном измерении мощности в активной нагрузке Р = U²/R получены значения сопротивления R = 200±1Ом, напряжения U = 100±3В. Определить предельные значения абсолютной и относительной погрешности результата измерений мощности. Результат измерений определяем по исходной зависимости
Для оценки погрешности измерения проведем линеаризацию функции: lnР = 2lnU- lnR. Тогда относительная погрешность измерения мощности δР = 2 δU +δR Вычисляем относительную погрешность δР
= ± (2 Абсолютная погрешность результата измерений ΔР
= ± Применим другой способ определения погрешности результата измерений. Абсолютная погрешность результата измерений ΔР
=± ΔР
=± Относительная погрешность δР
=± Полученные двумя способами оценки погрешности идентичны. Лабораторные работы Лабораторная работа №1 Методы ИЗМЕРЕНИя НАПРЯЖЕНИЯ И СИЛЫ ТОКА В ЭЛЕКТРИЧЕСКИХ ЦЕПЯХ Цель работы - изучение основных методов и средств измерения напряжения и силы тока в электрических цепях и получение навыков их практического использования. Измерение - это последовательность экспериментальных и вычислительных операций, осуществляемая с целью нахождения значения физической величины, характеризующей некоторый объект или явление. Измерение завершается оценкой степени достижения цели, то есть определением степени приближения найденного значения к истинному значению величины. По способу получения числового значения измеряемой величины измерения делят на прямые, косвенные, совокупные и совместные. Прямым измерением называется измерение, при котором искомое значение величины находят непосредственно из данных эксперимента. Например, измерение длины линейкой, силы тока и напряжения амперметром и вольтметром соответственно. Косвенными измерениями называют такие измерения, в которых исследуемая величина не измеряется непосредственно, а ее значение вычисляется по определенной математической зависимости, связывающей ее с другими величинами, значения которых получают прямым измерением. Например, определение количества тепла Совокупными измерениями называют измерения нескольких одноименных величин, производимые одновременно, при которых искомые значения величины находят решением системы уравнений, получаемых при прямых измерениях различных сочетаний этих величин. Совместными измерениями называют производимые одновременно измерения двух или нескольких не одноименных величин для нахождения зависимости между ними. Методы прямых измерений можно разделить на две группы: методы непосредственной оценки и методы сравнения с мерой. Метод непосредственной оценки - метод измерений, при котором значение физической величины определяют непосредственно по отсчетному устройству прибора прямого действия. Метод сравнения с мерой - метод измерений, при котором измеряемую величину сравнивают с величиной, воспроизводимой мерой. Например, измерение напряжения постоянного тока путем сравнения с ЭДС нормального элемента. Есть несколько разновидностей метода сравнения с мерой. К ним относятся: a) дифференциальный метод сравнения с мерой, при котором на измерительный прибор воздействует разность между измеряемой и известной величиной, воспроизводимой мерой; b) нулевой метод - метод сравнения с мерой, в котором результирующий эффект воздействия на прибор сравнения доводят до нуля; c) замещения - метод сравнения с мерой, в котором измеряемую величину замещают величиной, воспроизводимой мерой. Ток и напряжение являются наиболее распространенными электрическими величинами, характеризующими режим электрической цепи. Измерители тока и напряжения независимо от их назначения должны при включении не нарушать режима работы цепи измеряемого объекта, обеспечивать малую погрешность измерений, высокую чувствительность и высокую надежность. Измерение напряжения и тока выполняют методами непосредственной оценки и сравнения. Если необходимая точность измерения может быть обеспечена амперметрами и вольтметрами электромеханической группы, то следует предпочесть метод непосредственного отсчета. Если необходимо измерять с более высокой точностью, следует использовать приборы, действие которых основано на методах сравнения. При использовании метода непосредственной оценки амперметр подключают последовательно, а вольтметр - параллельно исследуемому участку цепи. Включение амперметра и вольтметра в исследуемую цепь изменяет измеряемую величину. Это вызвано тем, что сопротивление амперметра не равно нулю, а вольтметра - не равно бесконечности. Схема подключения амперметра при непосредственной оценке показана на рис. 1, где
Рис.1. Схема подключения амперметра при непосредственной оценке Пусть требуется измерить ток в цепи, обладающей сопротивлением нагрузки
После включения амперметра, имеющего внутреннее сопротивление
и амперметр покажет именно это значение тока. Погрешность измерения в этом случае будет обусловлена внутренним сопротивлением амперметра (часто ее называют погрешностью согласования) и равна:
Как видно из приведенной формулы, погрешность измерения будет тем меньше, чем меньше После включения вольтметра (при непосредственной оценке), имеющего внутреннее сопротивление
Рис. 2. Схема подключения вольтметра при непосредственной оценке Если учесть, что напряжение на нагрузочном сопротивлении до подключения вольтметра было
то погрешность измерения будет равна
Погрешность тем меньше, чем больше сопротивление На рис. 3 показана схема нулевого метода измерения напряжения.
Рис. 3. Схема нулевого метода измерения напряжения В этой схеме вольтметр
Если внутреннее сопротивление вольтметра
Схема нулевого метода измерения тока показана на рис. 4.
Рис. 4. Схема нулевого метода измерения тока В схеме осуществляется компенсация измеряемого тока
Порядок выполнения работы 1. Собрать схему рис. 1.
Измерить значение тока в цепи, созданного источником ЭДС Е с внутренним сопротивлением 2. Рассчитать действительное (истинное) значение тока 3. Установить внутреннее сопротивление амперметра RA = 1 Ом и повторить операции по п.п. 2-3. 4. Собрать схему рис. 2. 5. Измерить значение напряжения в цепи. Рассчитать значение напряжения Uр и сравнить с показанием вольтметра. 6. Рассчитать действительное (истинное) значение напряжения Uи и погрешность измерения напряжения γВ . 7. Установить внутреннее сопротивление вольтметра RV = 200 кОм и повторить операции по п.п. 6-7. 8. Собрать схему рис.3.
9. Уравновесить схему резистором 10. Рассчитать погрешность измерения напряжения нулевым методом по формуле
11. Собрать схему рис.4.
12. Уравновесить схему резистором 13. Рассчитать погрешность измерения тока компенсационным методом по формуле
14. Оформить отчет, включающий: наименование работы; цель работы; задание на выполнение работы (вариант); экспериментальную часть (результаты измерений, представленные в виде распечаток схем измерений с включенными приборами); аналитическую часть (расчетные значения измеряемых величин и погрешностей); выводы (оценка результатов выполненной работы). Методы ИЗМЕРЕНИя АКТИВНОГО СОПРОТИВЛЕНИЯ Цель работы - изучение основных методов измерения активных сопротивлений в электрических цепях постоянного тока. В настоящее время диапазон измеряемых значений активных сопротивлений лежит в пределах от 10-10 до 1017 Ом и постоянно расширяется. Для измерений в столь широком диапазоне используют различные методы измерений, позволяющие прямо или косвенно находить значение неизвестных сопротивлений. Выбор того или иного метода измерения зависит как от значения измеряемого сопротивления, так и от требуемой точности. Рассмотрим эти методы. Косвенные методы измерения активного сопротивления Метод амперметра . Данный метод пригоден для измерения сопротивлений не более 103 Ом (рис.1)
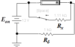
Рис. 1. Метод амперметра Для определения значения * первое - ключ
где * второе - ключ
Зная внутреннее сопротивление амперметра
Метод вольтметра . При измерении сопротивлений порядка от103 до 106 Ом можно воспользоваться данным методом (рис. 2).
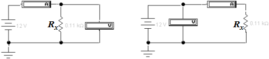
Рис. 2. Метод вольтметра В этом случае также производят два отсчета по вольтметру. Первый отсчет - ключ Второй отсчет - ключ
где Тогда из последнего выражения
При измерениях по методу одного прибора необходимо обеспечить постоянство напряжения опорного источника ЭДС Метод двух приборов (метод амперметра - вольтметра) Данный метод получил широкое распространение. Возможные варианты включения приборов по данному методу показаны на рис. 3.
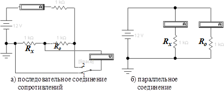
Рис. 3. Метод амперметра - вольтметра При измерении сопротивления по схеме рис.3 а приборы будут показывать:
При измерениях по схеме рис. 3 б приборы будут показывать:
где Значение сопротивления можно определить, используя измеренные значения тока и напряжения, по закону Ома согласно выражению
Однако при этом возникает методическая погрешность измерения сопротивления (то есть погрешность, обусловленная методом измерения) вследствие шунтирующего влияния сопротивления вольтметра при измерении тока в первой схеме (рис. 3а) и влияния внутреннего сопротивления амперметра при измерении напряжения во второй схеме (рис. 3б). Измеренное значение сопротивления по схеме рис. 3а будет определяться выражением
При этом абсолютная погрешность измерения
а относительная погрешность
Из приведенных формул следует, что погрешность тем меньше, чем больше RV , т.е. RV >>Rx . Измеренное значение сопротивления по схеме рис. 3б
Абсолютная погрешность измерения
а относительная погрешность
Отсюда следует, что погрешность тем меньше, чем меньше Таким образом, схему на рис. 3а следует использовать при измерениях малых сопротивлений ( Измерения активного сопротивления методом сравнения с мерой При измерении методом сравнения с мерой измеряемое сопротивление можно включить последовательно (рис. 4,а) или параллельно с образцовым сопротивлением
Рис. 4. Измерение сопротивления методом сравнения с образцовым сопротивлением Образцовое сопротивление
В положении 2 измеряют напряжение
Разделив данные выражения
определим величину
Если сопротивления
Откуда
В этом случае для определения Схема на рис. 4а используется в случае измерения малых значений Мостовая схема измерения сопротивления (нулевой метод измерения) Мостовая схема измерения представляет наибольший интерес вследствие обеспечения высокой точности измерения. Мостовая схема измерения представлена на рис. 5.
Рис. 5. Мостовая схема измерения сопротивления Нулевой метод измерения сопротивления с помощью уравновешенного моста основан на изменении сопротивления
Откуда
Порядок выполнения работы Значения измеряемого сопротивления
1. Собрать схему рис.1 2. Зарегистрировать показания амперметра при замкнутом и разомкнутом положении ключа К. 3. Рассчитать значение сопротивления 4. Вычислить относительную погрешность измерения по формуле
где
5. Собрать схему рис. 2. 6. Зарегистрировать показания вольтметра при замкнутом и разомкнутом положении ключа К. 7. Повторить операции по п.п. 3-4. 8. Собрать схемы рис. 3. 9. Включить схему и записать показания амперметров и вольтметров. 10. Рассчитать значения сопротивлений 11. Собрать схемы рис. 4.
12. Произвести измерение токов и напряжений. 13. Рассчитать значения сопротивлений по формулам, приведенным в описании схем 4а и 4б. 14. Рассчитать погрешности расчета 15. Собрать схему рис. 5. 16. Уравновесить схему резистором 17. Вычислить погрешность расчета 18. Оформить отчет, включающий: наименование работы; цель работы; задание на выполнение работы (вариант); экспериментальную часть (результаты измерений, представленные в виде распечаток схем измерений с включенными приборами); аналитическую часть (расчетные значения измеряемых величин и погрешностей); выводы (оценка результатов выполненной работы). ЛАБОРАТОРНАЯ РАБОТА №3 Методы Измерения емкости, индуктивности, тангенса угла потерь и добротности Цель работы - изучение основных методов измерения емкости, индуктивности, тангенса угла потерь и добротности. Измерение емкости Метод амперметра - вольтметра. Среди косвенных методов наиболее просто измерение емкости и индуктивности возможно методом двух приборов (методом амперметра - вольтметра). Для этого емкость (индуктивность) включают в схему рис. 1а или рис. 1б.
Рис. 1. Метод амперметра – вольтметра Сначала измеряют сопротивление конденсатора (катушки) постоянному току Так как
где Нулевой метод измерения Для измерения емкости и индуктивности прямыми методами наибольшее распространение получили мосты переменного тока. Мостовые схемы измерения емкости с малыми (
Рис. 2. Мостовая схема измерения емкости Мосты относятся к наиболее точным приборам и их погрешности могут составлять тысячные доли процента. Сущность мостового метода измерения заключается в том, что неизвестный конденсатор включают в одно из плеч моста и производят изменение параметров образцовых мер моста
где Если сопротивления Тогда для схемы на рис. 2а можно записать
Откуда Для схемы на рис. 2б получим
Откуда Тангенсом угла потерь Измерение индуктивности мостовым методом аналогично измерению емкости (рис.3).
Рис. 3. Мостовая схема измерения индуктивности Изменением параметров
Тогда Добротность же может быть определена как отношение реактивного сопротивления
На практике образцовые переменные индуктивности изготовить очень трудно, а активные сопротивления катушки довольно велики. Поэтому в основном распространены мостовые схемы измерения индуктивностей (имеющих малую добротность
Поскольку
Откуда
Резонансный метод Резонансные методы измерения нашли широкое распространение за счет простоты. Они используются, как правило, на высоких частотах при последовательной
В случае измерения индуктивности
Рис. 4. Резонансный метод измерения емкости или индуктивности Порядок выполнения работы Значения измеряемого сопротивления
1. Собрать схему рис. 1а: 2. Вместо источника опорного напряжения подключить источник переменного синусоидального напряжения Внимание! Для измерений переменных токов и напряжений переключите амперметр и вольтметр в режим АС. 3. Рассчитать значение неизвестной индуктивности 4. Рассчитать относительную погрешность измерения
где
5. Собрать схему рис. 1б. 6. Повторить п.п. 2 - 5 для емкости. Рассчитать емкость по формуле (1) и тангенс угла потерь конденсатора. 7. Собрать схему рис. 2а: 8. Уравновесить мостовую схему, изменяя 9. Определить 10. Собрать схему рис. 2б. 11. Уравновесить схему, изменяя 12. Рассчитать погрешности измерения 13. Собрать схему рис. 3а: 14. Уравновесить мостовую схему, изменяя 15. Рассчитать погрешность измерения 16. Собрать схему рис. 3б: 17. Уравновесить мостовую схему. Рассчитать значения 18. Собрать схему рис. 4 для измерения 19. Изменяя частоту генератора найти резонансную частоту, соответствующую максимуму показаний вольтметра. Вычислить
20. Рассчитать относительную погрешность в определении 21. Оформить отчет, включающий: наименование работы; цель работы; задание на выполнение работы (вариант); экспериментальную часть (результаты измерений, представленные в виде распечаток схем измерений с включенными приборами); аналитическую часть (расчетные значения измеряемых величин и погрешностей); выводы (оценка результатов выполненной работы). Исследование средств измерений с аддитивной и мультипликативной погрешностью Любой измерительный прибор или измерительный преобразователь можно представить структурной схемой, изображенной на рис. 1.
Рис. 1. Структурная схема измерительного прибора (преобразователя) На рис. 1 через Измерительный прибор (преобразователь) работает в сложных условиях, где могут изменяться такие внешние влияющие факторы, как температура окружающей среды, влажность, напряжение питающей сети и т.д. ( Основная погрешность прибора определяется при градуировке в нормальных условиях. Дополнительная погрешность возникает при отклонении условий эксплуатации прибора от нормальных. По характеру изменения в диапазоне измерений прибора различают аддитивную и мультипликативную погрешности (рис. 2). Если все возникающие в процессе эксплуатации прибора погрешности лежат в границах полосы, изображенной на рис. 2а, то говорят об аддитивной полосе погрешностей, т.е. получаемой путём сложения («погрешность нуля»). В этом случае максимально возможное значение абсолютной погрешности в диапазоне измерений ограничивается постоянным пределом Уравнение функции преобразования прибора для этого случая имеет вид:
Относительная погрешность прибора (преобразователя) по выходу в этом случае равна
где:
Рис. 2. Виды погрешностей по характеру изменения в диапазоне измерений: а) аддитивная полоса погрешностей; б) мультипликативная полоса погрешностей; в) полоса погрешностей при совокупности аддитивной и мультипликативной составляющих Поскольку при изменении
Рис. 3. Вид относительной погрешности прибора: а) при аддитивной полосе; б) при мультипликативной полосе; в) при совокупности аддитивной и мультипликативной составляющих Если положение границ полосы погрешностей имеет вид, показанный на рис. 2б, т.е. ширина полосы возрастает пропорционально входной величине
где Относительная погрешность прибора для этого случая:
следовательно относительная погрешность при мультипликативной полосе погрешности не зависит от измеренной величины и постоянна во всём диапазоне изменений входной величины (рис. 3б). Относительная погрешность в данном случае является наиболее удобной формой для нормирования погрешности прибора. Чаще всего возможен третий случай, когда при
откуда относительная погрешность
где:
В данной лабораторной работе предлагается исследовать средство измерений и определить следующие его характеристики: 1) функцию преобразования (коэффициент преобразования 2) функцию преобразования прибора при воздействии влияющих факторов: · неточности установки нуля прибора; · изменения напряжения питающей сети; · неточности установки нуля прибора и изменения напряжения питающей сети (одновременно). 3) относительные погрешности для трёх режимов исследования прибора. Порядок выполнения лабораторной работы. Для выполнения лабораторной работы следует обратиться на образовательный сервер ПГТА по электронному адресу http://study.pgta.ru и получить схему виртуального прибора (рис. 4.).
1) Снять зависимость выходной величины
Рис. 4. Схема исследования прибора Таблица 1
2) Построить функцию преобразования 3) Нажатием клавиши « 4) Снять зависимость выходной величины 5) Построить функциональную зависимость выходной величины от входной и определить абсолютную погрешность прибора. 6) Построить график зависимости относительной погрешности от входной величины 7) Нажатием клавиши « 8) Снять зависимость выходной величин от входной 9) Построить функциональную зависимость выходной величины от входной и определить максимальную абсолютную погрешность прибора. 10) Построить график зависимости относительной погрешности от входной величины 11) Нажать клавишу « 12) Снять зависимость выходной величины от входной 13) Построить функциональную зависимость выходной величины от входной и определить максимальную абсолютную погрешность прибора. 14) Построить график зависимости относительной погрешности от входной величины 15) Оформить отчет, включающий: наименование работы; цель работы; задание на выполнение работы (вариант); экспериментальную часть (результаты измерений, представленные в виде таблиц); аналитическую часть (расчетные значения и графики); выводы (оценка результатов выполненной работы). Рекомендуемая литература 1. Федеральный Закон от 26.06.2008 №102-ФЗ «Об обеспечении единства измерений» 2. ГОСТ 8.009-84 ГСИ. Нормируемые метрологические характеристики средств измерений 3. ГОСТ 8.401-80 ГСИ. Классы точности средств измерений. Общие требования 4. ГОСТ 8.417-2002 ГСИ. Единицы величин 5. ГОСТ 8.563-96 ГСИ. Методики выполнения измерений 6. РМГ 29-99 ГСИ. Метрология. Основные термины и определения 7. МИ 1317-2004 ГСИ. Результаты и характеристики погрешностей измерений. Формы представления. Способы использования при испытаниях образцов продукции и контроле их параметров 8. Сергеев А.Г., Латышев М.В., Терегеря В.В. Метрология, стандартизация, сертификация. Учебное пособие.- М.: Логос, 2003 9. Радкевич Я.М., Схиртладзе А.Г., Лактионов Б.И. Метрология, стандартизация и сертификация: Учебник для вузов.- М.: Высшая школа, 2006 10. Рыжаков В.В. Метрология, стандартизация, сертификация. Учебное пособие.- Пенза: Изд-во ПТИ, 2002 11. Рыжаков В.В., Ларкин С.Е. Метрология, стандартизация, сертификация. Руководство по выполнению лабораторных работ «Исследование метрологических характеристик измерительных цепей при помощи ElectronicsWorkbench».- Пенза: Изд-во ПГТА, 2008 Приложение Моделирующая программа ElectronicsWorkbench Лабораторные работы выполняются с помощью учебной моделирующей программы ElectronicsWorkbench, имитирующей на экране ПЭВМ монтажный стол с набором компонентов и комплектом измерительных приборов. Размещение компонентов на рабочем поле стола и их соединение друг с другом осуществляются манипулятором «мышь». Режимы измерений задаются органами управления измерительных приборов. Результаты измерений выводятся в виде показаний приборов. Описание внешнего вида окна ElectronicsWorkbench
Рис.1. Внешнийвидокна Electronics Workbench
Большая центральная область - рабочая область окна, где Вы формируете и проверяете схему. Наверху дисплея Вы найдете меню, панели элементов, из которых строится электронная схема и кнопку включения схемы. Инструментальные средства ElectronicsWorkbench подобны реальным инструментальным средствам электроники. Все, что Вы используете для формирования и проверки схемы, легко найти на экране. Вольтметр
Рис. 2. Пиктограмма вольтметра Подсоединяйте вольтметр параллельно точкам, между которыми Вы хотите измерить напряжения. Сторона с более темной рамкой - отрицательный вход. Вы можете использовать неограниченное количество вольтметров. Чтобы установить режим работы вольтметра с открытым или закрытым входом (АС или DC), дважды щелкните на его пиктограмме и выберете режим, который Вы хотите установить. Вольтметр имеет очень высокое внутреннее сопротивление (1МОм), которое не оказывает никакого шунтирующего влияния на схему. Вы можете изменить это сопротивление. Амперметр
Рис. 3. Пиктограмма амперметра Сторона с более темной рамкой - отрицательный контакт. Вы можете использовать сколько угодно амперметров. Вы можете изменить внутреннее сопротивление и режим работы амперметра (АС или DC). Генератор сигналов
Рис. 4. Пиктограмма генератора сигналов Для изменения активного напряжения генератора необходимо дважды нажать на пиктограмму генератора, после чего соответствующим нажатием клавиш можно установить форму сигнала, амплитуду и фазу. Для получения противофазных напряжений средний вывод генератора нужно соединить с общим выводом. Тогда на крайних выводах будут присутствовать противофазные напряжения. Если сигнал нужен однофазный, то крайний левый выход не используется. Генератор выдает значение напряжений Генератор фазных сигналов
Рис. 5. Пиктограмма генератора фазных сигналов Генератор предназначен для получения синусоидального напряжения амплитудой Переменный резистор
Рис. 6. Пиктограмма переменного резистора Переменный резистор предназначен для изменения токов и напряжений схемы путем изменения значений сопротивления от 0 до 100% нажатием клавиши, находящейся в квадратных скобках над резистором, либо этой же клавиши в сочетании с нажатой клавишей Shift, находящейся на клавиатуре (например, как видно из рисунка, необходимо нажать «R»). Изменение параметров возможно, если дважды нажать на пиктограмму переменного резистора. Переключатель
Рис. 7. Пиктограмма переключателя Переключатель предназначен для коммутации сигналов различной формы и амплитуды. Изменить положение переключателя можно с помощью клавиши, название которой находится в квадратных скобках непосредственно над переключателем (например, как видно из рисунка, нужно нажать «Space» (пробел) Наиболее часто используемые элементы ElectronicsWorkbench
Рис. 8. Пиктограммы наиболее часто используемых элементов Формирование схемы 1) Переместить компоненты из панели элементов. 2) Поместить их в область окна. 3) Как только компоненты помещены в рабочую область окна, Вы можете соединить их проводами. Для этого: * поместите стрелку мыши на контакт одного из элементов и нажмите левую кнопку - высветится темный квадрат; * удерживая кнопку, перемещайте мышь - появится провод; * протяните провод на контакт другого компонента. Когда контакт высветится, отпустите кнопку мыши. Провод автоматически соединит два контакта. Чтобы соединить два провода, используйте узел (черная точка в панели элементов). Узел может соединить четыре провода, один на каждой стороне. Чтобы вставлять компонент в провод, переместите его на провод и отпустите кнопку мыши. 4) Использование прибора: 4.1) Переместить пиктограмму прибора к рабочей области окна. 4.2) Присоединить пиктограмму прибора к схеме. 4.3) Щелкнуть на пиктограмме прибора, чтобы увидеть сам прибор. 4.4) Перетащить прибор, зацепив его за заголовок при необходимости (если прибор собой что-либо закрыл). 4.5) Скорректировать средства управления приборами. Органы управления имеют вид реальных органов управления. Каждый прибор различен, но имеются некоторые общие принципы для установки средств управления. Если на приборе имеются кнопки, выберите нужную и активизируйте ее, щелкнув на ней. Изменения значений параметров настройки: * Нажать вверх и вниз по стрелкам около значения. * На некоторых приборах Вы можете напечатать новое значение. Чтобы удалить прибор, переместите пиктограмму обратно к верхней части дисплея (откуда Вы ее взяли). 5) Активизировать схему Как только Вы сформировали схему, ее можно активизировать. Чтобы активизировать схему, нажмите переключатель питания в верхнем правом углу дисплея. Вы можете также активизировать ее, нажав CTRL+G. Когда моделирование закончено, переключатель питания выключается автоматически и результаты теста отображаются на приборах, присоединенных к схеме. Чтобы остановить активацию, нажмите переключатель питания или выберите STOP или Pause из меню CIRCUIT. Изменение параметров элементов схемы Для изменения параметров любого из элементов схемы (резистора, транзистора, диода, операционного усилителя и т.д.) необходимо выполнить на нем двойной щелчок:
|
|||||||||||||||||||||||||||||||||||||||||||||||||||||||||||||||||||||||||||||||||||||||||||||||||||||||||||||||||||||||||||||||||||||||||||||||||||||||||||||||||||||||||||||||||||||||||||||||||||||||||||||||||||||||||||||||||||||||||||||||||||||||||||||||||||||||||||||||||||||||||||||||||||||||||||||||||||||||||||||||||||||||||||||||||||||||||||||||||||||||||||||||||||||||||||||||||||||||||||||||||||||||||||||||||||||||||||||||||||||||||||||||||||||||||||||||||||||||||||||||||||||||||||||||||||||||||||||||||||||||||||||||||||||||||||||||||||||||||||||||||||||||||||||||||||||||||||||||||||||||||||||||||||||||||||||||||||||||||||||||||||||||||||||||||||||||||||||||||||||||||||||||||||||||||||||||||||||||||||||||||||||||||||||||||||||||||||||||||||||||||||||||||||||||||||||||||||||||||||||||||||||||||||||||||||||||||||||||||||||||||||||||||||||||||||||||||||||||||||||||||||||||||||||||||||||||||||||||||||||||||||||||||||||||||||||||||||||||||||||||||||||||||||||||||||||||||||||||||||||||





. Если между случайными составляющими имеется заметная корреляция, принимается ρij
=1 и используется арифметическое суммирование σΣ
=
. Значение К при геометрическом суммировании пределов неисключенных систематических составляющих принимают К = 0,95 для Рд = 0,9, К = 1,1 для Рд = 0,95, К = 1,4 для Рд = 0,99, но можно без больших потерь для точности расчетов принимать и К = 1.



±1,6%

мА.




,



.
.
, 

, 



,

.
,
.
и
.
.
. Затем схему включают в цепь питания переменного синусоидального тока частотой
катушки (
, а
(1)
, (2)
.
.
.
.
.
.
,




,








