Дипломная работа: Технологический процесс изготовления корпуса главного цилиндра гидротормозов ВАЗ 2108
|
Название: Технологический процесс изготовления корпуса главного цилиндра гидротормозов ВАЗ 2108 Раздел: Промышленность, производство Тип: дипломная работа | |||||||||||||||||||||||||||||||||||||||||||||||||||||||||||||||||||||||||||||||||||||||||||||||||||||||||||||||||||||||||||||||||||||||||||||||||||||||||||||||||||||||||||||||||||||||||||||||||||||||||||||||||||||||||||||||||||||||||||||||||||||||||||||||||||||||||||||||||||||||||||||||||||||||||||||||||||||||||||||||||||||||||||||||||||||||||||||||||||||||||||||||||||||||||||||||||||||||||||||||||||||||||||||||||||||||||||||||||||||||||||||||||||||||||||||||||||||||||||||||||||||||||||||||||||||||||||||||||||||||||||||||||||||||||||||||||||||||||||||||||||||||||||||||||||||||||||||||||||||||||||||||||||||||||||||||||||||||||||||||||||||||||||||||||||||||||||||||||||||||||||||||||||||||||||||||||||||||||||||||||||||||||||||||||||||||||||||||||||||||||||||||||||||||||||||||||||||||||||||||||||||||||||||||||||||||||||||||||||||||||||||||||||||||||||||||||||||||||||||||||||||||||||||||||||||||||||||||||||||||||||||||||||||||||||||||||||||||||||||||||||||||||||||||||||||||||||||||||||||||
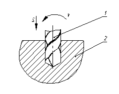
Содержание Реферат Введение Содержание 1. Анализ состояния вопроса 2. Выбор и проектирование заготовки 3. Разработка схем базирования 4. Разработка техмаршрута и плана обработки. Выбор СТО 5. Размерный анализ техпроцесса 6. Научные исследования 7. Патентные исследования 8. Проектирование технологических операций 9. Расчёт и конструирование режущего инструмента 10. Расчёт и проектирование станочного приспособления 11. Расчёт и проектирование контрольного приспособления 12. Проектирование производственного участка 13. Экономическое обоснование усовершенствованной операции 14. Безопасность и экологичность проекта Заключение Литература 1. Реферат Токарев А.В. Технологический процесс изготовления корпуса главного цилиндра гидротормозов ВАЗ 2108. Кафедра "Технология машиностроения" ТГУ; Тольятти 2003, - 109 с, 10 л. формата А1. Ключевые слова: технологический процесс, заготовка, база, маршрут, металлорежущее оборудование, станочное приспособление, инструмент, планировка цеха, экономический расчет, охрана труда. Дипломный проект призван улучшить базовый технологический процесс обработки корпуса гидроцилиндра тормозов. В дипломном проекте проводится анализ исходных данных, анализ технологичности конструкции детали и анализ базового техпроцесса, проводится выбор и расчет заготовки методом размерного анализа, разработка и обоснование технических усовершенствований базового техпроцесса, расчет и проектирование станочного и контрольного приспособлений, инструмента, участка мехоносборочного цеха, оценка экономической эффективности технических предложений по усовершенствованию базового техпроцесса, разрабатываются меры по охране труда и окружающей среды. Введение Машиностроение является важнейшей отраслью промышленности. Ее продукция – машины различного назначения – поставляется всем отраслям народного хозяйства. Рост промышленности, а так же темпы перевооружения новой технологией и техникой в значительной степени зависят от уровня развития машиностроения. Перед технологами – машиностроителями стоят задачи дальнейшего развития и повышения выпуска машин, их качества, снижение трудоемкости, себестоимости и металлоемкости их изготовления, внедрение поточных методов работы. Механизации и автоматизации производства, а так же сокращения сроков подготовки производства новых объектов. Массовый выпуск машин стал возможным в связи с развитием высоко производительных методов производства, а дальнейшее повышение точности, мощности, к.п.д., износостойкости и других показателе работы машин было достигнуто в результате разработки новых технологических методов и процессов. Именно поэтому важно, чтобы на предприятиях массового производства технологические процессы были более совершенными. Отсюда вытекает цель дипломного проекта: совершенствование базового техпроцесса изготовления главного цилиндра гидротормозов автомобиля ВАЗ 2101…07 и приведение его к оптимальному варианту. При этом необходимо стремиться к решению следующих основных задач, которые являются частными комплекса общемашиностроительных задач настоящего времени. 1. Спроектировать заготовку с максимальным коэффициентом использования материала и с минимальной себестоимостью с учетом дальнейшего механической обработки. 2. Разработать технологический процесс обработки корпуса главного цилиндра гидротормозов с использованием достижений науки и техники и отвечающий требованиям технологичности (экономичности, точности, качества и т.д.) 3. Составить оптимальную схему обработки. 4. Провести размерный анализ техпроцесса с целью проверки обеспечения точности. 5. Спроектировать конструкцию инструмента и оснастки, отвечающих требованиям производства. При решении этих задач необходимо прежде всего руководствоваться целесообразностью вводимых изменений с экономической точки зрения. 2. 1. Анализ состояния вопроса 1.1 Назначение и конструкция детали Деталь главный гидроцилиндр тормозов – размещается на корпусе вакуумного усилителя гидротормозов и служит за распределение тормозной жидкости по двум контурам тормозной системы. В корпусе цилиндра располагается цилиндрический поршень и заглушина. Кроме того, на корпусе цилиндра устанавливается подводящие штуцеры, через которые из рабочей камеры поступает тормозная жидкость. Корпус цилиндра гидротормозов отливается из серого чугуна, аналогом которого является СЧ 24-44 по ГОСТ 1412 – 85 (механические свойства чугуна представлены в таблице 1.1) Таблица 1.1 Механические свойства чугуна СЧ24-44 по ГОСТ 1412 -85
Чугунный главный цилиндр прочен, обладает высокой жесткостью конструкции и высокой износостойкостью, что немаловажно, т.к. по зеркалу цилиндра постоянно происходит скольжение поршня. Износ усугубляется наличием агрессивной и очень активной среды – тормозной жидкости. Высокая износостойкость зеркала цилиндра достигается в ходе выполнения техпроцесса. В процессе в различное время вносились изменение раскатка зеркала неоднократно исключалась. Корпус имеет сквозное отверстие Æ Наружняя поверхность имеет очень сложный литейный контур. С правой стороны корпус имеет установочный фланец с 2-мя крепежными отверстиями. Со стороны фланца корпус имеет буртик Æ26-0,5 мм под уплотнительное кольцо. Сверху корпус цилиндра имеет приливы под штуцерные отверстия: 2 отверстие - Æ22±0,05/Æ6 мм, 3 отверстия М10х1,25-6Н. Данные приливы ограничены одной плоскостью (с шероховатостью 1,25 Ra) на расстоянии 27 мм от оси зеркала. Снизу корпус имеет приливы под два штуцерных отверстия М8х1,25 – 6Н. Особенностью литейной поверхности является наличие 2-х базировочных платиков у левого конца цилиндра. 1.2 Классификация поверхностей детали На рис.1.1 представлена нумерация поверхностей детали. Результаты классификации занесем в таблицу 1.2. |
|||||||||||||||||||||||||||||||||||||||||||||||||||||||||||||||||||||||||||||||||||||||||||||||||||||||||||||||||||||||||||||||||||||||||||||||||||||||||||||||||||||||||||||||||||||||||||||||||||||||||||||||||||||||||||||||||||||||||||||||||||||||||||||||||||||||||||||||||||||||||||||||||||||||||||||||||||||||||||||||||||||||||||||||||||||||||||||||||||||||||||||||||||||||||||||||||||||||||||||||||||||||||||||||||||||||||||||||||||||||||||||||||||||||||||||||||||||||||||||||||||||||||||||||||||||||||||||||||||||||||||||||||||||||||||||||||||||||||||||||||||||||||||||||||||||||||||||||||||||||||||||||||||||||||||||||||||||||||||||||||||||||||||||||||||||||||||||||||||||||||||||||||||||||||||||||||||||||||||||||||||||||||||||||||||||||||||||||||||||||||||||||||||||||||||||||||||||||||||||||||||||||||||||||||||||||||||||||||||||||||||||||||||||||||||||||||||||||||||||||||||||||||||||||||||||||||||||||||||||||||||||||||||||||||||||||||||||||||||||||||||||||||||||||||||||||||||||||||||||||
| Вид поверхности | Номер поверхности |
| Основные | 2,3 |
| Вспомогательные | 1,6,9,11,16,19,21,24,26,29,30,31,33 |
| Исполнительные | 1,17,18,23,28 |
| Свободные | 4,5,7,8,10,12,13,14,18,17,20,23,25,27 |
1.3 Технологический контроль чертежа и конструкции детали
Заготовка в базовом варианте техпроцесса выполняется литьем в земляные формы. Материал детали, серый чугун, исключает обработку металла давление, литье в кокиль, литье под давлением, а также использование многих других высокопроизводительных методов литья . Учитывая то, что базовая заготовка имеет только одно сквозное отверстие (зеркала цилиндра), то в целом заготовку можно считать относительно технологичной. Заготовка почти полностью симметрична относительно вертикальной плоскости симметрии которого располагается под углом к основной плоскости симметрии.
Поскольку деталь имеет обрабатываемые поверхности, либо типа отверстие, либо типа плоскость, то скорее всего в дальнейшем техпроцесс будет включать в себя только обработку осевым инструментом. Однако высокие требования по качеству и точности зеркала цилиндра приводят к необходимости поиска специальных, точных методов обработки.
Чертеж детали с конструкторской и технологической точек зрения выполнен на хорошем уровне: представлены основные отклонения размеров и форм. Отклонения линейных размеров выставлены от средних значений. Большинство линейных размеров проставлены от единой базы, что является признаком технологичности конструкторских требований.
В ходе обработки заготовка не однократно устанавливается по двум платикам 8х20 мм у выходного конца цилиндра. Однако, не смотря на их высокуб технологическую роль, на чертеже практически не даны требования по точности исполнения платиков.
Общую технологичность детали можно определить с помощью коэффициентов:
- точности
(1.1)
где
- средняя точность (значение квалитета)
Тi – квалитет i-ой поверхности;
N – число поверхностей данного квалитета.
Тср
= ![]()
Кточн
= 1-
=0,92
- коэффициент шероховатости
Кш
=1-
(1.2)
Где Шср – среднее значение шероховатости Ra, мкм
Шср
=![]()
Кш
= 1
=0,91
В целом коэффициенты говорят о высокой технологичности детали (чем выше Кт и Кш , тем технологичнее деталь).
1.4 Определение типа производства
Можно считать, что тип производства зависит от двух факторов: заданной программы выпуска и трудоемкости изготовления детали. Нередко трудоемкость (при определении заданной программы выпуска рассчитывается такт выпуска, а трудоемкость определятся средним штучным временем Тштср по операциям действующего на производстве или аналогично техпроцесса. Отношение этих величин принято называть, коэффициентом серийности:
Кс
=
(1.3)
Тштср
=![]()
Такт выпуска tв
=
(1.4)
Где Фэр = 4015 ч – эффективный фонд времени работы оборудования;
N=540000 шт/год
Тштср
=
мин
tв
=
0,446 мин
Кс
=
1,7
Коэффициент К1 =1…2 соответствует массовому производству.
1.5 Анализ базового варианта техпроцесса
Корпус цилиндра гидротормозов – деталь не очень точная, но заготовка, получаемая литьем в земляные формы имеет очень большие припуски, особенно на поверхность зеркала цилиндра. В отливке детали можно получить всего только одно отверстие Æ16 мм. Получение других глухих отверстий не технологично, т.к. ведет к удорожанию заготовки. Недостатком отливки является наличие в прессформе стержни Æ16 мм и длинной до 180 мм, Такой стержень неустойчив и не прочен. Это усугубляется тем, что он состоит из двух частей. Увеличение диаметра стержня исключено, поскольку мы имеем очень большой процент брака по качеству отверстия. В поверхностном слое отверстия вокруг стержня при литье образуется адсорбированный слой, насыщенный парами, воздушными раковинами и т.д. Количество брака составляет 15%. Работа над этой проблемой является одним из направлений модернизации техпроцесса.
Получение штуцерных отверстий не вызывает сомнений: техпроцесс их обработки минимален и альтернативы не имеет. Но последовательность обработки зеркала цилиндра далека от оптимального варианта:
- зенкерование предварительное
- зенкерование окончательное
- развертывание
- накатка.
Зенкрование ведется с двух сторон до середины зеркала (или, точнее, до 2-х отверстий Æ3 мм). Ранее в конструкции была предусмотрена канавка под выход этих отверстий в зеркало. Однако, в 1985 году канавка была из конструкции устранена. Ранее по этой канавке проходила граница двух частей отверстия, обрабатываемых двумя разными инструментами. Каждый инструмент образует свою поверхность с уводом оси от номинальной оси. Несоосность двух поверхностей порождает явную ступень, которая ранее из-за наличия в этом месте канавки была явно незаметна. Технологичнее было бы обрабатывать все отверстие одним инструментом. Это существенным образом повысило бы точность получения отверстия.
Анализ двух проблем позволяет предположить важность применения рассверливания и дальнейшего протягивания с одновременным дорнованием. Проблемой в этом случае является слишком большая длина отверстия (для протягивания).
1.6 Задачи проекта. Пути совершенствования техпроцесса
Следует заметить, что при разработке дипломного проекта не ставиться задача коренного изменения существующего базового техпроцесса (хотя это не исключается), если это не диктуется существенными условиями, например, резким увеличением производственной программы. Анализ существующего базового варианта техпроцесса может выявить нам дальнейшее направление модернизации или, даже, нового проектирования всего техпроцесса. В подавляющем большинстве случаев для повышения показателей эффективности техпроцесса или решения существующих проблем достаточно заменить две операции, перехода или изменить структуру техпроцесса.
В анализе базового техпроцесса замечены недостатки – низкое качество отверстия корпуса и низкая точность дальнейшего его получения.
Решение этих проблем и будет одним из основных направлений совершенствования техпроцесса.
2. Выбор и проектирование заготовки
2.1 Выбор способа получения заготовки
Изначально определяем, что заготовку корпуса главного цилиндра гидротормозов можно получить двумя способами: литьем в земляные формы и литьем в металлические армированные формы. Второй способ практически не используется для изготовления отливок из чугуна. Эти методы в одинаковой степени позволяют достичь заданной точности, однако себестоимости получения заготовок будут разными.
Оценку эффективности различных вариантов получения заготовок чаще всего проводят по двум показателям:
а) коэффициенту использования материала заготовки:
Ки
=
(2.1)
где q – масса детали, кг;
Q – масса заготовки, кг.
б) технологической себестоимости изготовления детали. Сюда включается только те статьи затрат, величины которых изменяются при переходе от одного варианта к другому.
На стадии проектирования технологических процессов оптимальный вариант заготовки, если известны массы заготовки и детали, можно определить путем сравнения технологической себестоимости изготовления детали, рассчитанной по формуле:
Ст = Сзаг *Q + Смех *(Q – q) – Сотх (Q –q) (2.2)
где Сзаг – базовая или конкретная стоимость одного кг заготовок, руб/кг.
Смех – стоимость механической обработки, отнесенная к одному кг срезаемой стружки, руб/кг.
Сотх – цена 1 кг отходов, руб/кг.
Смех = Сс + Ен *Ск (2.3)
где Сс – текущие затраты на 1 кг стружки, руб/кг.
Ск – капитальные затраты на 1 кг стружки, руб/кг.
По таблице 3.2 [3] для автомобильного и сельскохозяйственного машиностроения Сс =0,188 руб/кг, Ск = 0,273 руб/кг.
ЕН - нормальный коэффициент эффективности капитальных вложений Ен =0,15
Смех = 0,188+0,15*0,566 = 0,273 руб/кг.
Это значение принимаем и для литья в земляные формы и для литья в армированный кокиль.
Стоимость заготовки, полученной такими методами, как литье в песчаные и металлические формы, с достаточной для стадии проектирования точностью можно определить по формуле
Сзаг = Сотл *Кт *Кс *Кв *Км *Кп (2.4)
где Сотл – базовая стоимость одного кг литых заготовок. Для отливок полученных литьем в земляные и металлические формы Сотл равны Сотл 1 =0,29 руб/кг , Сотл 2 = 0,29 руб/кг.
Кт – коэффициент, учитывающий материал отливок, для отливок из чугуна 2-ого класса точности Кт = 1,03 [3, стр.34].
Км – коэффициент, учитывающий материал отливки; для серого чугуна Км =1,09.
Кс – коэффициент, учитывающий группу сложности, по таблице 3.6[3] 3-я группа сложности; Кс = 1.
Кв – коэффициент, учитывающий объем производства. По таблице 3.9.[3] определяем группу серийности – 4-я. По табл. 3.8 [3] Кп = 1,2
Подставляем все известные значения в формулу 2.4 и получим:
Сзаг 1 = Сзаг 2 = 0,29*1,03*1,09*1,0*1,0*1,2 = 0,36 руб /кг
Рассчитаем технологическую себестоимость изготовления детали, если известно: q = 0,873 кг, Q = 1,35 кг. Сотх = 0,0144 руб/кг.
Ст 1 = Ст 2 = 0,36*1,35+0,273*(1,35-0,873)-0,0144(1,35-0,873) = 0,609 руб.
Стоимость только одной заготовки без учета механической обработки :
Сзаг 1 = Сзаг 2 = 0,36*1,35 = 0,486 руб.
Расчеты проведены в ценах 1985 года.
Для учета ценовой инфляции введем коэффициент к=10. Тогда стоимость заготовки Сзаг = 0,468*10 = 4,86 руб., а стоимость заготовки Сзаг = 6,09 руб.
Расчеты показали одинаковую стоимость получения отливки корпуса. Но мы остановимся на способе получения заготовки литьем в песчаные формы, т.к. этот способ обеспечивает более высокое качество отливки и однородность её структуры.
2.2 Проектирование отливки корпуса главного цилиндра гидротормозов
Проектирование отливки осуществляется по методике изложенной в [4].
Проектирование выполним по следующим этапам:
1. На основании выбранного способа литья по таблице 2.3. [4] определяем класс точности размеров и масс, а также ряд припусков. Для данного способа получения заготовки интервал классов точности размеров и масс с 6 по 11, интервал рядов припусков от 2 до 4.
Принимаем 7-ой класс точности размеров и масс и 2-ой ряд припусков (выбор объясняется требованиями массового производства).
2. По таблице 2.1 [4] исходя их данных таблицы 2.3 получим допуски, которые и сведем в таблицу 2.1
Таблица 2.1 Допуски на размер (7-ой класс)
| Размер, мм | Величина допуска, мм | Размер, мм | Величина допуска, мм |
178,5 50,5 |
1,1 1,0 |
Æ34,7 Æ21 |
0,9 0,8 |
3. По таблице 2.2 [4] выбираем по соответствующему ряду припусков и по допускам на размер сами припуски и занесем их в таблицу 2.2
Таблица 2.2 Припуски на сторону
| Допуск, мм | Припуск на сторону, мм | Допуск, мм | Припуск на сторону, мм |
0,6…0,8 0,8..1,0 |
1,3/1,8 1,4/2,0 |
1,0…1,2 1,2…1,6 |
1,6/2,4 2,0/2,8 |
По таблице 2.4 [4] выберем литейные радиусы, соответствующие данному номинальному размеру:
Номинальный размер, мм до 25 25…50 50…150 150…250 |
Радиус, мм2 3 3,5 4 |
Опираясь на ранее принятые значения принимаем для данной заготовки :
7-7-3-5 ГОСТ26645-85
Определим коэффициент использования материала:
Ки
=
=0,65.
Коэффициент использования материала близок к нормативному по машиностроению Ки = 0,7… 0,85. Столь низкое значение (Ки = 0,65) объясняется увеличенным припуском на отверстие цилиндра в связи с низким качеством адсорбции слоя. Чертеж заготовки представлен на листе в графической части проекта.
3. Разработка схем базирования
Для успешного выполнения технологических операций механической обработки и сборки необходима правильная установка заготовок или деталей. В процессе установки решаются две различные задачи: базирование и закрепление заготовок.
Особое значение вопросы базирования приобретают при обработке заготовок в условиях массового производства с использованием настроенного оборудования.
Разработка схем базирования делится на три основных этапа:
1. Выбор черновых технологических баз.
2. Назначение чистовых технологических баз.
3. Разработка теоретических схем базирования.
При получении черновых технологических баз учитывают те условия, при которых обеспечивается заданная точность при минимуме припусков на обработку.
Это условие выполняется в том случае, если мы используем основные конструкторские базы (в нашем случае торец 3 и пов.2). Однако в нашем техпроцессе эти поверхности выполняются на 10-й операции, поэтому базирование вынуждены вести по единой базе – по наружной поверхности (литой) корпуса. Эта поверхность удовлетворяет требованиям для черновых баз:
- достаточные размеры для закрепления
- используется только на 1-ой операции
- на поверхности отсутствуют приливы, литники, прибыли и т.д.
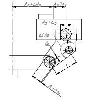
Схема базирования на первой операции представлена на рис.3.1.
Назначение чистовых технологических баз является многовариантной задачей. Оптимальный вариант можно отыскать только на анализе решений технологических размерных цепей. При этом должны соблюдаться принципы единства баз и соответствие конструкторских и технологических баз (по мере возможностей). На деталях типа корпус чистовые базы, как правило, готовят на черновых операциях и чистовые базы соответствуют конструкторским. Базирование по торцу поверхности 3 и по поверхности 2 осуществляется на всех последующих переходах.
Схема базирования на 020 – ой операции представлена на рис.3.2.

Рис. 3.1. Схема базирования на 010-ой операции

Рис. 3.2. Схема базирования на 020-ой операции
4. Разработка технологического маршрута и плана обработки. Выбор СТО
4.1 Разработка технологического маршрута и плана обработки
Согласно базовому техпроцессу изготовления корпуса гидравлических тормозов обработка ведется на автоматической линии "Альфинг" и окончательную обработку проходит на специальном станке "Альфинг": последовательность обработки каждой поверхности приведена в таблице 4.1
Маршрут обработки поверхностей
Таблица 4.1
| № поверхности | Квалитет точности | Шероховатость | Технические требования | Методы обработки | Последовательность операций | Последовательность позиций | Трудоемкость |
1 2 |
7 10 |
0,4 12,5 |
- - |
С,З,Р,НТ,ТЧ |
10,20,40 10 |
610 ,810 ,320 , 520 , 720 3-510 |
3,6 2,2 |
| 3 | 9 | 10 | - | Т,ТЧ | 10 | 3-510 | 2,2 |
| 4 | 10 | 12,5 | - | Т | 10 | 3-510 | 1 |
| 5 | 12 | 12,5 | - | Т | 10 | 3-510 | 1 |
| 6 | 10 | 12,5 | - | Т | 10 | 3-510 | 1 |
| 7 | 13-14 | 50 | - | - | - | - | - |
| 8 | 14 | 50 | - | - | - | - | - |
| 9 | 10 | 12,5 | - | Ф | 10 | 310 | 1 |
| 10 | 10 | 12,5 | - | Т | 10 | 910 | 1 |
| 11 | 8 | 12,5 | - | С,З1 ,З2 | 10 | 310 ,610 , 910 | 2,8 |
| 12 | 8 | 12,5 | - | З1 ,З2 | 10 | 310 ,910 | 1,6 |
| 1 | 2 | 3 | 4 | 5 | 6 | 7 | 8 |
| 13 | 9 | 12,5 | С,З | 10 | 310 ,910 | 2 | |
| 14 | 10 | 12,5 | ^0,05/8,5 | Т | 10 | 3-510 | 1 |
| 15 | 9 | 12,5 | С,З | 10 | 310 ,910 | 2 | |
| 16 | 6 | 5 | Р3 | 10 | 9-1010 | 1,5 | |
| 17 | 10 | 12,5 | С | 10 | 6-810 | 1 | |
| 18 | 10 | 12,5 | С | 10 | 6-810 | 1 | |
| 19 | 10 | 12,5 | Ф | 10 | 310 | 1 | |
| 20 | 10 | 2,5 | Т | 10 | 610 | 1 | |
| 21 | 10 | 12,5 | ^0,05/7,5 | Р3 | 10 | 10-1110 | 1,5 |
| 22 | 6 | 5 | С,З | 10 | 12-1310 | 2,0 | |
| 23 | 10 | 12,5 | С | 10 | 6-1010 | 1 | |
| 24 | 10 | 12,5 | Т | 10 | 3-510 | 1 | |
| 25 | 10 | 12,5 | Т | 10 | 10-1110 | 1 | |
| 26 | 6 | 5 | Р3 | 10 | 12-1310 | 1 | |
| 27 | 10 | 12,5 | З | 20 | 3ого | 0,8 | |
| 28 | 10 | 12,5 | С | 20 | 3ого | 1 | |
| 29 | 9 | 5 | Ф,Фч | 20 | 3,5 | 2,5 | |
| 30 | 6 | 5 | ^0,05/7,5 | Р3 | 20 | 7ого | 1,5 |
| 31 | 10 | 12,5 | З,С | 20 | 3 | 2,0 | |
| 32 | 8 | 5 | Ф,Фч | 20 | 3-5 | 2,5 |
В таблице :
С – сверление;
З –зенкерование;
Р – развертывание;
Н – накатка;
Т – точение;
Тч – точение чистовое;
Ф – фрезерование;
Фч – фрезерование чистовое;
Р3 – резьбонарезание.
Как видно из таблицы наиболее трудоемкая по изготовлению отверстие поверхности 1, а также резьбовое отверстие.
В данном проекте предлагается изменить в базовом процессе последовательность обработки поверхности 1. В место маршрута обработки:
Зенкерование черновое
Зенкерование чистовое
Развертывание
Накатка
В качестве черновой операции использовать рассверливание. Для этого в заготовке необходимо увеличить припуск под черновую обработку на 1,5 мм на сторону. Это ведет к снижению трудоемкости, увеличению производительности за счет интенсификации процессов резания. При этом точность обработки не снижается, т.к. последующие переходы устраняют погрешность от черновой обработки. В следующих разделах эта особенность будет учитываться при размерном анализе (п.5). Назначение и патентные исследования также будет касаться черновой обработки отверстия. Оптимизация конструкции инструмента, методов и режимов обработки позволит получить существенный экономический эффект.
План обработки составляется с учетом требований по [5] с учетом базового техпроцесса. Последовательность обработки следующая:
005 Заготовительная
010 Линейно-автоматная
На данной операции происходит подготовка чистовых технологических баз, обработка черновая отверстия поверхности 1, а также плоскости поверхность 9 и отверстий поверхности 10, 15, 20.
020 Линейно-автоматная
Используя чистовые технологические базы, происходит обработка чистовая отверстия 1, а также плоскости поверхность 29, 32 и крепежных отверстий поверхности 27, 31, 26
040 Накатная
На данной операции происходит отделочная обработка отверстия поверхности 1.
Данная последовательность операций представлена в плане обработки с соответствующими операционными эскизами по операциям и позициям, а также техническими требованиями (см. лист 3).
4.2 Выбор СТО
Оборудование, оснастка (зажимные и контрольный приспособления, режущий инструмент, средства транспортировки детали с операции на операцию и т.д.) должны соответствовать всем требованиям, предъявляемым к детали на данной операции по производительности, точности, мощности и быть экономически обоснованы. Оборудование должно обеспечивать максимальную концентрацию переходов на операции и минимум переустановок.
В качестве оборудования в базовом техпроцессе на 010 , 020 операциях автоматическая линия "Альфинг" с автоматической разгрузкой на конвейер. На отделочной операции (накатной) специальный накатной станок "Альфинг".
В качестве оснастки применяются следующие приспособления и режущие инструменты:
010 операция :
основное приспособление (2 – х кулачковый патрон) спутник; автоматическое устройство для разгрузки деталей; транспортное устройство для спутников; гайковерты для зажима.
По позициям (в следующих порядке: 1 инструмент; 2 оснастка).
3 1. Фреза (резцовая головка) с шестигранными пластинами.
2. Оправка фрезы
4. 1 .Спиральное сверло Æ14 мм;
Комбинированное сверло Æ8,5/12;
Специальные резцы
2. Регулируемые втулки под сверла
5 1. Спиральное сверло Æ6 мм;
комбинированное сверло Æ8,5/12 мм;
Специальные резцы
2. Регулируемые втулки;
инструментальный патрон.
6 1. Спиральное сверло Æ3 мм;
Зенкер Æ14,2 мм;
Спиральное сверло Æ8,6 мм.
2. Регулируемая втулка.
7 1. Зенкер Æ 20 мм;
Спиральное сверло Æ3 мм;
Сверло для глубокого сверления Æ17,5 мм;
2. Регулируемая втулка; плавающий патрон.
8 1. Зенкер;
Специальное сверло для глубокого сверления Æ 17,5 мм;
2. Плавающий патрон.
9 1. Зенкер
2. Регулируемая головка
10 1. Зенкер
Зенкер
Специальный резец
Профильный резец
2. Патрон для зенкера;
инструментальный патрон
11 1. Специальный резец (фасочный)
Специальный резец (для обточки)
Специальный резец (для подрезки торца)
Зенкер
2. Регулируемая втулка;
Инструментальный патрон.
12 1. Метчик М10х1,15
2. Плавающий птарон
13 1. Метчик М10х1,25
Метчик М22Х1,"5
2. Плавающий патрон.
020 операция:
Основное приспособление ;
Спутник;
Автоматическое приспособление для загрузки деталей.
3 1. Зенкер
Резцовая головка с шестигранной платиной.
2. Плавающий апатрон;
Оправка фрезы
4 1. Спиральное сверло Æ6 мм;
Ступенчатое сверло Æ8,5/12;
2. Регулируемые втулка
5 1. Зенкер для цекования
7-8 1. Развертка
10 Метчик
Все инструменты твердосплавные
040 операция
Ролик раскатной
Контрольно – измерительное приспособление:
010 операция
Пробка предельная для контроля размера:
1. Æ17,5±0,2
2. Æ8,5¸8,7
3. Æ3,0¸3,2
4. М10х1,25
5. Æ8,78¸8,92
6. Æ22¸0,05
7. Æ14,2±0,1
8. Æ6±0,1
Калибр с индикатором для контроля листа 90°+2°
Калибр жесткий предельный Æ25,5¸26,0;
Æ31,8¸32,0.
Скоба предельная с регулируемыми тарелками Æ31±0,3.
Пробка резьбовая М22х1,5.
Калибр с индикатором для контроля перпендикулярности и межосевого расстояния.
010 операция:
Пробка предельная Æ8,8±0,2
М8х1,25
Калибр с индикатором для контроля перпендикулярности и межосевого расстояния.
Специальный прибор "Солекс" для контроля Æ19,015¸19,035; стол с пневмоустановкой.
040 операция:
пробка предельная Æ19,035¸19,075
Специальный прибор "Солекс"; стол с пневмоустановкой.
Оборудование, приспособление, инструмент заносятся в маршрутную, операционные карты и в план обработки.
5. Размерный анализ техпроцесса
Задача раздела – используя размерный анализ технологического процесса провести расчет размерных параметров детали в процессе ее изготовления, при этом техпроцесс изготовления корпуса должен гарантировать изготовление качественных деталей и отсутствие брака при их производстве, содержать минимально необходимое число операций и переходов: обеспечить размеры заготовки с минимальными припусками.
Т.к. техпроцесс изготовления корпуса гидротормозов преимущественно содержит переходы, включающие обработку отверстий, расчет размерных цепей проводится только в радиальном направлении по методике, изложенной в [6].
Составляется размерная схема в радиальном направлении (см. лист графической части дипломного проекта).
Составляются уравнения операционных размерных цепей по операциям.
40 - ![]()
20 - ![]()
;
10 - ![]()
![]()
![]()
![]()
![]()
![]()
![]()
Записываем все уравнения размерных цепей в соответствующую графу размерной схемы. Осуществляем проверку для цепей имеющих замыкающими звеньями чертежные размеры детали.
В данном случае это будет уравнение несоосностей:
![]()
Из чертежа [Е1,26] = 0,2
Операционные несоосности: ![]()
![]()
![]()
Тогда
0,2>0,01+0,05+0,05 = 0,11
Данный техпроцесс обеспечивает все необходимые технические требования, т.к. все остальные операционные размеры на финишных операциях совпадают с чертежными и необходимая точность размеров автоматически обеспечивается при совпадении условия Топер £ Тчерт , где Топер и Тчерт допуски на операционный и чертежный размеры соответственно.
Определим минимальные значения операционных припусков по формуле
(5.1)
где Rzi – 1 – шероховатость поверхности на (i – 1)-ой операции; Ti –1 – величина дефектного слоя на этой операции (только для заготовительной операции, т. к. обрабатывается чугун).
Шероховатость по операциям и величину дефектного слоя, полученные на операциях, определяем по таблице приложения 9 [7] в зависимости от метода обработки.
мм;
мм;
мм;
мм;
мм;
мм;
мм;
мм;
мм.
Для припуска z1 10 делается исключение, т. к. на черновой операции зенкерование заменяется более производительным рассверливанием. В дальнейшем z1 min 10 скорректируется с учетом данного замечания.
Полученные минимальные значения припусков заносятся в соответствующую графу размерной схемы.
Определим максимальные значения припусков по формуле
, (5.2)
где wzi – отклонение припуска, мм (поле рассеивания); которое находится по формуле
, (5.3)
где ТАi – отклонения составляющих звеньев, мм (равные операционным допускам).
;
мм;
;
= 0,2 – допуск на ход инструмента;
мм;
;
мм;
;
мм;
![]()
В данном случае
определяется отклонением настройки хода инструмента (
мм);
![]()
мм
;
мм;
– определяется погрешностью хода инструмента (
);
;
мм.
Определим максимальные припуски по переходам:
мм;
мм;
мм;
мм;
мм;
мм;
мм;
мм;
мм.
Хотя размеры определяются в радиальном направлении, когда при числе звеньев больше 4 необходимо вести расчет вероятностным методом для припуска
расчет велся методом максимума-минимума, т. к. для данного припуска составляющие звенья уравнения цепи являются линейными размерами. Припуски заносятся в соответствующую графу размерной схемы.
Теперь определим операционные размеры из уравнений размерных цепей:
1.
;
мм.
![]()
В операционной форме:
.
2. ![]()
(т. к.
мм).
В операционной форме
мм.
3.
. Т. к. число звеньев п>4, определим поле рассеяния вероятностным методом по формуле
(5.3)
где
– коэффициент риска, характеризующий вероятность попадания размеров замыкающего звена в регламентирующие размеры; для риска 0,01% коэффициент
;
– передаточный коэффициент (±1);
– коэффициент рассеивания, выбирается в зависимости от точности обработки;
– поле рассеивания замыкающего звена, мм.
мм.
Тогда
мм
![]()
![]()
![]()
Запись размера в операционной форме
.
4. ![]()
![]()
![]()
Запись размера в операционной форме
.
5. ![]()
![]()
![]()
Запись размера в операционной форме
.
С учетом увеличенного припуска
мм.
6. ![]()
мм
![]()
7. ![]()
![]()
![]()
8. ![]()
![]()
![]()
Запись в операционной форме ![]()
9. ![]()
![]()
![]()
Запись в операционной форме
мм.
10. ![]()
![]()
![]()
.
В результате размерного анализа получены операционные размеры (занесенные в соответствующую графу размерной схемы), позволяющие получить необходимую размерную точность и взаимное расположение поверхностей в ходе выполнения данного техпроцесса.
По сравнению с базовой заготовкой изменились два размера (Щ05 и 2А05 ).
6. Научные исследования
Задача раздела – провести исследование вопроса, связанного с обработкой глубоких отверстий.
Вид исследования – теоретический метод (патентно-литературный обзор).
Цель исследования – повышение стойкости сверла.
Результаты исследований
Таблица 6.1
| Автор(ы) | Название источника и статья | Краткое содержание | Примечание |
| 1. Худобин Л.В.; Мусина Г.Р. | "Вестник машиностроения" №10/97 "Влияние чистоты СОЖ на эффективность обработки заготовок лезвийными инструментами" | В статье описаны опыты по определению влияния очистки СОЖ на стойкость инструмента. Исследования проводились при обработке отверстий в образцах из стали 45 и чугуна СЧ 20. Были последовательно обработаны 75 сквозных отверстий диаметром 16 мм и длиной 50 мм. Эксперименты показали, что при сверлении отверстий в заготовках из чугуна с применением СОЖ с механическими примесями стойкость сверла соответствовала 31 обработанному отверстию. При полном отсутствии примесей стойкость сверла составила 75 отверстий. | Подлежит рассмотрению |
| 2. Соснин Н.А.; Тополянский П.Л.; Ермаков С.Л. | "СТИН" №11/90 "Повышение стойкости деталей машин и инструмента методом плазменно-дугового упрочнения" |
Сущность метода состоит в нанесении износостойкого тонкопленочного покрытия с одновременной плазменной закалкой поверхностного слоя. Покрытие является продуктом плазмохимических реакций веществ, прошедших через дуговой плазмотрон; закалка происходит благодаря локальному воздействию высокотемпературной плазменной струи. Эффект от ПДУ достигается в результате изменения физико-механических свойств поверхностного слоя. При этом уменьшается коэффициент трения, увеличивается микротвердость, создаются напряжения сжатия, залечиваются микродефекты, защита от коррозии. Техпроцесс ПДУ осуществляется в упрочнении обрабатываемой поверхности путем перемещения изделия относительно плазмотрона. Контроль качества ПДУ осуществляют сравнением цветовой гаммы на обработанной поверхности и на эталоне. Испытания показали повышение стойкости в 8 р. | Подлежит |
| 3. А. с. №1144800 МКИ В23В51/02 | Баранчиков В.И. "прогрессивные режущие инструмен- | В теле сверла выполнено отверстие, в котором с помощью припоя закреплена режущая вставка. В качестве припоя выбран медно-титановый припой. Пайка проводится в вакууме. Материал вставки выбирается в зави- | Подлежит |
| ты и режимы резания металлов"; справочник | симости от марки обрабатываемого материала. Режущая вставка повышает стойкость сверла в 6-8 раз по сравнению с известными сверлами. | ||
| 4. Юдковский П.А. | 621.95 Ю167 "Совершенствование режущих свойств сверл из быстрорежущей стали на основеанализа качества поверхностного слоя"; Симпозиум; Вильнюс 1974 |
В данной работе приведены некоторые результаты исследований, имеющих целью изучение закономерностей и повышение режущих свойств сверл из б/р стали. Целью исследований является определение возможных оптимальных условий, при которых поверхностный слой сверл обеспечивал бы наибольшую работоспособность инструмента. | Подлежит |
| 5. Смольников Е.А.; Жилис В.И. | 621.95 Ю167 "Совершенствование режущих свойств сверл"; Симпозиум; Вильнюс 1974 |
В данной работе сопоставлены результаты исследования по стойкости со сверлами без ХТО и со сверлами, подвергнутыми нанесению простых износостойких покрытий на режущие элементы. Установлено, что лучшими вариантами ХТО являются цианирование готовых сверл и обработка паром. | Подлежит |
| 6. Дубровин Е.Ф.; Марченко Д.Г.; Попов И.Я. | 621.95 Д797 "Влияние изоляции термоЭДС на стойкость сверл"; Симпозиум; Вильнюс 1974 |
В работе описаны результаты стойкостных испытаний сверл при сверлении чугуна с разрывом цепи термо-ЭДС и без разрыва. | Подлежит |
| 7. Синельщиков А.К.; Филиппов Г.В. | 621.95 С383 "Конструкция и рациональная эксплуатация сверл с каналами подвода СОЖ" Симпозиум; Вильнюс 1974 |
В работе описаны сверла с каналами для подвода СОЖ. Выводы: 1. использование сверл с каналами для СОЖ значительно повышают стойкость инструмента; 2. процесс обработки протекает без заметного приращения сил резания, что позволяет сохранить запас прочности. |
6.2 Анализ влияния качества поверхностного слоя на стойкость сверл
В работе [8] приведены результаты исследований по изучению повышения режущих свойств сверл из сталей Р6М5 и др.
Анализ влияния многочисленных факторов на износ и стойкость сверл показывает, что последние зависят от состояния поверхностного слоя толщиной 0,1 – 0,6 мм. Целью исследования являлось определение возможных оптимальных условий, при которых указанный слой обеспечивал бы наибольшую работоспособность сверл. Одним из существенных факторов, определяющих состояние поверхностного слоя, является температура в зоне резания.
На рис. 6.1 показан характер распределения температуры по длине режущей кромки сверла. Видно из графиков, что температура от оси инструмента к периферии возрастает, достигая максимума на расстоянии (0,7…0,9) длины режущей кромки и далее снижается.
Рис. 6.1. Кривые распределения температуры по длине режущей кромки сверла (контурная линия – по расчету, штриховая – по результатам измерений)
При измерении температуры на кромках сверл резко выраженное экстремальное значение ее не отмечалось. На участках с y = 0,8…1 происходит стабилизация температуры. Отмеченные явления связаны с улучшением отвода тепла от наиболее нагретых участков сверла в массу инструмента, а также уменьшением разницы в ее температурах на поверхности сверла и изделия. О последнем свидетельствует рассмотрение температурных полей, анализ которых показывает, что выравнивание температуры на передней и задней поверхностях происходит за счет тепловых потоков, направленных в массу сверла.
В связи с тем, что стойкость определяется состоянием рабочих поверхностей особое значение приобретает алмазная доводка. Эффективность доводки определяется ее режимами (скоростью и подачей).
Химический и фазовый анализы поверхностного слоя показали, что после алмазной обработки наряду с уменьшением шероховатости, имеет место увеличение содержания углерода (на 0,08 – 0,12%) с упрочнением поверхностного слоя на глубину до 25 мкм. В результате сложного комплексного воздействия алмазной доводки на состояние поверхностного слоя происходит повышение стойкости в 1,2…1,5 раза.
6.3 Влияние ХТО на стойкость сверл
В работе [9] приведены результаты исследований влияния ХТО на стойкость сверл из быстрорежущей стали. Существует несколько способов повышения износостойкости сверл после их изготовления:
1. Нанесение простых износостойких покрытий на режущие элементы сверла;
2. Нанесение сложных (комплексных) покрытий на режущие элементы сверла;
К первому способу относятся однокомпонентные покрытия: хрома, оксидной пленки, полученной за счет низкотемпературного, высокотемпературного или химического оксидирования; пленки цианидов или титана. Сюда же относится фосфатирование, сульфидирование, обработка медью и дисульфидом молибдена. Ко второму способу относятся многокомпонентные износостойкие пленки (цианирование с последующим воронением в солях и др.). Также повышают стойкость:
– наплавка износостойкого сплава;
– полирование канавок сверла гидроабразивным, электролитическим или химическим способами;
– термомеханическая обработка
– искровое, химическое и механическое упрочнение.
Способ ХТО

1 вариант – без ХТО; 2 вариант – цианирование 12 мин при 560°С; 3 вариант – цианирование 18 мин при 560°С; 4 вариант – цианирование 12 мин при 560°С + воронение в соли ЧС312 в течении 30 мин при 450°С; 5 вариант – цианирование 18 мин при 560°С + воронение в соли ЧС312 в течении 30 мин при 450°С; 6 вариант – воронение в соли ЧС312 в течении 30 мин при 450°С
Рис. 6.2. Влияние способа ХТО на стойкость и удельные износы по задней поверхности при следующих условиях:
а) v = 36,7 м/мин, S = 0,32 мм/об;
б) v = 25,2 м/мин, S = 0,43 мм/об.
На рис. 6.2 приведены результаты испытаний, из которых видно, что наиболее оптимальным вариантом ХТО является цианирование в среднепроцентных ваннах при температуре 560°С с последующим воронением в расплаве солей ЧС-132 при 450°С в течении 30 мин.
Стойкость сверл, подвергнутых ХТО, в 2…2,5 раза выше стойкости сверл без ХТО.
6.4 Влияние изоляции термо-ЭДС на стойкость сверл
В работе [10] приведены результаты сравнительных испытаний сверл при обработке чугунов с разрывом в цепи термо-ЭДС и без разрыва.
Исследование проводилось по схемам, представленным на рис. 6.3 сверлами из стали Р6М5.
Схема 1. изоляция инструмента обеспечивалась склеенной переходной втулкой КМ4-2.
Схема 2. Патрон соединяли со шпинделем станка гибким многожильным проводом (медным)
Схема 3. Заготовку устанавливали в тисках с текстолитовой прокладкой под основание толщиной 1 мм.
Схема 4. Схема установки сверла и заготовки та же, что и в п. 3, но заготовку соединяли гибким многожильным медным проводом со столом станка.
Обрабатывались заготовки из серого чугуна СЧ18-36. Каждая заготовка разделялась на две половины, одна из которых обрабатывалась без разрыва цепи термо-ЭДС, на другой – по схеме с разрывом. Стойкость сверла оценивалась количеством просверленных ими отверстий до затупления.
Сверла диаметром 8 мм испытывались при скорости резания 13,3 м/мин по всем четырем схемам. Отверстия сверлились на глубину 25 мм с подачей S=0,25 мм/об. Основные статистические показатели распределения стойкости сверл показаны в табл. 6.2.
Таблица 6.2 Показатели распределения стойкости
| Схема обработки | Диаметр отверстия, мм | Количество отверстий | Среднеарифметическая стойкость | Дисперсия, s2 | Среднеквадратичное отклонение | Коэфф. относит. стойкости |
1 2 3 4 |
8 8 8 8 |
240 340 285 445 |
40 56,6 47 74 |
160 479 338 1615 |
12,6 21,8 18,3 40,3 |
0,71 1 0,63 1 |
Как видно из табл. 6.2, стойкость сверл при разрыве цепи термо-ЭДС ниже стойкости сверл с замкнутой цепью термо-ЭДС. Стойкость сверл с замкнутой цепью термо-ЭДС выше стойкости сверл с незамкнутой цепью на 30…40%.

Рис. 6.3. Схема обработки: 1 – с изоляцией инструмента и детали; 2, 3 – с замкнутой цепью термо-ЭДС
6.4 Конструкция сверл
В [11] приведена группа сверл с внутренним подводом СОЖ. Такие сверла обладают повышенной стойкостью, т. к. СОЖ, попадая непосредственно в зону резания, эффективнее охлаждает режущие кромки сверла. В [11] также приведены результаты стойкостных испытаний сверл диаметром 12 мм с каналами для подвода СОЖ, в ходе которых было установлено, что стойкость данных сверл значительно выше, чем у стандартных сверл (табл. 6.4).
Таблица 6.4 Результаты испытаний
| № опыта | Сверла с каналами для подвода СОЖ | Сверла стандартной конструкции | ||||
| Стойкость | Количество выводов для очистки от стружки | Стойкость | Количество выводов для очистки от стружки | |||
| Количество отверстий | Время, мин | Количество отверстий | Время, мин | |||
1 2 3 4 5 |
93 156 202 66 173 |
48,5 78 101 33 86,5 |
– – – – – |
14 11 9 19 17 |
7 5,5 4,5 9,5 8,5 |
3 3 3 3 3 |
В [12] показано сверло с канавками для дробления стружки. На режущих кромках сверла по задней поверхности заточены две несимметричные кольцевые канавки, глубины которых постепенно уменьшается от режущей кромки к канавке сверла. При сверлении материалов данными сверлами вся ширина стружки разбивается на отдельные участки, что снижает силы резания и тепловыделение. Стружка легко отводится из зоны резания и не пакетируется в канавках сверла. Это значительно повышает стойкость сверла.
На рис. 6.4 представлена конструкция сверла с центральной режущей вставкой из СТМ (а. с. №1144800, МКИ В23 В51/02). В теле 1 выполнено центральное отверстие, в котором с помощью припоя закреплена режущая пластина – вставка 2. В качестве припоя применен медно-титановый припой, содержащий 25–30 массовых частей титана и 2-3 масс. ч. олова. Пайку проводят в вакууме без предварительной металлизации. Материал вставки выбирают в зависимости от марки обрабатываемого материала (для конструкционных сталей – из поликристаллического нитрида бора). Режущая вставка повышает стойкость сверла в 6…8 раз.
Выводы по разделу.
Следует применить сверло с внутренним подводом СОЖ, вставкой из СТМ, с разделительной канавкой по задней поверхности, с ХТО канавок сверла, с замыканием цепи термо-ЭДС, с алмазной доводкой рабочих поверхностей, гарантирующих повышение суммарной стойкости в 8…12 раз.

Рис. 6.3. Схема сверла с режущей вставкой из СТМ
7. Патентные исследования
Задача раздела – исследовать достигнутый уровень развития техники по отношению к выбранному прогрессивному техническому решению и провести экспертизу на патентную чистоту стран проверки Великобритания, Япония, Россия.
7.1 Введение. Обоснование необходимости проведения патентных исследований
Использовать усовершенствованное сверло на территории России можно только в том случае, если оно обладает патентной чистотой в отношении РФ, т.е. если ни одно из входящих в него технических решений (ТР) не подпадает под действие патента, выданного в РФ. Выяснить это можно в результате проверки усовершенствованного сверла на патентную чистоту в отношении РФ, а также Японии и Великобритании.
7.2 Описание объекта
Спиральное сверло, рис. 7.1 из быстрорежущей стали Р6М5 состоит из рабочей части 1, хвостовика 2 и шейки 3. На рабочей части сверла образованы две спиральные канавки 4. Рабочая часть включает режущую 5 и цилиндрическую 6 части с двумя ленточками 7. Режущая часть содержит две режущие кромки, образованные пересечением передней 9 и задней 10 поверхностей, а также перемычку 11. Хвостовик с лапкой 12 служит для закрепления сверла.
Сверло работает следующим образом.
Сверлу 1 сообщается вращение со скоростью v и продольная подача S, в результате чего происходит обработка отверстия.


Рис. 7.1. Эскиз объекта
Недостаток данного сверла – затрудненный отвод стружки, подвод СОЖ и низкая стойкость инструмента.
7.3 Первая стадия исследования
Формирование программы исследования
Цель – формирование программы исследования достигнутого уровня развития вида техники "Сверло спиральное", патентной чистоты, обеспечить достаточную полноту и достоверность исследования при минимальных затратах на его проведение.
А) Оценка исходных условий
Формулировка цели патентного исследования:
1) Усовершенствовать сверло путем устранения недостатков, отмеченных в описании объекта, п. 7.2
2) Установить возможность использования усовершенствованного сверла путем патентной чистоты.
Исследования проводятся по фондам кабинета патентоведения кафедры "Технология машиностроения".
Исследования будем вести только в отношении изобретений, т. к. только в них могут содержаться прогрессивные ТР.
Производство массовое. Стоимость сверла относительно низкая.
Б) Выбор ТР, подлежащих исследованию (ИТР)
Сверло спиральное характеризующееся конструктивными признаками – наличием элементов, их формой, материалом, размерами, взаимным расположением, взаимосвязью.
Признаки способа и вещества отсутствуют. Следовательно, как объект изобретения сверло представляет собой устройство.
Сверло спиральное содержит следующие ТР:
1) Сверло спиральное – общая компоновка;
2) Сверло спиральное – форма режущей части;
3) Материал режущей части;
4) Способ изготовления.
Для исследования уровня техники будем использовать ТР "Сверло спиральное – общая компоновка".
При экспертизе патентной чистоты оставляем в перечне для проверки все ТР, т. к. они являются важными для объекта.
"Сверло спиральное – общая компоновка" представляет интерес для исследования, т. к. различные конструкции спирального сверла постоянно патентуются в странах проверки.
Остальные ТР известны давно ("Сверло спиральное – форма режущей части", "Материал режущей части", "Способ изготовления"), поэтому проверке на патентную чистоту не подлежат.
Таким образом, для исследования выбираем ТР "Сверло спиральное – общая компоновка".
В) Выбор комплектующих изделий, подлежащих проверке на патентную чистоту.
Сверло спиральное не содержит комплектующих изделий.
Г) Определение и подбор технической документации на объект.
Документация, находящаяся в кабинете патентоведения МФ ТГУ.
Д) Составление регламента поиска.
Необходимо определить перечень классификационных индексов ИТР, минимальные ретроспективность, широту поиска, перечень источников информации, обеспечивающих достаточную полноту и достоверность исследования уровня вида техники и патентной чистоты.
По указателю МКИ для ключевого слова "сверло спиральное" уточняем рубрику МКИ:
В23 В51/02 – спиральные сверла.
Индекс УДК определяем по указателю УДК:
Объект – "Сверло спиральное – общая компоновка"
Вид исследований – 1) исследование уровня вида техники; 2) исследование патентной чистоты
Таблица 7.1 Регламент поиска
| Предмет поиска (ИТР) | Страна поиска |
Индексы МКИ и УДК |
Глубина поиска, лет |
Источники информации |
| 1. Сверло спиральное общая компоновка | РФ (СССР), Великобритания, ФРГ, США, Франция, Япония |
МКИ B23 В51/02 УДК 621.951.45 |
15 |
Патентные бюллетени РФ (СССР) Реферативный сборник "Изобретения стран мира" Реферативный журнал 14А. "Станки и инструмент". Журналы: " Вестник машиностроения", "Машиностроитель", "Станки и инструмент", "Изобретатель и рационализатор". Книги и работы в области обработки резанием. Рекламные проспекты фирм. Описания к авторским свидетельствам и патентам |
| 2. Сверло спиральное общая компоновка | РФ (СССР) Великобритания ФРГ |
20 20 20 |
621.9 – обработка резанием;
621.9.02 – режущие инструменты;
621.95 – сверлильные работы;
621.951.45 – спиральные сверла.
При исследовании уровня устанавливаем глубину поиска 10 лет, исходя из того, что в этот период были созданы прогрессивные ТР.
При исследовании патентной чистоты в соответствии со сроками действия патентов в странах проверки, устанавливаем глубину поиска 20 лет.
При исследовании уровня принимаем во внимание все указанные данные из табл. 1. При исследовании патентной чистоты будем принимать во внимание только сведения о патентах стран проверки.
7.4 Патентный поиск
А) Поиск материалов, имеющих отношение к объекту.
Будем проводить тематический поиск. Сведения о ТР, имеющих отношение к ИТР "сверло спиральное – общая компоновка" заносим в табл. 5 и 6, графы 1–4. Все отобранные патенты считаем действительными.
Б) Детальный анализ отобранных материалов
Задача данного этапа – путем сопоставления признаков ИТР "Сверло спиральное – общая компоновка" и отобранных ранее ТР установить:
1) Наиболее прогрессивное ТР;
2) Обладает ли усовершенствованное сверло патентной чистотой.
Выявляем существенные признаки ИТР "Сверло спиральное – общая компоновка" и группируем их. Выявленные и сгруппированные признаки заносятся в табл. 7.3.
Наличие признака в каждом аналоге отмечаем знаком "+", отсутствие "–"
Таблица 7.2. Патентная документация, отобранная для анализа
Предмет поиска (ИТР) |
Страна выдачи, вид и номер охранного документа, классификационный индекс | Автор, заявитель, страна, дата приоритета, дата публикации, название | Сущность технического решения и цель его создания | Подлежит (не подлежит) детальному анализу | |
| достигнутого уровня | патентной чистоты | ||||
| Сверло спиральное | СССР, а/с 15990111 МКИ В23 В51/02 УДК 621.951.45 |
В. П. Астахов, одесский политехнический институт, СССР, 26.06.86 Сверло спиральное с отверстиями для подвода СОЖ |
Сверло спиральное, содержащее рабочую часть с двумя режущими кромками, образованными пересечением передних и задних поверхностей и с перемычкой, включающей в себя режущую и цилиндрическую части, отличающееся тем, что с целью улучшения подвода СОЖ в рабочей части и хвостовике сверла выполнены отверстия для подвода СОЖ (рис. 7.2) | Подлежит | Подлежит |
| Сверло спиральное | СССР, а/с 16856228 МКИ В23 В51/02 УДК 621.951.45 |
Л. А. Фомин, СССР, 23.10 87 Сверло спиральное с круглой спиралью |
Сверло, содержащее хвостовик и рабочую часть, на которой формообразованы две спиральные канавки с круглой спиралью, отличающееся тем, что на рабочей части сверла образованы стружколоматели и транспортирующие части, которые позволяют увеличить производительность за счет избегания вывода сверл, а также повысить подачу и стойкость по сравнению со стандартными сверлами в 1,5…2 раза (рис.7.3) | Подлежит | Подлежит |
| Сверло спиральное | СССР, а/с 17735831, МКИ В23 В51/02 |
М. С. Ильин, Д. Н. Кноур Научно-производственное объединение по технологии машиностроения "УНИИТМАТ", СССР, 07.11.88. Сверло спиральное двухстороннего резания |
Сверло, содержащее рабочую часть, состоящую из режущей и цилиндрической частейпричем режущая часть имеет главные, вспомогательные ии поперечную режущие кромки, отличающиеся тем, что с целью улучшения стружкоотвода и подвода СОЖ на главных режущих выполнены каналы для отвода СОЖ и стружки (рис. 7.4) | Подлежит | Подлежит |
| Сверло спиральное | СССР, а/с 16733008 МКИ В23 В51/02 УДК 621.951.45 |
Д. Ф. Бабанов, П. Д. Яковлев; Ленинградский механический институт, СССР, 30.08.86 Сверло четырехленточное |
Сверло, содержащее цилиндрическую и рабочую часть, на которой формообразованы две спиральные канавки, отличающееся тем, что с целью повышения жесткости на цилиндрической части выполнены четыре ленточки, в результате чего стойкость инструмента повышается в 1,5…2 раза (рис. 7.5) | Подлежит | Подлежит |
| Сверло спиральное | Япония, заявка №63-306813 МКИ В23 В51/02 УДК 621.951.45 |
Япония, 88.12.14 Сверхтвердое сверло |
Сверло содержит сверхтвердую пластину, парипаянную в выемке на конце сверла. В теле выполняют отверстия для подачи СОЖ. Отверстие проходит от конца хвостовика до дна выемки. Отстойник выполнен на задней части пластины, а от отстойника до режущей части проходят канавки для подачи СОЖ, при этом повышается надежность и производительность, стойкость за счет сверхтвердой режущей пластины и эффективного охлаждения (рис. 7.6) | Подлежит | Подлежит |
| Сверло спиральное | Англия МКИ В23 В51/02 УДК 621.951.45 |
Фирма KruppWidia, Англия, РЖ–93 Сверла Faster hole milling //Mater.+Manuf. |
Фирма KruppWidia выпустила новую серию сборных сверл, оснащенных сменными твердосплавными пластинами. Диапазон диаметров 15…25 мм. Глубина сверления до 3,5 диаметров. Специальные режущие пластины имеют отрицательно-положительную геометрию режущих кромок, что гарантирует эффективный стружкоотвод, даже при вертикальном сверлении с предельной глубиной. Режущие пластины имеют плазменное износостойкое покрытие. | Подлежит | Подлежит |
Таблица 7.3 Существенные признаки ИТР "Сверло спиральное – общая компоновка" и его аналогов
| Группа | Признаки ТР | ИТР | Аналоги | ||||
Япония 63 – 30.683 |
СССР А/с 159900111 |
СССР А/с 16856228 |
СССР А/с 17735831 |
СССР А/с 16733003 |
|||
| а | Элементы: | ||||||
| 1. Хвостовик | + | + | + | + | + | + | |
| 2. Винтовые канавки | + | + | + | + | + | + | |
| 3. Перемычка | + | + | + | + | + | + | |
| 4. Главные режущие кромки | + | + | + | + | + | + | |
| 5. Вспомогательные режущие кромки | + | + | + | + | + | + | |
| 6. Лапка | + | + | + | – | – | – | |
| 7. Шейка | + | – | – | – | – | – | |
| 8. Резьбовой хвостовик | + | – | – | – | – | – | |
| б | Форма элементов | ||||||
| 1. Главные режущие кромки с продольными канавками | – | – | – | – | + | – | |
| 2. Стужколомающие и транспортирующие канавки | – | – | – | + | – | – | |
| 3. Спиральные каналы для подачи СОЖ | – | – | + | – | – | – | |
| 4. Четырехленточная рабочая часть | – | – | – | – | – | + | |
| 5. Хвостовик с резьбой | + | – | – | – | + | – | |
| 6. Прерывистая режущая кромка | + | – | – | – | – | – | |
| 7. Подточенная перемычка | + | – | – | – | – | – | |
| в | Взаимное расположение | ||||||
| 1. Отстойник для СОЖ на задней части режущей пластины | – | + | – | – | – | – | |
| 2. Внутренние каналы для подвода СОЖ | + | + | + | – | + | – | |
| д | Материалы | ||||||
| 1. Режущие пластины из сверхтвердого материала | + | + | – | – | – | – | |
| 2. Канавки, обработанные ХТО | + | – | – | – | – | – | |
Таблица 7.4 Оценка преимуществ и недостатков аналогов
| Показатели положительного эффекта | ИТР | Аналоги | |||||
СССР А/с 16856228 |
СССР А/с 16856228 |
СССР А/с 17735831 |
СССР А/с 16733003 |
Япония 63 – 30.683 |
Англия | ||
| а) Показатели, обеспечивающие достижение цели усовершенствования | |||||||
| Лучший подвод СОЖ | 0 | 3 | 2 | 4 | 2 | 3 | 2 |
| б) Показатели, косвенно содействующие достижению цели | |||||||
| Лучший стружкоотвод | 0 | 2 | 4 | 3 | 2 | 2 | 4 |
| в) Показатели, улучшающие полезные свойства объекта | |||||||
| 1. Повышение производительности обработки | 0 | 2 | 3 | 3 | 2 | 4 | 3 |
| 2. Повышение качества обработки | 0 | 2 | 2 | 2 | 2 | 2 | 2 |
| г) Показатели, ослабляющие вредные свойства объекта | |||||||
| 1. Увеличение стойкости инструмента | 0 | 2 | 2 | 2 | 3 | 4 | 3 |
| Суммарный положительный эффект | 0 | 11 | 13 | 14 | 11 | 15 | 14 |

Рис. 7.2. Эскиз к а. с. 15990111

Рис. 7.3. Эскиз к а. с. 16856228

Рис.7.4. Эскиз к а. с. 17735831

Рис. 7.5. Эскиз к а. с. 16733008

Рис. 7.6. Эскиз к заявке №63-306813
Определение показателей положительного эффекта (при исследовании достигнутого уровня:
– показатели, обеспечивающие достижение цели усовершенствованного объекта: лучший подвод СОЖ;
– показатели, косвенно содействующие достижению цели: лучший стружкоотвод;
– показатели, не влияющие на достижение цели, но усиливающие полезные свойства объекта: повышение производительности обработки и качества обработки;
– показатели, не влияющие на достижение цели, но ослабляющие свойства объекта: увеличение стойкости инструмента.
Проводим сопоставительный анализ преимуществ и недостатков ИТР и аналогов (при исследовании достигнутого уровня).
Оцениваем обеспечение каждого показателя положительного эффекта каждым аналогом в баллах (от 2 до 5). ИТР по каждому показателю выставляем оценку 0. Заносим оценки в графы 3 – 9 табл. 7.4. Сумму баллов каждого аналога заносим в нижнюю строку. Видим, что наибольшую сумму баллов имеет аналог "Сверхтвердое сверло" по заявке №63-306813 Япония. Следовательно, данное ТР является наиболее прогрессивным.
Сопоставляя существенные признаки ИТР, графа 3 табл. 7.3, с признаками аналога графа 4 табл. 7.3. Из сопоставления видно, что новыми признаками являются:
– прерывистая режущая кромка;
– подточенная перемычка;
– хвостовик с резьбой;
– канавки, подвергнутые ХТО.
7.5 Выводы и результаты
1) Наиболее прогрессивным ТР считается "Сверхтвердое сверло" по заявке №63-306813, Япония.
2) Прогрессивное сверло обладает патентной чистотой по СССР (РФ) и Великобритании. По отношению к Японии прогрессивное сверло не обладает патентной чистотой.
В результате работы было установлено, что усовершенствованное сверло целесообразно использовать в производстве, учитывая его высокие технологические показатели. Также установили, что усовершенствованное сверло обладает патентной в отношении стран проверки (за исключением Японии) и, следовательно, возможен экспорт данного сверла в эти страны (Великобритания).
8. Проектирование технологических операций
Задача раздела – назначить режимы резания на все переходы по операциям и провести расчёт норм времени.
8.1 Расчёт режимов резания
Проведём аналитический расчёт режимов резания на наладочные операции, затем скорректируем полученные значения режимов резания с базовым технологическим процессом и тактом выпуска (такт выпуска tв = 0,446 мин).
Расчёт режимов резания ведём по методике, изложенной в [13].
Расчёт режимов резания на VII позицию 010 операции для рассверливания.
Глубина резания равна половине припуска под черновую обработку (из п.5).
(8.1)
Подачу выбираем по []
So = 0,4 мм/об
Скорость резания определяется по формуле
(8.2)
где Cv , q , m , x , y – коэффициент и показатель степени определяемые условиями обработки [13 с. 278]
Cv = 17,1; q = 0,25; m = 0,125; y = 0,4; x = 0,1
T – стойкость, мин; для автоматической линии принимаем равной T = 240 мин.
Kv – поправочный коэффициент, учитывающий фактические условия резания
(8.3)
где Kmv – коэффициент на обрабатываемый материал,
Kuv – коэффициент на инструментальный материал,
Klv – коэффициент, учитывающий глубину сверления (т.к. l = 5,5 D» 6D; Klv = 0,7)
(8.4)
HB – твёрдость обрабатываемого материала; nv – показатель степени, определяемый по методу обработки и инструментальному материалу.
![]()
Общий коэффициент:
Kv = 0,87×1,1×0,7 = 0,67
Скорость резания
![]()
Определим число оборотов шпинделя
(8.5)
Фактическая скорость резания
![]()
Определим осевую силу и крутящий момент:
(8.6)
![]()
где См и Сp – коэффициенты по [13 с. 280] См = 0,196; Ср = 46; значения показателей степени для Ро x = 1,0; y = 0,4; для Мкр – q=0,85; x = 0,8; y = 0,7
коэффициент Кр
= Кмр
= ![]()
Тогда
Ро = 10 × 46 × 2,251,0 × 0,40,4 × 1,12 = 803 Н
Мкр = 10 × 0,196 × 170,85 × 2,250,8 × 0,40,7 × 1,12 = 21 Н×м
мощность резания
(8.7)
![]()
Расчёт режимов резания на фрезерование плоскости по III позиции 010 операции:
t = z = 1,5 мм
подача на зуб фрезы 0,15 мм/зуб,
тогда на оборот фрезы с 22 зубьями
So = 0,15 × 22 × 3,3 мм/об
Скорость резания (окружная скорость фрезы)
(8.8)
где Cv , q, m, x, y, u, p – коэффициент и показатели степени, определяемые условиями обработки
В – ширина фрезерования (в данном случае В = 35 мм)
Z – количество зубьев фрезы, Z = 22
Kv – поправочный коэффициент
(8.9)
где Knv – поправочный коэффициент, учитывающий состояние поверхности заготовки. Knv = 0,85 (для отливки с нормальной коркой)
Kм v и Kuv –такие же, как для сверления
Kv = 0,87 × 1,1 × 0,85 = 0,74
Сv = 445; q = 0,2; x = 0,15; y = 0,35; u = 0,2; p = 0; m = 0,32
![]()
число оборотов шпинделя:
![]()
мощность резания:
(8.10)
где PZ – главная составляющая силы резания –
(8.11)
где CP = 54,5; x = 0,9; y = 0,74; u = 1,0; q = 1,0; w = 0 – показатели и коэффициент, зависящие от условий обработки;
n – частота вращения фрезы об/мин,
тогда окружная сила
![]()
крутящий момент на шпинделе:
(8.12)
где в – диаметр фрезы, мм;
![]()
тогда мощность
![]()
Расчёт режимов резания на XII позицию 010 операции – нарезание резьбы М 22´1,5.
Глубина резания равна высоте зубьев резьбы t = 0,95 мм;
Подача равна шагу резьбы S = 1,5 мм/об
Скорость резания при нарезании резьбы метчиками:
(8.13)
где СV = 64,8; m = 0,9; y = 0,5
(8.14)
где KTV – коэффициент, учитывающий точность резьбы; KTV = 0,8
KMV = 0,5; KUV = 1,0; KV = 0,40
![]()
число оборотов
![]()
тангенциальная составляющая силы резания (крутящий момент)
(8.15)
где P – шаг резьбы, мм; CM = 0,013; y = 1,5; q = 1,4; KP = 1,5
тогда крутящий момент
MKP = 0,013 × 10 × 221,4 × 1,251,8 × 1,5 = 20,6 Н×м
Мощность резания при нарезании резьбы метчиками
(8.16)
![]()
На остальные операции (однотипные, рассчитанные выше) режимы резания назначаются по [14] и приводятся ниже:
Позиция IV 010 операции:
Сверление Æ 14; t = 7 мм
So = 0,14 об/мин (Sмин = 45 м/мин)
v = 14 м/мин
n = 320 об/мин
Сверление Æ 8,5/12 t = 425 мм
So = 0,1 мм/об
v = 12,1 м/мин
n = 450 об/мин
обтачивание: t = 1,5 мм
So = 0,2 мм/об
v = 30 × 86 м/мин
n = 325 об/мин
V позиция:
Сверление Æ 6: t = 3 мм
So = 0,1 мм/об
v = 12 м/мин
n = 640 об/мин
комбинированное сверление Æ 8,5/12 (см. поз. IV)
Обтачивание: t = 0,5 мм
So = 0,1 мм/об
v = 52 м/мин
n = 450 об/мин
VI позиция:
Сверление Æ 3: t = 1,5 мм
So = 0,048 мм/об
v = 12 м/мин
n = 1270 об/мин
зенкерование: Æ 14,2 t = 1,5 мм
So = 0,19 мм/об
v = 14,5 м/мин
n = 320 об/мин
сверление Æ 8,6 (см. поз. IV)
VII зенкерование: So = 0,06 мм/об
v = 14,5 м/мин
n = 970 об/мин
сверление: So = 0,048 мм/об
v = 12 м/мин
n = 1270 об/мин
В базовом варианте:
Зенкерование: So = 0,25 мм/об
v = 60 м/мин
n = 1000 об/мин
Основное время ![]()
VIII зенкерование: Sмин = 44 мм/мин
V = 14 об/мин
IXзенкерование: S = 75 мм/мин
V = 16 м/мин
X зенкерование: S1 = 48 мм/мин
V2 = 20,5 м/мин
S1 = 48 мм/мин
V2 = 23 м/мин
Обтачивание: S = 16,3 мм/мин
V = 22 м/мин
XI позиция
Обтачивание: Sмин = 45 мм/мин
V = 31,5 - 46 м/мин
Зенкерование: Sмин = 48 мм/мин
V2 = 14 - 20,5 м/мин
XII нарезание резьбы М12 ´ 1,25: Sмин = 200 мм/мин
V = 5 м/мин
Режимы резания на 020 и 040 операции сведены в табл. 8.1
Сводная таблица режимов резания
Табл.8.1
№ операции |
№ позиции |
Содержание перехода |
V, м/мин |
Sмин , мм/мин |
| 020 | III | зенкерование | 63 | 300 |
| –– | фрезерование | 65 | 430 | |
| IV | сверление (1 и 2 фазы) | 15 | 85 | |
| –– | комбинирован. сверление | 15/11 | 85 | |
| V | зенкерование | 63 | 300 | |
| –– | цекование | 26 | 58 | |
| VII – VIII | развёртывание | 66 | 300 | |
| X | нарезание резьбы | 5 | 200 | |
| 040 | –– | раскатка | 60 | 460 |
8.2 Нормирование операций
Так как обработка ведётся в массовом производстве на автоматической линии, операционное время на каждой позиции должно быть синхронизировано с тактом выпуска, равным tв = 0,446 мин.
Определим операционное время по позициям на 010 операции, на каждой позиции выявим имитирующий переход и скорректируем его операционное время с tв .
III позиция:
формула для расчёта операционного времени:
(8.17)
где L – длина рабочего хода (складывается из длины обрабатываемой поверхности, перебега и врезания режущего инструмента)
![]()
IV: ![]()
![]()
V: ![]()
![]()
VI:![]()
![]()
VII:![]()
![]()
![]()
VIII: ![]()
IX: ![]()
X: ![]()
![]()
XI:![]()
![]()
XII:![]()
![]()
Как видно из расчётов, время лимитирующей обработки с 0,37 мин на VII позиции снизилось до 0,35 мин.
Время штучное на операцию будет определяться:
(8.18)
где ТВ – время, затрачиваемое на перемещение конвейера на шаг, мин. Если шаг конвейера S = 1,5 м; а скорость движения равна V = 25 м/мин,
тогда ТВ = 1,5 / 25 = 0,06 мин
ТТЕХ – время на организационно техническое обслуживание
ТТЕХ = ТО ×tСМ / T(8.19)
где tСМ – время на смену инструмента, мин;
Т – стойкость инструмента, мин;
тогда для поз. VI для наладки из 5 инструментов: tСМ = 0,3 × 5 = 1,5 мин
ТТЕХ = 0,36 × 1,5 / 240 = 0,04 мин
ТОБР – время на организационное обслуживание
ТОРГ = ТОП × П / 100 (8.20)
где П – доля от оперативного времени, по [прил. 5] П = 1,7%,
тогда ТОРГ = 0,31 × 1,7 / 100 = 0,005 мин » 0,01мин
ТОТД – время перерывов
ТОТД = ТОП × ПОТ / 100 (8.21)
где ПОТ – доля от оперативного времени по [прил. 5] П = 6%
ТОТД = 0,35 × 6 / 100 = 0, 02 мин
тогда штучное время на 010 операцию
ТШТ = 0,35 + 0,06 + 0,005 + 0,005 + 0,02 = 0,44 мин.
Учитывая факт выпуска расчётный tВ = 0,446 мин делаем заключение, что режимы резания подобраны правильно.
Для 020 операции и 040 нормирование сведено в таблицу 6.2.
Нормирование операций 020 и 040
Табл. 6.2
| № опер. | ТОПЕР | ТВ | ТОБСЛ.ТЕХ | ТОРГ | ТОТД | ТШТ МИН |
| 020 | (лимитир. переход) 0,33 | 0,06 | 0,005 | 0,005 | 0,02 | 0,42 |
| 040 | 0,35 | 0,08 | 0,001 | 0,005 | 0,01 | 0,441 |
9. Расчёт и конструирование режущего инструмента
Задача раздела – разработка специального режущего инструмента для глубокого сверления.
В ходе научных и патентных исследований была принята следующая конструкция инструмента: сверло спиральное с твёрдосплавной вставкой, с внутренним подводом СОЖ, с канавкой по задней поверхности.
Расчёт конструктивных параметров сверла ведём по методике, изложенной в [15].
Диаметр сверла принимаем равным в = 17 мм.
Режимы резания из п. 8.
Подача на оборот SO = 0,4 мм/об;
Скорость главного движения резания V = 70 м/мин;
Осевая составляющая PX = 803 Н
Момент сил сопротивления резанию (крутящий момент) МСР = 21 Н×м
Хвостовик выбираем цилиндрический с резьбой М20 ´ 1,25.
Определим длину сверла. Общая длина сверла L; длина рабочей части lO хвостовика и шейки l2 могут быть приняты по ГОСТ 10908 – 75:
L = 180 мм;
l2 = 70 мм;
lO = 110 мм.
Длина рабочей части взята увеличенной из-за особенностей установки (высокая кондукторная втулка).
Определяем геометрические и конструктивные параметры рабочей части сверла.
Угол в плане при вершине 2j по табл. 60 [15] 2j = 120°, погрешность ±1°.
Угол наклона винтовой канавки по табл. 60 [15]w = 25 ¸ 30°. По [16] для спиральных свёрл для глубокого сверления w = 25 ¸ 20°. Поэтому выбираем w =25°.
Задний угол принимаем равным a = 12°.
Угол наклона опорной поперечной режущей кромки y = 55°.
Размеры подточенной части перемычки: А = 2,5 мм; l = 5 мм.
Шаг винтовой канавки
(9.1)
Толщину сердцевины dc сверла выбираем в зависимости от диаметра сверла.
Для в = 17мм dc = (0,14 ¸ 0,25)D = 4,25 мм (9.2)
Для уменьшения длины поперечной режущей кромки она подтачивается на l = 1,5 мм.
Сердцевина имеет утолщение по направлению к хвостовику 1,4 – 1,8 на 100 мм длины рабочей части сверла. Принимаем это утолщение равным 1,5 мм. dck = 5,75 мм.
На калибрующих ленточках сверло имеет обратную конусность 0,05 мм.
Ширину ленточки вспомогательной задней поверхности fo принимаем больше, чем у обычных свёрл fo = 3 мм.
Ширина пера
B = 0,58 ×D = 0,58 × 17 = 9,9 мм (9.3)
Геометрические элементы профиля фрезы для фрезерования канавки сверла определяем аналитически [].
Большой радиус профиля
Ro = CR Cr Cф D(9.4)
(9.5)
![]()
(9.6)

(9.7)
![]()
где Dф = 13Ö17 = 54 мм – диаметр фрезы.
Следовательно, RO = 0,616 × 0,77 × 17 = 8,06 мм
Меньший радиус профиля Rk = Ck ×D, где Сk = 0,015 ×w0,75 = 0,015 × 250,75 = 0,168 мм.
Следовательно, Rk = 0,168 × 17 = 2,856 мм
Ширина профиля B = Ro + Rk = 8,06 + 2,86 = 10,92
Определим по найденным размерам профиль канавочной фрезы.
Устанавливаем основные технические требования и допуски на размеры сверла (по ГОСТ 885 – 77).
Предельные отклонения диаметров сверла в = 17 – 0,03 мм.
Допуск на общую длину и длину рабочей части сверла равен удвоенному допуску по 14 квалитету с симметричным расположением предельных отклонений (±JT14/2) по ГОСТ 25347 – 82.
Предельные размеры (отклонения) перемычки режущей части сверла +0,5 мм. Твёрдость рабочей части сверла 63 – 66 HRCЭ .
На листе графической части дипломного проекта представлен чертёж сверла в двух проекциях со всеми необходимыми сечениями (винтовые линии заменяются прямыми).
10. Расчёт и проектирование станочного приспособления
Задача раздела – рассчитать и спроектировать станочное приспособление для обработки корпуса гидравлического тормоза на автоматической линии.
10.1 Исходные данные
Обработка ведётся на автоматической линии. Из всех методов обработки для расчёта необходимого усилия зажима выбираем наиболее нагруженный вид обработки: в данном случае рассмотрим фрезерование плоскости в размер 27±0,1 и сверление (рассверливание) отверстия Æ 17,5 (операционный размер Æ 17,14 ± 0,44).
Вид и материал заготовки – отливки, серый чугун НВ 190 – 230.
Вид обработки – черновая.
Материал и геометрия режущей части фрезы: шестигранная режущая пластина ВК6; свёрла – поликристаллический нитрид бора. Геометрия сверла: угол в плане при вершине 2j=120°;
Операционный эскиз

Рис. 10.1
передний угол g = 0°;
задний угол a = 12°.
Режимы резания:
фрезерование: глубина t = 1,5 мм;
подача S = 3,3 мм/об;
скорость резания V = 63 м/мин;
сверление: глубина t = 2,25 мм;
подача S = 0,4 мм/об;
скорость резания V = 67 м/мин.
Тип приспособления – одноместное специальное наладочное.
Оборудование – автоматическая линия с позицией загрузки с механизированным зажимом.
10.2 Расчёт сил резания
Силы резания для фрезерования и сверления подсчитаны в п. 6.
Для фрезерования:
окружная сила Pz = 54 H
Mкр = 40 Н × м
Для сверления: момент кручения Mкр = 21 Н × м
10.3 Расчёт сил резания
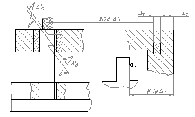
В процессе обработки заготовки на неё действуют силы резания. С одной стороны силы резания от фрезерования стремятся провернуть заготовку в призматических самоцентрирующих зажимах. Тоже самое стремятся сделать силы резания от рассверливания. Продольные силы резания, стремящиеся сдвинуть заготовку вдоль оси, не учитываются, т.к. в продольном направлении заготовка фиксирована упорами (продольная установка). С другой стороны силы зажима препятствуют этому из условия равновесия моментов данных сил и, с учётом коэффициента запаса, определяются необходимое зажимное и исходное усилие.
Схема закрепления заготовки представлена на рис. 10.2
Схема закрепления заготовки в самоцентрирующем двухкулачковом патроне

Рис. 10.2
Проведём сначала расчёт необходимого усилия зажима для фрезерования.
Окружная сила Pz создаёт крутящий момент от сил резания.
Mp = Pz ×l(10.1)
где l – плечо действия окружной силы Pz , мм;
из проекционного эскиза l = 27мм.
Провороту заготовки препятствуют силы зажима, создающие момент закрепления
(10.2)
где w – суммарное усилие зажима на четыре пружины, Н;
f – коэффициент трения на рабочей поверхности зажимного элемента.
Из равенства моментов М’ р и М’ з определим необходимое усилие зажима, препятствующее провороту заготовки.
(10.3)
где k – коэффициент запаса, в зависимости от конкретных условий выполнения технологической операции, по формуле
k = k0 ×k2 ×k3 ×k4 ×k5 ×k6 (10.4)
где k0 = 1,5 – гарантированный коэффициент запаса;
k1 – коэффициент, учитывающий увеличение сил резания из-за случайных неровностей на обрабатываемых поверхностях заготовки (для черновой обработки k = 1,2);
k2 – коэффициент, учитывающий увеличение сил резания вследствие затупления режущего инструмента. По [17] k2 для фрезерования k2 = 1,0.
k3 – коэффициент учитывает увеличение сил резания при прерывистом резании (для прерывистого k3 = 1,2);
k4 – коэффициент, характеризующий постоянство силы развиваемой зажимным механизмом (k4 = 1,0);
k5 – коэффициент, характеризующий энергономику (k5 = 1,0);
k6 – коэффициент, учитывающий при установке заготовки на штыри (k6 =1,0).
kS = 1,5 × 1,2 × 1,2 = 2,16
Принимаем kS = 2,5
Коэффициент трения принимаем равным f = 0,3.
Подставив все данные
![]()
Тоже самое рассчитаем для сверления.
Момент сил резания М’’ кр = 21 Н×м
Коэффициент запаса принимаем kS = 2,5
Усилие зажима
![]()
Выбираем для дальнейших расчётов усилия зажима W = 8100 H
Величина усилия зажима W1 прикладываемая к зажимным кулачкам несколько увеличивается по сравнению с усилием W’ и рассчитывается по формуле
( 10.4)
где lk – вылет зажимного элемента, расстояние от середины направляющей кулачка до точки касания зажимного элемента с заготовкой. Выбираем конструктивно lk = 45 мм;
Hk – длина направляющей постоянного кулачка, мм; конструктивно Нk = 80 мм;
f1 – коэффициент трения в направляющих постоянного кулачка и корпуса (f1 = 0,1 для полусухого трения стали по стали).
Подставив исходные данные в формулу (10.4) получим:

10.4 Расчёт зажимного механизма патрона
В данном случае принимается комбинированный тип зажимного механизма: рычажно-винтовой.
Рычажный самоцентрирующий механизм должен обеспечить относительное движение кулачков с высокой точностью. На их движение накладываются условия: разнонаправленность, одновременность и равная скорость движения. Это обеспечивается одним силовым приводом.
При расчёте зажимного механизма определяется усилие Q, создаваемое силовым приводом, которое зажимным механизмом преобразуется в соответствии с плечами рычагов.
В данном случае (конструктивно) передаточное отношение по силе
(10.6)
поэтому усилие на штоке
(10.7)
![]()
10.5 Расчёт силового привода
Принимаем винтовой зажимный механизм в качестве второй ступени в 2х кулачковом патроне. По [ ] момент закручивания определяется по формуле
Мр = Q× 0,1 ×dвинт
тогда необходимый момент будет для dвинт = М20 мм (конструктивно):
Мр = 6100 × 0,1 × 20 = 1220 Н×мм = 12,2 Н×м
Винт приводится во вращение при помощи пары конических зубчатых колёс (рис. 10.3)
Схема привода

Рис. 10.3
Усилие окружное на зубьях большой шестерни необходимое для создания момента Мр будет
Мр = Рокр ×R1 (10.8)
Тогда окончательный момент закрепления будет определяться по формуле:
(10.9)
(10.10)
![]()
На позиции загрузки для создания Мзакр предусмотрено специальное приспособление (гайковёрт).
10.6 Расчёт погрешности установки заготовки в приспособлении
Погрешность установки определяется по формуле:
(10.11)
где eб – погрешность базирования ( в данном случае технологическая база используется как измерительная; eб = 0); eз – погрешность закрепления – это смещение измерительной базы под действием сил зажима (eз = 0);
eпр – погрешность элементов приспособления, зависящая от точности их изготовления.
Расчётная схема погрешностей рычажного механизма приведена на рис. 10.4.
(10.12)
где wАD – колебания замыкающего звена; D1 , D2 – погрешности, возникающие вследствие неточности изготовления размеров А2 ; D1 , D3 – погрешности из-за колебания зазоров в соединениях (D1,3 = Sнб – Sнм )
Расчётная схема погрешностей.

Рис.10.4
D4 – погрешность, появляющаяся из-за неточности изготовления рычага: D4 = АsinDa (Da = 30’’ ).
Колебания замыкающего звена wАD примем равными 0,04 мм.
Зададим все звенья по 7 квалитету:
D1 = 0,01мм; D2 = 0,008; D3 = 0,01 мм; D4 = 45sin30’’ = 0,002
тогда погрешность установки будет равна:
![]()
принимаем звенья с принятыми отклонениями.
10.7 Описание работы приспособления
Приспособление предназначено для зажима заготовки корпуса гидравлических тормозов на автоматической линии.
Приспособление – 2х кулачковый патрон состоит из корпуса привода патрона 3, на котором закреплён корпус 1, в пазах которого перемещаются подвижные колодки 18 с установленными на них зажимными элементами (не показаны). Колодки 18 перемещаются рычагом 9, который также находится в зацеплении с тягой 7, вкрученной в ходовую гайку 1, которая зафиксирована в колесе 1. Колесо 1 находится в зацеплении с шестернёй 4, которая вращается от полумуфты 6.
Приспособление – патрон 2х кулачковый работает следующим образом. При зажиме заготовки, полумуфта 6 присоединяется к приводу (не показан), от которого вращение через шестерню 4, колесо в сборе 1, ходовую гайку 8 преобразуется в поступательное движение тяги 7, которая опускаясь, перемещает рычаг 9, в зацеплении с которым находится колодка 18, сходящаяся к центру. Разжим происходит в обратном порядке.
11. Расчёт и проектирование контрольного приспособления
Задача раздела – выбрать, сконструировать, провести описание работы контрольного приспособления на одну из операций, а также рассчитать его точность.
11.1 Описание работы приспособления
Выбираем для проектирования калибр с индикатором для контроля межосевых расстояний (см. рис. 11.1) 39,5 ± 0,2; 89 ± 0,2; 121,5 ± 0,2; 152 ± 0,2; 166,5 ± 0,1 (данный размер до торца); 39,5 ± 0,2; 171,5 ± 0,35. Все размеры (линейные и диаметральные) при конструировании выбираем исходя из конструктивных соображений. Разработанное приспособление представлено на листе.

Рис. 11.1
Контрольное приспособление состоит из плиты 1, на которую крепится стойка 2. В стойке 2 крепится втулка 10 под индикатор 13, втулка 15 под центровочный палец 9 (ромбический) и под цилиндрический палец 18. В стойке 2 при помощи винта 37 и гайки 8 крепится скалка-калибр 3 с направляющими отверстиями. На ней свободно установлена втулка упорная 23. На левы конец скалки 3 устанавливается втулка упорная 12, которая упирается в палец 11. Фиксируется втулка упорная 12 винтом 27, который вкручен в раму 14, свободно вращающуюся на винтах 29. На стойке 2 закрепляется винтом 42 и фиксируется в определённом положении шпонкой 31 кондукторная плита 3. В ней устанавливаются направляющие призматические втулки 17, 19, по которым направляются пальцы 21. Стойка 2 имеет для зажима направляющую 8. Плита 1 по установочным пальцам 26 устанавливается в рабочее положение. На плите 1 закрепляется винтами 33 стойка под пальцы 28.
Приспособление контрольное работает следующим образом. При отведённой раме 14 на скалку 2 устанавливается проверяемая деталь, базовым торцом к индикатору. Деталь ориентируется двумя пальцами – цилиндрическим 18 и ромбическим 9. В скалку 2 вставляется палец 11 и надевается втулка упорная 12. Винтом 27 затем деталь фиксируется в строго определённом положении с упором в левый торец. Затем в определённо зафиксированном положении вставляются пальцы 7 для контроля размера 152 ± 0,2 (с учётом вылета ножки индикатора) 217 ± 0,2. С учётом предварительно измеренного эталонного осевого расстояния до базового торца стойки 2 определяется отклонение от номинального положения. Аналогично проверяются другие размеры пальцами 6 и 21. Показания снимают с индикатора 13. После контроля отверстий верхней половины, деталь раскрепляют, отводят раму 14, вынимают палец 11, деталь выводят из зацепления с центровочными пальцами 9 и 18, переворачивают на 180° и снова закрепляют и проводят измерения.
11.2 Расчёт точности контрольного приспособления
Измерение контролируемых параметров (межосевых расстояний и расстояния до торца) проводится от стойки 2 (базовой плоскости Б – рис. 11.2).
Точность приспособления будет для разных размеров определяться разными причинами.
Для отверстий 1, 2, 3 и отверстий 5, 6 точность измерения (погрешность) будет зависеть от (рис. 11.2) – непараллельности базовой плоскости втулки 10, погрешностью ножки индикатора (отклонение от перпендикулярности относительно базовой плоскости, вследствие зазора подвижной ножки индикатора в корпусе); погрешностью линейного размера скалки 2 ТАi вследствие неточного изготовления направляющих отверстий Æ6g5 (2 отв.), Æ3g5 по оси; погрешностью базирования детали относительно базовой плоскости на допуск линейного размера ТБ; несоосностью базирующего пальца Æ5 и Æ7; а также максимального зазора в сопряжении пальца и скалки Æ5 Н6/g5. Для всех размеров также необходимо учитывать погрешность настройки ножки индикатора относительно плоскости базовой (размер 65) – принимаем равным точности эталона.
Зададимся значениями выше перечисленных показателей:
непараллельность – D1 = 0,005 мм
отклонение от перпендикулярности (из схемы рис. 11.3) D2 = 0,001 мм
погрешность линейного размера ТАi D3
для 104,5 ТА1 = 0,01 мм
186,5 ТА2 = 0,012 мм
217 ТА3 = 0,012 мм
D4 242,53 ТА4 = 0,015 мм (ТБ)
несоосность пальца 11 – D5 0,005мм;
максимальный зазор в сопряжении Æ5 Н6/g5 D6 = 0,015 мм.
погрешность настройки по эталону D7 = 0,005 мм.
Суммарную погрешность находим по вероятностному методу:
(11.1)
![]()
из линейных погрешностей взяли максимальную 0,012 мм.
ЕS = 0,012мм, что составляет 1/3 допуска измеряемого размера, что допустимо.
Для размера 154 ± 0,02 учитываются погрешности, связанные с неточностью расположения направляющих отверстий в раме 14 (рис. 11.4):
(11.2)
где D1 ’ – погрешность на настройку по эталону D1 = 0,015 мм;
D2 ’ – погрешность от линейного размера Г (рис. 11.4), принимаем ТГ = 0,005 мм; D3 ’ – погрешность от максимального зазора в шпонке (D3 ’ = 0, т.к. шпонка с натягом устанавливается); D4 ’ – погрешность на линейный размер Д (рис. 11.3), принимается ТД = 0,007мм; D5 ’ – несоосность наружной поверхности и направляющих втулок (отверстий) установленных без зазора, принимаем D5 ’ = 0,01мм, тогда погрешность:
![]()
Принимаем в качестве погрешности приспособления величину ЕS = 0,017 мм.

Рис. 11.2 Схема расчёта отклонения D2 Схема для расчёта точности контрольного приспособления

Рис. 11.3
Схема расчёта погрешности

Рис. 11.4
12. Проектирование производственного участка
Задача раздела – провести все технологические расчеты механического участка механосборочного цеха, на плане цеха расположить оборудование с соблюдением норм разрывов между оборудованием и элементами зданий.
Исходные данные, необходимые для расчета:
Программа выпуска 580000 дет./год;
Штучное время по операциям техпроцесса изготовления корпуса гидравлического тормоза:
010 линейно-автоматная
мин;
020 линейно-автоматная
мин;
040 накатная
мин;
050 моечная
мин.
Трудоемкость изготовления всех деталей по программе [17] определяется по формуле:
, (12.1)
где
– суммарное штучное время данного техпроцесса изготовления детали, мин;
– норма запаса деталей в производство, с учетом выпуска запасных частей или деталей, шт.;
– коэффициент, учитывающий плановое перевыполнение норм выработки (
);
Куж – коэффициент, учитывающий снижение норм времени (Куж = 0,9).

Количество оборудования, шт., подсчитывается по формуле [17]:
, (12.2)
где
– трудоемкость изготовления деталей на данном виде оборудования, ч;
– действительный годовой фонд времени работы единицы оборудования при соответствующем числе смен работы (
ч);
Кп – коэффициент, учитывающий потери времени при переналадке оборудования на обработку других деталей (в массовом производстве Кп = 1).
Трудоемкость годовая по операциям:
– линейно-автоматная
ч;
– линейно-автоматная
ч;
– накатная
ч;
– моечная
ч.
Количество оборудования:
Автоматическая линия "Альфинг"
010 операция:
;
020 операция:
;
Специальный накатной станок "Альфинг"
040 операция:
;
Автоматическая конвейерная моечная машина
050 операция:
.
В качестве вспомогательного оборудования принимаем 4 заточных станка (в мастерской по ремонту инструмента и приспособлений) которые на плане цеха не показаны.
Количество производственных рабочих
, (12.3)
где Фд.р. – действительный годовой фонд времени рабочего, ч;
Кмн – коэффициент многостаночного обслуживания (для массового производства Кмн = 1,5).
чел;
чел;
чел;
чел.
Средний разряд – 3. Количество вспомогательных рабочих (18% от числа основных производственных рабочих) – 1 чел; ИТР (10% от количества основных производственных рабочих) – 1 чел; служащих и МОП по 1 чел.
На плане участка (см. лист графической части дипломного проекта) помимо основного оборудования (автоматические линии "Альфинг", специальный накатной станок "Альфинг", автоматическая конвейерная моечная машина), расположенного в последовательности, соответствующей порядку выполнения операций по плану обработки со всеми вспомогательными элементами, показаны отделения контроля и отделение по ремонту инструмента и оснастки.
13. Экономическое обоснование усовершенствования сверлильной операции
Задача раздела – определить экономическую эффективность предлагаемых усовершенствований базового техпроцесса корпуса гидроцилиндра тормозов.
13.1 Краткая характеристика сравниваемых вариантов
Таблица 13.1.
| Базовый вариант | Проектируемый вариант |
| Обработка отверстия проводится зенкерованием зенкером из стали Р6М5 на автоматической линии "Альфинг". Тип производства – массовый. Условия труда – нормальные. Форма оплаты труда – сдельно-премиальная. | На автоматической линии "Альфинг" черновая обработка проводится сверлом с режущими пластинами из поликристаллического нитрида бора. Тип производства – массовый. Условия труда – нормальные. Форма оплаты труда – сдельно-премиальная. |
13.2 Исходные данные для экономического обоснования сравниваемых вариантов
Таблица 13.2.
| № | Показатели | Условное обозначение, единица измерения | Значение показателей | Источник информации | |
| Базовый | Проект | ||||
| 1 | Годовая программа выпуска | Пг, шт. | 580 000 | 580 000 | Задание |
| 2 | Норма штучного времени, в т.ч. машинное время | Тшт, мин Тмаш, мин |
0,47 0,38 |
0,44 0,35 |
п. 8 п. 8 |
| 3 | Часовая тарифная ставка Рабочего-оператора Наладчика |
Сч, руб Счн, руб |
12,8118,47 |
12,81 18,47 |
Данные кафедры ЭОиУП |
| 4 | Годовой эффективный фонд времени рабочего | Фэр, час | 1731 | 1731 | ДК |
| 5 | Коэффициент доплаты до часового, дневного и месячного фондов | Кд | 1,08 | 1,08 | ДК |
| 6 | Коэффициент доплат за профмастерство (начиная с 3-го разряда) | Кпф | 1,12 | 1,12 | ДК |
| 7 | Коэффициент доплат за условия труда (если они вредные или тяжелые) | Ку | 1,12 | 1,12 | ДК |
| 8 | Коэффициент доплат за вечерние и ночные часы | Кн | 1,2 | 1,2 | |
| 9 | Коэффициент премирования | Кпр | 1,2 | 1,2 | |
| 10 | Коэффициент выполнения норм | Квн | 1 | 1 | ДК |
| 11 | Коэффициент отчисления на социальные нужды | Ксоц | 0,356 | 0,356 | ДК |
| 12 | Цена единицы оборудования | Цоб., руб | 800 000 | 800 000 | |
| 13 | Коэффициент расходов на доставку и монтаж оборудования | Кмонт | 0,2 | 0,2 | |
| 14 | Выручка от реализации изношенного оборудо-вания (5% от цены) | Вр, руб | 40 × 103 | 40 × 103 | |
| 15 | Годовая норма аморти-зационных отчислений | На, % | 6,7 | 6,7 | |
| 16 | Годовой эффективный фонд времени работы оборудования, рабочих |
Фэ, час Фэр, час |
4015 1731 |
4015 1731 |
|
| 17 | Коэффициент затрат на текущий ремонт оборудования | Кр | 0,3 | 0,3 | |
| 18 | Установленная мощность электродвигателя станка | Му, кВт | 10 | 10 | |
| 19 | Коэффициент одновременности работы электродвигателей | Код | 0,8 | 0,8 | |
| 20 | Коэффициент загрузки электродвигателей по мощности | Км | 0,8 | 0,8 | |
| 21 | Коэффициент загрузки электродвигателя станка по времени | Кв | 0,85 | 0,85 | |
| 22 | Коэффициент потерь электроэнергии в сети завода | Кп | 1,04 | 1,04 | |
| 23 | Тариф платы за электроэнергию | Цэ, руб/кВт | 0,61 | 0,61 | ДК |
| 24 | Коэффициент полезного действия станка | КПД | 0,95 | 0,95 | |
| 25 | Цена единицы инструмента | Ци, руб | 100 | 800 | |
| 26 | Коэффициент транспортно-заготовительных расходов на доставку инструмента | Ктр | 1,02 | 1,02 | |
| 27 | Выручка от реализации изношенного инструмен-та по цене металлолома (20% от цены) |
Ври ,руб | 20 | 70 | |
| 28 | Количество переточек инструмента до полного износа | Нпер | 14 | 10 | |
| 29 | Стоимость одной переточки | Спер, руб | 15 | 15 | |
| 30 | Коэффициент случайной убыли инструмента | Куб | 1,1 | 1,1 | |
| 31 | Стойкость инструмента между переточками | Ти, час | 4 | 8 | |
| 32 | Цена (себестоимость изготовления) единицы приспособления | Цп, руб | 5000 | 5000 | |
| 33 | Коэффициент, учитыва-ющий затраты на ремонт приспособления | Кр.пр | 1,5 | 1,5 | |
| 34 | Выручка от реализации изношенного приспосо-бления(20% от цены) | Вр.пр, руб | 1000 | 1000 | |
| 35 | Количество приспособлений, необходимое для производства годовой программы деталей | Нпр., шт | равно кол-ву станков | равно кол-ву станков | |
| 36 | Физический срок службы приспособления | Тпр, лет | 3 | 3 | |
| 37 | Коэффициент загрузки приспособления (равен коэффициенту загрузки станка) | Кз | |||
| 38 | Расход на смазочно- охлаждающие жидкости | Нсм, руб. | 5000 | 5000 | |
| 39 | Удельный расход воды для охлаждения на один час работы станка | Ув, м3 /час | 0,6 | 0,6 | |
| 40 | Тариф платы за 1м3 воды | Цв, руб | 0,53 | 0,53 | ДК |
| 41 | Удельный расход воздуха | Усж, м3 /час | 0,1 | 0,1 | |
| 42 | Тариф платы за м3 сжатого воздуха | Цсж, руб | 0,08 | 0,08 | ДК |
| 43 | Площадь, занимаемая одним станком | Sуд, м2 | 50 | 50 | |
| 44 | Коэффициент, учитывающий дополнительную площадь | Кд.пл | 2 | 2 | |
| 45 | Стоимость эксплуатации 1м2 площади здания в год | Цпл, руб/м2 | 1787 | 1787 | ДК |
| 46 | Норма обслуживания станков одним наладчиком | Нобсл., ед. | 10 | 10 | |
| 47 | Оборудование специальное | ||||
| 48 | Материал детали | серый чугун Gh190 | серый чугун Gh190 | ||
| 49 | Масса детали | Мд, кг | 0,873 | 0,873 | |
| 50 | Вес отходов в стружку | Мотх, кг | 0,7 | 0,77 | |
| 51 | Цена 1 кг материала | Цма, руб. | 2,9 | 2,9 | |
| 52 | Коэффициент транспортно-заготовительных расходов | Ктрз | 1,06 | 1,06 | |
13.3 Расчет необходимого количества оборудования и коэффициентов его загрузки
Таблица 13.3.
| № | Наименование показателей | Расчетные формулы и расчет | Значение показателей | |
| Базовый | Проект | |||
| 1 | Расчетное количество оборудования для изменяющейся операции |
|
0,987 | 0,891 |
| 2 | Принятое количество оборудования | 1 | 1 | |
| 3 | Коэффициент загрузки оборудования |
|
0,987 | 0,891 |
| 4 | Численность рабочих-операторов |
|
4 | 4 |
13.4. Расчет капитальных вложений
Табл. 13.4.
| № | Наименование, единица измерения | Расчетные формулы и расчет | Значения показателей | |
| Базовые | Проектные | |||
| 1 | Прямые капитальные вложения в оборудование |
|
800×103 | 800×103 |
| 2 | Сопутствующие капитальные вложения: | |||
| 2.1 | Затраты на доставку и монтаж |
|
160×103 | 160×103 |
| 2.2 | Затраты на дорогостоящие, более 1 года приспособления |
|
5000 | 5000 |
| 2.3 | Затраты в производственную площадь | Кпл = Нст ×Sуд × Кд.пл. × Цпл Кпл = 1 × 50 × 2 × 1787 = 178700 |
178,7×103 | 178,7×103 |
| 2.4 | Суммарные сопутствующие вложения | Ксоп = Км + Кпр + КплКсоп = 160 × 103 + 5000 + 178,7 × 103 = 347,3 × 103 |
347,3 × 103 | 347,3 × 103 |
| 3 | Общие капитальные вложения | Кобщ=Коб+КсопКобщ=800 × 103 + 347,3 × 103 = 1147,3 × 103 |
1147,3×103 | 1147,3×103 |
| 4 | Удельные капитальные вложения | Куд = Кобщ / Пг Куд = 1147×103 / 580000 = 2,1 |
2,1 | 2,1 |
13.5 Расчет технологической себестоимости изменяющихся по вариантам операций
Таблица 13. 5.
| № | Наименование показателей | Расчетные формулы и расчет | Значения Показателей |
|||
| Вариант 1 | Вариант 2 | |||||
| 1 | Основные материалы за вычетом отходов. |
где
Базовый
Проектный
(руб.) |
2,35 | 2,32 | ||
| 2 | Основная заработная плата рабочих операторов: для рабочих повременщиков (ВАЗ) |
где
|
0,30 |
0,30 |
||
| 3 | Основная заработная плата наладчика, руб |
|
0,01 | 0,01 | ||
| 4 | Начисление на заработную плату, руб |
|
0,11 | 0,11 | ||
| 5 | Затраты по содержанию и эксплуатации оборудования | |||||
| 5.1 | Затраты на текущий ремонт оборудования, руб |
базовый
|
0,46 | 0,39 | ||
| 5.2 | Расходы на технологическую энергию, руб |
проектный
|
0,023 | 0,021 | ||
| 5.3 | Расходы на инструмент (по операциям, где меняется инструмент) |
базовый
проектный
|
0,07 | 0,08 | ||
| 5.4 | Затраты на содержание и эксплуатацию приспособлений (по операциям, где меняются приспособления) |
базовый
|
0,01 | 0,01 | ||
| 5.5 | Расходы на смазочные, обтирочные материалы и охлаждающие жидкости |
базовый
проектный
|
0,01 | 0,01 | ||
| 5.6 | Расходы на воду технологическую |
базовый
проектный
|
0,002 | 0,002 | ||
| 5.7 | Расходы на сжатый воздух |
базовый
проектный
|
0,001 | 0,001 | ||
| 5.8 | Расходы на содержание и эксплуатацию производственной площади |
|
0,30 | 0,28 | ||
| Итого расходы по содержанию и эксплуатации оборудования |
базовый
проектный
|
1,083 | 0,983 | |||
13.6 Калькуляция себестоимости обработки детали по вариантам технологического процесса, руб
Таблица 13.6
| № | Статьи затрат | Затраты, руб | Изменения, +/- | |
| Вариант 1 | Вариант 2 | |||
| 1 | Материалы за вычетом отходов | 2,35 | 2,32 | -0,03 |
| 2 | Основная заработная плата рабочих операторов и наладчиков | 0,31 | 0,31 | – |
| 3 | Начисления на заработную плату | 0,11 | 0,11 | – |
| 4 | Расходы на содержание и эксплуатацию оборудования | 1,083 | 0,983 | -0,1 |
| Итого технологическая себестоимость | 3,853 | 3,723 | -0,13 | |
| 5 | Общецеховые накладные расходы Рцех = Зпл.осн * Кцех |
0,667 | 0,667 | – |
Итого цеховая себестоимость Сцех = Стех + Рцех |
4,52 | 4,39 | -0,13 | |
| 6 | Заводские накладные расходы Рзав = Зпл.осн * Кзав |
0,775 | 0,775 | – |
Итого заводская себестоимость Сзав = Стех + Рзав |
5,295 | 5,165 | -0,13 | |
| 7 | Внепроизводственные расходы Рвн = Сзав * Квнп |
0,265 | 0,258 | -0,007 |
Всего полная себестоимость Спол = Сзав + Рвнп |
5,56 | 5,42 | -0,14 | |
13.7 Расчет приведенных затрат и выбор оптимального варианта
Таблица 13.7
| № | Наименование показателей, единица измерения | Расчетные формулы и расчет | Значение показателей | |
| Вариант 1 | Вариант 2 | |||
| 1 | Приведенные затраты на единицу детали, руб |
где базовый проектный
|
6,25 | 6,11 |
| 2 | Годовые приведенные затраты, руб |
базовый
|
3625000 | 3543800 |
13.8 Расчет показателей экономической эффективности проектируемого варианта техники (технологии)
Ожидаемая прибыль (условно-годовая экономия) от снижения себестоимости обработки детали.
![]()
![]()
Налог на прибыль
![]()
![]()
Чистая ожидаемая прибыль
![]()
После определения чистой прибыли определяется расчетный срок окупаемости капитальных вложений (инвестиций), необходимых для осуществления проектируемого варианта:
лет
,
где Nи.год. – количество инструмента, необходимое для работы в течении года (по проектному и базовому варианту);
Ци.пр. и Ци.баз. – соответственно, цены инструмента по проектному и базовому варианту.
![]()
Принимаем горизонт расчета равным 1 году.
Общая текущая стоимость доходов (чистой дисконтированной прибыли) в течении принятого горизонта расчета определяется по формуле:
,
Интегральный экономический эффект (чистый дисконтированный доход) составит:
![]()
.
Проект эффективен.
14. Безопасность и экологичность проекта
Задача раздела – разработать мероприятия по охране труда и окружающей среды и провести расчёт необходимого освещения.
Технологический процесс изготовления корпуса гидравлического тормоза на автоматической линии характеризуется рядом вредных факторов, отрицательно влияющих на здоровье рабочих и состояние окружающей среды.
Материал корпуса – чугун. В результате мехобработки образуется стружка скалывания, которая может поранить и засорить глаза, вызвать ожог лица и рук, поэтому необходимо обеспечить ограждение рабочей зоны каждого станка в виде щитка. Удаление стружки скалывания из зоны обработки не представляет особых затруднений.
Процесс обработки осуществляют с использованием 4 – 5 % раствора эмульсола Укринол 1. В результате охлаждения смазывающе-охлаждающей жидкостью, в зоне резания образуются пары масла и иных аэрозолей, а также сложных парогазовых смесей, которые являются причиной раздражающего влияния на органы дыхания, а также неблагоприятно воздействуют на другие системы организма. Особенно отрицательно сказывается мелкая стружечная пыль, образующаяся на финишных операциях техпроцесса.
Поскольку для облегчения процесса резания используемая СОЖ перед подачей в зону резания насыщается кислородом, то в результате происходит окисление поверхностного слоя обрабатываемого материала. Образуется толстый рыхлый слой оксидов, частицы которого уносятся испаряющейся СОЖ. Эти частицы металлической пыли, оседая в верхних дыхательных путях, вызывают воспаление тканевых клеток, что создаёт благоприятные условия для проникновения в организм различных инфекционных болезней. Для исключения данных вредных факторов, в качестве защиты от пыли и газов, выделяющихся в процессе обработки, необходимо применить местную вентиляцию в виде вытяжного зонта. В заготовительном производстве, связанном с производством отливок, ввиду особо интенсивных процессов образования газов применяется, помимо пылевентиляционных вытяжных средств, искусственная подача очищенного воздуха в рабочую зону при помощи вентиляторов.
Процесс обработки корпуса (особенно такие операции, как фрезерование) сопровождается в результате переменных факторов, таких как разнотвёрдость материала заготовки, переменный припуск, различных динамических явлений, значительными вибрациями. Воздействие вибраций не только ухудшает самочувствие работающего и снижает производительность труда, но и часто приводит к тяжёлому профессиональному заболеванию – виброболезни. Для защиты работающих от воздействия вибраций предлагается устанавливать оборудование, станки, входящие в автоматическую линию, на вибропоглащающий фундамент, используя вибропоглощающие материалы и различные демпфирующие устройства под станины станков.
Т.к. всё применяемое оборудование и оснастка приводится в действие электрическим током, необходимо предусмотреть меры по защите оборудования и персонала от поражения электричеством. Самое главное – необходимо провести заземление всех металлических частей электроустановок, формально не находящихся под напряжением, но которые могут в случае повреждения изоляции оказаться под напряжением (это касается корпусов станков, насосов, станин и кожухов приводов станков, электрооборудования, щитов управления, осветительной арматуры и других электрических приборов). В электроустановках с напряжением до 1000 В должные применяться реле-утечки, автоматически отключающие сеть при опасных токах утечки.
Значительная роль в поддержании требуемых санитарно – гигиенических условий воздушной среды в рабочих помещениях отводится вентиляции и отоплению.
Комплексная система вентиляции включает в себя естественную и принудительную. Естественная осуществляется через окна (фрамуги) в крыше цеха. Принудительная вентиляция осуществляется посредством вытяжных и приточных установок, кондиционирования воздуха. Проведем расчет вентиляции.
Расчёт количества воздуха для вентиляции помещения
Кратность воздухообмена К.
К = L / V ,
где L = G / (x2 – x1 ) – воздухообмен, м3 /ч
где G = 30 л/ч – количество углекислоты, выделяющееся в помещении;
x1 = 0,6 л/м3 – концентрация СО2 в наружном воздухе;
x2 = 1 л/м3 – допустимая концентрация СО2 в воздухе помещения.
L = 30 / (1 – 0,6) = 75 м3 /ч
К =75 / 3120 = 0,024
Объём воздуха, удаляемого вытяжными шкафами при отсутствии тепловыделений внутри шкафа:
Lш = 3600×Vш×Fн ,
где Lш – обмен воздуха, удаляемого вытяжными шкафами;
Vш = 0,8 м/с – скорость воздуха в открытом проеме шкафа;
Fн = 1 м2 – площадь открытого проёма.
Lш = 3600×0,8×1 = 2880 м3/ч.
Для отопления применяется система центрального водяного отопления.
В производственных помещениях поддерживается влажность воздуха в пределах от 30 до 60 %, температура воздуха в зимнее время 16—20°С, в летнее 20—24°С.
Пожары на машиностроительных предприятиях представляют большую опасность для работающих и могут причинить огромный материальный ущерб. Конструкция здания цеха по пожарной опасности относится к категории "Д". По огнестойкости здание относится к 11 степени. Причинами пожара на участке могут быть:
– искра, образующаяся при коротких замыканиях;
– ремонт оборудования на ходу;
– самовозгорание промасленной обтирочной ветоши или спецодежды при соприкосновении с горячими частями оборудования.
Для защиты участка от пожара предусматривается наличие стационарных огнетушащих установок, устройства сигнализации загорания. В качестве первичных средств тушения огня применяется: сеть внутреннего пожарного водопровода; огнетушители марки ОХП—10, УО—5; песок (стенды пожарные).
Одним из наиболее важных факторов в оптимальной организации условий работы на машиностроительных предприятиях является правильно спроектированное и рационально выполненное освещение. Оно способствует повышению качества продукции и производительности труда, обеспечению безопасности, снижению утомления и травматизма на производстве, сохраняет высокую работоспособность труда.
Проведём расчёт освещённости рабочего места.
Расчёт освещённости рабочего места по методике, предложенной в [18].
Для освещения производственного помещения применим газоразрядные лампы ЛСП – 01, так как они имеют большую световую отдачу и большой срок службы. В качестве системы освещения выбираем комбинированную систему. В соответствии с выбранной системой освещения и источником света по табл. 2 [18] применим минимальную нормализующую освещённость Ен = 200 кН, а коэффициент запаса k = 1,5. Для расчёта общего равномерного освещения основным является метод светового потока. Световой поток для вибрационных ламп рассчитывается по формуле:
Фп = 100 × Ен ×S×Z×k / N×h(14.1)
где S – площадь освещённого помещения (м2 ), принимаем 200 м2 ;
Z – коэффициент минимальной освещённости, для выбранных ламп Z=1,1
N – число светильников, принимаем N = 25;
h – коэффициент использования светового потока. По [табл.18.4] h = 33%
Подставив данные в формулу 14.1 получим:
Фп = 100 × 200 × 200 × 1,1 × 1,5 / 25 × 33 = 3000 лм
По [табл.18.5] выбираем стандартную лампу ЛБ40 с Фп = 3120 лм и световой отдачей Со = 78 лм/Вт.
Таким образом, потребная мощность электрической установки для создания заданной освещённости равна
NЭ = ФП / СО = 3120 / 78 = 40 Вт (14.2)
Антропогенное воздействие объекта на окружающую среду и мероприятия по экологической безопасности
Не стоит говорить о воздействии предприятия на экологическую обстановку окружающей нас среды. Всем хорошо известно, что абсолютно безотходных предприятий не бывает. Человечество постоянно развивается, совершенствуется, зарождаются новые виды промышленности и переработки сырья, и с отходами этой деятельности необходимо умело обращаться, умело, чтобы окружающая нас среда претерпевала минимальные изменения. Для этого организуется большой комплекс мероприятий.
Вообще, участки и цеха механической обработки являются наиболее безвредными для окружающей среды по сравнению с остальными производственными объектами промышленности и, в частности, машиностроения. Основным загрязнителем является СОЖ и ее пары. Поэтому необходимо произвести очистку воздуха от паров СОЖ и очистку сточных вод цеха.
На нашем участке механической обработки главного гидроцилиндра тормозов следует принять меры по защите окружающей среды от загрязненного воздуха, частично удаляемого из производственного помещения, а также принять меры по обезвреживанию промышленных сточных вод при их выпуске в местное водохранилище.
Для очистки воздуха от туманов масел, СОЖ и других жидкостей будем использовать волокновые и сетчатые туманоуловители, принцип действия которых основан на осаждении капель смачивающей жидкости на поверхности пор с последующим стеканием жидкости под действием сил тяжести. В частности будем использовать низкоскоростной туманоуловитель типа Н-2000 и агрегат АЭ2-12. Очищенный воздух из агрегатов частично будет поступать обратно в помещение цеха, обеспечивая рециркуляцию воздуха, а частично выбрасываться в атмосферу.
Для очистки промышленных сточных вод от нефтепродуктов, жиров и других вредных веществ будем использовать флотационные установки, после прохождения, которых сточные воды частично выпускаются в местное водохранилище через систему канализационных устройств, а частично повторно используются в качестве хозяйственных вод.
Безопасность в чрезвычайных и аварийных ситуациях
Предприятия машиностроения являются важной составной частью военно-экономического потенциала страны, поэтому особое значение приобретает на предприятиях гражданская оборона.
Участок обработки гидроцилиндра отвечает требованиям гражданской обороны. Ширина проходов обеспечивает быстрый выход из корпуса работающих. Для выхода имеется несколько дверей, ведущих на улицу к расположенным там убежищам и в подвалы, которые могут быть использованы в качестве убежищ. На пожарных постах имеются огнетушители, ящики с песком и огнетушители. Вместимость защитных сооружений отвечает нуждам предприятия, защитные свойства убежищ и их санитарно-гигиеническая подготовленность отвечает нормам.
Оборудование на участке надежно прикреплено к полу, его устойчивость хорошо обеспечена. Правильность закрепления станков к фундаменту имеет большое значение.
В случаях объявления тревоги в короткий срок вывешивается стрелки, указывающие кратчайший путь к убежищу.
Для защиты людей и оборудования, при угрозе нападения, здания цехов, оборудование могут обкладываться мешками с песком, для защиты от поражающих факторов ядерного взрыва и падающих обломков разрушенных конструкций. Для повышения устойчивости зданий и сооружений, защиты людей и оборудования оконные проемы закладываются кирпичом. Для защиты ценного оборудования применяются специальные защитные устройства. К ним относятся: камеры - устройства замкнутой формы с полным ограждением оборудования, шатры - устройства замкнутой формы, закрытые с одной или с двух сторон.
Все эти меры и мероприятия ведут к эффективной защите людей и оборудования от воздействия поражающих факторов ядерного взрыва.
Выводы по разделу. В результате оценки ситуации с охраной труда и окружающей среды в проектируемом цехе механической обработки, при учете предусмотренных описанных выше мероприятий, можно сделать вывод о том, что проект соответствует основным современным требованиям безопасности и экологичности производственного предприятия.
Заключение
В данном дипломном проекте была проведена попытка усовершенствовать базовый техпроцесс изготовления корпуса гидроцилиндра тормозов ВАЗ 2108.
Изменения базового техпроцесса состояли в изменении размеров заготовки (в том числе в результате размерного анализа), последовательности обработки отверстия под поршень (точнее, изменении метода черновой обработки), что за счёт применения специального, разработанного на основе научных и патентных исследований, инструмента позволило интенсифицировать процесс резания на лимитирующей позиции автоматической линии, что привело к снижению времени цикла и повышению производительности при обеспечении необходимых качественных показателей, что привело к экономическому эффекту в размере 27214 рублей.
Литература
1. План изготовления детали: методические указания / Сост. Михайлов А.В. – Тольятти: ТолПИ, 1994.
2. Матвеев В.В. Размерный анализ технологических процессов. – М.: Машиностроение, 1982. – 264 с.
3. Размерный анализ технологических процессов / Сост. Михайлов А.В. – Тольятти: ТолПИ, 1993.
4. Юровский П.А., Шевель А.П., Киберов Г.Н. Совершенствование режущих свойств свёрл из быстрорежущей стали на основе анализа качества поверхностного слоя. Прогрессивные конструкции свёрл и их рациональная эксплуатация. Вильнюс, 1974.
5. Смальников Е.А., Жилис В.И., Романаускас П.Б. Химико-термическая обработка свёрл из быстрорежущей стали и её влияние на стойкость. Прогрессивные конструкции свёрл и их рациональная эксплуатация. Вильнюс, 1974.
6. Дубровин И.Ф., Марченко Д.Г., Попов И.Я. Влияние изоляции термо-ЭДС на стойкость свёрл. Прогрессивные конструкции свёрл и их рациональная эксплуатация. Вильнюс, 1974.
7. Синельщихов А.К., Филиппов Г.В. Конструкция и рациональная эксплуатация свёрл с каналом для подвода сож. Прогрессивные конструкции свёрл и их рациональная эксплуатация. Вильнюс, 1974.
8. Прогрессивные режущие инструменты и режимы резания металлов: Справочник / В.И. Баранчиков, А.В. Жарков, Н.Д. Юдина и др.: под общ. ред. В.И. Баранчикова. – М.: Машиностроение, 1990, – 400 с.: ил.
9. Справочник технолога-машиностроителя. В 2х т. / Т.2. Под ред. А.Г. Косимовой. – М.: Машиностроение, 1985, – 496 с.
10. Барановский Ю.В. Режимы резания металлов. Справочник. М.: Машиностроение, 1972, – 408 с.
11. Нефедов Н.А., Осипов К.А. Сборник задач и примеров по резанию металлов и режущему инструменту: Учебное пособие. М.: Машиностроение, 1984, – 400 с.
12. Иноземцев А.К. Проектирование режущего инструмента. М.: Машиностроение, 1973, – 283 с.
13. Егоров Н.Е. Проектирование машиностроительных заводов: 6-е издание. М.: Высшая школа, 1969, – 480 с.


,
,


где
базовый









