Контрольная работа: Розрахунок режимів різання при обробці деталі Шайба ступінчаста
|
Название: Розрахунок режимів різання при обробці деталі Шайба ступінчаста Раздел: Промышленность, производство Тип: контрольная работа | |||||||||||||||||||||||||||||||||||
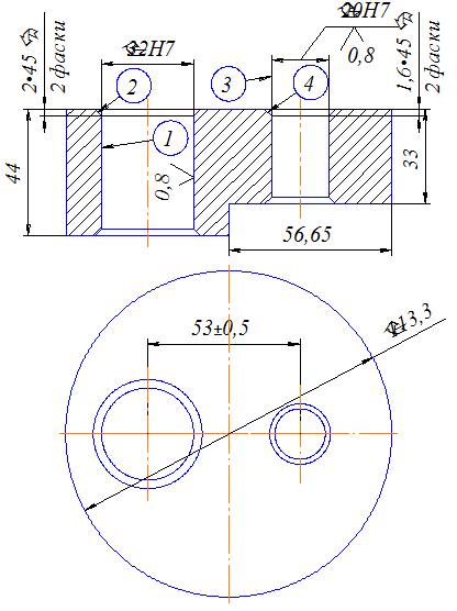
Міністерство освіти і науки України Житомирський державний технологічний університет Кафедра ТМ і КТС Група Контрольна робота з курсу „Теорія різання” ТЕМА: «Розрахунок режимів різання при обробці деталі – Шайба ступінчаста» Виконав: Перевірив: Житомир 1. Вибір деталі та методів обробки Обрана деталь (рис. 1) являє собою ступінчасту шайбу, виготовлену з сірого чавуну СЧ20, σв =196 МПа = 19,6 кг/мм2 ; НВ 170…241.
Рис. 1. Шайба ступінчаста. Ескіз Для подальших розрахунків призначимо наступні методи обробки: 1) обточування діаметру ñ 113,3 мм(токарна операція); 2) фрезерування пазу 56,65 мм (фрезерна операція); 3) свердління отворів 1 і 3 (див. рис. 1) – (свердлильна операція); 4) зенкування фасок 2 і 4 (свердлильна операція); 5) зенкерування отворів 1 і 3 (свердлильна операція); 6) розвертання отворів 1 і 3 (свердлильна операція). Для кожного виду обробки вибираємо різальні інструменти, керуючись рекомендаціями [1], виходячи із оброблюваного матеріалу та заданих початкових умов: – для обточування діаметруñ 113,3 – токарний прохідний різець ГОСТ 18878–73 з пластинами з твердого сплаву ВК6 [с. 120, 1]. – для фрезерування пазу 56,65 мм – фреза торцева насадна ø125 ГОСТ 9473–80, матеріал твердосплавних пластин – ВК6, кількість зубів z =12, ширина B = 42 мм [табл. 94, с. 187, 1]; геометричні параметри фрези за ГОСТ 9473–80; – для свердління отворів 1 і 3 – свердла ø18,5 і ø30 ГОСТ 10903–77 [табл. 42, с. 147, 1], матеріал – швидкорізальна сталь Р6М5; – для зенкування фасок 2 і 4 – конічна зенковка ø22, матеріал – швидкорізальна сталь Р6М5; – для зенкерування отворів 1 і 3 – зенкери ø19,9 і ø31,8 ГОСТ 12489–71, матеріал – швидкорізальна сталь Р6М5; – для розвертання отворів 1 і 3 – розвертки ø20 і ø33 ГОСТ 1672–80, матеріал – швидкорізальна сталь Р6М5. 2. Виконання ескізів Ескіз деталі наведений і п. 1 (рис. 1). Ескізи різальних інструментів (свердла та торцевої фрези) подано на рис. 2 і 3.
Рис. 2. Свердло ø18,5. Ескіз.
Рис. 3. Торцева фреза. Ескіз. 3. Розрахунок режимів різання Для токарної та фрезерної операції визначимо режими різання розрахунково-аналітичним способом, а для свердлильної – табличним способом. 3.1 Розрахунок режимів різання розрахунково-аналітичним методом Токарна операція Оскільки точність поверхні ñ 113,3 після обробки не задана, приймемо для даної поверхні – чорнове точіння. Верстат 16К20. Призначимо глибину різання t = 1 мм. Розрахунок режиму різання будемо вести у такій послідовності: 1. Для чорнового точіння за [табл. 11, с.266, 1] при заданому діаметрі обробки –133,3 мм та глибині різання 1 мм рекомендується подача S = 0,3...0,4 мм/об. Приймаємо подачу за паспортом верстата S = 0,35 мм/об. 2. Швидкості різання визначатимемо за формулами теорії різання, згідно [п. 3, с.265, 1]:
Період стійкості приймемо Т = 30 хв за [с.268, 1]. Значення коефіцієнтів та показників степені знаходимо за [табл. 17, с.270, 1]:
Швидкісний коефіцієнт: В цій формулі: За [табл. 1, с. 261, 1]: За[табл. 5, с. 263, 1]: За[табл. 6, с. 263, 1]: Отже, загальний швидкісний коефіцієнт: Таким чином швидкість різання:
3. Розрахункова частота обертання шпинделя визначається за наступною формулою:
4. Уточнюємо значення швидкості різання:
5. Визначаємо сили різання при обробці: Величини тангенційної PZ , радіальної PY і осьової PX складових сили різання визначаються за формулою:
За [табл. 22, с. 274, 1] знаходимо коефіцієнти для визначення складових сили різання:
Поправочний коефіцієнт на силу різання являє собою добуток наступних коефіцієнтів:
За [табл.9, с.264 і табл.23, с.275, 1] визначаються поправочні коефіцієнти для складових сили різання в залежності від: - механічних властивостей матеріалу, що оброблюється:
Поправочні коефіцієнти що враховують вплив геометричних параметрів: - головного кута в плані: КРφХ = 1; КРφУ =1; КРφZ =1; - переднього кута: КРγХ = КРγУ = КРγZ =1,0; - кута нахилу різальної кромки: КРλХ = 1; КРλУ = 1; КРλZ = 1. Складові сили різання:
6. Потужність різання розраховують за формулою:
7. Визначення основного часу: Основний технологічний час на перехід, підраховується за формулою згідно [р. ІІ , с. 55, 4]:
де l – довжина оброблюваної поверхні (за кресленням) = 44 мм ; l1 – величина на врізання і перебіг інструменту, що визначається за [4].
Фрезерна операція Оскільки точність поверхні 56,6 мм після обробки не задана, приймемо для даної поверхні – чорнове фрезерування. Верстат 6Р12. Призначимо глибину різання t = 1 мм. Розрахунок режиму різання будемо вести у такій послідовності: 1. Визначаємо подачу: Приймаємо подачу на зуб фрези sz в межах 0,14...0,24 мм/зуб за [табл. 33, с. 283, 1] в залежності від потужності верстата (5...10 кВт ), оброблюваного та оброблюючого матеріалів. Враховуючи примітку до [табл. 33, с. 283, 1], оскільки ширина фрезерування більша 30 мм , зменшуємо табличне значення подачі на 30%: sz ≈ 0,1 мм/зуб . Тоді подача на оберт складе:
2. Визначимо швидкість різання (колову швидкість фрези):
де D = 125 мм – діаметр фрези; B = 56,65 мм – ширина фрезерування; z = 12 – кількість зубів інструменту. Значення коефіцієнта СV та показників степенів в цій формулі визначаємо за [табл. 39, с. 288, 1] в залежності від типу фрези, виду операції, матеріалу ріжучої частини: СV = 445, q = 0,2, x = 0,15, y = 0,35, u = 0,2, p = 0, m = 0,32. Т = 180 хв – період стійкості фрези за[табл. 40, с. 290, 1], взалежності від її діаметру; Загальний поправочний коефіцієнт на швидкість різання:
В цій формулі: За [табл. 1, с. 261, 1] поправочний коефіцієнт, що враховує вплив фізико-механічних властивостей оброблюваного матеріалу на швидкість різання для сірого чавуну:
де За [табл. 5, с. 263, 1] визначаємо поправочний коефіцієнт, що враховує вплив стану поверхні заготовки на швидкість різання за: За[табл. 6, с. 263, 1] визначаємо поправочний коефіцієнт, що враховує вплив інструментального матеріалу на швидкість різання: Отже, розрахункова швидкість різання:
3. Розрахунковачастота обертанняінструменту:
4. Хвилинна подача:
5. Узгодимо за паспортними даними верстата і остаточно приймемо фактичну частоту обертання: Тоді фактична хвилинна подача: Уточнимо значенняшвидкості різання:
6. Визначимо значення складових сили різання: Знайдемо значення головної складової сили різання (при фрезеруванні – колова сила):
Значення коефіцієнта Ср та показників степенів в цій формулі визначаємо за [табл. 41, с. 291, 1] в залежності від типу фрези, оброблюваного і оброблюючого матеріалів: Ср = 54,5, q = 1,0, x = 0,9, y = 0,74, u = 1,0, w= 0. Поправочний коефіцієнт на якість оброблюваного матеріалу знаходимо в [табл. 9, с. 264, 1]: Отже, колова сила дорівнює:
Величини решти складових сили різання визначаємо із їх співвідношення з головною складовою – коловою силою за [табл. 42, с. 292, 1]: Горизонтальна сила (сила подачі): Вертикальна сила: Радіальна сила: Осьова сила: 7. Визначимо крутний моментна шпинделі:
8. Ефективнапотужність різання:
9. Основний технологічний час згідно [п. ІІ , с. 190, 4]:
де L – довжина шляху, що проходить інструмент в напрямку подачі; l – довжина оброблюваної поверхні (за кресленням) = 113,3 мм ; l1 – величина на врізання і перебіг інструменту, що визначається за [дод. 4, арк. 6, с. 378, 4] в залежності від типу фрези (торцева), схеми її установки (несиметрична) й ширини фрезерування (за кресленням = 56,65 мм); sхв – хвилинна подача фрези, визначена раніше; 3.2 Розрахунок режиму різання табличним методом Свердлильна операція Обробка проводиться на верстаті 2Н55. Приймаємо попередньо: по карті 46, с. 110, [4] подачу для свердління поверхонь 1 і 3 Для свердла Ø30 мм , група подач I – S =0,47–0,57 мм/об Для свердла Ø18,5 мм , група подач I – S =0,34–0,43 мм/об Узгоджуємо за верстатом: S 1 =0,45 мм/об, S 2 =0,315 мм/об. По карті 58, с. 122, [4] подачу для зенкування поверхонь 1 і 3 Для зенкера Ø19,9 мм и зенкера Ø31,8 мм , група подач II – S =0,7 мм/об. Узгоджуємо за верстатом: S 3 =S4 =0,63 мм/об. Для конічної зенковки (поверхні 2 , 4 ) приймаємо аналогічно, як и для зенкера S=0,7 мм/об Узгоджуємо за верстатом: S 5 =S 6 =0,63 мм/об По карті 62, с. 125, [4] подачу для розвертання поверхні 1 Для розверток Ø20 и Ø32, група подач III – S =1,9 мм/об. Узгоджуємо за верстатом: S7 = S 8 = 1,8 мм/об Швидкість різання попередньо визначаємо по карті 47, с. 111, [4], для свердління поверхонь 1 і 3 . Для обробки чавуну група твердості 170-255 НВ і подачі S =0,4: При діаметрі свердла більше 20:V 1 =31 м/хв. При діаметрі свердла до 20:V 2 =27 м/хв. По карті 60, с. 123, [4], для зенкування поверхонь 1 і 3 для обробки чавуну група твердості 170-255 НВ, подачі S=0,75, зенкер суцільний Р6М5, глибина різання 1мм: V 3 = V 4 =22 м/хв. Приймаємо аналогічну швидкість різання для конічної зенковки (поверхні 2 і 4 ) : V 5 =V 6 =22 м/хв. По карті 64, с. 127, [4], для розвертання поверхонь 1 і 3 для обробки чавуну група твердості 170-255 НВ, подачі S=2: V 7 = V 8 =5,8 м/хв. Знаходимо частоти обертання шпинделя для кожної поверхні: Поверхні 1 , 3 свердління Ø18,5: n 1 =1000V 1 /(pd 1 )=1000*27/(3,14*18,5)=464,6 хв-1 . Приймаємо по верстату n 1 =400 хв-1 . Поверхня 1 , розсвердлювання Ø30. n 2 =1000V 2 /(pd 2 )=1000*31/(3,14*30)=328,9 хв-1 . Приймаємо по верстату n 2 =315 хв-1 . Поверхня 3 , зенкування Ø19,9. n 3 =1000V 3 /(pd 3 )=1000*22/(3,14*19,9)=351,9 хв-1 . Приймаємо по верстату n 3 =315 хв-1 . Поверхня 1 , зенкування Ø31,8. n 4 =1000V 4 /(pd 4 )=1000*22/(3,14*31,8)=220,2 хв-1 . Приймаємо по верстату n 4 =200 хв-1 . Поверхня 2 , зенкування фаски 2х45º конічною зенковкою. n 5 =1000V 5 /(pd 5 )=1000*22/(3,14*(32+2*2))=194,5 хв-1 . Приймаємо по верстату n 5 =200 хв-1 . Поверхня 4 , зенкування фаски 1,6х45º конічною зенковкою. n 6 =1000V 6 /(pd 6 )=1000*22/(3,14*(20+2*1,6))=301,8 хв-1 . Приймаємо по верстату n 6 =315 хв-1 . Поверхня 1 , розвертання Ø32Н7. n 7 =1000V 7 /(pd 7 )=1000*5,8/(3,14*32)=57,7 хв-1 . Приймаємо по верстату n=50 хв-1 . Поверхня 3 , розвертання Ø20Н7. n 8 =1000V 8 /(pd 8 )=1000*5,8/(3,14*202)=92,3 хв-1 . Приймаємо по верстату n 8 =80 хв-1 . Результати розрахунків режимів різання зводимо в табл. 1. Таблиця 1 Режими різання на свердлильній операції
4. Стислі відомості про інструментальні матеріали Матеріал інструментів на свердлувальній операції (зенкерів, свердел, розверток, зенковки) – швидкорізальна сталь Р6М5. Основні відомості щодо матеріалу свердла для обробки отворів визначимо згідно [с. 48, п. 3.4., 5]. Основним легуючим елементом швидкорізальних сталей є вольфрам (Р), який взаємодіє з вуглецем, завдяки чому сталь набуває високої твердості, температуро- і зносостійкості. Окрім того, сталь містить молібден (М), який є хімічним аналогом вольфраму. Легування молібденом сприяє підвищенню теплопровідності сталі. Вольфрамо-молібденові сталі більш пластичні і куються краще, ніж вольфрамові, мають нижчий бал карбідної неоднорідності. До хімічного складу сталі Р6М5 входить 6% вольфраму (W ) та 5% молібдену (Mo ). Сталь Р6М5 доцільно застосовувати при виготовленні інструментів, що використовуються при невеликих швидкостях різання, але з великими перерізами шару, що зрізається, тобто при важкому силовому режимі. Внаслідок високої пластичності сталь придатна для виготовлення інструментів методами пластичного деформування. Основні властивості сталі Р6М5: - твердість: 62...64 HRC; - теплостійкість, θ: 620°С; - границя міцності на згин, σзг : 2900...3100 МПа ; - швидкості різання, v : 25...35 м/хв . Матеріал твердосплавних пластин торцевої фрези та прохідногоо різця – вольфрамовий (однокарбідний) твердий сплав ВК6 [с. 50, п. 3.5., 5]. Основою твердого сплаву ВК6 є карбіди вольфраму (WC ), що мають високу тугоплавкість і мікротвердість, їх зерна з’єднуються між собою кобальтом (Co ). Чим більше в сплаві WC , тим вища твердість і теплостійкість і менша міцність сплаву. Твердий сплав ВК6 характеризується високою твердістю, теплостійкістю та швидкостями різання, проте має відносно низьку міцність на згин. Застосовується для чорнової і напівчистової обробки чавунів і кольорових сплавів. Хімічний склад сплаву ВК6: 6% кобальту (Co ), решта – 94% карбідів вольфраму (WC ). Основні властивості твердого сплаву ВК6: - твердість: 87...90 HRА; - теплостійкість, θ: 800...900 °С; - границя міцності на згин, σзг : 1000...1200 МПа ; - швидкості різання, v : 90...300 м/хв . 5. Встановлення взаємозв’язку елементів режиму різання та параметрів перерізу шару, що зрізається Точіння На (рис. 4) зображені елементи різання при обточуванні заготовки прохідним різцем згідно [6]. Глибина різання рівна припуску на обробку на даному переході: t = 1 мм . Подача на оберт заготовки встановлена у п.3. даної роботи і рівна S = 0,35 мм . Товщина шару, що зрізається, рівна: Ширина шару, що зрізається:
Рис. 4. Елементи різання при розточуванні Торцеве фрезерування
а б Рис. 5. Схеми зрізання припуску при торцевому фрезеруванні На (рис. 5) зображені схеми зрізання припуску при фрезеруванні поверхні торцевою фрезою згідно [с. 228, 6]. На (рис 1, а ) глибина різання t = 1 мм рівна припуску на обробку на заданому переході. В = 56,65 мм – ширина фрезерування (рівна ширині оброблюваного пазу). D = 125 мм – діаметр фрези. Приймемо для нашого випадку симетричне фрезерування (рис. 5). Кут контакту торцевої фрези Свердлильна операція
Рис. 6. Елементи різання при: а – свердлінні, б – розсвердлюванні (розвертанні, зенкеруванні) При свердлуванні в суцільному матеріалі (рис. 6, а) глибина різання рівня половині оброблюваного діаметру (діаметру свердла):
Щоб знайти подачу на зуб інструменту, слід розділити на кількість зубів знайдену в п. 3 подачу на оберт (кількість зубів для свердла – 2): Товщина шару, що зрізається, рівна:
Ширина шару, що зрізається:
При обробці попередньо обробленого отвору (розсвердлювання, зенкерування, розвертання) – рис. 6, б – глибина різання визначається так:
Товщина шару і ширина шару, що зрізаються, визначаються аналогічно. Література 1. Справочник технолога-машиностроителя. В 2-х т./ Под ред. А.Г. Косиловой и Р.К. Мещерякова. – 4-е изд., перераб. и доп. – М.: Машиностроение, 1985. – Т2 – 496 с. 2. Справочник технолога-машиностроителя. В 2-х т./ Под ред. А.Г. Косиловой и Р.К. Мещерякова. – 4-е изд., перераб. и доп. – М.: Машиностроение, 1985. – Т1 – 657 с. 3. Режимы резания металлов: Справочник / Под ред. Ю.В. Барановского. – М.: Машиностроение, 1972. – 364 с. 4. Общемашиностроительные нормативы режимов резания для технического нормирования работ на металлорежущих станках. Часть І. Токарные, карусельные, токарно-револьверные, алмазно-расточные, сверлильные, строгальные, долбежные и фрезерные станки. Изд. 2-е, М: Машиностроение, 1974. – 406 с. 5. Виговський Г.М. Теорія різання: Навч. посібн. – Житомир: ЖДТУ, 2006. – 250 с. 6. Грановский Г.И., Грановский В.Г. Резание металлов: Учебн. для вузов. – М.: Высш. шк., 1985. – 304 с. |



(м/хв).



(мм
).