Курсовая работа: Розробка схеми двокаскадного підсилювача з безпосереднім звязком
|
Название: Розробка схеми двокаскадного підсилювача з безпосереднім звязком Раздел: Рефераты по коммуникации и связи Тип: курсовая работа | ||||||||||||||||||||||||||||||||||||||||||||||||||||||||||||||||||||||||||||||||||||||||||||||||||||||||||||
Зміст Вступ 1. Основні поняттяпро підсилювачі 1.1 Загальні відомості про підсилювачі 1.2 Призначення елементів і принцип роботи підсилювального каскаду за схемою з ЗЕ 1.3 Параметри підсилювачів 2. Розрахунок підсилювача 2.1 Розрахунок режиму роботи транзистора другого каскаду по постійному струму і вибір пасивних елементів схеми: резисторів, конденсаторів 2.2 Розрахунок першого каскаду по змінному струму, що складається з визначення коефіцієнта підсилення, вхідного і вихідного опору каскаду 2.3 Розрахунок номінальних значень пасивних і частотозадающих елементів схеми 3. Заміна розрахункових значень пасивних елементів значеннями з ряду Е24 Висновок Перелік літератури Додаток 1. Вихідні характеристики біполярного транзистора ГТ323Б Додаток 2. Вхідні характеристики біполярного транзистора ГТ323Б Вступ Мета даного курсового проекту: - вивчити методики постановки задачі при проектуванні електричних принципових схем на напівпровідникових приладах, - отримати навички поетапного комплексного схемотехнічного проектування електричних вузлів, - отримати досвід використання сучасних інформаційних технологій і систем імітаційного моделювання. Задача курсового проекту – розробити схему двухкаскадного підсилювача з безпосереднім зв'язком. В даний час в техніці повсюдно використовуються різноманітні підсилювальні пристрої. У кожному радіоприймачі, в кожному телевізорі, в комп'ютері і верстаті з числовим програмним управлінням є підсилювальні каскади. Активним елементом перших підсилювачів була електронна лампа. Такі підсилювачі були громіздкі, споживали багато енергії і швидко виходили з ладу. Тільки у середині минулого століття після довгих наполегливих пошуків і праць нарешті вдалося вперше створити підсилювальний напівпровідниковий прилад, заміняючий електронну лампу. Це важливе відкриття справило великий переворот в радіоелектроніці. Габарити транзисторних підсилювачів стали у декілька разів менше лампових, а споживана потужність - в десятки разів менше. До того ж значно збільшилася надійність. Але науково-технічний прогрес на цьому не зупинився. З'явилася перша мікросхема. Зараз широко застосовуються підсилювачі, повністю зібрані на мікросхемах і мікрозборках. Практично єдина проблема на сьогодні - це відведення тепла. Оскільки могутні підсилювачі розсіюють велику кількість тепла, необхідно інтенсивно відводити це тепло, що не дозволяє зробити могутні підсилювачі мініатюрними. Наступним етапом розвитку є технологія поверхневого монтажу кристалів. Вона забезпечує мініатюризацію радіоелектронної апаратури при зростанні її функціональної складності. Навісні компоненти набагато менші, ніж вмонтовані в отвори, що забезпечує вищу щільність монтажу і зменшує масогабаритні показники. Разом з цим для більшої мініатюризації застосовують мікрозборки і гібридні інтегральні схеми. В даний час багато підсилювачів виконуються на друкарській платі. Застосування друкарської плати дало можливість, в порівнянні з об'ємними конструкціями, збільшити щільність монтажу, надійність, ремонтопридатність, зменшити масу конструкції, розкид параметрів і так далі. У сучасній техніці широко використовується принцип управління енергією, що дозволяє за допомогою витрати невеликої кількості енергії управляти енергією, але у багато разів більшої. Форма як керованої, так і такої, що управляє енергії може бути будь-який: механічної, електричної, світлової, теплової і т.д. Окремий випадок управління енергією, при якому процес управління являється плавним і однозначним і керована потужність перевищує ту, що управляє, носить назву посилення потужності або просто посилення; пристрій, здійснюючий таке управління, називають підсилювачем. Дуже широке застосування| в сучасній техніці мають підсилювачі, у яких енергія, що як управляє, так і керована, є електричною енергією. Такі підсилювачі називають підсилювачами електричних сигналів. Джерело електричної енергії, що управляє, від якого підсилюванні електричні коливання поступають на підсилювач, називають джерелом сигналу, а ланцюг підсилювача, в який ці коливання вводяться - вхідним ланцюгом або входом підсилювача. Джерело, від якого підсилювач одержує енергію, що перетворюється їм в посилені електричні коливання, називається основним джерелом живлення. Окрім нього, підсилювач може мати і інші джерела живлення, енергія яких не перетвориться в електричні коливання. Пристрій, що являється споживачем посилених електричних коливань, називають навантаженням підсилювача або просто навантаженням; ланцюг підсилювача, до якого підключається навантаження, називають вихідним ланцюгом або виходом підсилювача. Підсилювачі електричних сигналів застосовуються в багатьох областях сучасної науки і техніки. Особливо широке застосування підсилювачі мають в радіозв'язку і радіомовленні, радіолокації, радіонавігації, радіопеленгації, телебаченні, звуковому кіно, дротяній телекомунікації, техніці радіовимірів, де вони являються основою побудови всієї апаратури. Окрім вказаних областей техніки, підсилювачі широко застосовуються в телемеханіці, автоматиці, рахунково-вирішальних і обчислювальних пристроях, медичної, музичної і в багатьох інших приладах. 1. Основні поняття 1.1 Загальні відомості про підсилювачі Підсилювачі є одним з найпоширеніших електронних пристроїв, застосовуваних у системах автоматики і радіосхемах. Підсилювачі підрозділяються на підсилювачі попередні (підсилювачі напруги) і підсилювачі потужності. Попередні транзисторні підсилювачі, як і лампові, складаються з одного або декількох каскадів посилення. При цьому всі каскади підсилювача мають загальні властивості, розходження між ними може бути тільки кількісне: різні струми, напруги, різні значення резисторів, конденсаторів і т.п.. Для каскадів попереднього підсилювача найбільш поширені резистивные схеми (з реостатно-ємнісним зв'язком). У залежності від способу подачі вхідного сигналу й одержання вихідного сигналу підсилювальні схеми одержали наступні назви: 1) із загальною базою ЗБ (рис. 1, а); 2) із загальним колектором ЗК (эмиттерный повторювач) (рис. 1, б); 3) із загальним эмиттером - ЗЕ (рис. 1, в).
Рис. 1, а
Рис. 1, б
Рис. 1, в Найбільш розповсюдженої є схема з ЗЕ. Схема з ЗБ у попередніх підсилювачах зустрічається рідко. Эмиттерный повторювач володіє найбільшим із усіх трьох схем вхідним і найменший вихідним опорами, тому його застосовують при роботі з високоомними перетворювачами як перший каскад підсилювача, а також для узгодження з низькоомним навантажувальним резистором. У табл. 1 дається зіставлення різних схем включення транзисторів. Таблиця 1 – Параметри підсилювачів
1.2 Призначення елементів і принцип роботи підсилювального каскаду за схемою з ЗЕ Існує безліч варіантів виконання схеми підсилювального каскаду на транзисторі ЗЕ. Це обумовлено головним чином особливостями завдання режиму спокою каскаду. Особливості підсилювальних каскадів,розглянемо на прикладі схеми рисунока 2, що одержала найбільше застосування при реалізації каскаду на дискретних компонентах. Основними елементами схеми є джерело живлення, керований елемент - транзистор і резистор. Ці елементи утворюють головний ланцюг підсилювального каскаду, у який за рахунок протікання керованого по ланцюгу бази колекторного струму створюється посилена змінна напруга на виході схеми. Інші елементи каскаду виконують допоміжну роль. Конденсатор виключає шунтування вхідного ланцюга каскаду ланцюгом джерела вхідного сигналу по постійному струму, що дозволяє, по-перше, виключити протікання постійного струму через джерело вхідного сигналу по ланцюгу і, по-друге, забезпечити незалежність від внутрішнього опору цього джерела напруги на базі в режимі спокою. Функція конденсатора зводиться до пропускання в ланцюг навантаження змінної складової напруги і затримці постійної складової.
Рис.2 Резистори R1
і R2
використовуються для завдання режиму спокою каскаду. Оскільки біполярний транзистор керується струмом, струм спокою керованого елемента (в данному випадку струм Резистор Конденсатор Назва схеми "із загальним эмиттером" означає, що вивод емітера транзистора по змінному струму є загальним для вхідної і вихідний ланцюга каскаду. Принцип дії каскаду ЗЕ полягає в наступному. При наявності постійних складових струмів і напруг у схемі подача на вхід каскаду змінної напруги приводить до появи змінної складової струму бази транзистора, а, отже, змінного складового струму у вихідному ланцюзі каскаду (у колекторному струмі транзистора). За рахунок спадання напруги на резисторі створюється змінна складової напруги на колекторі, що через конденсатор передається на вихід каскаду - у ланцюг навантаження.
Рис.3 Розглянемо основні положення, на яких базується розрахунок елементів схеми каскаду, призначених для забезпечення необхідних параметрів режиму спокою (розрахунок по постійному струму). Аналіз каскаду по постійному струму проводять графоаналітичним методом, заснованим на використанні графічних побудов і розрахункових співвідношень. Графічні побудови проводяться за допомогою вихідних (колекторних) характеристик транзистора (рис. 3, а). Зручність методу полягає в наочності перебування зв'язку параметрів режиму спокою каскада На вихідних характеристиках мал. 3, а проводять так називану лінію навантаження каскаду по постійному струмі, що представляє собою геометричні місця крапок, координати яких відповідають можливим значенням крапки (режиму) спокою каскаду. У зв'язку з цим побудова лінії навантаження каскаду по постійному струмі зручно провести по двох крапках, що характеризує режим холостого ходу (крапка) і режим спокою (крапка) вихідного ланцюга каскаду (рис. 3, а). Для точки ”а” Для точки ”
де При визначенні змінних складових вихідної напруги каскаду і колекторного струму транзистора використовують лінію навантаження каскаду по змінному струму. При цьому необхідно врахувати, що по змінному струму опір у ланцюзі эмиттера транзистора дорівнює нулеві, тому що резистор
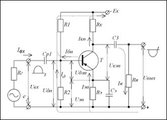
Рис.4 Оскільки при наявності вхідного сигналу напруга і струм транзистора являють собою суми постійна і змінна складових, лінія навантаження по змінному струму проходить через крапку спокою 1.3 Параметри підсилювачів Розглянемо транзистор, включений за схемою ЗЕ з навантаженням у колекторному ланцюзі. Якщо на вхід такого каскаду подати перемінну напругу, то під час позитивної напівхвилі вхідного сигналу буде створюватися струм бази, що викликає струм колектора Ік =bіб + Ік0(1+b). Під час негативної напівхвилі перехід база-эмиттер буде зміщений у зворотному напрямку. Струм бази буде при цьому близький до нуля. Струм колектора зміняться не буде і буде дорівнювати Ік0. Для забезпечення посилення транзистором разнополярного сигналу необхідно послідовно з джерелом сигналу включити в базовий ланцюг джерело постійної напруги, при цьому напруга Uбэ буде складатися з U0 - напруги зсуву і перемінного вхідного сигналу Uвх (t). Величина U0 повинна бути такий, щоб перехід база-емітер був завжди зміщений у прямому напрямку, тобто повинне виконаються умова U0 > Umвх. Напруга Uбэ буде робити коливання щодо постійної складової U0.Це викликає коливання струму бази відносно І0б.Струм І0б називають струмом зсуву. Зміна струму бази викликає зміну струму колектора і напруги на ньому, описуване рівнянням навантажувальної прямої: Uкэ = Eк - Ік Rк. Якщо вхідний сигнал відсутній, і в ланцюзі бази протікає тільки струм зсуву, то для визначення струму колектора, що відповідає струму І0б необхідно знайти крапку перетинання тієї вихідної характеристики з навантажувальної прямої, що відповідає І0б. Цій крапці будуть відповідати струм спокою колектора І0 і напруга спокою колектора U0, що будуть діяти у вихідному ланцюзі при відсутності вхідного сигналу. При зростанні вхідного сигналу до Uвхmax струм бази зросте до Ібmax. При цьому робоча крапка з вихідного положення буде переміщатися нагору до перетинання з характеристикою, що відповідає Ібmax; струм колектора зросте до Ікmax; напруга на колекторі зменшиться до Uкmіn. При зниженні сигналу до нуля, робоча крапка повернеться в колишнє положення. Під час негативної напівхвилі сигналу струм бази зменшиться до Ібmіn і робоча крапка переміститься в крапку, що відповідає Ікmіn на навантажувальній прямій. Таким чином, при коливаннях вхідного сигналу Uвх(t) відносно U0 будуть робити коливання і струм колектора щодо струму спокою І0 і напруга колектора щодо напруги спокою U0к. При цьому позитивній напівхвилі вхідного сигналу Uвх(t) буде відповідати негативна напівхвиля вихідного сигналу Uк. Тобто схема ЗЕ інвертує вхідний сигнал. Для забезпечення однакової можливості посилення як позитивної, так і негативної напівхвиль вхідного сигналу робоча крапка на навантажувальній прямій повинна знаходиться на її середині. Режим роботи транзистора в підсилювальному каскаді характеризується струмом і напругою спокою, тобто вихідних положень робочої крапки на навантажувальній прямій. Виходячи з цього розрізняють: 1) Режим класу А: Робоча крапка знаходиться близько до середини навантажувальної прямої. При цьому транзистор однаково підсилює як позитивну, так і негативну напівхвилю сигналу. Нелінійні перекручування мінімальні. 2) Режим класу В: Робоча крапка в крайнім нижнім положенні. Підсилюються тільки позитивні напівхвилі, тому що негативні замикають перехід база-эмиттер. Це викликає великі перекручування сигналу, тому цей режим використовується в так званих двотактних каскадах, де один транзистор працює на позитивній напівхвилі, а іншої на негативній. Перевагою цього режиму є висока економічність у порівнянні з режимом А. 3) Режим класу АВ: Робоча крапка знаходиться в проміжку між положеннями, що відповідають режимам А и В. Відбувається посилення всієї позитивної і частини негативної напівхвилі. Застосовується в двотактних каскадах і дозволяє значно знизити коефіцієнт гармонік. 4) Режим класу С: У цьому режимі на базу транзистора подається зворотний зсув. При цьому підсилюються тільки частини позитивних напівхвиль, що перевершують напругу зсуву. Режим застосовується, коли не пред'являються вимоги до обмеження перекручувань, і має високу економічність. Робоча крапка знаходиться в положенні, що відповідає режимові В. 5) Режим класу D: У цьому режимі робоча крапка на навантажувальній прямій може знаходиться тільки в двох положеннях: або в крайньому лівому, або в крайньому нижньому. Перехід з одного положення в інше здійснюється дуже швидко. Застосовується в імпульсних і перемикаючих схемах. Для забезпечення того або іншого режиму необхідно забезпечити обране положення робочої крапки на навантажувальній прямій, що здійснюється за рахунок вибору відповідного струму і напруги зсуву в ланцюзі бази. Для режиму В зсуви не потрібні. У підсилювачах електричних сигналів зв'язку між каскадами, з навантаженням, із джерелом живлення можуть здійснюватися різними способами. У підсилювачах постійного струму, у яких нижня гранична частота дорівнює нулеві, цей зв'язок повинний бути безпосередньої (гальванічної) - пропускати як сигнали змімінного, так і постійного струму. У підсилювачах змінного струму зв'язок може здійснюватися за допомогою трансформаторів і емностей. Розглянемо підсилювач постійного струму на транзисторі, включеному за схемою ЗЕ з ємнісним зв'язком між джерелом сигналу і входом підсилювача і між виходом і навантаженням (рис.5) На рис.5: Rк - колекторний опір транзистора, на якому виділяється вихідний посилений сигнал; R1 і R2 - дільник, що забезпечує фіксовану напругу зсуву бази; Rэ - здійснює температурну стабілізацію транзистора негативним зворотним зв'язком (знз) по постійному струмі; Сэ - шунтуюча ємність, що запобігає ЗНЗ по змінному посилюваному сигналу; Ср1 - розділова ємність, що розділяє ланцюг джерела сигналу і вхідний ланцюг транзистора за постійним струмом, і здійснюючий їхній зв'язок по змінному сигналу; Ср2 - розділова ємність, що розділяє вихідний ланцюг транзистора і навантаження по постійному струму, і здійснює їхній зв'язок по змінному.
Рис. 5 Як відомо, транзистор має три виводи, але тільки один з них виявляється загальним для входу і виходу. Таким чином, загальною точкою може бути один із трьох електродів: эмиттер, база, колектор. У даній курсовій роботі вихідний і вихідний каскад включені за схемою з загальним емітером. 2. Розрахунок підсилювача 2.1 Розрахунок режиму роботи транзистора другого каскаду по постійному струму і вибір пасивних елементів схеми: резисторів, конденсаторів Параметри заданого транзистора приведені в таблиці 2. Таблиця 2.
Розрахунок почнемо з вибору струму спокою біполярного транзистора ІK0 . Тому що каскад працює в режимі А, тоді струм колектора вибирається зі співвідношення: Iк0
= На рис. 1 Додатку 1 приведене сімейство вихідних характеристик транзистора. Визначимо положення робочої крапки на вихідній характеристиці обраного транзистора, з огляду на, що він працює в режимі А.
Так як транзистор працює в режимі А, то UКО = ЕП / 2= 10 / 2 = 5 В. Приймемо UКО = 5 В. Струм спокою бази транзистора визначається зі співвідношення:
По двум точкам (IКО , UКО ) = (0,007 А, 5 В) и (0, ЕП ) = (0, 10В) на сімействі вихідних характеристик побудуємо нагрузочную прямую. Робочу точку візьмемо при струмі колектора 3,5 мА, напруга колектор – емитер 7 В. Дільник напруги на резисторах RК1 RVT1 RЭ1 повинний забезпечувати розрахункове значення струму бази. Для цього повинно виконуватися умова Ід ≥3∙ Іб =3∙175=525 (мкА) =0,5 (мА) (4) тоді номінальні значення RK1 і Rе1 можна визначити з умови
де UБ вибираєтся з умови UБ = UБЕ + UЕ – для маломощных германієвих транзисторів UБЭ = 0,35…0,5 В. Для підсилювального каскаду UE за звичай вибирають у межах (0,1…0,3)ЕП .
UБ = UБЕ + UЕ =0,35+1=1,35 (В) (7)
Струм, що проходить через резистор RЕ2 , визначається сумою колекторного і базового струмів
тоді номінальне значення RЕ2 можна визначити за формулі
Загальний опір каскаду, по якому протікає колекторний струм, дорівнює
Розрахунок другого каскаду за зміннім струмом, що складається з визначення коефіцієнта підсилення, вхідного і вихідного опору каскаду. коефіцієнт підсилення за напругою
вхідний і вихідний опори
Вибір транзистора першого каскаду по граничній частоті, максимальній напрузі колектор - эмиттер і максимальному струмові колектора. Основним критерієм вибору типу транзистора для підсилювального каскаду служить допустиме напруження між колектором і эмиттером UКЕ , що визначається з умови UKmax ≥1.4∙ EП =1,4∙10=14 (16) Максимальный ток коллектора транзистора не должен превышать рабочий ток каскада Ід
≥ Під ці параметрі підходить попередньо розрахований транзистор ГТ323Б
Iк0
= Так як, транзистор працює в режимі А,то UКО = ЕП / 2= 10 / 2 = 5 В. Приймемо UК0 = 5 В. Струм спокою бази транзистора визначається зі співвідношення:
По двох точкам (IКО , UКО ) = (0,007 А, 5 В) и (0, ЕП ) = (0, 10 В) на графіку вихідних характеристик будуємо нагрузочну пряму. Робочую точку вибираємо при струмі колектора 3 мА, напруга коллектор – эмиттер 8 В. Дільник напруги на резисторах R1 R2 повинний забезпечувати розрахункове значення струму бази. Для цього повинно виконуватися умова Ід ≥3∙ Іб =3∙87=261 (мкА) (21) тоді номінальні значення R1 і R2 можна визначити з умови
де UБ вибираєтся з умови UБ = UБЭ + UЭ – для малопотужних германієвих транзисторів UБЭ = 0,35…0,5В.
Стум, що проходить через резистор RЕ1 , визначається сумою колекторного і базового струмів
Тоді номінальне значення RЕ1 можна визначити за формулою
2.2 Розрахунок першого каскаду по змінному струму, що складається з визначення коефіцієнта підсилення, вхідного і вихідного опору каскаду Розрахуємо коефіцієнт підсилення по напрузі.
Вхідний і вихідний опори за умовою вхідний опір каскаду дорівнює R вхід=150 Ом, для цього приймемо значення R1 = 12835 Ом, R2 = 19109 Ом. 2.3 Розрахунок номінальних значень пасивних і частотозадающих елементів схеми Тому що коефіцієнт підсилення по напрузі малий, то необхідно його збільшити. Для цього встановлюємо шунтуючі конденсатори СЕ1 и СЕ2 , які усувають зворотний зв'язок по змінній напрузі і тому збільшують коефіцієнт підсилення каскаду.
Коефіцієнт підсилення по напрузі каскаду повинний скласти
Розділові конденсатори С1 і С2 здійснюють гальванічну розв'язку. Їхня ємність вибирається з умови, що
Потужність, що виділяется на транзисторі
що менше 0,250 Вт – гранично максимальної потужності, що розсіюється. 3. Заміна розрахункових значень пасивних елементів значеннями з ряду Е24
Висновок При виконанні даного курсового проекту вивчені методики постановки задачі при проектуванні електричних принципових схем на напівпровідникових приладах, отримані навички поетапного комплексного схемотехнического проектування електричних вузлів, отриманий досвід використання сучасних інформаційних технологій і систем імітаційного моделювання. У даному курсовому проекті розроблена схема двухкаскадного підсилювача з безпосереднім зв'язком. Перелік літератури 1. А.В. Цыкина. Проектирование транзисторных усилителей низкой частоты. – М.: «Связь», 1968. 2. А.К. Криштафович, В.В. Трифонюк. Основы промышленной электроники. - М.: Высшая школа, 1985 3. А.К. Касаткин, М.В. Немцов. Электротехника, 4-е изд. - М.: Энергоатомиздат, 1983 4. А.Г. Морозов. Электротехника, электроника, импульсная техника. - М.: Высшая школа, 1987 5. В.П. Бабенко, Г.И. Изъюрова - “Основы радиоэлектроники”. Пособие по курсовому проектированию - М: МИРЭА, 1985 г. 6. Н.Н. Горюнов - “Полупроводниковые приборы: транзисторы” Справочник - М: “Энергоатомиздат”, 1985 г. Додаток 1. Вихідні характеристики біполярного транзистора ГТ323Б
Додаток 2. Вхідні характеристики біполярного транзистора ГТ323Б
|
||||||||||||||||||||||||||||||||||||||||||||||||||||||||||||||||||||||||||||||||||||||||||||||||||||||||||||








