Контрольная работа: Безопасность жизнедеятельности на производстве 2 2
|
Название: Безопасность жизнедеятельности на производстве 2 2 Раздел: Рефераты по безопасности жизнедеятельности Тип: контрольная работа |
План Введение 1. Из каких разделов состоит курс «Безопасность жизнедеятельности». Какие основные вопросы рассматриваются в каждом из этих разделов? 2. Какие льготы установлены для лиц, работающих на производстве с вредными условиями труда? 3. Какие существуют методы исследования причин травматизма? 4. Какие существуют индивидуальные средства борьбы с шумом? С вибрацией? 5. Опишите принцип действия защитного заземления, зануления и отключения. Приведите порядок расчёта систем защитного заземления 6. Как организована пожарная охрана в России? Какова структура пожарной охраны на Вашем предприятии? Заключение Литература Введение Дисциплина «Безопасность жизнедеятельности» (БЖД) оформилась путем слияния ряда дисциплин, имеет научное и практическое значение, а также прикладную направленность. Развитие безопасности жизнедеятельности связано с именами крупнейших российских ученых. Основоположник отечественной науки М.В.Ломоносов положил начало научным разработкам в области охраны труда (в металлургии, теории атмосферного электричества). Роль центральной нервной системы и органов чувств в процессе труда обосновал великий физиолог И.М. Сеченов. Большой вклад в науку об охране труда внесли Н.Н. Семенов (теория горения, взрыва, детонации), А.А. Скочинский (взрывы угольной пыли, силикозные заболевания), Н.Д. Зелинский (создание противогаза), А.А. Пресс, П.Э. Синев и др. Научными исследованиями в области безопасности жизнедеятельности занимаются научно-исследовательские организации и лаборатории разных регионов России. Жизнедеятельность - это способ существования человека, т. е. его повседневная трудовая, бытовая и другая деятельность, включая отдых. Жизнедеятельность человека протекает в биосфере, т. е. в области распространения жизни на Земле. В биосфере выделяют техносферу - регион города или промышленной зоны, производственную или бытовую среду, где и протекает современная жизнь человека. Практически все опасные и вредные факторы созданы в результате деятельности человека. Поэтому мы придерживаемся общепринятого определения, что безопасность жизнедеятельности это наука о безопасном взаимодействии человека с техносферой. 1. Из каких разделов состоит курс «Безопасность жизнедеятельности». Какие основные вопросы рассматриваются в каждом из этих разделов. Курс «Безопасность жизнедеятельности» состоит из 4 разделов: 1. Человек и среда обитания. Антропогенные опасности и защита от них. 2. Техногенные опасности и защита от них. 3. Защита населения и территории от опасностей. 4. Управление безопасностью жизнедеятельности. В первом разделе говорится, что в жизненном цикле человек и окружающая его среда обитания образуют постоянно действующую систему «человек – среда обитания». Среда обитания – окружающая человека среда, обусловленная в данный момент совокупностью факторов (физических, химических, биологических, социальных), способных оказывать прямое или отдалённое воздействие на деятельность человека, его здоровье и потомство. Этот раздел состоит из глав, в которых говорится об опасностях и вредных факторах влияющих на человека, а значит и на его здоровье. Для ограничения неблагоприятных воздействий вредных веществ на организм приводятся предельно допустимые концентрации различных веществ в воздухе. Рассказывается о применении средств индивидуальной защиты от воздействия вредных веществ. Большую роль на самочувствие человека и его работоспособность оказывают параметры микроклимата, приводятся нормы параметров, мероприятия по их оптимизации. Затрагивается тема рационального освещения рабочих мест – правильно устроенное освещение уменьшает зрительную и общую утомляемость работающего, обеспечивает хорошую видимость и создает благоприятные условия труда. В главе «Защита от производственных шумов и вибрации» говорится о шуме, который также оказывает вредное воздействие на организм человека или мешает воспринимать полезный сигнал. Существуют нормы параметров шума, методы ограничения и устранения вредного влияния на человека производственных шумов и вибраций. Второй раздел «Техногенные опасности и защита от них». На производстве автоматизация коренным образом меняет характер труда. Наряду с созданием машин – автоматов разрабатываются устройства автоматизации работы на машинах, то есть проводится оснащение машин неавтоматического действия типовыми устройствами автоматизации, как правило, не затрагивающих конструкции самой машины. Существуют средства автоматического контроля, при котором обеспечивается непрерывное наблюдение за ходом технологического процесса. В процессе действия машины возникает опасная зона – пространство, ограниченное крайними точками движения рабочего инструмента или перемещающихся частей. Для защиты рабочего от случайного прикосновения с движущимися частями разрабатываются ограждающие и защитные блокирующие устройства. Существует ГОСТ для оградительных устройств защиты от механического травмирования. ГОСТ 12.1.019 – 79 «Электробезопасность. Общие требования» устанавливает, что опасное и вредное воздействие на человека электрического тока, электрической дуги и электромагнитных полей зависит от рода, силы, напряжения, частоты электрического тока, пути его прохождения через тело человека, продолжительности воздействия, условий внешней среды, а также состояния человека. В соответствии с этим ГОСТом электробезопасность человека должна обеспечиваться конструкцией электроустановок, техническими способами и средствами защиты, организационными и техническими мероприятиями. Рассматривается безопасность при работе на подъёмно-транспортных устройствах. Как в мирное, так и в военное время могут происходить события, которые носят чрезвычайный характер. Почти ежедневно средствами массовой информации сообщается о происходящих в различных регионах нашей страны авариях и катастрофах, вызванных стихийными бедствиями или крупными производственными авариями. При этом, несмотря на новые политические реалии, решать споры между государствами по экономическим, политическим, территориальным, этническим, религиозным или другим вопросам мирным путем не всегда удается, поэтому продолжают существовать для нашей страны источники военной опасности, которые при определенных условиях способны привести к возникновению войны. С учетом этого, стремясь к созданию безопасных технологий, повышая надежность сложных производств, изыскивая способы противодействия стихийным силам природы, решая вопросы создания благоприятных внешних и внутренних условий для мирной жизни и труда населения, страна должна быть готова к опасностям, возникающим как в мирное, так и в военное время. Чрезвычайные ситуации (ЧС) мирного и военного времени, сопровождающиеся разрушением зданий, сооружений, инженерных коммуникаций, промышленных и энергетических объектов, оборудования, материальных ценностей, увечьем и гибелью людей требуют принятия экстренных мер по ликвидации их последствий. Вот почему сегодня вопрос защиты промышленных объектов экономического потенциала страны в чрезвычайных ситуациях мирного, так и военного времени является исключительно актуальным и эта тема рассматривается в 3 разделе «Защита населения и территории от опасностей в чрезвычайных ситуациях». Раздел 4 посвящён основам законодательства Российской Федерации. Рассматриваются: федеральный закон «Об основах охраны труда в РФ», трудовой кодекс РФ, нормативные правовые акты, содержащие государственные требования охраны труда, система стандартов безопасности труда. Также в этом разделе рассматриваются экономические последствия и возможные подсчеты по формулам размеры ущерба. 2. Какие льготы установлены для лиц, работающих на производстве с вредными условиями труда? Одним из основных направлений государственной политики в области охраны труда является предоставление работникам льгот и компенсации за тяжелые работы и работы с вредными или опасными условиями труда. Это закреплено Основами законодательства РФ об охране труда (статья 3) и Кодексом законов о труде РФ. Работникам предоставляются следующие льготы и компенсации: - для работников, занятых на работах с вредными условиями труда, устанавливается сокращенная продолжительность рабочего времени - не более 36 часов в неделю (статья 44 КЗоТ РФ); - работникам, занятым на работах с вредными условиями труда, предоставляются ежегодные дополнительные отпуска (статья 68 КЗоТ РФ, в ред. Закона РФ от 25.09.92 № 3543-1) и сокращенный рабочий день работникам в соответствии со «Списками производств, цехов, профессий и должностей с вредными условиями труда», утверждённый постановлением Госкомтруда СССР и Президиума ВЦСПС от 25 октября 1974 года № 298/П - 22; - на работах с вредными условиями труда, а также на работах, производимых в особых температурных условиях или связанных с загрязнением, работникам выдается, бесплатно по установленным нормам специальная одежда, специальная обувь и другие средства индивидуальной защиты (статья 149 КЗоТ РФ); - на работах с вредными условиями труда работникам выдаются бесплатно по установленным нормам молоко или другие равноценные пищевые продукты (статья 151 КЗоТ РФ); - на работах с особо вредными условиями труда предоставляется бесплатно по установленным нормам лечебно-профилактическое питание (статья 151 КЗоТ РФ); - на работах, связанных с загрязнением, работникам выдается бесплатно по установленным нормам мыло. На работах, где возможно воздействие на кожу вредно действующих веществ, выдаются бесплатно по ycтановленным нормам смывающие и обезвреживающие средства (статья 150 КЗоТ РФ); - при выполнении работ в условиях труда, отклоняющихся от нормальных (тяжёлые работы, работы с вредными условиями труда, работы в местностях с тяжелыми-климатическими условиями, работы в сверхурочное время, работы в ночное время и другие), предприятия обязаны производить работникам соответствующие доплаты. Размеры доплат и условия их выплаты устанавливаются предприятиями самостоятельно и фиксируются в коллективных договорах (положениях об оплате труда). При этом размеры доплат не могут быть ниже установленных законодательством (статьи 82, 85-1, 88, 89, 90 КЗоТ РФ). Льготы и компенсации предоставляются на основании списков и перечней производств, работ, профессий, должностей и показателей, утвержденных в установленном порядке на федеральном уровне. В соответствии со статьей 13 Закона РФ от 11 марта 1992 года «О коллективных договорах и соглашениях» работникам согласно коллективнoмy договору могут предоставляться более льготные трудовые и социально-экономические условия по сравнению с нормами и положениями, установленными законодательством. На основании действующих списков и перечней на предприятии комиссионно с учетом специфики производства, результатов aттeстaции рабочих мест определяется перечень профессий и работ, за выполнение которых предоставляются те или иные льготы и компенсации за работы в неблагоприятных условиях труда. 3. Какие существуют методы исследования причин травматизма? Производственная травма представляет собой внезапное повреждение организма человека и потерю им трудоспособности, вызванные несчастным случаем на производстве. Повторение несчастных случаев, связанных с производством, называется производственным травматизмом. Производственный травматизм сопровождается негативными производственными и социальными последствиями, что предопределяет необходимость проведения соответствующих мер по его предупреждению на объектах экономики. Одним из важнейших условий борьбы с производственным травматизмом является систематический анализ причин его возникновения, которые подразделяются на технические и организационные. Технические причины в большинстве случаев проявляются как результат конструктивных недостатков оборудования, недостаточности освещения, неисправности защитных средств, оградительных устройств и т. п. К организационным причинам относятся, несоблюдение правил техники безопасности из-за неподготовленности работников, низкая трудовая и производственная дисциплина, неправильная организация работы, отсутствие надлежащего контроля за производственным процессом и др. Анализ причин несчастных случаев на производстве проводят с целью выработки мероприятий по их устранению и предупреждению. Для этого используются монографический, топографический и статистический методы. Монографический метод предусматривает многосторонний анализ причин травматизма непосредственно на рабочих местах. При этом изучают организацию и условия труда, состояние оборудования, инвентаря, инструментов. Этот метод эффективен при статистическом анализе состояния охраны труда. Топографический метод анализа позволяет установить место наиболее частых случаев травматизма. Для этого на плане-схеме предприятия, где обозначены рабочие места и оборудование, отмечают количество несчастных случаев за анализируемый период. Это позволяет уделить больше внимания улучшению условий труда на рабочих местах, где наиболее часто происходят несчастные случаи. Статистический метод анализа основан на изучении количественных показателей данных отчетов о несчастных случаях на предприятиях и в организациях. При этом используются в основном коэффициенты частоты и тяжести травматизма. Коэффициент частоты (К) определяет число несчастных случаев на 1000 работающих за отчетный период. Коэффициент тяжести травматизма (Кт ) показывает среднее количество дней нетрудоспособности, приходящееся на один несчастный случай за отчетный период. На основе всестороннего анализа условий труда администрация и служба охраны труда предприятий проводят: · инструктаж и обучение работников по технике безопасности; · оперативный контроль за исправностью оборудования, обеспечением работников индивидуальными защитными средствами и спецзащитой; · контроль за выполнением трудового законодательства, инструкций и положений по технике безопасности; · проведение дней охраны труда и общественных смотров по технике безопасности на предприятиях и стройках. 4. Какие существуют индивидуальные средства борьбы с шумом, с вибрацией? Ряд операций технологических процессов производства легкой промышленности сопровождается шумом и вибрацией, в настоящее время технически трудно устранимыми. В таких случаях единственной мерой защиты являются индивидуальные защитные приспособления, обеспечивающие необходимое ослабление шума и вибрации. Наиболее эффективными и удобными приспособлениями являются наружные противошумы (противошумные наушники ВЦНИИ-ОТ2М), надежно защищающие от шума, особенно при частотах от 1000 до 7000 Гц. Применяемые вкладыши и заглушки, изготовляемые из легкого каучука, резины, эбонита, пластмасс, снижают уровень среднечастотного шума до 30 дБ. Также удовлетворительно защищают органы слуха внутренние противошумы, представляющие собой тампоны из специального волокна, закладываемые в ушные раковины. Однако при длительном пользовании внутренними противошумами нарушаются правильное кровообращение и обмен воздуха и не исключена опасность внесения инфекции в область органа слуха. Защита от вредного воздействия вибрации при работе с ручным пневматическим и вибрационным инструментами весьма сложна и производится по следующим направлениям: применение вибрационных рукояток, использование облегченных и двойных ударников, имеющих смещение по фазе. Индивидуальные средства защиты от вредного локального воздействия вибрации в отдельных случаях могут снизить параметры вибрации в 3…4 раза. К числу этих средств относятся: специальные перчатки или рукавицы, имеющие в ладонной части утолщенную прокладку из пористой резины; специальная обувь, имеющая виброгасящую вкладную стельку. 5. Опишите принцип действия защитного заземления, зануления и отключения. Приведите порядок расчёта систем защитного заземления Защитное заземление или зануление (в соответствии с ГОСТ 12.1.030-81) должно обеспечивать защиту людей от поражения электрическим током при прикосновении к металлическим нетоковедущим частям, которые могут оказаться под напряжением в результате повреждения изоляции. Защитное заземление представляет собой преднамеренное электрическое соединение земли или ее эквивалента (заземлителей) и металлических частей электроустановки, не находящихся под напряжением, но могущих оказаться под таковым в случае возникновения пробоя в электрооборудовании. Благодаря наличию защитного заземления между корпусом защищаемой установки и землей создается замкнутая электрическая цепь достаточно малого сопротивления. При замыкании какой-либо фазы на корпус заземленного электродвигателя образуется цепь замыкания через точку замыкания и заземляющее устройство. Человек, случайно коснувшийся в это время корпуса, включится в цепь замыкания тока параллельно цепи заземляюшего устройства, при этом он подвергается воздействию разности потенциалов, которая возникает в цепи тока замыкания на землю между точками прикосновения и является частью напряжения по отношению к земле. Заземлению подлежат корпуса электрических машин, трансформаторов, аппаратов, каркасы распределительных щитов, щитов управления, металлические конструкции распределительных устройств, металлические оболочки кабелей, стальные трубы электропроводок и др. Защитное заземление рассчитывают в следующем порядке. 1. Выбирают нормируемое сопротивление Rз . При использовании одновременно искусственных и естественных заземлителей сопротивление естественных заземлителей Re определяют по формуле ПУЭ, а сопротивление искусственных заземлителей Rn = Re Rз /(Re - Rз ).
Рис. 1. Контурное (а) и очаговое (б) защитные заземления: 1- электродвигатели (объекты заземления); 2 – заземляющие шины внутреннего контура; 3 – заземлители; 4 – соединяющие шины; 5 – соединительные провода; а – расстояние между заземлителями; 𝒍 – длина заземлителя. 2. Находят сопротивление одиночного вертикального заземлителя (трубы или уголка) Rтp . 3. Определяют ориентировочное число вертикальных заземлителей с учетом коэффициента экранирования n = Rтр / Rз h, затем это число уточняют. 4. Находят длину соединительной полосы 5. Определяют сопротивление соединительной полосы Rп с учётом коэффициента ее экранирования. 6. Проверяют результирующее сопротивление Rп = Rтр Rп /(Rтр + Rп )Rз . В связи с тем, что сопротивление заземляющего устройства растеканию тока со временем изменяется, его проверяют не реже двух раз в год (летом при наибольшем просыхании грунта и зимой при наибольшем промерзании его). Зануление состоит в преднамеренном соединении металлических нетоковедущих частей оборудования, которые могут оказаться под напряжением вследствие пробоя изоляции, с нулевым защитным проводником (рис. 2.) При замыкании любой фазы на корпус образуется контур короткого замыкания, характеризуемый силой тока весьма большой величины, достаточной для выбивания предохранителей в фазных питающих проводах. Таким образом, электроустановка обесточивается. Предусматривается повторное заземление нулевого проводника на случай обрыва нулевого провода на участке, близком к нейтрали. По этому заземлению ток стекает на землю, откуда попадает в заземление нейтрали, по нему - во все фазные провода, включая имеющий пробитую изоляцию, далее на корпус. Таким образом образуется контур короткого замыкания.
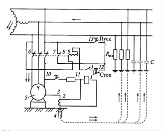
Рис. 2. Схема зануления в трёхфазной четырехпроводной сети с заземлённой нейтралью: 1 – трансформатор; 2 – сеть; 3 – предохранитель; 4 – обмотка электродвигателя; 5 – корпус электродвигателя; 6 – зануляющий проводник; 7 – нулевой защитный проводник; 8 – сопротивление заземления нейтрали Защитное отключение элекmроусmановок обеспечивается путем введения устройства, автоматически отключающего оборудование, - потребитель тока при возникновении опасности поражения током. Схемы отключающих автоматических устройств весьма разнообразны. Во всех случаях система срабатывает на превышение какого-либо параметра в электрических цепях технологического оборудования (силы тока, напряжения, сопротивления изоляции). На рис. 3 представлена схема защитного отключения с использованием реле максимального тока. В установках с напряжением до 1000 В и заземленной нейтралью при однофазном замыкании тока на корпус необходимо обеспечивать мгновенное отключение аварийного участка сети. Для этого оборудование, подлежащее заземлению, электрически соединяют с четвертым нулевым проводом, при этом однофазное замыкание на корпус будет коротким замыканием, что приведет к мгновенному срабатыванию защиты и обесточиванию поврежденного участка сети для выравнивания потенциалов нулевой провод многократно заземляют.
Рис. 3. Принципиальная схема устройства защитного отключения: 1 – реле максимального тока; 2 – трансформатор тока; 3 – проводник; 4 – заземлитель; 5 – электродвигатель; 6 – пускатель; 7 – блок-контакты; 8 – сердечник; 9 – катушка; 10, 12, 13 – кнопки; 11 – вспомогательное сопротивление. Устройство систем защитного заземления или зануления, является обязательным для всех производственных установок. В установках с напряжением до 1000В находят применение системы автоматического защитного отключения, обеспечивающие безопасность путём мгновенного обесточивания аварийного участка при возникновении замыкания на корпус или на землю. Весьма целесообразно применение защитного отключения при временной эксплуатации наружных электроустановок, а также в тех случаях, когда устройство заземления связано с большими трудностями (скалистый грунт, большое удельное сопротивление почвы.) 6. Как организована пожарная охрана в России? Какова структура пожарной охраны на Вашем предприятии? Защищенность личности, материальных и культурных ценностей нашего общества от пожаров согласно российскому законодательству рассматривается как элемент национальной безопасности и одна из важнейших функций государства. Общие правовые, экономические и социальные основы обеспечения пожарной безопасности в РФ определяет Федеральный закон от 21 декабря 1994г. № 69-ФЗ "О пожарной безопасности", регулирующий отношения между органами государственной власти, органами местного самоуправления, юридическими лицами независимо от организационно-правовых форм и видов собственности, а также между общественными объединениями, должностными лицами, гражданами РФ, иностранными гражданами, лицами без гражданства. Обеспечение пожарной безопасности является одной из важнейших функций государства. Основным видом пожарной охраны в стране является Государственная противопожарная служба (ГПС), наделенная полномочиями федерального надзора и являющаяся центральным звеном системы обеспечения пожарной безопасности в РФ. Общее руководство по обеспечению пожарной безопасности в стране осуществляет Правительство РФ, в субъектах Федерации, районе, поселке, сельском населенном пункте - соответствующие администрации. В отраслях народного хозяйства руководители министерств, ведомств, объединений, организаций или фирм. Пожарная охрана подразделяется на следующие виды: · государственная противопожарная служба; · муниципальная пожарная охрана; · ведомственная пожарная охрана; · частная пожарная охрана; · добровольная пожарная охрана. Основными задачами пожарной охраны являются: · организация и осуществление профилактики пожаров; · спасение людей и имущества при пожарах; · организация и осуществление тушения пожаров и проведения аварийно-спасательных работ. Государственная противопожарная служба является составной частью сил обеспечения безопасности личности, общества и государства и координирует деятельность других видов пожарной охраны. В Государственную противопожарную службу входят: · федеральная противопожарная служба; · противопожарная служба субъектов Российской Федерации. Федеральная противопожарная служба включает в себя: · структурные подразделения центрального аппарата федерального органа исполнительной власти, уполномоченного на решение задач в области пожарной безопасности, осуществляющие управление и координацию деятельности федеральной противопожарной службы; · структурные подразделения территориальных органов федерального органа исполнительной власти, уполномоченного на решение задач в области пожарной безопасности, - региональных центров по делам гражданской обороны, чрезвычайным ситуациям и ликвидации последствий стихийных бедствий, органов, уполномоченных решать задачи гражданской обороны и задачи по предупреждению и ликвидации чрезвычайных ситуаций по субъектам Российской Федерации; · органы государственного пожарного надзора; · пожарно-технические, научно-исследовательские и образовательные учреждения; · подразделения федеральной противопожарной службы, созданные в целях обеспечения профилактики пожаров и (или) иx тушения в организациях (объектовые подразделения); · подразделения федеральной противопожарной службы, созданные в целях организации профилактики и тушения пожаров в закрытых административно-территориальных образованиях, а также в особо важных и режимных организациях (специальные и воинские подразделения). Организационная структура, полномочия, задачи, функции, порядок деятельности федеральной противопожарной службы определяются положением о федеральной противопожарной службе, утверждаемым в установленном порядке. Противопожарная служба субъектов Российской Федерации создается органами государственной власти субъектов Российской Федерации в соответствии с законодательством субъектов Российской Федерации. Структура пожарной охраны на моём предприятии Пожар может привести к очень неблагоприятным последствиям (потеря ценной информации, порча имущества, гибель людей и т.д.), поэтому на рабочем месте необходимо: выявить и устранить все причины возникновения пожара; разработать план мер по ликвидации пожара в здании; иметь план эвакуации людей из здания. Профилактика пожара.Пожарная профилактика представляет собой комплекс организационных и технических мероприятий, направленных на обеспечение безопасности людей, на предотвращении пожара, ограничение его распространения, а также создание условий для успешного тушения пожара. Для профилактики пожара чрезвычайно важна правильная оценка пожароопасности здания, определение опасных факторов и обоснование способов и средств пожаропредупреждения и защиты. Одно из условий обеспечения пожаробезопасности - ликвидация возможных источников воспламенения. На моём предприятии источниками воспламенения могут быть: – неисправное электрооборудование, неисправности в электропроводке, электрических розетках и выключателях, курение в неположенных местах. Для исключения возникновения пожара по этим причинам необходимо вовремя выявлять и устранять неисправности, проводить плановый осмотр и своевременно устранять все неисправности: – необходим своевременный ремонт электроприборов, качественное исправление поломок, не использование неисправных электроприборов; – обогревание помещения электронагревательными приборами с открытыми нагревательными элементами, которые могут привести к пожару; – короткое замыкание в электропроводке, необходимо, чтобы электропроводка была скрытой; – попадание в здание в летний период во время грозы молнии, вследствие чего возможен пожар. Во избежание этого установлен на крыше здания молниеотвод; – курение в помещении и несоблюдение мер пожарной безопасности также может привести к пожару. Курение разрешено только в строго отведенном для этого месте. В целях предотвращения пожара на предприятии с персоналом проводится противопожарный инструктаж, на котором знакомят работников с правилами противопожарной безопасности, а также обучают правильному использованию первичных средств пожаротушения. В случае возникновения пожара необходимо отключить электропитание, вызвать по телефону пожарную команду, эвакуировать людей из помещения согласно плану эвакуации и приступить к ликвидации пожара огнетушителями. При наличии небольшого очага пламени можно воспользоваться подручными средствами с целью прекращения доступа воздуха к объекту возгорания. Заключение На большинстве предприятий широко применяются высокотоксичные, легковоспламеняющиеся вещества, различного рода излучения, технологические процессы зачастую сопровождаются значительными уровнями шума, вибрации, ультра- и инфразвука, жесткими и стабильными параметрами микроклимата, большинство операций производится в условиях высокого зрительного напряжения, запыленности и загазованности. В то же время на многих предприятиях используются высокомеxaнизированное и автоматическое оборудование, поточно - механизированные линии и другие современные станки и оборудование. В связи с этим увеличивается потенциальная опасность возникновения травмоопасных ситуаций, степень риска возникновения профессионального заболевания, существенного воздействия условий труда на состояние здоровья работающих. Иными словами, все это разнообразие, сложность и новизна технологий определяют в свою очередь многообразие, сложность и новизну проблем безопасности, причем решать их часто приходится в сжатые сроки, не прерывая производство. Сложность технологических процессов, высокие требования к точности технологических режимов в значительной мере исключают возможность непосредственного воздействия на технологические пpoцессы для повышения безопасности, т. е. исключается «борьба в источнике». Поэтому центр тяжести мероприятий переносится на создание новых технологий, а также устройств снижающих вредное влияние технологических процессов на обслуживающий персонал, на создание эффективных организационных и управленческих воздействий. Таким образом, учитывая вышеизложенное, можно говорить об актуальности, необходимости и одновременно значительной методологической сложности изучения проблем производственной безопасности. Литература 1. Безопасность жизнедеятельности, Э.А. Арустамов, Москва, 2008 год. 2. Безопасность жизнедеятельности в лёгкой промышленности, В.А. Кравец, Москва, 2006 год. 3. Безопасность жизнедеятельности, С.В. Белова, Москва, 2001 год. 4. Безопасность технологических процессов и производств. Охрана труда, П.П. Кукин, Москва, 1999 год. 5. Энциклопедия Российского Права (9 декабря 1971 года) – Кодекс законов о труде Российской Федерации. |


