Курсовая работа: Расчет выпрямителя расчет транзисторного усилительного каскада синтез логических схем
|
Название: Расчет выпрямителя расчет транзисторного усилительного каскада синтез логических схем Раздел: Рефераты по коммуникации и связи Тип: курсовая работа | |||||||||||||||||||||||||||||||||||||||||||||||||||||||||||||||||||||||||||||||||||||||||||||||||||||||||||||||||||||
Министерство транспорта Российской Федерации Федеральное агентство железнодорожного транспорта Государственное образовательное учреждение высшего профессионального образования Омский государственный университет путей сообщения (ОмГУПС) Кафедра «Электрические машины и общая электротехника» РАСЧЕТ ВЫПРЯМИТЕЛЯ, РАСЧЕТ ТРАНЗИСТОРНОГО УСИЛИТЕЛЬНОГО КАСКАДА, СИНТЕЗ ЛОГИЧЕСКИХ СХЕМ Пояснительная записка к курсовой работе по дисциплине «Электротехника и электроника» Выполнил: ст. гр. 6123 _________ И.А. Анисимова Подпись Фамилия И.О. « » 2009 г Проверил: доцент кафедры ЭМ и ОЭ ____________ П.К. Шкодун Подпись Фамилия И.О. « » 20__ г Омск 2009 Задание 1. Расчет выпрямителя В процессе выполнения задания необходимо: 1) выбрать схему выпрямителя и фильтра; 2) рассчитать режимы работы элементов; 3) определить тип вентиля, параметры трансформатора; 4) рассчитать значения элементов сглаживающего фильтра; 5) построить внешнюю характеристику выпрямителя. Рассчитать выпрямитель по следующим исходным данным: номинальное выпрямленное напряжение Ud н = 160 В, номинальный выпрямленный ток Id н = 16 А, коэффициент пульсаций на выходе kп вых = 0,005, напряжение сети Uс = 220 В с частотой fс = 50 Гц. 2. Расчет транзисторного усилительного каскада В процессе выполнения задания необходимо определить: - положение рабочей точки покоя и соответствующие ей значения токов - диапазон изменения входного ±Uт вх и выходного ± Uт вых напряжения; -значения сопротивлений резисторов R1 , R2 , Rэ , Rк и емкости конденсаторов Сэ , Ср1 и Cp 2 , - параметры усилительного транзисторного каскада: входное Rкаск вх и выходное Rкаск вых сопротивления, коэффициенты усиления по току KI , напряжению Ки и мощности КР . Тип биполярного транзистора для усилительного каскада МП41А. Предельно допустимые и hб -параметры транзисторов приведены в таблице 2.1. Напряжение источника питания Eк =13,5 В. 3. Синтез логических схем Необходимо выполнить: 1. Представить данную функцию таблицей истинности 2. Записать СДНФ и СКНФ 3. Минимизировать функцию алгебраическим методом 4. Составить карту Карно 5. Минимизировать функцию методом карт Карно 6. Реализовать функцию на логических элементах базисов И-ИЛИ-НЕ, И-НЕ и ИЛИ-НЕ. Исходные данные: f= {4, 6, 7} а, b, с. Реферат Курсовая работа содержит 30 страниц, 14 рисунков, 2 табл., 3 приложения, 4 источника. ВЫПРЯМИТЕЛЬ, ВЕНТИЛЬ, СОПРОТИВЛЕНИЕ, ТРАНЗИСТОР, ЛОГИЧЕСКАЯ СХЕМА, КАРТЫ КАРНО, ТАБЛИЦА ИСТИННОСТИ, ФИЛЬТР, РЕЖИМ Цель работы: закрепление теоретических знаний и приобретение опыта проектирования и расчета выпрямителей, усилительных каскадов и логических схем. Выполненные расчёты позволили рассчитать выпрямитель, усилительный каскад, и составить схемы на основе логических элементов. Полученные результаты могут быть использованы при расчётах реальных приборов. Содержание Введение 1. Расчет выпрямителя 2. Расчет транзисторного усилительного каскада 3. Синтез логических схем Заключение Библиографический список Приложение 1. Приложение 2. Приложение 3. Введение Практически во всех областях деятельности современного общества применяется электрическая энергия. На базе электротехнической науки начали развиваться электроника, радиотехника, техника производства различных электрических и электромеханических устройств, частично вычислительная техника и другие отрасли техники. Теория и практика многих из этих отраслей техники уже давно выделились в отдельные дисциплины. Электрификация — широкое внедрение в народное хозяйство электрической энергии, вырабатываемой централизованно на электростанциях, объединенных линиями электропередачи в энергосистемы. Электрические и магнитные явления были известны в глубокой древности, но началом развития науки об этих явлениях принято считать 1600 год, когда английский физик Гильберт опубликовал результаты исследования электрических и магнитных явлений. Важным этапом в развитии науки об электричестве были исследования атмосферного электричества, выполненные М. В. Ломоносовым, Г. В. Рихманом и Б. Франклином. Современная электротехническая наука, на базе которой развиваются практические применения электротехники, начинается с открытия М. Фарадеем (1831 г.) закона электромагнитной индукции. В первой половине XIXвека был создан химический источник постоянного тока, были исследованы химические, световые, магнитные проявления тока (А. Вольта, А. М. Ампер, В. В. Петров, Г. X. Эрстед, Э. X. Ленц). Разработкой теории электромагнитных явлений Д. К. Максвеллом в «Трактате об электричестве и магнетизме» (1873 г.) завершается создание классической теории электрических и магнитных явлений. Опыты Г. Р. Герца (1886—1889 гг.), работы П. Н. Лебедева (1895 г.), изобретение радио А. С. Поповым (1895 г.) и работы ряда зарубежных ученых подтверждают экспериментально выводы теории о распространении электромагнитных волн. Теория электрических и магнитных явлений и теоретические основы электротехники в последующее время излагались в книгах А. А. Эйхенвальда, К. А. Круга. В течение ряда лет В. Ф. Миткевич развивал и углублял основные положения теории. Им был опубликован первый в СССР труд по физическим основам электротехники. Ближайшие ученики В. Ф. Миткевича — П. Л. Калантаров и Л. Р. Нейман — создали один из первых учебников по теоретическим основам электротехники. Широко известны у нас книги по теоретическим основам электротехники Л. Р. Неймана и К. С. Демирчяна, К. М. Поливанова, П. А. Ионкина. Вместе с развитием теории идет и быстрое расширение практического применения электротехники, вызванное потребностями бурно развивающегося промышленного производства. В первых электротехнических установках использовались электрохимические источники энергии. Например, в 1838 г. Б. С. Якоби осуществил привод гребного винта шлюпки от двигателя, получавшего питание от электрохимического источника энергии. В 1870 г. 3. Т. Грамм сконструировал первый генератор постоянного тока с кольцевым якорем, который имел самовозбуждение. Генератор был усовершенствован Э. В. Сименсом. Использование постоянного тока ограничивало применение электротехнических установок, так как не могла быть решена проблема централизованного производства и распределения электроэнергии, а появившиеся установки однофазного переменного тока с однофазными двигателями не удовлетворяли требованиям промышленного производства. Электрическая энергия в начальный период использовалась в основном для освещения. Система переменного тока была впервые применена П. Н. Яблочковым (1876 г.) для питания созданных им электрических свечей. Совместно с инженерами завода Грамма им был сконструирован и построен многофазный генератор переменного тока с рядом кольцевых несвязанных обмоток, обеспечивающих питание групп свечей. В цепи обмоток включались последовательно первичные обмотки индукционных катушек, от вторичных обмоток которых получали питание группы свечей. С помощью этих катушек, являющихся трансформаторами с разомкнутой магнитной цепью, был впервые решен вопрос о возможности дробления энергии, поступающей от Источника переменного тока. В дальнейшем трансформаторы выполнялись с замкнутой магнитной цепью (О. Блати, М. Дерн, К. Циперновский). Решение проблемы централизованного производства энергии, ее распределения и создания простого и надежного двигателя переменного тока принадлежит М. О. Доливо-Добровольскому. На Всемирной электротехнической выставке в 1891 г. им демонстрировалась система трехфазного переменного тока, в состав которой входили линия передачи длиной 175 км, разработанные им трехфазный генератор, трехфазный трансформатор и трехфазный асинхронный двигатель. Из других достижений этого времени следует отметить изобретение Н. Г. Славяновым и Н. Н. Бенардосом электрической сварки. С этого времени начинается широкое внедрение электрической энергии во все области народного хозяйства: строятся мощные электростанции, в промышленность внедряется электропривод, появляются новые виды приборов и электрических установок, развивается электрическая тяга, появляются электрохимия и электрометаллургия, электроэнергия начинает применяться в быту. На базе развития электротехнической науки делают первые успехи электроника и радиотехника. «Коммунизм — это есть Советская власть плюс электрификация всей страны». В этой формуле В. И. Ленина определено, что высшая форма общественного развития — коммунизм — будет достигнута на базе высокоразвитой энергетики, электрификации всей страны. Революционизирующая роль электроэнергетики как базы промышленного развития была отмечена в свое время К. Марксом и Ф. Энгельсом. В дореволюционной России электрификация была развита очень слабо. Общая мощность электростанций была в сотни раз меньше мощности в настоящее время. Началом развития электрификации в СССР является принятие VIIIВсероссийским съездом Советов Государственного плана электрификации России (ГОЭЛРО). План ГОЭЛРО был разработан под личным руководством В. И. Ленина группой наиболее видных специалистов в области энергетики: Г. М. Кржижановского, Р. Э. Классона, Т. Ф. Макарьева, М. А. Шателена и других. В докладе на VIIIВсероссийском съезде Советов 22 декабря 1920 г. В. И. Ленин назвал план ГОЭЛРО «второй программой партии». Первенцами плана ГОЭЛРО были Каширская электростанция на подмосковном угле, «Красный Октябрь» близ Ленинграда (1922 г.) и Волховская гидроэлектростанция (1925 г.). Первая линия электропередачи 110 кВ соединила Каширскую электростанцию с Москвой. В годы пятилеток советский народ под руководством Коммунистической партии создал передовую промышленность, и Советский Союз по производству электроэнергии вышел на первое место в мире. Ведущая роль принадлежит СССР в первую очередь в строительстве мощных тепловых электростанций и каскадов гидроэлектростанций, строительстве линий электропередачи, организации объединенных энергосистем и создании современной мощной электротехнической и электроэнергетической промышленности. Развитие энергетики определило значительное увеличение энерговооруженности нашего народного хозяйства. К 1980 г. промышленность в СССР потребляла 75%, сельское хозяйство—7%, транспорт — 7,3 % всей вырабатываемой энергии. В одиннадцатой пятилетке энерговооруженность труда в колхозах и совхозах увеличилась в 1,5 раза. Одной из задач экономического и социального развития России на период до 2000 года является реализация Энергетической программы. Выработка электроэнергии возрастет в 1990 г. до 1840—1880 млрд. киловатт-часов в год, в том числе на атомных электростанциях до 390 млрд. киловатт-часов. Следует заметить, что если первая атомная электростанция, пущенная в СССР в 1954 г., обладала мощностью 5000 кВт, то в настоящее время ведется строительство атомных электростанций мощностью более 4 млн. киловатт. На первом этапе реализации Энергетической программы намечено также создать материально-техническую базу для широкого использования нетрадиционных источников энергии (солнечной, геотермальной) с прямым преобразованием первичной (световой, тепловой) энергии в электрическую. На втором этапе предусмотрено активное вовлечение этих источников энергии в энергетический баланс. В ближайшие два десятилетия должно быть завершено формирование Единой электроэнергетической системы страны с повышением ее маневренности и надежности путем строительства пиковых электростанций, линий электропередачи сверхвысокого напряжения переменного и постоянного тока, улучшения качества электроэнергии, отпускаемой потребителям. Система свяжет между собой мощные энергетические узлы и районы потребления энергии и обеспечит наиболее рациональное использование ресурсов гидравлической, тепловой и атомной энергии. Предусматривается строительство межсистемных линий электропередачи напряжением 500, 750 и 1150 кВ переменного тока и 1500 кВ постоянного тока, а также распределительных сетей напряжением 35 кВ и выше. Важнейшими межсистемными линиями являются линии Сибирь — Казахстан - Урал (1150 кВ) и Экибастуз - Центр (1500 кВ). Широкое применение электрической энергии в нашем народном хозяйстве является одним из необходимых условий ускорения перевода экономики страны на интенсивный путь развития. Энергетическая программа предполагает ускоренные темпы электрификации народного хозяйства. Удельная электроемкость национального дохода должна повыситься на 5 — 6 % в первом десятилетии и до 15 % за 20 лет. Одновременно предусматривается рост энергопотребления на душу населения. Развитие собственно электроэнергетики также пойдет по пути интенсификации. Техническое перевооружение в энерго- и электромашиностроении будет направлено на повышение надежности и ресурса работы машин и оборудования, снижение их металлоемкости. Будет создаваться необходимый научно-технический потенциал для производства электрооборудования на основе эффекта сверхпроводимости, машин и аппаратов для термоядерных электростанций, а также для установок, работающих на солнечной энергии. Электротехника как наука является областью знаний, в которой рассматриваются электрические и магнитные явления и их практическое использование. Современная энергетика — это в основном электроэнергетика. Электрическая энергия вырабатывается на станциях электрическими генераторами, преобразовывается на подстанциях и распределяется по линиям электропередачи и электрическим сетям. Электрическая энергия применяется во всех областях человеческой деятельности. Производственные установки на фабриках и заводах имеют в подавляющем большинстве электрический привод, т.е. приводятся в движение при помощи электрических двигателей. Для измерений наиболее широко используются электрические приборы и устройства. Измерения неэлектрических величин при помощи электрических устройств составляют особую дисциплину. Широко применяются электрические приборы и устройства в сельском хозяйстве, связи и в быту. Современные автоматические системы управления в большинстве случаев выполняются на базе электрических и электромеханических элементов как собственно системы управления, обеспечивающие выполнение заданного закона управления, так и исполнительные органы, служащие для приведения в действие различных устройств. Цифровые (ЦВМ) и аналоговые (АВМ) вычислительные машины, построенные на базе электрических элементов, производят сложные расчеты, например расчеты траекторий космических кораблей; входят в ряде случаев в состав автоматических систем управления, например, самодвижущихся планетоходов; обеспечивают исследование процессов в динамических системах и решают многие другие задачи вплоть до переводов с одного языка на другой. Автоматические системы управления с применением средств вычислительной техники могут обеспечивать оптимальное выполнение производственного или другого процесса в условиях изменяющихся внешних воздействий и заданий, приспосабливаясь к ним (адаптивные системы). 1. Расчет выпрямителя 1.1. Краткие теоретические сведения Выпрямитель – устройство, предназначенное для преобразования переменного напряжения в постоянное. В зависимости от числа фаз переменного напряжения различают однофазные и многофазные (обычно трехфазные) выпрямители. Структурная схема выпрямителя приведена на рис. 1.
Рисунок 1.1 – Структурная схема выпрямителя Выпрямитель содержит трансформатор Т, необходимый для преобразования напряжения сети Uc до величины U2 , определяемой требованиями нагрузки; вентильную группу В, которая обеспечивает одностороннее протекание тока в цепи нагрузки, в результате чего переменное напряжение U2 преобразуется в пульсирующее; фильтр Ф, передающий на выход схемы постоянную составляющую напряжения и сглаживающий пульсации напряжения. Выпрямитель может быть дополнен схемой стабилизации, подключаемой к выходу фильтра и предназначенной для поддержания напряжения на нагрузке неизменным при изменении напряжения U2 на трансформаторе. Основными показателями работы выпрямителя являются средние значения выпрямленного тока Id и напряжения Ud :
где T – период изменения выходного тока (напряжения); мощность нагрузочного устройства
коэффициент пульсаций
где Uосн m – амплитуда основной (первой) гармоники выпрямленного напряжения; коэффициент использования вентилей по напряжению
где Uобр т – максимальное обратное напряжение на вентиле; Uобр доп – допустимое обратное напряжение вентиля; коэффициент использования вентиля по току
где Iа – среднее значение тока, протекающего через диод, Iан – номинальное значение тока вентиля; типовая мощность трансформатора
где коэффициент полезного действия
где Pтр и Pд – потери в трансформаторе и диодах. Основной характеристикой выпрямителя, как и любого источника питания, является внешняя (нагрузочная) характеристика Ud = f(Id ). Она позволяет определить номинальное значение выпрямленного напряжения и выходное сопротивление выпрямителя
Свойства выпрямителя в значительной степени зависят от характера нагрузки на его выходных зажимах, которая может быть активной (омической), начинающейся с индуктивности и начинающейся с емкости. Однофазная мостовая схема (рис. 1.2) строится на однофазном трансформаторе Т. Диодная группа образует мост, к одной диагонали которого подводится переменное напряжение, а в другую диагональ включается нагрузка. Диоды работают парами поочередно (рис. 1.3): в положительные полупериоды напряжения U2 ток проводят диоды VD2 и VD3, иначе – диоды VD1 и VD4.
Через нагрузку протекает пульсирующий ток в оба полупериода напряжения u2 . Преимуществами данной схемы выпрямления (по сравнению с однополупериодной схемой выпрямления) являются увеличение среднего значения выпрямленного тока и напряжения в два раза и значительное уменьшение пульсаций выпрямленного напряжения, при этом значение обратного напряжения на закрытых диодах такое же, как и в однополупериодной схеме выпрямления. Схемы выпрямления трехфазного тока применяются в основном для питания потребителей большой и средней мощности. Они равномерно нагружают сеть трехфазного тока и отличаются высоким коэффициентом использования трансформатора, низким уровнем пульсаций. Ниже рассматриваются две часто применяемые схемы. Трехфазные выпрямители с нейтральным выводом строятся на трехфазном трансформаторе (рис. 1.4), вторичные обмотки которого соединяются «звездой». Нагрузка включается между объединенными катодами диодов и нулевой точкой трансформатора. Из временных диаграмм (рис. 1.5) видно, что диоды проводят ток поочередно, каждый – в течение одной трети периода, когда потенциал начала одной фазы более положителен, чем двух других. Два других диода в этот период закрыты.
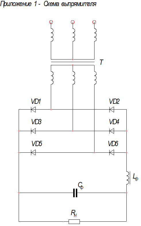
Такая схема нашла применение на средних мощностях (Pd > 1 кВт) при невысоких требованиях к пульсациям выпрямленного напряжения. Достоинство такого выпрямителя – высокая надежность (минимальное число диодов) и низкое значение kп (по сравнению с однофазной схемой выпрямления). Недостаток схемы – подмагничивание сердечника трансформатора постоянным током, что приводит к снижению его КПД. Трехфазный мостовой выпрямитель (рис. 1.6) можно рассматривать как два трехфазных выпрямителя, соединенных последовательно. Первый содержит диоды VD1, VD3, VD5, второй – диоды VD2, VD4, VD6. В результате среднее значение выпрямленного напряжения в два раза превышает напряжение в трехфазной схеме с нулевым выводом. Ток в нагрузке и двух диодах появляется тогда, когда к этим диодам приложено наибольшее напряжение. Из временных диаграмм (рис. 1.7) видно, что в интервале времени t1 – t2 открыты диоды VD1, VD4, t2 – t3 – VD1, VD6, t3 – t4 – VD3, VD6 и т. д. Продолжительность работы каждого из диодов составляет 1/3 периода. Схема Ларионова обеспечивает наилучшие показатели использования трансформатора и диодов, дает минимальное значение коэффициента пульсаций и получила высокое распространение. Основные параметры рассмотренных схем выпрямления приведены в табл. 1.
Обязательной принадлежностью выпрямителя является сглаживающий фильтр, передающий на выход схемы постоянную составляющую выпрямленного напряжения и снижающий его пульсации. Основным параметром, характеризующим работу сглаживающего фильтра, является коэффициент сглаживания S. Он равен отношению коэффициентов пульсаций на входе и выходе фильтра
Простейшими фильтрами являются конденсатор, включенный параллельно нагрузке (емкостный фильтр, рис. 1.8, а), и дроссель, включенный последовательно с нагрузкой (индуктивный фильтр, рис. 1.8, б). Пульсации на выходе емкостного фильтра определяются постоянной разряда конденсатора
Рисунок 1.8 – Однополупериодный выпрямитель с различными фильтрами Эффективность индуктивного фильтра зависит от его постоянной времени
Чем больше значение Lф или меньше Rн , тем эффективнее фильтр. Индуктивные фильтры обычно применяют в трехфазных выпрямителях средней и большой мощности с малым значением сопротивления нагрузки. Если необходимо обеспечить коэффициент сглаживания 20 < S < 40, применяют Г-образные (LC-, RC-типа) (рис. 9) и многозвенные П-образные фильтры.
Рисунок 1.9 – Г-образные фильтры: а – LC-фильтр; б – RC-фильтр В Г-образном LC-фильтре переменная составляющая выпрямленного напряжения снижается из-за сглаживающего действия Cф
и падения ее на Lф
. Постоянная составляющая на нагрузке Rн
практически не уменьшается, так как активное сопротивление дросселя мало. Сопротивление конденсатора
В маломощных выпрямителях, у которых сопротивление нагрузки Rн составляет несколько килоом, вместо Lф целесообразно включать Rф , что позволяет уменьшить массу, габариты и стоимость фильтра. Поскольку при этом несколько снижается напряжение на нагрузке, значение сопротивления Rф выбирают из соотношения:
Для RC-фильтра коэффициент сглаживания меньше, чем для LC-фильтра, и определяется он по формуле:
П-образный фильтр (рис. 10) представляет собой каскадное соединение емкостного и Г-образного фильтров. Следовательно, коэффициент сглаживания таких фильтров определяется как произведение коэффициентов сглаживания соответствующих фильтров:
где Sc и Sг – коэффициенты сглаживания емкостного и Г-образного фильтров.
Рисунок 1.10 – Многозвенные П-образные фильтры При сопротивлении нагрузки в несколько килоом используется CRC-фильтр (рис. 10, а), при малом Rн – CLC-фильтр (рис. 10, б). В результате для выпрямителей без фильтра зависимость Ud = f(Id ) описывается следующим уравнением:
где Ud х.х – напряжение холостого хода выпрямителя; Rпр – сопротивление открытых вентилей выпрямителя, включенных последовательно с нагрузкой; Rт – активное сопротивление обмотки трансформатора. В выпрямителях с емкостным фильтром внешняя характеристика берет начало из точки В случае использования индуктивного сглаживающего фильтра добавляется падение напряжения на внутреннем сопротивлении дросселя rдр и учитывается падение напряжения на индуктивном сопротивлении обмотки рассеяния xs :
где 1.3. Расчет 1.3.1 Выбор схемы выпрямителя Определим сопротивление нагрузки: Rн = Ud н / Id н ; Rн
= Выпрямленная мощность Pd = Ud н ·Id н ; Pd =160 · 16 = 2 560 Вт. При мощностях, превышающих 1 кВт, рекомендуется применять выпрямители трехфазного тока. Для уменьшения размеров трансформатора и фильтра выбираем схему Ларионова, имеющую высокие технико-экономические показатели. 1.3.2 Выбор вентилей Для выбранной схемы определим средний ток через диод:
Ориентировочное значение обратного напряжения на вентиле Uобр m > 1,045 Ud н . Принимаем Uобр m = 1,1·1,045Ud н ; Uобр m = 1,1·1,045·160 = 183,92 В. По справочным данным выбираем тип вентиля. В данном случае подходит диод типа Д215А (6 вентилей, по одному вентилю в каждом плече моста), который имеет следующие параметры: номинальный прямой ток Iа н = 10 А; прямое падение напряжения Uа = 1 В; допустимое обратное напряжение Uобр доп =200 В; среднее значение обратного тока Iобр = 3 мА. 1.3.3 Выбор и расчет схемы фильтра В трехфазных схемах выпрямления средней и большой мощности наиболее целесообразно использовать сглаживающий фильтр с индуктивной реакцией, т. е. начинающийся с дросселя. Необходимый коэффициент сглаживания фильтра с учетом явления коммутации
где k п вх – коэффициент пульсаций на выходе вентильной группы. Для трехфазной мостовой схемы выпрямления Ларионова kп = 0,057. Тогда коэффициент сглаживания S = (1,5,...,2,0) Так как S>20 выбираем Г-образный LС-фильтр. Для схемы Ларионова fо.г = 300 Гц. Рассчитываем минимальное значение индуктивности дросселя, Гн
Определяем значение емкости конденсатора, мкФ
1.3.4 Расчет выпрямителя Прямое сопротивление вентиля, Ом
Коэффициенты для значений сопротивлений дросселя и трансформатора определяются в зависимости от мощности выпрямителя: Rт = 0,043Rн , Rт = 0,043·10 = 0,43 Ом; rдр = 0,046Rн , rдр = 0,046·10 = 0,46 Ом. Индуктивное сопротивление рассеивания обмотки трансформатора
Напряжение холостого хода для схемы Ларионова Ud х.х
= 160 + 16(2 Параметры трансформатора (с учетом выбранной схемы Ларионова): – напряжение на вторичной обмотке U2 = 0,43Ud х.х ; U2 = 0,43 · 180,65 = 77,68 В; – коэффициент трансформации
– ток вторичной обмотки I2 = 0,82 Idн ; I2 = 0,82·16 = 13,12 А; – ток первичной обмотки, A
– типовая (габаритная) мощность трансформатора Sтр = 1,045 Ud н · Id н ; Sтр = 1,045·160 ·16 = 2 675,2 Вт. Проверим нагрузочную способность выбранных вентилей, определив максимальное значение обратного напряжения: Uобр m = 1,045 Ud х.х ; Uобр m = 1,045·180,65 = 188,78 В. Uобр m < Uобр доп ; Uобр доп = 200 В. Следовательно, тип вентилей и схема их включения выбраны правильно. Внешнюю характеристику выпрямителя (рис. 1.11) Ud = f (Id ), которая представляет собой прямую линию, строим по двум точкам: точке холостого хода (Ud = Ud х.х , Id = 0) и точке номинальной нагрузки (Ud = Ud н , Id = Id н ).
Рисунок 1.11 – Внешняя характеристика выпрямителя 2. Расчет транзисторного усилительного каскада В процессе выполнения задания необходимо определить: – положение рабочей точки покоя и соответствующие ей значения токов Iб0 , Iк0 , Iэ0 и напряжений Uбэ0 , Uкэ0 ; – диапазон изменения входного ±Um вх и выходного ± Um вых напряжения; – значения сопротивлений резисторов R1 , R2 , Rэ , Rк и емкости конденсаторов Cэ , Cр1 и Cр2 ; – параметры усилительного транзисторного каскада: входное Rкаск вх и выходное Rкаск вых сопротивления, коэффициенты усиления по току KI , напряжению KU и мощности KP . Тип биполярного транзистора для усилительного каскада МП41А. Предельно допустимые и hб -параметры транзисторов приведены в таблице 2.1. Напряжение источника питания Eк =13,5 В. Таблица 2.1 – Выбор типа биполярного транзистора
Усилитель – это электронное устройство, управляющее потоком энергии, идущей от источника питания к нагрузке. Причем мощность, требующаяся для управления, как правило, намного меньше мощности, отдаваемой в нагрузку, а формы входного и выходного сигналов совпадают. В усилительном каскаде на биполярном транзисторе, включенном по схеме с общим эмиттером , в коллекторную цепь транзистора включен резистор Rк , с помощью которого формируется выходное напряжение.
Рисунок 2.1 – Схема транзисторного усилительного каскада с эмиттерной стабилизацией рабочего режима Делитель напряжения на резисторах R1 и R2 определяет значение тока базы Iб0 , обеспечивающего положение рабочей точки покоя Рт в режиме класса А. Для уменьшения влияния температуры на режим работы транзистора в цепь эмиттера включен резистор Rэ ,который осуществляет последовательную отрицательную обратную связь по постоянной составляющей. Конденсатор Cэ исключает влияние отрицательной обратной связи по переменной составляющей .Разделительный конденсатор C1 устраняет влияние внутреннего сопротивления источника входного сигнала Uвх на режим работы транзистора по постоянному току.Конденсатор C2 обеспечивает выделение из коллекторного напряжения переменной составляющей Uвых , которая может подаваться на нагрузочный резистор Rн .Rк позволяет регулировать разность потенциалов Uкэ. Начертим входную характеристику Iб = f (Uбэ ) при Uкэ = – 5 В и семейство выходных вольт-амперных характеристик Iк = f (Uкэ ) при Iб = const, на которых по нескольким точкам построим кривую допустимой мощности Pк , рассеиваемой транзистором (рис. П2.1). Ниже этой кривой из точки Uкэ = 14, выбрав наиболее подходящий угол наклона, проведем нагрузочную линию Uкэ = Eк – Iк (Rк +Rэ ), на которой выберем и отметим положение рабочей точки покоя Рт в режиме класса А и допустимые при этом пределы изменения амплитуды базового тока ±Im б , соответствующие максимальному значению входного сигнала. Положение рабочей точки на входной характеристике должно соответствовать значению тока Iб0 , при котором выбрана рабочая точка на пересечении линии нагрузки и выходной характеристики. На графиках выходных и входной характеристик изобразим (подобно рис. П.2) кривыеiк = Iк 0 + Im к sin(wt), uкэ =Uкэ 0 + Um кэ sin(wt), iб = Iб 0 + Im б sin(wt). По графикам определим и значения: Iб0 =0,3 мА; ±Im б = ±0,5 (Iб max – Iб min ); (2.1) Im б = 0,5 (0,5– 0,1) = 0,2 мА; Iк0 =22 мА; ±Im к = ±0,5 (Iк max – Iк min ); (2.2) Im к = 0,5 (34-8) =13 мА; Iэ0 = Iб0 +Iк0 ; (2.3) Iэ0 =0,0003+0,022 = 0,0223 А; Uбэ0 =0,24 В; ±Um бэ = ±0,5 (Uб max – Uб min ); (2.4) Um бэ = 0,5 (0,275 - 0,18) = 0,095 В. Uкэ0 = 6,2 B ±Um кэ = ±Um вых = ±0,5(Uкэ max – Uкэ min ). (2.5) Um кэ = 0,5(10,4 - 2,0) = 4,2 B. Рассчитаем значения hэ -параметров для схемы с общим эмиттером: h11э = h11б / (1+h21б); h11э = 25 / (1+(-0,98)) = 1250 Ом. h12э = (h11бh22б – h12бh21б – h12б) / (1+h21б); h12э = (25 1 10-6 – 2 10-3 (-0,98) – 2 10-3) / (1-0,98)= -0,00075. h21э = – h21б / (1+h21б); h21э = – (-0,98) / (1-0,98) = 49. h22э = h22б / (1+h21б); h22э = 1 10-6 / (1-0,98)=1 10-5 См Для схемы включения транзистора с общим эмиттером определим входное сопротивление транзистора: rвх транз = h11э ; rвх транз =1250 Ом. Определим коэффициент передачи тока: b = h21э ; b = 49. Рассчитаем значения сопротивлений резисторов и емкостей конденсаторов: Rэ = (0,2,…,0,3) Eк / Iэ0 ; (2.10) При подстановке значений получаем: Rэ
= 0,25 Принимаем Iдел
= (2,…,5) Iб0
; Iдел
= 3,5 Рассчитаем делитель напряжения на резисторах R1 и R2 : R1 = (Iэ0 Rэ + Uбэ0 ) / Iдел ; (2.11) R1
=(0,0223 R2 = (Eк – Iдел R1 ) / (Iдел + Iб0 ); (2.12) R2
= (13,5 – 0,00105 Рассчитаем напряжение, позволяющее регулировать разность потенциалов Uкэ. Rк = (Eк – Uкэ0 – Iэ0 Rэ ) / Iк0 ; (2.13) Rк
= (13,5 – 6,2–0,0223 Рассчитаем эквивалентное сопротивление базовой цепи для переменной составляющей входного тока: Rб = R1 R2 / (R1 +R2 ); (2.14) Rб
= 3442,95 Значения емкости конденсаторов при частотной полосе входного сигнала в пределах fн = 100 Гц, fв = 10000 Гц определяются так: Cэ = 107 / [(1,…,2)2pfн Rэ ]; (2.15) Cр1 = Cр2 = 107 / [(1,…,2)2pfн Rкаск вх ], (2.16) где Cэ , Cр1 и Cр2 – в мкФ. При подстановке значений получаем: Cэ
= 107
/ [1,5 Определим параметры усилительного каскада. Входное и выходное сопротивления каскада определяются следующим образом: Rкаск вх = Rб rвх транз / (Rб + rвх транз ); (2.17) Rкаск вх
= 2341,9 Rкаск вых = Rк / (1 + h22э Rк ); (2.18) Rкаск вых
= 178,4 / ( 1+1 Cр1
= Cр2
= 107
/[1,5 Коэффициенты усиления каскада без дополнительной внешней нагрузки, а также без учета внутреннего сопротивления источника входного сигнала имеют вид: KI = Iвых / Iвх »b ; KI =49. (2.19) KU
= – (b KU
= – (49 KP = KI KU ; (2.21) KP
=49 Полезная выходная мощность каскада Pвых = 0,5 (Um вых )2 / Rк ; (2.22) Pвых = 0,5 (4,2)2 / 178,4 = 0,0494 Вт. Полная мощность, расходуемая источником питания, P0 = Iэ 0 Eк + I2 дел ×(R1 + R2 ) + I2 б 0 R2 ; (2.23) P0
= 0,0223 Вычислим электрический КПД усилительного каскада hэ = (Pвых / P0 ) 100%; (2.24) hэ
= (0,0494/ 0,314) Вычислим коэффициент нестабильности каскада по коллекторному току (желательно, чтобы он был меньше) S = b/ (1+bg); (2.25) гдеg= Rэ / (Rб + Rэ ). (2.26) g= 151,35/ (2341,9 + 151,35) = 0,061; S =49 / (1+49 S »(Rб + Rэ ) / [(1+h21 б ) Rб + Rэ ], (2.27) S» ( 2341,9 + 151,35) / ((1-0,98) 3. Синтез логических схем 3.1. Краткие теоретические сведения Логические (цифровые) схемы составляют основу устройств цифровой (дискретной) обработки информации - вычислительных машин, цифровых измерительных приборов и устройств автоматики. Связи между этими схемами строятся на основе исключительно формальных законов. Инструментом такого построения и анализа служит булева алгебра, которая применительно к цифровой технике называется алгеброй логики. Логическая функция - логическая (зависимая) переменная, значение которой является функцией одной или нескольких логических (независимых) переменных. Таблица истинности - таблица, в которой заданы значения логической функции для всех возможных значений независимых переменных. Рассмотрим функцию, заданную в виде f= {4, 6, 7} а, b, с. 1) Составляем таблицу истинности для данной функции. Заполняем столбцы аргументов а, b, с числовыми значениями в порядке возрастания номеров наборов в двоичном коде. Поскольку в числовом выражении функции присутствуют только номера сочетаний, соответствующие единичным значениям функции, то это позволяет проставить логические единицы для наборов 4, 6 и 7, а логические нули - для сочетаний 0, 1, 2, 3 и 5 (табл. 3.1). Таблица 3.1 – Таблица истинности
Для записи СДНФ из таблицы истинности выбираем те строки, в которых значение функции равно единице. Для каждой такой строки составляем конъюнкцию всех входных переменных, записывая сомножитель, если эта переменная принимает значение единицы. Записываем логическую сумму всех найденных произведений и приходим к выражению вида:
Для записи СКНФ из таблицы истинности выбираем строки, в которых значение функции равно нулю, инвертируем аргументы и получаем:
3) Учитывая законы алгебры логики, упрощаем выражение СДНФ функции. Используем распределительный закон для суммы произведений, выносим за скобки общие множители:
Применяя правило отрицания, согласно которому сумма прямого и инверсного значения переменной а в скобках равна единице, запишем функцию в виде:
Для дальнейших преобразований используем распределительный закон для произведения сумм логических переменных:
И окончательно, применяя правило отрицания для суммы прямого и инверсного значений переменной Ь, записываем выражение:
4) Составляем карту Карно для функции/ Поскольку имеется три аргумента (а, b, с), то карта содержит 23 = 8 клеток. Обозначаем координаты а, b, с карты, проставляем единицы в клетки, соответствующие 4, 6 и 7 наборам (используем выражение СДНФ, полученное ранее), во все остальные клетки записываем нули (рис.3.2, а). 5) Минимизация функции, заданной в виде координатной карты, предполагает склеивание четного количества (2, 4 и 8) находящихся рядом единиц для получения МДНФ, причем чем больше единиц будет объединено, тем более компактную алгебраическую запись будет иметь функция. Объединяемые единицы выделяем графически на карте, как показано на рис. 2, б. Полученные произведения аргументов записываем в виде слагаемых МДНФ с последующим вынесением за скобки общего множителя:
а б Рисунок 3.2 – Карта Карно: а – заполнение исходной карты; б – минимизация карты 6) Реализуем полученную функцию на логических элементах базисов И-ИЛИ-НЕ (П.3, а), ИЛИ-НЕ (П.3, б) и И-НЕ (П.3, в), используя известные способы реализации основных логических функций. Заключение В первой задаче был рассчитан выпрямитель для промышленной установки. В процессе выполнения задания была выбрана схема выпрямителя и фильтра; рассчитаны режимы работы элементов; определены тип вентиля, параметры трансформатора; рассчитаны значения элементов сглаживающего фильтра; построена внешняя характеристика выпрямителя. Во второй задаче проведено графоаналитическое исследование режима работы транзистора в классе А и определены основные параметры транзисторного усилительного каскада в схеме с общим эмиттером при одном источнике питания Eк с автоматическим смещением и эмиттерной стабилизацией рабочего режима, с последовательной отрицательной обратной связью по постоянной составляющей тока. В последней задаче изучены принципы функционирования логических элементов, минимизированы логические функции алгебраическим методом и с помощью карт Карно, а также реализованы цифровые комбинационные схемы в различных базисах. Полученные результаты могут быть использованы при расчётах реальных приборов. Библиографический список 1. Методические указания к самостоятельным занятиям по курсу электроники / В.В. Харламов, Р.В. Сергеев, П.К. Шкодун; Омский гос. ун-т путей сообщения. Омск, 2007. 44с. 2. Общая электротехника / Под ред. А.Т. Блажкина. Л.: Энергоатомиздат, 1986. 592 с. 3. Электротехника / Под ред. В.Г. Герасимова. М.: Высшая школа, 1985. 480с. 4. Основы промышленной электроники / Под ред. В.Г. Герасимова. М.: Высшая школа, 1986. 336 с.
|
|||||||||||||||||||||||||||||||||||||||||||||||||||||||||||||||||||||||||||||||||||||||||||||||||||||||||||||||||||||

, (1.1)
, (1.2)
, (1.4)
, (1.5)
, (1.6)
, (1.8)
. (1.9)



Рисунок 1.6 – Трехфазный мостовой выпрямитель
Рисунок 1.7 – Диаграммы токов и напряжений
. (1.10)

. (1.11)
а
б
должно быть значительно меньше Rн
, а сопротивление дросселя
; (1.13)
. 

, (1.17)
.






