Реферат: Основы и понятие землеустройства
|
Название: Основы и понятие землеустройства Раздел: Рефераты по геологии Тип: реферат | |||||||||||||||||||||||||||||||||||||||||||||||||||||||||||||||||
Содержание Введение……………………………………………………………………...……3 1.Землеустройство……………………………………………………….…...…..6 1.1. Понятие и виды землеустройства…………………………………...……6 1.2. Этапы землеустройства…………………………………………….…..…7 2. Основные понятия геодезии…………………………………………….….…9 2.1. Предмет и задачи геодезии……………………………………….…..…..9 2.2. Основные понятия геодезии………………………………………….….10 2.3. Системы координат в геодезии……………………………………….…12 2.4. Прямая и обратная геодезические задачи………………………………14 2.5. Системы высот в геодезии………………………………………….……16 3. Построение плана теодолитной съемки……………………………………..19 Заключение……………………………………………………………………….27 Список литературы………………………………………………………………30 Введение Работа посвящена изучению землеустройства и основ геодезии. Цель работы – определить сущность, типы и этапы землеустройства, изучить предмет и задачи геодезии, дать определения основным её терминам, разобрать процесс построения плана теодолитной съемки. Актуальность темы . В России землеустройство начало свое существование с середины XVI в., когда был образован первый государственный межевой орган - Поместный приказ, ведающий земельными делами. Сам термин объединяет в себе совокупность технических, экономических и правовых мероприятий по исследованию состояния земель, организации и планированию их рационального использования и охраны. Также землеустройство включает в себя работы по образованию новых земельных участков, упорядочение уже существующих (землеустройство и земельный кадастр), установление границ участков на местности (территориальное землеустройство). И организацию рационального использования физическими и юридическими лицами этих участков для сельскохозяйственного производства. Правоустанавливающим документом для землеустройства служит Федеральный закон от 18.06.2001 № 78 "О землеустройстве" и различные постановления, инструкции, методические указания и т.п. Есть случаи, в которых проведение землеустройства обязательно, наиболее частые из них: - изменение границ объекта; - предоставление в пользование земельного участка; - определение границ отдельных частей объектов при ограниченном пользовании; Геодезия - наука, изучающая фигуры земли, её внешнее гравитационное поле и гравитационное поле планеты солнечной системы, расположение объектов земной поверхности, формы и рельефа земли и занимающаяся измерениями в натуре, необходимые для решения разных производственно-технических задач народного хозяйства и обороны страны[1] . Среди многих задач геодезии можно выделить долговременные задачи и задачи на ближайшие годы. К первым относятся: - определение фигуры, размеров и гравитационного поля Земли, - распространение единой системы координат на территорию отдельного государства, континента и всей земли в целом, - изображение участков поверхности земли на топографических картах и планах, - изучение глобальных смещений блоков земной коры. Ко вторым в настоящее время относятся: - создание и внедрение ГИС - геоинформационных систем, - создание государственных и локальных кадастров: земельного, водного, лесного, городского и т.д., - топографо-геодезическое обеспечение делимитации (определения) и демаркации (обозначения) государственной границы России, - разработка и внедрение стандартов в области цифрового картографирования , - создание цифровых и электронных карт и их банков данных, - разработка концепции и государственной программы повсеместного перехода на спутниковые методы автономного определения координат, - создание комплексного национального атласа России и другие. Эти задачи записаны в Постановлении коллегии Федеральной службы геодезии и картографии России от 20 февраля 1995 года. Первая часть работы описывает типы и этапы землеустройства, вторая часть посвящена основным понятиям геодезии, в третьей рассматривается процесс построения плана теодолитной съемки. 1.Землеустройство 1.1. Понятие и виды землеустройства При оформлении земли мы все чаще сталкиваемся с термином Землеустройство. Что такое землеустройство? Слово «землеустройство» появилось в России, с начала проведения Столыпинской земельной реформы оно заменило собой ранее используемый термин «межевание». Термин землеустройство подразумевает собой комплекс технических, экономических, а так же правовых мероприятий для мониторинга земель, планирования рационального использования и охраны этих земель. Землеустройство является механизмом для регулирования земельных отношений в соответствии с действующим земельным законодательством. Оформление прав на землю осуществляется только на основе землеустройства[2] . Землеустройство подразделяется на два основных вида, связанных между собой: 1. Межхозяйственное землеустройство представляет собой систему мероприятий для распределения, либо перераспределения земельных ресурсов, формирования земельных фондов, образования новых и совершенствования существующих землепользований, с целью устранения недостатков при размещении земельных массивов предприятий и хозяйств. 2. Внутрихозяйственное землеустройство — это комплекс мероприятий по организации, использованию, охране земель в границах конкретных хозяйств, для устройства территорий внутри землепользования, а так же для наиболее продуктивного использования и сохранения плодородности почв. Для чего необходимо проведение землеустройства? В настоящее время для проведения сделок и оформления земельных участков наиболее актуальным является территориальное землеустройство . Данный вид землеустройства непосредственно связан с формированием новых земельных участков и упорядочением границ ранее образованных землепользований, а точнее с межеванием земель и кадастровыми работами. Допустим, Вам необходимо приобрести земельный участок. К примеру, у Вас нет никаких документов на землю, но Вы хотели бы получить конкретный земельный участок в собственность. Для приобретения земли в собственность нужно провести работы по землеустройству. 1.2. Этапы землеустройства Землеустроительные работы можно условно разделить на следующие этапы: 1. Предоставление земельного участка на определенный вид земельного права. На первом этапе землеустроители готовят пакет документов для обеспечения решения органов государственной власти по выделению земельного участка для различных целей, например для индивидуального жилищного строительства. В результате работ заказчик получает правоустанавливающий документ — постановление органа государственной власти о выделении участка. Затем участок необходимо поставить на Государственный кадастровый учет. 2. Подготовка землеустроительной документации для постановки на кадастровый учет. На втором этапе производится инвентаризация земельного участка, сбор и анализ исходной документации на землю, работы по формированию границ участка и их установлению на местности, определение фактической площади, готовится схема расположения участка территории кадастрового квартала, затем осуществляется подготовка межевого плана земельного участка. 3. Сдача землеустроительной документации в орган, осуществляющий кадастровый учет. На заключительном третьем этапе землеустроители сдают в орган, осуществляющий кадастровый учет утвержденную документацию для постановки на кадастровый учет. В результате кадастрового учета границы вновь образуемого землепользования вносятся в единую кадастровую базу, участку присваивается кадастровый номер, а заказчик получает на руки кадастровый паспорт. 2. Основные понятия геодезии 2.1. Предмет и задачи геодезии Слово "геодезия" образовано из греческих слов "ge" - земля и "dazomai" - разделяю, делю на части; если перевести его дословно, то получится "землеразделение". Это название соответствовало содержанию геодезии во времена ее зарождения и начального развития. Так, в Египте задолго до нашей эры измерялись размеры земельных участков, строились оросительные системы; все это выполнялось с участием геодезистов. С развитием человеческого общества, повышением роли науки и техники расширялось содержание геодезии , усложнялись задачи, которые ставила перед ней жизнь. В настоящее время геодезия - это наука о методах определения фигуры и размеров Земли и изображения ее поверхности на картах и планах, а также о способах проведения различных измерений на поверхности Земли (на суше и акваториях), под землей, в околоземном пространстве и на других планетах. Известный ученый-геодезист В.В.Витковский так охарактеризовал геодезию : "Геодезия представляет одну из полезнейших отраслей знания; все наше земное существование ограничено пределами Земли, и изучать ее вид и размеры человечеству так же необходимо, как отдельному человеку - ознакомиться с подробностями своего жилья".[3] Задачи , решаемые в геодезии, подразделяют на научные и научно-технические. В зависимости от решаемых задач выделяют разделы геодезии, которые в общем виде можно представить как: - высшая геодезия (высшая геодезия, космическая геодезия, спутниковые методы геодезии, теория фигуры Земли, геодезическая астрономия, математическая картография и др.) - топография и инженерная (прикладная) геодезия. 2.2. Основные понятия геодезии Физическая (топографическая) поверхность Земли – совокупность точек земной поверхности и поверхности мирового океана. Для описания физической поверхности Земли необходимо определить взаимное (относительно друг друга) положение множества точек. Для этого сначала определяют положение небольшого количества точек (опорных точек). Затем относительно опорных точек описывают положение других точек земной поверхности. Отвесная линия – направление действия силы тяжести. Уровенная поверхность – замкнутая поверхность, перпендикуляр к которой в каждой точке совпадает с направлением отвесной линии. Геоид – одна из уровенных поверхностей, которая соответствует среднему уровню мирового океана и продолженная под материками. Квазигеоид – поверхность, совпадающая с геоидом в мировом океане и близкая к геоиду под материками. Поверхность относимости – правильная математическая поверхность, на которую переносят (проектируют) геодезические измерения в целях их дальнейшей обработки и представления. Метод проектирования – способ переноса измеренных на физической поверхности Земли величин на поверхность относимости. В геодезии применяют проектирование по линиям, перпендикулярным к поверхности относимости (ортогональное проектирование). Чтобы изобразить на бумаге участок земной поверхности, нужно сначала спроектировать все точки на поверхность эллипсоида вращения, или сферы, а затем изобразить точки на плоскости. Если участок местности небольшой, то соответствующий ему участок эллипсоида (сферы) можно заменить плоскостью и считать, что проектирование выполняется сразу на плоскость. При этом проектирование выполняют отвесными линиями (горизонтальная проекция).
Рис. 1. Ортогональное проектирование Точки A, B, C находятся на поверхности Земли. Их горизонтальные проекции - a, b, c. Расстояние ab называется горизонтальным проложением
(обозначают d). Угол между линией AB и ее горизонтальной проекцией называется углом наклона линии (обозначим ν). Расстояния Aa, Bb, Cc от точек до их проекций называют высотами
и обозначают буквой H. Численное значение высоты называют отметкой
. Разность отметок называют превышением
: h = h Земной эллипсоид (общий земной эллипсоид) – математически правильная поверхность, образованная вращением эллипса вокруг малой оси и близкая к поверхности геоида. Центр эллипсоида должен совпадать с центром масс Земли, а ось вращения совпадать с осью вращения Земли.
Референц-эллипсоид – эллипсоид, ориентированный в теле Земли для близости к геоиду на определенной территории. Его центр может не совпадать с центром масс Земли, а ось вращения не совпадать с осью вращения Земли, но быть параллельна ей. В России принят общий земной эллипсоид ПЗ-90 (a=6378136 м, f=1/298,257839303), на нем задаются координаты для глобальной навигационной системы ГЛОНАСС, и референц-эллипсоид Красовского (a=6378245 м, b=6356863 м, f=1/298,3), на котором определяются государственные референцные системы координат СК-42 и СК-95. Для американской глобальной навигационной системы GPS используется эллипсоид WGS-84 (a=6378137 м, f=1/298,257223563). 2.3. Системы координат в геодезии В геодезии применяются несколько систем координат: а) Система пространственных прямоугольных координат:
0 – в центре масс Земли ось OZ – по оси вращения ось OX – в начальном меридиане. б) Геодезическая система координат:
Геодезическая широта (В) – угол между плоскостью экватора эллипсоида и направлением нормали к эллипсоиду в данной точке. Геодезическая долгота (L) – угол между плоскостью начального геодезического меридиана и плоскостью геодезического меридиана точки. в) Астрономическая система координат:
Астрономическая широта (φ) – угол между плоскостью экватора и направлением отвесной линии в данной точке. Астрономическая долгота (λ) – угол между плоскостью начального астрономического меридиана и плоскостью астрономического меридиана точки. Угол между направлениями отвесной линии и нормалью к эллипсоиду называется уклонением отвесной линии . в) Зональная система плоских прямоугольных координат в проекции Гаусса-Крюгера (Х и Y в метрах):
Для однозначного определения местоположения перед ординатой точки записывается номер 6-градусной зоны, например для точки пересечения осей в 12 зоне получим: Y=12500000 г) Система прямоугольных координат Х и Y на плоскости (широко применяется в топографии и прикладной геодезии):
д) Другие системы координат. 2.4. Прямая и обратная геодезические задачи. Алгоритм решения прямой и обратной геодезической задачи рассмотрим для случая прямоугольной системы координат на плоскости.[4] В прямой геодезической задаче
по известным координатам одной точки (X
В обратной геодезической задаче по известным координатам двух точек вычисляют дирекционный угол и длину линии. Дано: X Найти: α Решение: D = ΔX/cos α = ΔX/cos r = ΔYsin α = ΔYsin r = (ΔX + ΔY), где ΔX Для того, чтобы получить значение дирекционного угла, сначала вычисляют значение румба по формуле: r = arctg (ΔY/ΔX). Затем по знакам ΔX и ΔY определяют номер четверти и по соответствующей формуле вычисляют значение α:
2.5. Системы высот в геодезии Высота - расстояние по отвесной линии от уровенной поверхности до точки физической поверхности Земли. Различают абсолютные высоты , если отсчет ведется от уровенной поверхности Земли (геоида) и относительные , если отсчитываются от произвольной уровенной поверхности. В России за начало отсчета абсолютных высот принят средний уровень Балтийского моря, отмеченный штрихом на специальной пластине (нуль Кронштадтского футштока). Геодезические работы по измерению превышений и вычислению высот точек земной поверхности называют нивелированием. Разность высот двух точек называется превышением: h = H Превышения с учетом взаимного расположения точек бывают положительные и отрицательные.
Рис. 2. Уровенная и физическая поверхность Геодезической высотой Нгеод . называется расстояние от эллипсоида до точки на земной поверхности по нормали к эллипсоиду: Нгеод.
Рис. 3. Геодезическая высота Ортометрической высотой Норт . называется расстояние по отвесной линии от геоида до точки на земной поверхности:
Рис. 4. Ортометрическая высота Нормальной высотой Ннорм. называется расстояние от поверхности квазигеоида до точки на земной поверхности по нормали к эллипсоиду:
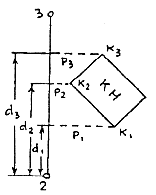
Рис. 5. Нормальная высота 3. Построение плана теодолитной съемки Теодолитную съемку обычно используют при создании контурных планов небольших участков местности. Положение точек относительно опорных точек и сторон в полевых условиях определяют несколькими способами, основными из которых являются следующие[5] : - способ перпендикуляровСпособ перпендикуляров используют для съемки точек, расположенных на открытой местности вблизи сторон теодолитного хода . Для определения положения углов здания к1 , к2 , к3 достаточно опустить на линию 23 теодолитного хода перпендикуляры и измерить расстояния d1 , d2 , d3 от твердой точки 2 по линии теодолитного хода до оснований перпендикуляров и длины перпендикуляров p1 , р2 , р3 (рис. 6). При построении плана по линии теодолитного хода, положение точек которого нанесено на план, в масштабе плана откладывают отрезки d1 , d2 , d3 , т. е. получают положение оснований перпендикуляров, в которых восстанавливают перпендикуляры и по ним откладывают в масштабе плана значения р1 , р2 , р3 и таким образом получают на плане точки к1 , к2 , к3 углов здания. Соединив эти точки, имеем изображение двух стен здания, изображение остальных двух стен получают, прочертив линии, параллельные к2 к3 и к1 к2 . Таким образом, на плане получаем положение здания. Аналогичным способом можно получить изображение на плане и других объектов местности.
Рис. 6. Способ перпендикуляров Перпендикуляры измеряют рулеткой, а расстояние от твердой точки до основания перпендикуляра отсчитывают по стальной ленте, уложенной в створе линии 23 теодолитного хода с помощью теодолита, установленного над точкой 2. При небольшой длине перпендикуляров (не более 4, 6,8 м при съемках-масштабах 1:500, 1:1000, 1:2000) их восстанавливают «на глаз». При больших длинах перпендикуляров прямой угол строят экером (рис. 7), и длины перпендикуляров при отмеченных масштабах можно увеличить до 20, 40, 60 м.
Рис. 7. Экер Из экеров
различных конструкций наибольшее распространение получил двухзеркальный экер. Внутри металлического корпуса 1 с прямоугольным окошками 2, под которыми на внутренних сторонах укреплены зеркала 3 под углом γ = 45° относительно друг друга. Через окошко наблюдатель смотрит не веху, установленную на точку N. Перемещая экер по линии MN, находят так положение, когда отраженное от двух зеркал изображение вехи над точкой К будет совпадать с направлением на веху в точке N, что будет соответствовать положению экера в вершине прямого угла NkK, эту вершину через середину ручки 4, крючок 5 проектируют отвесом 6 на ленту (земную поверхность).
а угол
т.е ε = 2γ При γ = 45° ε = 90°, т. е. NкK (см. рис. 7,а) равен 90°. - способ линейной засечки Способ линейной засечки используют для съемки точек путем измерения отрезков s1 , s2 с точек а и b (рис. 7, а). Точки а и b на линии 12 теодолитного хода выбирают так, чтобы угол засечки при определенной точке К был в пределах 30-150°, отрезки s1 , s2 не превышали 50 м. На плане сначала получают точки а и b, из этих точек как из центров радиусами s1 и s2 в масштабе плана проводят дуги окружностей, пересечение которых дает положение точки К на плане. - способ полярных координатСпособ полярных координат является наиболее используемым при съемке точек. Принимая точку теодолитного хода 1 за полюс (рис. 8, б), а линию 12 — за полярную ось, теодолитом, установленным над точкой 1, одним полуприемом измеряют угол βi, а дальномером, лентой или рулеткой — отрезок si . В таблице 8 приведены максимальные расстояния в способе полярных координат при выполнении теодолитной съемки .
Рис. 8. Схемы съемки контуров способами: а — линейной засечки; б — полярным; в — угловой засечки; г — створов Обычно с одной вершины хода унимают несколько точек местности, в этом случае целесообразно лимб теодолита ориентировать по линии хода 12, для чего вращением алидады совмещают нулевые деления лимба и алидады, затем закрепляют алидаду и открепляют винт лимба и вращением лимба вместе с алидадой перекрестие нитей сетки наводят на точку 2. Следовательно, при наведении на точку 2 теодолитного хода отсчет по горизонтальному кругу будет равен нулю и при наведении на точку i отсчет будет равен полярному углу βi . Таблица 1
Съемку методом полярных координат можно выполнять не только с точек; теодолитного хода, но и с любой точки на его стороне. На рисунке 8, б это точка 1', полученная путем откладывания расстояния d' = 11' в прямом и обратном направлениях. - способ угловой засечки Способ угловой засечки используют при съемке удаленных труднодоступных местных предметов (трубы, шпили, антенны и т. п.). Определяемая, точка получается путем пересечения направлений из двух и более точек теодолитного хода (для контроля — не менее чем с трех направлений). Углы β1 и β2 (рис. 8, в) измеряют теодолитом, при этом угол γ при определенной точке Т должен быть в пределах 30-150° (наилучшая засечка при γ = 90°). - способ створов Способ створов обычно применяют при внутриквартальной съемке, когда съемка основных контуров выполнена. Створом может быть линия, сочиняющая две твердые точки или два твердых контура (рис. 8, г). Путем линейных измерений на линии створа получают точки В', С', из которых линейной засечкой (или другим способом) получают снимаемую точку. Кроме cъемки всех точек ситуации для уточнения составленного плана выполняют обмеры по фасадам всех строений, заборам и т. п. На перекрестках проездов измеряют диагональные расстояния между углами кварталов и ширину проездов. Контрольные промеры делают между смотровыми колодцами подземных коммуникаций, мачтами, столбами воздушных линий связи и т. п. При теодолитной съемке заполняется абрис — схематический чертеж, на котором изображают вершины и створы теодолитного хода, снятую с них ситуацию, записывают результаты угловых и линейных измерений (рис. 9). Абрис составляют непосредственно во время съемки. При составлении абриса на нескольких листах должно быть перекрытие изображения, т. е. последующий лист должен начинаться с точек, которыми закончился предыдущий. Абрис является исходным документом для составления плана теодолитной съемки, поэтому его нужно составлять четко, аккуратно, чтобы при его использовании не было разночтений и неопределенностей.
Рис. 9. Абрис теодолитной съемки Таблица 2.
Камеральные работы На листе плотной бумаги с помощью координатографа, линейки Ф. В. Дробышева или другим методом строят прямоугольную сетку квадратов со сторонами 100 мм. Наиболее доступным способом построения сетки является проведение через поле листа двух диагоналей, от пересечения которых откладывают одинаковые отрезки. Соединив концы отрезков, получают прямоугольник, на сторонах которого откладывают стороны квадратов, при этом квадраты должны располагаться так, чтобы после их оцифровки изображение теодолитного хода и снимаемого участка было примерно в середине листа бумаги. По координатам наносят точки теодолитного хода, а затем по данным абриса составляют план, используя условные знаки для планов данного масштаба. Заключение В процессе работы была определена сущность, типы и этапы землеустройства, изучены предмет и задачи геодезии, даны определения основным её терминам, разобран процесс построения плана теодолитной съемки. В результате проведенной работы были сделаны следующие выводы: Усложнение и развитие геодезии привело к разделению ее на несколько научных дисциплин. Высшая геодезия изучает фигуру Земли, ее раз меры и гравитационное поле, обеспечивает распространение принятых систем координат в пределах государства, континента или всей поверхности Земли, занимается исследованием древних и современных движений земной коры, а также изучает фигуру, размеры и гравитационное поле других планет Солнеч ной системы. Топография ("топос" - место, "графо" - пишу; дословно - описание местности) изучает методы топографической съемки мест ности с целью изображения ее на планах и картах. Картография изучает методы и процессы создания и использования карт, планов, атласов и другой картографической продукции. Фотограмметрия (фототопография и аэрофототопо графия) изучает методы создания карт и планов по фото- и аэрофотоснимкам. Инженерная геодезия изучает методы и средства проведения геодезических работ при изысканиях, проектировании, строительст ве и эксплуатации различных инженерных сооружений. Маркшейдерия (подземная геодезия) изучает мето ды проведения геодезических работ в подземных горных выработках. Уже из этого неполного перечня геодезических дисциплин видно, какие разнообразные задачи - и теоретического, и практического характера, - приходится решать геодезистам, чтобы удовлетворить требования государственных и частных учреждений, компаний и фирм. Для государственного планирования и развития производительных сил страны необходимо изучать ее территорию в топографическом отношении. Топографические карта и планы, создаваемые геодезистами, нужны всем, кто работает или передвигается по Земле: геологам, морякам, летчикам, проектировщикам, строителям, земледельцам, лесоводам, туристам, школьникам и т.д. Особенно нужны карты армии: строительство оборонительных сооружений, стрельба по невидимым целям, использование ракетной техники, планирование военных операций, - все это без карт и других геодезических материалов просто невозможно. Геодезия занимается изучением Земли в содружестве с другими "геонауками", то есть, науками о Земле. Физические свойства Земли в целом изучает наука "физика Земли", строение верхней оболочки нашей планеты изучают геология и геофизика, строение и характеристики океанов и морей - гидрология, океанография. Атмосфера - воздушная оболочка Земли - и процессы, происходящие в ней, являются предметом изучения метеорологии и климатологии. Растительный мир изучает геоботаника, животный мир - зоология. Кроме этого, есть еще география, геоморфология и другие. Среди всех наук о Земле геодезия занимает свое место: она изучает геометрию Земли в целом и отдельных участков ее поверхности, а также геометрию любых объектов (и естественного, и искусственного происхождения) на поверхности Земли и вблизи нее. Геодезия, как и другие науки, постоянно впитывает в себя достижения математики, физики, астрономии, радиоэлектроники, автоматики и других фундаментальных и прикладных наук. Изобретение лазера привело к появлению лазерных геодезических приборов - лазерных нивелиров и светодальномеров; кодовые измерительные приборы с автоматической фиксацией отсчетов могли появиться только на определенном уровне развития микроэлектроники и автоматики. Что же касается информатики, то ее достижения вызвали в геодезии подлинную революцию, которая происходит сейчас на наших глазах. В последние годы строительство так называемых уникальных инженерных сооружений потребовало от геодезии резкого повышения точности измерений. Так, при монтаже оборудования мощных ускорителей прихо дится учитывать десятые и даже сотые доли миллиметра. По результатам геодезических измерений изучают деформации и осадки действующего промышленного оборудования, обнаруживают движение земной коры в сейсмоактивных зонах, наблюдают за уровнями воды в реках, морях и океанах и уровнем грунтовых вод. Возможность использования искусственных спутников Земли для решения геодезических задач привела к появлению новых разделов геодезии - космической геодезии и геодезии планет. Подтверждаются слова К.Э. Циолковского: "Земля - колыбель человечества, но нельзя вечно жить в колыбели." Список литературы 1. Божок А.П., Дрич К.И., Евтифеев С.А. и др. под ред. А.С. Харченко и А.П. Божок. Топография с основами геодезии. − М.: Высшая школа, 1986.−304 с.: ил. 2. Клюшин Е.Б., Кисилев М.И., Михелев Д.Ш., Фельдман В.Д. Инженерная геодезия. – М.: Академия, 2004. – 480 с. 3. Маслов А. В., Гордеев А. В., Батраков Ю.Г. Геодезия. - М.: 2008. – 472с. 4. Медведев Е.М. О будущем цифровой аэрофототопографии в России, Геопрофи (2006) 1: 10-12. 5. Неумывакин, Ю.К., Практикум по геодезии: Учебное пособие /Ю.К. Неумывакин, А.С. Смирнов. - М.; Картгеоцентр - Геодезиздат. 2005. - 315 с. 6. Поклад Г.Г., Гриднев С.П. Геодезия. – М.: Академический проект, 2007. – 592 с. 7. Прихода А.Г. Геодезическое обеспечение геологоразведочных работ, «Геопрофи» (2003) 2: с. 3-5. 8. Столов Б.Л. Обеспечение и оценка качества геофизических работ. Методические указания, – Владивосток: Изд-во ДВГТУ, 2007. – 47с. 9. Инструкция по топографо-геодезическому и навигационному обеспечению геологоразведочных работ. − Новосибирск, СНИИГГиМС, 1997. 10. Справочник современного изыскателя. – Ростов-на-Дону: Феникс, 2006. – 590 с. [1] Маслов А. В., Гордеев А. В., Батраков Ю.Г. Геодезия. - М.: 2008. – 152с. [2] Клюшин Е.Б., Кисилев М.И., Михелев Д.Ш., Фельдман В.Д. Инженерная геодезия. – М.: Академия, 2004. – 82 с. [3] Поклад Г.Г., Гриднев С.П. Геодезия. – М.: Академический проект, 2007. – 162 с. [4] Столов Б.Л. Обеспечение и оценка качества геофизических работ. Методические указания, – Владивосток: Изд-во ДВГТУ, 2007. – 17с. [5] Инструкция по топографо-геодезическому и навигационному обеспечению геологоразведочных работ. − Новосибирск, СНИИГГиМС, 1997. |
|||||||||||||||||||||||||||||||||||||||||||||||||||||||||||||||||













