Курсовая работа: Расчет системы тягового электроснабжения железнодорожного транспорта
|
Название: Расчет системы тягового электроснабжения железнодорожного транспорта Раздел: Рефераты по транспорту Тип: курсовая работа | |||||||||||||||||||||||||||||||||||||||||||||||||||||||||||||||||||||||||||||||||||||||||||||||||||||||||||||||||||||||||||||||||||||||||||||||||||||||||||||||||||||||||||||||||||||||||||||||||||||||||||||||||||||||||||||||||||||||||||||||||||||||||||||||||||||||||||||||||||||||||||||||||||||||||||||||||||||||||||||||||||||||||||||||||||||||||||||||||||||||||||||||||||||||||||||||||||||||||||||||||||||||||||||||||||||||||||||||||||||||||||||||||||||||||||||||||||||||||||||||||||||||||||||||||||||||||||||||||||||||||||||||||||||||||||||||||||||||||||||||||||||||||||||||||||||||||||||||||||||||||||||||||||||||||||||||||||||||||||||||||||||||||||||||||||||||||||||||||||||||||||||||||||||||||||||||||||||||||||||||||||||||||||||||||||||||||||||||||||||||||||||||||||||||||||||||||||||||||||||||||||||||||||||||||||||||||||||||||||||||||||||||||||||||||||||||||||||||||||||||||||||||||||||||||||||||||||||||||||||||||||||||||||||||||||||||||||||||||||||||||||||||||||||||||||||||||||||||||||||||
| ФЕДЕРАЛЬНОЕ АГЕНТСТВО ЖЕЛЕЗНОДОРОЖНОГО ТРАНСПОРТА РОССИЙСКОЙ ФЕДЕРАЦИИ ИРКУТСКИЙ ГОСУДАРСТВЕННЫЙ УНИВЕРСИТЕТ ПУТЕЙ СООБЩЕНИЯ Кафедра: «ЭЖТ» Дисциплина: «Электрические железные дороги» КУРСОВОЙ ПРОЕКТ на тему: «Расчет системы тягового электроснабжения железнодорожного транспорта» Вариант 077 Выполнил: студент группы ЭНС-07-2 Студентов С. Л. Проверил: преподаватель каф. «ЭЖТ», доцент Молин Н. И. Иркутск 2009 Реферат В данном курсовом проекте произведен расчет системы электроснабжения электрической железной дороги, а именно 2-х путного участка, электрифицированного на однофазном токе промышленной частоты. Определена мощность и количество тяговых трансформаторов одной ТП, определено экономическое сечение проводов контактной сети, рассчитаны годовые потери в контактной сети, для раздельной и узловой схемы питания, произведён технико-экономический расчет для сравнения схем. Произведён расчет среднего уровня напряжения в контактной сети, рассчитаны минимальные токи К.З. и выбрана защита расчетного участка от тока К.З., а также рассчитано реактивное электропотребление расчетной ТП, мощность установки параллельной компенсации и ее параметры. Курсовой проект содержит: рисунков 6; таблиц 10; формул 72. Содержание Введение Задание на курсовой проект Исходные данные 1. Определение мощности тяговой подстанции 1.1 Определение средних и эффективных значений тока поезда. ФКС ТП 1.2 Определение средних токов фидеров к/с для расчетных режимов расчетной ТП 1.3 Определение средних и эффективных токов плеч питания ТП 1.4 Определение расчетных токов трансформатора. Эквивалентный, эффективный ток по нагреву масла 1.5 Расчет трансформаторной мощности 1.5.1 Основной расчет 1.5.2 Уточнение расчёта мощности трансформатор 1.5.3 Проверка трансформатора по максимальному току, максимально допустимому току и максимально допустимой температуре обмотки и масла 2. Определение экономического сечения проводов контактной сети одной МПЗ для раздельной и узловой схем питания 2.1 Проверка к/с по нагреву 2.2 Годовые потери энергии в к/с для двух схем питания 3. Технико-экономический расчет для сравнения раздельной и узловой схем питания 4. Расчет среднего уровня напряжения в к/с до расчетного поезда на условном лимитирующем перегоне 5. Расчет минимальных токов к.з. и максимальных рабочих токов для двух схем питания. Выбор схемы защиты к/с расчетного участка от токов к.з 5.1 Ток к.з 5.2 Расчет уставок электронной защиты фидера к/с 6. Расчет реактивного электропотребления расчетной ТП, мощность установки параллельной компенсации и ее параметры Заключение Список используемой литературы Введение Система электроснабжения электрифицированных железных дорог отличается от систем электроснабжения промышленных предприятий тем, что от неё получают питание движущиеся поезда, нетяговые железнодорожные потребители, промышленные, сельскохозяйственные и коммунальные потребители, находящиеся в зоне электрифицированной линии. Устройства электроснабжения обладают высокой надёжностью работы, бесперебойностью электроснабжения, экономичностью. Широко применяются и разрабатываются новые, более совершенные и экономичные методы обслуживания и диагностического контроля элементов системы электроснабжения. Одним из важных вопросов нормальной работы системы электроснабжения является поддержание уровня напряжения в тяговой сети в заданных пределах. Современные силовые трансформаторы, поставляемые нашей промышленностью, оборудуются устройствами для автоматического регулирования напряжения в системе тягового электроснабжения с использованием дросселей, а также устройства с автоматическим бесконтактным тиристорным регулированием. Эти устройства в сочетании с телеуправлением, имеющим свои каналы связи, ложатся в основу разработок по энергетической подсистеме автоматизированной системы управления железнодорожным транспортом. Задание на курсовой проект Определить мощность тяговой подстанции (в качестве расчётной выбирается подстанция, расположенная ближе к середине участка), выбрать мощность и количество тяговых трансформаторов. Определить экономическое сечение проводов контактной сети одной фидерной зоны для раздельной работы путей и узловой схемы. Рассчитать годовые потери энергии в контактной сети для этих двух схем. Провести проверку выбранного сечения поводов контактной сети по нагреванию. Провести технико-экономический расчет по сравнению указанных выше схем питания. Для схемы раздельного питания произвести расчет среднего уровня напряжения в контактной сети до расчетного поезда за время его хода на автоматической характеристике по условному «ограничивающему» перегону и блок-участку при полном использовании пропускной способности. Рассчитать перегонную пропускную способность с учетом уровня напряжения. Произвести расчёт минимальных токов короткого замыкания и рабочих максимальных токов для обеих схем, выбрать схему защиты контактной сети от токов короткого замыкания. Составить принципиальную схему питания и секционирования контактной сети расчётного участка. Рассчитать реактивное электропотребление расчётной тяговой подстанции, мощность установки параллельной компенсации и ее параметры. Исходные данные Схема участка с упрощенными тяговыми расчетами Типы тяговых подстанций 1, 2. Расположение тяговых подстанций: ТП1 L1= 16 км; ТП2 L2= 62 км; Тип дороги – магистральная. Число путей – 2. Тип рельсов - Р65. Размеры движения: число пар поездов в сутки – 105. Минимальный межпоездной интервал Q0 = 8 мин. Номинальное напряжение на шинах тяговых подстанций Uш = 27,5 кВ. Продолжительность периода повышенной интенсивности движения Твос = 3,0 ч. Трансформаторная мощность для районных потребителей S = 10 МВ*А. Мощность короткого замыкания на вводах подстанции Sкз = 700 МВ*А Эквивалентная температура в весенне-летний период и температура в период повышенной интенсивности движения после окна Qохлс = 30 °С, Qохло = 15 °С. Длительность весенне-летнего периода nвл = 230 сут. Амортизационные отчисления: а) контактная сеть aк = 4,6%; б) посты секционирования aп = 5,5%;
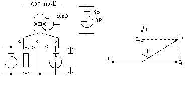
Рис. 1. Присоединение тяговых подстанций к ЛЭП и тяговой сети и векторные диаграммы первичных и вторичных напряжений подстанций. 1. Определение мощности тяговой подстанции и количества тяговых трансформаторов 1.1 Определение средних и эффективных значений тока поезда, ФКС ТП Расчёт нагрузок подстанции следует начать с определения средних и эффективных токов подстанции при проходе поездом фидерных зон. а) строится зависимость тока поезда от времени и расстояния Iп(l), Iп(t); б) располагаем тяговые подстанции; в) строим векторные диаграммы напряжений тяговых подстанций; г) определяем поездные токи на каждом километре в четном и нечетном направлении по зависимости поездного тока от расстояния Iп(l). Для одностороннего питания ток поезда полностью равен току фидера. Для двустороннего питания ток поезда распределяется между фидерами смежных подстанций обратно пропорционально расстояниям до поезда. Кривые поездного тока раскладываются по фидерам смежных подстанций четного и нечетного пути для схемы раздельного питания пути.
Таблица 1
По данным таблицы 1 строятся кривые токов фидеров расчетной тяговой подстанции Iф (l), разложенная кривая поездного тока. По разложенной кривой поездного тока определяются средние и эффективные токи ФКС и другие числовые характеристики расчетной ТП. Также выбирается самая загруженная МПЗ, и производится расчет средних и эффективных токов четного и нечетного пути. Методика расчета Кривая разложенного и не разложенного тока разделяется на отрезки 40-60 А. Определяются средние токи отрезков Iсрi, Iсрi?. Определяется время движения на этом участке ti. Определяется произведение Iср*ti (А*мин). По сумме этих произведений определяется средний ток и значение квадрата
Исходная информация и расчет среднего и эффективного поездного тока для токов фидеров расчетной подстанции № 2 (разложенный ток поезда) Таблица 2.1
Таблица 2.2
Таблица 2.3
Таблица 2.4
Исходная информация и расчет среднего и эффективного поездного тока для наиболее загруженной МПЗ (не разложенный ток поезда) Таблица 3.1
Таблица 3.2
Также для токов фидеров рассчитывают следующие числовые характеристики: Среднее квадратичное отклонение тока фидера
Коэффициент эффективности
Коэффициент вариации
Результаты заносятся в таблицы 4 и 5 Таблица 4 Числовые характеристики поездного тока фидеров расчётной ТП и времени хода по МПЗ
Таблица 5 Числовые характеристики тока четного и нечетного пути наиболее загруженной МПЗ, время хода по МПЗ и электропотребления в зоне
1.2 Определение средних токов фидеров контактной сети для расчетных режимов расчетной ТП Среднее и эффективное значение поездного тока фидеров является исходным для расчета нагрузок фидеров и подстанций, для расчета потерь мощности и проверки контактной сети по уровню напряжения. Расчетные режимы определяются процессами нагревания трансформаторов. Поэтому нагрев масла определяется для режима сгущения, т.е. для периода составления нормального графика движения после окна. Постоянная времени и обмоток 6 - 8 мин, поэтому максимальная температура определяется максимальным нагревом трансформатора, который может возникнуть при максимальной пропускной способности. Пропускная способность определяется прохождением числа поездов в сутки. При выборе мощности трансформатора рассматриваем три режима: 1. Заданное количество поездов Jзад = Nзад / Nо (8) No = 1440 / Qo (9) где No - пропускная способность, Qo - минимальный межпоездной интервал. 2. Режим сгущения Jсг = Nсг / Nо = 0,9 (10) 3. Режим максимальной пропускной способности Jmax = N / Nо = 1 (11) По средним и эффективным токам фидеров рассчитывают средние и эффективные токи фидеров для Nзад, Nсг и No по следующим формулам которые действительны для однотипных поездов. Iф = Iср*nф * N / No (12) Iфэ = (4 * nф * N *Iэ? / 3 * No) + ( (nф - 4/3) * nф * N? *Iср? / No?) (13) Где nф = t / Qo - наибольшее число поездов в МПЗ t - время хода поезда N - число поездов сутки Результаты расчетов числовых характеристик для трех режимов заносятся в таблицы 6,7,8. 1. Заданное количество поездов Nзад =105 пар / сут; Qо = 8 мин; No = 1440 / Qо = 1440 / 8 = 180 пар поездов/ сутки Jзад =105/180=0,583 2. Режим сгущения Jсг = Nсг / No = 0,9 Þ Nсг = 0,9*180= 162 пар поездов. 3. Режим максимальной пропускной способности Jmax = Nmax / No = 1 Þ Nmax = 1*180=180 пар поездов. Расчёт токов фидеров: 1. Заданный режим Таблица 6 Числовые характеристики токов ФКС расчётной ТП при заданном режиме
2.Режим сгущения Таблица 7 Числовые характеристики токов ФКС расчётной ТП в режиме сгущения
3. Максимальный режим Таблица 8 Числовые характеристики токов ФКС расчётной ТП при максимальном режиме
1.3 Определение средних и эффективных токов плеч питания расчетной ТП I| = Ib = Iф1 + Iф2 (14) I|| = Ia = Iф5 + Iф4 (15) Квадраты эффективных токов плеч питания I|э? = Ibэ? = I| ? + (Iф1э? - Iф1?) + (Iф2э? - Iф2?) (16) I||э? = Iaэ? = I|| + (Iф4э? - Iф4?) + (Iф5э? - Iф5?) (17) Таблица 9 Средние и эффективные значения токов плеч питания
1.4 Определение расчетных токов трансформатора. Эквивалентный эффективный ток по нагреву масла Нагрев масла в трёхфазном трансформаторе определяется потерями в обмотках трёх фаз. Эквивалентный эффективный ток по нагреву масла определяется для условия нормального графика движения и для режима сгущения Iэкв э2 = ( 1 / 9 ) * ( 2* ( I2|э + I2||э) + I| * I||) (18) Для проверки температуры обмотки должен быть найден эффективный ток обмотки при максимальных и заданных размерах движения: Iоб2| э = ( 1 / 9 ) * ( 4* I2|э + I2||э + 2 * I|э * I||э) (19) Iоб2|| э = ( 1 / 9 ) * ( 4* I2||э + I2|э + 2 * I|э * I||э) (20) Iоб2||| э = ( 1 / 9 ) * ( I2|э + I2||э - I|э * I||э) (21) Из трех токов выбирают максимальный. Таблица 10
1.5 Расчет трансформаторной мощности 1.5.1 Основной расчет Для расчета трансформаторной мощности выбирается базовый Sн = 2 x 40 = 80 МВА; Sр.расч = 10 МВА. Мощность тяги Sнт = Sн / Ку - Sр.расч, (22) где Ку = 0.97 - участие районной нагрузки Номинальный тяговый ток обмотки трансформатора: I1нт = Sнт / (3*Uш) (23) где Uш = 27.5 кВ Кратность нагрузки по обмоткам трансформатора 1. Для заданного количества поездов Ко = Кз = Iэо / I1нт (24) где Iэо - эквивалентный ток обмотки по нагреву масла для заданного режима. 2. Для режима сгущения Ксг = Iэсг / I1нт (25) где Iэсг - эквивалентный ток обмотки по нагреву масла для режима сгущения. 3. Для максимального режима Кmax = Iэmax / I1нт (26) Если Кmax ³ 1.5, то надо выбирать следующий по шкале более мощный трансформатор. Мощность трансформатора выбирают по средней интенсивности относительного износа витковой изоляции и проверяют по максимальной температуре наиболее нагретой точки обмотки и верхних слоев масла. Средняя интенсивность износа изоляции обмотки трансформатора в сутки с предоставлением окна F1 = Aсг * Lобmax *Lмсг * Твос / 24 (27) Асг = е- a ( qинтб - qохлс) (28) где qинтб - температура наиболее нагретой точки, при которой срок службы трансформатора условно принят равным 1, qинтб = 98 °С; qохлс - температура окружающей среды в период восстановления нормального движения, задается в зависимости от района; a = 0.115 - коэффициент, определяющий скорость старения изоляции Lобmax = Jсг * е a ( а * Кmax? + b) ( 29) Lмсг = Jсг * е a ( q( ( 1 - h ) * Ксг? + Ко?) + h) ( 30) h = е -(Твос - to) / t (31) a,b,q,h - постоянные в выражениях, аппроксимирующие зависимости разности температур обмотка - масло и масло - окружающая среда (они равны: a = 17.7; b = 5.3; q =39.7; h = 15.3 °C); to - среднее время хода поезда основного типа по фидерной зоне; t = 3ч - тепловая постоянная времени масла. По полученной интенсивности износа производят пересчет номинального тока, т.е. находится такой ток, при котором относительная интенсивность износа будет номинальной.
где:
Выбор мощности трансформатора по току Iном занижает мощность не более чем на 8%, поэтому необходимая расчетная мощность лежит в пределах [ Smin; Smax] Smin = Ку * ( 3 * Iном * Uш + Sр.расч) (33) Smax = Ку * ( 3 *К * Iном * Uш + Sр.расч) (34) где Ку = 0.97; К = 1.08 Sн= 2 χ 40 МВА Мощность тяги Sнт = 80/ 0,97 - 10= 72,5 МВА Номинальный тяговый ток обмотки трансформатора: I1нт = 72,5 *1000/ (3*27,5) = 878,8 А 1. Для заданного количества поездов Ко = Кз = 656,4/ 878,8 =0,747 2. Для режима сгущения Ксг =967,4 / 878,8= 1,101 3. Для максимального режима Кmax = 1065,4/ 878,8 = 1,212 Асг = е - 0,115 ( 98 - 30) = 0,000402 Lобmax = 0,9 * е 0,115 ( 17,7 * 1,212? + 5,3) =164,41 h = е -(3 –(56+55,75)/2*60) / 3 =0,774 Lмсг = 0.9*е 0.115 ( 39,7( ( 1 – 0,774) * 1,101? + 0,747?) + 15.3 =259,26 F1 = 0,000402 * 164,41*259,26*3 / 24 =2,1419 По полученной интенсивности износа произведём пересчёт номинального тока, т.е. находим такой ток, при котором относительная интенсивность износа будет номинальной. nвл=230 дней nсг=(2/3)* 230=153,33
Smin = 0,97 * ( 3 * 929* 27,5 + 10*1000) =84043,2 кВА Smax = 0,97* ( 3 *929* 1,08 * 27,5 +10*1000) =89990,7 кВА => Sн=80 МВА Вывод: Так как Sн =80 МВА не попадает в интервал Smin<Sн<Smax то делаем уточненный расчет. 1.5.2 Уточнение расчета мощности трансформатора Коэффициент, учитывающий износ изоляции обмотки за счет нагрева масла в период нормального графика Lмо = е a(q * Ко? + h) (35) Значение среднегодового износа находят по формуле:
где nвл - число суток в весенне-летний период; nсг - число суток с предоставлением окна, можно принять = 2/3* nвл; Тн = 21 - Твос – to; Ао = е-a(qинтс - qохло) . По новому значению F по формуле (32) вновь производится расчет номинального тока и находится новое значение Iоном. По каталогу выбирается мощность ближайшая - большая, чем: Sрасч1= Ку*(3 *Iоном * Uш + Sр.расч) (37) или Sрасч2= 3 *Iоном * Uш (38) Тн = 21 – 3 –(56+55,75)/(2*60) = 17,1 часа Ао = е - 0,115 * (98 - 15) = 0,00007 Lмо = е 0,115 * (39,7 * 0,747? + 15,3)= 74,2
Sрасч 1= 0,97 * (3 * 864* 27,5 +10*1000) =78841,6 кВА Sрасч 2= 3*864* 27,5 =71280 кВА Выбираем мощность трансформаторатора согласно условию Sн>max(Sрасч1; Sрасч2) получаем Sн =80 МВА Вывод: мощность тяговой подстанции 2*40 МВА 1.5.3 Проверка трансформаторов по максимальному току, максимально допустимому току и максимально допустимым температурам обмотки и масла а) Максимальный ток для режим а сгущения I2нт = (Sном / Ку -Sр.расч) / (3 *Uш) (39) коэффициент сгущения Ксг = Iэсг / Iнт < 1.5 б) Проверка по температуре масла qмсг = qохлс + (q / I2нт?) * (Iоэ? * h + (1 - h) * Iсг?) + h < 95°С (40) в) Проверка по максимальной допустимой температуре обмотки qинтс = qмсг + а * (Iэmax? / I2нт? ) + b < 140°С (41) где Iэmax - эффективный ток обмотки для максимального режима I2нт - для двух трансформаторов г) В нормальных условиях заданные размеры движения должны быть обеспечены при работе одного трансформатора qмо = qохлс + (q / I1нт?) * Iэо? + h < 95°С (42) qинто = qмо + а * (Iэmax? / I1нт? ) + b < 140°С (43) где Iэmax - эффективный максимальный ток обмотки для заданного режима; I1нт - ток, соответствующей мощности, которая может быть использована для тяги при работе одного трансформатора. а) Максимальный ток для режима сгущения Iнт = (80000 / 0,97 -10000) / (3 * 27,5) =878,5 А коэффициент сгущения Ксг =967,4 / 878,5 = 1,1 < 1.5 условие выполняется б) Проверка по температуре масла qмсг = 30 + (39,7 / 878,5?) * (430870,6 * 0,774 + (1 – 0,774) * 935943,1) + 15,3=73,3 °С 73,3°С < 95°С в) Проверка по максимальной допустимой температуре обмотки qинтс = 73,3+ 17,7* (1320,5? / 878,5? ) + 5,3=118,6 °С 118,6 °С < 140 °С г) В нормальных условиях заданные размеры движения должны быть обеспечены при работе одного трансформатора Iнт = (40000 / 0,97 -10000) / (3 * 27,5) =484,8А qмо = 30 + 39,7*430870,6 /484,8? + 15,3=92,3°С 92,3°С<95°С qинто = 92,3+ 17,7* (823,6? / 484,8? ) + 5,3=133,6 °С 133,6 °С < 140 °С Вывод: Трансформаторы по максимальному току, максимально допустимому току и максимально допустимым температурам обмотки и масла проходят. 2. Определение экономического сечения контактной сети одной МПЗ для раздельной и узловой схем питания Общий расход энергии по четному и нечетному пути: Wт = Iср * Uш * t *Nр (44) где Nр = N / Кнд =105 / 1,15 = 92пар/сутки; tч = 56,00 мин =0,933 часа tтч =52,00 мин = 0,867 часа; tнч = 55,75 мин = 0,929 часа; tтнч =54,75 мин 0,913 часа tт - суммарное время потребления энергии всеми поездами Nр, проходящими за период Т фидерную зону. Тпер = 8 мин = 0,133 часа. Удельные потери: Для раздельной схемы питания:
Для узловой схемы питания:
Общий расход энергии: Wт = Wтч + Wтнч Экономическое сечение проводов в медном эквиваленте:
где: кэ=0,018руб/кВт*ч – стоимость электроэнергии. Для раздельной схемы питания: Wтч = 201,9·27,5·0,867·92= 402608,8 кВт*ч Wтнч = 220,1·27,5·0,913·92=462188 кВт*ч
Для узловой схемы питания: No = 1440 /8 = 180 пар поездов Wт =402608,8 +462188=864796,8 кВт*ч
По результатам расчетов выбираем подвеску M-120+ МФ-100+ А-185 F =120+100+185/1,7=328,8 мм2 2.1 Проверка контактной сети по нагреву Для подвески M-120+ МФ-100+ А-185 допустимый ток 1270 А, его нужно сравнить с эффективными токами фидеров контактной сети при режиме максимальной пропускной способности. Iф1 = 743 А Iф4 = 793,2 А Iф2 = 852,4 А Iф5 = 577,2 А Вывод: подвеска M-120+ МФ-100+ А-185 по нагреву проходит. 2.2 Годовые потери электроэнергии в контактной сети для раздельной и узловой схемы питания Значение потерь энергии по: DWгод = Во * I * rа (51) где l - длина зоны, км l = 46 км rа - активное сопротивление подвески М-120+МФ-100+А-185= 0,055 Ом/км DWгч =504491,7·46·0,055 =1276364 кВт*ч/год DWгнеч = 650123,7·46 0,055 =1644813 кВт*ч/год DWгразд =1276364 +1644813 = 2921177 кВт*ч/год DWгузл = 2034271,4·46·0,055/2 =2573353,3 кВт*ч/год 3. Технико-экономический расчет по сравнению с раздельной и узловой схем питания Приведенные ежегодные расходы: Спр = Е * К + DА (52) где Е = Ен + Еа + Ео Ен = 0,12 - нормативный коэффициент эффективности; Еакс = 0,046 - амортизационные отчисления на к/с; Ео = 0,03 - затраты на обслуживание; Еапс = 0,055 - амортизационные отчисления на ПС; DА - стоимость потерь электроэнергии в год; DА = DWгод * Кэ (53) где Кэ = 0,018 руб/кВт*ч - стоимость электроэнергии; Спрразд = ( Ен + Еакс + Ео ) * Ккс +DА; (54) Спрузл = ( Ен + Еакс + Ео ) * Ккс + ( Ен + Еапс + Ео ) * Кпс + DА; (55) Кпс = 22000 руб. Ккс = 13000 ·46= 598 тыс руб Спрузл < Спрразд Кузл > Кразд Срок окупаемости: Т = (Кузл - Кразд) / (Спрразд - Спрузл) < 8 лет; (56) DАразд =2921177· 0,018 = 52581,2 руб. DАузл = 2573353,3·0,018 = 46320,4 руб. Спрразд = (0,12 + 0,046 + 0,03) · 598000 + 52581,2=169789,2 руб Спрузл =(0,12+0,046 +0,03)·598000+(0,12+0,055+0,03)·22000+46320,4= 168038,4 руб Т = 22000 / (2*169789,2-2*168038,4) = 6,3 года < 8 лет. Вывод: вариант с узловой схемой питания более выгоден, хотя капиталовложения больше чем у раздельной, но ежегодные приведенные затраты меньше. Значит, принимаем узловую схему питания. Срок окупаемости 6,3 года < 8 лет. 4. Расчет среднего уровня напряжения в контактной сети до расчетного поезда на условном лимитирующем перегоне Условный перегон находится в середине МПЗ, если в середине токи маленькие, то условный перегон перемещают в зону с большими токами. В пределах условного перегона выделяется блок- участок, равный 1/3 длины условного перегона. Скорость поезда зависит от выпрямленного напряжения, которое пропорционально среднему за полупериод напряжению переменного тока. Поэтому в первую очередь интересуют именно эти значения напряжения и потерь напряжения.
Рис. 2. Схема условного лимитирующего перегона и блок участка. L1-расстояние от ТП1 до лимитирующего перегона; L1*-расстояние от ТП1 до блок участка; L2- расстояние от ТП2 до лимитирующего перегона; L2*- расстояние от ТП2 до блок участка; Lk-длинна лимитирующего перегона; Lбу- длинна блок участка; Lок- расстояние от ТП1 до расчетного поезда; L- длинна МПЗ. Расчет потерь напряжения тяговой сети и выпрямленных токов, приведенных к напряжению контактной сети. Потери напряжения в тяговой сети: DUс = DUк + DUр (57) где DUк - потери напряжения в контактной сети до расчетного поезда; DUр – потеря напряжения в рельсах до расчётного поезда. Расчет ведется как и при постоянном токе, поэтому надо привести сопротивление контактной сети и рельсов к постоянному току. Zкс = 0,136 Ом/км - приведенное сопротивление контактной сети для подвески M-120+МФ-100+А-185
где U = 25000 В; Wkqд - расход энергии на движение расчетного поезда типа q, на к-ом перегоне в двигательном режиме; tkqд - время потребления тока поезда типа q, на к-ом перегоне в двигательном редиме; Wq = I * t * U - расход энергии поездами по всей зоне; m = t / qo - количество поездов в зоне;
где
Находим потери напряжения на ТП:
где kэф 0,97 - коэффициент эффективности, вводимый для перехода от выпрямленных токов к действующим. Сопротивление трансформатора и внешней сети: Хвт = Uk * Uш? * 10 / Sн + U? * 1000 / Sкз (62) j - угол сдвига между током и напряжением, равен 370. Iпmax = (Iаmax + Iвmax) / 2 (63) где Iаmax, Iвmax - нагрузки плеч определяемых при N = No Iпmax - средний выпрямленный ток подстанции при максимальных размерах движения. Средний уровень напряжения у ЭПС: U = 0.9 * 27500 - DUc - DUni (64) По найденному значению напряжения можно откорректировать минимальный межпоездной интервал и перегонную пропускную способность:
где Zэ = 12 Ом - приведенное сопротивление ЭПС I - средний выпрямленный ток электровоза за tэ, приведенный к напряжению. Пропускная способность: No’ = 1440 / Т’пер (66) Кроме того, необходимо найти среднее значение напряжения за время хода поезда по блок-участку, что при разграничении поездов блок-участками равно Тпер/3 DUбу = DUk + DUр (67) Uбу = 27500 - 1,11 * (DUбу + DUni) (68) где 1,11 - коэффициент для перехода к потери действующего напряжения Uбу ³ 21кВ; L1*=21,9 км. L2*=21,6 км. Lк=7,5 км. Lок=23 км. L1=20,7 км. L2=17,8 км. Lб=2,5км. L= 46 км. Расчет: Средний уровень напряжения у поезда на условном перегоне: tч = 56 мин =0,933 часа tтч =52 мин = 0,867 часа; tнч = 55,75 мин = 0,929 часа; tтнч =54,75 мин 0,913 часа; T0 =0,13 часа; m2 = tч / То =0,913 / 0,13 =6 поездов Wkgd =0,13 *200* 25 =650 кВт*ч Wg| = 0.867* 201,9* 25 =4376,2кВт*ч Wg1I = 220,1* 0,913 * 25 =5023,8 кВт*ч
DUбу =1011,5+2365,7=3377,2 В
Xвт = 10,5*10* 27,52 / (1000 * 80) +27,52 /700 =1,711 Ом
Uср = 0,9 * 27500 – 3377,2– 2911,9=21401,1 В Пересчитаем межпоездной интервал Iср = 220 А tэ =8 мин
No’ = 1440 /10,1 =143 пары поездов в сутки. N = 1440 /8 = 180 пар поездов в сутки. Средний уровень напряжения у поезда на блок-участке: tч = 7,25 мин =0,13 часа tтч =7,25 мин = 0,13 часа; tнч = 7,4 мин = 0,133 часа; tтнч =7,2 мин 0,13часа; T0 =0,13часа; m2 = tч / То =0,13 / 0,13 = 1 поезд Wkgd =0,03*200* 25 =150 кВт*ч Wg1 = 220*0,13* 25 =715 кВт*ч WgI1 = 180*0,13* 25 =585 кВт*ч
DUбу =196,942+221,472=418,413 В
Uср = 27500 – 1,11 * (418,13+2368,4) = 24516,49 В > 21кВ Вывод: напряжение на блок-участке удовлетворяет условию по минимальному уровню напряжения в тяговой сети, так как больше 21кВ. Пропускная способность не изменится и составляет 180 пар поездов в сутки. 5. Расчет минимальных токов короткого замыкания и максимальных рабочих токов для двух схем питания. Выбор схемы защиты контактной сети расчетного участка от короткого замыкания 5.1 Ток короткого замыкания может быть определен:
Iкз = Uнк Ö(2*Uнк2*(100000/Sкз+Uk*103/Sн)*10-2+X*lкз)2+(ra*lкз)2 где Uнк = 25 кВ; lкз - расстояние от ТП до короткого замыкания X и ra - индуктивное и активное сопротивления одного километра тяговой сети, Ом/км. Максимальный ток фидера определяется в предположении, что ток фидера составляет сумму тока трогания одного ЭПС и отнесенного к этому фидеру средних токов других ЭПС. При раздельном питании: Iфmax = Iтр + (nф1 - 1) * I1 (70) При узловой схеме питания: Iфmax = Iтр + (nф1 - 1) * I1 /2 + nф2 * I2 / 2 (71) где nф1, nф2 - максимальное число ЭПС, которое может находится в фидерной зоне четного и нечетного путей. I1, I2 - средние значения разложенных поездных токов. Уставки защиты должны удовлетворять условиям для ВЛ 80; Iтр = 446 кз = 1,2 кв = 0,9 кч = 1,5 Iу > кз *Iфmax / кв, кч * Iу < Ikmin (72) 1. Расчет для раздельной схемы питания:
Iкз=25000Ö(2*252*(1/700+10,5/(80*1000))*10-2+0,287*46)2+(0,094*46)2 =1419,6 А Iфmaxч = 446 + (8-1) * 201,9=1859,3 А Iфmaxнеч = 446 + (8- 1) ·220,1= 1986,7 А Iуст = 1986,7 ·1,2/ 0,9 =2804,8 А Iуст=2804,8·1,5=4207,2 А 4207,2 > 1419,6 Условие не выполняется, максимальной токовой защиты не достаточно. Необходимо снабдить схему электронной защитой фидера. 2. Расчет для узловой схемы питания:
Iфmaxч = 446 + (8-1) * 201,9/ 2 +8*220,1/2=2033,1 А Iфmaxнеч = 446 + (8 - 1) *220,1/2+8*201,9/2 =2024 А Iуст =2033,1 * 1,2 / 0,9 =2870,3 А кч * Iуст = 2870,3 * 1,5 = 4305,5 А < 2338,4 А условие не выполняется максимальной токовой защиты не достаточно. Необходимо снабдить схему электронной защитой фидера. 5.2 Расчет уставок электронной защиты фидера ТП 1-я ступень защиты - ненаправленная дистанционная защита является основной и отключает без выдержек времени в пределах 80-85% зоны. При к.з. рядом с шинами подстанции предусмотрен автоматический перевод 1-й ступени защиты в режим ТО. Этот перевод обусловлен понижением напряжения на шинах ТП до определенного уровня. 2-я ступень защиты - направленная защита с выдержкой времени 0,5 сек. Она резервирует 1-ю ступень защиты. Во 2-й ступени используется фазовый орган, который ограничивает характеристику срабатывания реле в заданном диапазоне. Расчет утавок электронной защиты: Определение сопротивления ТП: Zп = 2 * (Uн2 / Sкз + Uk * Uн2 / (100 * Sн)) Сопротивление срабатывания 1-й ступени защиты: Zсрi = котс * Zвхi где котс =0,8 - коэффициент отстройки; Zвхi - входные сопротивления в конце защищаемой зоны; Zвх = Z1 * l Z1 - сопротивление одного пути 2-х путного участка. Выбранное сопротивление Zсрi проверяется на селективность по отношению к токам нагрузки: Zсз £ кв * Zнmin / к где Zнmin - минимальное сопротивление нагрузки; Zнmin= Uрmin / Iнmax где кв = 0,9; кн = 1,2; Uрmin = 25 кВ При понижении напряжения на шинах ТП ненаправленная дистанционная защита переводится в режим ТО. Напряжение перевода: Uсзуто = Ukmin /кн где Ukmin - минимальное напряжение при к.з. в конце линии; Ukmin = Umin * Zэ * I / (Zп + Z2 * I) Umin = 0.9 * 27500 = 24750 В; где Z2 - сопротивление двухпутного участка при соединении контактных подвесок. Ток срабатывания отсечки: Iсзуто = кн * Iкзmax где Iкзmax - максимальный ток к.з. протекающий через фидер; Iкзmax = Umax / (Zп + Z1 * I) Umax = 1.05 * 27500 = 28875 В; Выбранное значение Iсзуто проверяется: Iсзуто ³ кн * Iнmax / кв Сопротивление срабатывания направленной дистанционной защиты ( 2-я) Zсз|| = кч * Zкзmax где Zкзmax - максимальное сопротивление при к.з. на шинах смежной подстанции; Zкзmax = 2 * (Z2 * Ica + Z1 *Iсв) Расчет выполняем только для раздельной схемы питания: Определим сопротивление ТП и нвешней сети: Zп = 2 * (252/700 + 10,5 * 252 / (100*80) = 3,43 Ом Z1 = Z2 = Ö 0.0942 + 0.2872 =0.302 Ом Zвх = 0,302 * 46=13,89 Ом Сопротивление срабатывания 1-й ступени защиты: Zcp1 = 0.8 * 13,89=11,11 Ом Zнmin = 25000 / 1986,7= 12,58 Ом 11,11 < 0,9 *12,58 /1.2 = 9,44 Ом Напряжение перевода в ТО: Минимальное напряжение при коротком замыкании в конце линии: Uнmin = 0.9 (27500 * 0.302 * 46) / 2 * (3,43 + 0.302 * 46) =8284,2 В Uсзуто = 8284,2 / 1,2 = 6903,5 В Ток срабатывания токовой отсечки: Минимальный ток короткого замыкания в конце линии: Iкзmax = 1,05 * 27500 / 3,43+ 0.302 * 46= 2782,9А Iсзуто = 1,2 * 2782,9 =3339,5 А Проверяем ток срабатывания защиты на селективность 3339,5 А > 1,2 *2033,1 / 0,9 =2710,8 А условие выполняется. Сопротивление срабатывания 2-й ступени защиты. Максимальное сопротивление к.з. на шинах смежной подстанции: Zкзmax = 2 * (0.302 * 46+ 0.302 * 46) =55,72 Ом Zсз =55,72 * 1,5 =83,59 Ом Вывод: электронная защита ФКС полностью удовлетворяет условиям нормальной работы, т.к. она надежно отстроена от минимального сопротивления нагрузки и максимальных токов нагрузки фидеров для узловой схемы. 6. Расчет реактивного электропотребления расчетной ТП, мощность установки параллельной компенсации и ее параметры
Рис. 3. Схема включения КУ на ТП Q = U * I * sin(37°) P = U * I * cos(37°) Q| = 27.5 * 728,7* sin(37°) =12059,9кВАр Q|| = 27.5 * 894.9* sin(37°) =14810,5кВАр P| = 27.5 * 728,7* cos(37°) = 16004,1 кВт P|| = 27.5 * 894.9* cos(37°) = 19654,2кВт Определение экономического значения реактивной мощности: tg(jэ) = 0,25 Qэ = tg(jэ)*Q Qэ| = 0,25 * 12059,9 =3015 кВАр Qэ|| = 0,25 * 14810,5 =3702,6 кВАр Мощность, подлежащая компенсации: Qку = Q - Qэ Qку| = 12059,9-3015 =9044,9 кВАр Qку|| =14810,5-3702,6 =11107,9 кВАр Ориентировочное значение установленной мощности КБ: Qуст = Qку / kg kg = 0.5 коэффициент полезного использования Qуст| = 9044,9/ 0,5 = 18089,8 кВАр Qуст|| = 11107,9/ 0,5 =22215,8 кВАр Количество последовательных: М = (Uтс / Uкн) * 1,1 * 1,05 * 1,15 * 1,15 1,1 - коэффициент, учитывающий номинальный разброс; Uкн - номинальное напряжение 1-го конденсатора = 1,05кВ; 1,15 - коэффициент, учитывающий увеличение напряжения на КБ от индуктивности защитного реактора; 1,15 - коэффициент, учитывающий дополнительный нагрев конденсаторов токами внешних гармоник и солнечной радиации М = 27500 / 1050 * 1,1 * 1,05 * 1,15 * 1,15 = 40 шт Мощность одной последовательной цепи: Q1уст = 40 * (50, 60, 75, 125) = 2000, 2400, 3000, 5000 кВАр Количество параллельных ветвей в КБ: N = Qуст / (Qкн *М)
Для 1-го плеча питания: КС - 1,05 - 125 Для 2-го плеча питания: КС - 1,05 – 125 Параметры КБ
Индуктивность реактора:
Параметры КУ:
Коэффициент испытания КБ: Увеличение напряжения в точках включения Хсум = Uтс2 / Sкз + Uтс / (100 * Sн) Хсум = 27,52 / 700 + 10,5 * 27,5 / (100 *80) =1,15 Ом DU = Iикб * Хсум DU1= 476 *1,15=547,4 В DU2= 595*1,15=684,3 В Определение стоимости активной и реактивной энергии за год: Wр = (16004,1+19654,2) * 8760 =312366708 кВт*ч ср = 0,08 руб/кВт*ч Ср= 312366708 * 0,08 =23739869,8 руб. Wq = (12059,9+14810,5)* 8760 =235384704 кВАр*ч cq = 0,08 * 0,1 = 0,008 руб/кВт*ч Cq = 235384704* 0,008 =1788923,8 руб Cqк = (9044,9+11107,9) * 0,95 * 8760 * 0,008 =1341692,8 руб Заключение В данном курсовом проекте был произведён расчёт системы электроснабжения электрифицированных железных дорог. В результате расчета системы тягового электроснабжения получено следующее: - мощность тяговой подстанции составила 80 МВА; - количество трансформаторов на тяговых подстанциях - 2; - определено экономическое сопротивление проводов контактной сети для раздельной и узловой схем питания, где предложен вариант узловой схемы питания т.к. срок окупаемости узловой схемы меньше 8 лет; - произведен расчет среднего уровня напряжения контактной сети, где не выполняется условие минимального напряжения. Пропускная способность уменьшается до 143 пар поездов в сутки; - выбрана релейная и электронная защита ФКС; - рассчитано реактивное электропотребление тяговой подстанции; - выбрана установка параллельной компенсации и ее параметры. Список литературы 1. Марквардт К.Г. «Электроснабжение электрифицированных железных дорог. М.: Транспорт, 1982. 2. Справочник по электроснабжению железных дорог. Т. 1. М.: Транспорт, 1980. 256с. 3. Тер-Оганов Э. В. Методические указания по определению трансформаторной мощности тяговых подстанций. М.: ВЗИИТ, 1980. 4. Задание на курсовой проект с методическими указаниями «Электроснабжение электрических железных дорог» Москва - 1990 г. |
|||||||||||||||||||||||||||||||||||||||||||||||||||||||||||||||||||||||||||||||||||||||||||||||||||||||||||||||||||||||||||||||||||||||||||||||||||||||||||||||||||||||||||||||||||||||||||||||||||||||||||||||||||||||||||||||||||||||||||||||||||||||||||||||||||||||||||||||||||||||||||||||||||||||||||||||||||||||||||||||||||||||||||||||||||||||||||||||||||||||||||||||||||||||||||||||||||||||||||||||||||||||||||||||||||||||||||||||||||||||||||||||||||||||||||||||||||||||||||||||||||||||||||||||||||||||||||||||||||||||||||||||||||||||||||||||||||||||||||||||||||||||||||||||||||||||||||||||||||||||||||||||||||||||||||||||||||||||||||||||||||||||||||||||||||||||||||||||||||||||||||||||||||||||||||||||||||||||||||||||||||||||||||||||||||||||||||||||||||||||||||||||||||||||||||||||||||||||||||||||||||||||||||||||||||||||||||||||||||||||||||||||||||||||||||||||||||||||||||||||||||||||||||||||||||||||||||||||||||||||||||||||||||||||||||||||||||||||||||||||||||||||||||||||||||||||||||||||||||||||

(32)
(36)
(45)


(58)
(59)
(61)
(65)



