Курсовая работа: Проектування приводу ланцюгового конвеєра механообробної ділянки Визначення основних
|
Название: Проектування приводу ланцюгового конвеєра механообробної ділянки Визначення основних Раздел: Промышленность, производство Тип: курсовая работа | |||||||||||||||||||||||||||||||||||||||||||||||||||||||||||||||||||||||||||||||||||||||||||||||||||||||||||||||||||||||||||||||||||||||||||||||||||||||||||||||||||||||||||||||||||||||||||||||||||||||||||||||||||||||||||||||||||||||||||||||||||||||||||||||||||||||||||||||||||||||||||||||||||||||||||||||||||||||||||||||||||||||||||||||||||||||||||||||||||||||||||||||||||||||||||||||||||||||||||||||||||||||||||||||||||||||||||||||||||||||||||||||||||||||||||||||||||||||||||||||||||||||||||||||||||||||||||||||||||||||||||||||||||||||||||||||||||||||||||||||||||||||||||||||||||||||||||||||||||||||||||||||||||||||||||||||||||||||||||||||||||||||||||||||||||||||||||||||||||||||||||||||||||||||||||||||||||||||||||||||||||||||||||||||||||||||||||||||||||||||||||||||||||||||||||||||||||||||||||||||||||||||||||||||||||||||||||||||||||||||||||||||||||||||||||||||||||||||||||||||||||||||||||||||||||||||||||||||||||||||||||||||||||||||||||||||||||||||||||||||||||||||||||||||||||||||||||||||||||||||
МІНІСТЕРСТВО ОСВІТИ І НАУКИ УКРАЇНИ ДОНЕЦКИЙ НАЦІОНАЛЬНИЙ ТЕХНІЧНИЙ УНІВЕРСИТЕТ Механічний факультет Кафедра ОПМ КУРСОВИЙ ПРОЕКТ з дисципліни „Деталі машин” з а темою: ”Проектування приводу ланцюгового конвеєра механообробної ділянки” КП.04.29.07.00.00.000 Виконавець, студент гр. МВС – 04н Володько О.Ю. Консультант, доц., к.т.н. Деркач О.В. Донецьк 2007 Вихідні данні: Тягове зусилля ланцюга Швидкість руху ланцюга Крок ланцюга Число зубців зірочки Строк праці приводу Добова тривалысть експлуатації Коефіцієнт використання Тип виробництва – масове.
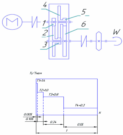
Рисунок 1.1 - Кінематична схема приводу та діаграма навантаження РЕФЕРАТ Курсовий проект містить: 48 с., 16 табл., 26 рис., 6 джерел., 1 додатків. Об’єкт дослідження: привод вертикального валу ланцюгового конвейера. Мета роботи: спроектувати привод ланцюгового конвеєра механообробної ділянки. У курсовому проекті проведений розрахунок вихідних даних для проектування привода: передаточних чисел, частот обертання, потужності, обертаючі моменти для всіх валів редуктора. Проведені проектні розрахунки передач, валів, підшипників, шпонкових з’єднань. Крім того наведені перевірочні розрахунки найбільш навантаженої ступені редуктора й найбільше навантаженої ступені редуктора й найбільш навантаженого вала. Підібрані стандартизовані деталі, мастило. Описана схема складання редуктора. Розроблено: креслення приводу, складальне креслення редуктора в двох проекціях і робочі креслення 3-х деталей. ВАЛ, ЕЛЕКТРОДВИГУН, КОЛЕСО ЗУБЧАСТЕ, МАСТИЛО, МОДУЛЬ, МУФТА, ПІДШИПНИК, ПРИВОД, ШЕСТЕРНЯ, ЧЕРВ’ЯК ЗМІСТ ВСТУП 1 ВИЗНАЧЕННЯ ОСНОВНИХ ПАРАМЕТРІВ ПРИВОДУ ТА ВИБІР ЕЛЕКТРОДВИГУНА 1.1 Визначення навантажувально-кінематичних параметрів приводу 1.2 Визначення навантажувально-кінематичних параметрів електродвигуна 1.3 Визначення передаточного числа редуктора і його розподіл між ступенями 2 ВИХІДНІ ДАННІ ДЛЯ РОЗРАХУНКУ ПЕРЕДАЧ ПРИВОДУ 3 ПРОЕКТУВАННЯ ПЕРЕДАЧ ПРИВОДУ 3.1 Призначення рівня твердості і виду термічної обробки зубчастих коліс 3.2 Проектний розрахунок зубчатих передач 3.3 Визначення основних параметрів зубчатих коліс 3.4 Призначення ступеню точності передач 3.5 Уточнення розрахункового навантаження 3.6 Перевірочний розрахунок фактичних згинальних напружень 3.7 Уточнення граничних і допустимих напружень 3.8 Геометричні та конструктивні параметри циліндричних прямозубих коліс 4 ПРОЕКТУВАННЯ ТА КОНСТРУЮВАННЯ ВАЛІВ, ВИЗНАЧЕННЯ ЇХ РОЗМІРІВ, ПЕРЕВІРОЧНИЙ РОЗРАХУНОК ДРУГОГО ВАЛУ 4.1 Визначення розмірів валів 4.2 Визначення крутних та згинальних моментів 4.3 Розробка розрахункової схеми вихідного вала 4.4 Вибір та розрахунок шпонок 4.4 Розрахунок вала на опір втомі 5.ОСТАТОЧНИЙ ВИБІР ПІДШИПНИКІВ КОЧЕННЯ 5.1 Розрахунок довговічності підшипників кочення 6 ВИБІР ТА РОЗРАХУНОК МУФТ 6.1 Вибір муфти вхідного вала 6.2 Вибір муфти вихідного вала 7 КОНСТРУЮВАННЯ ТА РОЗРАХУНОК ЕЛЕМЕНТІВ КОРПУСУ 7.1 Конструювання основних елементів 7.2 Конструювання допоміжних елементів 8 ВИБІР МАСТИЛА ВИСНОВКИ ПЕРЕЛІК ПОСИЛАНЬ ДОДАТОК. Специфікація ВСТУП Метою курсового проекту є проектування приводу ланцюгового конвеєра механообробної ділянки. По завданню вихідний вал приводу повинен розвивати силу 40 кН, мати швидкість 0,3 м/с. Це виконується за рахунок трьохступінчатого співосно - циліндричного редуктора. В машинобудуванні редуктори займають значне місце, вони потрібні для зменшення кількості обертів на вихідному валу та збільшенню скрутного моменту на ньому. Важливою задачею при проектуванні приводу є вибір електродвигуна, муфт, мастила, підшипників, тому що від надійності цих елементів залежить роботоспроможність машини в цілому. Від правильного раціонального вибору та розрахунку зубчастих передач, стандартних деталей, змащування залежить надійність приводу. Саме цей фактор визначає відповідальність та коректність робот інженера. 1 ВИЗНАЧЕННЯ ОСНОВНИХ ПАРАМЕТРІВ ПРИВОДУ ТА ВИБІР ЕЛЕКТРОДВИГУНА 1.1 Визначення навантажувально-кінематичних параметрів приводу Для визначення навантажувально-кінематичних параметрів електродвигуна треба знати передатне число і загальний коефіцієнт корисної дії (ККД) приводу. Визначаємо потужність на виході:
де Pвих– вихідна потужність; Ft- вихідна сила; V– швидкістьелемента обертання;
Передатне число приводу Uпр дорівнює добутку передатних чисел Uі окремих ступенів:
де k – число ступенів передач у приводі. Оскільки на даному етапі неможливо знати точні значення передаточного числа кожної передачі, визначається діапазон можливих значень передатного числа приводу. Діапазон значень Uі для окремих передач, якщо виходити з обмежень по габаритах, приймають за даними. [ 1 ] Оскільки у схемі всі колеса прямозубі циліндричні – для всіх передач:
Для всього приводу в моєму випадку:
Загальне передаточне число приводу:
Загальний коефіцієнт корисної дії приводу дорівнює добутку ККД його окремих елементів, в яких мають місце втрати механічної енергії:
де ηм = 0,95 – ККД компенсуючої муфти; ηпк = 0,98 – ККД пари підшипників кочення; ηзп = 0,98 – ККД зубчастої циліндричної передачі; Оскільки ККД компенсуючих муфт обрано заниженим, таким чином ми враховуємо ККД ущільнень на валах. Значення ККД окремих елементів приводу взято [ 1 ]
Визначаємо частоту обертання вихідного вала:
де t – крок елементів зачеплення; z – кількість елементів зачеплення; D – діаметр елементу обертання;
звідси частота обертання елементу:
Визначаємо діапазон можливих значень швидкостей обертання вихідного елементу :
Визначаємо максимальне значення потужності приводу на валу електродвигуна:
де Рд max – максимальна потужність на валу електродвигуна.
1.2 Визначення навантажувально-кінематичних параметрів електродвигуна Найбільш розповсюдженні в промисловості трифазні асинхронні електродвигуни з коротко замкнутим ротором. Ці двигуни мають найбільш просту конструкцію, найменшу вартість і мінімальні потреби в обслуговуванні. Важливою перевагою асинхронних двигунів є можливість їх включення у електричну мережу перемінного струму без проміжних перетворювачів. Виходячи з умов експлуатації приводу виберемо двигун серії 4А, асинхронних двигунів загального використання з чавунним корпусом (ГОСТ 19523-81) для кліматичних умов типу У (номінальні – сухе, чисте опалюване приміщення) категорії 3. Конструктивно електродвигуни виконуються з кріпленням на лапах. За отриманим значенням Рд н з урахуванням умов експлуатації привода по табличним даним [1] вибираємо найближчу більшу номінальну потужність електродвигуна Р дном. . Повинна виконуватись умова:
Таблиця 1.1 Техніко-економічні характеристики електродвигуна
Обираю двигун 4А160S2У3, Рдном
= 15 кВт; Ескіз двигуна зображено на рисунку 1.2 [1] обираємо основні розміри електродвигуна і заносимо їх у таблицю 1.2. Таблиця 1.2 Основні розміри електродвигуна (мм)
Рисунок 1.2 Основні розміри електродвигуна Для перевірки раціонального варіанту електродвигуна є необхідні умови: 1) Перевірка середньої потужності при заданій діаграмі навантаження:
де Pср.кв – середня квадратична потужність електродвигуна; де -
2)Перевірка з умови запуску:
1.3 Визначення передаточного числа редуктора і його розподіл між ступенями Для вибраного двигуна визначаємо фактичне передаточне число:
Звідси, згідно з кінематичною схемою редуктора, передаточне число кожної з трьох ступіней буде дорівнювати:
Згідно з другим рядом стандартних чисел обираємо [ 1 ] :
Дійсне передаточне число:
Перевіримо, щоб різниця не перевищувала 5%:
Але, оскільки Uп.ф . змінюється тільки за рахунок зміни частоти обертання (наступна частота обертання 1470 об/хв., а це вдвічі менша), і наступне стандартизоване передаточне число аж 4 [ 1 ] , а відходити від стандартних передаточних чисел не варто, таким чином залишаємо обране передаточне число. 2 ВИХІДНІ ДАННІ ДЛЯ РОЗРАХУНКУ ПЕРЕДАЧ ПРИВОДУ Визначимо час експлуатації приводу:
де Kрок=5 – тривалість експлуатації (років), Кдн=300 кількість робочих днів за рік, Kзмін =1 – кількість змін на за добу, Kвик =0,5 – коефіцієнт використання приводу протягом зміни. Визначаємо частоти обертання кожного валу:
Визначаємо потужності на кожному валу:
Визначаємо крутні моменти на всіх валах:
Визначаємо кількість циклів навантаження на всіх ступенях редуктора:
де N4 =Nmin , ммінімальне число циклів, оскільки де N=50000 циклів, то розрахункові обертаючі моменти по першій ступені діаграми навантаження: Визначаємо номінальні моменти на кожному валу :
Таблиця 2.1 Результати розрахунку вихідних даних для розрахунків передач приводу
3 ПРОЕКТУВАННЯ ПЕРЕДАЧ ПРИВОДУ 3.1 Призначення рівня твердості і виду термічної обробки зубчастих коліс Для виготовлення зубчастих коліс всіх передач призначимо: Матеріал – сталь 40Х ГОСТ 1050-88; Термообробка – об’ємне гартування; Твердість-поверхні 45...50 HRC; серцевини 150...200 НВ; Границя контактної витривалості Границя згинальної витривалості σF lim =500 МПа; Визначаємо допустимі напруження при розрахунку на контактну міцність:
де
3.2 Проектний розрахунок зубчатих передач Розрахунок зубчатої передачі будемо виконувати в наступному порядку, оскільки між осьова відстань залишається незмінною для всіх передач. Спершу розраховуємо модуль і між осьову відстань третьої передачі, і приймаємо ці данні для всіх передач. Для прямозубої передачі доцільно використовувати наступні числа зубців колеса: Z=17…25. В моєму випадку призначаю одинакові числа зубців для шестерень, і одинакові числа зубців для колес: Z1 =Z3 =Z5 =20; Z2 =Z4 =Z6 =71. Тоді, як колеса с твердістю робочих поверхонь більше, ніж 350НВ, тому розрахунок передач робимо за визначенням модуля передачі.
Для прямозубих передач β=0; Yf 1 =Yf 3 =Yf 5 =4,12 для 20 зубців з нульовим коефіцієнтом зміщення; Yf 2 =Yf 4 =Yf 6 =3,73 для 71 зубців з нульовим коефіцієнтом зміщення. Щоб визначити, дані якого колеса підставляти в формулу для розрахунку модуля (шестерні або колеса), треба виконати перевірку:
тому дані будемо підставляти 6,4,2 колеса. Приймаємо наступні значення [7]: Kf =1,5, приймаємо попередньо; Ψbd =0,6, прийнято з умови найгіршого навантаження на колесо (консольне);
Визначаємо модуль:
Приймаємо з першого ряду стандартних модулів mn =6 мм. В моєму випадку mn І = mn ІІ = mn ІІІ =6 мм. 3.3 Визначення основних параметрів зубчатих коліс Для шестерні:
Для колеса:
Визначаємо між осьову відстань:
Визначаємо ширину зубчастого вінця колеса:
В моєму випадку: d1 = d3 = d5 =120 мм, df 1 =df 3 =df 5 =105 мм, da 1 =da 3 =da 5 =132 мм; d1 = d3 = d5 =440 мм, df1 =df3 =df5 =425 мм, da1 =da3 =da5 =438 мм. В моєму випадку приймати одинакові значення ширини зубчастого вінця однаковим для всіх коліс і шестерень не є доцільно, тому для розрахунку застосуємо прийнятий модуль. Для другої передачі:
Для першої передачі:
Всі дані заносимо в таблицю 3.1 [7]. Таблиця 3.1 Основні розміри коліс передач
3.4 Призначення ступеню точності передач Вибір ступеню точності виготовлення зубчастих передач визначається експлуатаційними і технічними вимогами до них: коловою швидкістю, передаваємою потужністю, вимогам до кінематичної точності, безшумністю та ін. Визначаємо приблизні значення діаметрів валів:
де Th – максимальне значення скрутного моменту на валі, [
Визначаємо колову швидкість на валах:
Отримані значення За приблизними даними обираємо ступінь точності передач і заносимо всі параметри в таблицю 3.2. Таблиця 3.2 Вихідні дані для етапу “Т ехнічний проект ”
Значення ψbd
, визначаємо за формулою: 3.5 Уточнення розрахункового навантаження Розрахункові навантаження на зубчасті колеса складаються з: - корисного або номінального навантаження в розрахунку, що воно розподіляється по довжині зубців рівномірно; - додаткові навантаження, пов’язані з нерівномірністю розповсюдження номінального навантаження, тому-що має місце похибка виготовлення і деформації деталей передач. Додаткові навантаження враховуються коефіцієнтом нерівномірності розподілення навантаження по ширині зубців при розрахунку на сталість згину:
і при розрахунку на контактну сталість:
де Kfβ, Khβ – коефіцієнти нерівномірності розподілу навантаження по ширині зубчастого вінця; Kfv , Khv – коефіцієнти динамічності [7]. Приймаємо значення для першої передачі шестерні [7]: Kfβ=1; Khβ=1; Kfv=1,12; Khv=1,1, отже
Приймаємо значення для першої передачі колеса [7]: Kfβ=1; Khβ=1; Kfv=1,04; Khv=1,03, отже
Приймаємо значення для другої передачі шестерні [7]: Kfβ=1,05; Khβ=1,05; Kfv=1,04; Khv=1,04, отже
Приймаємо значення для другої передачі колеса [7]: Kfβ=1; Khβ=1; Kfv=1,04; Khv=1,04, отже
Приймаємо значення для третьої передачі шестерні [7]: Kfβ=1,05; Khβ=1,05; Kfv=1,04; Khv=1,04, отже
Приймаємо значення для третьої передачі колеса [7]: Kfβ=1; Khβ=1; Kfv=1,04; Khv=1,04, отже
3.6 Перевірочний розрахунок фактичних згинальних напружень
де
ZK – коефіцієнт, який залежить від числа зубців.
Таблиця 3.3 Розрахункові параметри для згинальних напружень
Перевірка допустимих напружень заданого матеріалу:
3.7 Уточнення граничних і допустимих напружень Необхідна границя витривалості при згині:
де SF =1,7 - допустимий коефіцієнт запасу міцності по згинальним напруженням. У нашому випадку вид ТО – гартування СВЧ, таким чином маємо [S]F =1,7; YN – коефіцієнт довговічності, враховуючий зміну [σF ], якщо:
де qF =6 гартування структури матеріалу;
де n – частота обертання, хв.-1 ; Lh – строк служби, годин; KFE – коефіцієнт еквівалентності навантаження:
де Lі – число годин роботи передачі при обертовому моменті Ті .
YR – коефіцієнт, враховуючий вплив шорсткості перехідної поверхні зубців, для всіх коліс YR =1. YХ – коефіцієнт, враховуючий чутливість матеріалу до концентрації напружень,
Yσ - коефіцієнт, враховуючийрозмір зубчастого колеса,
Таблиця 3.4. Розрахункові параметрів при уточненні згинальних напружень
Необхідна границя контактної витривалості:
де Sh =1,2 (дивись 3.1);
де
KHE – коефіцієнт еквівалентності навантаження:
NHE
min
>NH
lim
, тоді
де ZR – коефіцієнт, враховуючий вплив заданих шорсткостей початкових поверхонь зубців. ZV =1 – коефіцієнт, враховуючий вплив колової швидкості [7]. ZV =1– коефіцієнт, враховуючий розміри зубчастого колеса [7]. Таблиця 3.5. Розрахункові параметрів при уточненні контактних напружень
Вибір матеріалу зубчастих передач виконуємо за розрахованими даними з таблиць 3.4, 3.5 [7 табл. 2.4]. Обираємо: Сталь 45, загартування СВЧ: Ghlim =1050 МПа, Gflim =600 МПа, HRC=48…53, серцевини HB=170…210, σв =700 МПа, στ =480 МПа. 3.8 Геометричні та конструктивні параметри циліндричних прямозубих коліс Виходячи з рекомендації, якщо
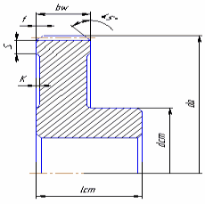
Рисунок 3.1 Конструктивні параметри шестерні виконаного у виді диска
Рисунок 3.2 Конструктивні параметри колеса з отворами Згідно рекомендаціям [
2
]
, якщо Таблиця 3.6 Основні розміри циліндричних прямозубих коліс
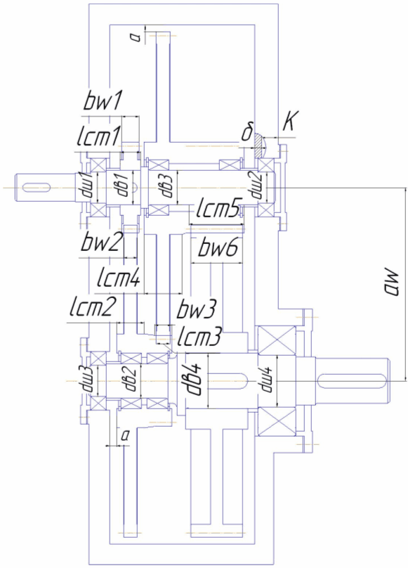
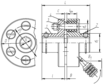
4 ПРОЄКТУВАННЯ ТА КОНСТРУЮВАННЯ ВАЛІВ, ВИЗНАЧЕННЯ ЇХ РОЗМІРІВ, ПЕРЕВІРОЧНИЙ РОЗРАХУНОК ДРУГОГО ВАЛУ 4.1 Визначення розмірів валів Розрахуємо орієнтовну довжину валів виходячи з (рис. 4.1). Визначення діаметрів посадкових поверхонь валу: Діаметри валів у місцях посадки зубчастих і черв’ячних коліс орієнтовно визначені при розрахунку зубчастих коліс та округленні по стандартному ряду нормальних лінійних розмірів за ГОСТ 6636–69 з ряду Діаметри шипів валів можна приймати:
Згідно з розрахованими діаметрами шипів попередньо проводимо вибір підшипників кочення середньої серії. Перший вал - роликові радіальні сферичні дворядні. Другий вал – роликові радіальні сферичні дворядні. Для двухвінцових блоків приймаємо – роликові радіальні сферичні (ігольчаті). Таблиця 4.1 Вибір підшипників
Рисунок 4.1 Ескізне компонування циліндричного трьохступеневого співосного редуктора Розрахунок діаметрів хвостовиків валів:
де dМТ діаметр хвостовика тихохідного валу; dМБ діаметр хвостовика швидкохідного валу; dЕ діаметр валу електродвигуна.
Для запобігання переміщення зубчастих коліс по валу на ньому виконують буртік більшого діаметру:
Визначення лінійних розмірів вала та елементів корпусу редуктора: Товщина стінки корпусу редуктора становить:
де
Відстань від торця підшипника кочення до стінки корпусу редуктора:
Зазор між внутрішніми стінками корпусу і поверхнями обертових деталей:
Мінімальний зазор між поверхнями обертових деталей, що допускається:
Ширина фланця для кріплення кришки до корпусу редуктора:
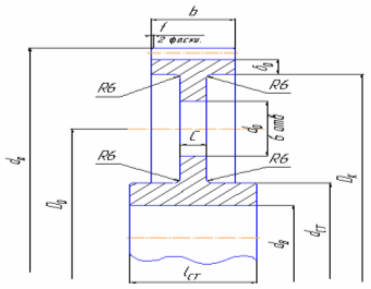
Галтельні перехід будемо робити заокруглений тому, що на валах досить малі перепади діаметрів.
Рисунок 4.2 Параметри галтельного переходу 4.2 Визначення крутних та згинальних моментів Матеріал валу приймаємо сталь 45 ГОСТ 1050-88; Термообробка – поліпшення 220...260 HB; Границя міцності σв =780...920 МПа, приймемо σв =800 МПа; Границя витривалості при згині σ-1 =370 МПа; Границя витривалості при крутінні t-1 =215 МПа; Визначимо координати розташування рівнодіючих реакцій опор: Основними навантаженнями, що діють на вали редукторів, є зусилля в зубчастих та черв’ячних зачепленнях. Шестерня прямозубої передачі: Колова сила
де
Радіальна сила
де
Таблиця 4.2. Сили прикладені до валів
Обидві сили прикладені по ділильному колі на відстані Визначення напрямку дії сил: Колова сила лежить на дотичній до ділильного кола і спрямована протилежно до напрямку обертання на ведучому елементі передачі, а на веденому елементі – по обертанню. Радіальна сила завжди спрямована від місця прикладення до осі вала по радіусу. 4.3 Розробка розрахункової схеми вихідного вала
Рисунок 4.3 Лінійні розміри валу Замінимо вал розрахунковою схемою у вигляді балки на двох опорах (А і В), (рис. 4.5) що є статично визначеною. Відповідно до схеми можна скласти 3 рівняння статичної рівноваги, що дозволяють визначити реакції у вертикальній Vі горизонтальній Hплощині.
Рисунок 4.4 Розрахункова схема валу
Перевірку коректності визначення реакції опор виконуємо по складених рівняннях рівноваги балки у проекціях сил на вісі
Вертикальна площина (рис. 4.5):
На вихідному вали на кінці виникає сила де dw – діаметр ділильного кола вихідної муфти (де розташовані болти), T4 – скрутний момент на вихідному валі.
Перевірка:
Участки (зліва на право): a:
b:
c:
d (з права на ліво):
Рис. 4.5. Вертикальна епюра моментів
Рис. 4.6. Горизонтальна епюра моментів Горизонтальна площина (рис. 4.6):
Перевірка:
Участки (зліва на право): a:
b:
с,d (зправа на ліво):
Розрахуємо сумарний згинальний момент: Значення згинальних моментів горизонтальній та вертикальній площин беремо з епюр (рис. 4.5 – 4.6). Максимальний сумарный момент буде дорівнювати:
Визначимо сумарні реакції опор: Горизонтальна площина:
Вертикальна площина:
Розрахуємо приведений момент за формулою:
Виходячи з цього розраховуємо дійсний діаметр валу:
де
[3];
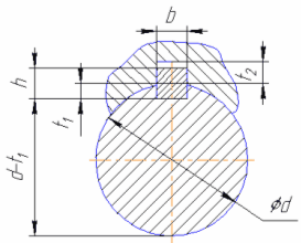
Рисунок 4.7 Епюри моментів 4.4 Вибір та розрахунок шпонок Перевіримо обрані шпонки на зминання:
де
Рисунок 4.7 Розміри шпонкового з’єднання Таблиця 4.3. Шпоночні характеристики
Матеріал шпонки сталь 45 ГОСТ 1050-88. Для вхідної муфти:
Для шестерні 1:
Для колеса 6 (2 шпонки):
Для вихідної муфти:
4.5 Розрахунок вала на опір втомі Для розрахунку вала на опір втоми необхідно проаналізувати місця розташування небезпечних перерізів. Місцями небезпечних перерізів є посадкові поверхні під зубчастими колесами і шестернями, муфтами, шківами, зірочками (перерізи ослаблені шпонковим пазом) перерізи біля галтелей. Як видно з епюр згинаючих моментів, найнебезпечнішим концентратором напруг є посадкове місце під підшипник. Для цього концентратора напруг і будемо вести розрахунок, а розрахунки в інших небезпечних місцях розрахуємо і занесемо в таблицю. Визначення амплітудних
де Визначення осьових моментів перерізу для кола під підшипник:
Для визначення запасу опору втоми вала необхідно визначити коефіцієнт запасу опору втоми, як по нормальним, так і по дотичним напруженням.
де
[3].
Запас опору втомі для валів із пластичних матеріалів:
Запас міцності оптимальний для співосно - циліндричного трьохступінчатого редуктора – раніше прийняті значення діаметрів валів у небезпечних перерізах залишаються незмінними. Таблиця 4.4 Розрахункові параметри для витривалості валу
5 ОСТАТОЧНИЙ ВИБІР ПІДШИПНИКІВ КОЧЕННЯ 5.1 Розрахунок довговічності підшипників кочення Фактична довговічність підшипника
де С – динамічна вантажопідйомність, кН. Р – приведене навантаження, кН. r - коефіцієнт форми тіла кочення, Приведене навантаження визначаємо:
де V – „коефіцієнт кільця”: V=1 при обертанні внутрішнього кільця, V=1,2 при обертанні зовнішнього кільця; R,A – радіальне й осьове навантаження на підшипник; X, Y– коефіцієнт приведення R,A; Х=1. [3 с. 68 табл.8.4]
Для швидкохідного вала:
Рис. 5.1. Схема розташування підшипників на вхідному валі Еквівалентна:
Обираємо підшипники: 1-(Підшипник 3509 ГОСТ 5721-75):
2-(Підшипник 3509 ГОСТ 5721-75):
3-(Підшипник 4074110 ГОСТ 4657-82): На підшипник діє сила
4-(Підшипник 4074110 ГОСТ 4657-82): На підшипник діє сила
Для тихохідного вала:
Рис. 5.2. Схема розташування підшипників на вихідному валі 5-(Підшипник 3609 ГОСТ 5721-75):
6-(Підшипник 3615 ГОСТ 5721-75):
Умова 7-(Підшипник 4074110 ГОСТ 4657-82): На підшипник діє сила
8-(Підшипник 4074110 ГОСТ 4657-82): На підшипник діє сила
Для підшипників 1,2,5,6 – обираємо консистентне змащення. Для підшипників 3,4,7,8 – обираємо рідке змащення. 6 ВИБІР ТА РОЗРАХУНОК МУФТ6.1 Вибір муфти вхідного валуДля з’єднання вала двигуна з вхідним валом редуктора призначаємо пружну втулочно пальцеву муфту, вона буде пом’якшувати удари та коливання виникаючі при пуску та роботі електродвигуна компенсувати зсув валів.
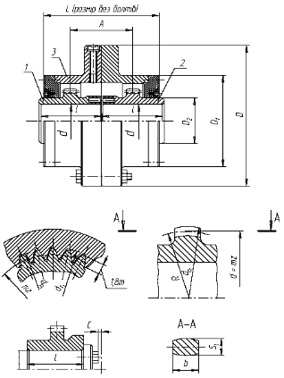
Рисунок 6.1 - Муфта пружна втулочно – пальцева ГОСТ 21424-93 Вибираємо муфту по розрахунковому обертовому моменту Матеріал напівмуфт: сталь 35 ГОСТ 1050-88, пальців сталь 45 ГОСТ 1050-88, втулки – спеціальна гума. На (рис 6.1) зображено пружну втулочно-пальцеву муфту. Розміри її приведено в таблиці 6.1. Таблиця 6.1 Параметри муфти пружної втулочно-пальцевої ГОСТ 21424-93
Перевірочний розрахунок пальців на згин:
де
Перевірочний розрахунок пальців на зминання:
6.2 Вибір муфти вихідного валаДля встановлення на вихідному валі вибираємо зубчасту муфту. Вона є самоустановлювальною універсальною муфтою, має невеликі розміри і масу, володіє великою навантажувальною здатністю. Вона компенсуватиме зсуви валів, як осьове та радіальне так і кутове.
Рисунок 6.2 - Муфта зубчаста ГОСТ 5006-94 Для зниження втрат на тертя і збільшення довговічності і збільшення довговічності зубців муфта заповнюється олією. Таблиця 6.2 Параметри зубчастої муфти (ГОСТ 5006-94)
Для визначення розрахункового моменту визначимо деякі коефіцієнти: Коефіцієнт відповідальності передачі Коефіцієнт умов роботи муфти Коефіцієнт кутового зміщення Розрахунковий момент:
Напруги при деформації зминання визначається за формулою:
де
7 КОНСТРУЮВАННЯ ТА РОЗРАХУНОК ЕЛЕМЕНТІВ КОРПУСУ7.1 Конструювання основних елементівТовщина стінки підстави корпуса:
де
Товщина стінки кришки корпуса:
Корпус редуктора виготовляємо литим з однією площиною рознімання із сірого чавуна марки СЧ15 (ГОСТ 1412-85). При виготовленні корпуса необхідно забезпечити наступні вимоги: заготівля корпусу повинна буде піддана відпалу; в кришки редуктора передбачено елементи стропування; неопрацьовані поверхні повинні бути пофарбовані; розміщення прокладок між кришкою корпуса неприпустимо (теча олії надійно запобігається пастою „Герметик”); допуск на відхилення від площинності поверхонь рознімання, 0,07мм; шорсткість поверхні рознімання і отворів під підшипники розбіжність вісів отворів під підшипники з площиною рознімання – не більш Поле допуску під підшипник Конструктивні розміри корпуса визначаються розмірами розташованих у ньому зубчастих коліс, а також кінематичною схемою редуктора. Основою конструкції корпуса є його коробка, контур якої утворюють простим обведенням зубчастих коліс. При обведені внутрішньої поверхні корпусу необхідно витримувати відповідні зазори. Найменший зазор між зовнішньою радіальною поверхнею колеса і стінкою корпуса:
Зазор між торцями зубчастих коліс приймають:
Зазор між торцями зубчастих коліс і внутрішніми деталями корпусу приймають: Зазор між зубчастим колесом і дном підстави корпусу приймаємо: Для кріплення підстави і кришки корпуса по всьому їхньому контуру виконують фланці товщиною Товщина верхнього пояса фланця підстави:
Товщина нижнього фланця кришки:
Для кріплення підстави корпуса до рами або плити виконують фланці, товщина яких визначається таким чином:
Рисунок 7. 1 - Розміри фланців підстави корпуса без бобишек Діаметр фундаментних бовтів дорівнює:
Для закріплення редуктора на рамі приймаємо бовти М22 у кількості 6 штук. [4, с. 30 табл. 2.1]. Діаметр гвинтів розташованих у підшипникових гнізд:
Діаметр стяжних гвинтів:
Діаметр гвинтів для закріплення оглядової кришки:
Розміри фланців редуктора: Ливарні переходи. Товщина клина у підставі:
Конструктивне оформлення ливарного переходу лапи редуктора зі стінками показано на (рис. 7.2). Радіус спряження елементів корпуса (рис 7.3) повинен бути однаковим і рівним:
Для виключення зрушення кришки корпусу відносно його підстави встановлюємо два конічних штифти, розташовані якнайдалі один від другого на зручних місцях корпуса. Штифти встановлюємо до розточення отворів під підшипники. Діаметр штифта:
Отриманий діаметр узгоджуємо з ГОСТ 3129-70. Щоб забезпечити необхідну працездатність підшипників, бобишки для підшипникових гнізд повинні бути жорсткими. Таблиця 7.3 Розміри гнізд підшипників і кришок
Приливи для розміщення болтів
Рисунок 7.2 - Розміри гнізд підшипників і кришок
Рисунок 7. 3 - Розміри приливів для підшипникових гнізд Щоб уникнути перетинання отворів діаметром
Відстань
Для полегшення розбирання редуктора на поясі кришки встановлюємо два віджимних бовти, діаметр яких можна прийняти рівним діаметру зажимного гвинта. Для підйому і транспортування кришки будемо використовувати вушка Маса редуктора: Товщина вушка: Діаметр отвору у вушку: Товщина ребер підстави корпуса: Товщина ребер кришки: Огляд редуктора і заливання мастила для змащення зубчастих коліс здійснюють через вікно. (табл. 7.4). Таблиця 7.4 Розміри оглядового вікна і кришки
Рисунок 7. 4 - Кришка оглядового вікна редуктора Редуктори повинні мати віддушину. Унаслідок розбризкування оливи швидко обертаючими деталями повітряне середовище усередині корпусу містить зважені частки оливи (оливний туман). Наявність віддушини запобігає підвищенню тиску і просочуванню повітря зі зваженими частками оливи через стик корпуса й ущільнення валів у кришках підшипників. Отвір для віддушини виконують в кришці оглядового вікна редуктора. Тоді віддушина служить одночасно і ручкою.
Рисунок 7. 5 - Конструктивне виконання віддушини Таблиця 7.5 Розміри оглядового вікна і кришки
Для зливу оливи робимо зливний отвір і розташовуємо його на стіні редуктора під замірювачем рівня оливи. Задля полегшення зливу оливи дно виконуємо з уклоном
Рисунок 7. 6 - Пробка до отвору злива оливи Таблиця 7.6 Розміри пробки до отвору злива оливи
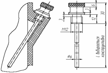
Для виміру рівня оливи в корпусі редуктора застосуємо жезловий вимірювач. Для можливості контролю рівня оливи під час роботи редуктора вимірювач оливи розміщують у трубці, укрученої в корпус. (рис. 7.9). Довжину вимірювача визначаємо графічним методом.
Рисунок 7. 7 - Жезловий вимірювач оливи 8 ВИБІР МАСТИЛАВибір мастила здійснюється в залежності від колових швидкостей рухомого кільця. При швидкостях Визначимо колові швидкості:
Для вхідного валу можна застосувати як консистентне, так і рідке змащення підшипникового вузла. Для картеру редуктора обираємо масло – „індустріальне 30”. Необхідний об’єм масла
Для вихідного та проміжного валів застосуємо консистентне змащування. Для захисту підшипників від забруднення, а також запобіганню витікання мастила використовують ущільнюванні пристрої. Визначним фактором при виборі ущільнення є лінійна швидкість поверхні валу під ущільненням. Виберемо манжетні гумові ущільнення ІІ типу ГОСТ 8752-79 [3, с.72. табл. 9.3].
Рисунок 8.1 - Манжетні ущільнення гумові, ГОСТ 8752-79 Параметри ущільнень: На вхідному валу: d=42мм; D=58мм; h1 =6мм; h2 =7мм; На вихідному валу: d=72мм; D=92мм; h1 =8мм; h2 =10мм. ВИСНОВКИВ курсовому проекті проведено розрахунок та проектування приводу ланцюгового конвеєра механообробної ділянки. Для виконання зазначених в завданні умов по вихідним даним обрано двигун4А160S2У3, Рдном = 15 кВт,для всіх ступеней обрано передаточне число U=3,55, для передач приводу обраний модуль m=6, це залежить від підшипників, які є опорою двухвінцових зубчастих блоків. Проведено перевірочний розрахунок всіх передач та другого валу приводу. Розроблені креслення: загального виду редуктора, робочі креслення: зубчастого колеса, вихідного валу редуктора. Проведено вибір та перевірка підшипників кочення на всіх валах редуктора. Підібрані змащувальні матеріали. Розраховані конструктивні елементи корпусу. Розроблена специфікація, на редуктор. ПЕРЕЛІК ПОСИЛАНЬ1. Методичні вказівки до виконання курсового проекту з деталей машин. ”Вибір електродвигуна та визначення вихідних даних для розрахунку приводу” (для студентів напрямку „Інженерна механіка”). Автори: Оніщенко В.П., Ісадченко В.С., Недосекін В.Б., - Донецьк: ДонНТУ, 2005. – 36 с. 2. Методичні вказівки до виконання курсового проекту з деталей машин. Розділ 2 „Проектування зубчастих і черв’ячних передач” (для студентів напрямку „Інженерна механіка”)./ Автори: В.П. Блескун, С.Л. Сулєйманов. – Донецьк.: ДонНТУ, 2005. – 48 с. 3. Методичні вказівки до виконання курсового проекту з деталей машин. Розділ 3. проектування валів та їх опор на підшипниках кочення (для студентів напрямку „Інженерна механіка”)/ Автори: О.В. Деркач, О.В. Лукінов, В.Б. Недосекін, Проскуряков С.В – Донецьк: ДонНТУ, 2005. 106 с. 4. Методичні вказівки до виконання курсового проекту з деталей машин. Конструювання муфт і корпусів (для студентів напрямку „Інженерна механіка”)/ Сост.: В.С.Ісадченко, П.М. Матеко, В.О. Голдобін. – Донецьк: ДонНТУ, 2005. – 40 с. 5. Разработка и оформление технической документации. Учебное пособие. / Сост.: А.Н. Михайлов, А.В. Лукичёв, И.А. Горобец, А.П. Гуня, А.В. Деркач, И.В. Клименко, Н.В. Голубов, В.Б. Недосекин, В.А. Голдобін. 6. Методические указания к самостоятельной работе над курсовым проэктом по Деталям Машин. Раздел ІІІ Этапы «Эскизный проэкт» и «Технический проэкт». Проэктирование зубчатых и червячных передач. В.С. Горелик, В.С. Исадченко, В.И. Проскурин, П.М. Матеко, А.Л. Симонов, В.П. Алиферов. Донецк ДПИ 1992. |
|||||||||||||||||||||||||||||||||||||||||||||||||||||||||||||||||||||||||||||||||||||||||||||||||||||||||||||||||||||||||||||||||||||||||||||||||||||||||||||||||||||||||||||||||||||||||||||||||||||||||||||||||||||||||||||||||||||||||||||||||||||||||||||||||||||||||||||||||||||||||||||||||||||||||||||||||||||||||||||||||||||||||||||||||||||||||||||||||||||||||||||||||||||||||||||||||||||||||||||||||||||||||||||||||||||||||||||||||||||||||||||||||||||||||||||||||||||||||||||||||||||||||||||||||||||||||||||||||||||||||||||||||||||||||||||||||||||||||||||||||||||||||||||||||||||||||||||||||||||||||||||||||||||||||||||||||||||||||||||||||||||||||||||||||||||||||||||||||||||||||||||||||||||||||||||||||||||||||||||||||||||||||||||||||||||||||||||||||||||||||||||||||||||||||||||||||||||||||||||||||||||||||||||||||||||||||||||||||||||||||||||||||||||||||||||||||||||||||||||||||||||||||||||||||||||||||||||||||||||||||||||||||||||||||||||||||||||||||||||||||||||||||||||||||||||||||||||||||||||||
,
мм,

;
.
мм,
мм,
мм,
мм.
- фактичні контактні напруження,
МПа, аналогічно для інших передач розраховуємо і заносимо в таблицю 3.3.
;
, аналогічно проводимо обчислення для всіх інших передач і заносимо розрахунки в таблицю 3.4.
;
, аналогічно проводимо обчислення для всіх інших передач і заносимо розрахунки в таблицю 3.5.
,
;
;
, 