Курсовая работа: Связной однополосный радиопередатчик
|
Название: Связной однополосный радиопередатчик Раздел: Рефераты по коммуникации и связи Тип: курсовая работа | |||||||||||||||||||||||||||||||||||||||||||||||||||||||||||||||||||
| Министерство образования Российской Федерации Уральский государственный технический университет Кафедра высокочастотных средств радиосвязи и телевидения СВЯЗНОЙ ОДНОПОЛОСНЫЙ РАДИОПЕРЕДАТЧИК
КУРСОВОЙ ПРОЕКТПОЯСНИТЕЛЬНАЯ ЗАПИСКА 200700 000000 013 ПЗ
Подпись Ф.И.О. Руководитель Гусев Б.В. Студент гр. Р-485Санников К.А. Екатеринбург 2001
Вариант №18 Исходные данные: 1. Мощность на выходе фидера Р1 max ,Вт 75; 2. Диапазон рабочих частот f, МГц 1.6..6; 3. Сопротивление фидера Wф , Ом 50; 4. Шаг частотной сетки синтезатора частот Df, кГц0.2; 5. Питание от сети переменного тока: напряжение Eп , В 220; частота fc , Гц 50. Выбрать и рассчитать: 1. Выбрать структурную схему передатчика. 2. Выбрать и обосновать элементную базу. 3. Электрические расчеты: - Фильтра нижних частот; - оконечного каскада; - цепи связи с фидером (фильтра гармоник). 4. Конструктивные расчеты: - оконечного каскада; - цепи связи с фидером (фильтра гармоник). Вычертить: 1. Полная электрическая схема передатчика. 2. Конструкция оконечного каскада. СОДЕРЖАНИЕ 1. Обоснование и выбор структурной схемы 2. Выбор схемного решения и элементной базы 3. Расчет выходного каскада радиопередатчика Выбор транзистора оконечного каскада Расчет коллекторной цепи Расчет базовой цепи транзистора Расчет трансформаторов на линиях 4. Выбор и расчет фильтра нижних частот 5. Выбор и расчет фильтра гармоник Электрический расчет фильтра гармоник Конструктивный расчет фильтра гармоник 6. Выбор источника питания Заключение БИБЛИОГРАФИЧЕСКИЙ СПИСОК Приложения
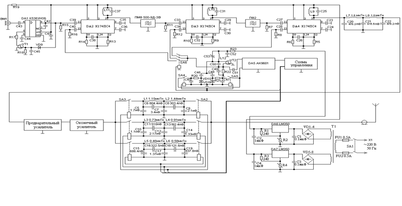
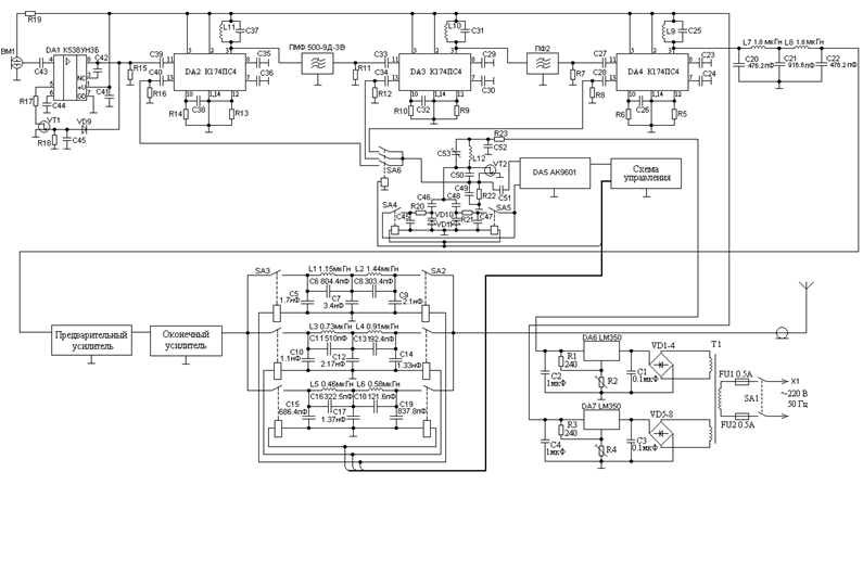
Связные передатчики коротковолнового диапазона (f = 1,5-30,0 МГц) работают в режиме однополосной модуляции (ОМ). Однополосный сигнал формируется фильтровым методом на относительно низкой частоте (500 кГц ) и переносится с помощью преобразователей частоты в рабочий диапазон. Многократное преобразование сигнала сопровождается появлением большого числа комбинационных составляющих, которые при неудачном выборе частот преобразования могут попасть на вход усилителя мощности и создать помехи вне рабочего диапазона передатчика. Структурная схема передатчика с однополосной модуляцией должна строиться так, чтобы снизить вероятность излучения паразитных колебаний и свести к минимуму число перестраиваемых цепей в промежуточных и оконечном каскадах передатчика. Рассмотрим вариант структурной схемы диапазонного передатчика с ОМ, удовлетворяющего изложенным выше требованиям [6]:
Рис.1. Структурная схема однополосного передатчика. Звуковой сигнал с микрофона (М) усиливается усилителем низкой частоты (1) и попадает на балансный модулятор БМ1 (2). На второй вход БМ1 поступает напряжение с частотой f0 . Частота f0 стабилизирована кварцем и ее значение определяется АЧХ электромеханического фильтра (ЭМФ) и выбором рабочей боковой полосы (верхней или нижней). На выходе первого балансного модулятора получается двухполосный сигнал с ослабленной несущей. Степень подавления несущей частоты на выходе передатчика (в антенне) определяется балансным модулятором и ЭМФ, а нежелательной боковой полосы - только параметрами ЭМФ. Последующие каскады не могут изменить степень подавления этих составляющих однополосного сигнала. С выхода ЭМФ однополосный сигнал поступает на второй балансный модулятор (4). На другом его входе - сигнал вспомогательной частоты f1 . Частота f1 выбирается выше верхней рабочей частоты передатчика - fB . При таком выборе комбинационная частота на выходе БМ2 f1 + f0 также будет выше верхней частоты рабочего диапазона передатчика. Следовательно, колебания вспомогательного генератора f1 и продукты преобразования первого порядка с частотами f1 + f0 , если они попадут на вход усилителя мощности, не создадут помех в рабочем диапазоне проектируемого передатчика. Относительная расстройка между комбинационными частотами на выходе БМ2 , как правило, не велика, поэтому селекция нужной комбинационной частоты должна осуществляться пьезокерамическим фильтром (ПФ) или фильтром на поверхностных акустических волнах (5). Полоса пропускания этого фильтра должна быть не меньше полосы прозрачности ЭМФ. Однополосный сигнал с выхода ПФ в балансном модуляторе БМ3 (6) смешивается с частотой f2 . Источником этих колебаний служит синтезатор сетки дискретных частот, генерирующий сетку с заданным шагом Df. Частота f2 выбирается выше f1 , то есть выше рабочего диапазона. Частоты рабочего диапазона от fН до fB получаются на выходе БМ3. Они равны разности частот f2 и промежуточной частоты на выходе полосового фильтра(5) f = f2 - f1 - f0 . Эти частоты выделяются фильтром нижних частот (7), частота среза которого равна верхней частоте рабочего диапазона fB. Однополосный сигнал формируется на малом уровне мощности. До заданного уровня на выходе передатчика он доводится линейным усилителем мощности. Усилитель (8) состоит из предварительного (их может быть несколько) и оконечного усилителей. Цепи связи промежуточных каскадов делают широкополосными, перекрывающими весь диапазон передатчика. Здесь не ставится задача фильтрации высших гармоник, решается только проблема согласования входного сопротивления следующего каскада с выходным предыдущего. Широкое применение находят трансформаторы на длинных линиях и цепи, обеспечивающие постоянное входное сопротивление усилительного каскада. Цепь связи (9) с антенной включает в себя переключающиеся в зависимости от частотного поддиапазона фильтры гармоник. 2. Выбор схемного решения и элементной базыДля преобразования звуковых колебаний (речи) используется микрофон BF1, который может быть как динамическим, так и конденсаторным. Последний обладает высокой чувствительностью (по сравнению с динамическим) и имеет встроенный предварительный усилитель на полевом транзисторе, поэтому стоит выбрать данный тип микрофона (МК) для проектируемого передатчика. Чтобы обеспечить усиление речевого сообщения, необходимо подать питающее напряжение на МК. Это обеспечивается резистором R2. Сигнал, идущий с МК, имеет небольшую амплитуду, поэтому необходим УНЧ, который обеспечит нужное усиление низкочастотного (НЧ) сигнала до уровня, обеспечивающего нормальную работу БМ. Для этой цели используется каскад УНЧ на интегральной микросхеме (ИМС) DA1 К538УН3Б. Микросхема представляет собой малошумящий широкополосный усилитель с рабочей частотой до 3МГц, оптимизированный для работы с низкоомными источниками сигналов, предназначен для применения в качестве предварительного усилителя и в качестве усилителя низкоомных датчиков. Напряжение питания: Uп =6В±10%. Данный тип ОУ выбран из тех соображений, что он может работать при низковольтном однополярном питании и имеет низкую потребляемую мощность. Усиленный НЧ сигнал с УНЧ подаётся на БМ DA2, в качестве которого используем ИМС К174ПС4. Микросхема представляет собой двойной балансный смеситель, предназначена для использования в качестве смесителя частоты в диапазоне частот до 1000 МГц, модулятора, усилителя. Отличается отсутствием или ослаблением в спектре выходного сигнала составляющих с частотами сигнала и гетеродина и хорошей развязкой между цепью гетеродина и входом. Просачивание напряжение гетеродина на вход составляет 40..50 дБ. Так как в проектируемом передатчике используется три БМ, то для унификации принципиальной схемы целесообразно применить БМ одного типа. В качестве электромеханического фильтра используем ЭМФ 500-9Д-ЗВ - электромеханический фильтр настроенный на частоту 500 кГц, девятидисковый, пропускающий полосу частот 3 кГц, расположенную выше частоты 500 кГц. Выбор элемента определяет промежуточную частоту 500 кГц. Пройдя ЭМФ, промодулированный сигнал поступает на второй БМ DA3, где происходят те же преобразования, что и в первом БМ, только модуляция производится на частоте 33,5 МГЦ. С выхода БМ2 (DA3) высокочастотный (ВЧ) сигнал подаётся на ПФ, который обеспечивает селекцию комбинационной частоты, полоса фильтра приблизительно равна полосе пропускания ЭМФ. Отфильтрованный сигнал с ПФ поступает на БМ3 DA4, где также происходит модуляция входного сигнала, осуществляемая напряжением генератора от СЧ, подающегося через разделительный конденсатор. Промодулированный сигнал подаётся на ФНЧ, выполненный как фильтр Чебышева 5-го порядка (Т05-08). В результате на выходе фильтра получается ОП сигнал с необходимым по заданию спектром 1.6…6 МГц. С выхода ФНЧ ОП сигнал усиливается в линейном режиме предварительном многокаскадном усилителе мощности (УМ). Данный каскад работает в линейном режиме. После предварительного усиления сигнал через разделительный конденсатор поступает на оконечнй каскад (ОК) и подводится мощность к базам транзисторов. Сигнал подаётся на модуль усилителя, выполненного по двухтактной схеме. Каскад выполнен на транзисторах VT1- VT2, резисторах R1-R4 и разделительных конденсаторах С1- С2. Сопротивлениями R1-R4 создаётся постоянное смещение на базах транзисторов. Далее следуют . Транзисторные каскады питаются напряжением, подведенным к коллекторам транзисторов через симметрирующие линии, выполняющие также функцию подавления четных гармоник. Конденсатор С3 является блокировочным по питанию. Для обеспечения подавления высших гармоник сигнала после ОК ставятся три фильтра гармоник, которые коммутируются тремя коаксиальными реле в соответствии с одним из трёх выбранным поддиапозоном. Фильтры построены на основе ФНЧ 5-го порядка. 1-й фильтр обеспечивает полосу прозрачности в диапозоне 1.6..2.5 МГц, 2-й – 2.5..3.9 МГц, 3-й – 3.8..6.3 МГц. Такое разделение всего диапозона частот необходимо для лучшего подавления высших гармоник, поступающих в фидер. Выбор синтезатора частот При выборе СЧ необходимо руководствоваться следующими соображениями: - обеспечение синтеза частот с шагом сетки 200 Гц; - контроль «захвата» частоты должен производиться системой фазовой автоподстройки частоты (ФАПЧ); - осуществление быстрого перехода на дежурный канал связи; - хранение номера последнего канала связи в режиме с низким током потребления; - возможность программирования СЧ через последовательный канал и считывание служебной информации из внешнего электрически программируемого постоянного запоминающего устройства (ЭППЗУ); - для удобства пользователя необходимо обеспечить визуальное отображение номера канала связи на индикаторе. Всем вышеуказанным требованиям удовлетворяет микросхема программируемого частотного синтезатора АК9601 [9], которая используется в системах связи с цифровым синтезом частот, может работать в 2-х режимах задания данных: 1) служебная информация считывается из ПЗУ с интерфейсом I2 C типа КР1568РР1 (256х8), КР1568РР2 (1024х8) или им подобным (каждому каналу отводится 8 байт); 2) служебная информация записывается микроконтроллером по последовательной шине I2 С. Структурная схема СЧ АК9601 приведена на рисунке ниже. Назначение выводов схемы приведено в таблице 1.
Рис.2. Структурная схема синтезатора частоты АК9601 Таблица 1.
Кварцевый резонатор для синтезатора частот выберем на 10 МГц. Подключать его следует через конденсаторы, включенные на землю. Генератор управляемый напряжением (ГУН) выполним по схеме, приведенной в [3]. Генератор имеет цепи точной и грубой настройки, которые содержат варикапы, элементы цепей смещения и блокировки. Сопротивление блокировочных конденсаторов на рабочей частоте пренебрежимо мало по сравнению с выходным сопротивлением источника управляющего напряжения. Варикап VD1 осуществляет точную настройку частоты автогенератора. Грубая перестройка частоты в общем случае может быть и плавной при плавном изменении напряжения на варикапе VD2.. Наличие двух разделительных цепей управления частотой при использовании ГУНа в кольце фазовой АПЧ в синтезаторе частоты позволяет обеспечить постоянство усиления в кольце фазовой АПЧ при перестройке частоты генератора в широком диапазоне частот. Ниже приведена схема автогенератора с перестройкой частоты.
Рис.3.
Выбор частот для синтезатора частот:
Таблица 2.
То есть комбинационные составляющие не попадают в диапазон ФНЧ: 1.6..6 МГц. Расчет выходного каскада радиопередатчика В оконечном каскаде радиопередатчика необходимо усилить имеющийся сигнал до заданной мощности при этом проходная характеристика транзистора должна быть линейной и угол отсечки коллекторного тока θ=90º (невыполнение этих требования приводит к нелинейным искажениям). В данном случае целесообразно оконечный каскад выполнить по двухтактной схеме, что позволяет при отдаче транзисторами мощности меньшей повысить надежность устройства; а также при использовании данной схемы подавляются четные гармоники на 15-20 дБ, следовательно уменьшится порядок ФНЧ необходимого для подавления внеполосного излучения. Так как каскад является широкополосным, то выберем в качестве схемы связи генератора с нагрузкой ТДЛ. Выбор транзистора оконечного каскадаДля выходного каскада однополосного радиопередатчика, как сказано выше, необходимо выполнить двухтактную схему, в которой транзисторы должны быть идентичны. Для выбора транзистора необходимо руководствоваться следующими условиями: - транзистор должен отдавать необходимую мощность в нагрузку; - так как передатчик однополосный, то необходимо, чтобы проходная характеристика была линейной. Как правило, для генерации заданной мощности в нагрузке в определенном диапазоне частот можно подобрать целый ряд транзисторов. Из группы транзисторов нужно выбрать тот, который обеспечивает наилучшие электрические характеристики усилителя мощности. Коэффициент полезного действия каскада связан с величиной сопротивления насыщения транзистора – rНАС. Чем меньше его величина, тем меньше остаточное напряжение в граничном режиме и выше КПД генератора. Коэффициент усиления по мощности КР зависит от ряда параметров транзистора: коэффициента передачи тока базы bо , частоты единичного усиления fT и величины индуктивности эмиттерного вывода LЭ . При прочих равных условиях КР будет тем больше, чем выше значение b о , f T и меньше LЭ . 1) По мощности подходят следующие транзисторы: 2Т944А, 2Т947А, 2Т956А, 2Т957А, 2Т964А, 2Т967А, 2Т971А, 2Т980А, 2Т9126А; 2) из них подходят по частоте: 2Т944А (rНАС =0.19 Ом), 2Т956А (rНАС =0.35 Ом), 2Т957А (rНАС =0.1 Ом), 2Т980А (rНАС =0.5 Ом); 3) сравнивая их по параметру, определяющему КПД (по rНАС ) выберем транзистор 2Т957А . У выбранного транзистора линейная проходная характеристика, что обеспечивает усиление однополосных колебаний с малым уровнем нелинейных искажений [1,3]. Параметры идеализированных статических характеристик: Сопротивление насыщения транзистора rНАС =0.1 Ом; Коэффициент усиления по току в схеме с ОЭ βо =28; Остаточное напряжение Eотс =0.7В. Высокочастотные параметры: Граничная частота усиления по току в схеме с ОЭ fт =100 МГц; Барьерная емкость коллекторного перехода Ск =520 пФ; Барьерная емкость эмиттерного перехода Сэ=1500 пФ; Индуктивность вывода базы Lб =2.2 нГн; Индуктивность вывода эмиттера Lэ =1.4 нГн; Индуктивность вывода коллектора Lк =2 нГн. Допустимые параметры Предельное напряжение на коллекторе Uкэ доп =60 В; Обратное напряжение на эмиттерном переходе Uбэ доп =4 В; Постоянная составляющая коллекторного тока Iко макс. доп =20А; Диапазон рабочих частот 1.5..30 МГц. Энергетические параметры (экспериментальные характеристики при работе в условиях, близких к предельно допустимым по какому-либо признаку (параметру) и ограничивающих мощность транзистора так, чтобы гарантировать достаточную надежность его работы) Максимально допустимая мощность P' н =125 Вт; Граничная частота f' =30 МГц; Коэффициент усиления по мощности К' р =17; Коэффициент полезного действия η' =50 %; Напряжение питания Е' к =28 В. Режим работы линейный, <-33 дБ. В современных передатчиках мощные оконечные усилители строятся, как правило, на транзисторах по двухтактной схеме с ОЭ. Число транзисторов в усилительном модуле m=2. При выбранном КПД цепи связи с фидером
Следовательно, мощность на выходе одного плеча двухтактной схемы определится как: Расчет коллекторной цепи [1,2]Назначим угол отсечки коллекторного тока: Из таблицы находим коэффициенты: Амплитуда первой гармоники напряжения на коллекторе:
Амплитуда первой гармоники коллекторного тока:
Сопротивление коллекторной нагрузки:
Общее сопротивление нагрузки генератора получается равным 2Rк, а коэффициент трансформации ТДЛ равен:
Выберем величину N равную И сопротивление коллекторной нагрузки одного плеча генератора следует принять равным: Далее следует пересчитать коллекторную цепь одного плеча, но уже при известном сопротивлении Rкэ =3.13 Ом на мощность Р1 =78.1 Вт. При этом несколько снизится напряжение коллекторного питания, уменьшится электронный КПД генератора, но зато повысится надежность его работы. 1. Амплитуды напряжения на коллекторе и коллекторного тока:
2. Максимальная величина коллекторного тока:
3. Постоянная составляющая коллекторного тока:
4. Напряжение питания коллекторной цепи:
Максимальное напряжение на коллекторе не должно превышать допустимого значения 5. Мощность, потребляемая от источника коллекторного питания:
6. Мощность, рассеиваемая на коллекторе:
7. Коэффициент полезного действия коллекторной цепи:
Расчет базовой цепи транзистораТак как значения сопротивлений rб
, rэ
и Rуэ
не заданы, то их необходимо принять равными В двухтактных генераторах при работе транзисторов в режиме В важно, чтобы в импульсах тока не было перекосов так, как при этом отсутствуют нечетные гармоники. Устранение перекосов в импульсах достигается включением шунтирующего добавочного сопротивления Rдоп между выводами базы и эмиттера транзистора. Сопротивление Rдоп выбирают следующим образом:
8. Амплитуда тока базы:
9. Максимальное обратное напряжение на эмиттерном переходе:
10. Постоянные составляющие базового и эмиттерного токов:
11. Напряжение смещения на эмиттерном переходе:
12. Расчет элементов входной цепи транзистора:
13. Резистивная и реактивная составляющие входного сопротивления транзистора:
14. Мощность возбуждения:
15. Коэффициент усиления по мощности:
Расчет трансформаторов на линиях1) Расчет ШТЛ с коэффициентом трансформации по сопротивлению 1:4. ТЛ в оконечном каскаде при использовании двухтактной схемы необходимы для подавления четных гармоник и согласования оконечного каскада с нагрузкой. Расчет ТЛ производится по методике, изложенной в [3]. 1. Волновые сопротивления линий Сопротивление нагрузки Мощность в нагрузке 2. Амплитуда напряжения и тока в нагрузке и в линии
3. Выбор кабеля: Марку кабеля выберем исходя из требуемого волнового сопротивления линий, которое составляет 12,5 Ом. Из табл. 4.2 в [2] выбираем кабель РП12-5-12 с волновым сопротивлением
Геометрические размеры кабеля в поперечном сечении:
4. Геометрические размеры линии
Геометрическая длина линии: 5. Выбор феррита: марку феррита выберем из табл. 4.3 в [4]: феррит 200 ВНС. Его параметры: 6. Конструкция трансформатора Трансформатор выполним по многовитковой конструкции, причем сначала соединим симметрирующую и нижнюю линии вместе и намотаем на одно ферритовое кольцо с верхней линией с разным количеством витков.
Рис.7. Широкополосный трансформатор на линиях Внутренний диаметр ферритового сердечника в должен быть таким, чтобы было возможно сделать несколько витков для каждой линии. Выберем его из стандартных значений, приведенных в табл. 4.4 в [2].
Объем сердечника: Рассчитаем число витков:
Поскольку продольное напряжение на нижней линии в 3 раза меньше продольного напряжения на верхней линии и, следовательно, во столько же раз меньше требуемая продольная индуктивность, то число витков для нижних линий в 3 раза меньше, чем для верхней.
Проверим условие размещения линии во внутреннем кольце сердечника: все витки во внутреннем кольце сердечника занимают Для использования подобного трансформатора в цепи базы необходимо перед ним поставить еще один трансформатор 4:1 без симметрирующей линии и с другим волновым сопротивлением линии. Марку кабеля для этого трансформатора выберем исходя из требуемого волнового сопротивления линий, которое составляет 3.32 Ом. Из табл. 4.2 в [4] выбираем кабель РП-3-5-11 с волновым сопротивлением 3.2 Ом. Конструкция кабеля приведена на рис.4. Параметры: Выбор и расчет фильтра нижних частотНеобходимо рассчитать ФНЧ с частотой среза fср
=fв
=6 МГц. Предполагается, что сопротивление источника сигнала R1=50 Ом, сопротивление нагрузки R2=50 Ом. Зададимся неравномерностью АЧХ в полосе пропускания: Выберем фильтр Чебышева пятого порядка Т 05-08, который обеспечивает на частоте Нормированные элементы:
Используя формулы денормирования, вычисляем значения элементов фильтра [6]: Таблица 3.
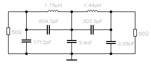
Величины элементов ФНЧ и расчетная АЧХ приведены на рисунке ниже:
Рис.11. Фильтр нижних частот и его АЧХ Выбор и расчет фильтра гармоникЭлектрический расчет фильтра гармоникПередатчик подключается к нагрузке - антенно-фидерной системе - с помощью выходной контурной системы, которая должна: преобразовывать в общем случае комплексное входное сопротивление фидера Zф в требуемое для оптимального режима выходной ступени активное сопротивление нагрузки Rн ; обеспечивать фильтрацию гармоник до установленных норм; вносить достаточно малые потери, то есть обладать высоким КПД; выполнять указанные требования во всем рабочем диапазоне частот [1]. Для мощных передатчиков выходные контурные системы выполняют в виде звеньев ФНЧ, число которых определяется требуемой фильтрацией и для связных передатчиков составляет два-четыре. В качестве фильтра гармоник используем фильтр гармоник №3 [6], который обеспечивает гарантированное (до уровня As, дБ) подавление гармоник в полосе частот от Ws/2 до 1.
Каждый из фильтров обеспечивает коэффициент перекрытия по частоте: Из таблицы П.14. [6] при выбранном значении g находим:
Величины элементов фильтра-прототипа [6]:
Используя формулы денормирования, вычисляем значения элементов фильтра [5]:
Схема рассчитанного фильтра приведена ниже.
Следующие два фильтра рассчитываются аналогично, но частота среза уже берется равной Ниже приведена сводная таблица значений элементов фильтра гармоник. Таблица 4.
Конструктивный расчет фильтра гармоникИндуктивности фильтрующих цепей выполняют либо в виде проволочных цилиндрических однослойных катушек, либо в виде плоских многовитковых спиралей. Цилиндрические проволочные катушки пригодны для любых мощностей, обладают высокой добротностью, могут быть изготовлены с индуктивностями от долей до сотен микрофарад, но занимают большой объем. Кроме требований заданной индуктивности, высокой добротности, определенной стабильности к катушкам индуктивности предъявляются требования электрической прочности, допустимого нагрева, механической прочности и др. Ниже приведен расчет катушек фильтра поддиапазона №1. 1. Необходимая индуктивность катушек: Верхняя частота поддиапазона: Протекающий ток: 2. Необходимые расчетные значения индуктивностей с учетом размагничивающего влияния близко расположенных проводников, деталей конструкции контура и каскада, стенок блока:
3. Выберем способ намотки: холодная тугая намотка с шагом на керамике: ТКИ=(40..100)×10-6 , Q=100..400, С0 =0.5..2 пФ. Катушки мотаются проводом диаметра d, витки по каркасу распределяются равномерно с шагом g. 4. Зададимся отношением длины намотки катушки l к её диаметру D. Рациональные конструкции индуктивностей имеют l=(1.5..2.5)×D. Выберем 5. Диаметр провода катушки выбираем исходя из соображений её допустимого нагрева. Катушка охлаждается естественным путем (конвекционное охлаждение)
6. Шаг намотки: 7. Диаметр катушки: Длина катушки: Коэффициент формы катушки: Число витков спирали катушки:
Проводя аналогичные вычисления для фильтров поддиапазонов №2 и 3 заполним сводную таблицу. Таблица 5.
Выбор источника питанияИсточником первичного питания является промышленная сеть напряжением 220В, частотой 50Гц. Источник вторичного электропитания должен обеспечивать постоянные выходные напряжения величиной 6В (для питания микросхем) и 24В (для питания транзисторных каскадов). Схема вторичного источника должна содержать следующие элементы: · понижающий трансформатор; · диодный мост с фильтром; · стабилизатор. Стабилизатор напряжения выполним на микросхеме LM350 фирмы Motorola, которая обеспечивает выходное напряжение
где I - ток через резистор R2 Ниже приведена схема источника питания.
Основные результаты работы: 1. Спроектирован связной однополосный радиопередатчик. 2. Составлена принципиальная схема передатчика. 3. Приведены расчеты оконечного каскада передатчика. 4. Произведен расчет фильтра нижних частот, обеспечивающего выделение одной боковой полосы сигнала. 5. Проведен конструкторский расчет фильтра гармоник в цепи согласования с фидерной линией на 50 Ом. БИБЛИОГРАФИЧЕСКИЙ СПИСОК1. Проектирования радиопередающих устройств: Учеб. пособие для вузов/В.В. Шахгильдян, М.С. Шумилин, И.А. Попов и др.; Под ред. В.В. Шахгильдяна. М.: Радио и связь, 1993, 512с. 2. Радиопередающие устройства: Учебник для вузов связи/Л.Е.Клягин, В.Б. Козырев, А.А. Ляховкин и др. Под ред. В.В. Шахгильдяна. М. :Радио и связь, 1980. 328с. 3. Шумилин М.С., Власов В.А., Козырев А.А. Проектирование транзисторных каскадов передатчиков. М: Радио и связь,1987,320с. 4. Нефедов А.В. Интегральные микросхемы и их зарубежные аналоги: Справочник. Т.2. М.: КУбК-а, 1997.640с. 5. Ханзел Г.Е. Справочник по расчету фильтров. США, 1969. Пер. с англ., под ред. А.Е. Знаменского. М.: Сов. радио, 1974. 288с. 6. Расчет и проектирование радиопередающих устройств. Методические указания к курсовому проектированию по дисциплине ”Устройства формирования радиосигналов”/Л.И. Булатов, Б.В. Гусев. Екатеринбург: Изд-во УГТУ, 1998, 30с. 7. Проектирование широкополосных усилителей. Методические указания по курсовому проектированию/ Б.В. Гусев, Б.Н. Плотников. Екатеринбург: УПИ, 1992, 32с. 8. Таблицы и графики к проектированию широкополосных усилителей. Приложение к методическим указаниям по курсовому проектированию/ Б.В. Гусев, Б.Н. Плотников. Екатеринбург: УПИ, 1992, 23с. 9. Александров И., Антонов И. АК9601 – программируемый частотный синтезатор. Радиолюбитель, 1997, № 3, с.41.
|

















