Реферат: ОБЛІК ЕЛЕМЕНТУ ЗАТРАТ НА ОПЛАТУ ПРАЦІ
|
Название: ОБЛІК ЕЛЕМЕНТУ ЗАТРАТ НА ОПЛАТУ ПРАЦІ Раздел: Рефераты по астрономии Тип: реферат | |||||||||
| ОБЛІК ФОРМУВАННЯ ЕЛЕМЕНТІВ ЗАТРАТ ЗАГАЛЬНЇ ВІДОМОСТІ Згідно з основними положеннями про облік витрат. будь-яке господарство повинне забезпечити роздільний, облік своїх затрат по таких елементах: матеріальні затрати, затрати на оплату праці, відрахування, амортизація основних засобів, інші затрати. Облік матеріальних затрат. Матеріальні затрати на виробництво для більшості господарств е найбільш суттєвими, їх питома вага в затратах становить у середньому 75-80%, а у деяких галузях, наприклад харчовій, — більш 90 %. Відправним моментом побудови бухгалтерського обліку матеріальних затрат е їх класифікація та оцінка. Класифікація передбачає розробку номенклатур, а оцінка — визначення облікової ціни для поточного обліку та порядку визначення фактичної собівартості Без попереднього вирішення цих питань раціональна побудова обліку матеріальних затрат виробництва практично неможлива, особливо в умовах застосування ЕОМ та АРМ бухгалтера. Класифікація та розробка номенклатур повинна бути проведена в двох напрямках: економічному та технічному. Вибір методу оцінки залежить від різних умов, у яких працює те чи інше господарство. На основі класифікації та оцінки формується номенклатура—цінник. У виробничих процесах для обліку матеріальних затрат вихідним е їх відношення до майбутнього продукту праці: одні утворюють субстанцію майбутнього продукту праці, другі використовуються як допоміжні для надання якості, кольору, підтримки робочого стану обладнання тощо. Разом з тим, незалежно від ролі матеріалів в виробничому процесі побудова їх бухгалтерського обліку у процесі виробництва як елементу затрат має багато спільного. У першу чергу визначаються кількісні та якісні характеристики, на підставі яких за ціновою ознакою визначають вартісні Разом з тим слід мати на увазі таку особливість окремих видів матеріалів, що в процесі виробництва їх характеристики уточнюються в залежності від їх відношення до прямих або непрямих затрат. Характеристики деяких матеріалів на певній стадії облікового процесу, особливо кількісні, зникають, а вартісні потрапляють до загальної суми окремих видів затрат за ознакою виду витрат. Наприклад, використані матеріали для потреб утримання машин та устаткування включаються в комплексні затрати за аналогічною назвою, тобто кінцевий результат виробництва включається в загальні суми цього елементу собівартості і як артеріальний елемент не залишається в собівартості Основу побудови матеріалів становить Їх кількісно-якісна характеристика, тому обов'язковим є показник кількості та якості в первинних документах' момент передачі (запуску їх у виробничий процес). Без цих характеристик втрачає сенс будь-який первинний та поточний облік процесу виробництва. При обліку виробництва за нормативним методом (стандарт-костінг) відокремленому документуванню підлягають зміни та відхилення затрат. Тому у кожному випадку в документі мають бути такі дані: затрати у межах норм, затрати внаслідок зміни норм та затрати внаслідок відхилення від норм (від початку затрачання матеріалів аж до виходу продукту). Важливим моментом побудови матеріальних затрат на виробництво є визначення поняття "затрата". Справа у тому, що в економічній літературі під дим терміном розуміють різні виробничі процеси. А це не дозволяє правильно формувати побудову обліку затрат на виробництво. Перш за все слід розрізнити поняття "затрати зі складу" та "затрати у виробництві". Затрати зі складу — це передача зі складу у виробничий процес. Це може означати передачу до комор виробництва, складів, робочих місць тощо, але може також означати й безпосередній запуск матеріалів у виробничий процес» тобто сам процес затрат. Таким чином "передача зі складу" — це не затрати на виробництво. Разом з тим затрати на виробництво не обов'язково є затратами на кінцевий продукт виробництва, тобто на випуск продукції, оскільки у виробничому процесі для обліку виникають такі об'єкти, як незавершене виробництво, відходи виробництва, побічна продукція, брак у виробничому процесі та інші Розмежування вищенаведених понять наперед визначає необхідність документального оформлення всіх цих різнобіжноетей для вірного визначення та розрахунку фактичної собівартості продукту. Особливе значення ці моменти мають при нормативному обліку, застосуванні ЕОМ тощо. Видача (відпуск) зі складу в виробничий процес: у цех тощо. Це може бути і звичайним переміщенням матеріалів у просторі. Документальне оформлення видачі зі складу (тобто передачі) у виробництво залежить від особливостей і характеру технології організації виробництва та варіанту їх побудови. Разом з тим у всіх випадках процес документування повинен бути таким, щоб забезпечити вияв-лення відхилень від норм (кошторису, квот тощо) по ходу технологічного процесу за зміну і як мінімум за добу або за самий короткий технологічний цикл. У різних виробництвах застосовують різні види та форми документів для оформлення передачі або відпуску, матеріалів зі складу на виробництво: накладні, забірні картки, забірні листи, лімітно-забірні листи, вимоги тощо. Якщо видача зі складу співпадає з моментом передачі (запуску) у виробничий процес, то складають один документ. В окремих галузях виробництва передачу матеріалів у виробничий процес оформляють у виробничому звіті: по бригадах, ділянках, цехах тощо. У цих звітах е такі показники, як залишок на початок роботи зміни (або доби), надходження за зміну (добу), передачу у технологічний процес (тобто фактичні витрати), різні списання сировини та залишок на кінець зміни (доби). Крім того, ці звіти містять показники про кількість та якість випущеної продукції. При нормативному обліку виробництва в звітах показують також відхилення від норм (квот, кошторису тощо) та зміни норм. Усі відхилення повинні мати письмові пояснення. В усіх виробництвах, за винятком дослідних експериментальних, затрати регламентуються рецептурою, нормативними картами та іншими документами. В окремих випадках дозволено робити заміну одних матеріалів іншими. Такий факт повинен бути оформлений спеціальним документом на заміну. Між вхідною кількістю (масою) переданих у виробничий процес матеріально-речових елементів затрат та вихідною кількістю готової продукції при додержанні певних технологічних параметрів виробничого процесу в органічних виробництвах (хімічної, харчової промисловості тощо) встановлені нормативні пропорційні залежності. Вони характеризують норму виходу готового продукту. На таку норму виходу впливають перш за все заміни. Крім того, у процесі виробництва можуть бути виявлені різні відхилення: наприклад, різні зменшення у порівнянні з нормою, незаплановані відходи, незапланований брак, зменшення передбаченого планом (нормою) браку тощо. У окремих виробництвах під впливом біохімічних процесів можуть змінюватися кількісні або якісні параметри переданих у виробничий процес матеріалів. Задокументувати ці зміни, за винятком грубих технологічних порушень, неможливо. Ці відхилення обумовлені температурно-режимними характеристиками і частіше є незначними, але їх теж потрібно визначати методом техніко-економічного розрахунку. Такі розрахунки робляться на підставі матеріальних балансів (баланс сухих речовин, баланс крохмалю тощо). Усі матеріально-речові елементи, які на кінець зміни не перетворені у готовий продукт і знаходяться на різних операціях технологічного процесу, становлять незавершене виробництво. Усі первинні документи або інші носії облікової інформації про передані у виробничий процес матеріали повинні мати характеристики: про направлення затрат: центри первинного формування елементів затрат (продукт, структурний підрозділ, вид затрат); про характер відношення до норм: у межах норм, зміна норми, або відхилення від норми. На підставі цих документів складають у залежності від наявності технічних засобів відомості, журнали-ордери, машинограми про формування затрат. Це дає змогу далі здійснити облік на другому етапі: розподіл та перерозподіл затрат. ОБЛІК РУХУ МАТЕРІАЛЬНИХ ЕЛЕМЕНТІВ ЗАТРАТ У ПРОЦЕСІ ВИРОБНИЦТВА Головне завдання обліку виробничого процесу — визначення кількості нового продукту та його собівартості. Не дивлячись на те, що у більшості виробниицтва відпуск матеріалів у виробництво здійснюється за лімітами, це ще не означає, що контроль за їх використанням забезпечено. При передачі матеріалів у виробничий процес можна встановити, чи відповідають їх кількість
та якість нормам (квот, кошторису тощо), але визначити, як використані матеріали у виробничому процесі, цього недостатньо. Тому слід встановити облік руху матеріалів, і перш за все основних, які утворюють основу (субстанцію) майбутнього продукту. Але облік матеріалів по ходу технологічного процесу і за даними тільки кількості е Рис. 1. Організаційна модель розробки номенклатури відхилень від норм недостатнім. Потрібні також вартісні параметри. Тобто потрібно знати, як формується собівартість. Але не тільки у цілому, а й на окремих операціях, технологічних фазах, переділах, у межах бригади, цеху тощо. Для побудови обліку руху матеріалів у процесі виробництва створюють модель організації. Для формалізації моделі відповідні технологічні та організаційні особливості конкретного виробництва розкладають на три аспекти — облік елементів затрат, облік трансформації елементів затрат у статті витрат та облік статей затрат по кожному організаційному осередку, бригаді, цеху Тощо. При нормативному обліку має місце ще і поділ на три види: у межах норм, зміни норм та відхилення від норм. Особливості технології виробництва визначають, які операції можна взяти за основу визначення не тільки кількісних, але і вартісних параметрів виробництва, для того щоб одержати вартісні характеристики. Далі для побудови організаційної моделі обліку затрат приймають горизонтальні та вертикальні форми відносин відповідного підрозділу, та побудови технологій Таким чином, для побудови конкретної моделі обліку виробництва на певному підприємстві слід виконати такі роботи: відібрати облікові номенклатури, розробити нормативне господарство, підібрати систему документального оформлення операцій (документи), побудувати загальну схему обліку, розробити схеми облікових реєстрів, визначити Центри затрат, визначити методи виявлення відхилень затрат від норм (квот, кошторису тощо), визначити методи розподілу непрямих затрат, визначити методи розрахунку незавершеного виробництва, методи оцінки відходів, побічної продукції, методи визначення сукупної собівартості продукції та собівартості окремих її видів. Незалежно від форми організації процесу виробництва і характеру технології облік затрат повинен будуватися так, щоб у системному порядку на рахунках бухгалтерського обліку можна було б одержати дані про фактичну суму затрат та обчислити собівартість у межах структурних підрозділів, видах продукції, затрати в межах норм, змін норм та відхилення від норм. До побудови обліку складають схему взаємозв'язку технологічних та планово-облікових параметрів виробничого процесу. Крім того, розробляють кодифікатор змін норм та відхилень від норм (рис. 1). ОБЛІК ЕЛЕМЕНТУ ЗАТРАТ НА ОПЛАТУ ПРАЦІ За питомою вагою елемент затрат на оплату праці є другим після матеріальних затрат. Він становить близько 25 % . Але у деяких трудомістких галузях (вугільна промисловість тощо) цей елемент є значно вагомішим. Незважаючи на це, елемент затрат на оплату праці є провідним елементом. Праці як фактору виробництва належить основна роль. Затрати по оплаті праці фактично визначають вартість продукту. А визначення вартості є основним в управлінні економікою будь-якого суспільства. Затрати на оплату праці визначаються або на підставі нарахування за кількістю витраченого часу (годин, днів, місяців), або на підставі виробітку (певної кількості продукції, виконаної роботи, або наданої послуги). Основним документом нарахування заробітної плати є табель До нього додають у залежності від форм та систем оплати праці різні документи — наряди, рапорти тощо Незважаючи на різні види оплати праці та форми її оплати, затрати на оплату праці є єдиним елементом затрат на виробництво. Але у собівартість продукції цей елемент потрапляє через два канали: перший —• оплата праці працівникам, які безпосередньо зайняті у виробництві; другий — різні види групування затрат на підставі розподілу: загальновиробничі, загальногосподарські тощо. При обліку виробництва за нормативним методом роздільному обліку підлягає оплата праці в межах норм, внаслідок зміни норм та у випадку відхилення від норм. Такий роздільний облік забезпечується завдяки первинним документам, у яких згадані ознаки відокремлюються. ОБЛІК ІНШИХ ЕЛЕМЕНТІВ ЗАТРАТ До інших елементів затрат відносяться: відрахування на соціальне страхування, амортизація засобів праці та деякі інші. Елемент затрат "Відрахування на соціальні заходи" є похідним від елементу затрат на оплату праці. Розмір цих затрат залежить від суми нарахованої плати, Особливий елемент затрат — це амортизаційні відрахування на засоби (знаряддя) праці та нема теріальні активи. За своїм економічним змістом — це сума зносу, яка включена у затрати виробничої або іншої діяльності. Особливості засобів праці такі, що сума їх зношення повинна бути не тільки елементом затрат, але й елементом собівартості На жаль, до цього часу цей елемент затрат включають до різних груп непрямих витрат, де вони розподіляються пропорційно різним параметрам на різні види продукції (виробів, робіт, послуг). Суму амортизації визначають спеціальним розрахунком і щомісячно включають до витрат за місцем експлуатації у різні види непрямих витрат: загальновиробничі, загальногосподарські, витрати на утримання устаткування та експлуатацію машин „тощо, Діюча методика формування складу затрат на виробництво передбачає, що всі неперелічені вище види затрат об'єднані у так звану групу "інші затрати". Сюди належать: платежі з обов'язкового страхування майна господарства, проценти за короткострокові прострочені позички банку, плата стороннім організаціям за охорону об'єктів господарства тощо. Облік цього елементу затрат здійснюється переважно на підставі рахунків відповідних організацій, установ та підприємств, що надали послуги. Систематизація затрат здійснюється переважно у різних розроблювальних відомостях, таблицях або машинограмах. До цієї групи відносять також витрати на відрядження, збори, послуги пошти тощо. ОБЛІК ПОПЕРЕДНЬОГО ГРУПУВАННЯ НЕПРЯМИХ ЕЛЕМЕНТІВ ВИТРАТ У КОМПЛЕКСНИХ ВИДАХ ТА ЇХ ПЕРЕГРУПУВАННЯ ЗАГАЛЬНІ ПИТАННЯ ПОБУДОВИ ОБЛІКУ Кінцева мета обліку затрат — визначення натуральних (кількісних та якісних) характеристик та грошових параметрів затрат, а також визначення фактичної собівартості окремих видів продуктів, робіт, послуг та їх одиниць виміру. Однак природа більшості процесів виробництва така, що значна кількість затрат не може бути у момент запуску (передачі) у виробничий процес визначена, до якого конкретно виду діяльності або продукту вона відноситься. Тому затрати поділяють на прямі та непрямі Вищенаведене визначає таке положення, згідно з яким—частина елементів затрат, перш ніж бути віднесеними до виду затрат або собівартості продукції окремого виду, формує сукупність затрат за окремими виробничими або економічними ознаками. І тільки після цього вона може бути включена до складу затрат, що формують собівартість виду продукту. Видове'групування затрат є прерогативою органів управління, об'єднань і самих господарств. Вона випливає з потреб безпосереднього управління затратами на виробництво та собівартістю продукції в межах господарства. Сьогодні у практиці елементи затрат попередньо групуються, а потім перегруповуються за такими ознаками: • транспортно-заготівельні витрати; • витрати на підготовку виробництва; • витрати на утримання і експлуатацію машин та устаткування; • витрати на управління, у тому числі на управління структурними підрозділами виробництва (бригадами, дільницями, цехами, виробництвами) та загально-господарське управління; • витрати на виправлення браку у виробництві; •витрати на відвантаження та реалізацію продукції. Кожний із названих видів витрат формує самостійний обліковий (фактично планово-обліковий) комплекс витрат. До початку виробничого процесу по кожному із названих видів формують кошторис витрат. Тому основна задача обліку — інформація про процес формування того чи іншого виду витрат та контроль за додержанням відповідного кошторису. Усі види комплексних витрат формують за відповідною номенклатурою, яка або рекомендована галузевими нормативними документами, або розроблена безпосередньо на підприємстві. Незважаючи на різні за змістом витрати, ці проміжні комплекси формуються та облікуються за єдиним аналогом. Спочатку затрати у розрізі елементів облікуються покожній статті номенклатури кошторису, виду витрат, а потім на підставі відповідного параметру (ознаки) розподіляються по напрямках. Загальна побудова їх показана на рис. 2. За змістом . кожний вид комплексних витрат поділяється на дві групи: продуктивні та непродуктивні. Перша група витрат визначається на початку роботи, друга — у процесі виробництва. Побудова обліку у кожному комплексі витрат повинна бути такою, щоб протягом місяця можна буде визначити з кожного елемента у межах кожної статті витра-ти за трьома ознаками: у межах норм, зміни та відхилення від норм. Це потрібно для контролю кошторису. При складанні нормативної калькуляції собівартості продукції кожний вид комплексних витрат формує статтю собівартості та визначається на окремий вид продукції як окремий елемент собівартості. Тому дри списанні у кінці місяця загальної суми витрат по кожному комплексу відхилення від норм визначається в цілому, а не в окремих статтях кошторису.
Рис. 2. Загальна побудова обліку витрат проміжних облікових комплексів за видовим групуванням ОБЛІК ФОРМУВАННЯ, РОЗПОДІЛУ ТА ПЕРЕРОЗПОДІЛУ ОКРЕМИХ ВИДІВ КОМПЛЕКСНИХ ВИТРАТ Витрати на підготовку та освоєння виробництва. До цих витрат відносяться такі, що спрямовані на освоєння нових підприємств, цехів, виробництв, діяльності, складів. На підготовку нових видів продукції, на підготовку роботи у гірничодобувній промисловості (розвідка, очищення території тощо) та інші витрати. Усі витрати на підготовку та освоєння нового виробництва облічуються попередньо на рахунку № 31 "Витрати майбутніх часів". До початку засвоєння складається кошторис усіх витрат за номенклатурою, яка рекомендована у відповідності до видів майбутніх робіт. Конкретний порядок та строки погашення витрат на підготовку та засвоєння визначаються законодавством та методичними рекомендаціями. Тому передбачається різний порядок списання цих витрат: або на собівартість, або на рахунок заздалегідь зарезервованих коштів. Якщо витрати на підготовку будуть списані на витрати виробництва, то з моменту переходу на серійне або масове виробництво щомісячно включають у собівартість певну їх частину згідно з розрахунком. Якщо буде освоєно декілька видів продукції, то списану суму розподіляють між ними. Якщо освоєння продукції, на яку були витрачені кошти, не буде здійснюватися, то загальна сума витрат буде списана на збитки господарства. Принципіальна схема побудови обліку витрат на підготовку та освоєння нових видів продукції аналогічна тій, яка показана на рис. 26. Витрати на утримання і експлуатацію машин та устаткування. За економічним змістом ці витрати є основними, виробничими. Витрати на утримання та експлуатацію машин та устаткування облічуються в розрізі виробничих структурних підрозділів: бригад, цехів, дільниць технологічних фаз, переділів, а у середині цих підрозділів — по технологічних лініях, а іноді й агрегатах. Методика й техніка планування та обліку витрат на утримання та експлуатацію машин та устаткування для різних рівнів виробничого процесу є ідентичною. Складають кошториси витрат за встановленою номенк латурою статей, яка визначається в галузевих рекомендаціях. Для синтетичного обліку витрат на утримання і експлуатацію машин та устаткування планом рахунків передбачено рахунок № 24 "Витрати на утримання і експлуатацію машин та устаткування". Методика обліку формування, розподілу та перерозподілу витрат на утримання та експлуатацію машин та устаткування складається з чотирьох етапів робіт (рис. 27). Зібрані на рахунку витрати у розрізі елементів затрат та статей кошторису за загальною схемою, яка описана вище, у кінці місяця списуються на підставі первинного їх розподілу — розрахунку по направленням та відображаються на рахунках обліку виробництва № 20 "Основного виробництва", № 23 "Допоміжних виробництв" та № 31 "Витрати майбутніх часів". Далі на кожному з названих рахунків витрати поділяють між незавершеним виробництвом та готовою продукцією. Нарешті, визначені на готову продукцію витрати поділяють між окремими видами. .При нормативному методі обліку затрат на утримання й експлуатацію машин та устаткування необхідно забезпечити окремий облік у межах норм, змін норм та відхилень від норм. Облік витрат на управління. Витрати на управління не пов'язані безпосередньо з виробничими процесами, а випливають із організаторських, адміністративних та інших функцій, з координації та регулювання виробничих процесів: постачання, виготовлення продукції, організації робочого процесу, реалізацією продукції тощо. Витрати на управління поділяються на дві групи: управління виробничими структурними підрозділами (за-гальновиробничі), бригадою, ланкою, дільницею, фермою, цехом, технологічною лінією, фазою, переділом тощо та господарством в цілому (загальногосподарські). Для обліку першої групи витрат планом рахунків передбачено рахунок № 25 "Загальновиробничі витрати", на якому для кожного структурного підрозділу відкривають окремий субрахунок. Для обліку другої групи планом рахунків передбачено рахунок № 26 "Загальногосподарські витрати".
Методика та техніка обліку усіх видів витрат на управління однакова. Протягом місяця формування витрат Рис. 3. Загальна схема побудови витрат на утримання та експлуатацію машин та устаткування здійснюється за єдиною методикою, тобто витрати' формуються в межах кожного підрозділу, кожного субрахунку в розрізі елементів витрат та номенклатури за статею кошторису, як це було показано на рис. 2. Але у . кшці місяця, розподіл, перерозподіл та списання затрат .на управлйння по кожному із рівнів управління має свої особливості Витрати на рівні бригади усередині (дільниці, ланки, ферми або цеху) розподіляються та списуються за простим методом (.тільки на види продукції). Затрати на рівні цехів або дільниць, переділів із бригадною чи ланковою структурою облічуються, тобто облік процесу їх формування, розподілу та перерозподілу здійснюється за схемою, яка наведена на рис. 3.
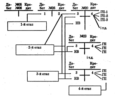
Витрати на управління структурними підрозділами, цехами, фермами, дільницями, бригадами тощо включають в себе витрати на утримання персоналу, поштові, телефонні, телеграфні, заробітну плату, відрахування на соціальне страхування, утримання інвентаря, Рис. 4. Загальна побудова обліку формування, розподілу та перерозподілу загальногосподарських витрат за місяць НВ – незавершенне виробництво ГП – готовий продукт. будинків, охорону праці, інші витрати, які передбачені нормативними документами та рекомендаціями. Нормативний метод обліку витрат на управління структурними підрозділами здійснюється аналогічно обліку витрат на утримання і експлуатацію машин та устаткування. Відносно складним є облік витрат на управління господарством. Ці витрати включають такі* утримання всього персоналу, його заробітну плату, відрахування на страхування, утримання будинків, споруд, інвентаря загальногосподарського характеру, утримання загальногосподарських лабораторій, пожежної охорони, підготовку кадрів, організаційний набір кадрів, поштові, канцелярські витрати тощо. Облічені в дебеті рахунку N 26 "Загальногосподарські витрати" у кінці місяця розподіляються, списуються, перерозподіляються за складною схемою, яка показана на рис. 4 і передбачає 4 етапи: 1-й етап — облік формування елементів затрат по статтях номенклатури загальногосподарських витрат; 2-й етап — розподіл та списання затрат на виробничі структурні підрозділи та направлення; 3-й етап — розподіл та списання затрат на готову продукцію та незавершене виробництво; 4-й етап — розподіл та списання затрат на окремі види готової продукції.
При цьому слід попередньо відкорегувати дебетові записи на так звані прямі затрати з Окремих господарств (табл. 1). Таб. 1. Розподіл та перерозподіл загальновиробничих витрат Облік браку у виробництві. Брак на непродуктивні витрати матеріальних цінностей та праці, навіть у тих випадках, коли є можливість переробити брак у новий продукт праці або виправити недоліки» — (це витрати). Для побудови обліку браку у виробництво його класифікують, за такими ознаками: за місцем виявлення — внутрішній, тобто виявлений до відвантаження або передачі покупцеві, та зовнішній — який виявлено уже у покупця; за характером дефектів — остаточний, який уже не можливо виправити, та такий, який ще можна виправити; за причинами виникнення (неякісні матеріали, припинення подач електроенергії тощо); за винуватцями (робітник, постачальник, служба постачання, тощо). Документальне виникнення браку у виробництві оформляють або актом на брак, повідомленням або листком на брак. У цих документах вказують дані про те, що забраковано, яку продукцію, хто винен, яка причина браку тощо. Для обліку витрат, пов'язаних із забракованою продукцією; передбачено рахунок № 28 Брак у виробництві". На дебеті цього рахунку облікують витрати по виправленню браку або вартість остаточно забракованої продукції. З кредиту списують вартість матеріалів або відходів від забракованої продукції, утримання їх заробітної плати винуватців та остаточної втрати, які включають у собівартість продукції. Загальна схема обліку браку, який можна виправити, наведена на рис. 5, а браку, який не можна виправити, на рис. 6. У документах на виправлення браку слід показувати конкретно, на який вид браку використані матеріали, або прийняті інші витрати. ОБЛІК ЗВЕДЕННЯ ЕЛЕМЕНТІВ ЗАТРАТ В економічній літературі поняття "Облік зведення затрат" трактується по-різному; як "Зведений облік затрат", або як "Зведення затрат", або як "Облік зведення затрат". Є й інші тлумачення. Але якщо прийняти за вихідну точку поетапну побудову обліку процесу виробництва, то облік зведення затрат — це третій етап. Разом з тим це етап завершення обліку використання ресурсів як елементів затрат і як використання продуктивних сил. На цьому етапі з'являється можливість одержати загальну суму затрат на виробництво за певний
відрізок часу — місяць, квартал тощо.
Рис. 5. Загальна схема обліку поправного браку, який може бути виправлений. Рис. 6. Загальна схема обліку браку, який не може бути виправлений. На першому етапі затрати на виробництво облікуються по центрах первинного формування елементів затрат. Це дозволяє по кожному такому центру (бригаді, ланці, дільниці, цеху, фермі, переділу тощо) одержати суму затрат. Наявність підсумкових даних про затрати окремих структурних підрозділів господарства дає змогу одержати підсумкові дані у цілому в розрізі елементів затрат та видів затрат. На даний момент у господарствах затрати на виробництво зводяться по центрах їх первинного використання (бригадах, ланках, дільницях, цехах, фермах, технологічних фазах, переділах, виробництвах тощо), всере-дені центрів формування (по виробах, групам виробів, видах робіт, послугах, видах витрат) та сукупно, тобто по господарству у цілому незалежно від призначення. Це означає, що затрати зводяться як по горизонталі, так і по вертикалі, за ієрархією виробництва. Але у всіх випадках затрати зводяться за ознакою "Елементи затрат". На методику та техніку обліку зведення затрат на виробництво впливають багато факторів: належність до певної галузі, тип виробництва, характер технології, характер організації технології, кількість продукції, організаційна побудова управління, варіанти обліку напівфабрикатів, характер організації технології, кількість продукції, наявність або вид напівфабрикатів. Загалом визначено такі варіанти зведення затрат в залежності від особливостей виробництва: однопе-редільний, одновирібний (однопродуктовий), од-нопередільний багатовирібний (багатопродуктовий), попередільний (багатопередільний) одно-вирібвоий з попроцееним методом групування витрат, попередільний (багатопередільний) одновирібний з послідовним нашаруванням витрат, попередільний (багатопередільний) багатовирібний з без-напівфабрикатнігім прийомом зведення витрат та попередільний (багатопередільний) напівфабрикатний багатовирібний з послідовним нашаруванням витрат. Названі вище варіанти зведення витрат є основними й дуже рідко схрещуються на практиці. Для правильної побудови обліку зведення затрат важливе значення має вірне вирішення поняття напівфабрикатів (напівпродуктів). Напівфабрикат (напівпродукт) — це продукт окремих технологічних фаз (переділів, цехів, дільниць, бригад тощо), який повинен пройти ще одну або декілька технологічних фаз (переділів тощо) обробки, перш ніж стати готовою продукцією. Разом з тим для даної стадії (фази, переділу) він є закінченим продуктом. Якщо напівфабрикат для даної фази (або переділу) є готовим і він призначений для іншого виробництва за межами господарства, тобто реалізується, то у такому випадку його облікують як готову продукцію, і тоді його наявність на методику обліку зведення затрат не впливає. Якщо напівфабрикат (напівпродукт) призначений для подальшої обробки на цьому ж підприємстві, то його міжцеховий рух облікується. При безнапівфабрикатному варіанті обліку зведення затрат з метою контролю за збереженням напівфабрикатів, а також визначення обсягу виготовленої продукції, стану залишків незавершеного виробництва у виробничих підрозділах (цехах, переділах) організується оперативний облік руху напівфабрикатів у натуральному вигляді. Основою такого обліку є документ внутрівиробничого переміщення цінностей за ходом технологічного процесу. У цьому випадку бухгалтерія повинна здійснювати контроль повноти та своєчасності обліку диспетчерськими службами внутрішньовиробничого переміщення напівфабрикатів. При цьому варіанті в кожному цеху облікуються тільки власні витрати. .Собівартість готової продукції визначається підсумовуванням долевої участі кожного цеху. Це означає, що в незавершеному виробництві кожного цеху будуть рахуватися затрати з деталей та вузлів всіх цехів до випуску готового продукту. При напівфабрикатному варіанті обліку зведення витрат ведуть системний облік руху напівфабрикатів на рахунках за ходом технологічного процесу. Передача напівфабрикатів із цеху в цех або на склад відбивається на рахунках як у кількісних, так і у вартісних вимірниках, з цією метою собівартість напівфабрикату кожного цеху обчислюють щомісячно. Собівартість напівфабрикатів визначається підсумовуванням власних витрат та витрат, прийнятих від цехів попередньої обробки. При цьому варіанті собівартість готового продукту визначається послідовним "нашаруванням" витрат кожного цеху за ходом технологічнного процесу. Основною ознакою цього варіанту є факт відбиття в витратах цехів комплексної вартості напівфабрикатів, які надійшли із інших цехів. Напівфабрикатний варіант є обов'язковим при організації внутрішньогосподарського розрахунку, аренди, підряду. Для обліку напівфабрикатів застосовують рахунок № 21 "Напівфабрикати власного виробництва". ОБЛІК ГОТОВОЇ ПРОДУКЦІЇ ОСНОВА ПОБУДОВИ Основу побудови обліку готової продукції становлять: визначення терміна "готова продукція" та класифікація готової продукції; оцінка готової продукції; облік випуску готової продукції; облік наявності готової продукції на складах та кладових у виробництві; система рахунків обліку. Готова продукція — це виріб або напівфабрикат, робота, послуга що пройшли всі стадії технологічної обробки на даному підприємстві та відповідають затвердженим стандартам або технічним умовам, договору, прийняті технічним контролем підприємства і здані на склад або замовникові-покупцеві відповідно до діючого порядку прийняття продукції. Всі елементи виробничого процесу (сировина, матеріали тощо); які знаходяться на різних стадіях технологічного процесу, утворюють незавершене виробництво. Готова продукщя може мати, а може і не мати кількісні та якісні характеристики (кількість маси, шт., метрів, сорт тощо). Але у всіх випадках продукція повинна мати вартісну характеристику. Побудова обліку готової продукції можлива за різними варіантами. Продукція, яка має кількісні та вартісні характеристики, може бути здана на склад, а звідти буде здійснюватися її відвантаження (передача) та реалізація покупцеві На окремих підприємствах (фермерських господарствах), готова продукція не передається на склад, а накопичується безпосередньо у виробництві, звідти здійснюється її відвантаження (або передача) покупцеві та реалізація. Продукція, яка не має кількісних характеристик (робота, послуга або посередництво тощо), безпосередньо з виробництва передається покупцеві (замовнику). Оцінка готової продукції У бухгалтерському обліку готова продукція' має оцінюватися за фактичною собівартістю, яка може бути визначена тільки після зібрання всіх затрат та калькулювання. Разом з тим виникає потреба в щоденному обліку наявності й руху готової продукції та визначенні її вартісних характеристик. Тому в поточному обліку готова продукція оцінюється за прийнятими на підприємстві "твердими" обліковими цінами. Ними можуть бути середньорічна, планова собівартість, оптово-розрахункова, договірна ціна або фактична собівартість. Якщо готова продукщя оцінюється не за фактичною собівартістю, то відокремлено від фактичної собівартості облікується відхилення. В кінці місяця ці відхилення у відповідній долі розподіляються між залишками нереалізованої продукції і реалізованими виробами. Оцінка продукції за "твердими" обліковими цінами дає можливість вести постійне спостереження за кількісними та вартісними параметрами процесів випуску та реалізації продукції. Тверді облікові ціни є основою побудови бухгалтерського обліку готової продукції на складах за оперативно-бухгалтерським методом. Система рахунків. Планом рахунків для обліку наявності та руху готової продукції, що має кількісні та якісні характеристики та складується, передбачено рахунок № 40 "Готова продукція", що за своїми характеристиками та структурою є аналогічним рахунком № 05 "Матеріали". Побудова обліку наявності та руху готової продукції повністю ідентична побудові обліку матеріали), тому тут не наводиться. ОБЛІК ВИПУСКУ ГОТОВОЇ ПРОДУКЦІї ТА ВИЗНАЧЕННЯ ЇЇ ФАКТИЧНОЇ ВИРОБНИЧОЇ СОБІВАРТОСТІ Облік випуску готової продукції. У залежності від виду готової продукції випуск її відображається в обліку по-різному. Якщо продукція має речовий характер (вибір), то її буде передано на склад. Отже у цьому випадку на підставі первинних документів (накладних тощо) у бухгалтерському обліку будуть зроблені записи. Перший запис (А) роблять на підставі даних первинних документів за поточними обліковими цінами. Другий (Б) — на підставі розрахунку фактичної виробничої собівартості готової продукції, тобто калькуляційних розрахунків. Якщо продукщя не здається на склад, а її передають покупцеві або вона не має натуральних параметрів (робота, або послуга), то факт її випуску відображається в бухгалтерському обліку. Розрахунок (калькулювання) фактичної виробничої собівартості продукції. Калькулювання — це визначення розміру витрат в грошовому виразі, які припадають на калькуляційну одиницю. За допомогою калькулювання обчислюють собівартість придбаних матеріалів, виконаних робіт, готової продукції тощо. Для правильного відображення в обліку вартісних параметрів (харатеристик) продукції, потрібно виконати калькуляційні розрахунки по визначенню її фактичної собівартості Для того щоб калькулювати фактичну собівартість готової продукції, потрібно визначити її кількісні та якісні параметри, що досягають при обліку випуску продукції. Фактична собівартість продукції необхідна для визначення фактичних результатів діяльності господарства, ціноутворення, визначення ефективності технологічних та організаційних рішень, встановлення раціональності затрат тощо. При побудові обліку затрат за нормативним методом обов'язково обчислюють нормативну собівартість продукції. Собівартість продукції розраховується за калькуляційними елементами •-статтями затрат. Статті затрат — це галузевий аспект побудови обліку, на різних підприємствах вони можуть бути різними і залежать від потреб управління. Якщо об'єкт калькуляції собівартість продукції (виробу, послуги або роботи), то калькуляційними одиницями стосовно готової продукції можуть бути сукупна собівартість, тобто собівартість усієї продукції, яку випустило господарство, його виробничий підрозділ (цех, бригада, дільниця тощо); собівартість натуральної одиниці виміру — кількісної (шт. тощо) або якісної (сухі речовини, вологість тощо). Ці одиниці виміру виступають послідовно у калькуляційному. Для того щоб обчислити собівартість окремого виду продукції, потрібно знати собівартість сукупної продукції. Неможливо визначити собівартість натуральної одиниці виміру, якщо попередньо не визначена собівартість окремого виду продукції. Вищенаведене підтверджує те, що калькулювання собівартості продукції — це процес, який складається із трьох послідовних етапів (рис. 7). Разом з тим слід мати на увазі, що калькуляційний процес, описаний на рис. 7, не включає усієї складності калькуляцій в господарстві, оскільки крім основної продукції господарство повинне калькулювати також продукцію допоміжного виробництва, яка використовується основним виробництвом, а також калькулювати напівфабрикати, якщо вони випускаються для реалізації. Собівартість продукції обчислюється за допомогоюі окремих способів, що залежать від наявності або відсутності тих чи інших факторів калькулювання. Фактори, які визначають процес калькуляції фактичної виробничої собівартості продукції. Основним вихідним елементом будь-якого виробництва є готова продукція. Разом з тим результатом виробничого процесу може також бути побічна продукція, можуть мати місце відходи виробництва, припущений брак. Крім того безперервність технологічного процесу, особливості його організації вимагають рахуватися з наявністю незавершеного виробництва. Вивчення складу елементів затрат як сукупності показує, що ця сукупність характеризує одночасно вартість таких елементів: готової продукції, відходів виробництва, браку виробництва, попутної продукції, незавершеного виробництва. Таким чином, ця сукупність не має конкретизації стосовно окремого елемента. Досягати цієї конкретизації можна шляхом калькуляції, але для цього потрібні кількісні характеристики усіх названих калькуляційних факторів.
Рис. 7. Етапи та об’єкти калькулювання та їх взаємозв’язок ОБЛІК ДОХОДІВ ВІД РЕАЛІЗАЦІЇ ТА ФІНАНСОВИХ РЕЗУЛЬТАТІВ ПІДПРИЄМСТВА ОБЛІК ДОХОДІВ ВІД РЕАЛІЗАЦІЇ ПРОДУКЦІЇ ТА ТОВАРІВ ПОБУДОВА ОБЛІКУ ДОХОДІВ ВІД РЕАЛІЗАЦІЇ ПРОДУКЦІЇ ТА ТОВАРІВ Основу побудови бухгалтерського обліку доходів від реалізації продукції (товарів) становлять: визначення "реалізована продукція (товари)"; оцінка реалізованої продукції; облік затрат, пов'язаних з реалізацією продукції (товарів); облік податків, пов'язаних з реалізацією продукції (товарів): акцизний збір, податки на добавлену вартість тощо; формування показників, що характеризують процес реалізації; система рахунків; звітність про реалізацію продукції (товарів). Реалізована продукція — це вироби (робота, послуга, товари), які передані покупцеві (замовнику) та за які той розрахувався, незалежно від форми розрахунків — готівкою, чеком чи іншою формою розрахунків, яка передбачена чинним законодавством. Продукція, що відвантажена покупцеві, але за яку через певні умови (відстань, форми розрахунків тощо) покупець ще не розрахувався, вважається відвантаженою та облікується відокремлено від готової продукції на окремому рахунку. Оцінка реалізованої продукції в обліку здійснюється у відповідності до діючого законодавства за договірною ціною або іншою ціною реалізації. Зокрема для визначення обсягу реалізації та системи оподаткування за договірною ціною або іншою ціною реалізації {оптово-розрахунковою, оптовою, роздрібно-регульованою тощо), а для визначення доходу (прибутку) збитку від реалізації — за фактичною собівартістю. Показники, застосовувані в обліку готової продукції, ії відвантаження і реалізації підрозділяються на натурально-речові, умовно-натуральні та вартісні. Як натурально-речові показники використовуються, наприклад, відповідної марки автомобіль, костюм, фізична банка консервів, кілограм хліба, мішок або короб сушених фруктів і овочів, пляшка соку тощо, що вимірюються кілограмами, тоннами, літрами або декалітрами. У бухгалтерському обліку вони відображаються як в натуральному, так і в вартісному вимірах. До умовно-натуральних показників належить вид робіт або послуг (ремонт агрегату, ремонт будови тощо) і в обліку вони відображаються тільки у вартісному виразі. Для бухгалтерського обліку відвантаження і реалізації продукції (товарів), а також пов'язаних з цим операцій використовується система рахунків № 43 "Позавиробничі витрати", № 45 "Товари відвантажені, виконані роботи та послуги" та .№ 46 "Реалізація". ОБЛІК ВІДВАНТАЖЕНОЇ ПРОДУКЦІЇ (ТОВАРІВ), ВИКОНАНИХ РОБІТ І ПОСЛУГ Відвантажена продукція (відвантажені товари) — це продукція (товари), що відвантажена покупцям або здана транспортним організаціям для доставки ії покупцям. Реалізація готової продукції (товарів) зі складу покупцям, виконаних робіт і послуг проводять на основі первинних документів: наказів-накладних або розпоряджень відділу збуту. В документах вказують, по якому замовленню та на яку адресу відправляється продукція (товари), кількість місць, вид упаковки, маса та інші дані, що характеризують відвантажену продукцію (товари). Відпуск готової продукції (товарів) покупцям безпосередньо зі складу або цеху оформляють на основі доручення на право отримання цінностей, видаткової накладної або товарно-транспортної накладної (при відвантаженні продукції по залізниці, водним шляхом). На відвантажену продукцію, розфасовану в бочки або ящики, складається специфікація у двох примірниках: один передається покупцеві, а другий з документами на відвантаження — до бухгалтерії. Аналітичний облік товарів відвантажених ведеться на складі в карточках складського обліку в натуральних показниках на підставі наказів-накладних відділу збуту. В бухгалтерії поточний облік відвантаження продукції ведеться при журнально-ордерній формі у відомості № 16 "Рух готових виробів, реалізація продукції і матеріальних цінностей" за обліковими цінами, які прийняті на підприємстві . ' На суму переданої та відвантаженої продукції (товарів) покупцям і на підставі відповідних первинних документів, що підтверджують відвантаження, у бухгалтерському обліку вантажовідправника складають записи у дебеті рахунка № 40 Готова продукція" — субра-хунка Готова продукція відвантажена — (№ 41 "Товари відвантажені") і в кредиті рахунка № 40 "Готова продукція" (№ 41 "Товари на складі") або в дебеті рахунка № 62 "Покупці та замовники" і в кредиті рахунка № 46 "Реалізація". Відвантажена продукція (товари) покупцеві є власністю постачальника до її оплати покупцем. ОБЛІК РЕАЛІЗОВАНОЇ ПРОДУКЦІЇ (ТОВАРІВ) Реалізація продукції (товарів), виконаних робіт, наданих послуг являє собою завершальну стадію процесу обігу коштів. Стосунки між постачальником і покупцем здійснюються в основному на підставі підписаних договорів. Своєчасний і правильний облік реалізації продукції (товарів), робіт, послуг сприяє зміцненню господарського стану, прискоренню обігу засобів, самоокупності і забезпеченню фінансування чергових операцій. Облік реалізації ведеться на рахунку № 46 "Реалізація". Цей рахунок використовується для обліку реалізації продукції, товарів, матеріальних цінностей, виконаних робіт та наданих послуг, а також для виявлення фінансових результатів від реалізації. В дебеті рахунка № 46 "Реалізація" відображаються фактична виробнича собівартість продукції, позавироб-ничі (комерційні) витрати, податки з обороту на підставі відповідних розрахунків. Списується фактична виробнича собівартість продукції на підставі розрахунку записами в дебеті рахунка № 46 "Реалізація" і в кредиті рахунка № 40 "Готова продукція". На підставі розрахунку частки позавиробничих витрат, що відносяться до реалізації продукції, на рахунок № 46 "Реалізація" відносять по кожній партії ре алізованої продукції (товарів) суми витрат по збуту продукції: в дебеті рахунка .№46 "Реалізація" і в кредиті рахунка № 48 "Позавиробничі витрати". Ті підприємства, котрі сплачують податки з обороту, акцизний збір на добавлену вартість за окремими видами продукції тощо, щомісяця на підставі відповідних розрахунків відносять на рахунок реалізації суми податку з обороту: в дебет рахунка № 46 "Реалізація" та в кредит рахунка № 68 "Розрахунки з бюджетом". У зв'язку з впровадженням різних форм розрахунків з покупцями, розрахунків платіжними дорученнями у порядку попередньої оплати, чеком, векселем тощо, момент реалізації продукції співпадає з моментом відпуску її зі складу, тому що до цього моменту гроші за продукцію вже сплачені покупцем і відпадає необхідність застосування рахунка № 45 '"Товари відвантажені, виконані роботи і послуги". Облік сум, отриманих від покупців за продукцію, у цьому випадку потрібно відобразити на рахунку № 62 "Розрахунки з покупцями і замовниками". У бухгалтерії підприємства складається запис в дебеті рахунка № 51 "Розрахунковий рахунок" і кредиті рахунка № 62 "Розрахунки з покупцями і замовниками". На підставі розрахунку фактичної виробничої собівартості реалізованої продукції (товарів) будуть зроблені записи в дебеті рахунка N 46 "Реалізація" (по собівартості) та в кредиті рахунка № 40 "Готова продукція", а також в дебеті рахунка № 62 "Розрахунки з покупцями і замовниками" та в кредиті рахунка № 46 "Реалізація" (тис. крб., за цінами реалізації підприємства). Таким чином, рахунок № 45 "Товари відвантажені, виконані роботи і послуги" не використовується. Аналітичний облік по рахунку № 46 "Реалізація" ведуть у розрізі номенклатури видів продукцій за видами робіт і послуг. У журналі-ордері №11 відображаються операції по відвантаженню і реалізації готової продукції. У ньому реєстрі відображаються операції по кредиту рахунків №40 "Готова продукція", №43 "Позавиробничі витрати", №46 "Реалізація", №62 "Розрахунки з покупцями і замовниками і аналітичні дані до рахунків №45 і № 46. Дніпропетровський державний університет Факультет прикладної математики РЕФЕРАТпо курсу “ОБЛІК ЗАТРАТ”
Дніпропетровськ, 1999 р. |







