Контрольная работа: Расчет вторичного источника питания
|
Название: Расчет вторичного источника питания Раздел: Рефераты по физике Тип: контрольная работа | |||||||||||||||||||||||||||||||||||||||||||||||||||||||||||||||||||||||||
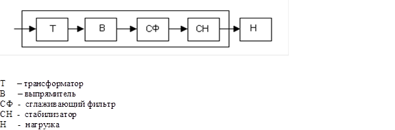
| 1. Данные для расчета
ЗАДАНИЕ Провести полный расчет вторичного источника питания, структурная схема которого изображена на рси.1, по следующим данным: 1. Первичная сеть 220 В, 50 Гц с возможными отклонениями напряжения +5% и -15%. 2. В соответствии с указанным вариантом взять из таблицы · ток нагрузки Iн; · напряжение на нагрузке Uн с пределами регулирования ΔUн+ и ΔUн- или без регулирования; · допустимый коэффициент пульсации εвых; · минимальный коэффициент стабилизации напряжения Кст мин; · вариант схемы выпрямителя по номеру рисунка.
Рис.1. Структурная схема вторичного источника питания
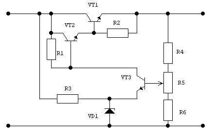
1. ВЫБОР И РАСЧЕТ СТАБИЛИЗАТОРА НАПРЯЖЕНИЯ Стабилизация среднего значения выходного напряжения вторичного источника питания производится c помощью стабилизатора напряжения. Выбор стабилизатора напряжения осуществляется исходя из следующих соображений. Если не нужно регулировать напряжение на нагрузке (не заданы ΔUн+ и ΔUн-) и ток в нагрузке не превышает 0,1А, то можно выбрать, как самый простой, параметрический стабилизатор напряжения, при условии, что он обеспечит заданный коэффициент стабилизации. В противном случае необходим компенсационный стабилизатор напряжения с обоснованием его выбора. Так как ток нагрузки Iн больше 0,1А, необходим компенсационный стабилизатор напряжения.
РАСЧЕТ КСН
Рис.2 Схема стабилизатора. 1) Определим максимальный ток коллектора транзистора VT1
2) Определим значения выходного напряжения на нагрузке минимальное: максимальное: 3) Определим напряжение на входе КСН минимальное: где ориентировочно принимаем номинальное максимальное 4) Максимальное значение напряжение коллектор-эммитер и рассеиваемой мощности на транзисторе VT1 будут равны 5)
6) В блоках питания применяются низкочастотные транзисторы. По найденным значениям VT1: П701
7) Определяем максимальный ток базы транзистора VT1
8) Рассчитываем сопротивление резистора R2 и его мощность, где
Выбираем тип резистора и его параметры. R2 = 4,7х106 Ом, Pr2 = 0,01 Вт. 9) Определяем максимальное значение напряжения коллектор-эммитер, тока коллектора и мощность транзистора VT2
10) По найденным значениям VT2: П701А
Величину напряжения берем 11) Уточняем минимальное напряжение на РЭ
12) Определяем ток базы транзистора VT2
13) Принимаем ток коллектора транзистора VT3 равным
14) Определяем максимальное, минимальное и номинальное значения напряжения на коллектора VT3 относительно общего минуса
15) Рассчитываем сопротивление резистора R1 и его мощность
Выбираем резистор R1: 16) Вычисляем максимальный ток коллектора транзистора VT3
17) Напряжение стабилитрона VD1 выбираем в пределах 6…8 В, ноо при этом напряжение коллектор- эммитер транзистора VT3 должно быть не менее 3В, то есть
18) По найденному значению Uст и учитывая, что ток стабилизации VD1 не должен превышать максимально допустимый ток стабилитрона, то есть
Выбираем тип стабилитрона VD1 и выписываем его параметры VD1: Д814А
19) Уточняем напряжение коллектор-эммитер транзистора VT3
20) Определяем мощность, рассеиваемую на коллекторе транзистора VT3
21) По найденным значениям VT3: КТ306Г
22) Вычисляем сопротивление резистора R3 и его мощность
Выбираем резистор R3: 23) Проверяем максимальный ток стабилитрона VD1
24) Рассчитываем ток базы транзистора VT3
25) Находим сопротивления резисторов делителя и их мощность. Для этого принимаем ток делителя
Выбираем R4, R5, R6:
26) Определяем достигаемый коэффициент стабилизации
где
27) Входные параметры КСН входной ток КСН
входное напряжение КСН входное сопротивление КСН 28) Оценим коэффициент полезного действия КСН при нормальной нагрузке
Ориентировочный расчет стабилизатора напряжения закончен. 2. ВЫБОР И РАСЧЕТ СГЛАЖИВАЮЩЕГО ФИЛЬТРА
Исходные данные:
Рис.3 Схема Г-образного LC-фильтра. 1) Определяем необходимый коэффициент сглаживающего фильтра
2) Находим величину емкости конденсатора С1 из условия согласования фильтра с нагрузкой
где
Выбираем конденсатор С1 с рабочим напряжением
3) Определяем величину индуктивности дросселя L1 по формуле
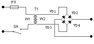
4) Проверяем расчет а) б) 3. РАСЧЕТ ВЫПРЯМИТЕЛЯ
Рис.4. Схема выпрямителя.
1) Постоянная составляющая напряжения на выходе выпрямителя- входе фильтра
где 2) Определяем среднее напряжение на входе выпрямителя – на вторичной обмотке трансформатора:
где 3) Определяем напряжение на вторичной обмотке трансформатора · амплитудное значение напряжения на вторичной обмотке трансформатора
· действующее значение напряжения на вторичной обмотке трансформатора
4) Определим токи во вторичной обмотке трансформатора · постоянная составляющая тока на выходе выпрямителя Iв равна входному току СН
· среднее и действующее значения тока во вторичной обмотке
· амплитудное значение тока
5) максимальное обратно напряжение на диодах 6) В соответствии со значениями 2Д122АС:
4. РАСЧЕТ ТРАНСФОРМАТОРА
1) Требуемый коэффициент трансформации равен
2) Определяем число витков первичной обмотки
3) Определим число витков вторичной обмотки трансформатора
4) Находим действующее
Мощность тока в первичной цепи – мощность, потребляемую источником вторичного питания от сети переменного тока -
5. ВЫБОР ПРЕДОХРАНИТЕЛЯ И ВЫКЛЮЧАТЕЛЯ. 1) Определим расчетный ток срабатывания предохранителя
Выбираем предохранитель 0,1А. 2) Ток коммутации выключателя должен быть Выбираем выключатель по току коммутации 0,1 А. 6. Графики напряжений на вторичной обмотке трансформатора, на выходе выпрямителя, на выходе сглаживающего фильтра и на нагрузке
7. Схема электрическая принципиальная вторичного источника питания
СПЕЦИФИКАЦИЯ Таблица1
Список использованной литературы 1. Полупроводниковые приборы: диоды, тиристоры, оптоэлектронные приборы. Справочник/ Под ред. Н.Н. Горюнова. -М.: Энегроиздат, 1983. – 744с. 2. Полупроводниковые приборы: транзисторы. Справочник/ Под ред. Н.Н. Горюнова. -М.: Энегроиздат, 1982. – 904с. 3. Ханзел Г.Е. Справочник по расчету фильтров. США, 1969. Пер. с англ., под ред. А.Е. Знаменского. М., «Сов. радио», 1974, 288с. 4. Полупроводниковые приборы. Диоды выпрямительные, стабилитроны, тиристоры: Справочник / Под ред. А.В. Голомедова. – М.:Радио и связь, 1988. – 528с. |












