Курсовая работа: Назначение режимов резания
|
Название: Назначение режимов резания Раздел: Промышленность, производство Тип: курсовая работа | ||||||||||||||||||||||||||||||||||||||||||||||||||||||||||||||||||||||||||||||||||||||||||||||||||||||||||||||||||||||||||||||||||||||||||||||||||||||||||||||||||||||||||||||||||||||||||||||||||||||||||||||||||||||||||||||||||||||||||||||||||||||||||||||||||||||||||||||||||||||||||||||||||||||||||||||||||||||||||||||||||||||||||||||||||||||||||||||||||||||||||||||||||||||||||||||||||||||||||||||||||||||||||||||||||||||||||||||||||||||||||||||||||||||||||||||||||||||||||||||||||||||||||||||||||||||||||||||||||||||||||||||||||||||||||||||||||||||||||||||||||||||||||||||||||||
| Расчетно-пояснительная записка к курсовому проекту по технологии Дисциплина: "Резание материалов" Тема Курсового проекта Назначение режимов резания Содержание 1. НАЗНАЧЕНИЕ РЕЖИМОВ РЕЗАНИЯ ДЛЯ ТОКАРНЫХ ОПЕРАЦИЙ 2. НАЗНАЧЕНИЕ РЕЖИМОВ РЕЗАНИЯ ДЛЯ ОСЕВОЙ ОБРАБОТКИ 3. НАЗНАЧЕНИЕ РЕЖИМОВ РЕЗАНИЯ ДЛЯ ФРЕЗЕРНЫХ ОПЕРАЦИЙ 4. НАЗНАЧЕНИЕ РЕЖИМОВ РЕЗАНИЯ ДЛЯ ОПЕРАЦИЙ ШЛИФОВАНИЯ Список литературы 1. НАЗНАЧЕНИЕ РЕЖИМОВ РЕЗАНИЯ ДЛЯ ТОКАРНЫХ ОПЕРАЦИЙ Рассмотрим токарную операцию (рис. 1), содержащую наиболее распространенные переходы: подрезку, обточку, расточку, фасонное точение и проточку конавок.
Рис. 1. Переходы токарной операции 1. Анализ исходных данных. 1.1 Заготовка. Прокат из коррозионно-стойкой, 09Х16Н4Б. Термическая обработка: закалка, sв = 1200 Мпа, НВ = 340. 1.2 Деталь. Согласно рис.1 представляет собой втулку, обрабатываемую наружным точением. 1.3 Выполняемые переходы. Операция включает следующие переходы получистовой обработки: протачивание наружной поверхности ; 1.4. Приспособление. Заготовка закрепляется в 3-х кулачковом пневматическом патроне с упором в левый торец. 2. Оборудование. В качестве оборудования согласно табл.9, с.15 /2/ выбран токарный станок мод.16К20, имеющий следующие параметры: 1) число частот вращения шпинделя zn - 22; 2) пределы частот n = 12,5 - 1600 1/мин.; 3) пределы продольных подач Sпр = 0,05-2,8 мм/об.; 4) пределы поперечных подач Sпп = 0,025-1,4 мм/об.; 5)мощность привода главного движения Nст = 11 кВт. 3. Выбор инструментального материала. Для условий получистового точения стали 09Х16Н4Б, относящейся к VIII гр. обрабатываемых материалов, табл.13, с.53 /1/ рекомендует твердый сплав Т5К10. 4. Выбор геометрии режущих инструментов. Для обработки сталей гр.VIII табл.1, с.211 /1/ рекомендует следующую геометрию табл.2.1. 5. Выбор смазочно-охлаждающего жидкости (СОЖ). Согласно табл.24, с.233 /1/ для проведенных выше (п.2.1) условий рекомендуется 5-10% раствор Аквол – 10 м. 6. Назначение глубины резания t. Согласно операционным размерам и размерам заготовки (рис.1.1) определяем глубину резания t=3мм и результаты заносим в сводную табл.1.1. 7. Назначение подач S. Согласно табл.28 /1/ с.238 при Ra = 12,5, r =1 рекомендуются табличные подачи ST = 0,6 мм/об. Таблица 1.1. Основные параметры токарной операции (рис. 1)
Выполним корректировку выбранных подач для конкретных условий рис.2. Значения поправочных коэффициентов на подачи выбираются согласно табл. 30 /1/ с.239. Их значения приведены в табл. 1.2. Здесь же приведены значения полных поправочных коэффициентов Кs
ј
= для каждого j-го резца, j = 1…5. Таблица 1.2. Поправочные коэффициенты Кi и Ksj на подачи
Найдем значения скорректированных подач S = ST · KS S = 0,60 · 0.5 = 0.3 мм/об; Считаем, что универсальный станок 16К20 располагает таким набором подач. Выбранные значения подач S заносим в табл. 1.1. 8. Выбор стойкости резцов Т. Согласно табл. 18 /1/ с.227 при получистовой обработке материалов VIII гр. твердосплавным инструментом рекомендуется: hз = 0,6 мм, Т = 60 мин.; Значения hз и Т заносим в итоговую табл.1.1. 9. Назначение скорости резания V. Согласно табл.42 /1/ с.246 для стали VIII гр. с S : VT = 49 м/мин. Выполним корректировку VT согласно конкретным условиям рис.2.1. Поправочные коэффициенты Кi (i = 1 - 10) на скорость резания выбираем из табл.43 /1/ с.247 Выбранные поправочные коэффициенты Кi и полные коэффициенты Кvj приведены в табл.1.3. Найдем значения скорректированных скоростей резания V = VT · Kv V = 49 · 0.3 = 14.7 м/мин.Таблица 1.3. Поправочные коэффициенты Кi и Кv на скорость резания
10. Расчет частоты вращения заготовки n Частота определяется по известной зависимости n= где: Dз – диаметр обрабатываемой поверхности заготовки, мм или n= Рассчитанные значения n должны быть скорректированы по nст . Для этого рассчитываем геометрический ряд частот станка. Знаменатель геометрического ряда частот φn
= должен соответствовать одному из 7-ми стандартных значений. Здесь z n - число частот станка. В нашем случае φn
= Стандартный ряд частот для этих условий приведен в табл.1.4. Выполним расчет и корректировку частот вращения для каждого резца. n1 = 318.5*(14.7/36) =130 Þ 159 I /мин. Таблица 1.4. Геометрический ряд частот вращения шпинделя для φn = 1,26
Рассчитаем фактические скорости резания Vф : Vф
= V = 0,00314 · 36 · 159 = 17.97 м/мин.; Выбранные значения nст и соответствующие им Vф заносим в табл. 1.1. 11. Расчет основного времени t0 . Формулы для расчета t0 для различных видов обработки приведены на с.609 /5/. Так для токарных переходов τ0
= где L1, L2 - соответственно величины врезания и перебега резца, мм; L - длина обрабатываемой поверхности, мм. Значения L1 и L2 приведены в табл.2 /5/ с.620. В нашем случае (рис.2). t0
= Значения t0 заносим в табл.2.1. 12. Расчет силы резания Pz . Согласно с.271 /2/ окружная составляющая силы резания определяется выражением Pz
= где Выбрав для наших условий из табл.22 /2/ с.273 значения постоянных получим расчетную зависимость Pz = 204 t1,0 S0,75 Kp Частные значения поправочных коэффициентов Кi выбираем из табл.23 /2/ с.275. Значения их вместе с Kr j приведены в табл. 1.5. Таблица 1.5.Поправочные коэффициенты Ki и Kр j на усилие резания
Рассчитаем значение Pz для каждого резца Pz = 204 × 3 × 0,270,75 × 0,89 = 204 кГ; 13. Расчет мощности резания. Выполняется для сравнения эффективной мощности резания Nе с мощностью станка Nст . Расчет выполняется по формуле /2/ с.271. Nе
= Поскольку Ne = max будет соответствовать переходу c (Pz · V) = max, то рассчитаем эти произведения для всех резцов. Pz · V =204 · 17.97 = 3666 кГм/мин. = max; Таким образом, наибольшая мощность резания будет на первом переходе Ne
= Она значительно меньше Ncт = 11 кВт, поэтому изначально должен быть выбран станок меньших габаритов и мощности. Полученные значения Pz и Ne заносим в табл. 1.1. 2. НАЗНАЧЕНИЕ РЕЖИМОВ РЕЗАНИЯ ДЛЯ ОПЕРАЦИЙ ОСЕВОЙ ОБРАБОТКИ Рассмотрим операцию осевой обработки, включающую наиболее распространенные переходы: сверление, зенкерование и развертывание (рис. 2).
Рис. 2. Переходы осевой обработки 1.Анализ исходных данных. 3.1.1. Заготовка. Плита, предварительно обработанная из коррозионно-стойкой, жаростойкой и жаропрочной стали 09Х16Н4Б. Термическая обработка: закалка, sв = 1200 МПа, НВ = 340. 1.2.Деталь. Согласно рис. 2 в заготовке необходимо получить 1 отверстие Ш 24 Н11 с Ra = 6,3 мкм. 1.3.Выполняемые переходы. Обработка каждого отверстия включает один переход: 1) сверление отверстия Ш 24 Н11 с Ra = 25; 1.4.Приспособление. Заготовка устанавливается по 3-м обработанным поверхностям в приспособление с пневматическим поджимом сверху. Обработка отверстий выполняется без кондуктора с использованием быстросменного патрона. 2.Оборудование. В качестве оборудования согласно табл. 11 /2/ с. 20 выбран вертикально- сверлильный одношпиндельный станок мод. 2Н135, имеющий следующие параметры: 1) наибольший диаметр сверления Ш 35мм; 2) число частот вращения шпинделя zn = 12; 3) пределы частот n = 31-1400 1/мин.; 4) число подач zs = 9; 5) пределы подач S = 0,1-1,6 мм/об.; 6) мощность привода главного движения Nст = 4 кВт. 3. Выбор числа ходов z при сверлении отверстия. Согласно табл.62 /1/ с.265 отверстие Ш 24 в сплошном материале VIII гр. просверливается за один ход, т.е. z = 1. 4. Выбор длины участков L сверления между выводами сверл. Согласно табл.63 /1/ с.265 в сплошном материале Х гр. сверлом Ш 24 можно сверлить отверстие на длину L £ 3 × в £ 3 × 24 £ 72 мм > 50 мм без его вывода для удаления стружки. Поскольку заданная длина сверления (рис.3.1) 50 < 72, то обработка выполняется без вывода сверла. 5. Выбор инструментального материала. Согласно табл. 5 /1/ с.42 для обработки материалов VIII гр. сверлением, быстрорежущая сталь Р9К5. 6. Выбор конструкции и геометрии осевого инструмента. Согласно с 103 /1/ выбираем стандартную конструкцию и геометрию осевых инструментов. 7. Выбор СОЖ. Согласно табл.24 /1/ с.233 для осевой обработки материалов VIII гр. рекомендуется 5-10% раствор Аквол-10М. 8. Назначение глубины резания t. Согласно операционным размерам и параметрам заготовки (рис.2.) определяем глубину резания для каждого осевого инструмента и результаты заносим в сводную табл. 2.1. Таблица 2.1. Основные параметры операции осевой обработки
9. Назначение подач S. Сверление Ш 24 Н11. Согласно с.266 /1/ условия сверления (рис.3.1) определяют 2-ю группу подач. Поэтому для 2-й группы подач по табл.64 /1/ с.267 выбираем табличную подачу ST = 0,33 мм/об. Поправочные коэффициенты Ki , (i = 1-5) для корректировки ST выбираем из табл.65 /1/ с.267 и записываем в табл.2.2. Таблица 2.2. Поправочные коэффициенты Ki и Ksj на подачи
Подсчитаем соответствующие полные поправочные коэффициенты Ks и занесем их в последнюю графу табл.3.2. Найдем значения скорректированных подач. S = ST · KS = 0,33 · 0,75 = 0,25 мм/об. Выполним корректировку рассчитанных подач по набору подач Sст станка. Определим знаменатель геометрического ряда подач станка φs
= Рассчитанные стандартные значения подач приведены в таблице 2.3. Таблица 2.3. Ряды подач S и частот n сверлильного станка 2Н135
Согласно табл.2.3 рассчитанные подачи корректируются до следующих станочных значений S = 0,25 Þ 0,2 мм/об.; Полученные значения подач Sj заносим в табл.2.1. 10. Выбор стойкости инструментов Т. Рекомендуемые значения допустимого износа hз и стойкости Т осевых инструментов выбираем соответственно из табл.19 /1/ с.228 и табл.20 /1/ с.229 и заносим в сводную табл. 3.1. hз=0.4-0.8 мм,T=20 мин. 11. Назначение скоростей резания V. Сверление Ш 24. Согласно табл.68 /1/ с.271 для условий сверления (рис.2, табл.2.1) рекомендуется табличная скорость резания VT = 11.5 м/мин. Поправочные коэффициенты Кi , (i = 1-7) на VT выбираем из табл.69 /1/ с.272 и заносим в табл.2.4. Таблица 2.4. Поправочные коэффициенты Ki и Kvj на скорость резания
Определяем полные поправочные коэффициенты Кvj и заносим их в последнюю графу табл. 3.4. Найдем значения скорректированных скоростей резания V = VT · Kv = 11.5· 0,9 = 10.35 м/мин.; 12. Расчет частоты вращения инструмента n. Для осевой обработки n = 103 V/ (pD), 1/мин, где в – диаметр инструмента, мм. Расчетные значения n должны быть скорректированы по nст . Рассчитаем знаменатель геометрического ряда частот вращения шпинделя־ φn
= Стандартный ряд nc т для этих условий приведен в табл. 2.3. Выполним расчет и корректировку частот вращения для каждого инструмента. n1
= 318,5 · Рассчитаем фактические скорости резания V = 0,00314 · 24 · 123 = 9,27 м/мин.; Выбранные значения ncт и соответствующие им Vj заносим в табл. 2.1. 13. Расчет основного времени t0 . Формулы для расчета t0 при различных видах осевой обработки приведены на с . 611 /5/. τ0
= Значения величин врезания L1 и перебега L2 приведены в табл.3 /5/, с.620. В нашем случае согласно табл.3.1. и рис.3.1, получим t01
= Значения t0j заносим в табл. 3.1. 14. Расчет осевого усилия Р0 3.13.1 Сверление Ш 24. Согласно с.277 /2/ Р0 = Ср Dq Sу Кр Согласно табл.32 /2/, с.281 Ср = 143; q = 1,0; у= 0,7 Согласно табл.9 /2/, с.264 Кр
=Кмр
= окончательно имеемЯ Р0 = 143 · 241,0 · 0,20,7 · 1.42 = 1559 кГ 15. Расчет крутящего момента Мк . 3.14.1. Сверление Ш 24. Согласно с.277 /2/ Мк = См Dq Sу Км . Согласно табл.32 /2/, с.281 Мк = 0,041 · 242,0 · 0,20,7 · 1.42= 10.7 кГм. 16. Расчет мощности резания. Согласно с.280 /2/ эффективная мощность резания Ne = Мк · n/975, кВт. Последовательно определим значения Ne для каждого инструмента Ne =
Полученные значения Р0 , Mk и Ne заносим в табл.2.1. 3. НАЗНАЧЕНИЕ РЕЖИМОВ РЕЗАНИЯ ДЛЯ ФРЕЗЕРНЫХ ОПЕРАЦИЙ Рассмотрим операцию фрезерования, включающую наиболее распространенные переходы: торцевое фрезерование, прорезку канавок, фрезерование уступа цилиндрической фрезой и фрезерование уступа концевой фрезой (рис.3).
Рис. 3. Операция фрезерования 1. Анализ исходных данных. 1.1. Заготовка Плита, предварительно обработанная из коррозионно-стойкой 09Х16Н4Б. Термическая обработка: закалка, sв = 1200 Мпа, НВ = 340. 1.2. Деталь Согласно рис.3. у заготовки необходимо обработать уступы концевой фрезой. 1.3. Выполняемые переходы Операция фрезерования (Rz = 25) включает следующий последовательный переход: 1) обработка уступа 20х15 концевой фрезой Æ 30, L=135, t=20, B=15. 1.4. Приспособление Заготовка базируется по 3-м обработанным поверхностям в приспособление с пневматическим поджимом сбоку (тиски). 2. Оборудование. В качестве оборудования согласно табл.40 /2/, с.54 выбран горизонтально-фрезерный широко-универсальный станок мод. 6Р82Ш, имеющий следующие параметры: 1) число частот горизонтального шпинделя zпr = 18; 2) пределы частот горизонтального шпинделя nr = 31,5 – 1600 I/мин. 3) число частот вертикального шпинделя Znв = 11; 4) пределы частот вертикального шпинделя nв = 50 – 1600 I/мин.; 5) пределы продольных и поперечных подач Sм = 25 – 1250 мм/мин.; 6) мощность станка N=7,5 квт. 3. Выбор числа ходов. Поскольку припуски невысокие каждый переход выполняем за один ход, т.е. t = h. Исключение составляет 4-я фреза которая выполняет 2 хода с В = 7,5 мм. 4. Выбор материала режущей части инструмента. Согласно табл.13 /1/, с.56 для чернового фрезерования сталей VIII гр. рекомендуется твердый сплав Т15К6. 5. Выбор конструкции и геометрии инструмента. Согласно с.223 /1/ и с.174 /2/ выбираем стандартную конструкцию и геометрию фрез с числом зубьев соответственно: z = 6. Выбор СОЖ. Согласно табл.24 /1/, с.233 при черновом фрезеровании сталей VIII гр. рекомендуется 5-10% раствор Аквол-10М. 6. Назначение глубины фрезерования t. Согласно с.392 /1/): t = 20. Значения t заносим в сводную табл. 3.1. 7. Назначение подач S. Таблица 3.1. Поправочные коэффициенты Ki и Ksj на подачи
Концевая фреза. Согласно табл.111 /1/, с.303 для сталей VIII группы, Dф = 30 и t = 20 рекомендуется табличная подача на зуб ST = 0,08 мм/зуб Поправочные коэффициенты Кi для корректировки SТ выбираем из табл.107 /1/, с.298, табл.108 /1/, с.299, табл.109 /1/, с.302, табл. 114 /1/, с.305 и записываем в табл.3.1. Определяем полные поправочные коэффициенты Кsj
= и заносим их в последнюю графу табл.3.1. Найдем значения скорректированных подач Sz = ST · Ks Sz = 0,08 · 0,26 = 0,021 мм/зуб Считаем, что универсальный станок располагает такими подачами. Полученные значения Sz заносим в сводную табл.3.4. 8 Выбор стойкости фрез Т. Рекомендуемые значения допустимого износа hз и стойкости Т фрез выбираем из табл.22 /1/, с.231 и заносим в соответствующие графы табл.3.1. hз=0.4мм, Т=120 мин. 9 Назначение скорости резания V. Концевая фреза. Согласно табл.130 /1/, с.318 для материалов VIII группы при sв > 1000 Мпа, Dф = 30, Вт = 8, t = 25, Sz = 0,02 рекомендуется VT = 18 м/мин. Таблица 3.2. Поправочные коэффициенты Кi и Кvj на скорость резания
Поскольку фактическая ширина фрезерования (рис.4.1) В = 15 мм, т.е. почти вдвое превосходит табличную Вт = 8 мм, то для концевой фрезы нужно запланировать два прохода. Поправочные коэффициенты Кi на VT выбираем из табл.109 /1/, с.302, табл.136 /1/, с.322 и заносим в табл.3.2. Определяем значения полных поправочных коэффициентов Кvj
= и заносим их в последнюю графу табл. 3.2. Найдем значения скорректированных скоростей резания Vj c учетом полученных выше значений VT и Кv V= VT · Kv V = 18 · 1.03 = 18.5 м/мин. 10 .Расчет частот вращения инструмента n. При фрезерной обработке nj
= где Dj – диаметр j-ой фрезы, мм. Определим знаменатель геометрического ряда частот для вертикального шпинделя φn
в
= Стандартный ряд частот nст для этих условий приведен в табл.3.3. Таблица 3.3. Ряды частот фрезерного станка 6Р82Ш
Определим знаменатель геометрического ряда частот для горизонтального расположения шпинделя φn
г
= Стандартный ряд частот nст для этих условий приведен в табл.3.3. Выполним расчет и корректировку частот вращения для каждого инструмента. n = 318,5 Рассчитаем фактические скорости резания V = V = 0,00314 × 30 × 200 = 18.8 м/мин. Выбранные значения nc т и соответствующее им V заносим в табл.3.4. 11. Расчет основного времени t0 . Согласно с.613 /5/ основное время для различных видов фрезерования определяется выражением τ0
= Значения величин врезания L1 и перебега L2 приведены в табл.6 /5/, с.622. В нашем случае согласно рис. 3. и табл.3.4 получаем: Значения t0 заносим в табл. 3.4. 12. Расчет силы резания Рz . Согласно с.282 /2/ Pz
= Выбирая значения постоянных и показателей степеней для различных видов фрезерования из табл.41 /2/, с.291 и выполняя вычисления, получим: Рz
= 13. Расчет крутящего момента Мк. Согласно с.270 /2 Mk
= Определим значения Мк для всех видов фрез. Мк
= 14 Расчет мощности резания. Согласно с.290 /2/ эффективная мощность фрезерования Ne
= Последовательно определим значения Nej для каждой фрезы Ne
= Полученные значения Рz , Мk и Ne заносятся в соответствующие графы табл.3.4. Таблица 3.4. Основные параметры фрезерной операции
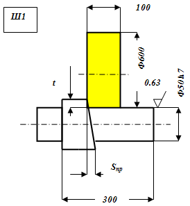
4. НАЗНАЧЕНИЕ РЕЖИМОВ РЕЗАНИЯ ДЛЯ ОПЕРАЦИЙ ШЛИФОВАНИЯ Рассмотрим наиболее распространенные операции шлифования цилиндров, торцев, внутренних и плоских поверхностей (рис.4.).
Рис. 4. Круглое наружное шлифование на проход 1.Анализ исходных данных. 1.1.1 Заготовки. Для шлифовальной операции заготовкой служит вал, прошедший чистовое точение. Материал заготовок коррозионностойкая, жаростойкая и жаропрочная сталь 09Х16Н4Б. Термическая обработка: закалка, sв = 1200 Мпа, НВ = 340. 1.1.2 Детали. Валы на операции 1 шлифуют в размер Ш 50 h 7. 1.1.3 Выполняемые операции. Рассматриваемый пример включает следующие шлифовальные операции: 1) чистовое шлифование цилиндра Ш 50 h 7, Ra = 0,63 методом продольной подачи; 1.1.4 Приспособление. Согласно принятым обозначениям (рис.4.) заготовка устанавливается в центрах ( задний центр вращающийся) и приводится во вращение с помощью поводка. 2. Оборудование. В качестве оборудования для операции согласно табл.18 с.30 /2/ выбран круглошлифовальный станок мод.3М151, имеющий следующие параметры: 1) пределы частот вращения детали n∂ = 50-500 I/ мин. (бесступенчатое регулирование); 2) наибольшие размеры шлифовального круга, мм.;
3) мощность электродвигателя привода круга N = 10 кВт. 3. Выбор шлифовальных кругов. Согласно табл. 158 /1/, с.340 для операции шлифования закаленных материалов Х гр. рекомендуются круги со следующими характеристиками: 1) для операции чистового шлифования ПП 600 х 100 х 300 24А 25 СМ1 6 К5 35 м/с А I кл.; 4. Выбор СОВ. Согласно табл.24 /1/, с.234 для рассмотренных условий (рис.4.) рекомендуется 10-15% раствор Аквол-14. 5. Назначение припусков на шлифование h. Согласно табл.159 /1/, с.342: 1) для операции рекомендуется припуск на диаметр 2h = 0,4 мм; Выбранные значения 2h заносим в сводную табл.4.1. В сводную табл.4.1 заносим также размеры обрабатываемых деталей (D∂ , L∂ ) и шлифовальных кругов (Dк , Нк ). 6.Выбор скорости движения детали V∂ . Согласно табл.161 /1/, с.343 для условий операции рекомендуется Частота вращения детали n = Полученные значения V∂ и n∂ заносим в табл. 4.1. 7. Выбор скорости шлифовального круга Vк . Согласно табл. 2.101 /6/, с.179 при шлифовании сталей VIII группы рекомендуется Vк = 30 м / сек. Рассчитаем частоты вращения круга для каждой операции nк
= n = Таблица 4.1. Основные параметры операций шлифования
8. Выбор продольной подачи Sпр . Для операции 1 согласно табл. 170 / 3 /, с.170
где В - ширина круга.
Таблица 4.2. Поправочные коэффициенты Кί и Кsj на подачи
Определим полный поправочный коэффициент КS3
= и занесем его значение в последнюю графу табл.4.2. Полученные значения Sпр заносим в табл.4.1. 9. Выбор поперечной подачи Sпп . Операция 1. Согласно табл.162 /1/, с.345 при D∂
<80, V∂
<48 и Sпр
<5,6 табличное значение поперечной подачи Поправочные коэффициенты Кi
на табличное значение подачи Определяем полный поправочный коэффициент КS1
= и заносим его в последнюю графу табл.4.2. Найдем значение скорректированной подачи.
Полученные значения подач 10. Расчет основного времени τ0 . Зависимости для определения τ0 приведены на с.615 /5/. Операция 1. Число проходов инструмента z = Основное время τо
= где К= 1,2 - 1,5, коэффициент, учитывающий доводку и выхаживание с.609 /5/. Согласно с.615 /5/ z= t0
= Полученные значения to ј заносим в табл.4.1. СПИСОК ЛИТЕРАТУРЫ 1. Прогрессивные режущие инструменты и режимы резания металлов: Справочник / Под ред. В. И. Баранчикова . М. : Машиностроение , 1990. 400.с 2. Справочник технолога-машиностроителя. Т. 2.Под ред. А. Г. Косиловой и Р. К. Мещерякова. М.: Машиностроение , 1985. 496.с 3. Режимы резания труднообрабатываемых материалов. М. : Машиностроение, 1976. 176.с 4. Долматовский Г. А. Справочник технолога по обработке металлов резанием. М. : Машгиз ,1962. 1240 с. 5. Панов А. А. и др. Обработка металлов резанием . М. : Машиностроение,1988. 736 с. 6. Абразивная и алмазная обработка материалов: Справочник/ Под ред. А. Н. Резникова. М. : Машиностроение ,1977. 391 с. |
||||||||||||||||||||||||||||||||||||||||||||||||||||||||||||||||||||||||||||||||||||||||||||||||||||||||||||||||||||||||||||||||||||||||||||||||||||||||||||||||||||||||||||||||||||||||||||||||||||||||||||||||||||||||||||||||||||||||||||||||||||||||||||||||||||||||||||||||||||||||||||||||||||||||||||||||||||||||||||||||||||||||||||||||||||||||||||||||||||||||||||||||||||||||||||||||||||||||||||||||||||||||||||||||||||||||||||||||||||||||||||||||||||||||||||||||||||||||||||||||||||||||||||||||||||||||||||||||||||||||||||||||||||||||||||||||||||||||||||||||||||||||||||||||||||








