Реферат: Теория Резания
|
Название: Теория Резания Раздел: Промышленность, производство Тип: реферат | |||||||||||||||||||||||||||||||||||||||||||||||||||||||||||||||||||||||||||||||||||||||||||||||||||||||||||||||||||||||||||||||||||||||||||||||||||||||||||||||||||||||||||||||||||||||||||||||||||||||||||||||||||||||||||||||||||||||||||||||||||||||||||||||||||||||||||||||||||||||||||||||||||||||||||||||||||||||||||||||||||||||||||||||||||||||||||||||||||||||||||||||||||||||||||||||||||||||||||||||||||||||||||||||||||||||||||||||||||||||||||||||||||||||||||||||||||||||||||||||||||||||||||||||||||||||||||||||||||||||||||||||||||||||||||||||||||||||||||||||||||||||||||||||||||||||||||||||||||||||||||||||||||||||||||||||||||||||||||||||||||||||||||||||||||||||||||||||||||||||||||||||||||||||||||||||||||||||||||||||||||||||||||||||||||||||||||||||||||||||||||||||||||||||||||||||||||||||||||||||||||||||||||||||||||||||||||||||||||||||||||||||||||||||||||||||||||||||||||||||||||||||||||||||||||||||||||||||||||||||||||||||||||||||||||||||||||||||||||||||||||||||||||||||||||||||||||||||||||||||
| Министерство образования Украины Национальная горная академия Украины Методические указания по практическим занятиям для студентов специальностей 7.09.02.02 Кафедра технологии горного машиностроения Днепропетровск, 1998 Общие указанияМетодические указания разработаны в соответствии с программой предмета "Теория резания, тепловые процессы в технологических системах" для специальности 1201 "Технология машиностроения". Цель данного методического указания - оказать помощь при изучении и приобретении практических навыков при выборе инструмента и его геометрии, определении параметров режимов резания, сил резания, а также при расчете основного технологического времени. Практическое занятие № 1. Определение сил, действующих при точении, и мощности. Цель работы: изучить методику расчета сил резания и мощности, затрачиваемой на резание, аналитическим способом. Ознакомиться и приобрести навыки работы со справочной литературой. Общие сведения Для изучения действия силы сопротивления резанию принято ее раскладывать на три взаимно перпендикулярные составляющие силы, направленные по осям координат станка: Px - осевая сила; Py - радиальная сила; Pz - тангенциальная сила, которую обычно называют силой резания [1] . Осевая сила Px действует вдоль заготовки, при продольном точении противодействует механизму подач. Радиальная сила Py - отжимает резец, ее реакция изгибает заготовку. Сила резания Pz направлена по касательной к поверхности резания, определяет расходуемую мощность на резание Np . Составляющие силы резания при точении рассчитывают по аналитической формуле : Pz(x,y) =10Cp tx Sy Vn Kp , H где Cp - коэффициент , учитывающий условия обработки; x,y,n - показатели степени; t - глубина резания, мм; S - подача, мм/об; V - скорость резания, м/мин; Кр - обобщенный поправочный коэффициент, учитывающий изменение условий по отношению к табличным.
где
Мощность резания рассчитывают по фориуле
где Pz - сила резания, Н; V - скорость резания, м/мин. Пример решения задачи Определить силы, действующие при продольном точении заготовки из стали 40Х с пределом прочности Геометрические параметры резца: форма передней поверхности - радиусная с фаской; Решение 1. Силы резания при точении Pz(x,y) =10Cp tx Sy Vn Kp 1.1 Определяем значения постоянной и показателей степени [2],
1.2 Определяем значения поправочных коэффициентов
Поправочные коэффициенты, учитывающие геометрию резца [2],
Pz =10×300×31 ×0,80,75 ×67-0,15 ×0,95×0,94×1,25=4050 H Px =10×339×31 ×0,80,5 ×67-0,4 ×0,93×1,11×2=1685,5 H Py =10×243×30,9 ×0,80,6 ×67-0,3 ×0,91×0,77×2=1611 H 2. Мощность резания
Задание на практическое занятие №1 Выполнить расчет силы резания (Pz ) и мощности, затрачиваемой на резание по заданному варианту. Исходные данные приведены в таблице1. Порядок выполнения работы 1. Пользуясь инструкцией и литературой [1,2], изучить методику и выполнить расчет по заданию. 2. Составить отчет по форме 1. Форма 1 1. Наименование работы. 2. Цель работы. 3. Задание. 4. Расчет силы резания и мощности, затрачиваемой на резание. Таблица 1 Варианты задания к практическому занятию 1
Продолжение табл. 1
* Для всех вариантов принять резец с пластиной из твердого сплава. ПРАКТИЧЕСКОЕ ЗАНЯТИЕ №2 Расчет режима резания при точении аналитическим способом Цель работы: изучить методику расчета режима резания аналитическим способом. Ознакомиться и приобрести навыки работы со справочной литературой. ОБЩИЕ СВЕДЕНИЯ Обработка заготовки точением осуществляется при сочетании двух движений: равномерного вращательного движения детали - движения резания (или главное движение) и равномерного поступательного движения резца вдоль или поперек оси детали - движение подачи. К элементам режима резания относятся: глубина резания t, подача S, скорость резания V. Глубина резания - величина срезаемого слоя за один проход, измеренная в направлении, перпендикулярном обработанной поверхности, т.е. перпендикулярном направлению подачи. При черновой обработке , как правило, глубину резания назначают равной всему припуску, т.е. припуск срезают за один проход
где h - припуск , мм; в - диаметр заготовки, мм; в - диаметр детали, мм. При чистовой обработке припуск зависит от требований точности и шероховатости обработанной поверхности. Подача - величина перемещения режущей кромки инструмента относительно обработанной поверхности в направлении подачи за единицу времени (минутная подача Sм) или за один оборот заготовки. При черновой обработке назначают максимально возможную подачу исходя из жесткости и прочности системы СПИД, прочности пластинки, мощности привода станка; при чистовой обработке - в зависимости от требуемой степени точности и шероховатости обработанной поверхности. Скорость резания - величина перемещения точки режущей кромки инструмента относительно поверхности резания в направлении движения резания за единицу времени. Скорость резания зависит от режущих свойств инструмента и может быть определена при точении по таблицам нормативов [4] или по эмпирической формуле
где Сv - коэффициент, учитывающий условия обработки; m, x, y - показатели степени; T - период стойкости инструмента; t - глубина резания, мм; S - подача, мм/об; Kv - обобщенный поправочный коэффициент, учитывающий изменения условий обработки по отношению к табличным
где Kmv - коэффициент, учитывающий влияние материала заготовки; Knv - коэффициент, учитывающий состояние поверхности заготовки; Kuv - коэффициент, учитывающий материал инструмента; Kj v - коэффициент, учитывающий главный угол в плане резца; Krv - коэффициент, учитывающий радиус при вершине резца - учитывается только для резцов из быстрорежущей стали. При настройке станка необходимо установить частоту вращения шпинделя, обеспечивающую расчетную скорость резания.
Основное технологическое (машинное) время - время, в течение которого происходит снятие сружки без непосредственного участия рабочего
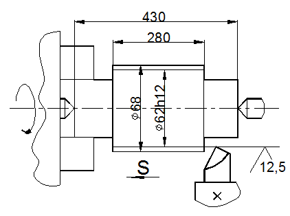
где L - путь инструмента в направлении рабочей подачи, мм; i - количество проходов. L=l+y+ где l - размер обрабатываемой поверхности в направлении подачи; y - величина врезания, мм; y=t×ctgj , где t - глубина резания; j - главный угол в плане резца. Пример решения задачи На токарно-винторезном станке 16К20 производится черновое обтачивание на проход вала D=68 мм до d=62h12 мм. Длина обрабатываемой поверхности 280 мм; длина вала l1 = 430 мм. Заготовка - поковка из стали 40Х с пределом прочности sв =700 МПа. Способ крепления заготовки - в центрах и поводковом патроне. Система СПИД недостаточно жесткая. Параметр шероховатости поверхности Ra=12,5 мкм. Необходимо: выбрать режущий инструмент, назначить режим резания; определить основное время. Решение 1. Выполнение эскиза обработки.
рис. 1 2. Выбор режущего инструмента Для обтачивания на проход вала из стали 40Х принимаем токарный проходной резец прямой правый с пластинкой из твердого сплава Т5К10 [2] или [3]. Форма передней поверхности радиусная с фаской [3]; геометрические параметры режущей части резца: g=150 ; a=12; l=0 [3], j=600 ; j1 =150 ; [3], r=1 мм; f=1 мм; [3]. 3. Назначение режимов резания 3.1. Глубина резания. При черновой обработке припуск срезаем за один проход, тогда
3.2. Назначаем подачу. Для черновой обработки заготовки из конструкционной стали диаметром до 100 мм резцом сечением 16х25 (для станка 16К20) при глубине резания до 3 мм: S=0,6¸1,2 мм/об [2], [3]. В соответствии с примечанием 1 к указанной таблице и паспортным данным станка (см. Приложение 1 к данным методическим указаниям) принимаем S=0,8 мм/об. 3.3. Скорость резания , допускаемая материалом резца
где Cv =340; x=0,15; y=0,45, m=0,2, T=60 мин [2], [3] Поправочный коэффициент для обработки резцом с твердосплавной пластиной Kv =Kmv ×Knv ×Kuv ×Kj v
где Kr =1; nv =1 [2], тогда Knv =0,8 [2] или [3], Kuv =0,65 [2] или [3], Kj v =0,9 [2] или [3].
3.4. Частота вращения, соответствующая найденной скорости резания
Корректируем частоту вращения шпинделя по паспортным данным станка nд =315 об/мин. 3.5. Действительная скорость резания
4. Основное время
Путь резца L=l+y + Врезание резца y=t×ctgj=3×ctg 600 =3×0,58=1,7 мм Пробег резца Тогда L=280+1,7+1,3=383 мм.
Задание на практическое занятие №2 Выполнить расчет режимов резания аналитическим способом (по эмпирической формуле) по заданному варианту для обработки на токарно-винторезном станке 16К20. Исходные данные приведены в таблице 2. Порядок выполнения работы 1. Пользуясь инструкцией и дополнительной литературой, изучить методику определения режима резания. Ознакомиться со справочником [2] или [3]. Ознакомиться с условием задания. 2. Выполнить эскиз обработки. 3. Выбрать режущий инструмент. 4. Назначить глубину резания. 5. Определить подачу. 6. Рассчитать скорость резания. 7. Определить частоту вращения шпинделя и скорректировать по паспорту станка. 8. Определить действительную скорость резания. 9. Рассчитать основное технологическое время. 10. Составить отчет по форме 2. Таблица 2
Продолжение табл. 2
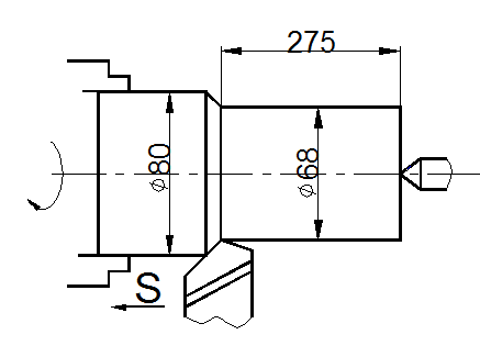
Практическое занятие №3 Расчет режимов резания при токарных работах с помощью нормативно-справочной литературы Цель работы: Изучить методику назначения режима резания по таблицам нормативов. Ознакомиться и приобрести навыки работы с нормативами. Общие положения Точение широко распространенный метод обработки резанием тел вращения. Применяется для удаления наружных, внутренних и торцовых поверхностных слоев заготовок (цилиндрических, конических и фасонных). Рассматривают следующие виды точения: 1) черновое точение ("обдирка") - удаление дефектных слоев заготовки, разрезка, отрезка и подрезка торцов заготовки. Срезается поверхностная "корка" и основная (»70%) часть припуска на обработку, позволяет получать шероховатость 50...12,5 Ra; 2) получистовое точение - снятие 20...25% припуска и позволяет получать шероховатость 6,3...3,2 Ra и точность 10...11-го квалитетов. Заготовка получает форму, близкую к детали. 3) чистовое точение - обеспечивает получение шероховатости 3,2...1,6 Ra и точность 7-9-го квалитетов. Деталь получает окончательную форму и размеры; 4) тонкое точение - позволяет при срезании очень тонких стружек получать на поверхностях детали шероховатость 0,40..0,20 Ra и точность 5-7-го квалитетов. Определение режимов резания состоит в выборе по заданным условиям обработки наивыгоднейшего сочетания глубины резания , подачи и скорости резания, обеспечивающих наименьшую трудоемкость и себестоимость выполнения операции. Режимы резания устанавливаются в следующем порядке: 1. Определение глубины резания t мм и числа проходов i. При черновом точении весь припуск целесообразно снимать за один проход ( в ряде случаев, когда имеется лимит мощности станка, бывает выгодно снимать припуск за несколько проходов). Целесообразность этого должна определяться сравнительным расчетом продолжительности оперативного времени. Деление припусков на несколько проходов производится также при получистовом и чистовом точении, а также при обработке резцами с дополнительной режущей кромкой (j1 =0). 2. Выбор подачи S мм/об. Подача выбирается в зависимости от площади сечения державки резца, диаметра обработки и глубины резания. Выбранная подача проверяется на допустимость по мощности электродвигателя , прочности державки резца, прочности пластин из твердого сплава и от заданной чистоты поверхности. 3. Определение нормативной скорости резания Vм/мин. И соответствующей ей частоты вращения n, мин-1 . По значению скорости выбирается потребная частота вращения шпинделя, которая корректируется по паспорту станка. 4. Определяются усилия и мощности резания по выбранным значениям t,S и V. 5. Проверка возможности осуществления выбранного режима резания на заданном станке по его эксплуатационным данным. Если найденный режим не может быть осуществлен на заданном станке, а выбранная подача удовлетворяет, необходимо уменьшить скорость резания. Уменьшение скорости V осуществляется вводом поправочного коэффициента изменения скорости Kv в зависимости от отношения мощности на шпинделе, допустимой станком, к мощности по нормативам. 6. Корректировка выбранного режима по станку в соответствии с его паспортными данными. Пример решения задачи Рассчитать режим резания при предварительной обточке детали типа вал на станке 16К20. Исходные данные: род и размер заготовки - прокат, сталь 45; sв =550 МПа; D=80 мм; d=68 мм; l=275 мм; условия выполнения операции - заготовка устанавливается в самоцентрирующийся патрон с поджатием центра задней бабки. Решение 1.
Выполнение эскиза обработки. 2. Выбор режущего инструмента. Для обтачивания вала из стали 45 принимаем токарный проходной резец прямой правый с пластиной из твердого сплава Т5К10 [2] или [3] j=45°; j1=10°; с=4 мм (толщина пластинки); ВхН=25х25 (сечение державки); Ip =1,5 Н (вылет резца). 3. Назначение режимов резания. Расчет режимов резания выполним в традиционной последовательности с использованием данных работы [7]. 3.1 Глубина резания. При черновой обработке припуск срезаем за один проход , тогда
3.2 Назначаем подачу. Для державки резца сечением 25х25 мм, диаметра обработки до 100 мм и глубины резания до 8 мм рекомендуется подача S=0,5...0,7 мм/об; Проверим допустимость рекомендуемой подачи по мощности электродвигателя , прочности державки резца и прочности пластинки твердого сплава. Для глубины резания t=6 мм, мощности электродвигателя Nд =8 кВт и для резца j1 >0° допускается подача S=0,7мм/об. Для стали с пределом прочности sв =550 МПа (55 кг/мм2 ) поправочный коэффициент Км s =1,07. Следовательно, подача, допускаемая мощностью электродвигателя (из условий обеспечения работы для твердого сплава со скоростью не ниже 50 м/мин) S=0,7×1,07=0,75 мм/об. Для резца с державкой сечением 25х25 мм и глубиной резания t=6 мм находим подачу S=3 мм/об. Умножив эту подачу на поправочный коэффициент Км s =1,07, соответствующий стали с пределом прочности sв =550 МПа (55 кг/мм2 ), и Км s =0,58, соответствующий вылету резца l=1,5 H, найдем подачу, допустимую прочностью державки резца: S=3×1,07×0,58=1,86 мм/об. Для резца с главным углом в плане j=45°, толщиной пластинки твердого сплава с=4 мм и для глубины резания t=6 мм находим подачу S=1,11 мм/об. С учетом поправочного коэффициента для стали (sв =550 МПа), Км s =1,07, допускается подача по прочности пластинки твердого сплава S=1,11×1,07=1,19 мм/об. Из сопоставления подач S=0,7 мм/об, S=1,86 мм/об и S=1,19 мм/об, видим, что величину подачи лимитирует мощность электродвигателя. Подача, допустимая мощностью электродвигателя, не ограничивает максимальную подачу S=0,7 мм/об. Такая подача имеется на станке (согласно паспортным данным), следовательно, ее и примем для выполнения технологического перехода обработки Æ68 . 3.3. Скорость резания и частота вращения шпинделя. Для глубины резания t=6 мм резца проходного прямого с главным углом в плане j=45° для S=0,7 мм/об соответствует V=100 м/мин, Pz =6630 H, Nэ =10,7 кВт. Определяем поправочные коэффициенты для измененных условий резца. В данном примере необходимо учесть только поправочный коэффициент в зависимости от предела прочности обработанного материала sв
. Для sв
=550 МПа находим Kmv
=1,18, Следовательно, для заданных условий обработки нормативные значения V, Pz и Nэ составляют: V=100×1,18=118 м/мин; Pz =6630×0,92=6100 Н; Nэ =10,7×1,09=11,6 кВт. Найденный режим не может быть осуществлен на заданном станке , так как эффективная мощность , потребная на резание Nэ =11,6 кВт, выше мощности на шпинделе, допустимой номинальной мощностью электродвигателя (7,5 кВТ по паспорту станка). Необходимо уменьшить скорость резания. Коэффициент изменения скорости резания зависит от отношения мощности на шпинделе, допускаемой станком, к мощности по нормативам. В данном примере это отношение будет 7,5/11,6=0,6. Для этого соотношения коэффициент изменения скорости резания: Kv =0,55 м/мин. Скорость резания, установленная по мощности станка , V=188×0,55=65 м/мин Частота вращения шпинделя
По паспорту станка выбираем n=250 об/мин. Тогда фактическая скорость резания
Окончательно для перехода обработки Æ80: глубина резания t=6мм, подача S=0,7 мм/об, n=250 об/мин, Vф =62,8 м/мин. 4. Основное время
где L - путь резца L=l+l1 =275+6=281 мм здесь l1 - величина врезания резца (для данного примера). Для глубины резания t=6 мм и главном угле в плане j=45° находим l1 =6 мм; l - длина обработанной поверхности. Задание на практическое занятие №3. Определить режимы резания по таблицам нормативов (по заданному варианту) для обработки на токарно-винторезном станке 16К20. Исходные данные приведены в таблице 3. Порядок выполнения работы 1. Пользуясь инструкцией и дополнительной литературой, изучить методику определения режима резания. Ознакомиться со справочником [7]. 2. Выполнить эскиз обработки. 3. Выбрать режущий инструмент, выполнить эскиз. 4. Назначить глубину резания. 5. Определить подачу. 6. Определить скорость, силу и мощность затрачиваемую на резание. 7. Определить частоту вращения шпинделя и скорректировать по паспорту станка. 8. Определить действительную скорость резания. 9. Определить основное технологическое время. Таблица 3
Продолжение табл. 3
ПРАКТИЧЕСКОЕ ЗАНЯТИЕ №4 Назначение режима резания при сверлении, зенкеровании и развертывании Цель работы: изучить методику назначения режимов резания по таблицам нормативов. Ознакомиться и приобрести навыки работы с нормативами. ОБЩИЕ СВЕДЕНИЯ Наиболее распространенный метод получения отверстий резанием – сверление. Движение резания (главное движение) при сверлении – вращательное движение, движение подачи – поступательное. В качестве инструмента при сверлении применяются сверла. Самые распространенные из них – спиральные, предназначены для сверления и рассверливания отверстий , глубина которых не превышает 10 диаметров сверла. Шероховатость поверхности после сверления Ra=12,5¸6,3 мкм, точность по 11-14 квалитету. Градация диаметров спиральных сверел должна соответствовать ГОСТ 885-64. Для получения более точных отверстий (8-9 квалитет) с шероховатостью поверхности Ra=6,3¸3,2 мкм применяют зенкерование. Исполнительные диаметры стандартных зенкеров соответствуют ГОСТ1677-75. Развертывание обеспечивает изготовление отверстий повышенной точности (5-7 квалитет) низкой шероховатости до Ra=0,4 мкм. Исполнительные размеры диаметров разверток из инструментальных сталей приведены в ГОСТ 11174-65, с пластинками из твердого сплава в ГОСТ 1173-65. Отличительной особенностью назначения режима резания при сверлении является то, что глубина резания t=D/2, при рассверливании, зенкеровании и развертывании.
При рассверливании отверстий подача, рекомендуемая для сверления, может быть увеличена в 2 раза. Порядок назначения остальных элементов режима резания аналогичен назначению режимов резания при токарной обработке. Средние значения припусков на диаметр, снимаемых зенкерами и развертками см. в приложении 4. Пример решения задачи На вертикально-сверлильном станке 2Н125 обработать сквозное отверстие диаметром 25Н7 (Ra=1,6 мкм), l=125 мм. Материал заготовки СЧ18, НВ210. Необходимо: выбрать режущий инструмент, назначить режим резания по таблицам нормативов, определить основное время. Решение:
Эскиз обработки 1. Выбор инструмента. Согласно исходных данных операция выполняется в три перехода: сверление, зенкерование и развертывание. Для сверления чугуна СЧ18 НВ210 согласно [7] выбираем сверло D=22 мм из стали Р18 , заточенное по методу В.И. Жирова, 2j =118°; 2j 0 =70°; для зенкерования – цельный зенкер D=24,9 мм из стали Р18; j =45°; aр =10°; для развертывания – цельную развертку D=25 мм, j =5° из стали Р18. 2. Выбор режима резания. Расчет режимов резания выполним в традиционной последовательности с использованием данных работы [7]. Первый переход. Выбор подачи. Для сверления чугуна НВ210 сверлом диаметром 22 мм выбираем подачу S=0,65¸0,75 мм/об. С учетом поправочного коэффициента на длину сверления Кls =0,9 получам расчетные величины подач S=0,59¸0,68 мм/об. По паспорту станка устанавливаем ближайшую подачу к расчетной S=0,56 мм/об. Выбор скорости и числа оборотов. Исходя из диаметра сверла 22 мм и установленной подачи S=0,56 мм/об, методом двойной интерполяции определяем нормативные скорость резания и число оборотов (быстрее и удобнее вести расчет только по числу оборотов). nн =396 об/мин. Учитывая поправочные коэффициенты на заточку сверла по методу В.И. Жирова (ЖДП) Кфv =1,05, на длину сверления (l=5D), Кlv =0,75 и на механические свойства серого чугуна НВ210 Кмv =0,88 , получаем расчетное число оборотов в минуту n=nн × Кфv × Кlv × Кмv =396×1,05×0,75×0,88=274 об/мин. Ближайшее число оборотов по паспорту станка n=250 об/мин. Тогда фактическая скорость резания будет равна
Проверка выбранного режима по осевому усилию и мощности. Для установленных условий сверления D=22 мм, S=0,56 мм/об и n=250 об/мин методом двойной интерполяции получаем осевое усилие Pн =6010 Н и крутящий момент Мкр =6572 кг×мм. С учетом поправочного коэффициента на обрабатываемый материал КМм =Кмр =1,06 и заточки по методу Жирова (ЖДП) Кфр =0,66 и Кфм =1 получим Р=Рн× Кмр × Кфр =6010×1,06×0,66=4205 Н По паспорту станка наибольшее усилие, допускаемое механизмом подачи, равно 15000Н. М=Ммрн ×Кмм ×Кфм =6572×1,06×1=6966 кг×мм. Пользуясь графиком определяем при Мкр =6966 кг×мм и n=250 об/мин мощность, потребную на резание : Nрез =1,6 квт. По паспорту станка мощность на шпинделе Nэ=Nд ×h=4,5×0,8=3,6 кВт; Nэ=3,6>Nрез =1,6 кВт. Следовательно, станок не лимитирует выбранного режима резания. Второй переход. Выбор подачи. Для зенкерования отверстия в сером чугуне НВ210 зенкером диаметром 24,9 мм (25 мм) при последующей обработке отверстия одной разверткой рекомендуется подача S=0,55¸0,6 мм/об. Ближайшая подача по паспорту станка S=0,56 мм/об. Выбор скорости резания и числа оборотов. Исходя из диаметра зенкера D=24,9 (25) мм, для подачи S=0,56 мм/об путем интерполяции определяем число оборотов nн =329 об/мин. С учетом поправочного коэффициента на обрабатываемый материал Kмv =0,88 число оборотов будет равно n=nн × Kмv =329×0,88=289 об/мин. Ближайшее число оборотов по паспорту станка n=250 об/мин. Фактическая скорость резания
Третий переход. Выбор подачи. Для развертывания отверстия в сером чугуне НВ>200 механической разверткой D=25 мм с чистотой поверхности отверстия Ra=1,6 мкм рекомендуется подача S=1,9 мм/об. Ближайшая подача по паспорту станка S=1,6 мм/об. Выбор скорости резания и числа оборотов. Для развертывания отверстия диаметром 25 мм с подачей 1,6 мм/об рекомендуется число оборотов nн =105 об/мин. С учетом поправочного коэффициента на обрабатываемый материал серый чугун НВ>200 Кмn =0,88. Тогда n=nн× Кмn =105×0,88=92 об/мин Ближайшее число оборотов по паспорту станка n=90 об/мин. Фактическая скорость резания
Определение основного (технологического) времени. Величина врезания и перебега инструментов l1 при работе на проход для сверла с двойной заточкой равна 12 мм; для зенкера 5 мм и для развертки 30 мм. При длине отверстия l=125 мм основное (технологическое) время каждого перехода равно
Основное время операции T0 =t01 +t02 +t03 =0,98+0,93+1,0=2,91 мин. Задание на практическое занятие №4. Выполнить расчет режима резания по таблицам нормативов для обработки сквозного отверстия на вертикально-сверлильном станке 2Н135 по заданному варианту. Исходные данные в таблице 4. Порядок выполнения работы аналогичен предыдущей. Таблица 4
Продолжение табл. 4
Практическое занятие №5 Расчет режима резания при фрезеровании Цель работы: Изучить методику назначения режима резания по таблицам нормативов. Ознакомиться и приобрести навыки работы с нормативами. ОБЩИЕ СВЕДЕНИЯ Фрезерование – один из самых производительных методов обработки. Главное движение (движение резания) при фрезеровании – вращательное; его совершает фреза, движение подачи обычно прямолинейное, его совершает фреза. Фрезерованием можно получить деталь точностью по 6-12 квалитету шероховатостью до Ra=0,8 мкм. Фрезерование осуществляется при помощи многозубого инструмента – фрезы. Фрезы по виду различают: цилиндрические, торцевые, дисковые, прорезные и отрезные, концевые, фасонные; по конструкции – цельные, составные и сборные. При торцевом фрезеровании (обработка торцевой фрезой) диаметр фрезы в должен быть больше ширины фрезерования В, т.е. D=(1,25¸1,5)В. Для обеспечения производительных режимов работы необходимо применять смещенную схему фрезерования (есть симметричная схема), для чего ось заготовки смещается относительно оси фрезы. При цилиндрическом фрезеровании различают встречное фрезерование, – когда вектор скорости (направление вращения фрезы) направлен навстречу направлению подачи; и попутное фрезерование, когда вектор скорости и направление подачи направлены в одну сторону. Встречное фрезерование применяют для черновой обработки заготовок с литейной коркой, с большими припусками. Попутное фрезерование применяют для чистовой обработки нежестких, предварительно обработанных заготовок с незначительными припусками. Глубина резания (фрезерования) t во всех видах фрезерования, за исключением торцевого фрезерования и фрезерования шпонок, представляет собой размер слоя заготовки срезаемой при фрезеровании, измеряемый перпендикулярно оси фрезы. При торцевом фрезеровании и фрезеровании шпонок шпоночными фрезами – измеряют в направлении параллельном оси фрезы. При фрезеровании различают подачу на один зуб Sz подачу на один оборот фрезы S и минутную подачу Sм мм/мин, которые находятся в следующем соотношении: Sм = S×n= Sz ×z×n Где n – частота вращения фрезы, об/мин; z – число зубьев фрезы. При черновом фрезеровании назначают подачу на зуб; при чистовом фрезеровании – подачу на один оборот фрезы. Скорость резания – окружная скорость фрезы, определяется режущими свойствами инструмента. Ее можно рассчитать по эмпирической формуле [2] , [3], или выбрать по таблицам нормативов [4], [7]. Пример решения задачи. На вертикально-фрезерном станке 6Р12 производится торцевое фрезерование плоской поверхности шириной В=80 мм, длиной l=400 мм, припуск на обработку h=1,8 мм. Обрабатываемый материал серый чугун СЧ30, НВ220. Заготовка предварительно обработана. Обработка окончательная, параметр шероховатости обработанной поверхности Ra=3,2 мкм. Необходимо: выбрать режущий инструмент , назначить режим резания с использованием таблиц нормативов, определить основное (технологическое) время. Решение
Эскиз обработки Рис. 3 1. Выбор инструмента. Для фрезерования на вертикально-фрезерном станке заготовки из чугуна выбираем торцевую фрезу с пластинками из твердого сплава ВК6 [2] или [3], диаметром D=(1,25¸1,5)×В=(1,25¸1,5)×80=100¸120 мм. Принимаем D=100 мм; z=10, ГОСТ 9473-71 [2] или [3]. Геометрические параметры фрезы: j=60°, a=12°, g=10°, l=20°, j1 =5°. Схема установки фрезы – смещенная. 2. Режим резания. 2.1 Глубина резания. Заданный припуск на чистовую обработку срезают за один проход, тогда t=h=1,8 мм 2.2 Назначение подачи. Для получения шероховатости Ra=6,3 мкм подача на оборот S0 =1,0¸0,7 мм/об [4]. Тогда подача на зуб фрезы
2.3 Период стойкости фрезы. Для фрез торцевых диаметром до 110 мм с пластинками из твердого сплава применяют период стойкости Т=180 мин [4], 2.4 Скорость резания , допускаемая режущими свойствами инструмента. Для обработки серого чугуна фрезой диаметром до 110 мм, глубина резания t до 3,5 мм, подаче до 0,1 мм/зуб. V=203 м/мин [4], С учетом поправочных коэффициентов Kmv
=1; Knv
=1; при V=V× Kmv × Knv × КБ V × Kj =203×1=203 м/мин. Частота вращения шпинделя, соответствующая найденной скорости резания
Корректируем по паспорту станка n=630 об/мин. Действительная скорость резания
2.5 Минутная подача Sм =Sz ×z×n=0,1×10×630=630 мм/мин. Это совпадает с паспортными данными станка. 3. Мощность, затрачиваемая на резание. При фрезеровании чугуна с твердостью до НВ229, ширине фрезерования до 85 мм, глубине резания до 1,8 мм, подаче на зуб до 0,13 мм/зуб, минутной подаче до 660 мм/мин Np=3,8 кВт [4], 3.1 Проверка достаточности мощности станка Мощность на шпинделе станка Nшп =Nд ×h Nд =7,5 кВт; h=0,8 (по паспорту станка) Nшп =7,5×0,8=6 кВт. Так как Nшп =6 кВт >Np =3,8 кВт, то обработка возможна. 4. Основное время
где L=l+l1 . Для торцового фрезерования фрезой диаметром 100 мм, ширине фрезерования 80 мм l1 =23 мм [4],
Задание на практическое занятие №5 Выполнить расчет режима резания по таблицам нормативов по заданному варианту. Исходные данные приведены в таблице 5. Порядок работы аналогичен предыдущим. Таблица 5
Продолжение табл. 5
ПРАКТИЧЕСКОЕ ЗАНЯТИЕ №6 Расчет режима резания при нарезании зубьев зубчатых колес Цель работы: изучить методику расчета режима резания при зубонарезании по таблицам нормативов. Приобрести навыки работы по нормативам. ОБЩИЕ СВЕДЕНИЯ Профиль зубьев зубчатого колеса образуется путем удаления материала впадины следующими способами обработки: фрезерованием, строганием, долблением, протягиванием, шевингованием и шлифованием. Различают два метода нарезания зубьев: копирования – когда форма режущей кромки инструмента соответствует форме впадины зубчатого колеса (дисковые, пальцевые модульные фрезы, зубодолбежные головки); обкатки – поверхность зуба получается в результате обработки инструментом, режущие кромки которого представляют собой профиль сопряженной рейки или профиль зуба сопряженного колеса и во время обработки инструмент с заготовкой образуют сопряженную зубчатую пару (червячные фрезы, долбяки, шеверы и др.). Метод обкатки имеет следующие преимущества по сравнению с методом копирования: одним и тем же инструментом данного модуля можно нарезать зубчатые колеса с любым числом зубьев; обеспечивается более высокая точность и низкая шероховатость поверхности зубьев нарезаемого колеса; достигается более высокая производительность обработки благодаря непрерывности процесса и участию в работе одновременно большего количества лезвий. Дисковая и пальцевая модульные фрезы представляют собой фасонные фрезы, профиль зуба которых повторяет профиль впадины нарезаемого колеса. Обработка производится по методу копирования. Пальцевые модульные фрезы применяют для получения шевронных и зубчатых колес большего модуля. Главным движением (движением резания) является вращение фрезы вокруг своей оси. Движением подачи является движение фрезы вдоль оси заготовки. При обработке червячной фрезой (метод обкатывания) движение резания – вращение фрезы, движение подачи – поступательное движение фрезы вдоль оси заготовки. Зуборезный долбяк выполнен в виде зубчатого цилиндрического колеса и снабжен режущими кромками. Главное движение (движение резания) при зубодолблении – возвратно-поступательное движение долбяка, движений подачи два: движение обкатывания по делительным окружностям долбяка и нарезаемого колеса и радиальное перемещение. Зубодолбление применяют для нарезания наружных и внутренних зубьев прямых и косозубых колес. Глубина резания при черновом нарезании зубьев (Ra=12,5 мкм), как правило, принимается равной глубине впадины t=h=2,2×m, где m – модуль нарезаемого колеса, мм. Обычно черновые червячные фрезы профилируются такими, чтобы ими можно было нарезать зубья на полную глубину, но оставляя припуск на окончательную обработку лишь боковым сторонам зуба. Если мощности и жесткости станка недостаточно, припуск на черновую обработку срезают за два прохода: первый проход h=1,4m, второй проход , h=0,7m. Чистовую обработку в два прохода применяют только при зубодолблении цилиндрических колес дисковыми долбяками с модулем 6 мм и выше при шероховатости выше Ra=1,6 мкм. Подачи выбирают с учетом качества и точности нарезаемого колеса, мощности станка, модуля и числа зубьев нарезаемого колеса [5]. Скорость резания устанавливают в зависимости от режущих свойств инструмента. Размеров нарезаемого зуба. Глубины резания, подачи и других факторов по таблицам нормативов [5], или по эмпирической формуле [3]. Основное время при зубофрезеровании червячной фрезой
где z - число зубьев нарезаемого колеса; n - частота вращения фрезы, об/мин; S0 – подача фрезы за оборот заготовки, мм/об; K - число заходов фрезы. При чистовой обработке применяют однозаходную фрезу, при черновой – многозаходную. L – величина хода фрезы L=b+l1 , Где b – ширина венца нарезаемого колеса, мм; l1 – величина врезания и перебега, мм Основное время при зубодолблении
где m – модуль нарезаемого колеса, мм; z – число зубьев нарезаемого колеса; Kд – число двойных ходов в минуту долбяка, дв.ход/мин; S – круговая подача, мм/дв.ход; Sp – радиальная подача, мм/дв.ход; i – число проходов; h – припуск на обработку, мм. Пример решения задачи На зубодолбежном станке 5122 нарезают долбяком прямозубое зубчатое колесо модуля m=3 мм с числом зубьев z=40, шириной венца b=40 мм. Обработка чистовая (Ra=1,6 мкм) по сплошному металлу. Материал заготовки – сталь 40Х, твердость НВ190. Необходимо: выбрать режущий инструмент, назначить режим резания (по таблицам нормативов), определить основное время. Решение Эскиз обработки
1. Выбор инструмента Для зубодолбления цилиндрического колеса принимаем дисковый прямозубый долбяк модуля 3 тип 1 ГОСТ 9323-79 [2] или [3] из быстрорежущей стали Р6М5 [2] или [3]. Угол заточки по передней поверхности зубьев gз =5° [2], [3], [5]. 2. Режим резания. 2.1 Круговая подача для станка модели 5122 с мощностью двигателя 3 кВт, т.е. III классификационной группы [5] , для чистовой обработки по сплошному металлу, обработки стали с твердостью до НВ207, при модуле нарезаемого колеса до m=3 мм, S=0,25¸0,3 мм/дв.ход [5]. С учетом поправочных коэффициентов Кms =1 и паспортных данных станка принимаем S=0,25 мм/ дв.ход. 2.2 Радиальная подача. Sp =(0,1¸0,3)×S [5], Sp =(0,1¸0,3)×0,25=0,025¸0,075 мм/дв.ход. С учетом паспортных данных станка принимаем Sp =0,036 мм/дв.ход. 2.3 Период стойкости долбяка для чистовой обработки Т=240 мин. [3]. 2.4 Скорость резания, допускаемая режущими свойствами инструмента. Для чистовой обработки по сплошному металлу, круговой подаче S=0,25 мм/дв.ход и модуле до 4 мм V=20,5 м/мин. C учетом поправочных коэффициентов Kmv =1; Kbv =1 Vp=V× Kmv × Kbv =20,5 м/мин. Число двойных ходов ходов долбяка в минуту , соответствующее найденной скорости резания,
где L – величина хода долбяка, мм L=b+l1 =40+8=48 мм, Где l1 – перебег долбяка на две стороны. При ширине венца до 51 мм l1 =8 мм [5],
В соответствии с паспортными данными принимаем Кд =200 мм/дв.ход. Действительная скорость резания
3. Проверка достаточности мощности станка 3.1 Мощность, затрачиваемая на резание При чистовой обработке по сплошному металлу для данных условий обработки N=1,1 кВт [5], С учетом поправочных коэффициентов KмN =1; KbN =1; KzN =1,1 Np =N× KмN × KbN × KzN =1,1×1×1×1,1=1,21 кВт. 3.2 Мощность на шпинделе станка Nш =Nд ×h кВт, где Nд =3 кВт; h=0,65 – паспортные данные станка Nш =3×0,65=1,95 кВт. Так как Nш =1,95 кВт>Np =1,21кВт, то обработка возможна. 4. Основное время
где i – число проходов
Задание на практическое занятие №6 Выполнить расчет режима резания по таблицам нормативов по заданному варианту. Исходные данные приведены в таблице 6. Порядок выполнения работы аналогичен предыдущим. Таблица 6
Продолжение табл. 6
ПРАКТИЧЕСКОЕ ЗАНЯТИЕ №7 Расчет режима резания при шлифовании Цель работы: изучить методику расчета режима резания при шлифовании аналитическим способом. Приобрести навыки работы со справочной литературой. ОБЩИЕ СВЕДЕНИЯ Шлифование – процесс резания материалов с помощью абразивного инструмента, режущими элементами которого являются абразивные зерна. Движение резания при шлифовании – вращение шлифовального круга, движение подачи – возвратно-поступательное движение стола станка с заготовкой и (или) поступательное движение шлифовальной бабки со шлифовальным кругом. Различают круглое наружное шлифование, внутреннее круглое шлифование, плоское шлифование, бесцентровое шлифование. Круглое наружное шлифование применяется для обработки цилиндрических наружных поверхностей и осуществляется двумя способами: с продольной подачей (метод врезания) – применяется если длина шлифуемой поверхности меньше ширины круга. Разработку режимов резания при шлифовании начинают с выбора характеристики шлифовального круга. Для этого устанавливают: тип (форму) шлифовального круга [2] или [3], материал абразивного зерна [2] или [3] , [6], зернистость [2], индекс зернистости [2], твердость [2], [6], структура [2], [6], класс круга [2]. (Если выбор характеристики шлифовального круга производится по [3], то ее следует перевести в новое обозначение). Выбор характеристики шлифовального круга можно провести по приложению 1 к данной инструкции. После выбора элементов характеристики следует записать полную характеристику, которая содержит такие параметры: форму (тип), марку зерна, зернистость, индекс зернистости, твердость круга, структуру, тип связки, класс круга, допустимую окружную скорость. Основными элементами режима резания при шлифовании являются: окружная скорость в м/с (указывается в конце характеристики круга и является максимальной допускаемой прочностью круга); скорость вращательного или поступательного движения детали в м/мин; глубина шлифования t мм – слой металла, снимаемый шлифовальным кругом за один или двойной ход при круглом или плоском шлифовании или же равная всему припуску на сторону при врезном шлифовании; продольная подача S – перемещение шлифовального круга вдоль своей оси в мм на оборот заготовки при круглом шлифовании или в мм на каждый ход стола при плоском шлифовании периферией круга; радиальная подача Sp – перемещение шлифовального круга в радиальном направлении в мм на один оборот детали при врезном шлифовании. Эффективная мощность (мощность необходимая для резания) рассчитывается по эмпирической формуле [2], [3] или определяется по таблицам нормативов. Основное время при круглом шлифовании с продольной подачей
где h – припуск на сторону, мм; Vc – скорость продольного хода стола , м/мин; t – глубина шлифования, мм; К – коэффициент выхаживания; К=1,4 – при чистовом шлифовании; К=1,1 – при предварительном шлифовании; L – величина хода стола, мм L=l-(1-K×m)×Bk , мм (7.2) где l – длина шлифуемой поверхности; К – число сторон перебега круга (К=2 – при сбеге круга в обе стороны, К=1 – при сбеге круга в одну сторону, К=0 – без сбега); m – перебег в долях ширины круга; Bk – ширина шлифовального круга, мм. При круглом наружном шлифовании методом врезания
где nз – частота вращения заготовки, об/мин; Sp – радиальная подача, мм/об. При круглом шлифовании
где S – продольная подача, мм/об. При круглом внутреннем шлифовании перебег круга в обе стороны равен 0,5×В, тогда L=l-(1-2×0,5)×B, т.е. L=l Плоское шлифование
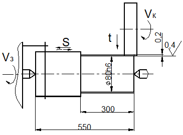
где Н – перемещение шлифовального круга в направлении поперечной подачи, мм; L – величина хода стола, мм; h – припуск на сторону; Vc – скорость движения стола, м/мин; g – число одновременно шлифуемых заготовок. Н=Вз +Вк +5, мм где Вз – суммарная ширина заготовок, установленных на столе, мм. Вк – величина шлифовального круга, мм. L=l+(10¸15), мм где l – суммарная длина заготовок , установленных на столе, мм. Пример решения задачи На круглошлифовальном станке 3М131 шлифуется шейка вала диаметром D=80h6 мм длиной l=300 мм, длина валаl1 =550 мм. Параметр шероховатости обработанной поверхности Ra=0,4 мкм. Припуск на сторону 0,2 мм. Материал заготовки – сталь 45 закаленная, твердостью HRC45. Необходимо: выбрать шлифовальный круг, назначить режим резания; определить основное время. Решение
Эскиз обработки Рис.5 1. Выбор шлифовального круга. Для круглого наружного шлифования с продольной подачей (шлифовать с радиальной подачей нельзя из-за большой длины шлифуемой поверхности), параметра шероховатости Ra=0,4 мкм, конструкционной закаленной стали до HRC45 принимаем шлифовальный круг формы ПП, [2], характеристика – 24 А401К, [6], индекс зернистости – Н, [2], структура – 5, [6], класс – А, [2], Полная маркировка круга ПП24 А40НС15КА 35 м/с. Размеры шлифовального круга Dk =600 мм; Вк =63 мм (по паспорту станка). 2. Режим резания 2.1 Скорость шлифовального круга Vk =35 м/с [2]. Частота вращения шпинделя шлифовальной бабки
Корректируя по паспортным данным станка, принимаем nш =1112 об/мин. (корректируется только в меньшую сторону). Режимы резания для окончательного круглого наружного шлифования конструкционных сталей с подачей на каждый ход определяют по [2] или [3]. 2.2 Окружная скорость заготовки Vз =15¸55 м/мин; принимаем Vз =30 м/мин. Частота вращения шпинделя передней бабки, соответствующая принятой окружной скорости заготовки,
Так как частота вращения заготовки регулируется бесступенчато, принимаем nз =120 об/мин. 2.3 Глубина шлифования t=0,005¸0,015 мм. Принимаем, учитывая бесступенчатое регулирование поперечной подачи шлифовального круга на ход стола, t=0,005 мм. 2.4 Продольная подача S=(0,2¸0,4)×Вк , мм/об. Принимаем S=0,25×Вк =0,25×63=15,75 мм/об. 2.5 Скорость продольного хода стола
С учетом паспортных данных (бесступенчатое регулирование скорости продольного хода стола) принимаем Vc =1,9 м/мин. 3. Проверка достаточности мощности станка 3.1 Мощность затрачиваемая на резание Np =CN ×Vз z ×tx ×Sy ×dq , кВт [2], [3], где CN – коэффициент, учитывающий условия шлифования; x, y, z, q – показатели степени; V, t, S – элементы режима резания; в – диаметр шлифования, мм. Для круглого наружного шлифования закаленной стали с подачей на каждый ход шлифовальным кругом зернистостью 40, твердостью СМ1 CN =2,65; z=0,5; х=0,5; y=0,55; q=0, тогда Np =2,65×300,5 ×0,0050,5 ×15,750,55 ×1=2,65×5,48×0,07×4,55=4,63 кВт. 3.2 Мощность на шпинделе станка Nшп =Nд ×h , кВт где Nд =7,5 кВт; h=0,8 – паспортные данные станка (см. приложение 2 к данным методическим указаниям). Nшп =7,5×0,8=6 кВт. Так как Nшп =6 кВт>Np =4,63 кВт, то обработка возможна. 4. Основное время
L=l-(1-K×m)×Вк , мм где m – доля перебега круга , принимаем m=0,5 (т.е. половина круга); К=1 – число сторон перебега круга (см. эскиз обработки), тогда L=l-(1-1×0,5)×Вк =l-0,5× Вк =300-0,5×63=268,5 мм К=1,4 – коэффициент выхаживания
Задание на практическое занятие №7 Выполнить расчет режима резания аналитическим способом по заданному варианту. Исходные данные приведены в таблице 7. Порядок выполнения работы аналогичен предыдущим. Таблица 7
Продолжение табл. 7
ЛИТЕРАТУРА1. Аршинов В.А., Алексеев Г.А. Резание металлов и режущий инструмент. – М.: Машиностроение, 1976. 2. Справочник технолога-машиностроителя. В двух томах. Т.2. Под ред. А.Г. Косиловой и Р.К. Мещерякова. – М.: Машиностроение, 1985. 3. Справочник технолога-машиностроителя. В двух томах. Т.2. Под ред. А.А. Малова . – М.: Машиностроение, 1972. 4. Общемашиностроительные нормативы режимов резания для технического нормирования работ на металлорежущих станках. Часть 1. – М.: Машиностроение, 1967. 5. Общемашиностроительные нормативы режимов резания для технического нормирования работ на металлорежущих станках. Часть 2. – М.: Машиностроение, 1967. 6. Справочник по обработке металлов резанием. Абрамов Ф.Н. и др. – К.: Техника, 1983. 7. Справочник нормировщика-машиностроителя: в 2 т./Под ред. Е.М. Стружестраха. – М.: ГОСИздат, 1961. – Т,2. – 892 с. Приложение I ПАСПОРТНЫЕ ДАННЫЕ МЕТАЛЛОРЕЖУЩИХ СТАНКОВ Токарно-винторезный станок 16К20Высота центров, мм - 215 Расстояние между центрами, мм - до 2000. Мощность двигателя, Nд =10 кВт КПД станка h=0,75. Частота вращения шпинделя, об/мин: 12,5; 16; 20; 25; 31,5; 40; 50; 63; 80; 100; 125; 160; 200; 250; 315; 400; 500; 630; 800; 1000; 1250; 1600. Продольные подачи, мм/об: 0,05; 0,06; 0,075; 0,09; 0,1; 0,125; 0,15; 0,175; 0,2; 0,25; 0,3; 0,36; 0,4; 0,5; 0,6; 0,7; 0,8; 1,0; 1,2; 1,4; 1,6; 2,0; 2,4; 2,8. Поперечные подачи, мм/об: 0,025; 0,03; 0,0375; 0,045; 0,05; 0,0625; 0,075; 0,0875; 0,1; 0,125; 0,15; 0,175; 0,2; 0,25; 0,3; 0,4; 0,5; 0,6; 0,7; 0,8; 1,0; 1,2; 1,4. Максимальная осевая сила резания, допускаемая механизмом подачи. Рх =600 кгс»6000 Н. Вертикально-фрезерный станок 6В12Площадь рабочей поверхности стола 320х1250 мм. Мощность двигателя, Nд =7,5 кВт КПД станка h=0,8. Частота вращения шпинделя, об/мин: 31,5; 40; 50; 63; 80; 100; 125; 160; 200; 250; 315; 400; 630; 800; 1000; 1250; 1600. Подачи стола продольные и поперечные , мм/мин: 25; 31,5; 40; 50; 63; 80; 100; 125; 160; 200; 250; 315; 400; 500; 630; 800; 1000; 1250. Подачи стола вертикальные, мм/мин: 8; 10; 13,3; 21; 26,6; 33,3; 41,6; 53,3; 66,6; 83,3; 105; 133,3; 166,6; 210; 266,6; 333,3; 400. Горизонтально-фрезерный станок 6Р82ГМощность, частота вращения и подачи такие же , как у станка 6Р12. Зубофрезерный станок 53А50Наибольший наружный диаметр нарезаемого колеса, мм – 500. Наибольший модуль нарезаемого колеса, мм – 8. Мощность двигателя, Nд =8 кВт КПД станка h=0,65. Частота вращения шпинделя, об/мин: 40; 50; 63; 80; 100; 125; 160; 200; 240; 315; 405. Вертикальные подачи суппорта (фрезы) за один оборот заготовки, мм/об: 0,75; 0,92; 1,1; 1,4; 1,7; 2,0; 2,2; 2,5; 2,8; 3,1; 3,4; 3,7; 4,0; 5,1; 6,2; 7,5. Радиальные подачи , мм/об: 0,22; 0,27; 0,33; 0,4; 0,48; 0,55; 0,66; 0,75; 0,84; 1,0; 1,2; 1,53; 1,8; 2,25. Зубодолбежный станок 5122Наибольший наружный диаметр нарезаемого колеса, мм – 200. Наибольший модуль нарезаемого колеса, мм – 5. Мощность двигателя, Nд =3 кВт. КПД станка h=0,65. Число двойных ходов долбяка в 1 мин: 200; 280; 305; 400; 430; 560; 615; 850. Круговые подачи за один двойной ход долбяка, мм/дв.ход: 0,16; 0,2; 0,25; 0,315; 0,4; 0,5; 0,63; 0,8; 1,0; 1,25; 1,6. Радиальные подачи , мм/дв.ход: 0,006; 0,009; 0,013; 0,036; 0,051; 0,072; 0,15. Круглошлифовальный станок 3М131Наибольший диаметр шлифуемой заготовки, мм – 280. Наибольшая длина заготовки, мм – 700. Мощность двигателя шлифовальной бабки Nд =7,5 кВт. КПД станка h=0,8. Частота вращения круга , об/мин: 1112 и 1285. Частота вращения обрабатываемой заготовки регулируется бесступенчато, об/мин: 40¸400. Скорость продольного хода стола регулируется бесступенчато, об/мин: 50¸5000. Периодическая поперечная подача шлифовального круга регулируется бесступенчато, мм/ход.стола: 0,002¸0,1. Непрерывная подача для врезного шлифования, мм/мин: 0,1¸4,5. Размеры шлифовального круга (нового) Dк =600 мм, Вк =63 мм. Внутришлифовальный станок 3К228ВНаибольший диаметр шлифуемого отверстия, мм – 200. Наибольшая длина шлифуемой поверхности, мм – 200. Мощность двигателя шлифовального шпинделя Nд =5,5 кВт. КПД станка h=0,85. Частота вращения обрабатываемой заготовки регулируется бесступенчато, об/мин: 100¸600. Частота вращения шлифовального круга , об/мин: 4500; 6000; 9000; 13000. Скорость продольного хода шлифовальной бабки регулируется бесступенчато, об/мин: 1¸7. Поперечная подача шлифовального круга мм/ход: 0,001; 0,002; 0,003; 0,004; 0,005; 0,006. Наибольшие размеры шлифовального круга Dк =175 мм, Вк =63 мм. Плоскошлифовальный станок 3П722Размер стола 320х1250 мм. Мощность двигателя Nд =15 кВт. КПД станка h=0,85. Частота вращения шлифовального круга , об/мин: 1500. Скорость движения стола – регулируется бесступенчато, м/мин: 3¸45. Поперечная подача шлифовальной бабки – регулируется бесступенчато, мм/ход: 2¸48. Вертикальная подача круга, мм, на реверс шлифовальной бабки: 0,004; 0,005; 0,01; 0,015; 0,02; 0,025; 0,03; 0,035; 0,04; 0,045; 0,05; 0,055; 0,06; 0,065; 0,07; 0,075; 0,08; 0,085; 0,09; 0,095; 0,1. Размер шлифовального круга (нового) Dк =450 мм, Вк =80 мм. Горизонтально-протяжной станок 7А510Номинальная тяговая сила, Н=100000. Длина рабочего хода, мм – 1250. Высота планшайбы, lпл =70 мм. Толщина фланца, планшайбы, lа =50 мм. Толщина стола станка lс =70 мм. Вертикально-сверлильный станок 2Н135Мощность двигателя Nд =4,5 кВт. КПД станка h=0,8. Частота вращения шпинделя , об/мин: 31,5; 45; 63; 90; 125; 180; 250; 355; 500; 710; 1000; 1440. Подачи, мм/об: 0,1; 0,14; 0,2; 0,28; 0,4; 0,56; 0,8; 1,12; 1,6. Максимальная осевая сила резания, допускаемая механизмом подачи станка Рmax =15000 Н. Выбор характеристик шлифовальных кругов для различных условий шлифования (скорость круга V=35 м/с). Приложение 2.
Приложение 3 Параметры шероховатости поверхности и соответствующие им классы шероховатости
Приложение 4 Среднее значение припусков на диаметр, снимаемых зенкерами и развертками, в мм
Приведенные припуски определяют глубину резания для зенкеров и разверток. СОДЕРЖАНИЕстр
СОСТАВИТЕЛИ: В.В. ЗильПод общей редакцией профессора Р.П. Дидыка |
|||||||||||||||||||||||||||||||||||||||||||||||||||||||||||||||||||||||||||||||||||||||||||||||||||||||||||||||||||||||||||||||||||||||||||||||||||||||||||||||||||||||||||||||||||||||||||||||||||||||||||||||||||||||||||||||||||||||||||||||||||||||||||||||||||||||||||||||||||||||||||||||||||||||||||||||||||||||||||||||||||||||||||||||||||||||||||||||||||||||||||||||||||||||||||||||||||||||||||||||||||||||||||||||||||||||||||||||||||||||||||||||||||||||||||||||||||||||||||||||||||||||||||||||||||||||||||||||||||||||||||||||||||||||||||||||||||||||||||||||||||||||||||||||||||||||||||||||||||||||||||||||||||||||||||||||||||||||||||||||||||||||||||||||||||||||||||||||||||||||||||||||||||||||||||||||||||||||||||||||||||||||||||||||||||||||||||||||||||||||||||||||||||||||||||||||||||||||||||||||||||||||||||||||||||||||||||||||||||||||||||||||||||||||||||||||||||||||||||||||||||||||||||||||||||||||||||||||||||||||||||||||||||||||||||||||||||||||||||||||||||||||||||||||||||||||||||||||||||||||
n=0,75 [2],
; n=1 [3],
n=1,35 [2],



, об/мин (2.3)
, мин (2.4)

, м/мин
, [2], [3],
м/мин
об/мин.
, м/мин;
м/мин.
, мин
мин.
мм
об/мин
м/мин.
мин.
, мм.
м/мин.
м/мин.
м/мин.
мин
мин
мин
мм/зуб.
; КБ
V
=1; Kj
v
=1 [4],
об/мин.
м/мин.
, мкм
мин.
, мин
, мин,

мм/дв.ход
м/мин.
, мин
мин
, мин (7.1)
, мин,
, мин
, мин
, об/мин
об/мин
, об/мин
об/мин.
м/мин.
, мин
мин.