Реферат: Детали машин 3
|
Название: Детали машин 3 Раздел: Рефераты по транспорту Тип: реферат | |||||||||||||||||||||||||||||||||||||||||||||||||||||||||||||||||||||||||||||||||||||||||||||||||||||||||||||||||||||||||||||||||||||||||||||||||||||||||||||||||||||||||||||||||||||||||||||||||||||||||||||||
|
Техническое задание…………………………………………………………….....2 Введение…………………………………………………………………………….3 1. Кинематический и силовой расчет привода. Выбор электродвигателя и редуктора…………………………………………………..4 1.1. Определение мощности на валу исполнительного органа………….....4 1.2. Определение расчетной мощности на валу электродвигателя………...4 1.3. Определение частоты вращения вала исполнительного органа и двигателя………………………………………………………..4 1.4. Выбор электродвигателя…………………………………………………6 1.5. Определение передаточного отношения привода расчет силовых и кинематических параметров привода выбор редуктора…………………….8 2. Выбор муфты…………………………………………………………..………..11 3. Проектирование открытой передачи…………………………………….….....12 4. Проектирование исполнительного органа………………………………....….14 4.1. Проектный расчет вала……………………………………....…………..14 4.2. Подбор подшипников и шпонок……………………………………… ..14 4.3. Проверочный расчет вала на статическую прочность по эквивалентному моменту………………………………………….....16 4.4. Проверочный расчет подшипников на долговечность………………...18 4.5. Проверочный расчет шлицевых или шпоночных соединений………..19 Список использованных источников……………………………………………..20
Введение
В данной курсовой работе выполнено проектирование привода ленточного конвейера по заданным параметрам: окружной скорости, окружного усилия и диаметра барабана исполнительного органа, а также параметров режима работы, срока службы и кратковременных пиковых перегрузок в приводе. В ходе курсовой работы по расчетным вращающим моментам, частотам вращения и мощностям на волах были выбраны стандартные: электродвигатель, редуктор и компенсирующая муфта. Так же были выполнены проектировочные расчеты исполнительного органа, и расчет ременной передачи.
Выбор электродвигателя и редуктора 1.1. Определение мощности на валу исполнительного органа Мощность P3, кВт, на валу исполнительного органа определяется по формуле:
где Ft – окружное усилие, Н; vt – окружная скорость, м/с (см. рис. 1).
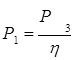
1.2. Определение расчетной мощности на валу двигателя Расчетная мощность на валу двигателя Р1, кВт, определяется с учетом потерь в приводе:
,
η1
– КПД открытой ременной передачи, η1
= 0,95 η2
– КПД цилиндрического двухступенчатого редуктора , η2
=
При этом:
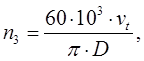
1.3. Определение частоты вращения вала исполнительного механизма и двигателя Частота n3 , мин-1 , вращения вала:
где в – диаметр барабана ленточного конвейера,450 мм;
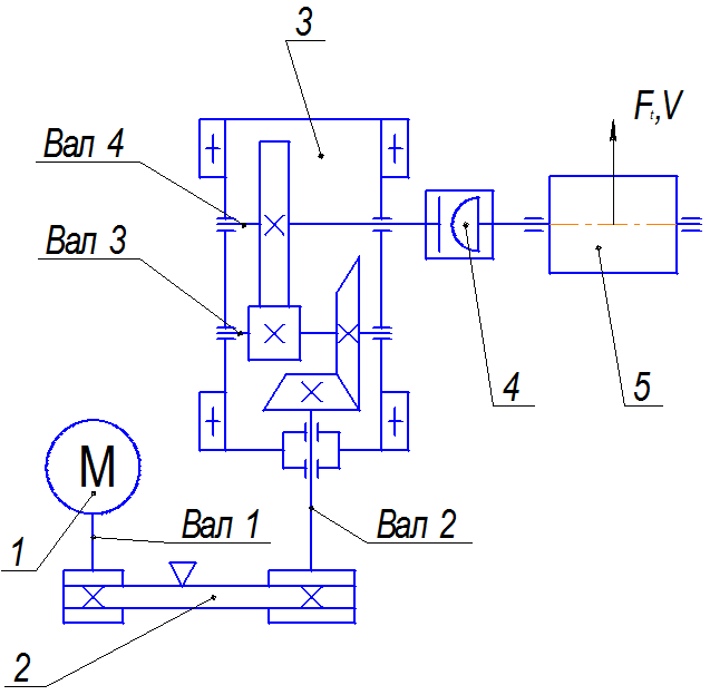
1 – электродвигатель; 2 – ременная передача; 3 – двухступенчатый коническо-целендрический редуктор; 4 – компенсирующая муфта; 5 – узел барабана. Рисунок 1 – Кинематическая схема привода ленточного конвейера
i1 – передаточное отношение открытой ременной передачи, i1 =2…3 [1, табл. 1]; i2 – передаточное отношение цилиндрического двухступенчатого редуктора, i2 =3…6; По формуле (1.5) получим интервал оптимальных частот вращения вала двигателя:
Выбираем частоту вращения вала электродвигателя примерно в 1,2…1,3 раза больше среднего значения интервала:
Исходя из необходимой мощности и интервала оптимальных частот вращения, выбираем электродвигатель – АИР71А4(рис.2). Мощность РДВ = 0,55 кВт с синхронной частотой вращения равной 1500 мин-1 .
где nc – синхронная частота вращения, мин-1 , nc =1500 мин-1 [2]; S – относительное скольжение вала, %, S=9,5%;
Проверим условие работоспособности при пуске:
где 2,4 > 1,5 – условие выполняется.
Рисунок 2 – Эскиз электродвигателя АИР71А4
Передаточное отношение привода i вычисляется по формуле:
, Подставив, значения получим:
Назначаем передаточное отношение i1 открытой передачи таким образом, чтобы оно делило табличное значение интервала передаточных отношений в том же соотношении, в каком частота вращения выбранного электродвигателя делит интервал оптимальных частот вращения. Для этого составим пропорцию:
Подставив значения, находим i1 : i1 =2. Таким образом, передаточное отношение редуктора ip вычисляем следующим образом:
Округляем значение передаточного отношения редуктора до ближайшего значения в таблице стандартных коническо-цилиндрических редукторов по ГОСТ 27142-86 ip = 14. Тогда передаточное отношение клиноременной передачи равно:
где k – порядковый номер исполнительного механизма на кинематической схеме привода (см. Рисунок 1);
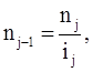
j = 1, 2…k–1,
Тогда частота вращения 2-го вала будет равна:
Вращающие моменты вычислим по формуле:
j = 1,2…k, Вычислим вращающие моменты на всех валах:
Вычисленные параметры запишем в таблицу. Таблица 1 – Силовые и кинематические параметры привода
Исходя из рассчитанных вращающего момента на выходном валу и частоты вращения на входном валу, выбираем стандартный коническо–цилиндрический редуктор по ГОСТ 27142-86 типоразмера Ц2У-100 Твых =250 Нм при nвх = 677,7 мин-1 .
Рисунок 3 – Эскиз редуктора
Муфта зубчатая серии МЗ является подвижной муфтой, она способна компенсировать угловое и радиальное смещение и перекосы осей валов. Муфта зубчатая серии МЗ состоит из двух зубчатых обойм, соединенных болтами, и двух зубчатых втулок, вставленных в обоймы. На обоймы устанавливаются крышки с манжетами. Муфты зубчатые
1- втулка, 2- обойма, 3- фланцевая полумуфта, 4- промежуточный вал. Рисунок 4 – Эскиз муфты.
Результаты расчета ременной передачи
Следует отметить и недостатки, присущие ременным передачам: сравнительно небольшие передаваемые мощности (обычно до 50 кВт); непостоянство передаточного отношения; значительные габариты; повышенные нагрузки на валы и опоры; необходимость натяжения ремня в процессе эксплуатации; малая долговечность ремней, особенно быстроходных передачах. 4.1. Проектный расчет вала Валы – детали, которые служат для поддержания других вращающихся деталей, а сами опираются на подшипники. На этапе эскизного проектирования ориентировочно была намечена конструкция валов, определены диаметры отдельных участков. Теперь следует уточнить эти размеры, согласовать их с деталями, устанавливаемыми на вал, учесть вид и расположение опор, конструкцию уплотнения, технологию изготовления. Перед отработкой конструкции вала должны быть решены такие важные вопросы, как способ передачи вращающего момента в соединении вал - ступица и способ крепления деталей на валу от осевого перемещения. 1) Рассчитываем значение диаметра выходного конца вала: где Mk = Т - крутящий момент, Н·мм; Из стандартного ряда принимаем: d1=45 мм; L1=70 мм. 2) Далее по значению диаметра вала выбираем и устанавливаем шпонку. Шпонка, выбранная по длине и диаметру конца вала, имеет размеры, ГОСТ 23360-78:
где b – ширина, h – высота шпонки, t – глубина паза в вале, t2 – глубина паза в ступице, Lш – длина шпонки. Длина шпонки: Lш=L1-20=70-10=50 мм. Из стандартного ряда длину шпонки берём: Lш=50 мм. 4.2. Подбор подшипников и шпонок. Исходя из геометрических параметров вала, в месте соединения его с барабаном определяем размеры шпонки вала под барабаном. Шпонка призматическая для диаметра вала в = 55 мм: - высота шпонки h = 10 мм; - ширина шпонки b = 16 мм; - длина шпонки l = 100 мм; - глубина паза вала t1 = 7 мм; - глубина паза ступицы t2 = 10 мм.
Рисунок 6 – Эскиз шпоночного соединения.
- диаметр отверстия dП = 55 мм; - диаметр внешнего кольца в = 120 мм; - ширина подшипника В = 29 мм; - координата фаски r = 3 мм; - динамическая радиальная грузоподъёмность Cr = 51,0 кН; - статическая радиальная грузоподъёмность C0 r = 24,0 кН.
Рисунок 7 – Эскиз подшипника. На этом этапе подбирается корпус подшипника, крышки подшипника и манжетные уплотнения. Корпус подшипника выбирается по диаметру наружного кольца подшипника. Рис.4. Корпус подшипника. Корпус подшипника УМ 100. ГОСТ 13218.3-80, размеры, мм
Крышки подшипника выбирается по диаметру вала. Крышка подшипника торцевая с манжетным уплотнением МН 100*65 ГОСТ 13219.5-81
Рис.5. Крышка подшипника торцевая с манжетным уплотнением.
Крышка подшипника торцевая глухая низкая ГН 100 ГОСТ 13219.2-81 Рис.6. Крышка подшипника торцевая глухая низкая.
4.3. Проверочный расчет вала на статическую прочность
по эквивалентному моменту Окружная сила действующая на барабан со стороны ремня задана в техническом задании: Ft = 1150 Н
S2 = 0,25. Ft =0,25. 1150 =287,5 Н
S1 = Ft + S2 = 1150 + 287,5 = 1437,5 Н
Q = S1 + S2 = 287,5 + 1437,5 = 1725 Н Из уравнения моментов найдем силы FA и FВ :
Так как схема нагружения симметричная то FA = FВ = 862,5 Н.
Из расчетной схемы (Рисунок 8) видно, что опасным сечением является сечение D, так как в этом сечении одновременно приложены максимальные крутящий и изгибающие моменты. ТD = 638,94 Нм МD = 0,111. 862,5 = 291,38 Нм Тогда:
Максимальное эквивалентное напряжение равно:
где dD – Диаметр вала в сечении D,мм. Тогда:
Рисунок 8 – Расчетная схема вала исполнительного органа
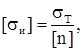
где Kр – коэффициент режима работы, Kр = 1,8; [σи ] – допускаемое напряжение изгиба, МПа.
где σТ – предел текучести материала (Сталь 40Х), σТ = 640 МПа; [n] – коэффициент запаса, [n] = 2. Тогда:
25,57 МПа ≤ 177,78 МПа, – условие выполняется. 4.4. Проверочный расчет подшипников на долговечность Fr = FA = FВ = 2625 Н; Х – коэффициент радиальной нагрузки, Х = 1; е – коэффициент осевого нагружения, е = 0,19; Определим эквивалентную динамическую нагрузку:
Pr = VXFr KБ KТ , где V – коэффициент внутреннего кольца, V = 1; КТ – температурный коэффициент, КТ = 1; КБ – коэффициент безопасности, КБ = 1,3. Pr = 1. 1. 2625. 1,3. 1 = 3412,5 Н. Определяем по уровню надёжности и условиям применения расчётный ресурс подшипника:
где a1 – коэффициент долговечности, a1 = 1; a23 – коэффициент, учитывающий влияние на долговечность особых свойств материала, a23 = 0,3;
Сравниваем с требуемым ресурсом
Условие выполняется, следовательно подшипник 1212 – годен. 4.5. Проверочный расчет шпоночного соединения 4.5.1. Проверочный расчет шпонки вала под муфту: Условие работоспособности шпонки вала:
где Т – передаваемый момент, Т = 638.94Нм; d – диаметр вала, в = 45 мм; lр – рабочая длина шпонки, мм: lр = l – b = 70 – 14 = 56 мм; k – глубина врезания шпонки, мм: k = h – t1 = 9 – 5,5 = 3,5 мм. [σсм ] –допускаемое напряжение смятия, [σсм ]<180 МПа.
144,5 МПа < 180 МПа условие выполняется. 4.5.2. Проверочный расчет шпонки вала в месте соединения вала с барабаном: Условие работоспособности шпонки вала:
где Т – передаваемый момент, Т = 638.94Нм; d – диаметр вала, в = 60 мм; lр – рабочая длина шпонки, мм: lр = l – b = 100 – 18 = 82 мм; k – глубина врезания шпонки, мм: k = h – t1 = 11 – 7 = 4 мм. [σсм ] –допускаемое напряжение смятия, [σсм ]<180 МПа.
64,9 МПа < 180 МПа – условие выполняется. Шпоночное соединение показано на рисунке 6.
1. Устиновсий Е.П., Шевцов Ю.А., Яшков Ю.К., Уланов А.Г. Многовариантное проектирование зубчатых цилиндрических, конических и червячных передач с применением ЭВМ: Учебное пособие к курсовому проектировании по деталям машин. – Челябинск: ЧГТУ, 1992. 2. Справочник конструктора - машиностроителя: В 3 т. – 8-е изд., перераб. и доп. Под ред. И. Н. Жестковой. – М.: Машиностроение, 2001. 3. Дунаев П.Ф., Леликов О.П. конструирование узлов и деталей машин: Ученое пособие для техн. спец. вузов. – 6-е изд., исп. – М.: Высш. шк., 2000. – 477с., ил. 4. Ряховский О.А., Иванов С.С. Справочник по муфтам. – Л.: Политехника, 1991. – 384 с.: ил. 5. Сохрин П.П., Устиновский Е.П., Шевцов Ю.А. Техническая документация по курсовому проектировании по деталям машин и ПТМ: Ученое пособие. – Челябинск: Ид. ЮУрГУ, 2001. – 67 с. 6. Чурюкин В.А., Яшков Ю.К. Обозначение конструкторской документации: Ученое пособие. – Челябинск: ЧГТУ, 1986. – 61 с. 7. Сохрин П.П., Кулешов В.В. Проектирование валов: Учебное пособие. Челябинск: Изд. ЮУрГУ, 2000. – 94 с. 8. Сохрин П.П. Проектирование ременных передач: Ученое пособие: Челябинск: ЧГТУ, 1997. – 94 с. |
Содержание
Введение
1. Кинематический и силовой расчет привода.
, 



Частота n1
, мин-1
, вращения вала электродвигателя вычисляется по формуле:
мин-1
;



, 


Связь между частотой вращения предыдущего и последующего валов выражаются зависимостью:
j = 1, 2…k–1,

j = 1,2…k, 





2. Выбор муфты.



3. Проектирование ременной передачи.
По сравнению с другими видами передач ременные имеют ряд существенных преимуществ: возможность передачи движения на сравнительно большие расстояния без особого увеличения массы передачи; простота конструкции и эксплуатации; плавность хода и бесшумность работы; эластичность привода, смягчающая колебания нагрузки и предохраняющая от значительных перегрузок за счет скольжения; меньшая начальная стоимость.
4. Проектирование исполнительного органа
;
мм. 

Для опор вала исполнительного органа применим шариковые радиальные сферические двухрядные подшипники (ГОСТ 28428 – 90), из-за возможных перекосов опор подшипников. Назначаем подшипники легкой серии № 1311.





4.3. Проверочный расчет вала на статическую прочность




Допускаемое напряжение [σ], МПа:





Список использованных источников