Курсовая работа: Анализ избирательных цепей в частотной и временной областях Расчет отклика
|
Название: Анализ избирательных цепей в частотной и временной областях Расчет отклика Раздел: Рефераты по коммуникации и связи Тип: курсовая работа | ||||||||||||||||||||||||||||||||||||||||||||||||||||||||||||||||||||||||||||||||||||
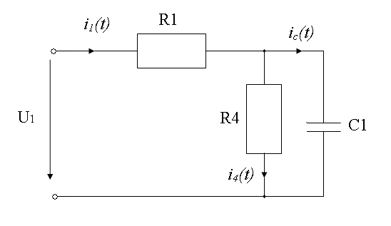
Министерство образования и науки Украины Харьковский национальный университет радиоэлектроники Радиотехнический факультет Кафедра основы радиотехники КУРСОВОЙ ПРОЕКТ ПОЯСНИТЕЛЬНАЯ ЗАПИСКА “АНАЛИЗ ИЗБИРАТЕЛЬНЫХ ЦЕПЕЙ В ЧАСТОТНОЙ И ВРЕМЕННОЙ ОБЛАСТЯХ” “ОСНОВЫ РАДИОЭЛЕКТРОНИКИ” Руководитель : Иванов И.А. Выполнил : ст. гр.101 Блинов Б.Б. ХАРЬКОВ 2008 РЕФЕРАТ Курсовая работа: 19 c., содержит: 9 рис., 4 табл., 4 источника. Объект исследования - пассивная линейная цепь первого порядка. Цель работы – определить частотные характеристики, а также отклик пассивной линейной цепи, к входу которой приложен входной сигнал. Метод исследования – определение отклика производится классическим и операторным методами. Расчет отклика в пассивной цепи находится двумя способами. Для расчета отклика классическим методом составляется дифференциальное уравнение, определяются его корни и переходная характеристика цепи. Операторный метод расчета состоит в определении ОПФ цепи и нахождении изображения отклика как произведения ОПФ на изображение входного воздействия. ОПФ, КПФ, АЧХ, ФЧХ, ОТКЛИК, ВОЗДЕЙСТВИЕ, ПЕРЕХОДНАЯ ХАРАКТЕРИСТИКА, ИМПУЛЬСНАЯ ХАРАКТЕРИСТИКА, КЛАССИЧЕСКИЙ МЕТОД, ОПЕРАТОРНЫЙ МЕТОД. СОДЕРЖАНИЕ ПЕРЕЧЕНЬ УСЛОВНЫХ СОКРАЩЕНИЙ Введение Задание к курсовому проекту 1 Расчет временных характеристик цепи классическим методом 2 Расчет отклика цепи интегралом Дюамеля 3 Расчет частотных характеристик схемы операторным методом 4 Связь между частотными и временными характеристиками 5 Расчет временных характеристик цепи операторным методом 6 Расчет отклика цепи операторным методом Выводы по работе ПЕРЕЧЕНЬ ССЫЛОК ПЕРЕЧЕНЬ УСЛОВНЫХ СОКРАЩЕНИЙ ОПФ – операторная передаточная функция; КПФ – комплексная передаточная функция; АЧХ – амплитудно-частотная характеристика; ФЧХ – фазово-частотная характеристика. ВВЕДЕНИЕ Дисциплина «Основы радиоэлектроники» принадлежит к фундаментальным дисциплинам в образовании специалистов, которые проектируют электронную аппаратуру. Курсовая работа по этой дисциплине - один из этапов самостоятельной работы, который позволяет определить и исследовать частотные и временные характеристики избирательных цепей, установить связь с предельными значениями этих характеристик, а также закрепить знания по классическому и операторному методам расчета отклика цепи. ЗАДАНИЕ К КУРСОВОМУ ПРОЕКТУ Исследуемая схема изображена на рисунке 1, начальные условия наведены таблице 1. Таблица 1-Параметры обобщенной схемы.
Рисунок 1- Анализируемая схема 1 Расчет временных характеристик цепи классическим методом Составляем систему уравнений для схемы по первому и второму законам Кирхгофа:
Подставив первое уравнение во второе, получим:
Ток, протекающий через ёмкость, определяется по закону:
После подстановки получаем дифференциальное уравнение для данной цепи:
В соответствии с классическим методом заменяем производные
Из последнего уравнения находим p :
Постоянная времени цепи:
Подставив числовые значения в (1.3) и (1.4), получаем:
Переходную характеристику определяем как отклик цепи
Принуждённую составляющую
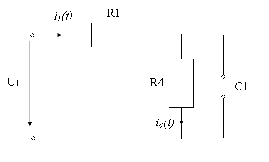
Рисунок 1.1- Состояние схемы для
Коэффициент A найдём из уравнения (1.5) для момента времени t
(+0)
, воспользовавшись нулевыми начальными условиями
Рисунок 1.2- Состояние схемы для
Резистор R 4 шунтируется ёмкостью С и ток i 4 (+0)=0.
Из последнего уравнения находим A:
Подставим это выражение в (1.5) и получим формулу переходной характеристики:
Подставляем числовые значения:
Импульсную характеристику h ( t ) рассчитываем по формуле:
Окончательная формула h(t) :
Таблица 1.1-Мгновенные значения h ( t ) и g ( t ) .
Графики переходной и импульсной характеристик изображены на рисунках 1.3 и 1.4 соответственно.
Рисунок 1.3- График переходной характеристики
Рисунок 1.4- График импульсной характеристики 2 Расчет отклика цепи интегралом Дюамеля График входного воздействия U ( t ) показан на рисунке 2.1.
Рисунок 2.1- График входного воздействия Восстанавливаем функцию U ( t ) по графику при помощи формулы для прямой, проходящей через 2 точки:
Подставляем значения из графика, выражаемU ( t ) из уравнения и получаем:
Для расчета отклика цепи y ( t ) воспользуемся интегралом Дюамеля:
где U 1 ( x ) – входное воздействие, U 1 ( x )= U ( t ) , если x=t. Подставляем выражения для U 1 ( x ) и для h ( t ) в (2.3):
Окончательное выражение для отклика цепи на воздействие U ( t ) :
Таблица 2.1 - Мгновенные значения отклика цепи
График y ( t ) приведен на рисунке 2.2.
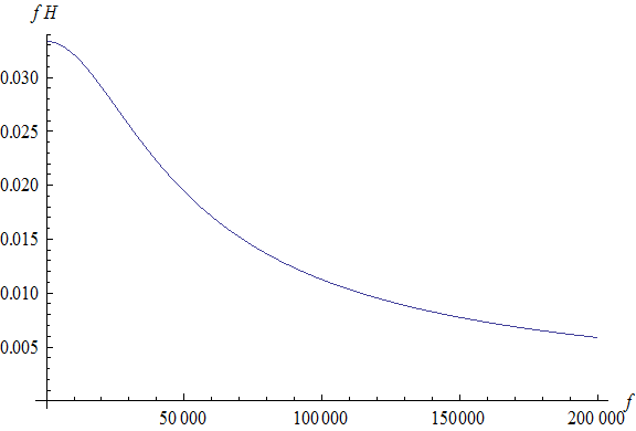
Рисунок 2.2- График отклика цепи 3 Расчет частотных характеристик схемы операторным методом Найдём ОПФ цепи как отношение изображения отклика I 4 ( p ) к изображению воздействия U 1 ( p ) :
Применяя формулу разброса токов, находим отклик в операторном виде:
Тогда операторная характеристика:
Заменяя в (3.2) комплексную переменную p на jw , получаем КПФ цепи:
Для определения АЧХ находим модуль КПФ:
Для определения ФЧХ находим аргумент КПФ:
Таблица 1.1-Мгновенные значения H
(
f
)
и
Графики АЧХ и ФЧХ приведены на рисунках 3.1 и 3.2 соответственно.
Рисунок 3.1- График АЧХ
Рисунок 3.2- График ФЧХ 4 Связь между частотными и временными характеристиками Установим связь между частотными и временными характеристиками цепи, для чего найдём их граничные значения при
Из полученных значений делаем вывод, что 5 Расчет временных характеристик цепи операторным методом Для расчета h ( t ) воспользуемся тем, что ОПФ соответствует изображению импульсной характеристики. Преобразуем H(p) , найденное в (3.2):
Восстановим оригинал h ( t ) из данного изображения:
Окончательная формула для h ( t ) соответствует выражению (1.8):
Изображение переходной характеристики определяется формулой:
Разложим последнюю дробь на простые:
Найдём оригинал G(p) :
Окончательная формула для g ( t ) соответствует выражению (1.6):
6 Расчет отклика цепи операторным методом Из формулы для ОПФ (3.1) выражаем изображение отклика I 4 ( p ) :
Определяем изображение воздействия U 1 ( t ) :
Подставив в (6.1) требуемые формулы, получим:
Для нахождения оригинала, разложим дроби в последней формуле на простые:
Восстанавливаем оригинал отклика:
Подставляем числовые значения в i 4 ( t ) и упрощаем:
Окончательная формула для i 4 ( t ) соответствует y ( t ) выражения (2.4):
ВЫВОДЫ ПО РАБОТЕ В процессе расчета курсовой работы проанализировали схему цепи первого порядка в частотной и временной областях. Обобщая полученные результаты и анализируя АЧХ цепи можно сделать вывод, что исследуемая схема — фильтр низкой частоты. В результате выполнения работы усвоили классический и операторный методы анализа цепей. Сравнение результатов обоих методов показывает, что расчеты выполнены верно. Также было установлена связь между временными, и частотными характеристиками. ПЕРЕЧЕНЬ ССЫЛОК 1)Волощук Ю.И. Сигналы и процессы в радиотехнике: Учебник для студентов высших учебных заведений в 4-ч т.- Харьков: Компания Смит, 2003. – Т. 1:580 с. 2) Методичні вказівки до розрахункових завдань з курсів «Теорія електричних кіл», «Основи теорії кіл» для студентів спеціальності «Радіотехніка» / Упоряд.: Л.В. Грінченко, І.О. Мілютченко.– Харків: ХТУРЕ, 1999 – 44 c. 3) Конспект з лекцій «Основи теорії кіл», Ч. 1 /Упоряд.: Л.В. Гринченко, І.В. Мілютченко – Харків: ХНУРЄ, 2002. – 92 с. 4) Конспект з лекцій «Основи теорії кіл», Ч. 2 /Упоряд.: Л.В. Гринченко, І.В. Мілютченко – Харків: ХНУРЄ, 2002. – 116 с. |


(1.1)


(1.6)
(1.8)



(2.1)
(2.3)
(2.4)

(3.5)





(5.1)



(6.2)