Контрольная работа: Расчет линейной ARC цепей
|
Название: Расчет линейной ARC цепей Раздел: Рефераты по коммуникации и связи Тип: контрольная работа | ||||||||||||||||||||||||||||||||||||||
Содержание Введение Расчет операторной передаточной функции активного четырехполюсника Параметрический синтез фильтра Расчет частотных характеристик фильтра Расчет переходной характеристики фильтра Анализ полученных результатов Список использованной литературы Введение Активные RC -фильтры Электрические фильтры, то есть устройства, пропускающие электрические колебания одних частот и задерживающие колебания других, широко применяются в современной промышленной электронике. Область частот пропускаемых колебаний, для которых модуль передаточной функции с заданной точностью равен некоторому определенному значению, называется полосой пропускания фильтра. Граничные частоты полосы пропускания принято называть частотами среза. Область частот задерживаемых колебаний, для которых модуль передаточной функции не превосходит некоторого установленного уровня, называется полосой задерживания. В связи с тем, что идеального разделения полос пропускания и задерживания добиться невозможно, говорят об области спада амплитудно-частотной характеристики (АЧХ) фильтра. В зависимости от взаимного расположения полос пропускания и задерживания (рис. 2) различают фильтры нижних частот (ФНЧ), фильтры верхних частот (ФВЧ), полосовые фильтры (ПФ), режекторные (заграждающие) фильтры (РФ). В общем случае передаточную функцию фильтра с сосредоточенными параметрами можно записать в виде отношения двух рациональных выражений (полиномов):
где
Особый интерес представляют фильтры первого и второго порядка, так как фильтры более высоких порядков строятся, как правило, на их основе. Для различного типа фильтров первого и второго порядков передаточные функции в дробно-рациональной форме приведены в табл. 1 (форма 1). Таблица 1
На практике при описании передаточных функций фильтров первого и второго порядков принято пользоваться такими параметрами, как коэффициент передачи фильтра в полосе пропускания Анализ установившегося режима при воздействии синусоидальных сигналов проводят, полагая
Коэффициент передачи в полосе пропускания Для РФ характерными являются коэффициенты передачи на частотах За полосу пропускания фильтра При таком задании полосы пропускания частота среза ФНЧ и ФВЧ первого порядка совпадает с их характеристической частотой ( У ПФ характеристическая частота
где Избирательные свойства фильтров в значительной мере зависят от крутизны их АЧХ в области спада. Крутизна спада
где Декада – практическая единица измерения частотного интервала; соответствует интервалу между частотами Возможны реализации фильтров с использованием лишь одних пассивных элементов (пассивные фильтры). Однако в настоящее время построение фильтров часто проводится с применением активных элементов (активные фильтры), в частности, операционных усилителей (ОУ). Если подобный активный фильтр из пассивных элементов содержит только емкостные и резистивные элементы, то его называют активным RC –фильтром. Активные RC –фильтры не содержат катушек индуктивности. Индуктивные катушки – это громоздкие элементы (особенно предназначенные для работы при низких частотах). Их микроэлектронное исполнение весьма затруднительно. Кроме того, в низкочастотном диапазоне катушки индуктивности имеют невысокую добротность. Активные фильтры выгодно отличаются от пассивных еще и тем, что имеется возможность обеспечения их высокого входного и малого выходного сопротивлений. Это облегчает согласование фильтров при их соединениях между собой (имеет место независимость АЧХ промежуточных звеньев). При проектировании сложных фильтров на основе фильтров первого и второго порядков используются различные комбинации последних. Например, применяется каскадное соединение – выход предыдущего фильтра соединяется со входом последующего. Каскадное соединение звеньев первого и второго порядков позволяет создать фильтр любого порядка. В этом случае передаточная функция фильтра равна произведению передаточных функций входящих в его состав элементарных звеньев:
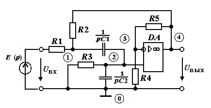
Каскадное проектирование является самым распространенным методом создания активных фильтров. 1. Расчет операторной передаточной функции активного четырехполюсника На основании исходной схемы четырехполюсника составим операторную схему замещения (рис. 3). Для этого пассивные элементы в исходной схеме заменим пассивными двухполюсниками с соответствующими операторными сопротивлениями (резистивному элементу с сопротивлением
Рис.3. Схема замещения фильтра Осуществим расчет методом узловых напряжений. Проведем топологический анализ схемы, в ходе которого выявим и пронумеруем узлы. Узел, помеченный знаком общей шины, обозначим как нулевой (узел 0) и примем его за базисный узел. Для операторных изображений узловых напряжений узлов 1–4 введем обозначения U11(g1+g2+pC1)-U22pC1-U44g2=Eg1 -U11pC1+U22(g3+pC1+pC2)=0 U33(g4+g5)-U44g5=0 U44=k(U22-U33) При U11(g1+g2+pC1)-U22pC1-U44g2=Eg1 -U11pC1+U22(g3+pC1+pC2)=0 U22(g4+g5)-U44g5=0 В матричной форме система узловых уравнений примет вид
Из этой системы линейных уравнений по правилу Крамера могут быть определены операторное изображение узлового напряжения выхода четырехполюсника:
Операторная функция передачи рассматриваемого активного четырехполюсника будет равна
2. Параметрический синтез фильтра Сравним между собой две употребляемые формы записи передаточной функции
можно видеть, что
в результате получаем Таким образом, для определения параметров (параметрического синтеза) семи пассивных элементов ( Воспользуемся полученными в пункте 1 выражениями для коэффициентов
Отсюда находим
Параметры всех элементов фильтра определены. Их конкретные значения выбраны в соответствии с рядами номинальных значений сопротивлений резисторов и емкостей конденсаторов. Численные значения коэффициентов дробно-рационального представления передаточной функции Нули M(p0 )=1.013∙10-1 4 p0 =0 N(p* )=1.299∙10- 21 p* 2 +2.099∙10-1 6 p* +1.277 ∙10- 10 =0 Получаем, что фильтр имеет один нуль и два комплексно-сопряженных полюса: Графическое изображение расположения нулей и полюсов функции на плоскости операторной переменной р=α+jwназывается диаграммой или картой нулей и полюсов Полюсно–нулевая карта, построенная по этим данным, представлена на рис.4.
3. Расчет частотных характеристик фильтра Уравнение комплексной передаточной функции
В свою очередь, после выделения действительных
легко находятся уравнения АЧХ и ФЧХ цепи:
Уравнения АЧХ и ФЧХ фильтра получим из дробно-рационального выражения его операторной функции передачи:
Положив
= Определив модуль этого комплексного выражения, найдем уравнение АЧХ фильтра:
Для нахождения уравнения ФЧХ нужно найти аргумент функции
Оставаясь действительным, полином числителя
при любой частоте не меняет свой знак. Поэтому У полинома знаменателя
действительная часть
при частоте ω>313538 рад\с меняет знак. В зависимости от знака действительной части аргумент комплексной функции будет определяться по разным формулам:
при 0≤
при
при Таким образом, уравнение ФЧХ будет выглядеть следующим образом
при 0≤
при
при По полученным уравнениям (задавая с определенным шагом значения По графику определим частоту среза
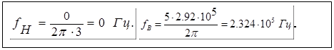
Расчет частотных характеристик всегда проводятв определенном диапазоне частот, вкотором проявляются основные частотные свойства электрической цепи. Величину диапазона частот можно определить по полюсно-нулевой карте операторной функции. В качестве нижней граничной частоты fн можно принять значение, близкое к величине
где Smin – расстояние от начала координат до ближайшей особой точки (нуля или полюса) Это расстояние определяется как модуль особой точки: S =p0 или S=p* . За верхнюю граничную частоту fв можно взять значение
где Smax – расстояние от начала координат до самой удаленной особой точки. Рассчитаем граничные частоты для нашего примера. p0
=0 рад/c, Следовательно, Smin =p0 , Smax =p* ,
4. Расчет переходной характеристики фильтра По формуле
Определение оригинала переходной характеристики
которые являются полюсами операторной функции
Воспользуемся формулой теоремы разложения для случая трех простых (некратных) полюсов, один из которых нулевой:
В ходе преобразований при подобных вычислениях полезно помнить формулы
Расчет переходной характеристики проводят в определенном временном интервале и с определенным шагом изменения времени, которые зависит от вида функции, составляющих переходную характеристику. Временной интервал 0 ÷ T1 определяется показателем экспоненты s и принимается примерно равным T1
= (4 ÷ 5)/s= Шаг изменения времени T2 можно оценить по периоду T гармонического колебания T = 2 Если принять 10 точек на период T, то шаг изменения времени T2 будет равным
5. Анализ полученных результатов В случае Рассмотрим уравнения АЧХ и ФЧХ при условии:
а) при 0≤ б) при в) при так как у нас
В случае
При w=313538 рад/с имеем
Список использованной литературы 1. Расчёт линейных активных RC-цепей: Методические указания к выполнению курсового проекта по курсу «Теоретические основы электротехники». Старцев С.А. –КГЭУ, Казань, 24с. 2. Расчет частотных и переходных характеристик линейных активных цепей: методическое пособие по курсовой работе. В.А. Михайлов, Э.И. Султанов. Казан. гос. техн. ун-т. Казань, 2001, 27 с. 3.Основыпромышленной электроники/Под ред. В. Г. Герасимова. М.: Высшая школа, 1986. |
||||||||||||||||||||||||||||||||||||||
=
,












.










=
,
=
;
=










=
+
.





