Курсовая работа: Система управления скоростью вращения двигателя переменного тока
|
Название: Система управления скоростью вращения двигателя переменного тока Раздел: Рефераты по коммуникации и связи Тип: курсовая работа | ||||||||||||||||||||||||||||||||||||||||||||
Министерство образования Российской Федерации Уральский государственный технический университет Кафедра Автоматика и управление в технических системах СИСТЕМА УПРАВЛЕНИЯ СКОРОСТЬЮ ВРАЩЕНИЯ ДВИГАТЕЛЯ ПЕРЕМЕННОГО ТОКА Екатеринбург 2007 Реферат В данном реферате мы рассмотрели систему управления скоростью вращения двигателя переменного тока. Система состоит из интерфейса связи, устройства управления, преобразователя параллельного цифрового кода в последовательный, устройства преобразования цифрового кода в аналоговый и усилителя аналогового сигнала. Разработаны структурная и принципиальная схемы. Система может применяться в энергосистемах, цехах, заводах и т.д., где мощность нагрузки (двигателя) не превышает 150 ВТ. Введение Сейчас, как известно, наука не стоит на месте, а движется вперед и двадцать первый век становится компьютеризированным. Сейчас компьютер может заменить человека не только на заводах, но и в быту. Данная система управляется без участия человека – полностью электронно-вычислительной машиной. Целью данной работы являлась разработка системы управления скоростью вращения двигателя переменного тока. При проектировании нами были изучены различные подходы к проектированию систем управления, использование различных микросхем, а так же различное их подключение и функционирование. Так как скорость изменения количества оборотов двигателя в единицу времени несущественна, по сравнению со скоростью обработки данных микросхемами, то можно проектировать данную систему и на небыстродействующих микросхемах. Вся связь осуществляется через интерфейс электронно-вычислительной машины. 1. Структурная схема
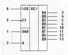
ЭВМ – электронно-вычислительная машина УУ – устройство управления ЦАП – цифро-аналоговый преобразователь УС – усилитель сигнала Д – электродвигатель С электронно-вычислительной машины по каналу связи передается восьмиразрядный последовательный код управления двигателя. Управляющее устройство принимает этот последовательный код и производить его преобразование в параллельный, а так же хранит его то тех пор, пока с ЭВМ не поступит новый. С управляющего устройства параллельный восьмиразрядный цифровой код поступает на цифро-аналоговый преобразователь, где он преобразуется в аналоговый сигнал. Аналоговый сигнал поступает на усилитель сигнала, где усиливается до требуемой мощности и поступает на электродвигатель. 2. Описание работы принципиальной схемы С ЭВМ последовательный информационный код по каналу связи подается на входы регистра (К134ИР8) «А» и «А&». После поступившего импульса кода поступает импульс управления на вход «СК». Поступивший импульс кода записывается в регистр, а импульс управления сдвигает этот бит данных влево. После того, как с ЭВМ перестал поступать импульсы кода, с регистра по восьмиразрядной шине параллельным кодом поступает полученная цифровая информация на ЦАП (К1108ПА1). В ЦАПе параллельный восьмиразрядный цифровой код преобразуется в аналоговый сигнал и стоящим на выходе операционным усилителем производится преобразование тока в напряжение, после чего поступает на усилитель (КР1182ПМ1). В усилителе поступивший сигнал усиливается до нужной мощности (максимальная выходная мощность 150 Вт) и передается на нагрузку (электродвигатель переменного тока). Так как в регистре постоянно хронится восьмиразрядный код и постоянно поступает на ЦАП, и в свою очередь, ЦАП постоянно передает сигнал усилителю, тем самым на двигателе постоянно поддерживается нужная мощность (требуемая скорость вращения). При подаче с ЭВМ нового информационного кода информация на ЦАПе обновляется и все происходит по вышеизложенной схеме. 2.1 Характеристики регистра К134ИР8 Регистр К134ИР8 – 8-разрядный сдвиговый регистр с последовательной загрузкой и параллельной выгрузкой.
Рис. 2.1. Микросхема представляет собой восьмиразрядный сдвиговый регистр с последовательной загрузкой и параллельной выгрузкой. Наличие двух вносов загрузки A и A& позволяет использовать один из них в качестве управляющего загрузкой данных: низкий уровень на одном из низ запрещает прохождение сигнала со второго. Низкий уровень на входе R устанавливает все выходы микросхемы в 0. Таблицу истинности работы регистра смотри в приложении 1. Импульс кода, посылаемым компьютером, подается на входы регистра А и &A (выводы 1, 2). Благодаря чему происходит загрузка одного бита данных. После поступившего импульса кода поступает импульс сдвига влево на вход СК (вывод 8). Происходит сдвиг влево и регистр готов к приему и записи второго бита кода. И так далее… Питание регистра подается на выводы 7 и 14 (7 – «земля», а 14 – +6В) (См. приложение 1) 2.2 Характеристики ЦАП К1108ПА1
Рис. 2.2. На ЦАП поступает восьмиразрядный параллельный код (выводы микросхемы 13, …, 24). На вход Uоп (вывод 4) подается опорное напряжение равное 10,24 В. Питается микросхема от двух источников тока (+5; -15 В). Подаваемые на выводы 1 и 2. Операционный усилитель с обратной связью, включенный на выходе (выводы 6,8 и 7), требуется для получения сигнала нужной мощности. Подключение и питание ОУ – штатное. 2.3 Характеристики усилителя КР1182ПМ1
Рис. 2.3. Питание, необходимое, для функционирования микросхемы подается на выводы 7 (подключаем к земле) и 8 (к источнику тока +6В). Два конденсатора, служат для плавного изменения времени (меняется в зависимости от емкости) включения (т.е. для предохранения от большого броска тока). 3. Конструкторское оформление Наше устройство, состоящее из регистра К134ИР8, ЦАП К1108ПА1, усилителя КР1182ПМ1 разметим на стандартной плате. Микросхемы разметим на координатной сетке. Шаг координатной сетки соответствует выводам микросхем. Для того, что бы выбрать материал для печатной платы необходимо, что бы этот материал соответствовал следующим требованиям: – устойчивость к механическим воздействиям – хорошие тепловые характеристики – высокое удельное сопротивление – диэлектрическая проницаемость ≈ 1 – высокая надежность Материал для изготовления печатной платы выбирается по ГОСТ 10316 – 78. Сравнительные характеристики материалов печатных плат сведены в таблицу
В качестве материала для печатной платы используем стеклотекстолит фольгированный марки СФ-2Н-50Г т. к. эксплуатационные характеристики стеклотекстолита лучше, чем у гетинакса. ТКР меди отличается от ТКЛР гетинакса в 6–12 раз, а от стеклогекстолита в 3 раза, что значительно уменьшает риск появления разрывов при пайке. После изготовления прочистить спиртом и покрыть матовым лаком. Заключение В данном курсовом проекте мы разработали систему управления скоростью вращения вала электродвигателя. Это устройство можно применять для плавного включения и выключения электрических ламп накаливания изменять яркость свечения, для управления более мощными полупроводниковыми переключающими приборами. Из особенностей системы следует отметить его способность ограничивать мощность в нагрузке при достижении предельно допустимой температуры корпуса прибора. А так же ее большое преимущество – это малые габариты, благодаря чему, данная система может легко применяться в микроэлектронике. Все приборы в этом устройстве оформлены в пластмассовом корпусе общеевропейской конструкции POWER – DIP. Библиографический список 1.Справочник по интегральным микросхемам Тарабин Б.В., Якубовский С.В. и др. М.: Э., 1980, 816 с., ил. 2.Цифровые и аналоговые интегральные микросхемы: Справочник под редакцией Якубовский С.В. – М.: Радио и связь 1990. 496 с. ил. 3.Шило В.Л. Популярные цифровые микросхемы электронных устройств. М.: Радио и связь, 1988. 416 с., ил. 4.Воробьев Н.И. Проектирование электронных устройств. М.: Высшая школа, 1989. 230 с., ил. |
||||||||||||||||||||||||||||||||||||||||||||
Рис. 1. Структурная схема системы управления скоростью вращения двигателя переменного тока


